Interference with Signaling Track Circuits Caused by Rolling Stock: Uncertainty and Variability on a Test Case
Abstract
1. Introduction
- First of all, instrumental uncertainty, by applying metrology concepts [28] to the measurement chain, including sensors and the data acquisition system (DAS); there is no uniform approach to deal with uncertainty in measurement results when dealing with compliance to limits and safety [29]; either probabilistic approaches (combining the variability in the data and instrumental uncertainty, in order to derive the likely distribution of measurement results) or rigid worst-case standpoints (where a conservative estimate of variability due to uncertainty is added on top of measurement results) may be adopted.
- There is then a wide range of power supply transients [30], such as inrush and short-circuit events [17], that are intrinsic to the system and are not usually taken into account in the verification of interference of signaling; however, the criteria to discard such transients based on their duration, their nature, and their origin are not formalized and established.
- Other typical transients occurring instead of RS operation occur much more frequently and they are relevant in terms of both instrumental uncertainty (e.g., scale setting and consequently out-of-scale occurrences) and transient disturbance to signaling (as the result of non-characteristic components arising during such transients) [31]; examples of such transients are pantograph bounces (causing electric arcs and onboard filter oscillations in DC RS [32]), wheel slip (causing traction converter reaction), various overvoltages [33], etc.
2. Rolling Stock and Signaling Characteristics
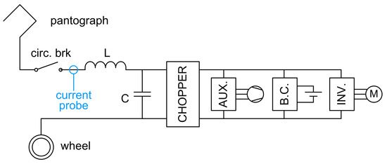
2.1. Rolling Stock and Return Current
2.2. Signaling Systems
- Track circuits (TCs) of the power frequency and audio frequency type [8], directly connected to the running rails and for this reason mostly affected by disturbance and current unbalance in the track;
- Specific short-length devices for protection of, e.g., level crossings and shunting yards, adopting track circuit technology and usually backed up by axle counters.
2.3. Track Frequency Response
- The usual choices are = 0.25 Ω to 0.5 Ω (as common conservative practice, especially when moving on turnout area and slowly on rusty tracks, the usual values being much less) and = 0.5 S/km (corresponding to the limit of conductance to earth established by the EN 50122-2 for stray current protection [40]);
- It is clear that when the RS moves along the lines in normal operating conditions, the immunity margins of the TCs found on the tracks are much more favorable, with the two parameters being much smaller, on the order of = 0.01 Ω to 0.1 Ω for a wheel–rail contact area of several , and = 0.1 mS/km to 10 mS/km, as found in [21] for three different types of lines, both DC 3 kV and AC 25 kV.
3. Test Method and Setup
3.1. Line Configuration and RS Operating Conditions
- Either the test line is short and calculable, so that the frequency response can be accurately determined, and then, measurement results can be extrapolated to other worst-case scenarios;
- Or the test line is quite long and with a wide range of supply conditions, so that “hopefully” worst-case conditions of RS emissions are likely to occur frequently enough that they are captured during continuous recording.
3.2. Instrumentation and Data Post-Processing
3.2.1. Description of Instrumentation and Data Processing
3.2.2. Instrumentation Uncertainty
- Experience or general knowledge of the behavior and characteristics of instruments (in the present case we have focused our attention on the most relevant instrumentation, and in particular the current sensor and the data acquisition unit; at such a low frequency range, for instance, cable attenuation is negligible);
- Manufacturer’s specifications;
- Data provided in calibration and other certificates;
- Uncertainties assigned to reference data taken from handbooks (as is the case for the quantization noise, that has theoretical grounds).
3.2.3. Uncertainty in Data Processing
- Max-hold estimates, which accumulate the maximum for each frequency bin, are not only over-estimations, but deform the shape of the spectrum, as the recorded maxima did not occur in the same time instant; spectra tend to have larger humps and smoother curves;
- A representation providing statistical significance is preferable and the choice may fall on the confidence interval, for example, taking the experimental standard deviation; the pdf, however, is not symmetric and for the assessment of compliance to limits we are interested in the largest values, whereas the small ones may be represented less accurately.
4. Results
4.1. Time-Domain Waveform
4.2. Variability and Uncertainty
4.2.1. Overall Type A Uncertainty in Traction and Braking Conditions
- The TPS characteristic harmonics are much more stable and have step-like changes of amplitude when moving from one supply section to the other; nevertheless, limit masks are devised to treat such unavoidable emissions specifically and signaling devices are designed not to use such narrow frequency bands.
- RS emissions are significantly time-varying and non-stationary, as caused by transients and by variable OCs due to the dynamic behavior [6], well described by Figure 5 in [48]; similarly to what was reported for the measurement of the electromagnetic emissions by electric arcs, there is always a trade-off between the resolution bandwidth (here, the width of the Fourier-transformed window , that at the longest values entails an increasing number of samples) and the desired frequency resolution, as well as between the heavy use of the max-hold detector to clean up the resulting spectrum and the preservation of the shape for later interpretation [49].
4.2.2. Spectral Leakage Caused by Transients and Duration of Transformation Window
4.3. Behavior at Different Operating Conditions
4.4. Comparison with Limits
5. Conclusions
- First of all, the frequency response of the track and the distribution of the return current may vary for the various types of tracks and catenary power lines in a whole country. Such variability is covered by the choice of margins made by the regulatory body when determining the limits for the return current assigned to the single unit undergoing the homologation tests.
- The variability during the tests of the specific rolling stock unit, then, is caused most of all by the variable operating conditions (traction, braking, cruising, coasting, etc., at different power levels).
- Additional variability is caused by the spectral leakage resulting from the onboard filter oscillations that are unavoidable and may be addressed by only selecting short transformation windows on the order of 20 ms, of course establishing then a fundamental component of the analysis at 50 Hz (by the way adequate for all track circuits to our knowledge).
- A fourth element influencing the result is the way the data are processed and compared to the limits, having shown that an over-cautious max-hold approach leads not only to too pessimistic conclusions, but also affects the spectrum shape, so that it is more difficult to identify the origin and time behavior of specific spectral components.
Author Contributions
Funding
Data Availability Statement
Conflicts of Interest
References
- EN 50121-3-1; Railway Applications—Electromagnetic Compatibility. Part 3-1: Rolling Stock—Train Andcomplete Vehicle. CENELEC: Brussels, Belgium, 2017.
- Havryliuk, V.; Serdyuk, T. Distribution of harmonics of return traction current on feeder zone and evaluation of its influence on the work of rail circuits. In Proceedings of the 18th International Wroclaw Symposium and Exhibition on Electromagnetic Compatibility, Wroclaw, Poland, 28–30 June 2006. [Google Scholar]
- Yuan, L.; Yang, Y.; Hernandez, A.; Shi, L. Novel Adaptive Peak Detection Method for Track Circuits Based on Encoded Transmissions. IEEE Sens. J. 2018, 18, 6224–6234. [Google Scholar] [CrossRef]
- Moine, E.H.; Hassane, M.; Marouane, E.A. Harmonic analysis caused by static converters of the railway high speed train and their impact on the track circuit. In Proceedings of the International Conference on Wireless Technologies, Embedded and Intelligent Systems (WITS), Fez, Morocco, 3–4 April 2019. [Google Scholar] [CrossRef]
- Olczykowski, Z.; Kozyra, J. Propagation of Disturbances Generated by DC Electric Traction. Energies 2022, 15, 6851. [Google Scholar] [CrossRef]
- Salles, R.S.; de Oliveira, R.A.; Ronnberg, S.K.; Mariscotti, A. Analytics of Waveform Distortion Variations in Railway Pantograph Measurements by Deep Learning. IEEE Trans. Instrum. Meas. 2022, 71, 1–11. [Google Scholar] [CrossRef]
- Mariscotti, A.; Ruscelli, M.; Vanti, M. Modeling of Audiofrequency Track Circuits for Validation, Tuning, and Conducted Interference Prediction. IEEE Trans. Intell. Transp. Syst. 2010, 11, 52–60. [Google Scholar] [CrossRef]
- Scalise, J. How Track Circuits Detect and Protect Trains. 2014. Available online: http://www.railwaysignalling.eu/wp-content/uploads/2014/11/How-track-circuits-detect-and-protect-trains.pdf (accessed on 8 May 2024).
- Serdiuk, T.; Havryliuk, V.; Feliziani, M.; Serdiuk, K. Propagation of Harmonics of Return Traction Current in Rail lines. In Proceedings of the 2019 International Symposium on Electromagnetic Compatibility—EMC EUROPE, Barcelona, Spain, 2–6 September 2019. [Google Scholar] [CrossRef]
- Dolara, A.; Gualdoni, M.; Leva, S. EMC disturbances on track circuits in the 2 × 25 kV high speed AC railways systems. In Proceedings of the IEEE Trondheim PowerTech, Trondheim, Norway, 19–23 June 2011. [Google Scholar] [CrossRef]
- Huang, W.; He, Z.; He, Z.; Hu, H.; Wang, Q. Study on Distribution Coefficient of Traction Return Current in High-Speed Railway. Energy Power Eng. 2013, 5, 1253–1258. [Google Scholar] [CrossRef]
- Ferrari, P.; Mariscotti, A.; Pozzobon, P. Reference curves of the pantograph impedance in DC railway systems. In Proceedings of the IEEE International Symposium on Circuits and Systems, Geneva, Switzerland, 28–31 May 2000. [Google Scholar] [CrossRef]
- CCITT Directives. Concerning the Protection of Telecommunication Lines against Harmful Effects from Electric Power and Electrified Railway Lines—Capacitive, Inductive and Conductive Coupling: Physical Theory and Calculation Methods; CCITT: Geneva, Switzerland, 1989; Volume III. [Google Scholar]
- Zhao, B.; Ou, J.; Wang, D. Calculation Of Rail Impedance Of Track Circuit Considering Earth Stratification. J. Appl. Sci. Eng. 2022, 26, 197–205. [Google Scholar] [CrossRef]
- CCITT Directives. Concerning the Protection of Telecommunication Lines against Harmful Effects from Electric Power and Electrified Railway Lines—Inducing Currents and Voltages in Electrified Railway Systems; CCITT: Geneva, Switzerland, 1989; Volume IV. [Google Scholar]
- Mariscotti, A. Induced Voltage Calculation in Electric Traction Systems: Simplified Methods, Screening Factors, and Accuracy. IEEE Trans. Intell. Transp. Syst. 2011, 12, 201–210. [Google Scholar] [CrossRef]
- Bongiorno, J. Induced touch voltage in wayside cables of AC railways caused by traction supply transients. Electr. Eng. 2022, 105, 13–24. [Google Scholar] [CrossRef]
- Mariscotti, A. Impact of rail impedance intrinsic variability on railway system operation, EMC and safety. Int. J. Electr. Comput. Eng. (IJECE) 2021, 11, 17. [Google Scholar] [CrossRef]
- Lucca, G. Per unit length parameters of a multiconductor line with earth return inside a tunnel. IEEE Trans. Electromagn. Compat. 2000, 42, 6–15. [Google Scholar] [CrossRef]
- Li, T.; Wu, M.; He, F.; Song, K. Finite element calculation of leakage resistance and distributed capacitance of rail to earth in ballastless track. In Proceedings of the International Conference on Power System Transients, Vancouver, BC, Canada, 18–20 July 2013. [Google Scholar]
- Mariscotti, A.; Pozzobon, P. Experimental Results on Low Rail-to-Rail Conductance Values. IEEE Trans. Veh. Technol. 2005, 54, 1219–1222. [Google Scholar] [CrossRef]
- Ma, T.; Zheng, Y.; Xu, J.; Wang, J. Uninsulated Track Circuit Parameter Adjustment and Ballast Resistance Analysis. J. Phys. Conf. Ser. 2023, 2561, 012019. [Google Scholar] [CrossRef]
- CLC/TS 50238-2; Railway Applications—Compatibility between Rolling Stock and Train Detection Systems—Part 2: Compatibility with Track Circuits. CENELEC: Brussels, Belgium, 2015.
- Zhang, J.; Yang, S.; Song, K.; Wang, Y.; Konstantinou, G.; Wu, M. Railway Signaling System Interference by Unbalanced Traction Harmonic Current: Mechanism, Modeling, and Solutions Based on Engineering Practice. IEEE Trans. Transp. Electrif. 2024, 10, 1850–1862. [Google Scholar] [CrossRef]
- Zhao, L.; Li, M. Probability Distribution Modeling of the Interference of the Traction Current in Track Circuits. J. Theor. Appl. Inf. Technol. 2012, 46, 125–131. [Google Scholar]
- Razghonov, S.; Kuznetsov, V.; Zvonarova, O.; Chernikov, D. Track circuits adjusting calculation method under current influence traction interference and electromagnetic compatibility. Iop Conf. Ser. Mater. Sci. Eng. 2020, 985, 012017. [Google Scholar] [CrossRef]
- EN 50617-1; Railway Applications—Technical Parameters of Train Detection Systems for the Interoperability of the Trans-European Railway System—Part 1: Track Circuits. CENELEC: Brussels, Belgium, 2022.
- JCGM 100; Evaluation of Measurement Data—Guide to the Expression of Uncertainty in Measurement. BIPM: Paris, France, 2008.
- Pendrill, L.R. Using measurement uncertainty in decision-making and conformity assessment. Metrologia 2014, 51, S206–S218. [Google Scholar] [CrossRef]
- Hanafy, A.M.; Hebala, O.M.; Hamad, M.S. Power Quality Issues in Traction Power Systems. In Proceedings of the 2021 22nd International Middle East Power Systems Conference (MEPCON), Assiut, Egypt, 14–16 December 2021. [Google Scholar] [CrossRef]
- Mariscotti, A. Characterization of Power Quality transient phenomena of DC railway traction supply. Acta Imeko 2012, 1, 26. [Google Scholar] [CrossRef][Green Version]
- Mariscotti, A.; Giordano, D. Experimental Characterization of Pantograph Arcs and Transient Conducted Phenomena in DC Railways. Acta Imeko 2020, 9, 10. [Google Scholar] [CrossRef]
- Nicolae, P.M.; Nicolae, M.S.; Nicolae, I.D.; Netoiu, A. Overvoltages Induced in the Supplying Line by an Electric Railway Vehicle. In Proceedings of the IEEE International Joint EMC/SI/PI and EMC Europe Symposium, Raleigh, NC, USA, 26 July–13 August 2021. [Google Scholar] [CrossRef]
- Giordano, D.; Signorino, D.; Femine, A.D.; Gallo, D.; Cipolletta, G. Power Quality in DC railway systems. In Proceedings of the IEEE 11th International Workshop on Applied Measurements for Power Systems (AMPS), Cagliari, Italy, 29 September–1 October 2021. [Google Scholar] [CrossRef]
- Steczek, M.; Chudzik, P.; Szelag, A. Combination of SHE- and SHM-PWM Techniques for VSI DC-Link Current Harmonics Control in Railway Applications. IEEE Trans. Ind. Electron. 2017, 64, 7666–7678. [Google Scholar] [CrossRef]
- Yudhistira, Y.; Yoppy, Y.; Trivida, E.; Wahyu Wijanarko, T.A.; Nugroho, H.W.; Mandaris, D. Electromagnetic interference measurement for axle counters light rapid transit railway in Indonesia. Int. J. Electr. Comput. Eng. (IJECE) 2022, 12, 4632. [Google Scholar] [CrossRef]
- CLC/TS 50238-3; Railway Applications—Compatibility between Rolling Stock and Train Detection Systems—Part 3: Compatibility with Axle Counters. CENELEC: Brussels, Belgium, 2019.
- Yang, L.; Hian, L.C.; Leong, L.W.; Chuan, K.O.M. Induced voltage study and measurement for communication system in railway. In Proceedings of the IEEE International Symposium on Electromagnetic Compatibility and 2018 IEEE Asia-Pacific Symposium on Electromagnetic Compatibility (EMC/APEMC), Suntec City, Singapore, 14–18 May 2018. [Google Scholar] [CrossRef]
- Li, B.; Lu, K.; Lu, Y. Case Analysis of ZPW-2000A Track Circuit Trouble. In Proceedings of the 2023 6th International Conference on Artificial Intelligence and Big Data (ICAIBD), Chengdu, China, 26–29 May 2023. [Google Scholar] [CrossRef]
- EN 50122-2; Railway Applications—Fixed Installations—Electrical Safety, Earthing and the Return Circuit—Part 2: Provisions against the Effects of Straycurrents Caused by DC Traction Systems. CENELEC: Brussels, Belgium, 2022.
- Thurston, D.F. Broken Rail Detection: Practical Application of New Technology or Risk Mitigation Approaches. IEEE Veh. Technol. Mag. 2014, 9, 80–85. [Google Scholar] [CrossRef]
- Espinosa, F.; Hernandez, A.; Mazo, M.; Urena, J.; Perez, M.C.; Jimenez, J.A.; Fernandez, I.; Garcia, J.C.; Garcia, J.J. Detector of Electrical Discontinuity of Rails in Double-Track Railway Lines: Electronic System and Measurement Methodology. IEEE Trans. Intell. Transp. Syst. 2017, 18, 743–755. [Google Scholar] [CrossRef]
- Ferrovie dello Stato. Specifica N. 370582 esp. 1.0. 1997. Available online: https://www.ansfisa.gov.it/documents/20142/0/370582-1.1+%28Maschera+FS96%29.pdf (accessed on 19 June 2024).
- Harris, F. On the use of windows for harmonic analysis with the discrete Fourier transform. Proc. IEEE 1978, 66, 51–83. [Google Scholar] [CrossRef]
- Lyons, R.G. Understanding Digital Signal Processing, 3rd ed.; Pearson: London, UK, 2010. [Google Scholar]
- Betta, G.; Liguori, C.; Pietrosanto, A. Propagation of uncertainty in a discrete Fourier transform algorithm. Measurement 2000, 27, 231–239. [Google Scholar] [CrossRef]
- Sandrolini, L.; Mariscotti, A. Impact of short-time fourier transform parameters on the accuracy of EMI spectra estimates in the 2–150 kHz supraharmonic interval. Electr. Power Syst. Res. 2021, 195, 107130. [Google Scholar] [CrossRef]
- Salles, R.S.; Rönnberg, S.K. Review of Waveform Distortion Interactions Assessment in Railway Power Systems. Energies 2023, 16, 5411. [Google Scholar] [CrossRef]
- Mariscotti, A. Critical Review of EMC Standards for the Measurement of Radiated Electromagnetic Emissions from Transit Line and Rolling Stock. Energies 2021, 14, 759. [Google Scholar] [CrossRef]











Disclaimer/Publisher’s Note: The statements, opinions and data contained in all publications are solely those of the individual author(s) and contributor(s) and not of MDPI and/or the editor(s). MDPI and/or the editor(s) disclaim responsibility for any injury to people or property resulting from any ideas, methods, instructions or products referred to in the content. |
© 2024 by the authors. Licensee MDPI, Basel, Switzerland. This article is an open access article distributed under the terms and conditions of the Creative Commons Attribution (CC BY) license (https://creativecommons.org/licenses/by/4.0/).
Share and Cite
Bhagat, S.; Mariscotti, A. Interference with Signaling Track Circuits Caused by Rolling Stock: Uncertainty and Variability on a Test Case. Electronics 2024, 13, 2875. https://doi.org/10.3390/electronics13142875
Bhagat S, Mariscotti A. Interference with Signaling Track Circuits Caused by Rolling Stock: Uncertainty and Variability on a Test Case. Electronics. 2024; 13(14):2875. https://doi.org/10.3390/electronics13142875
Chicago/Turabian StyleBhagat, Sahil, and Andrea Mariscotti. 2024. "Interference with Signaling Track Circuits Caused by Rolling Stock: Uncertainty and Variability on a Test Case" Electronics 13, no. 14: 2875. https://doi.org/10.3390/electronics13142875
APA StyleBhagat, S., & Mariscotti, A. (2024). Interference with Signaling Track Circuits Caused by Rolling Stock: Uncertainty and Variability on a Test Case. Electronics, 13(14), 2875. https://doi.org/10.3390/electronics13142875

