Analysis and Implementation of a Frequency Control DC–DC Converter for Light Electric Vehicle Applications
Abstract
:1. Introduction
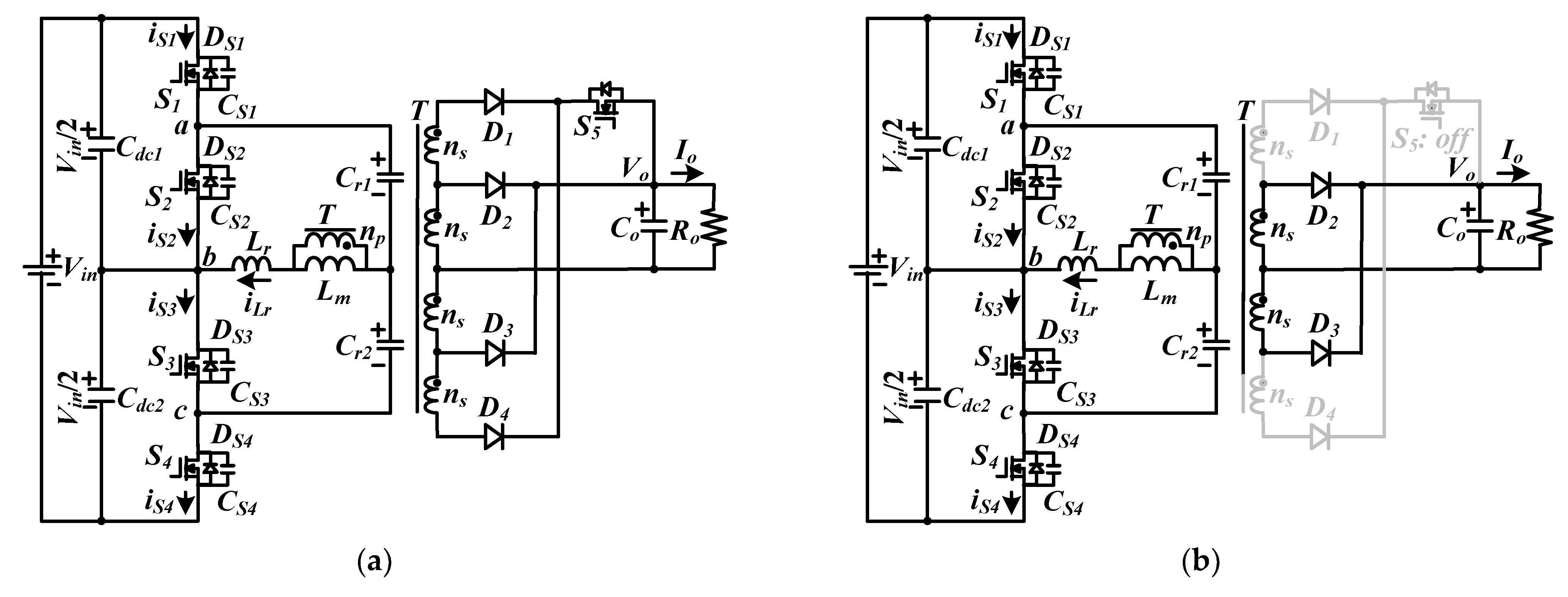
2. Circuit Configuration
3. Circuit Operation
4. Circuit Analysis
5. Design Considerations and Experiments
6. Conclusions
Funding
Acknowledgments
Conflicts of Interest
References
- He, J.; Yang, Y.; Vinnikov, D. Energy Storage for 1500 V Photovoltaic Systems: A Comparative Reliability Analysis of DC- and AC-Coupling. Energies 2020, 13, 3355. [Google Scholar] [CrossRef]
- Youssef, E.; Costa, P.B.C.; Pinto, S.F.; Amin, A.; El Samahy, A.A. Direct Power Control of a Single Stage Current Source Inverter Grid-Tied PV System. Energies 2020, 13, 3165. [Google Scholar] [CrossRef]
- Yang, M.; Cao, W.; Lin, T.; Zhao, J.; Li, W. Low Frequency Damping Control for Power Electronics-Based AC Grid Using Inverters with Built-In PSS. Energies 2021, 14, 2435. [Google Scholar] [CrossRef]
- Ali, A.I.M.; Sayed, M.A.; Mohamed, A.A.S. Seven-Level Inverter with Reduced Switches for PV System Supporting Home-Grid and EV Charger. Energies 2021, 14, 2718. [Google Scholar] [CrossRef]
- Frivaldsky, M.; Morgos, J.; Prazenica, M.; Takacs, K. System Level Simulation of Microgrid Power Electronic Systems. Electronics 2021, 10, 644. [Google Scholar] [CrossRef]
- Zhang, C.; Li, P.; Guo, Y. Bidirectional DC/DC and SOC Drooping Control for DC Microgrid Application. Electronics 2020, 9, 225. [Google Scholar] [CrossRef] [Green Version]
- Litrán, S.P.; Durán, E.; Semião, J.; Barroso, R.S. Single-Switch Bipolar Output DC-DC Converter for Photovoltaic Application. Electronics 2020, 9, 1171. [Google Scholar] [CrossRef]
- Xiong, X.; Yang, Y. A Photovoltaic-Based DC Microgrid System: Analysis, Design and Experimental Results. Electronics 2020, 9, 941. [Google Scholar] [CrossRef]
- Thayumanavan, P.; Kaliyaperumal, D.; Subramaniam, U.; Bhaskar, M.S.; Padmanaban, S.; Leonowicz, Z.; Mitolo, M. Combined Harmonic Reduction and DC Voltage Regulation of a Single DC Source Five-Level Multilevel Inverter for Wind Electric System. Electronics 2020, 9, 979. [Google Scholar] [CrossRef]
- Kim, D.H.; Kim, M.S.; Nengroo, S.H.; Kim, C.H.; Kim, H.J. LLC Resonant Converter for LEV (Light Electric Vehicle) Fast Chargers. Electronics 2019, 8, 362. [Google Scholar] [CrossRef] [Green Version]
- Mouli, G.R.C.; Duijsen, P.V.; Grazian, F.; Jamodkar, A.; Bauer, P.; Isabella, O. Sustainable E-Bike Charging Station That Enables AC, DC and Wireless Charging from Solar Energy. Energies 2020, 13, 3549. [Google Scholar] [CrossRef]
- Kim, C.-E. Optimal Dead-Time Control Scheme for Extended ZVS Range and Burst-Mode Operation of Phase-Shift Full-Bridge (PSFB) Converter at Very Light Load. IEEE Trans. Power Electron. 2019, 34, 10823–10832. [Google Scholar] [CrossRef]
- Jain, P.; Pahlevaninezhad, M.; Pan, S.; Drobnik, J. A Review of High-Frequency Power Distribution Systems: For Space, Telecommunication, and Computer Applications. IEEE Trans. Power Electron. 2014, 29, 3852–3863. [Google Scholar] [CrossRef]
- Madhusoodhanan, S.; Tripathi, A.; Patel, D.; Mainali, K.; Kadavelugu, A.; Hazra, S.; Bhattacharya, S.; Hatua, K. Solid-State Transformer and MV Grid Tie Applications Enabled by 15 kV SiC IGBTs and 10 kV SiC MOSFETs Based Multilevel Converters. IEEE Trans. Ind. Appl. 2015, 51, 3343–3360. [Google Scholar] [CrossRef]
- Lin, B.-R.; Lu, H.-H. New multilevel rectifier based on series connection of H-bridge cell. IEE Proc. Electr. Power Appl. 2000, 147, 304. [Google Scholar] [CrossRef]
- Duarte, J.L.; Lokos, J.; Van Horck, F.B.M. Phase-Shift-Controlled Three-Level Converter with Reduced Voltage Stress Featuring ZVS Over the Full Operation Range. IEEE Trans. Power Electron. 2012, 28, 2140–2150. [Google Scholar] [CrossRef] [Green Version]
- Lin, B.-R.; Chao, C.-H. A New ZVS DC/DC Converter with Three APWM Circuits. IEEE Trans. Ind. Electron. 2012, 60, 4351–4358. [Google Scholar] [CrossRef]
- Pont, N.C.D.; Bandeira, D.G.; Lazzarin, T.B.; Barbi, I. A ZVS APWM Half-Bridge Parallel Resonant DC–DC Converter with Capacitive Output. IEEE Trans. Ind. Electron. 2019, 66, 5231–5241. [Google Scholar] [CrossRef]
- Ren, R.; Liu, B.; Jones, E.A.; Wang, F.F.; Zhang, Z.; Costinett, D. Capacitor-Clamped, Three-Level Gan-Based dc-dc Converter with Dual Voltage Outputs for Battery Charger Applications. IEEE J. Emerg. Sel. Top. Power Electron. 2016, 4, 841–853. [Google Scholar] [CrossRef]
- Safaee, A.; Jain, P.; Bakhshai, A. A ZVS Pulsewidth Modulation Full-Bridge Converter with a Low-RMS-Current Resonant Auxiliary Circuit. IEEE Trans. Power Electron. 2015, 31, 4031–4047. [Google Scholar] [CrossRef]
- Steigerwald, R.L. A comparison of half-bridge resonant converter topologies. IEEE Trans. Power Electron. 1988, 3, 174–182. [Google Scholar] [CrossRef]
- Lin, B.; Chu, C. Hybrid full-bridge and LLC converter with wide ZVS range and less output inductance. IET Power Electron. 2016, 9, 377–384. [Google Scholar] [CrossRef]















| Items. | Parameter | Items | Parameter |
|---|---|---|---|
| Vin | 760 V | Vo | 50~160 V |
| Po | 1 kW | S1~S4 | STF40N60M2 (650 V/22 A) |
| Cin1, Cin2 | 330 µF/450 V | D1~D4 | STTH15R06D (600 V/12 A) |
| fr,1 | 100 kHz | S5 | 6R070P6 (650 V/33 A) |
| Co | 1360 µF/200 V | np:ns | 32:8 |
| Lr | 8.35 µH | Lm | 62.6 µH |
| Cr1, Cr2 | 152 nF |
Publisher’s Note: MDPI stays neutral with regard to jurisdictional claims in published maps and institutional affiliations. |
© 2021 by the author. Licensee MDPI, Basel, Switzerland. This article is an open access article distributed under the terms and conditions of the Creative Commons Attribution (CC BY) license (https://creativecommons.org/licenses/by/4.0/).
Share and Cite
Lin, B.-R. Analysis and Implementation of a Frequency Control DC–DC Converter for Light Electric Vehicle Applications. Electronics 2021, 10, 1623. https://doi.org/10.3390/electronics10141623
Lin B-R. Analysis and Implementation of a Frequency Control DC–DC Converter for Light Electric Vehicle Applications. Electronics. 2021; 10(14):1623. https://doi.org/10.3390/electronics10141623
Chicago/Turabian StyleLin, Bor-Ren. 2021. "Analysis and Implementation of a Frequency Control DC–DC Converter for Light Electric Vehicle Applications" Electronics 10, no. 14: 1623. https://doi.org/10.3390/electronics10141623
APA StyleLin, B.-R. (2021). Analysis and Implementation of a Frequency Control DC–DC Converter for Light Electric Vehicle Applications. Electronics, 10(14), 1623. https://doi.org/10.3390/electronics10141623