Research on Dynamic and Thermal Effects Based on the Calculation of the Short-Circuit Current in Low-Voltage DC Distribution Systems for Civil Buildings
Abstract
:Featured Application
Abstract
1. Introduction
2. Materials and Methods
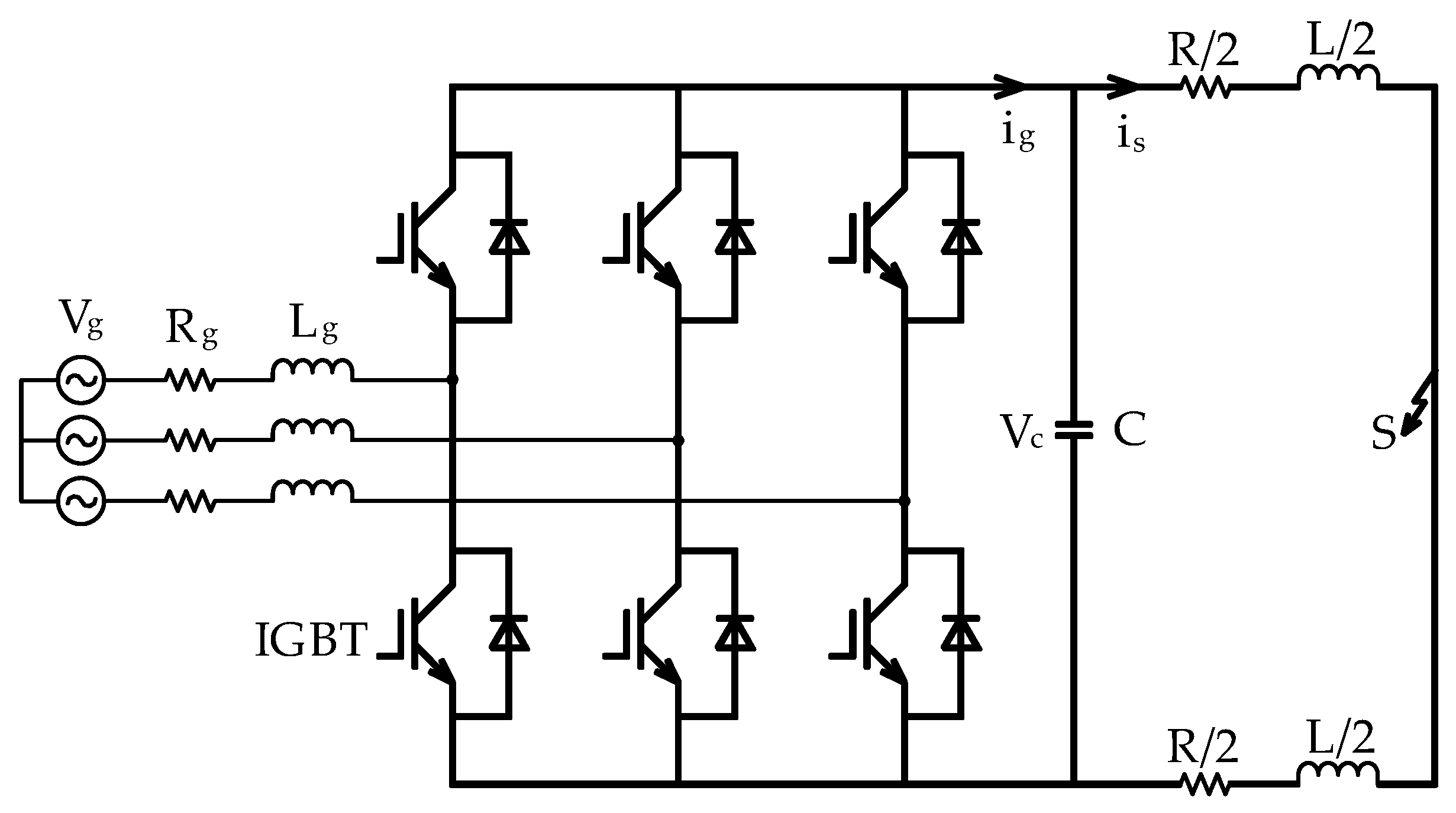
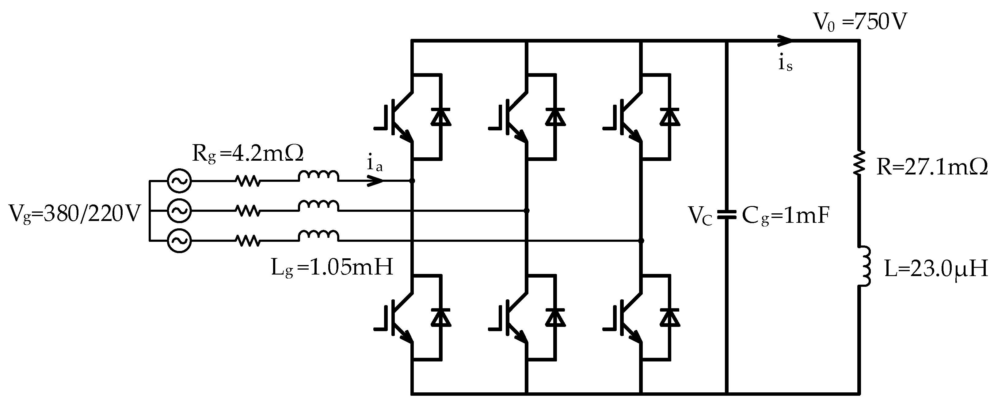
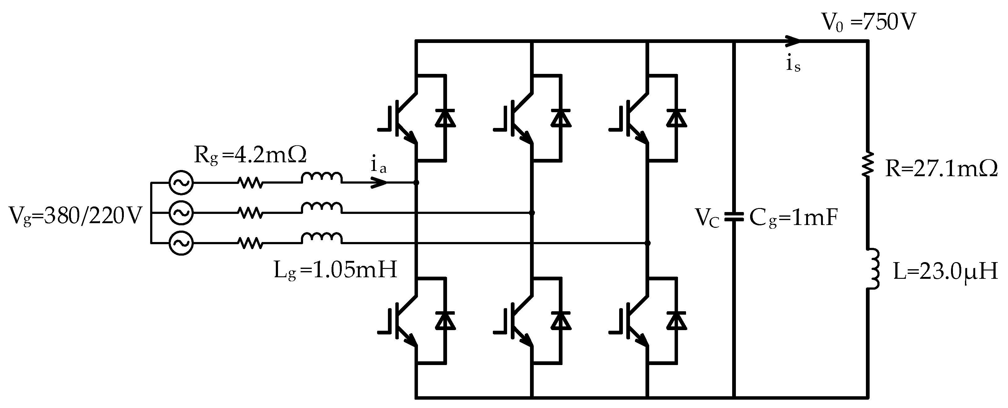
2.1. Material: DC Power Distribution Systems for Civil Buildings and Their Characteristics
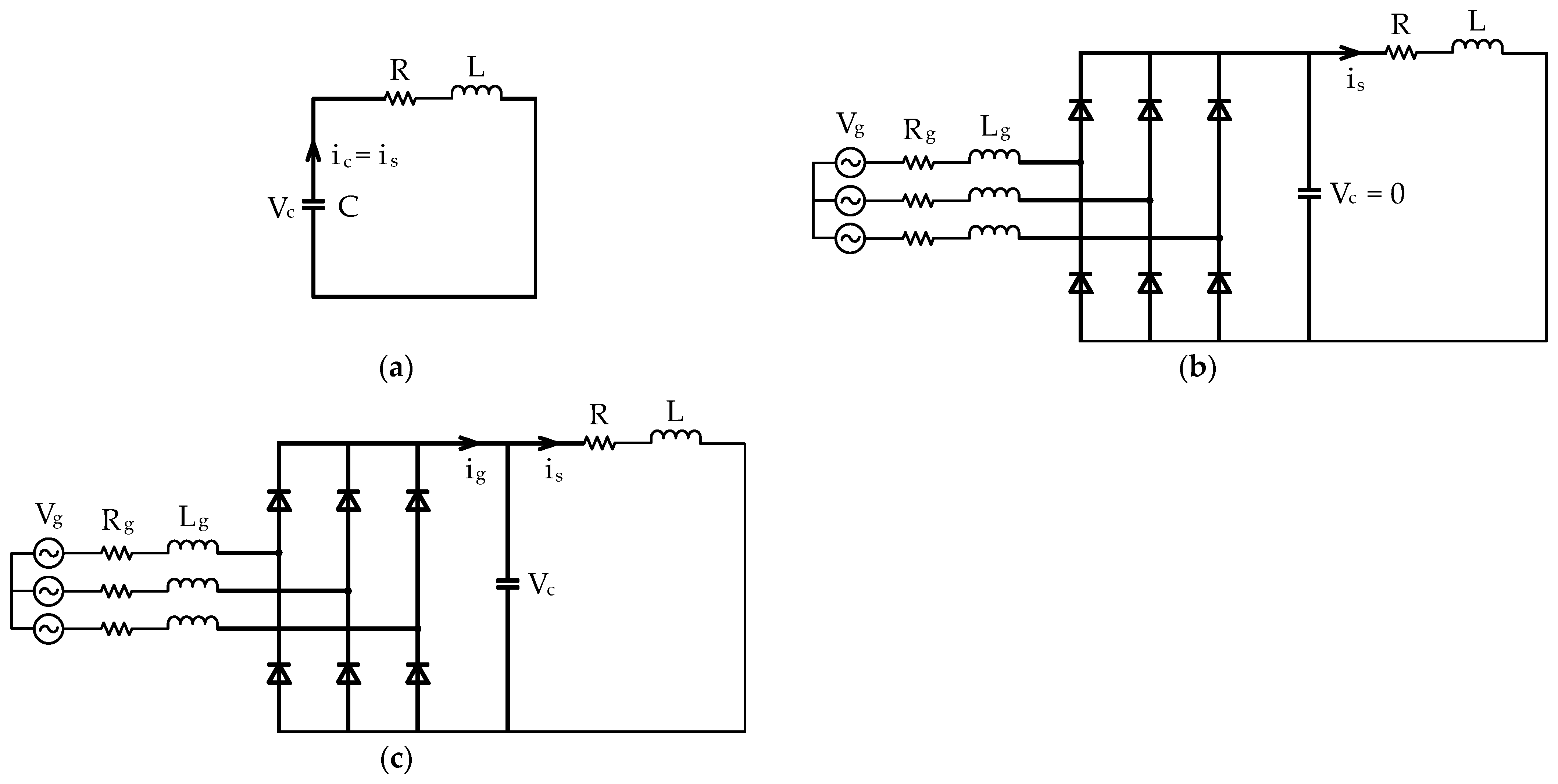
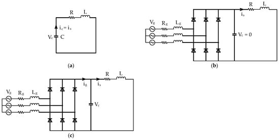
2.2. Equivalent Model of Lumped Parameters
2.3. Theoretical Analysis of the Short-Circuit Current
2.3.1. Under the Condition , When It Is Under-Damped, the Short Circuit Current Goes through Three Stages [21]
2.3.2. Under the Condition , When It Is Overdamped, the Short Circuit Current Goes through Two Stages
2.3.3. Under the Condition , When It Is Critically Damped, the Short Circuit Current Goes through Two Stages
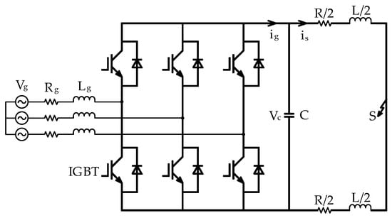
2.4. Numerical Simulation
3. Results
3.1. Dynamic Effect Verification
3.2. Thermal Effect Verification
4. Discussion
4.1. Comparison and Analysis of Short-Circuit Currents
4.2. Comparison and Analysis of the Joule Integral
4.3. Consequences of the Different Methods
5. Conclusions
Author Contributions
Funding
Data Availability Statement
Acknowledgments
Conflicts of Interest
References
- Feng, X.; Qi, L.; Wang, Z. Estimation of Short Circuit Currents in Mesh Dc Networks. In Proceedings of the 2014 IEEE Pes General Meeting—Conference & Exposition, National Harbor, MD, USA, 27–31 July 2014. [Google Scholar]
- Holbein, M.; Griepentrog, G. Dc Short-Circuit Analysis of Three-Phase Active Infeed Converters with a Power Decoupling Circuit for Lvdc-Grids. In Proceedings of the 2018 IEEE International Telecommunications Energy Conference (INTELEC), Turino, Italy, 7–11 October 2018. [Google Scholar]
- Lee, K.-M.; Park, C.H.-W. A Modeling and Fault Analysis for Hybrid Power Grid. J. Electr. Soc. 2020, 69, 1801–1807. [Google Scholar]
- Pozzobon, P. Transient and Steady-State Short-Circuit Currents in Rectifiers for Dc Traction Supply. IEEE Trans. Veh. Technol. 1998, 47, 1390–1404. [Google Scholar] [CrossRef]
- Wang, C.; Chen, Q.; Deng, X.; Geng, W. Equivalent Mechanism Model for Short-Circuit Output Current of Inverter Power Supply. Proc. CSU-EPSA 2022, 34, 20–27. [Google Scholar]
- Xue, S.M.; Liu, C. Line-to-Line Fault Analysis and Location in a Vsc-Based Low-Voltage Dc Distribution Network. Energies 2018, 11, 536. [Google Scholar] [CrossRef]
- Schau, H.; Glaser, S. Approaches for Calculating Lv Dc Arc Flash Parameters. In Proceedings of the 2020 55th International Universities Power Engineering Conference (UPEC), Torino, Italy, 1–4 September 2020. [Google Scholar]
- Ravyts, S.; Thomas, V.; Koen, S.; Jan, C. Design and Development of a Short-Circuit Test Bench for Low-Voltage Direct Current Protection Devices. In Proceedings of the 2022 24th European Conference on Power Electronics and Applications (EPE’22 ECCE EUROPE), Hannover, Germany, 5–9 September 2022. [Google Scholar]
- Bashar, E.; Wu, R.; Agbo, N.; Mendy, S.; Jahdi, S.; Gonzalez, J.O.; Alatise, O. Comparison of Short Circuit Failure Modes in Sic Planar Mosfets, Sic Trench Mosfets and Sic Cascode Jfets. In Proceedings of the 2021 IEEE 8th Workshop on Wide Bandgap Power Devices and Applications (WIPDA), Redondo Beach, CA, USA, 7–9 November 2021. [Google Scholar]
- Jamali, S.Z.; Khan, M.O.; Bukhari SB, A.; Mehdi, M.; Gwon, G.H.; Noh, C.H.; Kim, C.H. Short-Circuit Fault Protection of a Low Voltage Dc Distribution System Using Superimposed Current Components. J. Korean Inst. Illum. Electr. Install. Eng. 2017, 31, 86–94. [Google Scholar] [CrossRef]
- Li, H.; Wang, Y.; Qiu, Z.; Wang, Z.; Hu, X.; Zhao, J. Short-Circuit Protection Circuit of Sic Mosfet Based on Drain-Source Voltage Integral. In Proceedings of the 2021 IEEE Workshop on Wide Bandgap Power Devices and Applications in Asia (WIPDA ASIA 2021), Wuhan, China, 25–27 August 2021. [Google Scholar]
- Oh, Y.S.; Kim, C.H.; Gwon, G.H.; Noh, C.H.; Bukhari SB, A.; Haider, R.; Gush, T. Fault Detection Scheme Based on Mathematical Morphology in Last Mile Radial Low Voltage Dc Distribution Networks. Int. J. Electr. Power Energy Syst. 2019, 106, 520–527. [Google Scholar] [CrossRef]
- Cheng, S.; Zhou, T.; Xiang, C. Short Circuit Steady State Calculation and Protection Analysis Based on Hybrid Traction Power Supply System. J. Electr. Eng. 2022, 17, 122–130. [Google Scholar]
- Emhemed, A.A.; Fong, K.; Fletcher, S.; Burt, G.M. Validation of Fast and Selective Protection Scheme for an Lvdc Distribution Network. IEEE Trans. Power Deliv. 2017, 32, 1432–1440. [Google Scholar] [CrossRef]
- Lazzari, R.; Piegari, L.; Grillo, S.; Carminati, M.; Ragaini, E.; Bossi, C.; Tironi, E. Selectivity and Security of Dc Microgrid under Line-to-Ground Fault. Electr. Power Syst. Res. 2018, 165, 238–249. [Google Scholar] [CrossRef]
- Lee, K.C.; Ukil, A.; Yeap, Y.-M. Short-Circuit Protection for Mv & Lvdc Grid. In Proceedings of the 2014 IEEE Pes Asia-Pacific Power and Energy Engineering Conference (IEEE PES APPEEC), Kowloon, Hong Kong, 7–10 December 2014. [Google Scholar]
- Moussa, S.; Ghorbal MJ, B.; Ziani, J.A.; Slama-Belkhodja, I. Residual-Based Short-Circuit Fault Detection and Isolation in Lvdc Microgrid. Sustain. Energy Technol. Assess. 2022, 54, 102803. [Google Scholar] [CrossRef]
- Ravyts, S.; Van den Broeck, G.; Hallemans, L.; Dalla Vecchia, M.; Driesen, J. Fuse-Based Short-Circuit Protection of Converter Controlled Low-Voltage Dc Grids. IEEE Trans. Power Electron. 2020, 35, 11694–11706. [Google Scholar] [CrossRef]
- Huang, W.; Gao, X.; Tai, N.; Song, H. Locating Modularized Multi-Level Converter-Lvdc Bipolar Short Circuit Fault Based on Transient Current Comprises Selecting Proper Sampling Frequency, Collecting Current of M-Side Positive Direct Current Line, Obtaining Final Fault Distance; PN CN111856322-A; CN111856322-B; DIIDW: 2020B09693; Shanghai Jiao Tong University: Shanghai, China, 2023. [Google Scholar]
- McGuckin, P.; Wang, D.; Emhemed, A.; Bur, G. Enhanced Protection Selectivity in Lvdc Networks Using a Superconducting Resistance. In Proceedings of the 2019 IEEE Third International Conference on Dc Microgrids (ICDCM), Matsue, Japan, 20–23 May 2019. [Google Scholar]
- Yang, J.; Fletcher, J.E.; O’Reilly, J. Short-Circuit and Ground Fault Analyses and Location in Vsc-Based Dc Network Cables. IEEE Trans. Ind. Electron. 2012, 59, 3827–3837. [Google Scholar] [CrossRef]
- Ni, H.; Li, W.; Lan, R.; Xiang, B.; Ding, P.; Yu, T.; Zhao, Q.; Luo, J.; Yao, X. Simulation Analysis of Superconducting Fault Current Limiter to Suppress Dc Component of Short Circuit Current. Adv. Technol. Electr. Eng. Energy 2021, 40, 74–80. [Google Scholar]
- Yang, Q.; Zhang, X.; Yang, X. Large-Step-Ratio Dc/Dc Converter with Capability of Short-Circuit Current Limiting. Autom. Electr. Power Syst. 2020, 44, 47–52. [Google Scholar]
- Yim, S.N.; Hoang, T.T.; Nair NK, C.; Ukil, A. Tripping Sequence Approach to Reduce Fault Current to Be Interrupted in Lvdc Microgrids. In Proceedings of the 2022 7th IEEE Workshop on the Electronic Grid (EGRID), Auckland, New Zealand, 29 November–2 December 2022. [Google Scholar]
- Li, J.; Park, Z. A Study on Fault Current Calculation of ±750V Dc Distribution Grid. J. Electr. Soc. Pap. 2018, 67, 1286–1291. [Google Scholar]
- Lim, S.T.; Lee, K.Y.; Chae, D.J.; Lim, S.H. Design of Mid-Point Ground with Resistors and Capacitors in Mono-Polar Lvdc System. Energies 2022, 15, 8653. [Google Scholar] [CrossRef]
- Ge, H.; Yan, S.; Jiao, Y.; Chen, X.; Chang, Z. Effects of Grounding Mode on Fault Characteristics in Flexible DC Distribution System. Power Syst. Technol. 2017, 41, 2353–2364. [Google Scholar]
- Purgat, P.; Shekhar, A.; Qin, Z.; Bauer, P. Low-Voltage Dc System Building Blocks: Integrated Power Flow Control and Short Circuit Protection. IEEE Ind. Electron. Mag. 2021, 17, 6–20. [Google Scholar] [CrossRef]
- Wang, T.; Sun, Y.; Pei, L.; Wang, J.; Wang, Z. Analysis of Dc Current Transient Characteristics of Lcc-Hvdc Considering Control System and Approximate Analytical Method of Ac Short-Circuit Current. Proc. Chin. Soc. Electr. Eng. 2022, 42, 8509–8522. [Google Scholar]
- Wu, Y.; Ma, T.; Hou, L.; Qi, T.; Wang, Z.; Yan, J.; Ma, H. Research on Fault Isolation Technology and Device Development of Lvdc System. In Proceedings of the 2021 IEEE Ias Industrial and Commercial Power System Asia (IEEE I&CPS ASIA 2021), Chengdu, China, 18–21 July 2021. [Google Scholar]
- IEC 61660-1; Short-Circuit Currents in DC Auxiliary Installations in Power Plants and Substations-Part 1: Calculation of Short-Circuit Currents. IEC: Geneva, Switzerland, 1997.
- IEC 61660-2; Short-Circuit Currents in DC Auxiliary Installations in Power Plants and Substations-Part 2: Calculation of Effects. IEC: Geneva, Switzerland, 1997.
- IEC 60909-0; Short-Circuit Currents in Three-Phase a.c. Systems-Part 0: Calculation of Currents. IEC: Geneva, Switzerland, 2016.










| Initial Value (When t = 0) | Simulation Results | |
|---|---|---|
| Vg = 380/220 V | Peak current | ip = 4345 A |
| V0 = 750 V | tp = 0.23 ms | |
| is = 0 A | steady-state current | is = 895 A |
| steady-state voltage | Vc = 25 V | |
| IEC 61660-1 (1997) | According to Formulas (2) and (3) | Simulation |
|---|---|---|
| tp = 11.7 ms; ip = 1.9Ik= 2926 A | tp = 0.226 ms; ip = 4329 A | tp = 0.23 ms; ip = 4345 A |
| Quasi steady-state short-circuit current, Ik = 1540 A | ------ | steady-state short-circuit current, is = 895 A |
| IEC 61660-2 (1997) | According to Formula (13) | Simulation |
|---|---|---|
| tp = 11.7 ms; Tk = 100 ms | T1 = 2.0 ms; Tk = 100 ms; m = 0.3 | Tk = 100 ms |
| Ai = 402,843 (A2 S) |
Disclaimer/Publisher’s Note: The statements, opinions and data contained in all publications are solely those of the individual author(s) and contributor(s) and not of MDPI and/or the editor(s). MDPI and/or the editor(s) disclaim responsibility for any injury to people or property resulting from any ideas, methods, instructions or products referred to in the content. |
© 2023 by the authors. Licensee MDPI, Basel, Switzerland. This article is an open access article distributed under the terms and conditions of the Creative Commons Attribution (CC BY) license (https://creativecommons.org/licenses/by/4.0/).
Share and Cite
Wei, Q.; Ni, G.; Feng, J.; Ma, H. Research on Dynamic and Thermal Effects Based on the Calculation of the Short-Circuit Current in Low-Voltage DC Distribution Systems for Civil Buildings. Appl. Sci. 2023, 13, 11543. https://doi.org/10.3390/app132011543
Wei Q, Ni G, Feng J, Ma H. Research on Dynamic and Thermal Effects Based on the Calculation of the Short-Circuit Current in Low-Voltage DC Distribution Systems for Civil Buildings. Applied Sciences. 2023; 13(20):11543. https://doi.org/10.3390/app132011543
Chicago/Turabian StyleWei, Qiang, Gaojun Ni, Jianhua Feng, and Hao Ma. 2023. "Research on Dynamic and Thermal Effects Based on the Calculation of the Short-Circuit Current in Low-Voltage DC Distribution Systems for Civil Buildings" Applied Sciences 13, no. 20: 11543. https://doi.org/10.3390/app132011543
APA StyleWei, Q., Ni, G., Feng, J., & Ma, H. (2023). Research on Dynamic and Thermal Effects Based on the Calculation of the Short-Circuit Current in Low-Voltage DC Distribution Systems for Civil Buildings. Applied Sciences, 13(20), 11543. https://doi.org/10.3390/app132011543

