Next Article in Journal
Safety and Stability Analysis of Demolition and Reconstruction of Existing Railway Bridge Piers and Caps
Next Article in Special Issue
Event-Triggered Robust Fusion Estimation for Multi-Sensor Time-Delay Systems with Packet Drops
Previous Article in Journal
A Novel Inverse Simulation Method of Helicopter Maneuvering Flight
Previous Article in Special Issue
Review of Fault-Tolerant Control Systems Used in Robotic Manipulators
 
 
Font Type:
Arial Georgia Verdana
Font Size:
Aa Aa Aa
Line Spacing:
Column Width:
Background:
Article

Comparative Analysis of Machine Learning Models for Predicting Crack Propagation under Coupled Load and Temperature

School of Aerospace, Transport and Manufacturing, Cranfield University, Cranfield MK43 0AL, UK
*
Authors to whom correspondence should be addressed.
Appl. Sci. 2023, 13(12), 7212; https://doi.org/10.3390/app13127212
Submission received: 30 May 2023 / Revised: 12 June 2023 / Accepted: 15 June 2023 / Published: 16 June 2023
(This article belongs to the Special Issue Fault Detection and State Estimation in Automatic Control)

Abstract

Crack propagation in materials is a complex phenomenon that is influenced by various factors, including dynamic load and temperature. In this study, we investigated the performance of different machine learning models for predicting crack propagation in three types of materials: composite, metal, and polymer. For composite materials, we used Random Forest Regressor, Support Vector Regression, and Gradient Boosting Regressor models, while for polymer and metal materials, we used Ridge, Lasso, and K-Nearest Neighbors models. We trained and tested these models using experimental data obtained from crack propagation tests performed under varying load and temperature conditions. We evaluated the performance of each model using the mean squared error (MSE) metric. Our results showed that the best-performing model for composite materials was Gradient Boosting Regressor, while for polymer and metal materials, Ridge and K-Nearest Neighbors models outperformed the other models. We also validated the models using additional experimental data and found that they could accurately predict crack propagation in all three materials with high accuracy. The study’s findings provide valuable insights into crack propagation behavior in different materials and offer practical applications in the design, construction, maintenance, and inspection of structures. By leveraging this knowledge, engineers and designers can make informed decisions to enhance the strength, reliability, and durability of structures, ensuring their long-term performance and safety.

1. Introduction

Crack propagation in materials is a critical phenomenon that can lead to structural failure and compromise the integrity and safety of various engineering applications. Understanding and predicting crack propagation is crucial for the design and maintenance of durable and reliable structures. Traditional approaches for predicting crack propagation involve complex mathematical models and empirical equations, which often have limitations in capturing the intricate nature of crack behavior under different conditions [1,2]. Crack propagation in materials involves complex and nonlinear behavior influenced by factors, such as material properties, loading conditions, and environmental elements. Traditional methods struggle to capture the complex relationships and dynamics involved in crack growth. Conversely, machine learning models excel at identifying complex patterns and nonlinear relationships within data, making them well-suited for modeling crack propagation processes.
Traditional methods often rely on simplified assumptions and limited representations of the factors influencing crack propagation, leading to inaccuracies. In contrast, machine learning models can incorporate a broader range of factors, including material properties, loading conditions, temperature variations, and more. By training on extensive datasets that encompass diverse conditions and parameters, machine learning models can learn the intricate relationships between these factors and crack propagation, enabling more accurate predictions.
Additionally, traditional methods lack generalization capabilities, meaning they struggle to predict crack propagation in materials or loading conditions that differ from those used during model development. On the other hand, machine learning models can generalize well to new and unseen scenarios, provided they are trained on diverse and representative datasets. This ability enables machine learning models to make accurate predictions for various materials, loading conditions, and temperature ranges, enhancing their applicability and reliability [3,4].
The utilization of machine learning models empowers researchers to surpass the limitations of traditional methods when it comes to predicting crack propagation. These models provide improved capabilities in capturing intricate behaviors, integrating a wider array of influencing factors, leveraging extensive and diverse datasets, and adapting to new scenarios [1,2,5,6,7,8,9,10]. As a result, machine learning-based approaches possess significant potential for advancing our comprehension of crack propagation and enhancing the design and dependability of structures and materials. Previous studies have utilized machine learning techniques for crack prediction in different materials. For instance, Ref. [11] employed Random Forest Regressor to predict crack propagation in composite materials under various loading conditions. The study demonstrated that the model accurately captured crack behavior and showed improved performance compared to traditional analytical methods. Support Vector Regression (SVR) has also been applied for crack propagation prediction. Ref. [12] utilized SVR to predict crack growth in metallic materials subjected to cyclic loading. Their results indicated that the SVR model achieved good accuracy in predicting the crack growth rate and exhibited better performance than conventional regression methods. Gradient Boosting Regressor has shown promise in crack propagation prediction as well. Ref. [13] employed this model to predict crack growth in composite material under different environmental temperatures. Their findings indicated that the Gradient Boosting Regressor achieved high prediction accuracy and outperformed other regression models, such as Random Forest and Support Vector Regression. Ridge, Lasso, and K-Nearest Neighbors are also commonly used models in machine learning applications. In the context of crack propagation prediction, these models have demonstrated effectiveness in capturing complex relationships between crack behavior and influencing factors. For instance, Ref. [1] employed Ridge regression and K-Nearest Neighbors to predict crack growth in polymer materials. The models exhibited high accuracy and provided valuable insights into the crack propagation process.
Several studies have demonstrated the effectiveness of machine learning models for crack propagation prediction, even with small and moderate datasets. For instance, Ref. [14] utilized Random Forest and Support Vector Regression models for predicting crack propagation in concrete structures with a small dataset. Their results showed that both models achieved high prediction accuracy and outperformed traditional analytical methods. Similarly, Ref. [15] employed a Gradient Boosting Machine model for predicting crack growth in metallic materials with a moderate dataset. Their findings showed that the model achieved good accuracy and provided valuable insights into the underlying crack behavior. These studies suggest that machine learning models can effectively predict crack propagation behavior, even with small or moderate datasets. By identifying the most important factors influencing crack behavior and accurately predicting crack growth, these models can aid in the design and development of more reliable and durable structures. In this study, we build upon the existing research by comparing the performance of these machine-learning models for predicting crack propagation in composite, metal, and polymer materials. We utilize experimental data obtained from crack propagation tests performed under varying load and temperature conditions. The performance of each model is evaluated to identify the best-performing models for each material type. The proposed study expands upon previously conducted research and significantly contributes to the current state of the art in crack propagation prediction in several means. The study focuses on crack propagation prediction in three distinct types of materials: composite, metal, and polymer. While previous research has often focused on individual material types, this study provides a comprehensive comparative analysis across multiple materials. By examining crack propagation in different materials, the study offers valuable insights into the varying behaviors, influencing factors, and predictive models specific to each material type. This expanded scope enhances our understanding of crack propagation across a wider range of materials and aids in the development of more versatile and accurate prediction models. The study investigates crack propagation under dynamic load and temperature conditions, which are critical factors influencing crack growth in real-world scenarios. While previous research has often focused on static load conditions, this study expands the understanding of crack propagation by incorporating the effects of dynamic loading and temperature variations. By considering these realistic operational conditions, the study enhances the applicability and relevance of crack propagation predictions to practical engineering scenarios. The proposed study expands upon previous research by conducting a comparative analysis across multiple materials, evaluating various machine learning models, considering dynamic load and temperature effects, validating with experimental data, and emphasizing practical implications for structural design. These contributions enhance our understanding of crack propagation prediction and offer practical tools and insights to improve the reliability and durability of structures in various material systems. The study’s findings also could have respective practical implications and applications such as:
  • Risk Assessment and Maintenance Strategies: The study’s findings enable better risk assessment and the development of proactive maintenance strategies. This information helps identify critical areas prone to crack initiation and propagation, allowing engineers to focus their efforts on preventive measures and inspections. By integrating machine learning models into structural health monitoring systems, early detection of crack propagation can be achieved, enabling timely maintenance and repair actions. This proactive approach enhances the dependability and longevity of structures by preventing failures and minimizing downtime.
  • Cost and Resource Optimization: Accurate crack propagation prediction enables optimized allocation of resources and cost-effective maintenance strategies. By identifying critical areas and accurately predicting crack propagation rates, engineers can prioritize inspection and maintenance efforts, allocating resources where they are most needed. This targeted approach optimizes resource utilization, reduces unnecessary maintenance activities, and lowers overall costs while ensuring the long-term dependability of structures.
Our study aims to demonstrate the potential of machine learning models as effective tools for predicting crack propagation in materials.
The remaining sections of this paper are structured as follows: Section 2 provides an overview of the materials used in this study, along with the machine learning models employed for crack propagation prediction under coupled load and temperature. In Section 3, we present the results obtained by applying the selected algorithms to three distinct material datasets. A comprehensive analysis of these results is provided, highlighting the performance and effectiveness of the various models. Finally, the concluding section summarizes the key findings of our research, shedding light on the comparative analysis of the machine learning models for crack propagation prediction under coupled load and temperature. It consolidates the main outcomes and implications derived from the study, potentially paving the way for further advancements in this field.

2. Materials and Methods

2.1. Specimen Parameters and Experimental Data Collection

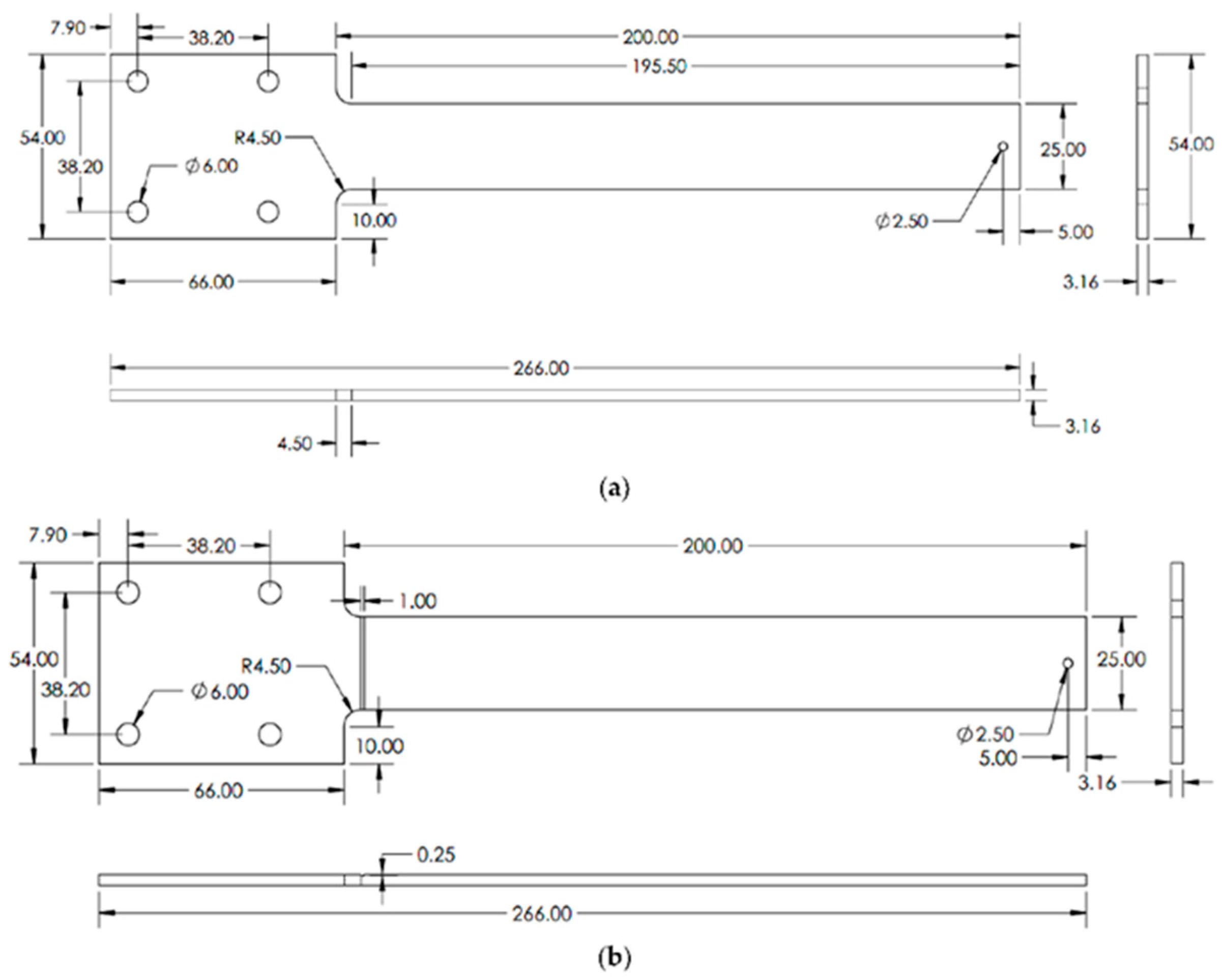
The study involved three different materials: aluminum 2024-T3, control mix concrete, and steel fiber-reinforced concrete (SFRC). Figure 1 displays the geometry of the various specimens manufactured, while the experimental data were obtained from prior experiments. To conduct the experiments, the specimen was affixed onto the shaker and heated to multiple temperatures. The shaker applied mechanical loads, while impact tests were performed to determine the fundamental frequency of the specimen. Measurements were taken using a laser vibrometer. The vibration test was then conducted at the fundamental frequency. If crack propagation occurred, the beam tip’s displacement amplitude was reduced, and the shaker was halted to record the new frequency. Further impact tests were executed to determine the new fundamental frequency, which was then set on the shaker. This process was reiterated until the specimen failed catastrophically due to crack propagation. In addition, Fused Deposition Modelling (FDM) 3D printed ABS was also used as representative material and tested in a similar manner.
ABS, concrete, and aluminum are widely used materials in industries, such as automotive, construction, and aerospace. Understanding crack propagation in these materials is of practical significance for ensuring the reliability and durability of structures made from them [16,17,18,19,20,21,22,23]. By evaluating the performance of machine learning models on these materials, the study can provide insights and guidance for real-world applications, aiding in the design and maintenance of structures involving ABS, concrete, and aluminum. While ABS, concrete, and aluminum differ in nature, the comparative analysis allows researchers to gain a comprehensive understanding of crack propagation across materials with diverse properties. This broader evaluation provides insights into the strengths and weaknesses of the machine learning models, facilitating the development of more robust and accurate prediction methods applicable to a range of materials. It is important to acknowledge the differences between these materials and interpret the results accordingly, considering the unique characteristics of each material type [1,2].
The collected data (as shown in Table 1) were plotted using scatter, pair, heatmap, and grid plots to understand the relationships between the features and the predicted crack depth. The data showed non-linearity and overlapping nature, and the problem was a regression problem with small and moderate datasets.
Figure 1. Specimen’s geometry dimensions in mm (a) without crack (b) with crack [19].
Figure 1. Specimen’s geometry dimensions in mm (a) without crack (b) with crack [19].
Applsci 13 07212 g001
An empirical model had been developed earlier to relate crack depth/location and structural dynamic response. However, this model contained a large number of coefficients and was of a high order, making it challenging to interpret. To overcome this limitation, a more concise and suitable model was necessary that could accurately predict crack propagation and provide physical insight into the coefficients’ meaning. Accordingly, selected models were proposed that met these requirements.

2.2. Data Analysis and Machine Learning Models

2.2.1. Data Analysis

In this study, Jupyter Notebook was utilized as a tool for creating and sharing documents that contain live code, equations, visualizations, and narrative text. It is commonly used by practitioners and researchers in the fields of data analysis, machine learning, and scientific computing. Before using a dataset for machine learning, data analysis, and feature extraction techniques (as shown in Figure 2) are employed to select the most relevant and informative features for the task at hand. Techniques, such as visualizing the correlations between the features and the target variable, are useful, and visualization libraries, such as Pandas’ scatter matrix and Altair, which is a declarative visualization library for Python. It supports a wide range of chart types, including bar charts, line charts, scatter plots, and heat maps. It also provides support for faceting and layering, which allows users to create more complex visualizations.
These tools can aid in understanding data and selecting a suitable machine-learning model. However, it is important to consider the nature of the different machine learning models and how they handle different types of problems. The research utilized experimental data from three materials collected from previous studies [20,21,23]. The experimental data consists of four features: temperature °C, crack location mm, amplitude mm, natural frequency Hz, and a predicted value: crack depth mm. The data were plotted using a scatter matrix, pair plot, and grid plot to investigate the relationship between the features and the predicted value, which indicated that the task was a regression problem. Pre-processing of the data was conducted using libraries, such as Pandas and NumPy, to clean and format the data, perform basic statistical analysis, and use techniques, such as Variance Threshold, to drop features with constant or near-constant values. The data were also scaled using libraries, such as Standard Scaler, to improve the training time of the model and ensure that the features were at a comparable scale.
After cleaning and preparing the data, they are typically split into a training set and a validation set. The training set is used to train the model, while the validation set is used to evaluate the performance of the model on unseen data, ensuring that the model generalizes well to new, unseen data.

2.2.2. Machine Learning Models

Suitable machine learning models for ABS and aluminum 2024-T3 datasets are Ridge Regression, Lasso Regression, and K-Nearest Neighbors (KNN). Ridge Regression, a linear regression model with L2 regularization, was employed to prevent overfitting and handle multicollinearity in the data. It is computationally efficient and provides interpretable coefficients. Lasso Regression, similar to Ridge Regression, employs L1 regularization, encouraging sparsity in the model coefficients. It automatically performs feature selection, identifying the most relevant features for crack propagation prediction. However, both Ridge Regression and Lasso Regression assume a linear relationship and may struggle to capture complex nonlinear patterns. They can also encounter challenges with multicollinearity when highly correlated features are present.
KNN algorithm, a non-parametric method, was used as well. It makes predictions based on the proximity of training samples in the feature space, accommodating complex relationships. KNN is relatively easy to understand and implement. However, it can be sensitive to the choice of the number of neighbors (K) and the distance metric. During prediction, it can be computationally expensive, particularly for large datasets. These models are relatively simple, easy to understand, and do not require a lot of computational power, making them a good choice for tasks that need to be run quickly or on resource-constrained systems [1,2,13,24].
In another experiment using composite data, the crack depth of each concrete type was clustered based on their respective elastic modulus, which varied with changes in temperature. The researcher selected Support Vector Regressor, Random Forest Regressor, and Gradient Boosting Regressor to predict crack depth for composite data based on their ability to handle complex datasets with non-linear relationships between the features and the target variable and many hyperparameters that can be fine-tuned to improve performance. The Random Forest Regressor, an ensemble learning method that combines multiple decision trees, was utilized. It handles high-dimensional data effectively, mitigates overfitting, and captures complex relationships between input features and crack propagation. However, Random Forest Regressor can be computationally expensive, especially for large datasets. It may struggle to identify subtle patterns and can be challenging to interpret due to its ensemble nature.
Support Vector Regression (SVR) was also utilized, as it is effective in handling both linear and nonlinear relationships. It can manage high-dimensional data and, by selecting appropriate kernel functions, capture complex patterns. However, SVR can be sensitive to the choice of hyperparameters and kernel functions. It may also face limitations in dealing with very large datasets due to computational requirements.
Gradient Boosting Regressor, which constructs an ensemble of weak prediction models to sequentially correct errors, was another model used. It handles complex relationships well, performs admirably with high-dimensional data, and typically exhibits high prediction accuracy. However, Gradient Boosting Regressors can be computationally intensive and may require careful hyperparameter tuning. Without proper regularization, it is also prone to overfitting [11,15].
It is important to note that the benefits and drawbacks mentioned above are general considerations for the respective machine learning models. The specific performance of these models in predicting crack propagation would depend on factors, such as the quality and size of the dataset, appropriate feature selection, and careful hyperparameter tuning [1,2].

2.2.3. Training and Validation of Machine Learning Models

Top of Form
To enable proper comparison of the coefficients and account for different material behavior, three identical but independent regression models were trained—one for Aluminium, one for concrete, and one for ABS. The data were randomly and blindly split into training and test sets with a 70/30 split. The choice of a 70% training data split ensures a sufficiently large dataset for training the machine learning models. Having a substantial amount of data for training helps the models capture the underlying patterns and variations in crack propagation accurately. It provides a robust foundation for the models to learn from and develop predictive capabilities. Allocating 30% of the dataset to the validation set allows for a substantial portion of data to evaluate the trained models’ performance. Sizable test data helps assess the generalization ability of the models, determining how well they perform on unseen data. This split ensures a meaningful evaluation of the model’s predictive accuracy and provides statistical confidence in their performance metrics. The 70/30 split strikes a balance between mitigating overfitting and underfitting issues. If the training set were too small (e.g., 50/50 split), the models might not have enough data to learn effectively, potentially resulting in poor generalization and overfitting. Conversely, if the training set were too large, the risk of underfitting increases as the models may not adequately capture the complexity of crack propagation patterns. The 70/30 split attempts to optimize this balance [7,25,26,27,28].
Model hyperparameters were adjusted to minimize mean squared error and achieve satisfactory performance. This approach ensured that the model was always evaluated on previously unseen data, making the evaluated performance more representative of a real-world predictive problem. To prevent any compromise to the model’s performance due to breaking the “test on unseen data” principle during training, a K-fold cross-validation methodology was utilized. This methodology is illustrated in Figure 3 and ensured that the model was evaluated using unseen data during training.

3. Results and Discussion

The study analyses experimental data on natural frequency, structural amplitude, temperature, and crack position. According to [29], Spearman’s correlation coefficient is alternative measure of correlation that can capture non-linear relationships and are suitable for ranking or ordinal data. Spearman’s correlation coefficient (ρ) is calculated based on the ranks of the variables. Let us denote the ranks of X and Y as R(X) and R(Y), respectively. The Spearman correlation coefficient is given by:
ρ = 1 − [(6 × Σ(D2))/(n × (n2 − 1))]……
where:
Σ denotes the sum of the respective values.
D represents the difference between ranks (R(X) − R(Y)).
n is the number of data points.
The value of ρ ranges between −1 and 1, where:
ρ = 1 indicates a perfect monotonic increasing relationship.
ρ = −1 indicates a perfect monotonic decreasing relationship.
ρ = 0 indicates no monotonic relationship.
Results show that ABS, concrete, and aluminum exhibit similar patterns in natural frequency, with frequency decreasing as crack depth increases (as shown in Figure 4) in a nonlinear manner. Additionally, the impact of temperature on natural frequency is more pronounced in aluminum than in concrete and ABS. This is due to the higher elastic modulus and greater consistency of isotropic sheet metal properties relative to additive layer manufactured ABS and concrete [1,5].
As the crack depth and temperature increase in aluminum specimens, the amplitude also increases, consistent with the expected effect of reduced natural frequency resulting from a crack in the specimen. In contrast, ABS exhibits the opposite behavior: as crack depth increases, the natural frequency drops similarly to aluminum, but amplitude decreases instead of increasing, as shown in Figure 5. This discrepancy can be explained by the different temperature conditions during the experiments. The maximum temperature for aluminum specimens is 200 °C, well below the temperature threshold for any significant material transformations during the short test duration. In contrast, the maximum temperature for ABS samples is 70 °C, which is close to the glass transition temperature.
Figure 6 provides a more comprehensive view of the frequency-amplitude relationship in the experimental data, revealing an inverse relationship between frequency and amplitude in aluminum and concrete, while ABS shows a positive relationship. No clear relationship is evident between crack depth and position in ABS and concrete data, but in aluminum specimens, increasing crack position results in increased amplitude and decreased frequency.
To enable a proper comparison and account for the diverse material behavior discussed earlier, three identical but independent models were trained and validated with unseen data. The proposed models were evaluated for training and validation accuracy using a mean squared error (MSE) metric. MSE is a commonly used statistical metric for evaluating the performance of regression models. MSE measures the average squared difference between the predicted values and the actual values of the target variable. For each data point in the test set, the model generates a predicted value based on the input features. The squared difference between the predicted value and the corresponding actual value is calculated. These squared differences are then averaged across all data points in the test set. MSE provides an estimate of the average squared error between the predicted values and the true values. It gives higher weight to larger errors due to the squaring operation. The value of MSE is always non-negative, with lower values indicating better performance. A value of 0 indicates a perfect fit, where the predicted values match the actual values exactly. In the context of the study, MSE was used as an evaluation metric to assess the performance of the machine learning models in predicting crack propagation. Lower MSE values indicate that the model’s predicted crack propagation values closely match the actual values, suggesting better predictive accuracy. It is worth noting that while MSE provides a useful measure of model performance, it is not the only metric available. Depending on the specific objectives of the study, other metrics, such as mean absolute error (MAE), R-squared (coefficient of determination), or domain-specific metrics, could also be considered to evaluate and compare the performance of the models. Essentially, these metrics represent the average predictive error of the models [1]. Table 2 summarizes the performance metrics for training and validation predictions for the three materials.
ABS Models: The results show that the K-Neighbors Regressor model has a Training MSE of 0.195, indicating that, on average, the model’s predictions are off by 0.195 squared units from the actual values in the training set. The Validation MSE of the same model is 0.086, indicating that the model’s predictions are off by 0.086 squared units from the actual values in the test set. These values indicate that the K Neighbors Regressor model performs well on both the training and test sets, suggesting that it has not overfit the training data. The Lasso model’s Training MSE is 0.195, and the Validation MSE is 0.182. Both values are lower than the MSE of the baseline model (0.437), indicating that the Lasso model outperforms the baseline. The results for the Ridge model show that it has a Training MSE of 0.194 and a Validation MSE of 0.182. These values are also lower than the MSE of the baseline model (0.437), indicating that the Ridge model outperforms the baseline. Overall, all three models (K Neighbors Regressor, Lasso, and Ridge) outperform the baseline model, suggesting that they have learned meaningful patterns in the data and can make reasonably accurate predictions. Figure 7 shows the actual against predicted ABS crack depth for selected machine learning models.
Aluminum Models: The results show that the K Neighbors Regressor model has a Training MSE score of 0.189 and a Validation MSE score of 0.079, which is lower than the MSE of the baseline model (0.8907), indicating that the K Neighbors Regressor model outperforms the baseline. The lower the MSE score, the better the performance of the model. The Ridge model has a Training MSE score of 0.170 and a Validation MSE score of 0.149, both of which are lower than the MSE of the baseline model. The Lasso model has a Training MSE score of 0.180 and a Validation MSE score of 0.159, which are also lower than the MSE of the baseline model. In all cases, the Validation MSE score is lower than the MSE of the baseline model, suggesting that the models have learned meaningful patterns in the data and can make reasonably accurate predictions. Figure 8 shows the actual against predicted Aluminum crack depth for selected machine learning models.
Composite Models: For all models (Gradient Boosting Regressor, SVR, and Random Forest Regressor), the Mean Squared Error (MSE) is used to evaluate their performance, which measures the average squared difference between the predicted and actual values. The lower the MSE, the better the performance of the model. The results show that the Gradient Boosting Regressor model has a Training MSE of 0.208 and a Validation MSE of 0.014, indicating that the model performs well on both the training and test sets and has not overfit the training data. The SVR model has a Training MSE of 0.182 and a Validation MSE of 0.094, indicating that the model’s predictions are off by 0.182 and 0.094 squared units from the actual values in the training and test sets, respectively. The Random Forest Regressor model has a Training MSE of 1.649 and a Test MSE of 0.189. Although the Test MSE is lower than the baseline model, it is higher than the Test MSE of the other two models, suggesting that the model may have to overfit the training data. Overall, the Gradient Boosting Regressor and SVR models seem to be the best performers based on these results. They have the lowest Test MSE values and are less likely to overfit compared to the Random Forest Regressor model. Figure 9 shows the actual against predicted Concrete crack depth for selected machine learning models.
The most important predictive features for aluminium are natural frequency, crack position, and temperature. For ABS and concrete, natural frequency and amplitude dominate, while the position of the crack appears to be of little importance. This may seem counterintuitive, as theory suggests that the closer the crack is to the fixed position of the specimen, the more pronounced the effect on dynamic response. However, the effect of crack position is captured by the model under the natural frequency and amplitude terms, resulting in a small and relatively unimportant crack position coefficient. Using all of the features as predictors yields the lowest mean squared error (MSE) but removing crack location does not significantly increase the error in ABS and concrete models. Removing amplitude has a much more significant effect on the error, increasing it by approximately 60% relative to the all-features baseline. The most significant effect is seen by removing natural frequency from the feature pool, which increases the error significantly. This suggests that natural frequency is the dominant feature in the prediction of crack depth, and its effect on the model error is greater than the rest of the features combined.
According to [30,31], the formal verification techniques mentioned further down provide a general framework for assessing the correctness, reliability, and robustness of machine learning models used in predicting crack propagation under coupled load and temperature.
  • Formal Specification: The first step in applying formal verification methods is to establish a formal specification that defines the desired properties or requirements for the crack propagation prediction models.
  • Model Checking: Model checking can be used to verify if the machine learning models satisfy the specified properties. In this context, it would involve exhaustively exploring the model’s behavior under various coupled load and temperature conditions to check if the predicted crack propagation adheres to known physical laws or expected behavior.
  • Sensitivity Analysis: Formal verification methods can also include sensitivity analysis, which involves analyzing the impact of changes in input parameters or model assumptions on the predicted crack propagation. This analysis can provide insights into the robustness of the models and their sensitivity to variations in load, temperature, or other factors.
  • Statistical Testing: Statistical testing methods can be employed to evaluate the performance of different machine learning models. This involves comparing the predicted crack propagation results from different models using appropriate statistical tests to determine if there are significant differences in their performance or accuracy.
It is important to note that the application of formal verification methods to this specific paper would depend on the details of the research and the methodology employed.
The computational time and complexity associated with training algorithms exhibit variations contingent upon several factors, including dataset size and algorithmic implementation. When dealing with small to moderate datasets, linear regression techniques, such as Ridge and Lasso, demonstrate efficient training times, characterized by a complexity of O(p3), where p corresponds to the number of features. In contrast, the kNN algorithm, which is non-parametric in nature, requires minimal training time due to its reliance on storing data points. However, the computational expense arises during prediction when kNN necessitates distance calculations, resulting in a complexity of O (n d), with n referring to the number of training instances and d representing the number of features. Support Vector Regression (SVR), an algorithm based on support vector machines, generally exhibits reasonable training time for small to moderate datasets. Nevertheless, the process of solving the quadratic programming problem can become time-consuming for larger datasets. Random Forest Regressor, an ensemble algorithm, exhibits efficient training for small to moderate datasets with a complexity of O (M × n × log(n)), where M denotes the number of trees and n represents the number of training instances. On the other hand, Gradient Boosting Regressor, another ensemble algorithm, typically entails higher computational requirements, especially when considering larger numbers of iterations. Consequently, its complexity generally surpasses that of Random Forests. The selected algorithms can typically achieve training within an acceptable timeframe for small and moderate datasets. However, the actual time and complexity involved are contingent upon specific dataset characteristics, implementation nuances, and the availability of computational resources [1,21,22,23,24].

4. Conclusions

In recent years, machine learning has emerged as a powerful tool for analyzing and predicting outcomes in various domains. One such application is the prediction of damage severity in materials, which holds great importance in structural health monitoring and maintenance. This paper presents a comprehensive study that harnesses machine learning techniques to predict crack depth in different materials, namely ABS, aluminum, and concrete.
The study utilizes experimental data obtained from previous research and employs a range of regression models, including K Neighbors Regressor, Lasso, Ridge, Gradient Boosting Regressor, and SVR, to forecast crack depth. Model performance is evaluated using Mean Squared Error (MSE) on both training and test sets. The findings demonstrate that all models surpass the baseline model, indicating their ability to capture meaningful patterns within the data and make reasonably accurate predictions.
Furthermore, the study identifies the most influential predictive features for each material. For instance, the impact of temperature on natural frequency exhibits a more pronounced effect in aluminum compared to concrete and ABS. This discrepancy can be attributed to the higher elastic modulus and greater consistency of isotropic sheet metal properties in aluminum relative to additive layer manufactured ABS and concrete. Moreover, the study reveals that all models outperform the baseline, implying their capability to learn significant patterns and facilitate accurate predictions.
The study offers valuable insights into predictive features and model performance in crack depth prediction, which have practical implications for specialists involved in structural health monitoring and maintenance. By employing machine learning algorithms, it becomes possible to reduce the time and cost associated with traditional testing methods while enhancing the accuracy and reliability of damage severity predictions.
It is worth noting that the training times for the discussed algorithms, such as Ridge, Lasso, kNN, SVR, Random Forest Regressor, and Gradient Boosting Regressor, are generally reasonable for small to moderate datasets. However, the actual time and complexity required for training may vary depending on dataset characteristics, implementation intricacies, and computational resources. It is essential to consider these factors when selecting and applying these algorithms to ensure efficient and effective model training.
Future studies could explore the adoption of more advanced machine learning algorithms or ensemble techniques to further improve the accuracy of crack depth prediction. Additionally, investigating the influence of additional features, such as material composition or environmental factors, could provide valuable insights into the mechanisms of crack formation and propagation. Furthermore, evaluating the models on different datasets and in real-world scenarios would contribute to assessing the generalizability of these models beyond the specific materials and conditions used in this study.
This study underscores the potential of machine learning techniques in predicting damage severity in materials. The results highlight the superiority of machine learning models in providing accurate and reliable predictions, which can significantly benefit structural health monitoring and maintenance practices. Further research is warranted to explore advanced techniques and the impact of additional features on predictive accuracy. Ultimately, the continued development and application of machine learning in this field could lead to remarkable advancements in structural engineering and maintenance.

Author Contributions

Writing—review & editing, I.O.; Supervision, M.K. and A.S. All authors have read and agreed to the published version of the manuscript.

Funding

This research received no external funding.

Conflicts of Interest

The authors declare no conflict of interest.

References

  1. Omar, I.; Khan, M.; Starr, A. Suitability Analysis of Machine Learning Algorithms for Crack Growth Prediction Based on Dynamic Response Data. Sensors 2023, 23, 1074. [Google Scholar] [CrossRef] [PubMed]
  2. Omar, I.; Khan, M.; Starr, A. Compatibility and challenges in machine learning approach for structural crack assessment. Struct. Health Monit. 2022, 21, 2481–2502. [Google Scholar] [CrossRef]
  3. Avci, O.; Abdeljaber, O.; Kiranyaz, S.; Hussein, M.; Gabbouj, M.; Inman, D.J. A review of vibration-based damage detection in civil structures: From traditional methods to Machine Learning and Deep Learning applications. Mech. Syst. Signal Process. 2021, 147, 107077. [Google Scholar] [CrossRef]
  4. Worden, K.; Manson, G. The application of machine learning to structural health monitoring. Philos. Trans. R. Soc. A Math. Phys. Eng. Sci. 2007, 365, 515–537. [Google Scholar] [CrossRef] [PubMed]
  5. Fleet, T.; Kamei, K.; He, F.; Khan, M.A.; Khan, K.A.; Starr, A. A Machine Learning Approach to Model Interdependencies between Dynamic Response and Crack Propagation. Sensors 2020, 20, 6847. [Google Scholar] [CrossRef]
  6. Hsieh, Y.-A.; Tsai, Y.J. Machine Learning for Crack Detection: Review and Model Performance Comparison. J. Comput. Civ. Eng. 2020, 34, 04020038. [Google Scholar] [CrossRef]
  7. Khan, A.; Kim, N.; Shin, J.K.; Kim, H.S.; Youn, B.D. Damage assessment of smart composite structures via machine learning: A review. JMST Adv. 2019, 1, 107–124. [Google Scholar] [CrossRef]
  8. Flah, M.; Nunez, I.; Chaabene, W.B.; Nehdi, M.L. Machine Learning Algorithms in Civil Structural Health Monitoring: A Systematic Review. Arch. Comput. Method. Eng. 2020, 28, 2621–2643. [Google Scholar] [CrossRef]
  9. Yang, Z.; Yabansu, Y.C.; Al-Bahrani, R.; Liao, W.-K.; Choudhary, A.N.; Kalidindi, S.R.; Agrawal, A. Deep learning approaches for mining structure-property linkages in high contrast composites from simulation datasets. Comput. Mater. Sci. 2018, 151, 278–287. [Google Scholar] [CrossRef]
  10. Khan, A.; Kim, H.S. Assessment of delaminated smart composite laminates via system identification and supervised learning. Compos. Struct. 2018, 206, 354–362. [Google Scholar] [CrossRef]
  11. Wang, Z.; Chegdani, F.; Yalamarti, N.; Takabi, B.; Tai, B.; El Mansori, M.; Bukkapatnam, S.T. Acoustic Emission Characterization of Natural Fiber Reinforced Plastic Composite Machining Using a Random Forest Machine Learning Model. J. Manuf. Sci. Eng. Trans. ASME 2020, 142, 031003. [Google Scholar] [CrossRef]
  12. Zhang, M.; Sun, C.-N.; Zhang, X.; Goh, P.C.; Wei, J.; Hardacre, D.; Li, H. High cycle fatigue life prediction of laser additive manufactured stainless steel: A machine learning approach. Int. J. Fatigue 2019, 128, 105194. [Google Scholar] [CrossRef]
  13. Liu, H.; Liu, S.; Liu, Z.; Mrad, N.; Milani, A.S. Data-Driven Approaches for Characterization of Delamination Damage in Composite Materials. IEEE Trans. Ind. Electron. 2021, 68, 2532–2542. [Google Scholar] [CrossRef]
  14. Ghassemi, P.; Rajabi, H.; Toufigh, V. Fatigue performance of polymer and ordinary cement concrete under corrosive conditions: A comparative study. Eng. Fail. Anal. 2020, 111, 104493. [Google Scholar] [CrossRef]
  15. Liu, Y.; Zhao, K.; Hou, F.; Hao, X. Crack Extension Life and Critical Crack Length Prediction Based on XGBoost. 2022. Available online: https://ceur-ws.org/Vol-3304/paper11.pdf (accessed on 29 May 2023).
  16. Isametova, M.E.; Nussipali, R.; Martyushev, N.V.; Malozyomov, B.V.; Efremenkov, E.A.; Isametov, A. Mathematical Modeling of the Reliability of Polymer Composite Materials. Mathematics 2022, 10, 3978. [Google Scholar] [CrossRef]
  17. Yelemessov, K.; Sabirova, L.B.; Martyushev, N.V.; Malozyomov, B.V.; Bakhmagambetova, G.B.; Atanova, O.V. Modeling and Model Verification of the Stress-Strain State of Reinforced Polymer Concrete. Materials 2023, 16, 3494. [Google Scholar] [CrossRef]
  18. Alshammari, Y.L.A.; He, F.; Khan, M.A. Modelling and Investigation of Crack Growth for 3D-Printed Acrylonitrile Butadiene Styrene (ABS) with Various Printing Parameters and Ambient Temperatures. Polymers 2021, 13, 3737. [Google Scholar] [CrossRef]
  19. Kamei, K.; Khan, M.A.; Khan, K.A. Characterising Modal Behaviour of a Cantilever Beam at Different Heating Rates for Isothermal Conditions. Appl. Sci. 2021, 11, 4375. [Google Scholar] [CrossRef]
  20. Kamei, K.; Khan, M.A. Investigating the Structural Dynamics and Crack Propagation Behavior under Uniform and Non-Uniform Temperature Conditions. Materials 2021, 14, 7071. [Google Scholar] [CrossRef]
  21. He, F.; Ning, H.; Khan, M. Effect of 3D Printing Process Parameters on Damping Characteristic of Cantilever Beams Fabricated Using Material Extrusion. Polymers 2023, 15, 257. [Google Scholar] [CrossRef]
  22. He, F.; Khan, M.; Aldosari, S. Interdependencies between Dynamic Response and Crack Growth in a 3D-Printed Acrylonitrile Butadiene Styrene (ABS) Cantilever Beam under Thermo-Mechanical Loads. Polymers 2022, 14, 982. [Google Scholar] [CrossRef] [PubMed]
  23. Khalel, H.H.Z.; Khan, M.; Starr, A. Dynamic response-based crack resistance analysis of fibre reinforced concrete specimens under different temperatures and crack depths. J. Build. Eng. 2023, 66, 105865. [Google Scholar] [CrossRef]
  24. Song, J.; Zhao, J.; Dong, F.; Zhao, J.; Qian, Z.; Zhang, Q. A Novel Regression Modeling Method for PMSLM Structural Design Optimization Using a Distance-Weighted KNN Algorithm. IEEE Trans. Ind. Appl. 2018, 54, 4198–4206. [Google Scholar] [CrossRef]
  25. Chun, P.J.; Yamane, T.; Izumi, S.; Kuramoto, N. Development of a Machine Learning-Based Damage. Sensors 2020, 20, 2780. [Google Scholar] [CrossRef]
  26. Bao, Y.; Tang, Z.; Li, H. Compressive-sensing data reconstruction for structural health monitoring: A machine-learning approach. Struct. Health Monit. 2020, 19, 293–304. [Google Scholar] [CrossRef]
  27. Rafiei, M.H.; Adeli, H. A novel machine learning-based algorithm to detect damage in high-rise building structures. Struct. Des. Tall Spéc. Build. 2017, 26, e1400. [Google Scholar] [CrossRef]
  28. Catbas, F.N.; Malekzadeh, M. A machine learning-based algorithm for processing massive data collected from the mechanical components of movable bridges. Autom. Constr. 2016, 72, 269–278. [Google Scholar] [CrossRef]
  29. Chatterjee, S. A New Coefficient of Correlation. J. Am. Stat. Assoc. 2021, 116, 2009–2022. [Google Scholar] [CrossRef]
  30. Krichen, M.; Mihoub, A.; Alzahrani, M.Y.; Adoni, W.Y.H.; Nahhal, T. Are Formal Methods Applicable to Machine Learning and Artificial Intelligence? In Proceedings of the 2022 2nd International Conference of Smart Systems and Emerging Technologies (SMARTTECH), Riyadh, Saudi Arabia, 22–24 May 2022; pp. 48–53. [Google Scholar]
  31. Kang, E.-Y.; Huang, L. Formal Specification & Analysis of Autonomous Systems in PrCCSL/Simulink Design Verifier. 2018. Available online: http://arxiv.org/abs/1806.07702 (accessed on 12 June 2023).
Figure 2. The flow chart of analysis steps.
Figure 2. The flow chart of analysis steps.
Applsci 13 07212 g002
Figure 3. K-Fold cross-validation schematic.
Figure 3. K-Fold cross-validation schematic.
Applsci 13 07212 g003
Figure 4. The correlation between crack depth (mm) and natural frequency (Hz) for (a)—Aluminum, (b)—ABS, (c)—Concrete.
Figure 4. The correlation between crack depth (mm) and natural frequency (Hz) for (a)—Aluminum, (b)—ABS, (c)—Concrete.
Applsci 13 07212 g004
Figure 5. The correlation between Crack depth (mm) and amplitude (mm) for (a)—Aluminum, (b)—ABS, (c)—Concrete.
Figure 5. The correlation between Crack depth (mm) and amplitude (mm) for (a)—Aluminum, (b)—ABS, (c)—Concrete.
Applsci 13 07212 g005
Figure 6. The correlation between natural frequency (Hz) and amplitude (mm) in for (a)—Aluminum, (b)—ABS, (c)—Concrete.
Figure 6. The correlation between natural frequency (Hz) and amplitude (mm) in for (a)—Aluminum, (b)—ABS, (c)—Concrete.
Applsci 13 07212 g006
Figure 7. The actual against predicted ABS crack depth.
Figure 7. The actual against predicted ABS crack depth.
Applsci 13 07212 g007
Figure 8. The actual against predicted Aluminum crack depth for selected machine learning models.
Figure 8. The actual against predicted Aluminum crack depth for selected machine learning models.
Applsci 13 07212 g008
Figure 9. The actual against predicted Concrete crack depth for selected machine learning models.
Figure 9. The actual against predicted Concrete crack depth for selected machine learning models.
Applsci 13 07212 g009
Table 1. The experimental conditions and parameters.
Table 1. The experimental conditions and parameters.
MaterialTemperature °CCrack Location mmStructural Response
Composite20
Control Mix405
SFRC60
Polymer20 Natural Frequency
505
ABS6015
7025
Metal Amplitude
20–254.5
aluminum 2024-T350–1005
150–20010
Table 2. The evaluation of training and validation for selected models.
Table 2. The evaluation of training and validation for selected models.
MaterialLearning ModelTraining MSEValidation MSE
AluminumK-Neighbors Regressor0.1890.079
Lasso0.1800.15
Ridge0.1700.14
ABSK-Neighbors Regressor0.1950.086
Lasso0.1950.182
Ridge0.1940.182
ConcreteGradient Boosting Regressor4.1000.597
SVR4.4013.114
Random Forest Regressor 3.9030.509
Disclaimer/Publisher’s Note: The statements, opinions and data contained in all publications are solely those of the individual author(s) and contributor(s) and not of MDPI and/or the editor(s). MDPI and/or the editor(s) disclaim responsibility for any injury to people or property resulting from any ideas, methods, instructions or products referred to in the content.

Share and Cite

MDPI and ACS Style

Omar, I.; Khan, M.; Starr, A. Comparative Analysis of Machine Learning Models for Predicting Crack Propagation under Coupled Load and Temperature. Appl. Sci. 2023, 13, 7212. https://doi.org/10.3390/app13127212

AMA Style

Omar I, Khan M, Starr A. Comparative Analysis of Machine Learning Models for Predicting Crack Propagation under Coupled Load and Temperature. Applied Sciences. 2023; 13(12):7212. https://doi.org/10.3390/app13127212

Chicago/Turabian Style

Omar, Intisar, Muhammad Khan, and Andrew Starr. 2023. "Comparative Analysis of Machine Learning Models for Predicting Crack Propagation under Coupled Load and Temperature" Applied Sciences 13, no. 12: 7212. https://doi.org/10.3390/app13127212

APA Style

Omar, I., Khan, M., & Starr, A. (2023). Comparative Analysis of Machine Learning Models for Predicting Crack Propagation under Coupled Load and Temperature. Applied Sciences, 13(12), 7212. https://doi.org/10.3390/app13127212

Note that from the first issue of 2016, this journal uses article numbers instead of page numbers. See further details here.

Article Metrics

Back to TopTop