A 200-MS/s 10-Bit SAR ADC Applied in WLAN Systems
Abstract
:1. Introduction
2. ADC Architecture and Considerations
2.1. In Terms of Linearity
2.2. In Terms of Speed
3. Circuit Implementation
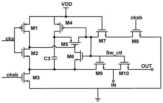
3.1. Bootstrap
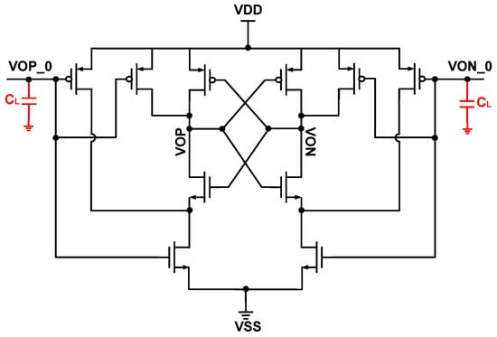
3.2. Comparator
3.3. CDAC
3.4. SAR-Logic
3.5. RVB
4. Test Results
5. Discussions
6. Conclusions
Author Contributions
Funding
Institutional Review Board Statement
Informed Consent Statement
Data Availability Statement
Conflicts of Interest
References
- Liu, C.C.; Kuo, C.H.; Lin, Y.Z. A 10 bit 320 MS/s Low-Cost SAR ADC for IEEE 802.11ac Applications in 20 nm CMOS. IEEE J. Solid-State Circuits 2015, 50, 2645–2654. [Google Scholar] [CrossRef]
- Lin, C.Y.; Lin, Y.Z.; Tsai, C.H.; Lu, C.H. 27.5 An 80MHz-BW 640MS/s Time-Interleaved Passive Noise-Shaping SAR ADC in 22nm FDSOI Process. In Proceedings of the 2021 IEEE International Solid-State Circuits Conference (ISSCC), San Francisco, CA, USA, 13–22 February 2021. [Google Scholar]
- Lin, Y.Z.; Tsai, C.H.; Tsou, S.C.; Chu, R.X.; Lu, C.H. A 2.4-mW 25-MHz BW 300-MS/s passive noise shaping SAR ADC with noise quantizer technique in 14-nm CMOS. In Proceedings of the 2017 Symposium on VLSI Circuits, Kyoto, Japan, 5–8 June 2017. [Google Scholar]
- Salgado, G.M.; O’Hare, D.; O’Connell, I. 20.2 A 40MHz-BW 320MS/s Passive Noise-Shaping SAR ADC with Passive Signal-Residue Sum-mation in 14nm FinFET. In Proceedings of the 2019 IEEE International Solid-State Circuits Conference (ISSCC), San Francisco, CA, USA, 17–21 February 2019. [Google Scholar]
- Shen, Y.; Li, H.; Xin, H.; Cantatore, E.; Harpe, P. A 103-dB SFDR Calibration-Free Oversampled SAR ADC With Mismatch Error Shaping and Pre-Comparison Techniques. IEEE J. Solid-State Circuits 2022, 57, 734–744. [Google Scholar] [CrossRef]
- Liu, J.; Tang, X.; Zhao, W.; Shen, L.; Sun, N. A 13-bit 0.005-mm2 40-MS/s SAR ADC with kT/C Noise Cancellation. IEEE J. Solid-State Circuits 2020, 55, 3260–3270. [Google Scholar] [CrossRef]
- Xu, D.; Jiang, H.; Qiu, L.; Yu, X.; Wang, J.; Zhang, Z.; Zhu, C.; Xu, S. A Linearity-Enhanced 10-Bit 160-MS/s SAR ADC with Low-Noise Comparator Technique. IEEE Trans. Very Large Scale Integr. Syst. 2019, 27, 1990–1997. [Google Scholar] [CrossRef]
- Ramkaj, A.T.; Strackx, M.; Steyaert, M.S.; Tavernier, F. A 1.25-GS/s 7-b SAR ADC with 36.4-dB SNDR at 5 GHz Using Switch-Bootstrapping, USPC DAC and Triple-Tail Comparator in 28-nm CMOS. IEEE J. Solid-State Circuits 2018, 53, 1889–1901. [Google Scholar] [CrossRef]
- Zhang, H.; Zhu, Y.; Chan, C.-H.; Martins, R.P. 27.6 A 25MHz-BW 75dB-SNDR Inherent Gain Error Tolerance Noise-Shaping SAR-Assisted Pipe-line ADC with Background Offset Calibration. In Proceedings of the 2021 IEEE International Solid-State Circuits Conference (ISSCC), San Francisco, CA, USA, 13–22 February 2021. [Google Scholar]
- Chang, A.H.; Lee, H.S.; Boning, D. A 12b 50MS/s 2.1 mW SAR ADC with redundancy and digital background calibration. In Proceedings of the 2013 ESSCIRC (ESSCIRC), Bucharest, Romania, 16–20 September 2013. [Google Scholar]
- Ju, Y.; Li, F.; Gu, X.; Zhang, C.; Wang, Z. Digital calibration technique for subrange ADC based on SAR architecture. In Proceedings of the 2016 5th International Symposium on Next-Generation Electronics (ISNE), Hsinchu, Taiwan, 4–6 May 2016. [Google Scholar]
- Lee, C.C.; Lu, C.Y.; Narayanaswamy, R.; Rizk, J.B. A 12b 70MS/s SAR ADC with digital startup calibration in 14 nm CMOS. In Proceedings of the 2015 Symposium on VLSI Circuits (VLSI Circuits), Kyoto, Japan, 17–19 June 2015. [Google Scholar]
- Liu, W.; Huang, P.; Chiu, Y. A 12b 22.5/45MS/s 3.0 mW 0.059 mm2 CMOS SAR ADC achieving over 90dB SFDR. In Proceedings of the 2010 IEEE International Solid-State Circuits Conference (ISSCC), San Francisco, CA, USA, 7–11 February 2010. [Google Scholar]
- Wei, L.; Shangshang, G.; Xiao, W.; Shiguang, S. Background LMS Calibration Algorithm Realization for SAR-ADC. In Proceedings of the 2021 6th International Conference on Integrated Circuits and Microsystems (ICICM), Nanjing, China, 22–24 October 2021. [Google Scholar]
- Wang, Y.; Zhang, L.; Mei, F.; Chen, Y.; Wu, J. Digital Calibration of Capacitor Mismatch and Gain Error in Pipelined SAR ADCs. In Proceedings of the 2021 IEEE 14th International Conference on ASIC (ASICON), Kunming, China, 26–29 October 2021. [Google Scholar]
- Shu, Y.-S.; Kuo, L.-T.; Lo, T.-Y. 27.2 an oversampling SAR ADC with DAC mismatch error shaping achieving 105dB SFDR and 101dB SNDR over 1kHz BW in 55nm CMOS. In Proceedings of the 2016 IEEE International Solid-State Circuits Conference (ISSCC), San Francisco, CA, USA, 31 January–4 February 2016. [Google Scholar]
- Inerfield, M.; Kamath, A.; Su, F.; Hu, J.; Yu, X.; Fong, V.; Alnaggar, O.; Lin, F.; Kwan, T. An 11.5-ENOB 100-MS/s 8mW dual-reference SAR ADC in 28nm CMOS. In Proceedings of the 2014 Symposium on VLSI Circuits Digest of Technical Papers, Honolulu, HI, USA, 10–13 June 2014. [Google Scholar]
- Zhu, Y.; Chan, C.H.; Seng-Pan, U.; Martins, R.P. A 10.4-ENOB 120 MS/s SAR ADC with DAC linearity calibration in 90 nm CMOS. In Proceedings of the 2013 IEEE Asian Solid-State Circuits Conference (A-SSCC), Singapore, 11–13 November 2013. [Google Scholar]
- Huang, G.Y.; Chang, S.J.; Lin, Y.Z.; Liu, C.C.; Huang, C.P. A 10b 200MS/s 0.82mW SAR ADC in 40nm CMOS. In Proceedings of the 2013 IEEE Asian Solid-State Circuits Conference (A-SSCC), Singapore, 11–13 November 2013. [Google Scholar]
- Liu, C.C.; Chang, S.J.; Huang, G.Y.; Lin, Y.Z.; Huang, C.M.; Huang, C.H.; Bu, L.; Tsai, C.C. A 10b 100MS/s 1.13 mW SAR ADC with binary-scaled error compensation. In Proceedings of the 2010 IEEE International Solid-State Circuits Conference (ISSCC), San Francisco, CA, USA, 7–11 February 2010. [Google Scholar]
- Liu, C.C.; Chang, S.J.; Huang, G.Y.; Lin, Y.Z. A 10-bit 50-MS/s SAR ADC with a monotonic capacitor switching procedure. IEEE J. Solid-State Circuits 2010, 45, 731–740. [Google Scholar] [CrossRef]
- Liu, C.C.; Huang, M.C.; Tu, Y.H. A 12 bit 100 MS/s SAR-Assisted Digital-Slope ADC. IEEE J. Solid-State Circuits 2016, 51, 2941–2950. [Google Scholar] [CrossRef]
- Harikumar, P.; Wikner, J.J. Design of a reference voltage buffer for a 10-bit 50MS/s SAR ADC in 65nm CMOS. In Proceedings of the 2015 IEEE International Symposium on Circuits and Systems (ISCAS), Lisbon, Portugal, 24–27 May 2015. [Google Scholar]
- Shen, Y.; Tang, X.; Xin, X.; Liu, S.; Zhu, Z.; Sun, N. A 10-bit 100-MS/s SAR ADC with Always-On Reference Ripple Cancellation. IEEE Trans. Circuits Syst. I Regul. Pap. 2022, 69, 3965–3975. [Google Scholar] [CrossRef]
- Zhang, S.; Cao, Y.; Ye, F.; Ren, J. A 10b 250MS/s SAR ADC with Speed-Enhanced SAR Logic and Free Time More Than a Half of Sampling Period. In Proceedings of the 2019 IEEE 13th International Conference on ASIC (ASICON), Chongqing, China, 29 October–1 November 2019. [Google Scholar]
- Chung, Y.H.; Shih, S. A 10-bit 100-MS/s SAR ADC with capacitor swapping technique in 90-nm CMOS. In Proceedings of the 2017 International Symposium on VLSI Design, Automation and Test (VLSI-DAT), Hsinchu, Taiwan, 24–27 April 2017. [Google Scholar]
- Tan, S.; Mastantuono, D.; Strandberg, R.; Sundström, L.; Andreani, P.; Palm, M. A 10-bit Split-Capacitor SAR ADC with DAC Imbalance Estimation and Calibration. In Proceedings of the 2020 IEEE International Symposium on Circuits and Systems (ISCAS), Seville, Spain, 12–14 October 2020. [Google Scholar]





















| Bit-Cycling | Bit Weight | Reference (VREF) | Equivalent Weight | Redundancy (LSBs) |
|---|---|---|---|---|
| 1 | 48 | 1 | 384 | 256 |
| 2 | 32 | 1 | 256 | 128 |
| 3 | 16 | 1 | 128 | 128 |
| 4 | 14 | 1 | 112 | 32 |
| 5 | 8 | 1 | 64 | 16 |
| 6 | 4 | 1 | 32 | 16 |
| 7 | 2 | 1 | 16 | 16 |
| 8 | 2 | 1 | 16 | 0 |
| 9 | 2 | 0.5 | 8 | 0 |
| 10 | 2 | 0.25 | 4 | 0 |
| 11 | 2 | 0.125 | 2 | 0 |
| 12 | 1 | 0.125 | 1 | 0 |
| Noise Source | Comparator Noise | Thermal Noise | Quantization Noise | Reference Noise |
|---|---|---|---|---|
| POWER (μVrms) | 250 | 142 | 676 | 152 |
| Ratio (%) | 20.5 | 11.6 | 55.4 | 12.5 |
| Ref | [24] | [7] | [25] | [26] | [27] | This Work |
| Technology (nm) | 40 | 65 | 28 | 90 | 22 | 55 |
| Supply (V) | 1.1/1.3 | 1.2 | 1.05 | 1 | 0.8 | 1.2 |
| Sampling rate (MS/s) | 100 | 160 | 250 | 100 | 200 | 200 |
| Nyquist SNDR (dB) | 56.3 | 55.6 | 52.4 | 55.4 * | 48.7 | 55.3 |
| Nyquist SFDR (dB) | 76.3 | 69 | 68.3 | 68.1 * | 62 | 66.3 |
| ENOB (bit) | 9.05 | 8.9 | 8.4 | 8.91 * | 7.8 | 8.9 |
| Power (mW) | 1.4 | 2 | 3.23 | 1.25 | 4.3 | 2.8 |
| INL(LSB) | −0.71/ +0.82 | −0.97/ +0.93 | −0.86/ +0.96 | −1.02/ +1.8 | - | −1.1/ +1.2 |
| DNL(LSB) | −0.73/ +0.57 | −0.75/ +0.47 | −1.02/ +1.37 | −0.93/ +1.72 | - | −0.69/ +0.62 |
| Nyquist FOM (fj/conv) | 26.2 | 25.4 | 38.2 | 26 * | 96.5 | 29 |
| Core Area (mm2) | 0.027 | 0.023 | 0.068 | 0.0144 | 0.0168 | 0.008 |
Disclaimer/Publisher’s Note: The statements, opinions and data contained in all publications are solely those of the individual author(s) and contributor(s) and not of MDPI and/or the editor(s). MDPI and/or the editor(s) disclaim responsibility for any injury to people or property resulting from any ideas, methods, instructions or products referred to in the content. |
© 2023 by the authors. Licensee MDPI, Basel, Switzerland. This article is an open access article distributed under the terms and conditions of the Creative Commons Attribution (CC BY) license (https://creativecommons.org/licenses/by/4.0/).
Share and Cite
Zhang, Y.; Pu, Y.; Wu, B.; Mo, T.; Ye, T. A 200-MS/s 10-Bit SAR ADC Applied in WLAN Systems. Appl. Sci. 2023, 13, 7040. https://doi.org/10.3390/app13127040
Zhang Y, Pu Y, Wu B, Mo T, Ye T. A 200-MS/s 10-Bit SAR ADC Applied in WLAN Systems. Applied Sciences. 2023; 13(12):7040. https://doi.org/10.3390/app13127040
Chicago/Turabian StyleZhang, Yu, Yilin Pu, Bin Wu, Taishan Mo, and Tianchun Ye. 2023. "A 200-MS/s 10-Bit SAR ADC Applied in WLAN Systems" Applied Sciences 13, no. 12: 7040. https://doi.org/10.3390/app13127040
APA StyleZhang, Y., Pu, Y., Wu, B., Mo, T., & Ye, T. (2023). A 200-MS/s 10-Bit SAR ADC Applied in WLAN Systems. Applied Sciences, 13(12), 7040. https://doi.org/10.3390/app13127040
