A Fully Integrated High Efficiency 2.4 GHz CMOS Power Amplifier with Mode Switching Scheme for WLAN Applications
Abstract
1. Introduction
2. Efficiency-Enhanced Method
3. Circuit Implementation
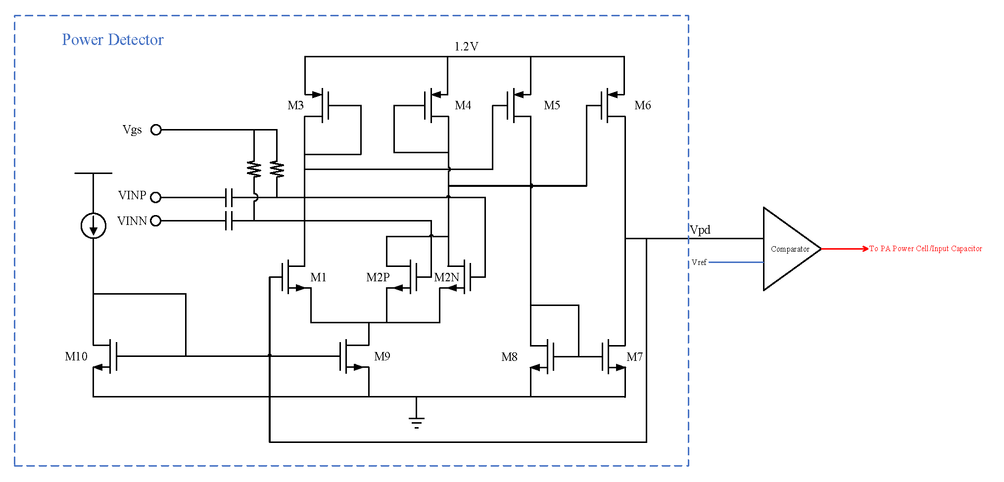
3.1. Power Controller Circuit
3.2. Linearity Enhanced Method
3.3. On-Chip Transformer Matching Circuit
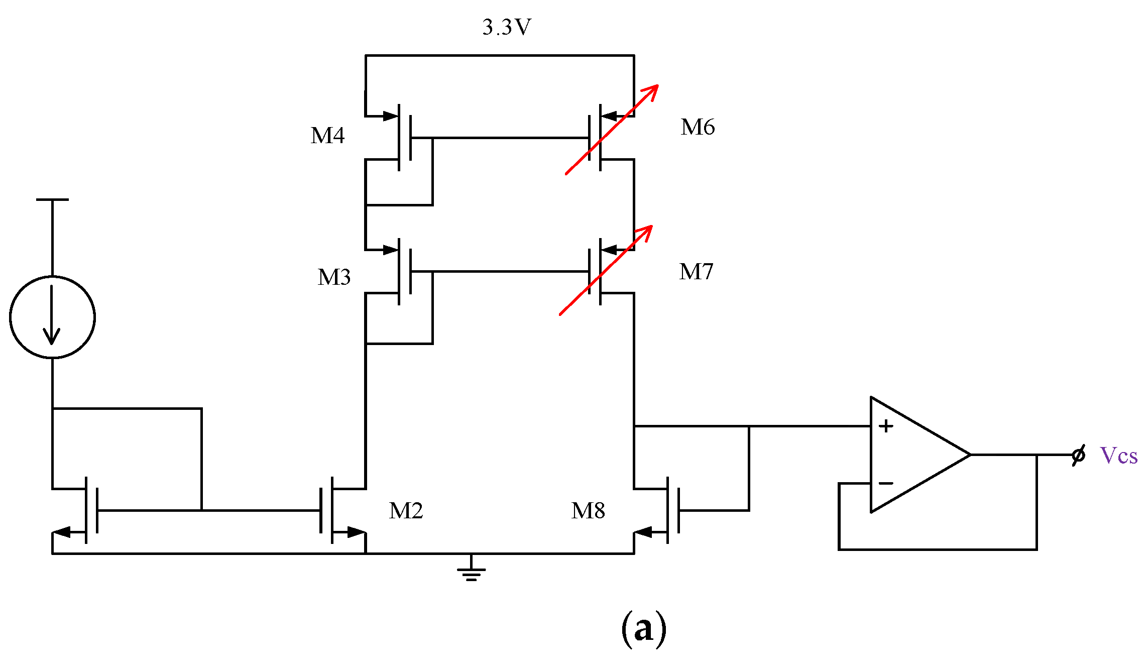
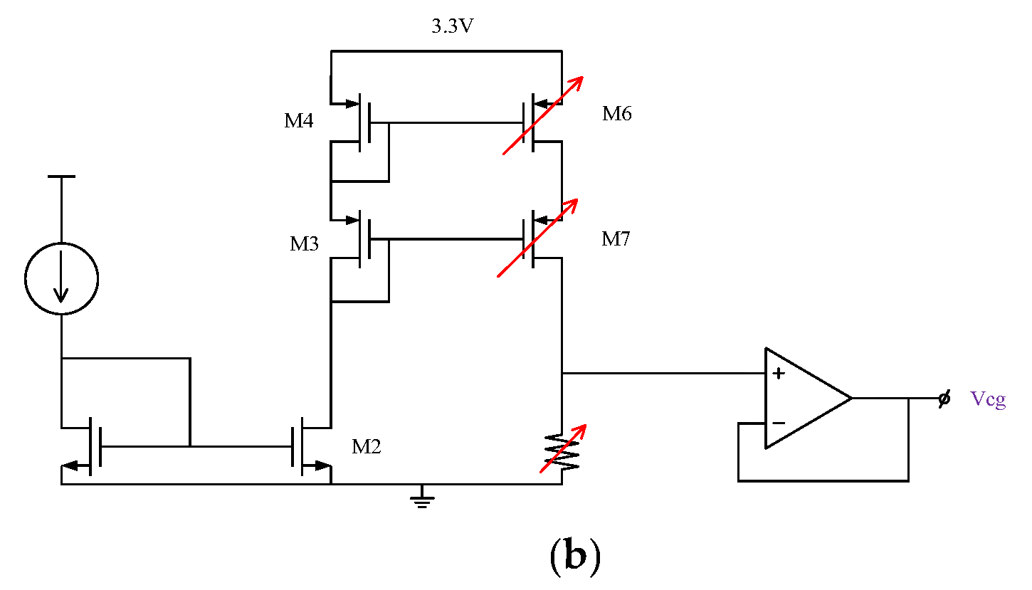
3.4. Integrated Bias Circuits
4. Measurement Results
5. Discussions
6. Conclusions
Author Contributions
Funding
Institutional Review Board Statement
Informed Consent Statement
Data Availability Statement
Conflicts of Interest
References
- Lee, C.P.; Behzad, A.; Marholev, B.; Magoon, V.; Bhatti, I.; Li, D.; Bothra, S.; Afsahi, A.; Ojo, D.; Roufoogaran, R.; et al. 25.3 A MultiStandard, Multiband SoC with Integrated BT, FM, WLAN Radios and Integrated Power Amplifier. In Proceedings of the 2010 IEEE International Solid-State Circuits Conference (ISSCC), San Francisco, CA, USA, 7–11 February 2010. [Google Scholar]
- Kumar, R.; Krishnaswamy, T.; Rajendran, G.; Sahu, D.; Sivadas, A.; Nandigam, M.; Ganeshan, S.; Datla, S.; Kudari, A.; Bhasin, H.; et al. 19.1 A Fully Integrated 2 × 2 b/g and 1 × 2 a-Band MIMO WLAN SoC in 45 nm CMOS for Multi-Radio IC. In Proceedings of the 2013 IEEE International Solid-State Circuits Conference (ISSCC), San Francisco, CA, USA, 17–21 February 2013. [Google Scholar]
- Chen, T.M.; Chan, W.C.; Lin, C.C.; Hsu, J.L.; Li, W.K.; Wu, P.A.; Huang, Y.L.; Huang, Y.C.; Tsai, T.; Chang, P.Y.; et al. A 2 × 2 MIMO 802.11 abgn/ac WLAN SoC with integrated T/R switch and on-chip PA delivering VHT80 256QAM 17.5 dBm in 55 nm CMOS. In Proceedings of the 2014 IEEE Radio Frequency Integrated Circuits Symposium (RFIC), Tampa, FL, USA, 1–3 June 2014. [Google Scholar]
- Chen, T.M.; Lu, Y.; Chen, P.N.; Chang, Y.H.; Liu, M.C.; Chang, P.Y.; Liang, C.J.; Chen, Y.C.; Lu, H.L.; Ding, J.Y.; et al. 7.1 An 802.11 ac dual-band reconfigurable transceiver supporting up to four VHT80 spatial streams with 116fs rms-jitter frequency synthesizer and integrated LNA/PA delivering 256QAM 19 dBm per stream achieving 1.733 Gb/s PHY rate. In Proceedings of the 2017 IEEE International Solid-State Circuits Conference (ISSCC), San Francisco, CA, USA, 5–9 February 2017. [Google Scholar]
- Lu, E.; Li, W.K.; Deng, Z.; Rostami, E.; Wu, P.A.; Chang, K.M.; Chuang, Y.C.; Lai, C.M.; Chen, Y.C.; Peng, T.H.; et al. 10.4 A 4 × 4 Dual-Band Dual-Concurrent WiFi 802.11 ax Transceiver with Integrated LNA, PA and T/R Switch Achieving +20 dBm 1024-QAM MCS11 P out and− 43dB EVM Floor in 55nm CMOS. In Proceedings of the 2020 IEEE International Solid-State Circuits Conference (ISSCC), San Francisco, CA, USA, 16–20 February 2020. [Google Scholar]
- Koo, B.; Na, Y.; Hong, S. Integrated Bias Circuits of RF CMOS Cascode Power Amplifier for Linearity Enhancement. IEEE Trans. Microw. Theory Tech. 2012, 60, 340–351. [Google Scholar] [CrossRef]
- Kim, J.; Yoon, Y.; Kim, H.; An, K.H.; Kim, W.; Kim, H.-W.; Lee, C.-H.; Kornegay, K.T. A Linear Multi-Mode CMOS Power Amplifier with Discrete Resizing and Concurrent Power Combining Structure. IEEE J. Solid-State Circuits 2011, 46, 1034–1048. [Google Scholar]
- Aoki, I.; Kee, S.; Magoon, R.; Aparicio, R.; Bohn, F.; Zachan, J.; Hatcher, G.; McClymont, D.; Hajimiri, A. A Fully-Integrated Quad-Band GSM/GPRS CMOS Power Amplifier. IEEE J. Solid-State Circuits 2008, 43, 2747–2758. [Google Scholar] [CrossRef]
- Lu, C.; Zhao, Y.; Bao, J.; Chen, S.L.; Liu, J.; Chien, C.M.; Huang, L.; Zhang, D.; Zhou, Y.; Chen, J.; et al. A Highly Efficient Combo Transceiver for 802.11b/g/n/ax and BT/BLE in 22 nm CMOS. In Proceedings of the 2021 IEEE 47th European Solid State Circuits Conference (ESSCIRC), Grenoble, France, 13–22 September 2021. [Google Scholar]
- Lu, C.; Chen, S.L.C.; Liu, J.; Bao, J.; Zhao, Y.; Chien, C.M.; Wang, Y.; Chen, J.; Liao, Z.; Ding, B.; et al. 4.3 A Dual-Band 2 × 2 802.11ax Transceiver Supporting 160MHz CBW and 1024-QAM. In Proceedings of the 2022 IEEE Asian Solid-State Circuits Conference (A-SSCC), Taipei, Taiwan, China, 6–9 November 2022. [Google Scholar]
- Lu, C.; Chen, S.-L.; Liu, J.; Bao, J.; Wang, Y.; Zhao, Y. Dual-Band 802.11ax Transceiver Design With 1024-QAM and 160-MHz CBW Support. IEEE Solid-State Circuits Lett. 2023, 6, 137–140. [Google Scholar] [CrossRef]
- Liu, B.; Boon, C.C.; Mao, M.; Choi, P.; Guo, T. A 2.4–6 GHz Broadband GaN Power Amplifier for 802.11ax Application. IEEE Trans. Circuits Syst. I Regul. Pap. 2021, 68, 2404–2417. [Google Scholar] [CrossRef]
- Wan, S.; Chen, W.; Xia, B.; Lv, G.; Chen, L.; Li, D.; Feng, Z. A High-Efficiency Two-Stage GaAs HBT Doherty Power Amplifier With Thermal Compensation for WLAN Application. In Proceedings of the 2021 IEEE MTT-S International Wireless Symposium (IWS), Nanjing, China, 23–26 May 2021. [Google Scholar]
- Liao, L.; Lin, J.; Wang, W.; Chen, X.; Deng, C.; Wang, Q.; Yu, H. A 5.15–5.85 GHz GaN Doherty Power Amplifier MMIC for WLAN Application. In Proceedings of the 2022 IEEE 16th International Conference on Solid-State & Integrated Circuit Technology (ICSICT), Nanjing, China, 25–28 October 2022. [Google Scholar]
- Lu, C.; Pham, A.-V.H.; Shaw, M.; Saint, C. Linearization of CMOS Broadband Power Amplifiers Through Combined Multigated Transistors and Capacitance Compensation. IEEE Trans. Microw. Theory Tech. 2007, 55, 2320–2328. [Google Scholar]
- Afsahi, A.; Behzad, A.; Magoon, V.; Larson, L.E. Linearized Dual-Band Power Amplifiers with Integrated Baluns in 65 nm CMOS for a 2x2 802.11n MIMO WLAN SoC. IEEE J. Solid-State Circuits 2010, 45, 955–966. [Google Scholar] [CrossRef]
- Yamanouchi, S.; Aoki, Y.; Kunihiro, K.; Hirayama, T.; Miyazaki, T.; Hida, H. Analysis and Design of a Dynamic Predistorter for WCDMA Handset Power Amplifiers. IEEE Trans. Microw. Theory Tech. 2007, 55, 493–503. [Google Scholar] [CrossRef]
- Son, K.Y.; Koo, B.; Hong, S. A CMOS Power Amplifier with a Built-In RF Predistorter for Handset Applications. IEEE Trans. Microw. Theory Tech. 2012, 60, 2571–2580. [Google Scholar] [CrossRef]
- Deng, J.; Gudem, P.; Larson, L.; Kimball, D.; Asbeck, P. A SiGe PA with Dual Dynamic Bias Control and Memoryless Digital Predistortion for WCDMA Handset Applications. IEEE J. Solid-State Circuits 2006, 41, 1210–1221. [Google Scholar] [CrossRef]
- Jeon, H.; Lee, K.S.; Lee, O.; An, K.H.; Yoon, Y.; Kim, H.; Kobayashi, K.W.; Lee, C.H.; Kenney, J.S. A Cascode Feedback Bias Technique for Linear CMOS Power Amplifiers in a Multistage Cascode Topology. IEEE Trans. Microw. Theory Tech. 2013, 61, 890–901. [Google Scholar] [CrossRef]
- Kang, S.; Baek, D.; Hong, S. A 5-GHz WLAN RF CMOS Power Amplifier with a Parallel-Cascoded Configuration and an Active Feedback Linearizer. IEEE Trans. Microw. Theory Tech. 2017, 65, 3230–3244. [Google Scholar] [CrossRef]
- Ma, Z.; Ma, K.; Wang, K.; Meng, F. 19.3 A 28 GHz Compact 3-Way Transformer-Based Parallel-Series Doherty Power Amplifier with 20.4%/14.2% PAE at 6-/12- dB Power Back-Off and 25.5 dBm Past in 55 nm Bulk CMOS. In Proceedings of the 2022 IEEE International Solid-State Circuits Conference (ISSCC), San Francisco, CA, USA, 20–26 February 2022. [Google Scholar]
- Cai, C.A.; Kai, K.Y.; Liao, W.J. A WLAN/WiFi-6E MIMO Antenna Design for Handset Devices. In Proceedings of the 2021 International Symposium on Antennas and Propagation (ISAP), Taipei, Taiwan, China, 19–22 October 2021. [Google Scholar]
- Kumar, A.; Chaturvedi, D.; Raghavan, S. Dual-Band, Dual-Fed Self-Diplexing Antenna. In Proceedings of the 2019 13th European Conference on Antennas and Propagation (EuCAP), Krakow, Poland, 31 March–5 April 2019. [Google Scholar]
- Kumar, A.; Rosaline, S.I. Hybrid half-mode SIW cavity-backed diplex antenna for on-body transceiver applications. Appl. Phys. A 2021, 127, 834. [Google Scholar] [CrossRef]
- Kang, D.; Kim, D.; Choi, J.; Kim, J.; Cho, Y.; Kim, B. A Multimode/Multiband Power Amplifier with a Boosted Supply Modulator. IEEE Trans. Microw. Theory Tech. 2010, 58, 2598–2608. [Google Scholar] [CrossRef]
- Hassan, M.; Larson, L.E.; Leung, V.W.; Asbeck, P.M. A Combined Series-Parallel Hybrid Envelope Amplifier for Envelope Tracking Mobile Terminal RF Power Amplifier Applications. IEEE J. Solid-State Circuits 2012, 47, 1189–1198. [Google Scholar] [CrossRef]
- Oishi, K.; Yoshida, E.; Sakai, Y.; Takauchi, H.; Kawano, Y.; Shirai, N.; Kano, H.; Kudo, M.; Murakami, T.; Tamura, T.; et al. 3.2 A 1.95 GHz fully integrated envelope elimination and restoration CMOS power amplifier with envelope/phase generator and timing aligner for WCDMA and LTE. In Proceedings of the 2014 IEEE International Solid-State Circuits Conference (ISSCC), San Francisco, CA, USA, 9–13 February 2014. [Google Scholar]
- Doherty, W.H. A New High Efficiency Power Amplifier for Modulated Waves. Proc. Inst. Radio Eng. 1936, 24, 1163–1182. [Google Scholar]
- Chee, Y.H.; Golcuk, F.; Matsuura, T.; Beale, C.; Wang, J.F.; Shanaa, O. 17.1 A Digitally Assisted CMOS WiFi 802.11ac/11ax Front End Module Achieving 12% PA Efficiency at 20 dBm Output Power with 160 MHz 256-QAM OFDM Signal. In Proceedings of the 2017 IEEE International Solid-State Circuits Conference (ISSCC), San Francisco, CA, USA, 5–9 February 2017. [Google Scholar]
- Kaymaksut, E.; Reynaert, P. Transformer-Based Uneven Doherty Power Amplifier in 90 nm CMOS for WLAN Applications. IEEE J. Solid-State Circuits 2012, 47, 1659–1671. [Google Scholar] [CrossRef]
- Vorapipat, V.; Levy, C.S.; Asbeck, P.M. Voltage Mode Doherty Power Amplifier. IEEE J. Solid-State Circuits 2017, 52, 1295–1304. [Google Scholar] [CrossRef]
- Yang, Y.; Cha, J.; Shin, B.; Kim, B. A fully matched N-way Doherty amplifier with optimized linearity. IEEE Trans. Microw. Theory Tech. 2003, 51, 986–993. [Google Scholar] [CrossRef]
- Srirattana, N.; Raghavan, A.; Heo, D.; Allen, P.; Laskar, J. Analysis and Design of a High-Efficiency Multistage Doherty Power Amplifier for Wireless Communications. IEEE Trans. Microw. Theory Tech. 2005, 53, 852–860. [Google Scholar] [CrossRef]
- Golestaneh, H.; Malekzadeh, F.A.; Boumaiza, S. An Extended-Bandwidth Three-Way Doherty Power Amplifier. IEEE Trans. Microw. Theory Tech. 2013, 61, 3318–3328. [Google Scholar] [CrossRef]
- Jung, D.; Li, S.; Park, J.-S.; Huang, T.-Y.; Zhao, H.; Wang, H. A CMOS 1.2-V Hybrid Current- and Voltage-Mode Three-Way Digital Doherty PA with Built-In Phase Nonlinearity Compensation. IEEE J. Solid-State Circuits 2019, 55, 525–535. [Google Scholar] [CrossRef]
- Hu, S.; Kousai, S.; Wang, H. 2.8 A broadband CMOS digital power amplifier with hybrid Class-G Doherty efficiency enhancement. In Proceedings of the 2015 IEEE International Solid-State Circuits Conference (ISSCC), San Francisco, CA, USA, 22–26 February 2015. [Google Scholar]
- Vorapipat, V.; Levy, C.S.; AsbeckIEEE, P.M. A Class-G Voltage-Mode Doherty Power Amplifier. IEEE J. Solid-State Circuits 2017, 52, 3348–3360. [Google Scholar] [CrossRef]
- Joo, T.; Koo, B.; Hong, S. A WLAN RF CMOS PA With Large-Signal MGTR Method. IEEE Trans. Microw. Theory Tech. 2013, 61, 1272–1279. [Google Scholar] [CrossRef]
- Yin, Y.; Yu, X.; Wang, Z.; Chi, B. An Efficiency-Enhanced Stacked 2.4-GHz CMOS Power Amplifier with Mode Switching Scheme for WLAN Applications. IEEE Trans. Microw. Theory Tech. 2015, 63, 672–682. [Google Scholar] [CrossRef]
- Chowdhury, D.; Hull, C.D.; Degani, O.B.; Wang, Y.; Niknejad, A.M. Linearization of CMOS Cascode Power Amplifiers Through Adaptive Bias Contol. IEEE Trans. Microw. Theory Tech. 2013, 61, 4534–4543. [Google Scholar]
- Chowdhury, D.; Hull, C.D.; Degani, O.B.; Wang, Y.; Niknejad, A.M. A Fully Integrated Dual-Mode Highly Linear 2.4 GHz CMOS Power Amplifier for 4G WiMax Applications. IEEE J. Solid-State Circuits 2009, 44, 3393–3402. [Google Scholar] [CrossRef]
- Jeong, G.; Kang, S.; Joo, T.; Hong, S. An Integrated Dual-Mode CMOS Power Amplifier with Linearizing Body Network. IEEE Trans. Circuits Syst. II Express Briefs 2017, 64, 1037–1041. [Google Scholar] [CrossRef]
- Yoon, Y.; Kim, J.; Kim, H.; An, K.H.; Lee, O.; Lee, C.-H.; Kenney, J.S. A Dual-Mode CMOS RF Power Amplifier with Integrated Tunable Matching Network. IEEE Trans. Microw. Theory Tech. 2012, 60, 77–88. [Google Scholar] [CrossRef]



























| W/L | |
|---|---|
| Common Source | 800 μm × 2/100 n |
| Common Gate | 800 μm × 2/500 n |
| Lp | 526.69 pH | Ls | 1.68 nH |
|---|---|---|---|
| Qp | 10.96 | Qs | 15.22 |
| k | 0.726 | ||
| SRF | >10 G |
| CapCode | Cap | Q |
|---|---|---|
| 4′b0000 | 163.4 fF | 28.8 |
| 4′b0001 | 193.18 fF | 33.7 |
| 4′b0011 | 262.68 fF | 35.5 |
| 4′b0111 | 401.76 fF | 33.6 |
| 4′b1111 | 680.02 fF | 30.6 |
| Ref | Freq | Supply | Process | Method | HPM | LPM | CW PAE Improve | Linearity | ||
|---|---|---|---|---|---|---|---|---|---|---|
| OP1dB | PAE | OP1dB | PAE | |||||||
| [40] | 2.4G | 5.6 V | 180 nm-CMOS | Mode Switching | 27 | 26.1 | 22 | 21.8 | x2 | EVM:-15.8@26dBm power, 802.11n |
| [42] | 2.4G | 3.3 V | 90 nm-CMOS | Turn-off one -stage | 22.7 | 12.4 | 18 | 10.4 | x1.6 | - |
| [43] | 2.4G | 3.3 V | 55 nm-CMOS | Dual Mode with Linearizing Body Network | 22 * | 14 * | 21 * | 11 * | - | EVM:-27dB @17.3dBm power, 802.11n |
| [44] | 2.4G | 3.3 V | 180 nm-CMOS | Dual Mode with Tunable Matching Network | 22.3 | 40 | 16.0 | 28 | - | EVM:-25dB @15.7dBm power, 802.11n |
| [7] | 2.5G | 3.3 V | 180-nm CMOS | Discrete resize and PCT | 27.5 | 24 | 20.5 | 15 | x1.5 | - |
| This work | 2.4G | 3.3 V | 55-nm CMOS | Mode Switching | 27.6 | 32.7 | 17.7 | 10 | x1.5 | EVM:-27dB @ 19dBm power, 802.11n |
Disclaimer/Publisher’s Note: The statements, opinions and data contained in all publications are solely those of the individual author(s) and contributor(s) and not of MDPI and/or the editor(s). MDPI and/or the editor(s) disclaim responsibility for any injury to people or property resulting from any ideas, methods, instructions or products referred to in the content. |
© 2023 by the authors. Licensee MDPI, Basel, Switzerland. This article is an open access article distributed under the terms and conditions of the Creative Commons Attribution (CC BY) license (https://creativecommons.org/licenses/by/4.0/).
Share and Cite
Shen, H.; Mo, T.; Wu, B. A Fully Integrated High Efficiency 2.4 GHz CMOS Power Amplifier with Mode Switching Scheme for WLAN Applications. Appl. Sci. 2023, 13, 7410. https://doi.org/10.3390/app13137410
Shen H, Mo T, Wu B. A Fully Integrated High Efficiency 2.4 GHz CMOS Power Amplifier with Mode Switching Scheme for WLAN Applications. Applied Sciences. 2023; 13(13):7410. https://doi.org/10.3390/app13137410
Chicago/Turabian StyleShen, Haoyu, Taishan Mo, and Bin Wu. 2023. "A Fully Integrated High Efficiency 2.4 GHz CMOS Power Amplifier with Mode Switching Scheme for WLAN Applications" Applied Sciences 13, no. 13: 7410. https://doi.org/10.3390/app13137410
APA StyleShen, H., Mo, T., & Wu, B. (2023). A Fully Integrated High Efficiency 2.4 GHz CMOS Power Amplifier with Mode Switching Scheme for WLAN Applications. Applied Sciences, 13(13), 7410. https://doi.org/10.3390/app13137410
