An LLC Converter with Capacitive Insulation
Abstract
:1. Introduction
1.1. Safety Capacitors
1.2. Test Methods and Requirements of Electrical Safety
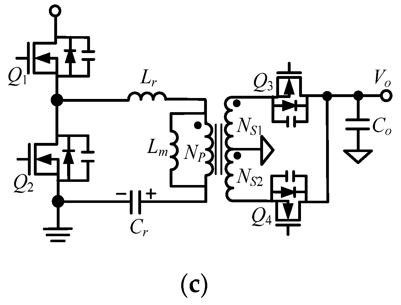
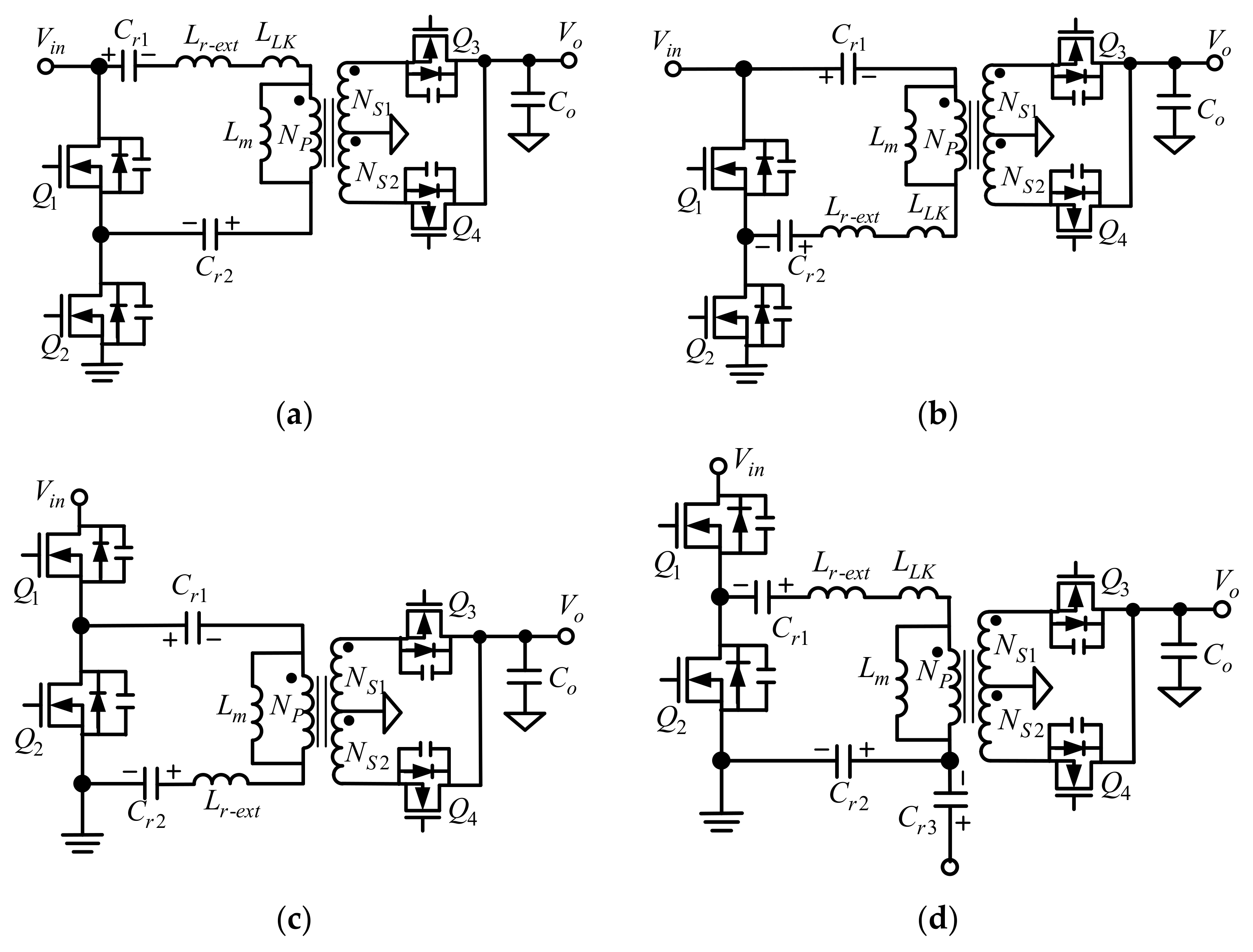
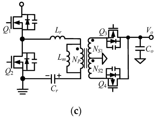
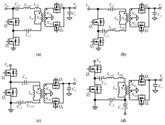
1.3. Prior Arts of Capacitive Insulation in Power Converters
2. Proposed Circuit Configuration
3. Design Considerations
3.1. Design of Transformer T1
3.2. Design of Resonant Tank
3.3. Voltage Gain for Light and Full Load
3.4. Loss Breakdown Analysis
4. Experimental Results
5. Conclusions
Author Contributions
Funding
Institutional Review Board Statement
Informed Consent Statement
Data Availability Statement
Conflicts of Interest
Abbreviations
| Q1, Q2 | Main switches |
| Q3, Q4 | SR switches |
| Co | Output capacitor |
| T1 | Main transformer |
| NP | Primary winding of T1 |
| NS1, NS2 | Secondary windings of T1 |
| n | Turn ration of T1 |
| Lr | Resonance inductor |
| Llk | Leakage inductance of Np of T1 |
| Lr-ext | Additional resonance inductor |
| Cr | Resonant capacitor |
| Cr1 | High-side resonant capacitor |
| Cr2 | Low-side resonant capacitor |
| Dmax | Maxima duty cycle |
| Bmax | Maxima flux density of T1 |
| fp | Resonant frequency of Lr, Lm, and Cr |
| fs | Resonant frequency of Lr and Cr |
| fsw | Switching frequency (Hz) |
| QFL, QLL | Quality factor of full load and light load, respectively |
| Ro | Equivalent resistance of output load |
| Rac-FL, Rac-LL | Reflected load resistance of output load at full load and light load, respectively |
| ω | Switching frequency (rad/sec) |
| ωp | Resonance frequency of parallel resonant converter |
| ωs | Resonance frequency of series resonant converter |
| MFL, MLL | Voltage gain of the output and input at full load and light load, respectively |
| Ae | Effective core area |
| vCr | Voltage cross Cr |
| vCr(min) | Minima voltage of Cr |
| vCr(max) | Maxima voltage of Cr |
| iCr1(pk) | Peak current of Cr1 |
| vCr1 | Voltage cross Cr1 |
| vCr1(min) | Minima voltage of Cr1 |
| vCr1(max) | Maxima voltage of Cr1 |
| iCr2(pk) | Peak current of Cr2 |
| vCr2 | Voltage cross Cr2 |
| vCr2(min) | Minima voltage of Cr2 |
| vCr2(max) | Maxima voltage of Cr2 |
| Np(min) | Minima required turns of Np |
| iNp(rms) | RMS current of Np |
| iNs1(rms), iNs2(rms) | RMS current of Ns1 and Ns2, respectively |
| Bmax-Lm | Maxima flux density of Lm |
| iLm(pk) | Peak current of Lm |
| DCRNp | DCRNp resistance of Np |
| DCRNs1, DCRNs2 | DCRNp resistance of Ns1 and Ns2 |
| Ae(T1) | Effective core area of T1 |
| Ve(T1) | Effective core volume of T1 |
| Pcopp-Np | Copper loss of Np |
| Pcopp-Ns | Copper loss of Ns |
| Pcore-T1 | Core loss of T1 |
| PCV(T1) | Unit core loss of T1 |
| PT1 | Total loss of T1 |
| iLr(pk) | Peak current of Lr |
| NLr-ext | Winding turns of Lr-ext |
| Lr-ext | Additional resonant inductor |
| Ae(Lr-ext) | Effective core area of Lr-ext |
| Bmax-Lr | Maxima flux density of Lr-ext |
| Ve(Lr-ext) | Effective core volume of Lr-ext |
| PCV(Lr-ext) | Core loss of unit volume of Lr-ext |
| DCRLr | DC resistance of Lr-ext |
| iLr(rms) | RMS current of Lr-ext |
| Pcore-Lr-ext | Core loss of Lr-ext |
| Pcopp-Lr-ext | Copper loss of Lr-ext |
| PLr-ext | Total loss of Lr-ext |
| Ron(Q1,Q2) | Conduction resistance of Q1 and Q2 |
| Pcond(Q1,Q2) | Conduction loss of Q1 and Q2 |
| Vgs(Q1,Q2) | Maxima driving voltage of Q1 and Q2 |
| Qg(Q1,Q2) | Gate charge of Q1 and Q2 |
| Pdriving(Q1,Q2) | Driving loss of Q1 and Q2 |
| PQ1,Q2 | Total loss of Q1 and Q2 |
| Ron(SR) | Conduction resistance of Q3 and Q4 |
| iSR(rms) | RMS current of Q3 and Q4 |
| Pcond(SR) | Conduction loss of Q3 and Q4 |
| Qg(SR) | Gate charge of Q3 and Q4 |
| Vgs(SR) | Maximum driving voltage of Q3 and Q4 |
| Pdriving(SR) | Driving loss of Q3 and Q4 |
| Pcond(SR) | Conduction loss of Q3 and Q4 |
| PSR | Total loss of Q3 and Q4 |
| iCo(rms) | RMS ripple current of Co at low line and high line Vin |
| ESRCo | Equivalent series resistance of Co |
| PCo | Total loss of Co |
| Ptotal | Total loss of system |
References
- UL60384-14; Fixed Capacitors for Use in Electronic Equipment—Part 14: Sectional Specification: Fixed Capacitors for Electromagnetic Interference Suppression and Connection to the Supply Mains. UL Standard: Northbrook, IL, USA, 2013.
- Bazarov, A.; Abramovitz, A.; Shmilovitz, D. Multi-string capacitively isolated quasi-resonant LED driver. In Proceedings of the Conference Record of the IEEE International Aegean Conference on Electrical Machines and Power Electronics & International Conference on Optimization of Electrical and Electronic Equipment (OPTIM & ACEMP), Istanbul, Turkey, 8–10 September 2011; pp. 711–716. [Google Scholar]
- Kline, M.; Izyumin, I.; Boser, B.; Sanders, S. A transformerless galvanically isolated switched capacitor LED driver. In Proceedings of the Conference Record of the IEEE Applied Power Electronics Conference and Exposition (APEC), Orlando, FL, USA, 5–9 February 2012; pp. 2357–2360. [Google Scholar]
- Dos Santos Filho, E.E.; Miranda, P.H.A.; Sa, E.M.; Antunes, F.L.M. A LED driver with switched capacitor. IEEE Trans. Ind. Appl. 2014, 50, 3046–3054. [Google Scholar] [CrossRef]
- Zhang, J.; Wang, J.; Wu, X. A capacitor-isolated LED driver with inherent current balance capability. IEEE Trans. Ind. Electron. 2012, 59, 1708–1716. [Google Scholar] [CrossRef]
- Eloi, E.; Sá, E.M., Jr.; dos Santos, R.L.; Miranda, P.A.; Antunes, F.L. Single stage switched capacitor LED driver with high power factor and reduced current ripple. In Proceedings of the Conference Record of the IEEE Applied Power Electronics Conference and Exposition (APEC), Charlotte, NC, USA, 15–19 March 2015; pp. 906–912. [Google Scholar]
- Shmilovitz, D.; Abramovitz, A.; Reichman, I. A family of bridgeless quasi-resonant LED drivers. IEEE Trans. Power Electron. 2016, 31, 1833–1836. [Google Scholar] [CrossRef] [Green Version]
- Kline, M.; Izyumin, I.; Boser, B.; Sanders, S. Capacitive power transfer for contactless charging. In Proceedings of the Conference Record of the IEEE Applied Power Electronics Conference and Exposition (APEC), Fort Worth, TX, USA, 6–10 March 2011; pp. 1398–1404. [Google Scholar]
- Musavi, F.; Edington, M.; Eberle, W. Wireless power transfer a survey of EV battery charging technologies. In Proceedings of the Conference Record of the IEEE Energy Conversion Congress and Exposition (ECCE), Raleigh, NC, USA, 15–20 September 2012; pp. 1804–1810. [Google Scholar]
- Rozario, D.; Azeez, N.A.; Williamson, S.S. Comprehensive review and comparative analysis of compensation networks for capacitive power transfer systems. In Proceedings of the Conference Record of the IEEE International Symposium on Industrial Electronics (ISIE), Santa Clara, CA, USA, 8–10 June 2016; pp. 823–829. [Google Scholar]
- UL 60950-1; Information Technology Equipment-Safety—Part 1: General Requirements. UL Standard: Northbrook, IL, USA, 2007.
- IEC 62368-1; Audio-Video, Information and Communication Technology Equipment. IEC Standard: Geneva, Switzerland, 2018.
- IEC60990; Methods of Measurement of Touch Current and Protective Conductor Current. UL Standard: Northbrook, IL, USA, 2016.
- UL 840; Insulation Coordination Including Clearances and Creepage Distances for Electrical Equipment. UL Standard: Northbrook, IL, USA, 2005.
- Datasheet of 3M Polyester Film Electrical Tape 1351-1 with Acrylic Adhesive. Available online: https://multimedia.3m.com/mws/media/86183O/3m-polyester-film-electrical-tape-1351-1-data-sheet-78-8125-9439-4-b.pdf (accessed on 1 April 2021).
- UL 2353; Single- and Multi-Layer Insulated Winding Wire. UL Standard: Northbrook, IL, USA, 2016.
- Zhu, J.; Xu, M.; Sun, J.; Wang, C. Novel capacitor-isolated power converter. In Proceedings of the Conference Record of the IEEE Energy Conversion Congress and Exposition (ECCE), Atlanta, GA, USA, 12–16 September 2010; pp. 1824–1829. [Google Scholar]
- Lim, S.; Hanson, A.J.; Santiago-González, J.A.; Perreault, D.J. Capacitively aided switching technique for high-frequency isolated bus converters. In Proceedings of the Conference Record of the IEEE Applied Power Electronics Conference and Exposition (APEC), Long Beach, CA, USA, 20–24 March 2016; pp. 98–105. [Google Scholar]
- Application Note of Safety Considerations in Power Supply Design. Available online: https://www.ti.com/seclit/ml/slup227/slup227.pdf (accessed on 1 January 2005).
- Yau, Y.T.; Hung, T.-L.; Hwu, K.I. A capacitive isolated LLC converter. In Proceedings of the Conference Record of the IEEE Applied Power Electronics Conference and Exposition (APEC), Online, 14–17 June 2021. [Google Scholar]
- Reliability Test Data of DE1E3KX472M. Available online: https://search.murata.co.jp/Ceramy/image/img/A01X/RTD-E0440EB_DE1E3KX472M%5E%5E%5EN01F.pdf (accessed on 1 January 2005).
- MKE15-HI Datasheet. Available online: www.minmax.com.tw/en/download/files/1718/MKE15-HI_Datasheet.pdf (accessed on 3 September 2020).
- Liu, J.; Zhong, S.; Zhang, J.; Ai, Y.; Zhao, N.; Yang, J. Auxiliary power supply for medium-/high-voltage and high-power solid-state transformers. IEEE Trans. Power Electron. 2020, 35, 4791–4803. [Google Scholar] [CrossRef]
- Kehler, L.B.; Kaminski, A.M.; Pinheiro, J.R.; Rech, C.; Marchesan, T.B.; Emmel, R.R. Auxiliary power supply for solid state transformers. In Proceedings of the Conference Record of the IEEE International Conference on Electronics Circuits and Systems (ICECS), Monte Carlo, Monaco, 11–14 December 2016; pp. 193–196. [Google Scholar]
- MP6924 Datasheet. Available online: https://www.monolithicpower.com/en/documentview/productdocument/index/version/2/document_type/Datasheet/lang/en/sku/MP6924GS-Z/document_id/4899/ (accessed on 15 September 2017).
- GB 4943. 1-2011; Information Technology Equipment-Safety—Part 1: General Requirements. National Standard of the People’s Republic of China: Beijing, China, 2011.
- Datasheet of Ceramic Chip Safety Capacitors Class X and Y. Available online: https://www.kekon.com/pdf/ceramichipsafety.pdf (accessed on 1 January 2005).
- Datasheet of Type RB Safety Standard Certified Lead Type Disc Ceramic Capacitors for General Purpose. Available online: https://search.murata.co.jp/Ceramy/image/img/A01X/G101/ENG/DE1_RB_R01F_E.pdf (accessed on 1 January 2005).




















| Subclass | Type of Insulation Bridged | Range of Rated Voltages | Peak Impulse Voltage before Endurance Test |
|---|---|---|---|
| Y1 | Double insulation or reinforced insulation | ≤500 V | 8.0 kV |
| Y2 | Basic insulation or supplementary insulation | ≥150 V ≤300 V | 5.0 kV |
| Y3 | Basic insulation or supplementary insulation | ≥150 V ≤250 V | None |
| Y4 | Basic insulation or supplementary insulation | ≤150 V | 2.5 kV |
| Type of Equipment | Maximum Touch Current |
|---|---|
| Information equipment without earth ground connection | 0.25 mA |
| Hand-held information equipment with earth ground connection | 0.75 mA |
| Stationary, pluggable information equipment with earth ground connection | 3.5 mA |
| Insulation Level | Creepage Distance | Clearance Distance |
|---|---|---|
| Basic or supplementary insulation | 3.2 mm | 2.0 mm |
| Double or reinforced insulation | 6.4 mm | 4.0 mm |
| Parameter | Specification |
|---|---|
| Rated input voltage (Vin) | 370 V~390 V |
| Rated output voltage (Vo) | 12 V |
| Rated output current (Io) | 10 A |
| Resonant frequency (fs) | 230 kHz |
| Minimum switching frequency (fsw(min)) | 210 kHz |
| Magnetizing inductance divided by resonant inductance (k) | 4 |
| Maxima duty cycle (Dmax) | 0.42 |
| Estimated efficiency (η) | 96% |
| Symbols | Description |
|---|---|
| Cr1, Cr2 | 4.7 nF//4.7 nF, DE1E3KX472M, Murata, Kyoto, Japan, 300 Vac Class Y1 Reinforced Insulation Capacitors with IEC384-14 Safety Recognized |
| Lr-ext | RM6, 142.4 μH, JPP95, A-core Inc., Jiangmen, China |
| T1 | LP22, 640 μH, 28:2:2, JPP95, A-core Inc., Jiangmen, China |
| Q1, Q2 | IPD60R360P7S, DPAK, Infineon AG, Warstein, Germany |
| Q3, Q4 | BSC028N06NS, TDSON8, Infineon AG, Warstein, Germany |
| Co | 470 μF//470 μF; Conductive Polymer Aluminum Cap, APAQ Co., Maioli, Taiwan |
| LLC Controller IC | HR1001A, Monolithic Power Systems Inc., Kirkland, WA, USA |
| SR Controller IC | MP6924, Monolithic Power Systems Inc., Kirkland, WA, USA |
| [18] | [17] | Conventional LLC | Proposed Method | |
|---|---|---|---|---|
| Rated power | 36 W (12 V, 3 A) | 85 W (165 V, 0.51 A) | 150 W (12 V, 12.5 A) | 120 W (12 V, 10 A) |
| Efficiency at full load | 94.5% | 85.5% | 94.1% | 94.3% |
| Efficiency at half load | 94.5% | 84% | 94.3% | 93.7% |
| Switching frequency at full load | 1.4 MHz | 65 kHz | ~100 kHz | ~240 kHz |
| Active switches | GaN FET | Si-MOSFET | Si-MOSFET | Si-MOSFET |
| Power density | 18.3 W/cm3 | Not available | 1.81 W/cm3 | 2.71 W/cm3 |
| Touch current test (264 Vac, 60 Hz) | Not available | 734 μA | 10 μA | 80 μA |
| High pot test (3 kVac, 60 Hz, 60 s) | Fail (Y3 cap) | Not available | Pass | Pass |
Publisher’s Note: MDPI stays neutral with regard to jurisdictional claims in published maps and institutional affiliations. |
© 2022 by the authors. Licensee MDPI, Basel, Switzerland. This article is an open access article distributed under the terms and conditions of the Creative Commons Attribution (CC BY) license (https://creativecommons.org/licenses/by/4.0/).
Share and Cite
Yau, Y.-T.; Hung, T.-L. An LLC Converter with Capacitive Insulation. Appl. Sci. 2022, 12, 4950. https://doi.org/10.3390/app12104950
Yau Y-T, Hung T-L. An LLC Converter with Capacitive Insulation. Applied Sciences. 2022; 12(10):4950. https://doi.org/10.3390/app12104950
Chicago/Turabian StyleYau, Yeu-Torng, and Tsung-Liang Hung. 2022. "An LLC Converter with Capacitive Insulation" Applied Sciences 12, no. 10: 4950. https://doi.org/10.3390/app12104950
APA StyleYau, Y.-T., & Hung, T.-L. (2022). An LLC Converter with Capacitive Insulation. Applied Sciences, 12(10), 4950. https://doi.org/10.3390/app12104950

