A High Gain Modified Quadratic Boost DC-DC Converter with Voltage Stress Half of Output Voltage
Abstract
:1. Introduction
- Using only a single switch, the high voltage gain is achieved, which is the first potential advantage over other reported studies where more switches have been used to boost the voltage level.
- Another advantage is the control strategy which is generally very easy for a single switch-based topology.
- The voltage stress across the power MOSFET switch of the proposed study is very low, which is half of the output voltage.
2. Evolution of the Proposed Modified Quadratic Boost Converter
2.1. Conventional Quadratic Boost Converter
2.2. Quadratic Boost Converter with Single Voltage Lift Cell
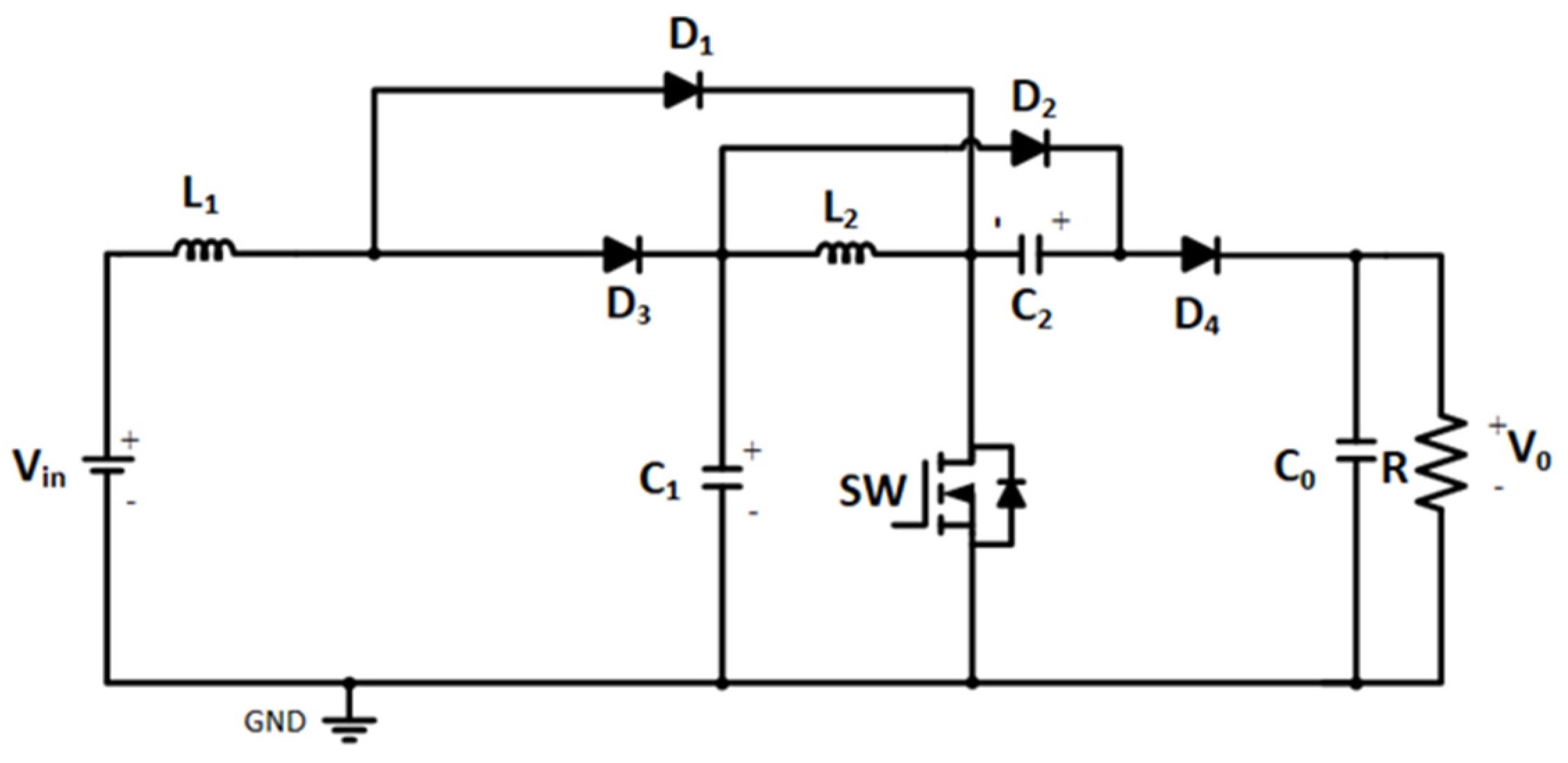
2.3. Quadratic Boost Converter with Dual Voltage Lift Cell
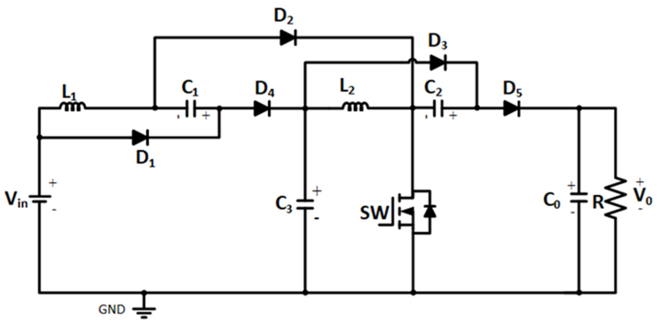
2.4. Proposed Modified Quadratic Boost Converter with Integrated Dual Voltage Lift Cell
2.4.1. Operation Principle and Ideal Voltage Gain Calculation, Continuous Current Mode (CCM)
Mode 1 [0, DT]: Switch ON, D1, D2, D3 ON
Mode 2 [DT, T]: Switch OFF, D4, D5, D6 ON
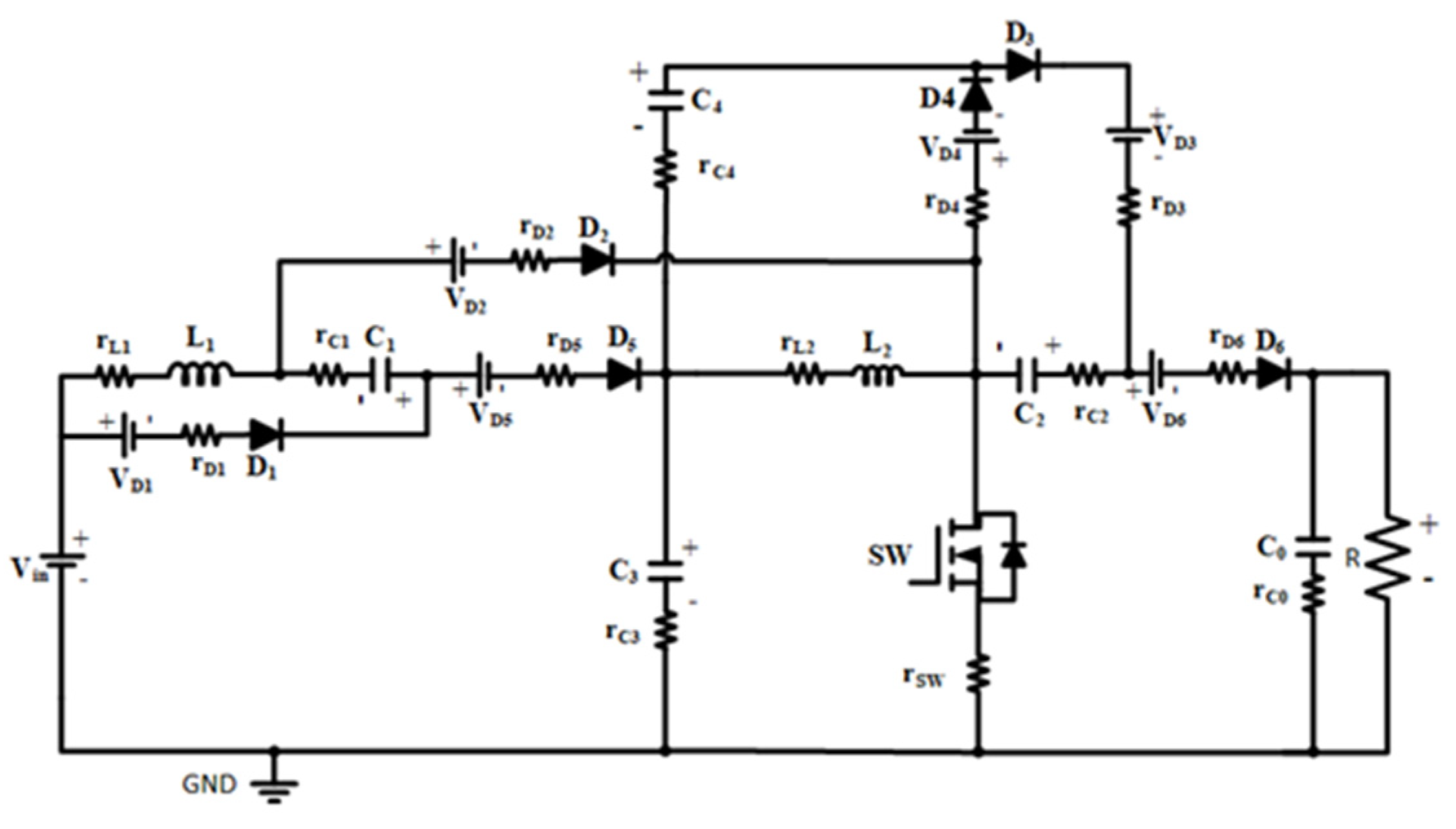
2.4.2. Non-Ideal Voltage Gain Calculation Considering the Diode Voltage Drop
Mode 1 [0, DT]:
Mode 2 [DT, T]:
3. Design Considerations
3.1. Design of the Inductor
3.2. Selection of the Capacitor
3.3. Voltage Stress across Switching Device and Power Diode
4. Formulation of Power Loss of the Proposed Studied Topology
4.1. Power Losses Calculation in Power Switch
4.2. Power Losses Calculation in Power Diodes
4.3. Power Losses in the Inductor Due to ESRs
4.4. Power Losses in the Capacitor
5. Comparison Analysis
6. Results and Discussion
6.1. Simulation Results and Potential Verification
Simulation Results of the Proposed Boost Converter at Duty d = 0.4, Output Power 150-W
6.2. Experimental Results and Discussion
6.3. Stability Analysis
7. Conclusions
Author Contributions
Funding
Institutional Review Board Statement
Informed Consent Statement
Acknowledgments
Conflicts of Interest
References
- Meinshausen, M.; Meinshausen, N.; Hare, W.; Raper, S.C.; Frieler, K.; Knutti, R.; Frame, D.J.; Allen, M.R. Greenhouse-gas emission targets for limiting global warming to 2 °C. Nature 2009, 458, 1158–1162. [Google Scholar] [CrossRef] [PubMed]
- Shrader-Frechette, K. Mortgaging the future: Dumping ethics with nuclear waste. Sci. Eng. Ethics 2005, 11, 518–520. [Google Scholar] [CrossRef] [PubMed]
- Bagherian, M.A.; Mehranzamir, K. A comprehensive review on renewable energy integration for combined heat and power production. Energy Convers. Manag. 2020, 224, 113454. [Google Scholar] [CrossRef]
- Calcabrini, A.; Muttillo, M.; Weegink, R.; Manganiello, P.; Zeman, M.; Isabella, O. A fully reconfigurable series-parallel photovoltaic module for higher energy yields in urban environments. Renew. Energy 2021, 179, 1–11. [Google Scholar] [CrossRef]
- Sahu, B.; Rincon-Mora, G.A. A low voltage, dynamic, noninverting, synchronous buck-boost converter for portable applications. IEEE Trans. Power Electron. 2004, 19, 443–452. [Google Scholar] [CrossRef]
- Gaboriault, M.; Notman, A.; House, S.; Park, E. Buck-Boost DC-DC Converter. In Proceedings of the Asia-Pacific Economic Cooperation, Santiago, Chile, 17 November 2004. [Google Scholar] [CrossRef]
- Hwu, K.I.; Peng, T.J. A novel buck-boost converter combining KY and buck converters. IEEE Trans. Power Electron. 2012, 27, 2236–2241. [Google Scholar] [CrossRef]
- Ghosh, A. Possibilities and challenges for the inclusion of the electric vehicle (EV) to reduce the carbon footprint in the transport sector: A review. Energies 2020, 13, 2602. [Google Scholar] [CrossRef]
- Emadi, A.; Lee, Y.J.; Rajashekara, K. Power electronics and motor drives in electric, hybrid electric, and plug-in hybrid electric vehicles. IEEE Trans. Ind. Electron. 2008, 55, 2237–2245. [Google Scholar] [CrossRef]
- Hu, X.; Gong, C. A high gain input-parallel output-series DC/DC converter with dual coupled inductors. IEEE Trans. Power Electron. 2015, 30, 1306–1317. [Google Scholar] [CrossRef]
- Cecati, C.; Ciancetta, F.; Siano, P. A multilevel inverter for photovoltaic systems with fuzzy logic control. IEEE Trans. Ind. Electron. 2010, 57, 4115–4125. [Google Scholar] [CrossRef]
- Fan, Z.; Kalogridis, G.; Efthymiou, C.; Sooriyabandara, M.; Serizawa, M.; McGeehan, J. The new frontier of communications research: Smart grid and smart metering. In Proceedings of the Energy-Efficient Computing and Networking: First International Conference, E-energy 2010, Athens, Greece, 14–15 October 2010. [Google Scholar] [CrossRef]
- Amjadi, Z.; Williamson, S.S. Power-electronics-based solutions for plug-in hybrid electric vehicle energy storage and management systems. IEEE Trans. Ind. Electron. 2010, 57, 608–616. [Google Scholar] [CrossRef]
- Barreto, L.H.S.C.; Praça, P.P.; Oliveira, D.S.; Silva, R.N.A.L. High-voltage gain boost converter based on three-state commutation cell for battery charging using PV panels in a single conversion stage. IEEE Trans. Power Electron. 2014, 29, 150–158. [Google Scholar] [CrossRef]
- Rosas-Caro, J.C.; Mancilla-David, F.; Mayo-Maldonado, J.C.; Gonzalez-Lopez, J.M.; Torres-Espinosa, H.L.; Valdez-Resendiz, J.E. A transformer-less high-gain boost converter with input current ripple cancelation at a selectable duty cycle. IEEE Trans. Ind. Electron. 2013, 60, 4492–4499. [Google Scholar] [CrossRef]
- Rosas-Caro, J.C.; Ramirez, J.M.; Peng, F.Z.; Valderrabano, A. A DC-DC multilevel boost converter. IET Power Electron. 2010, 3, 129–137. [Google Scholar] [CrossRef]
- Navamani, J.D.; Vijayakumar, K.; Jegatheesan, R. Non-isolated high gain DC-DC converter by quadratic boost converter and voltage multiplier cell. Ain Shams Eng. J. 2018, 9, 1397–1406. [Google Scholar] [CrossRef] [Green Version]
- Hu, X.; Gong, C. A high voltage gain DC-DC converter integrating coupled-inductor and diode-capacitor techniques. IEEE Trans. Power Electron. 2014, 29, 789–800. [Google Scholar] [CrossRef]
- Tang, Y.; Wang, T.; He, Y. A Switched-Capacitor-Based Active-Network. IEEE Trans. Power Electron. 2014, 29, 2959–2968. [Google Scholar] [CrossRef]
- Nguyen, M.; Duong, T.; Lim, Y. Switched-Capacitor-Based Dual-Switch High-Boost. IEEE Trans. Power Electron. 2018, 33, 4181–4189. [Google Scholar] [CrossRef]
- Tran, V.T.; Nguyen, M.K.; Choi, Y.O.; Cho, G.B. Switched-capacitor-based high boost DC-DC converter. Energies 2018, 11, 987. [Google Scholar] [CrossRef] [Green Version]
- Park, K.B.; Moon, G.W.; Youn, M.J. Nonisolated high step-up boost converter integrated with sepic converter. IEEE Trans. Power Electron. 2010, 25, 2266–2275. [Google Scholar] [CrossRef]
- Vazquez, N.; Estrada, L.; Hernandez, C.; Rodriguez, E. The Tapped-Inductor Boost Converter. IEEE Int. Symp. Ind. Electron. 2007, 538–543. [Google Scholar] [CrossRef]
- Deng, Y.; Rong, Q.; Li, W.; Zhao, Y.; Shi, J.; He, X. Single-switch high step-up converters with built-in transformer voltage multiplier cell. IEEE Trans. Power Electron. 2012, 27, 3557–3567. [Google Scholar] [CrossRef]
- Dwari, S.; Parsa, L. An efficient high-step-up interleaved DC-DC converter with a common active clamp. IEEE Trans. Power Electron. 2011, 26, 66–78. [Google Scholar] [CrossRef]
- Kim, J.H.; Kim, M.Y.; Yeon, C.O.; Moon, G.W. Analysis and design of Boost-LLC converter for high power density AC-DC adapter. In Proceedings of the 2013 IEEE ECCE ASIA DOWNUNDER: 5th IEEE Annual International Energy Conversion Congress and Exhibition: Crown Convention Centre, Melbourne, Australia, 3–6 June 2013. [Google Scholar] [CrossRef]
- Lee, J.Y.; Jeong, Y.S.; Han, B.M. An isolated DC/DC converter using high-frequency unregulated LLC resonant converter for fuel cell applications. IEEE Trans. Ind. Electron. 2011, 58, 2926–2934. [Google Scholar] [CrossRef]
- Lee, S.W.; Do, H.L. Quadratic Boost DC-DC Converter with High Voltage Gain and Reduced Voltage Stresses. IEEE Trans. Power Electron. 2019, 34, 2397–2404. [Google Scholar] [CrossRef]
- Kadri, R.; Gaubert, J.P.; Champenois, G.; Mostefaï, M. Performance analysis of transformless single switch quadratic boost converter for grid connected photovoltaic systems. In Proceedings of the 19th International Conference on Electrical Machines, Rome, Italy, 6–8 December 2010. [Google Scholar] [CrossRef]
- Shahir, F.M.; Babaei, E.; Farsadi, M. Extended Topology for a Boost DC-DC Converter. IEEE Trans. Power Electron. 2019, 34, 2375–2384. [Google Scholar] [CrossRef]
- Barreto, L.H.S.C.; Coelho, E.A.A.; Farias, V.J.; DeFreitas, L.C.; Vieira, J.B. An optimal lossless commutation quadratic PWM Boost converter. In Proceedings of the 2019 IEEE Applied Power Electronics Conference and Exposition (APEC), Orlando, FL, USA, 19–23 March 2002. [Google Scholar] [CrossRef]
- Jahangiri, H.; Mohammadpour, S.; Ajami, A. A high step-up DC-DC boost converter with coupled inductor based on quadratic converters. In Proceedings of the 9th Annual International Power Electronics, Drive Systems and Technologies Conference, Tehran, Iran, 1–3 February 2018. [Google Scholar] [CrossRef]
- Zhang, S.; Xu, J.; Yang, P. A single-switch high gain quadratic boost converter based on voltage-lift-technique. In Proceedings of the 2012 10th International Power & Energy Conference (IPEC), Ho Chi Minh City, Vietnam, 12–14 December 2012. [Google Scholar] [CrossRef]
- Veerachary, M. Design and Analysis of a New Quadratic Boost Converter. In Proceedings of the 2017 National Power Electronics Conference (NPEC), Pune, India, 18–20 December 2017. [Google Scholar] [CrossRef]
- Zaid, M.; Lin, C.H.; Khan, S.; Ahmad, J.; Tariq, M.; Mahmood, A.; Sarwar, A.; Alamri, B.; Alahmadi, A. A family of transformerless quadratic boost high gain dc-dc converters. Energies 2021, 14, 4372. [Google Scholar] [CrossRef]
- Porselvi, T.; Arounassalame, M. A novel Single Switch High Gain DC-DC Converter. In Proceedings of the 7th India International Conference on Power Electronics (IICPE), Jaipur, India, 13–15 December 2018. [Google Scholar] [CrossRef]
- Khan, S.; Mahmood, A.; Zaid, M.; Tariq, M.; Lin, C.-H.; Ahmad, J.; Alamri, B.; Alahmadi, A. A high step-up dc-dc converter based on the voltage lift technique for renewable energy applications. Sustainability 2021, 13, 11059. [Google Scholar] [CrossRef]
- Fardoun, A.A.; Ismail, E.H. Ultra Step-Up DC–DC Converter With Reduced Switch Stress. IEEE Trans. Ind. Appl. 2010, 6, 2025–2034. [Google Scholar] [CrossRef]
- Ahmad, J.; Zaid, M.; Sarwar, A.; Tariq, M.; Sarwer, Z. A New Transformerless Quadratic Boost Converter with High Voltage Gain. Smart Sci. 2020, 8, 163–183. [Google Scholar] [CrossRef]
- Maroti, P.K.; Padmanaban, S.; Holm-Nielsen, J.B.; Bhaskar, M.S.; Meraj, M.; Iqbal, A. A New Structure of High Voltage Gain SEPIC Converter for Renewable Energy Applications. IEEE Access 2019, 7, 89857–89868. [Google Scholar] [CrossRef]
- Gorji, S.A.; Mostaan, A.; My, H.T.; Ektesabi, M. Non-isolated buck–boost dc–dc converter with quadratic voltage gain ratio. IET Power Electron. 2019, 12, 1425–1433. [Google Scholar] [CrossRef]
- Zhang, N.; Zhang, G.; See, K.W.; Zhang, B. A single-switch quadratic buck-boost converter with continuous input port current and continuous output port current. IEEE Trans. Power Electron. 2018, 33, 4157–4166. [Google Scholar] [CrossRef]
- Rezaie, M.; Abbasi, V. Effective combination of quadratic boost converter with voltage multiplier cell to increase voltage gain. IET Power Electron. 2020, 13, 2322–2333. [Google Scholar] [CrossRef]



























| Topology | Switches | Diode | Inductor | Capacitor | Ideal Voltage Gain | Voltage Stress (Vs/Vin) | Common Ground | Ref |
|---|---|---|---|---|---|---|---|---|
| CQBC | 1 | 3 | 2 | 2 | Yes | [29] | ||
| Topology 1 | 1 | 5 | 2 | 4 | No | [38] | ||
| Topology 2 | 1 | 5 | 2 | 4 | No | [39] | ||
| Topology 3 | 1 | 3 | 3 | 3 | Yes | [40] | ||
| Topology 4 | 1 | 3 | 2 | 2 | Yes | [41] | ||
| Topology 5 | 1 | 5 | 3 | 3 | Yes | [42] | ||
| Topology 6 | 2 | 3 | 2 | 2 | Yes | [30] | ||
| Topology 7 | 1 | 4 | 2 | 3 | No | [35] | ||
| Topology 8 | 1 | 5 | 3 | 3 | Yes | [43] | ||
| Topology 9 | 1 | 5 | 2 | 4 | Yes | [37] | ||
| Proposed | 1 | 6 | 2 | 5 | Yes |
| Component | Specification |
|---|---|
| Input Voltage | 24~48 V |
| Output Voltage | (400~408) V |
| Duty ratio | 0.2~0.6 |
| fsw | 50 kHz |
| Capacitors | C1 = 220 μF/100 V/0.1 Ω, C2 = 100 μF/ 250 V/0.1 Ω, C3 = C4 =100 μF/250 V/0.1 Ω, C0 = 100 μF/450 V/0.1 Ω |
| Inductor | L1 = 300 μH, L2 = 600 μH, ESR = 0.2 Ω |
| Power MOSFET | SPW52N50C3, 560 V, 52 A 0.07 Ω |
| Diodes | CMPFCD86, (600 V, VF-1.5 V, IF-8 A) RF150TF3S(SIMPLIS) (600 V, VF-1.5 V, IF-8 A) |
| Microcontroller | STM32, Nucleo H743ZI2 |
| Gate Driver IC | TLP250H |
| Fuse | 6.3 A |
| Power supply | Chroma programmable DC power supply, 621OOH-600S |
| Input Power | 158.6 W |
| Output Power | 150 W |
| Load Resistance | Chroma programmable electronic load simulator model 63. 1075 Ω, I0-0.374 A |
| Components | Simulated Results | Experimental Results |
|---|---|---|
| Output voltage (V0) | 408 V | 402 V |
| The voltage across the switch (VDS) | 205 V | 201 V |
| Voltage stress across diode D1 | 76~76.5 V | 75 V |
| Voltage stress across diode D2 | 126 V | 123 V |
| Voltage stress across diode D3 | 203.5 V | 202 V |
| Voltage stress across diode D4 | 203.5 V | 201 V |
| Voltage stress across diode D5 | 76.3 V | 75 V |
| Voltage stress across diode D6 | 203 V | 202 V |
Publisher’s Note: MDPI stays neutral with regard to jurisdictional claims in published maps and institutional affiliations. |
© 2022 by the authors. Licensee MDPI, Basel, Switzerland. This article is an open access article distributed under the terms and conditions of the Creative Commons Attribution (CC BY) license (https://creativecommons.org/licenses/by/4.0/).
Share and Cite
Jana, A.S.; Lin, C.-H.; Kao, T.-H.; Chang, C.-H. A High Gain Modified Quadratic Boost DC-DC Converter with Voltage Stress Half of Output Voltage. Appl. Sci. 2022, 12, 4914. https://doi.org/10.3390/app12104914
Jana AS, Lin C-H, Kao T-H, Chang C-H. A High Gain Modified Quadratic Boost DC-DC Converter with Voltage Stress Half of Output Voltage. Applied Sciences. 2022; 12(10):4914. https://doi.org/10.3390/app12104914
Chicago/Turabian StyleJana, Anindya Sundar, Chang-Hua Lin, Tzu-Hsien Kao, and Chun-Hsin Chang. 2022. "A High Gain Modified Quadratic Boost DC-DC Converter with Voltage Stress Half of Output Voltage" Applied Sciences 12, no. 10: 4914. https://doi.org/10.3390/app12104914
APA StyleJana, A. S., Lin, C.-H., Kao, T.-H., & Chang, C.-H. (2022). A High Gain Modified Quadratic Boost DC-DC Converter with Voltage Stress Half of Output Voltage. Applied Sciences, 12(10), 4914. https://doi.org/10.3390/app12104914

