The Demonstration of S2P (Serial-to-Parallel) Converter with Address Allocation Method Using 28 nm CMOS Technology
Abstract
:1. Introduction
2. 28 nm CMOS Technology Consideration
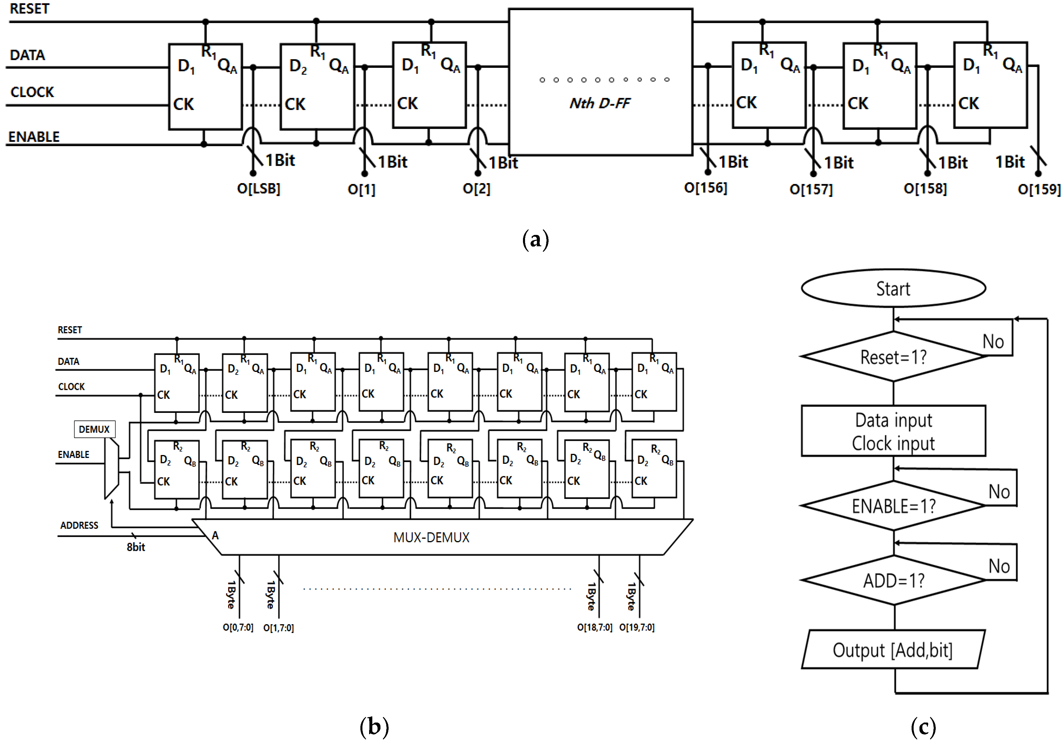
3. Proposed Serial to Parallel Converter
4. Implementation and Measurement Results
5. Conclusions
Author Contributions
Funding
Informed Consent Statement
Acknowledgments
Conflicts of Interest
References
- Balteanu, F. RF Front End Module Architectures for 5G. In Proceedings of the BICMOS and Compound semiconductor Integrated Circuits and Technology Symposium, Nashville, TN, USA, 3–6 November 2019. [Google Scholar]
- Naser, O.P.; Mohammad, A.; Haleh, J.B.; Raed, A.A.-A.; Jonathan, R.; Ernesto, L. MM-Wave Phased Array Quasi-Yagi Antenna for the Upcomming 5G Cellular Communications. Appl. Sci. 2019, 9, 978. [Google Scholar]
- Mondal, S.; Paramesh, J. Power-Efficient Design Techniques for mm-Wave Hybrid/Digital FDD/Full-Duplex MIMO Transceivers. IEEE J. Solid-State Circuits 2020, 55, 2011–2026. [Google Scholar] [CrossRef]
- Arnaud, F.; Thean, A.; Eller, M.; Lipinski, M.; Teh, Y.W.; Ostermayr, M.; Kang, K.; Kim, N.S.; Ohuchi, K.; Han, J.-P.; et al. Competitivie and Cost Effective high-k based 28nm CMOS Technology for Low Power Applications. In Proceedings of the International Electron Devices Meeting, Baltimore, MD, USA, 7–9 December 2009; pp. 1–4. [Google Scholar]
- Manente, D.; Padovan, F.; Seebacker, D.; Bassi, M.; Bevilacqua, A. A 28-GHz Stacked Power Amplifier with 20.7-dBm Output P1dB in 28-nm Bulk CMOS. IEEE Solid-State Circuit Lett. 2020, 3, 170–173. [Google Scholar] [CrossRef]
- Park, B.; Jeong, D.; Kim, J.; Cho, Y.; Moon, K.; Kim, B. Highly Linear CMOS Power Amplifier for mm-Wave Applications. In Proceedings of the MTT-S International Microwave Symposium, San Francisco, CA, USA, 22–27 May 2016. [Google Scholar]
- Juneja, S.; Pratap, R.; Sharma, R. Semiconductor Technologies for 5G Implementation at Millimeter Wave Frequencies—Design Challenges and Current State of Work. Enginnering Sci. Technol. Int. J. 2020. [Google Scholar] [CrossRef]
- Devarajan, D.S.; Singer, L.; Kelly, D.; Pan, T.; Silva, J.; Brunsilius, J.; Rey-Losada, D.; Murden, F.; Speir, C.; Bray, J.; et al. A 12-b 10-GS/s Interleaved Pipeline ADC in 28-nm CMOS Technology. IEEE J. Solid-State Circuits 2017, 52, 3204–3218. [Google Scholar] [CrossRef]
- Lee, J.; Han, S.; Lee, J.; Kang, B.; Bae, J.; Jang, J.; Oh, S.; Chang, J.; Kang, S.; Son, K.Y.; et al. A Sub-6-GHz 5G New Radio RF Transceiver Supporting EN-DC With 3.15-Gb/s DL and 1.27-Gb/s UL in 14-nm FinFET CMOS. IEEE J. Solid-State Circuits 2019, 54, 3541–3552. [Google Scholar] [CrossRef]
- Suarez, G.; Dumonthier, J.J. Radiation Hardened Input/Output Expander with I2C and SPI Serial Interfaces. U.S. Patent 10649949B1, 12 May 2020. [Google Scholar]
- Tang, K.; Lou, L.; Guo, T.; Chen, B.; Wang, Y.; Fang, Z.; Yang, C.; Wang, W.; Zheng, Y. A 4TX/4RX Pulsed Chirping Phased-Array Radar Transceiver in 65-nm CMOS for X-Band Synthetic Aperture Radar Application. IEEE J. Solid-State Circuits 2020, 55, 2970–2983. [Google Scholar] [CrossRef]
- Chen, Z.; Jiang, Z.; Liu, Z.; Cheng, Y.; Zhang, L.; Chen, D.; Zhang, J.; Sun, J.; Dong, J.; Liu, P.; et al. A 256-QAM 39 GHz Dual-Channel Transceiver Chipset with LTCC Package for 5G Communication in 65 nm CMOS. In Proceedings of the MTT-S International Microwave Symposium, Philadelphia, PA, USA, 10–15 June 2018. [Google Scholar]
- Pang, J.; Li, Z.; Kubozoe, R.; Luo, X.; Wu, R.; Wang, Y.; You, D.; Fadila, A.A.; Saengchan, R.; Nakamura, T.; et al. A 28-GHz CMOS Phased-Array Beamformer Utilizing Neutralized Bi-Directional Technique Supporting Dual-Polarized MIMO for 5G NR. IEEE J. Solid-State Circuits 2020, 55, 2371–2386. [Google Scholar] [CrossRef]
- Fang, Z.; Lou, L.; Tang, K.; Wang, W.; Wang, Y.; Guo, T.; Yang, C.; Zheng, Y. Wide Field-of-View Locating and Multimodal Vital Sign Monitoring Based on X-Band CMOS-Integrated Phased-Array Radar Sensor. IEEE Trans. Microw. Theory Tech. 2020, 68, 4054–4065. [Google Scholar] [CrossRef]
- Nam, H.; Nguyen, V.; Trinh, V.; Song, J.; Lee, B.; Park, J. A Full X-Band Phased-Array Transmit/Receive Module Chip in 65-nm CMOS Technology. IEEE Access 2020, 8, 76182–76192. [Google Scholar] [CrossRef]
- Niknejad, A.M.; Emami, S.; Heydari, B.; Bohsali, M.; Asabi, E. Nanoscale CMOS for mm-Wave Applications. In Proceedings of the Compound Semiconductor Integrated Circuits Symposium, Portland, OR, USA, 14–17 October 2007. [Google Scholar]
- Diwei, L.; Dizian, Z. A Low-Power Digital Control Core with High-Speed SPI Slave for Phased Array Application in 40 nm CMOS. In Proceedings of the International Conference on Integrated Circuits, Technologies and Applications, Chengdu, China, 13–15 November 2019. [Google Scholar]
- Diwei, L.; Dizian, Z. A 2 × 22Gb/s SFI5.2 CDR/deserializer in 65nm CMOS technology. In Proceedings of the 2009 Symposium on VLSI Circuits, Kyoto, Japan, 16–18 June 2009. [Google Scholar]








Publisher’s Note: MDPI stays neutral with regard to jurisdictional claims in published maps and institutional affiliations. |
© 2021 by the authors. Licensee MDPI, Basel, Switzerland. This article is an open access article distributed under the terms and conditions of the Creative Commons Attribution (CC BY) license (http://creativecommons.org/licenses/by/4.0/).
Share and Cite
Kim, M.-S.; Yang, Y.; Koo, H.; Oh, H. The Demonstration of S2P (Serial-to-Parallel) Converter with Address Allocation Method Using 28 nm CMOS Technology. Appl. Sci. 2021, 11, 429. https://doi.org/10.3390/app11010429
Kim M-S, Yang Y, Koo H, Oh H. The Demonstration of S2P (Serial-to-Parallel) Converter with Address Allocation Method Using 28 nm CMOS Technology. Applied Sciences. 2021; 11(1):429. https://doi.org/10.3390/app11010429
Chicago/Turabian StyleKim, Min-Su, Youngoo Yang, Hyungmo Koo, and Hansik Oh. 2021. "The Demonstration of S2P (Serial-to-Parallel) Converter with Address Allocation Method Using 28 nm CMOS Technology" Applied Sciences 11, no. 1: 429. https://doi.org/10.3390/app11010429
APA StyleKim, M.-S., Yang, Y., Koo, H., & Oh, H. (2021). The Demonstration of S2P (Serial-to-Parallel) Converter with Address Allocation Method Using 28 nm CMOS Technology. Applied Sciences, 11(1), 429. https://doi.org/10.3390/app11010429

