Optimum Layout of Low Power LC-Based Digitally Controlled Oscillator for Bluetooth Low Energy in a 4G/5G LTE System
Abstract
1. Introduction
2. Layout Issues of Low-Power LC-Based DCO
2.1. Determine Location of gm Cell
2.2. Layout Method for High-Linear-Frequency Control
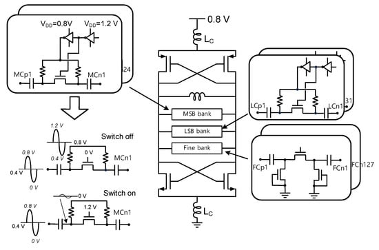
3. DCO Design
4. Implementation and Measurement Results
5. Conclusions
Author Contributions
Funding
Informed Consent Statement
Acknowledgments
Conflicts of Interest
References
- Gbadamosi, S.A.; Hancke, D.P.; Abu-Mahfouz, A.M. Building Upon NB-loT Networks: A Roadmap Towards 5G New Radio Networks. IEEE Access 2020, 8, 188641–188672. [Google Scholar] [CrossRef]
- Staszewski, R.B.; Leipold, D.; Muhammad, K.; Balsara, P.T. Digitally controlled oscillator (DCO)-based architecture for RF frequency synthesis in a deep-submicrometer CMOS process. IEEE Trans. Circuits Syst. II 2003, 50, 815–828. [Google Scholar] [CrossRef]
- Yoo, S.-S.; Choi, Y.-C.; Song, H.-J.; Park, S.-C.; Park, J.-H.; Yoo, H.-J. A 5.8-GHz high-frequency resolution digitally controlled oscillator for using the difference between inversion and accumulation mode capacitance of pMOS varactors. IEEE Trans. Microw. Theory Tech. 2011, 59, 375–382. [Google Scholar] [CrossRef]
- Wang, Z.; Wu, H.; Wang, X.; Shi, M.; Hu, S.; Guo, Y.; Cai, Z. A 0.5–0.7 V LC digitally controlled oscillator based on a Multi-Stage capacitance shrinking technique. MDPI Electron. 2019, 8, 1336. [Google Scholar] [CrossRef]
- Yao, C.-W.; Willson, A.L. A 2.8-3.2-GHz fractional-N digital PLL with ADC-assisted TDC and inductively coupled fine-tuning DCO. IEEE J. Solid-State Circuits 2013, 48, 698–710. [Google Scholar] [CrossRef]
- Issakov, V.; Wojnowski, M.; Knoblinger, G.; Fulde, M.; Pressel, K.; Sommer, G. A 5.9-to-7.8 GHz VCO in 65 nm CMOS using high-Q inductor in an embedded wafer level BGA package. IEEE MTT-S Int. Microw. Symp. Dig. 2011, 1–4. [Google Scholar] [CrossRef]
- Jhon, H.; Kim, M.; Kang, M. Cost-effective 4 GHz VCO using only miniature spirals realized in a 0.18 µm CMOS process for wireless sensor network (WSN) applications. MDPI Electron. 2019, 8, 1369. [Google Scholar] [CrossRef]
- Yoo, S.-S.; Lee, K.-Y. Design of 0.68-mW LC-based digitally controlled oscillator (DCO) for Bluetooth Low Energy (BLE) transceiver. J. Semicond. Technol. Sci. 2017, 17, 611–620. [Google Scholar] [CrossRef]
- Yao, C.-W.; Ni, R.; Lau, C.; Wu, W.; Godbole, K.; Zuo, Y.; Ko, S.; Kim, N.-S.; Han, S.; Jo, I.; et al. A 14-nm 0.14-ps rms fractional-N digital PLL with a 0.2-ps resolution ADC-assisted coarse/fine-conversion chopping TDC and TDC nonlinearity calibration. IEEE J. Solid-State Circuits 2017, 52, 3446–3457. [Google Scholar] [CrossRef]
- Hung, C.M.; Staszewski, R.B.; Barton, N.; Lee, M.C.; Leipold, D. A digitally controlled oscillator system for SAW-less transmitters in cellular handsets. IEEE J. Solid-State Circuits 2006, 41, 1160–1170. [Google Scholar] [CrossRef]
- Yoo, S.-S.; Lee, K.-Y.; Yoo, H.-J. Coupling-shielded inductor for high isolation between PA and LC-based DCO. IEEE Electron Device Lett. 2017, 38, 24–27. [Google Scholar] [CrossRef]
- Lin, Z.; Mak, P.; Martins, R.P. A 2.4 GHz ZigBee receiver exploiting an RF-to-BB-Current-Reuse Blixer+Hybrid filter topology in 65 nm CMOS. IEEE J. Solid-State Circuits 2014, 49, 1333–1344. [Google Scholar] [CrossRef]
- Roy, A.G.; Dey, S.; Goins, J.B.; Fiez, T.S.; Mayaram, K. 350 mV, 5 GHz class-D enhanced swing differential and quadrature VCOs in 65 nm CMOS. IEEE J. Solid-State Circuits 2015, 50, 1833–1847. [Google Scholar]









| Parameter | NDCO | TDCO | AlDCO | JSSC 2014 [12] | JSSC 2015 [13] | |||
|---|---|---|---|---|---|---|---|---|
| Frequency (MHz) | 4750–5673 | 4746–5650 | 4551–5326 | 4450–7100 | 4400–5400 | |||
| Tuning range (%) | 17.8% | 17.4% | 15.6% | 45.8% | 20.4% | |||
| Current (mA) with 0.8 V supply voltage | 0.66 | 0.73 | 0.75 | N/A | N/A | |||
| PD * (mW) with 0.8 V supply voltage | 0.5 | 0.58 | 0.6 | 1.2 | 1.65 | |||
| Phase noise (dBc/Hz) at 4.8 GHz | −116 at 1 MHz | −114 at 1 MHz | −113.5 at 1 MHz | −104 at 1MHz | −120 at 1 MHz | |||
| FoM (dBc/Hz) | 192.6 | 190 | 189 | 180 | 193 | |||
| CMOS process | 55 nm | 65 nm | ||||||
| Area (mm2) | 0.07 | 0.06 | 0.19 | |||||
Publisher’s Note: MDPI stays neutral with regard to jurisdictional claims in published maps and institutional affiliations. |
© 2021 by the authors. Licensee MDPI, Basel, Switzerland. This article is an open access article distributed under the terms and conditions of the Creative Commons Attribution (CC BY) license (http://creativecommons.org/licenses/by/4.0/).
Share and Cite
Kim, M.-S.; Yoo, S.-S. Optimum Layout of Low Power LC-Based Digitally Controlled Oscillator for Bluetooth Low Energy in a 4G/5G LTE System. Appl. Sci. 2021, 11, 1059. https://doi.org/10.3390/app11031059
Kim M-S, Yoo S-S. Optimum Layout of Low Power LC-Based Digitally Controlled Oscillator for Bluetooth Low Energy in a 4G/5G LTE System. Applied Sciences. 2021; 11(3):1059. https://doi.org/10.3390/app11031059
Chicago/Turabian StyleKim, Min-Su, and Sang-Sun Yoo. 2021. "Optimum Layout of Low Power LC-Based Digitally Controlled Oscillator for Bluetooth Low Energy in a 4G/5G LTE System" Applied Sciences 11, no. 3: 1059. https://doi.org/10.3390/app11031059
APA StyleKim, M.-S., & Yoo, S.-S. (2021). Optimum Layout of Low Power LC-Based Digitally Controlled Oscillator for Bluetooth Low Energy in a 4G/5G LTE System. Applied Sciences, 11(3), 1059. https://doi.org/10.3390/app11031059

