Direct Tensile Test Method for Shotcrete
Abstract
1. Introduction
1.1. Relevance of the Study
- (a)
- Design-related errors:
- (a.1)
- Errors in geotechnical investigations during the design phase of construction projects (especially in determining the parameters of the site’s engineering and geological conditions);
- (a.2)
- Errors in the analytical validation of the strength, deformability, and reliability of load-bearing structures, including issues in idealizing structural elements when forming analytical models in design software, and misinterpretation of analytical results;
- (a.3)
- Errors in structural detailing. Common problems in reinforced concrete structures include incorrect solutions for transverse reinforcement of columns and beams, resulting in inadequate load-bearing capacity under shear forces (e.g., improper transverse reinforcement layout, unconventional reinforcement, and detailing solutions);
- (b)
- Construction-related errors:
- (c)
- Damage due to improper operation of the structure or the building as a whole:
- (c.1)
- Operation leading to material weathering, corrosion of structural materials, or other processes that degrade the structure;
- (c.2)
- Operation of the building in violation of design specifications, including exceeding the design loads, which alters the stress–strain state of the structures, causing stress levels in certain elements to surpass the designed thresholds;
- (c.3)
- Changes in the mechanical properties of foundation soils due to failure to implement design solutions for surface water drainage, resulting in uneven settlement of foundations and non-design deformations in structures above the foundation;
- (d)
- Accidental impacts, including climatic and seismic events:
- (a)
- Modification of the structural system:
- (b)
- Localized strengthening of individual elements:
- The creation of an external reinforcing element with higher strength characteristics, relative to the original structure, helps restore broken connections between the masonry’s base materials by incorporating the strengthening element (overlay) into the combined load-bearing system;
- A key requirement in implementing an external reinforcement structure using shotcrete or fiber-reinforced shotcrete is ensuring the integrated performance of the reinforcing element and the structure being strengthened;
- The degree of increase in load-bearing capacity of the existing damaged structure is determined by the strength characteristics of the reinforcing element and the adhesive strength characteristics of the interaction between the reinforcing element and the structure being strengthened.
1.2. Testing Methods

- Tensile strength is shown as independent of aggregate size, which may be insufficiently justified for standardizing shotcrete characteristics;
- It is likely that an error accumulates in determining the tensile strength of shotcrete as compressive strength increases;
- For shotcrete with strength above B50, data on the modulus of elasticity are not available;
- Using the table’s data to determine the characteristics of fiber-reinforced shotcrete is not feasible due to the substantial impact and variability of dispersed reinforcement distribution within the material.
- (A)
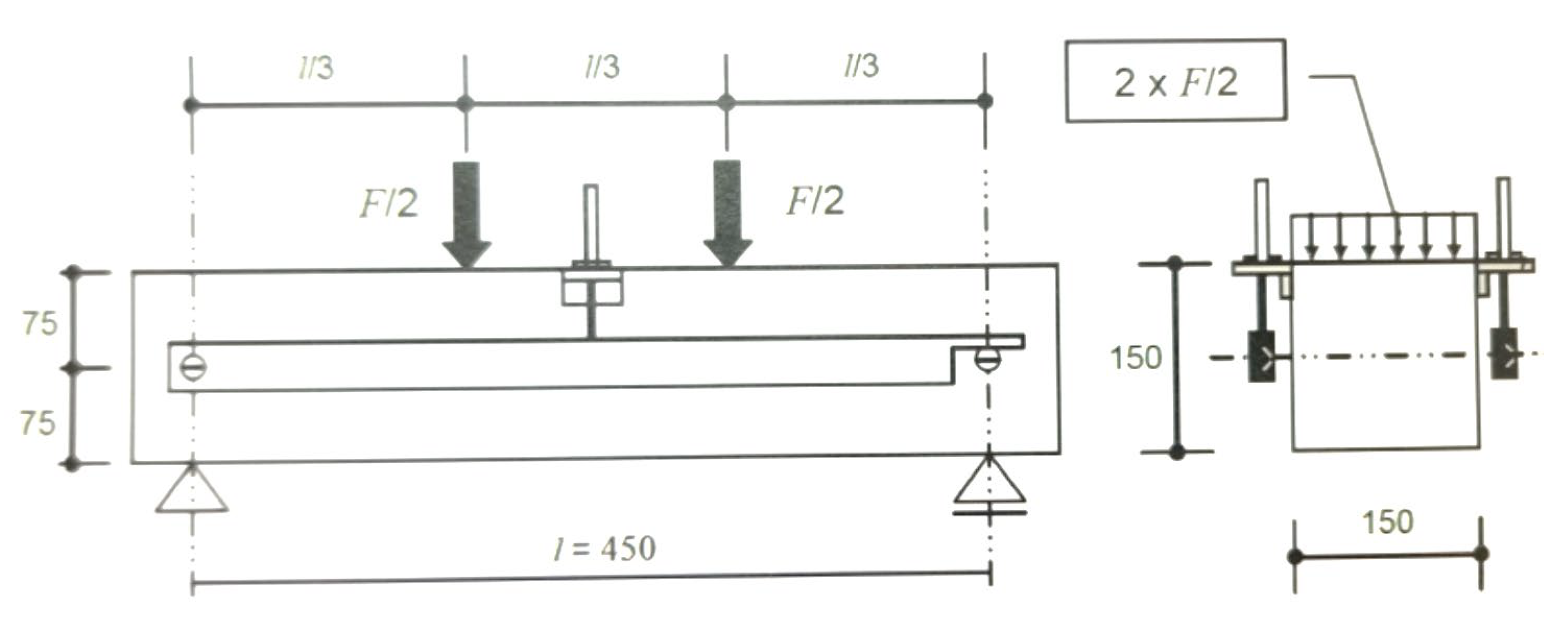
- Testing notched beam specimens under concentrated load (Figure 6).
- (B)
- Testing notched beam specimens under moment in a normal section (Figure 7).

- (C)
- Testing fiber-reinforced concrete (including shotcrete and fiber-reinforced shotcrete) in tension under flexure using a round panel with a centrally applied load.
- Existing “tensile” testing methods employ indirect (secondary) testing approaches, and the obtained tensile strength values of concrete depend on both the testing method and the specimen material characteristics;
- Strength characteristics are calculated using formulas with empirical coefficients, whose values depend on the testing method, which imposes certain limitations on the applicability of the above methods;
- Analysis of test results using existing methods shows a low level of reliability, leading to the application of high variation coefficient.
2. Materials and Methods
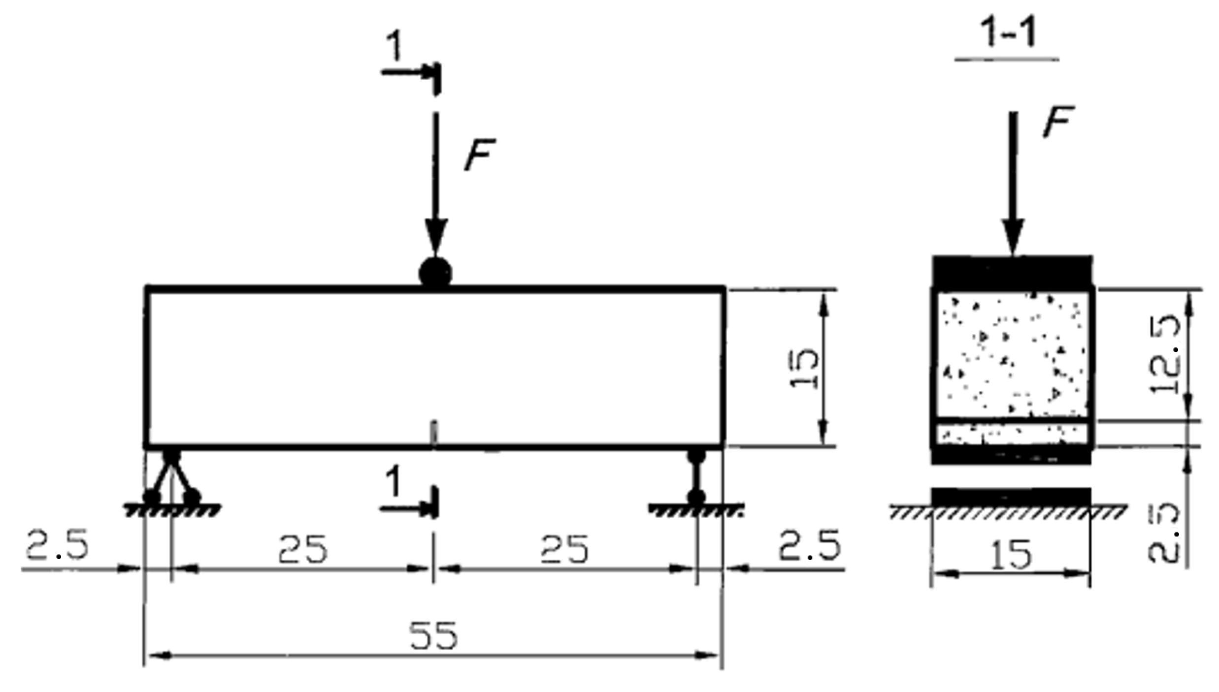
2.1. Specimens
- Visual inspection for defects (cracks, discontinuities, etc.);
- Internal integrity assessed by ultrasonic testing;
- Fiber distribution pattern within the volume (evaluated after specimen failure during testing).
2.2. Testing Procedure
- the use of micro-notches to initiate failure at a specific location on the specimen was abandoned;
- Special support “cups” (Figure 13) with an expanded bonding area were prepared for gripping the specimens, secured with adhesive.
3. Results
4. Discussion
- Compressive strength;
- Tensile strength;
- Initial modulus of elasticity in compression, as well as its variation considering the addition of discrete reinforcement and the level of loading;
- Initial tensile modulus of elasticity of shotcrete (especially crucial for fiber-reinforced concretes). It is also important to understand the modulus of elasticity’s variation at different stress levels.
5. Conclusions
- a.
- The necessity of determining the tensile strength of shotcrete and fiber-reinforced shotcrete through direct testing (without using indirect methods) is substantiated, as it aligns with the material’s behavior when reinforcing structures under biaxial stress conditions (as confirmed by tests on field specimens). Given the good reproducibility of test results, it is possible to develop a methodology for predicting the properties of fiber-reinforced shotcrete based on the type and percentage of reinforcement. This will be implemented as sufficient statistical data are accumulated for various compositions.
- b.
- A testing methodology has been developed to directly determine concrete strength, with recommended specimen dimensions that minimize the influence of eccentricity, resulting in failure along a normal section.
- c.
- The application of methods to determine the initial modulus of elasticity of shotcrete by compressive strength testing is justified. However, the initial modulus of elasticity of fiber-reinforced shotcrete, as well as the stress–strain diagram, should be verified through testing for each specific composition.
Author Contributions
Funding
Institutional Review Board Statement
Informed Consent Statement
Data Availability Statement
Conflicts of Interest
References
- Simakov, O.A. Analysis of Factors Causing the Need for Strengthening of Reinforced Concrete Constructions. Build. Reconstr. 2019, 1, 76–84. [Google Scholar] [CrossRef]
- Metodika Otsenki i Sertifikatsii Inzhenernoy Bezopasnosti Zdaniy i Sooruzheniy, MCHS Rossii. FTS Nauki i Vysokikh Tekhnologiy “VNII GOCHS [Methodology for the Assessment and Certification of Engineering Safety of Buildings and Structures, EMERCOM of Russia. FC of Science and High Technologies “VNII GOCHS”], Moscow. 2003. Available online: https://files.stroyinf.ru/Data2/1/4293831/4293831920.htm?ysclid=m320i770md8785211 (accessed on 25 February 2003).
- Volkov, A.S.; Dmitrenko, E.A.; Korsun, A.V. The Influence of Construction Defects on Bearing Capacity of Reinforced Concrete Constructions of a Frame Monolithic Building. Constr. Unique Build. Struct. 2015, 2, 45–56. [Google Scholar]
- Zolotozubov, D.G.; Mukhin, K.O. Problemy Usileniya i Rekonstruktsii Butovykh Fundamentov Pri Pereustroystve Podvalov Zhilykh Zdaniy [Problems of Strengthening and Reconstruction of Rubble Foundations in the Reorganization of Basements of Residential Buildings]. Vestnik Permskogo natsionalnogo issledovatelskogo politekhnicheskogo universiteta. Stroit. Arkhitektura 2015, 2, 75–91. [Google Scholar]
- Orlovich, R.; Mantegatstsa, D.; Naychuk, A.; Derkach, V. Sovremennyye Sposoby Remonta i Usileniya Kamennykh Konstruktsiy [Modern methods of repair and strengthening of stone structures]. Arkhitektura Dizayn I Stroit. 2010, 1, 86–87. [Google Scholar]
- Tamrazyan, A.G. Concrete and Reinforced Concrete: Problems and Prospects. Promyshlennoye Grazhdanskoye Stroit. 2014, 7, 51–54. [Google Scholar]
- Kabantsev, O.V.; Tamrazyan, A.G. Modeling Elastoplastic Deformation Masonry Under Biaxial Stresses. Int. J. Comput. Civ. Struct. Eng. 2015, 3, 87–100. [Google Scholar]
- Cajamarca-Zuniga, D.; Kabantsev, O. Particular Strength Criteria for Microstructural Analysis of Masonry. Key Eng. Mater. 2023, 959, 185–195. [Google Scholar] [CrossRef]
- Tonkikh, G.P.; Kabantsev, O.V.; Simakov, O.A.; Simakov, A.B.; Baev, S.M.; Panfilov, P.S. Experimental study of seismic strengthening of masonry exterior concrete applications. Earthquake-resistant construction. Saf. Constr. 2011, 2, 35–41. [Google Scholar]
- Tonkikh, G.H.; Kabantsev, O.V.; Simakov, O.A.; Simakov, A.B.; Bayev, S.M. Increase of Seismic Resistance Of Masonry Structures By One-Sided Applications From Shotcrete. Airpt. Adv. Technol. 2011, 3, 23–37. [Google Scholar]
- Shedid, M.T.; El-Dakhakhni, W.W.; Drysdale, R.G. Behavior of Fully Grouted Reinforced Concrete Masonry Shear Walls Failing in Flexure: Analysis. J. Eng. Struct. 2009, 31, 2032–2044. [Google Scholar] [CrossRef]
- Haach, V.G.; Vasconcelos, G.; Lourenço, P.B. Experimental Analysis of Reinforced Concrete Block Masonry Walls Subjected to in-Plane Cyclic Loading. J. Struct. Eng. 2010, 136, 452–462. [Google Scholar] [CrossRef]
- Kabantsev, O.; Simakov, O. Repair of Masonry after Dynamic Impacts. Calculation and Design Methods. Int. J. Comput. Civ. Struct. Eng. 2023, 19, 48–68. [Google Scholar] [CrossRef]
- SP 63 13330.2018; Concrete and Reinforced Concrete Structures. General Provisions. Official Edition. Standartinform; Ministry of Construction and Housing and Communal Services of the Russian Federation: Moscow, Russia, 2019. Available online: https://docs.cntd.ru/document/554403082 (accessed on 20 June 2019).
- C192/C192M-18; Making and Curing Concrete Test Specimens in the Laboratory. ASTM International: West Conshohocken, PA, USA, 2018.
- EN 14651:2005+A1:2007; Test Method for Metallic Fibered Concrete—Measuring the Flexural Tensile Strength [Limit of Proportionality (LOP) Residual], NEQ. Slovenian Institute for Standardization: Ljubljana, Slovenia, 2005.
- ASTM C1609-10; Standard Test Method for Flexural Performance of Fiber-Reinforced Concrete (Using Beam with Third-Point Loading). ASTM International: West Conshohocken, PA, USA, 2010.
- ASTM C1550-10; Standard Test Method for Flexural Toughness of Fiber Reinforced Concrete (Using Centrally Loaded Round Panel). ASTM: West Conshohocken, PA, USA, 2010.
- D1557-12; Standard Test Methods for Laboratory Compaction Characteristics of Soil Using Modified Effort (56,000 ft-lbf/ft3 (2700 kN-m/m3)). ASTM International: West Conshohocken, PA, USA, 2012.
- Yang, G.; Cheng, F.; Zuo, S.; Zhang, J.; Xu, Y.; Hu, Y.; Hu, X.; Wei, Y.; Gou, G. Constructing Quasi-Vertical Fiber Bridging Behaviors of Aramid Pulp at Interlayer of Laminated Basalt Fiber Reinforced Polymer Composites to Improve Flexural Performances. Chin. J. Aeronaut. 2023, 36, 477–488. [Google Scholar] [CrossRef]
- Yildizel, S.A.; Tayeh, B.A.; Uzun, M. The Evaluation of Calcium Carbonate Added and Basalt Fiber Reinforced Roller Compacted High Performance Concrete for Pavement. Case Stud. Constr. Mater. 2022, 17, e01293. [Google Scholar] [CrossRef]
- Yao, J.; Ge, Y.; Ruan, W.; Meng, J. Effects of PVA Fiber on Shrinkage Deformation and Mechanical Properties of Ultra-High Performance Concrete. Constr. Build. Mater. 2024, 417, 135399. [Google Scholar] [CrossRef]
- Min, W.L.; Jin, W.L.; He, X.Y.; Wu, R.J.; Chen, K.Y.; Chen, J.J.; Xia, J. Experimental Study on the Flexural Fatigue Performance of Slag/Fly Ash Geopolymer Concrete Reinforced with Modified Basalt and PVA Hybrid Fibers. J. Build. Eng. 2024, 94, 109917. [Google Scholar] [CrossRef]
- Rao, L.; Wang, L.; Zheng, Y. Experimental Research on Mechanical Properties and Compression Constitutive Relationship of PVA Fiber-Reinforced Coral Concrete. Materials 2022, 15, 1762. [Google Scholar] [CrossRef]
- Ali, B.; Raza, S.S.; Hussain, I.; Iqbal, M. Influence of Different Fibers on Mechanical and Durability Performance of Concrete with Silica Fume. Struct. Concr. 2021, 22, 318–333. [Google Scholar] [CrossRef]
- Gholampour, A.; Danish, A.; Ozbakkaloglu, T.; Yeon, J.H.; Gencel, O. Mechanical and Durability Properties of Natural Fiberreinforced Geopolymers Containing Lead Smelter Slag and Waste Glass Sand. Constr. Build. Mater. 2022, 352, 129043. [Google Scholar] [CrossRef]
- Jawheer, A.A.; Mansoor, Y.A.; Al-Hadithi, A.I.; Hamad, O.A. Fuzzy Logic Progress to Predict of Mechanical Properties for Shotcrete Concrete Contianing Waste Plastic. In Proceedings of the 2021 14th International Conference on Developments in eSystems Engineering (DeSE), Sharjah, United Arab Emirates, 7–10 December 2021; pp. 566–570. [Google Scholar]
- Shah, S.A.; Gul, M.A.; Naqash, T.; Khan, Z.; Rizwan, M. Effects of Fiber Reinforcements on the Strength of Shotcrete. Civ. Eng. Archit. 2021, 9, 176–183. [Google Scholar] [CrossRef]
- Al-Hadithi, A.I.; Abbas, M.A. Innovative Technique of Using Carbon Fibre Reinforced Polymer Strips for Shear Reinforcement of Reinforced Concrete Beams with Waste Plastic Fibres. Eur. J. Environ. Civ. Eng. 2021, 25, 516–537. [Google Scholar] [CrossRef]
- Hossain, M.S.; Han, S.; Kim, S.K.; Yun, K.K. Long-Term Effect of Accelerator Content on Flexural Toughness of Steel Fiber Reinforced Shotcrete for Tunnel Construction. Case Stud. Constr. Mater. 2021, 15, e00706. [Google Scholar] [CrossRef]
- GOST 10180-2012; Concretes: Methods for Strength Determination Using Reference Specimens. International Standard: Moscow, Russia, 2012.
- GOST 24452-2023; Concretes: Methods of Prismatic Compressive Strength, Modulus of Elasticity, and Poisson’s Ratio Determination. Interstate Council for Standardization, Metrology and Certification: Moscow, Russia, 2023.
















| Concrete | Prism Compressive Strength (for 150 × 150 × 600 mm Prisms), MPa | Tensile Strength, MPa | Compressive Modulus of Elasticity, MPa × 10−3 | Tensile Modulus of Elasticity, MPa × 10−3 |
|---|---|---|---|---|
| B20 | 15.0 | 1.35 | 27.5 | 27.5 |
| Same, fine-grained | 15.0 | 1.35 | 22.0 | 22.0 |
| B30 | 22.0 | 1.75 | 32.5 | 32.5 |
| Same, fine-grained | 22.0 | 1.75 | 26.0 | 26.0 |
| B40 | 29.0 | 2.1 | 36.0 | 36.0 |
| Same, fine-grained | 29.0 | 2.1 | 28.5 | 28.5 |
| B50 | 36.0 | 2.45 | 38.0 | 38.0 |
| Same, fine-grained | 36.0 | 2.45 | - | - |
| B60 | 43.0 | 2.75 | 39.5 | 39.5 |
| Same, fine-grained | 43.0 | 2.75 | - | - |
| Mix | Strength, MPa | Corresponding Strength Class | Modulus of Elasticity, MPa |
|---|---|---|---|
| 1 Shotcrete | 60 | B45 | 28.0 × 103 |
| 2 Fiber-Reinforced Shotcrete (Mix 2) | 68 | B50 | 29.7 × 103 |
| 3 Shotcrete with Polymer Fibers (Mix 3) | 42 | B30 | 26.2 × 103 |
| Mix | Actual Modulus of Elasticity, MPa | Modulus of Elasticity from Tables [14], MPa | Deviation, % |
|---|---|---|---|
| 1 Shotcrete | 28.0 × 103 | 28.5 × 103 | 1.78 |
| 2 Fiber-Reinforced Shotcrete (Mix 2) | 29.7 × 103 | - | - |
| 3 Shotcrete with Polymer Fibers (Mix 3) | 26.2 × 103 | 26 × 103 | 0.8 |
| Diameter | Tensile Strength | Average Value | Note |
|---|---|---|---|
| 32 | 2.32 | 2.41 | Failure along a Normal Section (Figure 17) |
| 2.54 | |||
| 2.39 | |||
| 2.41 | |||
| 2.4 | |||
| 40 | 2.65 | 2.48 | Failure along a Normal Section (Figure 17) |
| 2.42 | |||
| 2.55 | |||
| 2.39 | |||
| 2.4 | |||
| 50 | 1.4 | 1.57 | Failure along an Inclined Section |
| 1.55 | |||
| 1.2 | |||
| 1.6 | |||
| 2.1 | |||
| 82 | 1.9 | 1.48 | Failure along an Inclined Section |
| 2.2 | |||
| 1.1 | |||
| 0.8 | |||
| 1.4 |
| Specimen Characteristics | Tensile Strength from Test Results, MPa | Tensile Strength Based on Compressive Strength Data, MPa | Deviation, % |
|---|---|---|---|
| Specimens Ø32 mm | 2.41 | 2.1 | 14.7 |
| Specimens Ø40 mm | 2.48 | 2.1 | 18.1 |
| Methodology | Determination of Modulus of Elasticity | Note |
|---|---|---|
| USSR | B—Concrete Class | |
| Russian Federation | ||
| Canada | f′c—Specified Cylindrical Strength | |
| USA |
Disclaimer/Publisher’s Note: The statements, opinions and data contained in all publications are solely those of the individual author(s) and contributor(s) and not of MDPI and/or the editor(s). MDPI and/or the editor(s) disclaim responsibility for any injury to people or property resulting from any ideas, methods, instructions or products referred to in the content. |
© 2024 by the authors. Licensee MDPI, Basel, Switzerland. This article is an open access article distributed under the terms and conditions of the Creative Commons Attribution (CC BY) license (https://creativecommons.org/licenses/by/4.0/).
Share and Cite
Kabancev, O.V.; Simakov, O.A. Direct Tensile Test Method for Shotcrete. Buildings 2024, 14, 3713. https://doi.org/10.3390/buildings14123713
Kabancev OV, Simakov OA. Direct Tensile Test Method for Shotcrete. Buildings. 2024; 14(12):3713. https://doi.org/10.3390/buildings14123713
Chicago/Turabian StyleKabancev, Oleg V., and Oleg A. Simakov. 2024. "Direct Tensile Test Method for Shotcrete" Buildings 14, no. 12: 3713. https://doi.org/10.3390/buildings14123713
APA StyleKabancev, O. V., & Simakov, O. A. (2024). Direct Tensile Test Method for Shotcrete. Buildings, 14(12), 3713. https://doi.org/10.3390/buildings14123713

