Analysis of the Performance of Natural Composite Materials Reinforced with Sago Sheath Fibers as an Alternative Material in Overcoming the Effect of Urban Heat Islands on Buildings
Abstract
:1. Introduction
2. Materials and Methods
2.1. Materials
2.2. Specimen Preparation
2.3. Testing Method
2.3.1. Impact Test
2.3.2. DSC Test
3. Results
3.1. Impact Test Results
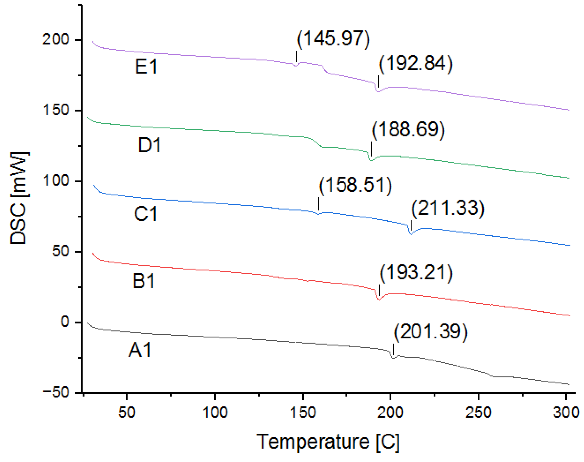
3.2. DSC Test Results
4. Discussion
4.1. Impact Test
4.1.1. Variation in
4.1.2. Variation in Resin–Catalyst Matrix
4.2. DSC Test
4.2.1. Variation in
4.2.2. Variation in Resin–Catalyst Matrix
5. Conclusions
Author Contributions
Funding
Data Availability Statement
Acknowledgments
Conflicts of Interest
Abbreviations
| Chemical formula of sodium hydroxide | |
| Chemical formula of water |
References
- Lo, C.P.; Quattrochi, D.A. Land-Use and Land-Cover Change, Urban Heat Island Phenomenon, and Health Implications: A Remote Sensing Approach. Am. Soc. Photogramm. Remote Sens. 2003, 69, 1053–1063. [Google Scholar] [CrossRef]
- Chen, X.L.; Zhao, H.M.; Li, P.X.; Yin, Z.Y. Remote sensing image-based analysis of the relationship between urban heat island and land use/cover changes. Remote Sens. Environ. 2006, 104, 133–146. [Google Scholar] [CrossRef]
- Dararat, K.; Shobhakar, D. Time series analysis of land use and land cover changes related to urban heat island intensity: Case of Bangkok Metropolitan Area in Thailand. J. Urban Manag. 2020, 9, 383–395. [Google Scholar]
- Asniawaty, K.; Sherly, A. Pelepah Sagu sebagai Material Akustik Alternatif. Temu Ilm. Ikat. Peneliti Lingkung. Binaan Indones. 2017, 6, 55–60. [Google Scholar]
- Yuspian, G.; Prinob, A.; La, O.I. Analisa pengaruh ukuran diameter serat tangkai sagu terhadap sifat mekanik pada material komposit. ENTHALPY J. Ilm. Mhs. Tek. Mesin 2016, 2, 62–67. [Google Scholar]
- Arthur, Y.L. Pengaruh fraksi volume serat ampas empulur sagu terhadap kekuatan bending dan impak pada komposit bermatrik polyester. Arika 2016, 10, 147–156. [Google Scholar]
- Nevada, M.N.; Wahyono, S.; Rudy, S. Pengaruh fraksi volume serat empulur sagu (metroxylon sp) dan presentase alkali terhadap pengujian impak serta absorpsi air pada komposit berserat sagu. J. Rekayasa Mesin 2018, 9, 163–168. [Google Scholar]
- Agus, S.; Dody, Y. Utilization of sagu tree for fiber waste making biocomposite. J. REM (Renew. Energy Mech.) 2020, 3, 22–31. [Google Scholar]
- Budiawan, S.; Rakhmawati, N. Serat Pelepah Sagu Sebagai Alternatif Pengganti Serat Sintesis Fiberglass. Pena Tek. J. Ilm. Ilmu-Ilmu Tek. 2021, 6, 14–23. [Google Scholar]
- Muhammad, Z.U.; Muhammad, A. Prinsip-prinsip arsitektur berkelanjutan pada material atap daun sagu. In Seminar Nasional Inovasi Dan Aplikasi Teknologi Di Industri; ITN, Malang. 2017. Available online: https://ejournal.itn.ac.id/index.php/seniati/article/view/1938 (accessed on 9 September 2022).
- Geoffrey, P. Reinforced Plastics Durability, 1st ed.; CRC Press: Boca Raton, FL, USA, 1999; pp. 11–12. [Google Scholar]
- Margolis, J.M. (Ed.) Engineering Thermoplastics–Properties and Applications; Marcel Dekker: New York, NY, USA, 1985. [Google Scholar]
- A Brent Strong, High Performance and Engineering Thermoplastic Composites; Technomic: Lancaster, PA, USA, 1993.
- Cassandra, L.; Pierre, B. Technical performance overview of bio-based insulation materials compared to expanded polystyrene. Buildings 2020, 10, 81–94. [Google Scholar]
- Xiangxiang, C.; Xudongxiang, C.; Andrew, C.; Yingyao, C.; Hongfan, W. A fdem parametric investigation on the impact fracture of monolithic glass. Buildings 2022, 12, 271–290. [Google Scholar]
- Wenchao, L.; Fusheng, W.; Min, Z.; Fusheng, L.; Yuzhao, J.; Qingfeng, W.; Hengan, L. Assessment and prediction model of gfrp bars’ durability performance in seawater environment. Buildings 2022, 12, 127–140. [Google Scholar]
- Norhaliza, H.; Hamidah, M.S.; Mohammad, H.B.; Abdul, R.M.S.; Iman, F.; Muhd, N.M.S.; Omrane, B.; Ghasan, F.H. A review on the use of self-curing agents and its mechanism in high-performance cementitious materials. Buildings 2022, 12, 152–179. [Google Scholar]
- Xinglong, Y.; Zhiyang, P.; Haoyuan, Z.; Qizhou, G.; Fupeng, W.; Shuo, W.; Yongcheng, J. Review of mechanical and temperature properties of fiber reinforced recycled aggregate concrete. Buildings 2022, 12, 1224–1248. [Google Scholar]
- Genbao, Z.; Zhiqing, D.; Runhong, Z.; Changfu, C.; Guihai, F.; Xiao, L.; Yufei, W.; Chao, Z. Combined utilization of construction and demolition waste and propylene fiber in cement-stabilized soil. Buildings 2022, 12, 350–367. [Google Scholar]
- Romain, M.; Yves, P.; Alain, B.; Peter, D.; Christophe, B. Seawater ageing of low styrene emission resins for marine composites: Mechanical behaviour and nano-indentation studies. Compos. Part A 2009, 40, 1024–1032. [Google Scholar]
- Autar, K.K. Mechanics of Composite Materials, 2nd ed.; Taylor & Francis: Boca Raton, FL, USA, 2006; pp. 33–34. [Google Scholar]
- Ho, D. Effect of Chain Length on the Retention of Polyester Mechanical Properties in Water. MPhil Thesis, Kingston Polytechnic, Kingston upon Thames, Abington Cambridge, UK, 1983. [Google Scholar]
- Wang, R.-M.; Zheng, S.-R.; Zheng, Y.-P. Polymer Matrix Composites and Technology, 1st ed.; Woodhead Publishing Limited: Hong Kong, China, 2011; pp. 3–4. [Google Scholar]
- Han, W.; Guiyuan, X.; Minghe, F.; Zhe, Y.; Yu, T.; You, Z. Electrical and mechanical properties of antistatic PVC films containing multi-layer graphene. Compos. Part B 2015, 79, 444–450. [Google Scholar]
- Naresh, K.; Shankar, K.; Rao, B.S.; Velmurugan, R. Effect of high strain rate on glass/carbon/hybrid fiber reinforced epoxy laminated composites. Compos. Part B 2016, 100, 125–135. [Google Scholar] [CrossRef]
- Mardiyati. Polymer composite as ballistic-resistant material. J. Inov. Pertahanan Dan Keamanan 2018, 1, 20–28. [Google Scholar] [CrossRef]
- Prabina, K.P.; Priyadarshi, T.R.S.; Srimant, K.M.; Abhilash, P.; Sandhyarani, B. Recent developments on characterization of needle-punched nonwoven fabric reinforced polymer composites—A review. Mater. Today Proc. 2020, 26, 466–470. [Google Scholar]
- Arun, M.; Vincent, S.; Karthikeyan, R. Development and characterization of sisal and jute cellulose reinforced polymer composite. Mater. Today Proc. 2019, 28, 556–561. [Google Scholar] [CrossRef]
- Dong, C.; Kuaikuai, L.; Zhiyang, Y.; Baoquan, C.; Xing, K. Shear behavior of FRP connectors in precast sandwich insulation wall panels. Buildings 2022, 12, 1095–1114. [Google Scholar]
- Gloria, S.T.; Phebe, V. Development of coconut midrib application as applied interior for school of lentera harapan rote. J. Strateg. DesainInov. Sos. 2020, 2, 16–44. [Google Scholar]
- Eqitha, D.C.; Lizda, J.M. Pembuatan dan karakteristik komposit polimer berpenguat bagasse. J. Tek. Pomits 2013, 2, F-208–F-213. [Google Scholar]
- Faidliyah, N.M.; Siswi, A.; Endah, K.R. Karakterisasi material komposit polimer polistyrene dan serat tebu. Karakter. Mater. Komposit Polim. 2017, 7, 1–6. [Google Scholar]
- Rizki, W.; Akhiruddin, S. Pembuatan dan karakterisasi plafon dari serbuk ampas tebu dengan perekat poliester. St. Fis. (JSF) 2013, 1, 1–6. [Google Scholar]
- Yashinta, I.P.H.; Mukhlis, A.; Diana, S.S. Kajian rumah gaba-gaba (rumah material dinding dari pelepah sagu) di perkotaan merauke: Sambungan dinding, potensi, dan tantangan pelestarian. J. Arsit. NALARs 2022, 21, 35–44. [Google Scholar]
- Melsiani, R.F.S.; Fransisko, P.N. Kajian sifat tarik serat pelepah lontar dengan singular fiber tensile testing methode. J. Mettek 2018, 4, 8–15. [Google Scholar]
- Parinya, C.; Wichit, P.; Pitcharat, I.; Nutthita, C.; Edward, A.L.; Nuntaporn, K. Properties and performance of the basalt-fiber reinforced texture roof tiles. Case Stud. Constr. Mater. 2020, 13, e00444. [Google Scholar]
- Elanchezhian, C.; Ramnath, B.V.; Ramakrishnan, G.; Rajendrakumar, M.; Naveenkumar, V.; Saravanakumar, M.K. Review on mechanical properties of natural fiber composites. Mater. Today Proc. 2018, 5, 1785–1790. [Google Scholar] [CrossRef]
- Mariateresa, G.; Giuseppe, F. Simplified design of masonry ring-beams reinforced by flax fibers for existing buildings retrofitting. Buildings 2020, 10, 12–17. [Google Scholar]
- Qudeer, H.; Anat, R.; Panuwat, J.; Anil, C.W. Shear enhancement of RC beams using low-cost natural fiber rope reinforced polymer composites. Buildings 2022, 12, 602–624. [Google Scholar]
- Suniti, S.; Nazam, A.; Ahmed, W.A.Z.; Krisada, C.; Muhammad, U.R.; Ekkachai, Y.; Qudeer, H.; Panuwat, J. Axial load enhancement of lightweight aggregate concrete (lac) using environmentally sustainable composites. Buildings 2022, 12, 851–868. [Google Scholar]
- Amini, M.H.M.; Hashim, R.; Hiziroglu, S.; Sulaiman, N.S.; Sulaiman, O. Properties of particleboard made from rubberwood using modified starch as binder. Compos. Part B: Eng. 2013, 50, 259–264. [Google Scholar] [CrossRef]
- Sandeep, B.N.; Buddha, K.; Ashok Raj, J.; Chandra Babu Naidu, K.; Manjunatha, M. Preparation and characterization using Tectona Grandis natural fiber for the green composite polymer matrix. Mater. Today Proc. 2021, 47, 3703–3710. [Google Scholar] [CrossRef]
- Meheddene, M.; Jamal, K.; Safaa, B.; Adel, E.; Joseph, J.A. The effect of adding phragmites australis fibers on the properties of concrete. Buildings 2022, 12, 278–291. [Google Scholar]
- Azma, P.; Muhammad, N.O.; Thaynan, O.; M’hamed, S.; Dg, H.K.; Irianto; Safarudin, H. Waste durian husk fibers as natural sound absorber: Performance and acoustic characterization. Buildings 2022, 12, 1112–1124. [Google Scholar]
- Naraindas, B.; Tafsirojjaman, T.; Yue, L.; Paul, A.; Aneel, K.; Manthar, A.K. Experimental Study on Engineering Properties of Cement Concrete Reinforced with Nylon and Jute Fibers. Buildings 2021, 11, 454–470. [Google Scholar]
- Anna, S.; Paulina, K. The impact of basalt components on the structure of bricks formed as a result of hydrothermal treatment. Buildings 2019, 9, 192–209. [Google Scholar]
- Simões, N.; Fino, R.; Tadeu, A. Uncoated medium density expanded cork boards for building façades and roofs: Mechanical, hygrothermal and durability characterization. Constr. Build. Mater. 2019, 200, 447–464. [Google Scholar] [CrossRef]
- Noorlaelasari, Y. Konstruksi Atap Bangunan Gedung; Politeknik Negeri Bandung: Bandung, Indonesian, 2010; Volume 54. [Google Scholar]
- Lestari, M.; Ridha, A. Pemanfaatan daun sagu sebagai bahan penutup atap dan dinding pada rumah rakyat di kalimantan barat, SEMINAR NASIONAL SCAN#4:2013, “Stone, Steel, and Straw” Building Materials and Sustainable Environment. 2013. Available online: http://digilib.mercubuana.ac.id/manager/t!@file_artikel_abstrak/Isi_Artikel_732586016997.pdf (accessed on 9 September 2022).
- Rezza, R. Impact strength analysis of polymer composite materials (PCM) fiber reinforced in the fiberboat application. Mater. Sci. Res. India 2020, 17, 170–178. [Google Scholar]
- Adhi, S.; Vivin, S.; Fitri, H.; Devina, P. Pengaruh treatment alkali terhadap karakteristik fiber sabut kelapa sawit dan pelepah pisang sebagai bahan komposit polimer. J. Res. Technol. 2019, 5, 117–127. [Google Scholar]
- Takeo, O. Thermal analysis—Review and prospect. Thermochim. Acta 2000, 355, 35–42. [Google Scholar]
- Jablonski, P.; Golloch, A.; Borchard, W. DSC-Measurements of amber and resin samples. Thermochim. Acta 1999, 333, 87–93. [Google Scholar] [CrossRef]

, smooth fracture surface;
, rough fracture surface. Strain rates are shown, 1 mm min-1.
, smooth fracture surface;
, rough fracture surface. Strain rates are shown, 1 mm min-1.












| Item | Score | Unit | Note |
|---|---|---|---|
| Specific Gravity | |||
| Viscosity | - | Poise, at | |
| Hardness | 40 | - | Barcol/GYZJ 934-1 |
| Water Absorption at | 0.188 | % | 24 h |
| 0.466 | % | 7 days | |
| Flexural Strength | 9.4 | - | |
| Flexural Modulus | 300 | - | |
| Range Power | 5.5 | - | |
| Young’s Modulus | 1.18 | GPa | - |
| Store Life at | Less than 6 | Months | - |
| Item | Score | Unit |
|---|---|---|
| Appearance | Clear, colorless liquid | |
| Phthalate Plasticizer | 55 ± 5 | % |
| Active Oxygen | 9.5–10.0 | % |
| Specific Gravity | 1.13 (at ) | |
| Soluble/Insoluble | Water, glycerin, petroleum | |
| Soluble | Esters, alcohols, ketones, ethers | |
| Thermal Stability SADT | 65 |
| Matrix Variation (%) | Variations in (%) | ||||
|---|---|---|---|---|---|
| Sample A1 | Sample B1 | Sample C1 | Sample D1 | Sample E1 | |
| (1) | (2) | (3) | (4) | (5) | (6) |
| (98.5:1.5) | 4 | 4.5 | 5 | 5.5 | 6 |
| Description | Percentage Matrix Variation (%) | |||||
|---|---|---|---|---|---|---|
| Sample A2 | Sample B2 | Sample C2 | Sample D2 | Sample E2 | ||
| (1) | (2) | (3) | (4) | (5) | (6) | (7) |
| (5) | Laminate List: | |||||
| Epoxy Resins | 99.5 | 99 | 98.5 | 98 | 97.5 | |
| Hardener | 0.5 | 1 | 1.5 | 2 | 2.5 | |
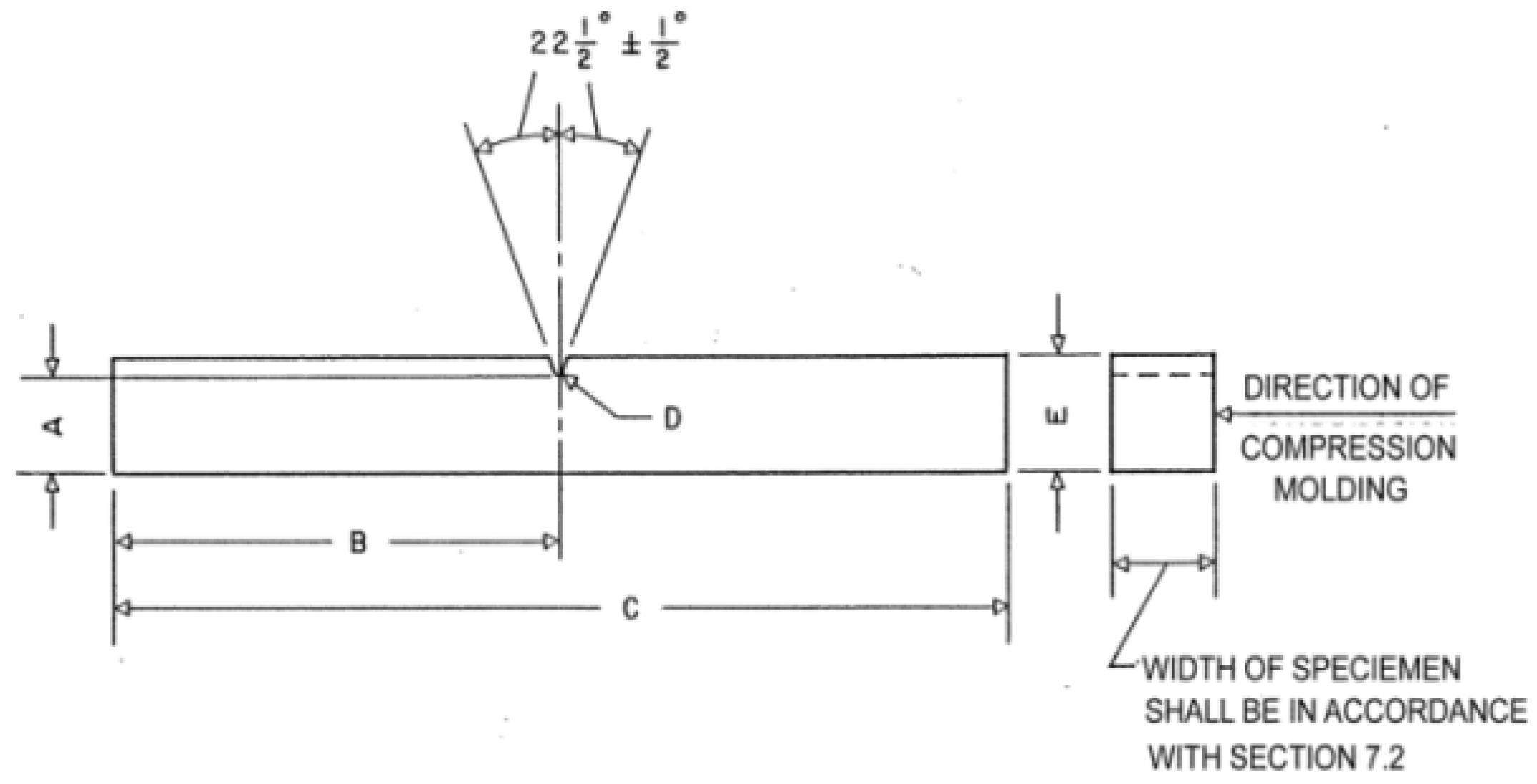
| Symbol | Size (mm) | Tolerance (mm) |
|---|---|---|
| (1) | (2) | (3) |
| A | 10.16 ± 0.05 | 0.400 ± 0.002 |
| B | 63.5 | 2.5 |
| 61.0 | 2.40 | |
| C | 127.0 | 5.00 |
| 124.5 | 4.00 | |
| D | 0.25 ± 0.05 | 0.010 ± 0.002 |
| E | 12.70 | 0.500 ± 0.006 |
Disclaimer/Publisher’s Note: The statements, opinions and data contained in all publications are solely those of the individual author(s) and contributor(s) and not of MDPI and/or the editor(s). MDPI and/or the editor(s) disclaim responsibility for any injury to people or property resulting from any ideas, methods, instructions or products referred to in the content. |
© 2022 by the authors. Licensee MDPI, Basel, Switzerland. This article is an open access article distributed under the terms and conditions of the Creative Commons Attribution (CC BY) license (https://creativecommons.org/licenses/by/4.0/).
Share and Cite
Maryanto, E.T.; Setyawan, A.; Maria, T.S.B.; Astuti, W. Analysis of the Performance of Natural Composite Materials Reinforced with Sago Sheath Fibers as an Alternative Material in Overcoming the Effect of Urban Heat Islands on Buildings. Buildings 2023, 13, 18. https://doi.org/10.3390/buildings13010018
Maryanto ET, Setyawan A, Maria TSB, Astuti W. Analysis of the Performance of Natural Composite Materials Reinforced with Sago Sheath Fibers as an Alternative Material in Overcoming the Effect of Urban Heat Islands on Buildings. Buildings. 2023; 13(1):18. https://doi.org/10.3390/buildings13010018
Chicago/Turabian StyleMaryanto, Eko Tavip, Ary Setyawan, Theresia Sri Budiastuti Maria, and Winny Astuti. 2023. "Analysis of the Performance of Natural Composite Materials Reinforced with Sago Sheath Fibers as an Alternative Material in Overcoming the Effect of Urban Heat Islands on Buildings" Buildings 13, no. 1: 18. https://doi.org/10.3390/buildings13010018
APA StyleMaryanto, E. T., Setyawan, A., Maria, T. S. B., & Astuti, W. (2023). Analysis of the Performance of Natural Composite Materials Reinforced with Sago Sheath Fibers as an Alternative Material in Overcoming the Effect of Urban Heat Islands on Buildings. Buildings, 13(1), 18. https://doi.org/10.3390/buildings13010018
