Effects of Mold Temperature on the Microstructure and Tensile Properties of Ti@(Al-Si-Ti)p/A356 Composite Prepared via Powder Thixoforming
Abstract
:1. Introduction
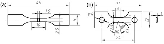
2. Materials and Methods
3. Results and Discussion
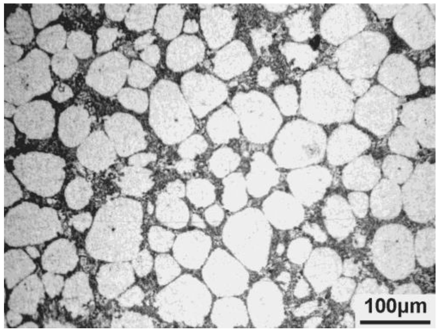
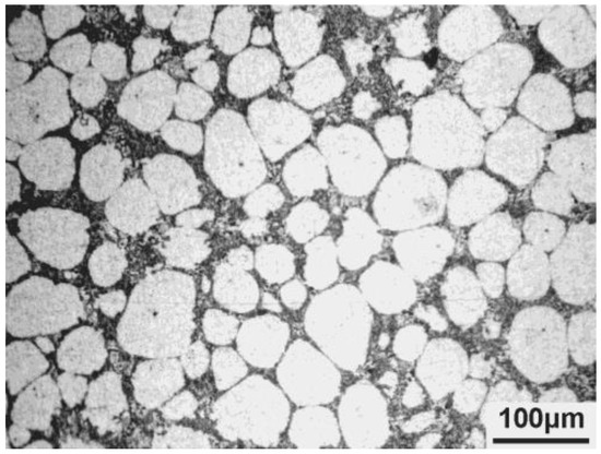
3.1. Effect on Microstructure
3.2. Effect on Tensile Properties
3.3. Fracture Process of the Reinforcements and Toughening Mechanism
4. Conclusions
- As the mold temperature rose, the primary α-Al particles coarsened and evolved into large-sized interconnected particles, due to the increased attachment growth of the secondarily primary α-Al phase and eutectic α-Al phase on the original primary particles. The core-shell structured Ti@(Al-Si-Ti)p tended to agglomerate, due to the impelling effect of the advancing interfaces of α-Al/liquid. Simultaneously, the eutectic Si phases coarsened and spheroidized. All of these changes were contributed to the decreased solidification rate.
- The tensile properties of the composite firstly increased as the mold temperature rose from 150 °C to 200 °C due mainly to the improvement of microstructure compactness and the spheroidization of eutectic Si phases, and then decreased resulting from the coarsening of both the primary particles and the eutectic Si phases, as well as the agglomeration of reinforcing particles and the deteriorated microstructure compactness. The composite thixoformed 200 °C has high tensile properties, especially an excellent elongation of 8.3%, which is higher than those of the existing as-fabricated Al3Tip/A356 matrix composites, and even the heat treated Al3Tip/A356 matrix composites.
- There were two failure modes for the core-shell structured reinforcements. One was the interface debonding either between the shell and the Ti core, or between the shell and the outside jagged structures. The other was the particle cracking across Ti core. In view of the fracture process of the reinforcements across Ti core, the excellent ductility of the composite was contributed to the decreased crack size in the shell and the delayed crack propagation by plastic deformation, and multiplication of secondary cracks in the Ti cores, which originated from the core-shell structure of the reinforcements.
Author Contributions
Funding
Acknowledgments
Conflicts of Interest
References
- Panwar, N.; Chauhan, A. Fabrication methods of particulate reinforced aluminium metal matrix composite—A review. Mater. Today Proc. 2018, 5, 5933–5939. [Google Scholar] [CrossRef]
- Mazahery, A.; Abdizadeh, H.; Baharvandi, H.R. Development of high-performance A356/nano-Al2O3 composites. Mater. Sci. Eng. A 2009, 518, 61–64. [Google Scholar] [CrossRef]
- Li, P.B.; Chen, T.J.; Qin, H. Effects of pressure on microstructure and mechanical properties of SiCp/2024 Al-based composites fabricated by powder thixoforming. J. Mater. Sci. 2017, 52, 2045–2059. [Google Scholar] [CrossRef]
- Huashun, Y.; Chen, H.; Sun, L.; Min, G. Preparation of Al-Al3Ti in situ composites by direct reaction method. Rare Met. 2006, 25, 32–36. [Google Scholar]
- Uan, J.Y.; Chen, L.H.; Lui, T.S. On the extrusion microstructural evolution of Al-Al3Ni in situ composite. Acta Mater. 2001, 49, 313–320. [Google Scholar] [CrossRef]
- Wang, X.R.; Guan, G.; Misra, R.D.K.; Wang, Y.; Li, H.C.; Shang, Y.Q. The mechanistic contribution of nanosized Al3Fe phase on the mechanical properties of Al-Fe alloy. Mater. Sci. Eng. A 2018, 724, 452–460. [Google Scholar] [CrossRef]
- Liu, Z.W.; Cheng, N.; Zheng, Q.L.; Wu, J.H.; Han, Q.Y.; Huang, Z.F.; Xing, J.D.; Li, Y.F.; Gao, Y.M. Processing and tensile properties of A356 composites containing in situ small-sized Al3Ti particulates. Mater. Sci. Eng. A 2018, 710, 392–399. [Google Scholar] [CrossRef]
- Saboori, A.; Pavese, M.; Badini, C.; Fino, P. Development of Al- and Cu-based nanocomposites reinforced by graphene nanoplatelets; Fabrication and characterization. Front. Mater. Sci. 2017, 11, 171–181. [Google Scholar] [CrossRef]
- Saboori, A.; Dadkhah, M.; Fino, P.; Pavese, M. An overview of metal matrix nanocomposites reinforced with graphene nanoplatelets; Mechanical, Electrical and Thermophysical properties. Metals 2018, 8, 423. [Google Scholar] [CrossRef]
- Saboori, A.; Moheimani, S.; Dadkhah, M.; Pavese, M.; Badini, C.; Fino, P. An overview of key challenges in the fabrication of Metal matrix nanocomposites reinforced by graphene nanoplatelets. Metals 2018, 8, 172. [Google Scholar] [CrossRef]
- Wang, Y.C.; Song, M.; Ni, S.; Xue, Y. In situ formed core–shell structured particle reinforced aluminum matrix composites. Mater. Des. 2014, 56, 405–408. [Google Scholar] [CrossRef]
- Xue, Y.; Shen, R.J.; Ni, S.; Song, M.; Xiao, D.H. Fabrication, microstructure and mechanical properties of Al-Fe intermetallic particle reinforced Al-based composites. J. Alloys Compd. 2015, 618, 537–544. [Google Scholar] [CrossRef]
- Guo, B.S.; Ni, S.; Shen, R.J.; Song, M. Fabrication of Ti-Al3Ti core–shell structured particle reinforced Al based composite with promising mechanical properties. Mater. Sci. Eng. A 2015, 639, 269–273. [Google Scholar] [CrossRef]
- Wang, Y.J.; Chen, T.J.; Zhang, S.Q.; Qin, Y.H.; Zhang, X.Z. Effects of partial remelting on microstructure of Al-Si-Ti bulk alloy prepared by cold pressing mixed powder. Mater. Trans. 2016, 57, 1124–1133. [Google Scholar] [CrossRef]
- Qin, Y.H.; Chen, T.J.; Wang, Y.J.; Zhang, X.Z.; Li, P. Semisolid microstructural evolution during partial remelting of a bulk alloy prepared by cold pressing of the Ti-Al-2024Al powder mixture. Materials 2016, 9, 199. [Google Scholar] [CrossRef]
- Chen, T.J.; Gao, M.; Tong, Y.Q. Effects of alloying elements on the formation of core-shell-structured reinforcing particles during heating of Al–Ti powder compacts. Materials 2018, 11, 138. [Google Scholar] [CrossRef] [PubMed]
- Hirt, G.; Cremer, R.; Witulski, T.; Tinius, H.-C. Lightweight near net shape components produced by thixoforming. Mater. Des. 1997, 18, 315–321. [Google Scholar] [CrossRef]
- Chen, T.J.; Hao, Y.; Li, Y.D.; Ma, Y. Effect of solid solution treatment on semisolid microstructure of dendritic zinc alloy ZA27. Mater. Sci. Technol. 2008, 24, 1313–1320. [Google Scholar] [CrossRef]
- Chen, T.J.; Huang, L.K.; Huang, X.F.; Ma, Y.; Hao, Y. Effects of mould temperature and grain refiner amount on microstructure and tensile properties of thixoforged AZ63 magnesium alloy. J. Alloys Compd. 2013, 556, 167–177. [Google Scholar] [CrossRef]
- Wang, Y.J. Microstructural Evolution during Partial Remelting of (Al-Si)-Al-Ti Powder Compact Prepared by Cold Pressing. Master’s Thesis, Lanzhou University of Technology, Lanzhou, China, 2016. [Google Scholar]
- Yang, R.; Zhang, Z.Y.; Zhao, Y.T.; Chen, G.; Guo, Y.H.; Liu, M.P.; Zhang, J. Effect of multi-pass friction stir processing on microstructure and mechanical properties of Al3Ti/A356 composites. Mater. Charact. 2015, 106, 62–69. [Google Scholar] [CrossRef]
- Fei, W.D.; Kang, S.B. Effects of cooling rate on solidification process in AI-Mg-Si alloy. J. Mater. Sci. Lett. 1995, 14, 1795–1797. [Google Scholar] [CrossRef]
- Sebaie, O.El.; Samuel, A.M.; Samuel, F.H.; Doty, H.W. The effects of mischmetal, cooling rate and heat treatment on the eutectic Si particle characteristics of A319.1, A356.2 and A413.1 Al–Si casting alloys. Mater. Sci. Eng. A 2008, 480, 342–355. [Google Scholar] [CrossRef]
- Kim, K.; Voorhees, P.W. Ostwald ripening of spheroidal particles in multicomponent alloys. Acta Mater. 2018, 152, 327–337. [Google Scholar] [CrossRef]
- Chatterjee, S.; Ghosh, A.; Basu Mallick, A. Understanding the evolution of microstructural features in the in situ intermetallic phase reinforced Al/Al3Ti nanocomposite. Mater. Today Proc. 2018, 5, 10118–10130. [Google Scholar] [CrossRef]
- Yang, C.C.; Liu, Z.W.; Zheng, Q.L.; Cao, Y.L.; Dai, X.H.; Sun, L.; Zhao, J.R.; Xin, J.D.; Han, Q.Y. Ultrasound assisted in-situ casting technique for synthesizing small-sized blocky Al3Ti particles reinforced A356 matrix composites with improved mechanical properties. J. Alloys Compd. 2018, 747, 580–590. [Google Scholar] [CrossRef]
- Hong, S.H.; Chung, K.H. Effects of vacuum hot pressing parameters on the tensile properties and microstructures of SiC-2124 A1 composites. Mater. Sci. Eng. A 1995, 194, 165–170. [Google Scholar] [CrossRef]
- Liu, Z.Y.; Xiao, B.L.; Wang, W.G.; Ma, Z.Y. Analysis of carbon nanotube shortening and composite strengthening in carbon nanotube/aluminum composites fabricated by muli-pass friction stir processing. Carbon 2014, 69, 264–274. [Google Scholar] [CrossRef]
- Wang, M.L.; Chen, D.; Chen, Z.; Wu, Y.; Wang, F.F.; Ma, N.H.; Wang, H.W. Mechanical properties of in-situ TiB2/A356 composites. Mater. Sci. Eng. A 2014, 590, 246–254. [Google Scholar] [CrossRef]
- Tavoosi, M. The Kirkendall void formation in Al/Ti interface during solid-state reactive diffusion between Al and Ti. Surf. Interfaces 2017, 9, 196–200. [Google Scholar] [CrossRef]
















| Mold Temperature, °C | 150 | 200 | 300 | 400 |
|---|---|---|---|---|
| Porosity, % | 2.037 ± 0.276 | 0.988 ± 0.008 | 1.230 ± 0.215 | 2.434 ± 0.100 |
© 2018 by the authors. Licensee MDPI, Basel, Switzerland. This article is an open access article distributed under the terms and conditions of the Creative Commons Attribution (CC BY) license (http://creativecommons.org/licenses/by/4.0/).
Share and Cite
Gao, M.; Chen, T.; Qin, H. Effects of Mold Temperature on the Microstructure and Tensile Properties of Ti@(Al-Si-Ti)p/A356 Composite Prepared via Powder Thixoforming. Metals 2018, 8, 829. https://doi.org/10.3390/met8100829
Gao M, Chen T, Qin H. Effects of Mold Temperature on the Microstructure and Tensile Properties of Ti@(Al-Si-Ti)p/A356 Composite Prepared via Powder Thixoforming. Metals. 2018; 8(10):829. https://doi.org/10.3390/met8100829
Chicago/Turabian StyleGao, Min, Tijun Chen, and He Qin. 2018. "Effects of Mold Temperature on the Microstructure and Tensile Properties of Ti@(Al-Si-Ti)p/A356 Composite Prepared via Powder Thixoforming" Metals 8, no. 10: 829. https://doi.org/10.3390/met8100829
APA StyleGao, M., Chen, T., & Qin, H. (2018). Effects of Mold Temperature on the Microstructure and Tensile Properties of Ti@(Al-Si-Ti)p/A356 Composite Prepared via Powder Thixoforming. Metals, 8(10), 829. https://doi.org/10.3390/met8100829

