Sign in to use this feature.

Years

Between: -

Subjects

remove_circle_outline
remove_circle_outline

Journals

Article Types

Countries / Regions

Search Results (9)

Search Parameters:
Keywords = powder thixoforming

Order results
Result details
Results per page
Select all
Export citation of selected articles as:
15 pages, 13652 KB  
Article
Thixoforming and Rheo-Die-Casting of A356/SiC Composite
by Sukangkana Talangkun, Charinrat Potisawang and Phuriphut Saenpong
Metals 2020, 10(2), 251; https://doi.org/10.3390/met10020251 - 13 Feb 2020
Cited by 10 | Viewed by 4788
Abstract
This research investigated the rheo-die-casting process and the production of an A356/silicon carbide (SiC) composite by a thixoforming. The composite contained 15 percent by weight SiC particles of around 15–37 µm in size as the reinforcing phase. The composite feedstock was produced by [...] Read more.
This research investigated the rheo-die-casting process and the production of an A356/silicon carbide (SiC) composite by a thixoforming. The composite contained 15 percent by weight SiC particles of around 15–37 µm in size as the reinforcing phase. The composite feedstock was produced by semi-solid stir-casting, where pretreated SiC powder was gradually added into the A356 alloy melt to form a continuously stirred slurry composite melt, which was then cast in a steel mold. For thixoforming, the feedstock was reheated to 583 °C (approximately 0.4 fraction liquid), and its viscosity was reduced with shear rate, implying that A356/SiC exhibits shear thinning or non-Newtonian behavior. This is caused by the characteristic billet structure obtained having relatively globular grains that accommodate the flow of the semisolid composite. In the rheo-die-casting process, the A356/SiC feedstock was re-melted at 610–615 °C (approximately 0.8–0.9 fraction liquid) prior to die-casting and the resulting slurry was injected into a die with injection speeds of 3 and 4 m/s and pressures of 11 and 12 MPa, respectively. Two work-pieces of 16 × 15.6 × 205 mm3 were produced in one shot, and the resulting samples were subjected to T6 solution treatment at 540 °C for 1 h, quenched, and aged at 135 °C for 12 h. The results show that both low speed and low pressure rheo-die-cast samples exhibit uneven filling at the end of the part, whilst both high pressure and high speed promote more uniform distribution of SiC particles throughout the part length. In the as-rheo-die-cast condition, the most uniform of microstructures and hardness obtained from a sample fabricated at 4 m/s speed and 12 MPa pressure. Full article
(This article belongs to the Special Issue Net-Shape Die Casting of Semi-solid Alloys)
Show Figures

Figure 1

15 pages, 5916 KB  
Article
Effects of Mold Temperature on the Microstructure and Tensile Properties of Ti@(Al-Si-Ti)p/A356 Composite Prepared via Powder Thixoforming
by Min Gao, Tijun Chen and He Qin
Metals 2018, 8(10), 829; https://doi.org/10.3390/met8100829 - 15 Oct 2018
Cited by 1 | Viewed by 2987
Abstract
A novel A356 Al-based composite reinforced with Ti@(Al-Si-Ti) core-shell-structured particles (Ti@(Al-Si-Ti)p) was prepared utilizing powder thixoforming method. The effects of mold temperature on the microstructures and tensile properties of the composites, as well as the toughening mechanisms, were investigated. The results [...] Read more.
A novel A356 Al-based composite reinforced with Ti@(Al-Si-Ti) core-shell-structured particles (Ti@(Al-Si-Ti)p) was prepared utilizing powder thixoforming method. The effects of mold temperature on the microstructures and tensile properties of the composites, as well as the toughening mechanisms, were investigated. The results indicated that the primary α-Al particles gradually coarsened and evolved into large-sized interconnected particles with the rise of mold temperature. Simultaneously, the core-shell structured reinforcements tended to agglomerate and the eutectic Si phases gradually coarsened and became spheroidal. The tensile properties of the synthesized composites firstly increased as the mold temperature rose from 150 °C to 200 °C due mainly to the improvement of the microstructure compactness and the spheroidization of the eutectic Si phases, and then decreased resulting from the coarsening of both the primary particles and eutectic Si phases, the agglomeration of the reinforcing particles and the deteriorated microstructure compactness. The composite thixoformed at 200 °C had an excellent elongation of 8.3% besides high tensile strengths. The excellent ductility can be attributed to decreased crack size in the shell and delayed crack propagation by plastic deformation, and multiplication of secondary cracks in the Ti core that originated from the core-shell structure of the reinforcements. Full article
Show Figures

Figure 1

20 pages, 9300 KB  
Article
Core-Shell-Structured Particle Reinforced A356 Matrix Composite Prepared by Powder-Thixoforming: Effect of Reheating Temperature
by Tijun Chen, Libo Geng, He Qin and Min Gao
Materials 2018, 11(9), 1718; https://doi.org/10.3390/ma11091718 - 13 Sep 2018
Cited by 17 | Viewed by 3947
Abstract
A novel core-shell-structured Ti-(Al-Si-Ti) particle (Ti-(Al-Si-Ti)p) reinforced A356 matrix composite was fabricated by a new method, powder thixoforming, which combines the merits of both powder metallurgy and semisolid thixoforming. The effects of reheating temperature on the microstructure and tensile properties of [...] Read more.
A novel core-shell-structured Ti-(Al-Si-Ti) particle (Ti-(Al-Si-Ti)p) reinforced A356 matrix composite was fabricated by a new method, powder thixoforming, which combines the merits of both powder metallurgy and semisolid thixoforming. The effects of reheating temperature on the microstructure and tensile properties of the resulting composite were investigated. The results indicated that the thickening of the Al-Si-Ti compound shells, with rising the reheating temperature, significantly enhanced the strengthening role, but the fracture and peeling of the shells, at higher than 600 °C, impaired the strengthening effect. The composite formed at 600 °C had a favorable tensile elongation of 8.3% besides high tensile strengths. During tensile testing, the Ti@(Al-Si-Ti)p frequently fractured across the Ti cores and occasionally cracked around the Ti cores, but preferentially fractured between the outer cracked shells and the inner cores for the composites thixoformed at higher than 600 °C. The delayed formation of cracks in the Ti-(Al-Si-Ti)p and the small size of the cracks contributed to ductility improvement. The MSL model, modified according to the Ti@(Al-Si-Ti)p characteristics, was essentially suitable for predicting the yield strength of such composites. The largest contribution to the strength was resulted from solid solution strengthening of Ti element, but the strengthening role from geometrically necessary dislocations was significantly improved as the reheating temperature rose from 590 °C to 600 °C. Full article
(This article belongs to the Section Advanced Composites)
Show Figures

Figure 1

23 pages, 20103 KB  
Article
Effects of Alloying Elements on the Formation of Core-Shell-Structured Reinforcing Particles during Heating of Al–Ti Powder Compacts
by Tijun Chen, Min Gao and Yunqi Tong
Materials 2018, 11(1), 138; https://doi.org/10.3390/ma11010138 - 15 Jan 2018
Cited by 18 | Viewed by 4088
Abstract
To prepare core-shell-structured Ti@compound particle (Ti@compoundp) reinforced Al matrix composite via powder thixoforming, the effects of alloying elements, such as Si, Cu, Mg, and Zn, on the reaction between Ti powders and Al melt, and the microstructure of the resulting reinforcements [...] Read more.
To prepare core-shell-structured Ti@compound particle (Ti@compoundp) reinforced Al matrix composite via powder thixoforming, the effects of alloying elements, such as Si, Cu, Mg, and Zn, on the reaction between Ti powders and Al melt, and the microstructure of the resulting reinforcements were investigated during heating of powder compacts at 993 K (720 °C). Simultaneously, the situations of the reinforcing particles in the corresponding semisolid compacts were also studied. Both thermodynamic analysis and experiment results all indicate that Si participated in the reaction and promoted the formation of Al–Ti–Si ternary compounds, while Cu, Mg, and Zn did not take part in the reaction and facilitated Al3Ti phase to form to different degrees. The first-formed Al–Ti–Si ternary compound was τ1 phase, and then it gradually transformed into (Al,Si)3Ti phase. The proportion and existing time of τ1 phase all increased as the Si content increased. In contrast, Mg had the largest, Cu had the least, and Si and Zn had an equivalent middle effect on accelerating the reaction. The thicker the reaction shell was, the larger the stress generated in the shell was, and thus the looser the shell microstructure was. The stress generated in (Al,Si)3Ti phase was larger than that in τ1 phase, but smaller than that in Al3Ti phase. So, the shells in the Al–Ti–Si system were more compact than those in the other systems, and Si element was beneficial to obtain thick and compact compound shells. Most of the above results were consistent to those in the semisolid state ones except the product phase constituents in the Al–Ti–Mg system and the reaction rate in the Al–Ti–Zn system. More importantly, the desirable core-shell structured Ti@compoundp was only achieved in the semisolid Al–Ti–Si system. Full article
(This article belongs to the Section Advanced Composites)
Show Figures

Figure 1

13 pages, 21707 KB  
Article
Tensile Properties and Fracture Behavior of a Powder-Thixoformed 2024Al/SiCp Composite at Elevated Temperatures
by Pubo Li and Tijun Chen
Metals 2017, 7(10), 408; https://doi.org/10.3390/met7100408 - 1 Oct 2017
Cited by 7 | Viewed by 4761
Abstract
In the present work, the tensile properties and fracture behavior of a 2024Al composite reinforced with 10 vol % SiCp and fabricated via powder thixoforming (PT) were studied at temperatures ranging from 25 °C to 300 °C with a strain rate of [...] Read more.
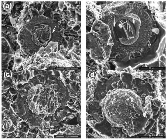
In the present work, the tensile properties and fracture behavior of a 2024Al composite reinforced with 10 vol % SiCp and fabricated via powder thixoforming (PT) were studied at temperatures ranging from 25 °C to 300 °C with a strain rate of 0.05 s−1, as well as the PT 2024 alloy. The results indicated that the tensile strengths of both the PT materials were all decreased with increasing the temperature, but the decrease rate of the composite was smaller than that of the 2024 alloy, and the composite exhibited higher tensile strength than that of the 2024 alloy at all of the employed testing temperatures due to the strengthening role of SiCp. Increasing temperature was beneficial for enhancing the ductility of materials, and the maximum elongation was reached at 250 °C. The elongation decrease over 250 °C was attributed to the cavity formation due to the debonding of the SiCp/Al interface and the fracturing of the matrix between SiCp. The fracture of the composite at room temperature initiated from the fracture of SiCp and the debonding of the SiCp/Al interface, but that at high temperatures was dominated by void nucleation and growth in the matrix besides the interface debonding. Full article
(This article belongs to the Special Issue Powder Synthesis and Processing)
Show Figures

Figure 1

14 pages, 2824 KB  
Article
Effect of Remelting Duration on Microstructure and Properties of SiCp/Al Composite Fabricated by Powder-Thixoforming for Electronic Packaging
by Siyu Cai, Tijun Chen and Xuezheng Zhang
Metals 2016, 6(12), 311; https://doi.org/10.3390/met6120311 - 8 Dec 2016
Cited by 6 | Viewed by 4593
Abstract
In this work, a novel processing method called powder thixoforming was proposed to prepare composites reinforced with 50 vol % of SiC particles (SiCp) that were used for electronic packaging in order to investigate the effects of remelting duration on its [...] Read more.
In this work, a novel processing method called powder thixoforming was proposed to prepare composites reinforced with 50 vol % of SiC particles (SiCp) that were used for electronic packaging in order to investigate the effects of remelting duration on its microstructure and properties. Optical Microscope (OM), Scanning Electron Microscope (SEM), X-ray Diffraction (XRD) and Transmission Electron Microscope (TEM) methods were applied for the material characterization and the corresponding physical and mechanical properties were examined in detail. The obtained results indicate that the remelting duration exerted a large effect on the microstructure as well as the SiCp/Al interfacial reaction. The density and hardness of the composite continuously increased with increasing remelting duration. The thermal conductivity (TC) and bending strength (BS) first increased during the initial 90 min and then decreased. The remelting duration exerted a limited influence on the coefficient of thermal expansion (CTE). The optimal TC, BS, and hardness of these composites were up to 135.79 W/(m·K), 348.53 MPa, and 105.23 HV, respectively, and the CTE was less than 6.5 ppm/K after the composites were remelted at 600 °C for 90 min. The properties of the composites could thus be controlled to conform to the application requirements for electronic packaging materials. Full article
Show Figures

Graphical abstract

16 pages, 11896 KB  
Article
A Comparative Study on Permanent Mold Cast and Powder Thixoforming 6061 Aluminum Alloy and Sicp/6061Al Composite: Microstructures and Mechanical Properties
by Xuezheng Zhang, Tijun Chen, He Qin and Chong Wang
Materials 2016, 9(6), 407; https://doi.org/10.3390/ma9060407 - 24 May 2016
Cited by 10 | Viewed by 7549
Abstract
Microstructural and mechanical characterization of 10 vol% SiC particles (SiCp) reinforced 6061 Al-based composite fabricated by powder thixoforming (PTF) was investigated in comparison with the PTF and permanent mold cast (PMC) 6061 monolithic alloys. The results reveal that the microstructure of [...] Read more.
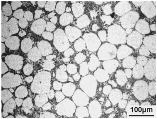
Microstructural and mechanical characterization of 10 vol% SiC particles (SiCp) reinforced 6061 Al-based composite fabricated by powder thixoforming (PTF) was investigated in comparison with the PTF and permanent mold cast (PMC) 6061 monolithic alloys. The results reveal that the microstructure of the PMC alloy consists of coarse and equiaxed α dendrites and interdendritic net-like eutectic phases. However, the microstructure of the PTF composite, similar to that of the PTF alloy, consists of near-spheroidal primary particles and intergranular secondarily solidified structures except SiCp, which are distributed in the secondarily solidified structures. The eutectics amount in the PTF materials is distinctly lower than that in the PMC alloy, and the microstructures of the former materials are quite compact while that of the latter alloy is porous. Therefore, the PTF alloy shows better tensile properties than the PMC alloy. Owing to the existence of the SiC reinforcing particles, the PTF composite attains an ultimate tensile strength and yield strength of 230 MPa and 128 MPa, representing an enhancement of 27.8% and 29.3% than those (180 MPa and 99 MPa) of the PTF alloy. A modified model based on three strengthening mechanisms was proposed to calculate the yield strength of the PTF composite. The obtained theoretical results were quite consistent with the experimental data. Full article
Show Figures

Figure 1

17 pages, 10376 KB  
Article
Semisolid Microstructural Evolution during Partial Remelting of a Bulk Alloy Prepared by Cold Pressing of the Ti-Al-2024Al Powder Mixture
by Yahong Qin, Tijun Chen, Yingjun Wang, Xuezheng Zhang and Pubo Li
Materials 2016, 9(3), 199; https://doi.org/10.3390/ma9030199 - 16 Mar 2016
Cited by 14 | Viewed by 5050
Abstract
A new method, powder thixoforming, has been proposed to fabricate an in situ Al3Tip/2024Al composite. During partial remelting, the microstructural evolution of the bulk alloy prepared by cold pressing of the Ti, Al, 2024Al powder mixture was investigated, and [...] Read more.
A new method, powder thixoforming, has been proposed to fabricate an in situ Al3Tip/2024Al composite. During partial remelting, the microstructural evolution of the bulk alloy prepared by cold pressing of the Ti, Al, 2024Al powder mixture was investigated, and the formation mechanism of the Al3Ti particles produced by the reaction between the Ti powder and the Al alloy melt is also discussed in detail. The results indicate that the microstructural evolution of the 2024 alloy matrix can be divided into three stages: a rapid coarsening of the powder grains; a formation of primary α-Al particles surrounded with a continuous liquid film; and a slight coarsening of the primary α-Al particles. Simultaneously, a reaction layer of Al3Ti can be formed on the Ti powder surface when the bulk is heated for 10 min at 640 °C The thickness (X) of the reaction layer increases with the time according to the parabolic law of (X = -0.43t^{2} + 4.21t + 0.17). The stress generated in the reaction layer due to the volume dilatation can be calculated by using the equationσ (sigma_{Al_{3}Ti} = -frac{ E_{Al_{3}Ti} }{6(1-v{Al_{3}Ti})} frac{ t^{3}_{Al_{3}Ti} }{t_{Ti}} left(frac{1}{R} - frac{1}{R_{0}} ight) ). Comparing the obtained data with the results of the drip experiment, the reaction rate for the Ti powder and Al powder mixture is greater than that for the Ti plate and Al alloy mixture, respectively. Full article
(This article belongs to the Section Advanced Materials Characterization)
Show Figures

Graphical abstract

18 pages, 4745 KB  
Article
Research on Semisolid Microstructural Evolution of 2024 Aluminum Alloy Prepared by Powder Thixoforming
by Pubo Li, Tijun Chen, Suqing Zhang and Renguo Guan
Metals 2015, 5(2), 547-564; https://doi.org/10.3390/met5020547 - 3 Apr 2015
Cited by 35 | Viewed by 10025
Abstract
A novel method, powder thixoforming, for net-shape forming of the particle-reinforced Aluminum matrix composites in semi-solid state has been proposed based on powder metallurgy combining with thixoforming technology. The microstructural evolution and phase transformations have been investigated during partial remelting of the 2024 [...] Read more.
A novel method, powder thixoforming, for net-shape forming of the particle-reinforced Aluminum matrix composites in semi-solid state has been proposed based on powder metallurgy combining with thixoforming technology. The microstructural evolution and phase transformations have been investigated during partial remelting of the 2024 bulk alloy, prepared by cold pressing of atomized alloy powders to clarify the mechanisms of how the consolidated powders evolve into small and spheroidal primary particles available for thixoforming. The effect of heating temperature on the resulting semisolid microstructure has also been discussed. The results indicate that the microstructural evolution includes three stages—the initial rapid coarsening of the fine grains within the powders, the formation of continuous liquid layer on the primary particle surface (the original powder), and the final coarsening—that result from the phase transformations of θ→α, α→L, and α→L and L→α, respectively. The coarsening rate of the primary particles is low, and one original powder always evolves into one spheroidal particle with a continuous liquid layer surface. Properly raising the heating temperature is beneficial for obtaining an ideal semisolid microstructure. Full article
(This article belongs to the Special Issue Casting Alloy Design and Modification)
Show Figures

Figure 1

Back to TopTop