Monotonic Response of Exposed Base Plates of Columns: Numerical Study and a New Design Method
Abstract
1. Introduction
2. Numerical Study
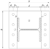
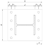
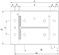
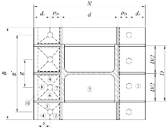
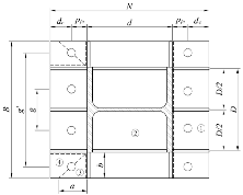
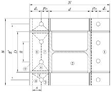
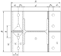
2.1. Specimens under Analysis
2.2. Finite Element Models
- ε = normal strain obtained from uniaxial tensile test.
- σ = normal stress obtained from uniaxial tensile test.
- = real normal strain.
- = real normal stress.
2.3. Loading Protocol
2.4. Response Parameters
- = Lateral load.
- = Relative displacement between top and base of the column.
- = Column Young’s modulus (2.1 × 105 MPa).
- = Moment of inertia of the column section.
- = Load application point height.
3. Model Results
3.1. Influence of the Base Plate Thickness
3.2. Influence of the Anchor Rods Configuration
3.3. Influence of the Stiffener Configuration
4. Design Methods
4.1. Current Methods for the Assessment of the Bending Strength of Non-Stiffened Base Plates
4.2. Proposed Methods for the Assessment of the Bending Strength of Stiffened and Non-Stiffened Connections
5. Conclusions
Author Contributions
Funding
Conflicts of Interest
References
- Grauvilardell, J.; Lee, D.; Hajjar, J.; Dexter, R. Synthesis of Design, Testing and Analysis Research on Steel Column Base Plate Connections in High-Seismic Zones; Structural Engineering Report, No. ST-04-02. Technical Report; Department of Civil Engineering, University of Minnesota: Minneapolis, MN, USA, October 2005. [Google Scholar]
- Fahmy, M. Seismic Behavior of Moment-resisting Steel Column Bases. Ph.D. Thesis, Department of Civil and Environmental Engineering, University of Michigan, Ann Arbor, MI, USA, 2000. [Google Scholar]
- Fisher, J.M.; Kloiber, L.A. Steel Design Guide Series 1–Base Plate and Anchor Rod Design, 2nd ed.; American Institute of Steel Construction: Chicago, IL, USA, 2006. [Google Scholar]
- Gomez, I.; Kanvinde, A.; Smith, C.; Deierlein, G. Exposed Column Base Connections Subjected to Axial Compression and Flexure; Technical Report; American Institute of Steel Construction, AISC: Chicago, IL, USA, August 2010. [Google Scholar]
- Kanvinde, A.; Jordan, S.; Cooke, R. Exposed column base plate connections in moment frames—Simulations and behavioral insights. J. Constr. Steel Res. 2013, 84, 82–93. [Google Scholar] [CrossRef]
- Lee, D.; Goel, S.; Stojadinovic, B. Exposed column-base plate connections bending about weak axis: I. Numerical parametric study. Int. J. Steel Struct. 2008, 8, 11–27. [Google Scholar]
- Lim, W.; Lee, D.; You, Y. Exposed column-base plate strong-axis connections for small-size steel construction. J. Constr. Steel Res. 2017, 137, 286–296. [Google Scholar] [CrossRef]
- Blodgett, O. Design of Welded Structures; The James F. Lincoln Arc Welding Foundation: Cleveland, OH, USA, 1966; Volume 3.3, pp. 1–32. [Google Scholar]
- Karbakhsh, A.; Bin, I.; Binti, Z. Finite element analysis of bolted column base connection without and with stiffeners. Int. J. Phys. Sci. 2011, 6, 1–7. [Google Scholar]
- Latour, M.; Rizzano, G. Mechanical modelling of exposed column base plate joints under cyclic loads. Eng. Technol. 2019, 162, 105726. [Google Scholar] [CrossRef]
- Tian, L.; Li, L. A Review on the Strengthening of Nanostructured Materials. Int. J. Curr. Eng. Technol. 2018, 8, 236–249. [Google Scholar] [CrossRef]
- Myers, A.; Kanvinde, A.; Deierlein, G.; Fell, B. Effect of weld details on the ductility of steel column baseplate connections. Eng. Technol. 2009, 65, 1366–1373. [Google Scholar] [CrossRef]
- Grilli, D.; Kanvinde, A. Embedded column base connections subjected to seismic loads: Strength model. J. Constr. Steel Res. 2017, 129, 240–249. [Google Scholar] [CrossRef]
- Torres, P.; Zareian, F.; Kanvinde, A. A hysteretic model for the rotational response of embedded column base connections. Soil Dyn. Earthquake Eng. 2018, 115, 55–65. [Google Scholar] [CrossRef]
- Falborski, T.; Hassan, A.; Kanvinde, A. Column base fixity in steel moment frames: Observations from instrumented buildings. J. Constr. Steel Res. 2020, 168, 1–13. [Google Scholar] [CrossRef]
- A36/A36M-19. Standard Specification for Carbon Structural Steel; Philadelphia American Society for Testing and Materials: Philadelphia, PA, USA, 2019. [Google Scholar]
- A193/A193M-17. Standard Specification for Alloy-Steel and Stainless Steel Bolting for High Temperature or High Pressure Service and Other Special Purpose Applications; American Society for Testing and Materials: Philadelphia, PA, USA, 2017. [Google Scholar]
- ACI Committee 318-14. Building Code Requirements for Structural Concrete and Commentary; ACI Committee: Farmington Hills, MI, USA, 2014. [Google Scholar]
- Ansys Inc. ANSYS Multiphysics 16.0; Ansys Inc.: Canonsburg, PA, USA, 2015. [Google Scholar]
- Gomez, I.; Kanvinde, A.; Smith, C.; Deierlein, G. Shear Transfer in Exposed Column Base Plates; Technical Report for American Institute of Steel Construction; American Institute of Steel Construction: Chicago, IL, USA, 2006. [Google Scholar]
- Ghassemieh, M. Evaluation of Stiffened End-Plate Moment Connection through Optimized Artificial Neural Network. J. Software Eng. Appl. 2012, 5, 156–167. [Google Scholar] [CrossRef]
- Bae, S.; Bayrak, O.; Jirsa, J.; Klingner, R. Anchor Bolt Behavior in ASR/DEF-Damaged Drilled Shafts; Technical Report N IAC 88-5DDIA004; Report for the Texas Department of Transportation, University of Texas at Austin: Austin, TX, USA, 2007. [Google Scholar]
- Desayi, P.; Krishnan, S. Equation for the stress-strain curve of concrete. J. Am. Concr. Ins. 1964, 61, 345–350. [Google Scholar]
- Gere, J.; Timoshenko, S. Mechanics of Materials, 3rd ed.; PWS-KENT Publishing Company: Boston, MA, USA, 1990. [Google Scholar]
- EN1993 Eurocode 3. Design of Steel Structures; Comité Européen de Normalisation (CEN): Brusels, Belgium, 2003. [Google Scholar]












| Model | tp (mm) | g (mm) | ts (mm) | dr (mm) | Fur (mm) |
|---|---|---|---|---|---|
| UBP-1-1 | 19 | N/A | N/A | 22 | 408 |
| UBP-1-2 | 25 | N/A | N/A | 22 | 408 |
| UBP-1-3 | 38 | N/A | N/A | 22 | 408 |
| UBP-1-4 | 19 | N/A | N/A | 22 | 878 |
| UBP-1-5 | 25 | N/A | N/A | 22 | 878 |
| UBP-1-6 | 38 | N/A | N/A | 22 | 878 |
| UBP-2-1 | 25 | 210 | N/A | 22 | 408 |
| UBP-2-2 | 25 | 390 | N/A | 22 | 408 |
| UBP-2-3 | 25 | 210 | N/A | 22 | 878 |
| UBP-2-4 | 25 | 390 | N/A | 22 | 878 |
| SBP-1-1 | 19 | N/A | 10 | 22 | 408 |
| SBP-1-2 | 19 | N/A | 10 | 22 | 878 |
| SBP-2-1 | 19 | N/A | 10 | 22 | 408 |
| SBP-2-2 | 19 | N/A | 10 | 22 | 878 |
| SBP-3-1 | 19 | N/A | 10 | 22 | 408 |
| SBP-3-2 | 19 | N/A | 10 | 22 | 878 |
| LS1 | ![]() | ![]() |
| LS2 | ![]() | ![]() |
| LS3 | ![]() | ![]() |
| LS4 | ![]() | ![]() |
| LS5 | ![]() | ![]() |
| LS1 | ![]() | ![]() |
| LS2 | ![]() | ![]() |
| LS3 | ![]() | ![]() |
| LS4 | ![]() | ![]() |
| LS5 | ![]() | ![]() |
| LS1 | ![]() | ![]() |
| LS2 | ![]() | ![]() |
| LS3 | Idem to UBP-1 | |
| LS4 | Idem to UBP-1 | |
| LS5 | ![]() | ![]() |
| LS1 | ![]() | ![]() |
| LS2 | Idem to SBP-1 | |
| LS3 | Idem to SBP-1 | |
| LS4 | Idem to SBP-1 | |
| LS5 | Idem to SBP-1 | |
| LS1 | ![]() | ![]() |
| LS2 | ![]() | ![]() |
| LS3 | Idem to SBP-1 | |
| LS4 | Idem to SBP-1 | |
| LS5 | ![]() | ![]() |
© 2020 by the authors. Licensee MDPI, Basel, Switzerland. This article is an open access article distributed under the terms and conditions of the Creative Commons Attribution (CC BY) license (http://creativecommons.org/licenses/by/4.0/).
Share and Cite
Díaz, H.; Nuñez, E.; Oyarzo-Vera, C. Monotonic Response of Exposed Base Plates of Columns: Numerical Study and a New Design Method. Metals 2020, 10, 396. https://doi.org/10.3390/met10030396
Díaz H, Nuñez E, Oyarzo-Vera C. Monotonic Response of Exposed Base Plates of Columns: Numerical Study and a New Design Method. Metals. 2020; 10(3):396. https://doi.org/10.3390/met10030396
Chicago/Turabian StyleDíaz, Héctor, Eduardo Nuñez, and Claudio Oyarzo-Vera. 2020. "Monotonic Response of Exposed Base Plates of Columns: Numerical Study and a New Design Method" Metals 10, no. 3: 396. https://doi.org/10.3390/met10030396
APA StyleDíaz, H., Nuñez, E., & Oyarzo-Vera, C. (2020). Monotonic Response of Exposed Base Plates of Columns: Numerical Study and a New Design Method. Metals, 10(3), 396. https://doi.org/10.3390/met10030396



































