Abstract
This study presents an experimental analysis of a turbocharger equipped with a semi-floating bearing system, with a particular focus on the bifurcation phenomenon within the subsynchronous vibration spectrum. A predefined design of experiments (DoE) methodology was employed to determine the measurement domains to be analyzed, where the primary input parameters included the lubricant supply temperature and pressure values. The bifurcation phenomenon in relation to the physical parameters of the system is observed via vibration and displacement sensors in two directions, enabling the collection of subsynchronous frequency data for further insights into the influence of lubricant parameters on the rotor system. While the nonlinear effect of oil temperature is well studied in the literature. However, the combined effect of oil supply temperature and pressure was not yet examined, which was the focus of the present study. This paper aims to investigate its coupled effects on the bifurcation phenomenon associated with both lubricant temperature and pressure. The occurrence of the introduced phenomenon is further examined to enhance the understanding of the uncharted behavior of turbocharger rotors and other rotor-bearing-based machinery.
1. Introduction
Turbomachinery systems incorporating hydrodynamic bearing technology have increasingly gained interest within the automotive and aviation industries, driven by the tightening of emission regulations and the continuous pursuit of enhanced performance and efficiency [1,2,3,4,5]. However, turbochargers in internal combustion engines are subjected to extreme thermal and mechanical loads, as well as harsh vibrational environments [6,7,8,9]. These conditions necessitate a more comprehensive investigation and deeper understanding of fundamental rotordynamic vibration phenomena. The significance of research in this domain is underscored by the critical role that lifespan optimization and performance enhancement play in all aspects of turbomachinery development and application [10].
During extensively high rotational speeds, the properties of the lubricant exert a significant influence on the bifurcation phenomenon, leading to variations in the onset of bifurcation under different lubricant conditions. The bifurcation speed is linked to both lubricant characteristics and rotordynamic behavior, necessitating a more in-depth analysis of the system’s sub-synchronous vibration spectrum to comprehensively understand these interactions [11,12,13,14,15,16].
The primary source of subsynchronous motion and vibration in fluid-bearing-supported rotors, such as turbochargers, is oil whirl, induced by the circumferential fluid flow within the bearing clearance, mathematically represented through non-symmetric stiffness matrices. Under certain conditions, this whirl excitation aligns with the rotor’s natural frequencies, causing the more severe instability known as oil whip. The nonlinear nature of these phenomena arises from varying lubricant viscosity, rotor speed, bearing clearance, gyroscopic effects, and boundary conditions affecting the stiffness and damping characteristics of the rotor-bearing system [17,18,19].
The correlation between pressure intensity and temperature in relation to the lubricant within the system remains an area of ongoing inquiry. The precise impact of these factors, as well as their interrelationship, on the intrinsic parameters of the rotordynamic systems, such as damping and stiffness, remains inadequately understood [20,21,22,23]. Current complex rotordynamic models continue to face challenges in accurately capturing the precise effects of these variable factors, leading to uncertainties in the prediction of system behavior and outcomes.
1.1. Bifurcation Theories
Bifurcation in rotordynamics can be interpreted in two distinct ways:
- One approach to understanding bifurcation characterizes it as the onset of irregular or chaotic motion, where the rotor’s dynamic response becomes unpredictable due to nonlinear interactions. This framework is particularly effective for analyzing transitions from periodic to chaotic behavior in systems exhibiting strong nonlinearity. By elucidating the mechanisms that trigger such transitions, this interpretation enhances our ability to design and control rotor systems. Several studies employing this approach [24,25,26,27,28] provide critical insights into the initiation and development of chaotic dynamics, and their findings will be discussed in detail in subsequent sections.
- The other approach defines bifurcation as a specific critical rotational speed at which the rotor transitions between different vibrational states, such as shifts in subsynchronous whirl modes. This type, often called mode transition bifurcation, helps identify stability thresholds and the influence of operational parameters like oil supply conditions. Some studies employing this approach [29,30], and their findings will be discussed in detail in subsequent sections.
While both perspectives provide valuable insights, their applicability depends on the specific objectives of the analysis. In this article, we refer to mode transition bifurcation as the basis for our investigation.
1.2. Bifurcation as the Onset of Unpredictable Dynamic Response
On the other hand, the bifurcation phenomenon associated with rotordynamic systems can be investigated through various methodologies, including experimental approaches and more theoretical analyses via simulations. Both approaches represent significant research domains, contributing to advancements in the understanding of the mathematical structure of bifurcation. One such study, conducted by Singh et al. [24], presents a finite element simulation model to analyze the bifurcation behavior of a simplified turbocharger. In this study, the acting lubricant forces were derived from the Reynolds equation, with Ocvirk’s short-bearing theory applied, while the Half–Sommerfeld boundary conditions were also incorporated. The second-order governing differential equations of motion were reduced to first-order ordinary differential equation (O.D.E.) form using state–space variables, with the MATLAB® (R2020b) ode15s solver employed for their solution. The results of these calculations demonstrated the variation of bifurcation values at both fluid film bearings operating at the same speed, with these variations being correlated to the eccentricity of the rotor-bearing system.
The theoretical exploration of bifurcation, despite the availability of mathematical analyses, remains inherently imperfect. Bifurcation encompasses several sub-theories and application methodologies, each of which defines its mathematical utility within specific domains. In his study, Myers [25] investigated bifurcation in plain cylindrical journal bearings using Hopf bifurcation and long bearing theory. His study provides a mathematical framework for applying Hopf bifurcation in turbocharger systems, detailing the solution of the associated ODEs and the link between eccentricity and bifurcation. In this study, stability threshold is identified, where bifurcation can occur in both stable and unstable regimes. While small journal trajectory deviations do not necessarily indicate bifurcation, larger orbits may suggest its presence, especially near stability limits. A numerical investigation supports the analytical findings, distinguishing between supercritical and subcritical bifurcation. In supercritical cases, instability emerges gradually, with a stable whirl orbit forming just beyond the threshold and increasing in amplitude as speed rises. Subcritical bifurcation, however, leads to more complex behavior, where stable orbits may exist above and below the threshold, depending on initial conditions, without a smooth transition from stability to instability. The study highlights the limitations of purely linearized approaches, emphasizing the need for greater awareness of nonlinear effects in bearing calculations. A detailed threshold map, derived from a simplified rotordynamic model, visually supports these findings. The strong correlation between eccentricity and bifurcation suggests potential for further research to predict bifurcation locations in rotordynamic systems.
The turbocharger system’s excitation—evidenced by correlated modal shapes and response magnitudes—suggests bifurcation. Kucherenko et al. [26] investigated the diverse cyclic responses of a non-linear rotor-bearing system by developing a mathematical model focused on the relationship between bifurcation and the self-excitation factors, steamwhirl and oilwhip. Their analysis, which employed Hopf bifurcation theory to identify threshold limits, showed that amplitude responses vary between stable and unstable conditions. Using Jeffcott’s rotordynamic model for validation, the study concludes that exceeding the first linear bifurcation can trigger a transition from steady to unsteady behavior, with steamwhirl producing dangerous amplitudes beyond this point.
Tadayoshi’s study [27] employed an experimental method to analyze bifurcation using a 2D diagram, with a specialized water journal bearing on a specialized test bench. This setup enabled a detailed investigation of how pressure and viscosity variations correlate with bifurcation. The study applied Poincaré Section theory to interpret data, explored rotor displacement effects, and addressed noise and resonance differences between wate- and oil-based lubricants. The resulting bifurcation diagrams showed that under specific lubricant conditions, the rigid rotor’s limit cycle vibrations at resonance mimic the Hopf bifurcation phenomenon.
Continuing with experimental investigations, the study by Chatzistavris et al. [28] investigated bifurcation phenomena in rotor-bearing systems through a combined theoretical and experimental approach. It demonstrates how key parameters—such as rotational speed, damping, and stiffness—induce transitions from steady-state to periodic or chaotic behavior via Hopf bifurcation, marking the onset of self-excited vibrations. Complementing this mathematical framework, the authors employ a unique copper-wired bearing system with spatially varying wiring density to eliminate subsynchronous responses. Detailed vibration measurements reveal that locally varying damping and stiffness significantly affect bifurcation occurrence, while Floquet theory is applied to assess the stability of response limit cycles. Together, these approaches provide a robust framework for predicting and controlling bifurcation-induced phenomena in rotordynamics, offering insights for improved design and diagnostic strategies in engineering applications.
1.3. Bifurcation as Vibrational State Transition
The previously discussed papers applied bifurcation theory in the context of irregular or chaotic motion, where the rotor’s dynamic response becomes unpredictable due to nonlinear interactions. In contrast, the following studies define bifurcation as a sudden change in motion, as exemplified by the study by Dyk et al. [29], they presented a linear analysis of floating-ring bearings (FRBs) in turbocharger applications, focusing on fluid-induced instabilities and bifurcation phenomenon. FRBs—composed of a journal, a floating ring, and a housing separated by two oil films—exhibit nonlinear behavior under light loads or high speeds. Several linearization methods for the fluid forces are proposed, and holistic Campbell diagrams are used to display natural frequencies, whirl frequencies, modal damping, and precession. The analysis shows that bifurcations leading to gyroscopic conical deflection shapes are linked to mode instability, with the resulting motion often occurring at a lower theoretical whirl frequency than the unstable mode. The study also examines cylindrical deflection shapes, which, under complex conditions, can lock to an unstable cylindrical mode and induce oil whip. While advanced linearization methods offer slight improvements in modal predictions, they are significantly more computationally demanding. The work demonstrates that linear analysis can efficiently provide fundamental insights into the nonlinear rotordynamics of FRBs and predict bifurcation-induced transitions, informing design strategies for mitigating fluid-induced instabilities.
The master’s thesis of Vistamehr [30] investigates the dynamic behavior of automotive turbochargers supported on semi-floating ring bearings (SFRBs), which exhibit nonlinear fluid film characteristics leading to complex phenomenon such as bifurcations which are identified as frequency jumps. The study integrates a fluid film bearing model into a finite element rotordynamics framework to predict both linear and nonlinear forced responses during rotor acceleration and deceleration. It identifies two subsynchronous whirl frequencies—ω₁ associated with a conical mode, and ω₂, with a cylindrical bending mode—and a sudden transition (bifurcation) from ω₁ to ω₂ at a critical speed (bifurcation speed). Key findings indicate that operating conditions and bearing parameters, such as oil supply pressure and temperature, rotor acceleration, and imbalance distribution, significantly influence the onset of this bifurcation phenomena. Notably, hysteresis between acceleration and deceleration cycles was observed. This work aligns with the current research focus on bifurcation as a sudden change in motion and underscores the sensitivity of turbocharger rotordynamic behavior to various operational factors, warranting further analysis and validation to refine predictive models for improved turbocharger performance and noise reduction.
The article of San Andrés [31] presents a thermo-hydrodynamic model for oil-lubricated semi-floating ring bearings in turbochargers, predicting film pressure, temperature fields, and thermal energy flows. It emphasizes how lubricant supply conditions—specifically oil temperature and feed pressure—affect the lubricant’s ability to remove heat from the heated shaft. Key findings indicate that lower oil temperatures or higher pressures enhance inner film flow and heat removal, while the shaft’s operating temperature primarily determines the maximum inner film temperature. Additionally, increased inner film clearance boosts flow but also raises shear drag losses due to high oil viscosity, while axial grooves improve lubricant delivery and reduce film temperatures at the cost of increased drag losses. Although their approach aligns with the present study, in examining oil temperature and pressure effects, their study focused on heat removal, whereas this research investigated the influence of these parameters on rotordynamic behavior, focusing on the vibrational domain.
Based on the investigated literature, this study examines the correlation between lubricant parameters and bifurcation. Controlled laboratory conditions allow for steady lubricant pressure and temperature, aiding the refinement of mathematical models of bifurcation phenomena. In automotive turbochargers, high inlet pressures and temperatures can affect lifespan and performance. Thus, the primary aim is to map the temperature-pressure relationship affecting bifurcation.
2. Materials and Methods
This chapter outlines the methodologies and experimental procedures employed to investigate the correlation between lubricant parameters and the bifurcation phenomenon in turbocharger systems. The following sections describe the test bench environment, experimental design, and the data processing methodology used to obtain and analyze the measurement results.
2.1. Test Bench Environment
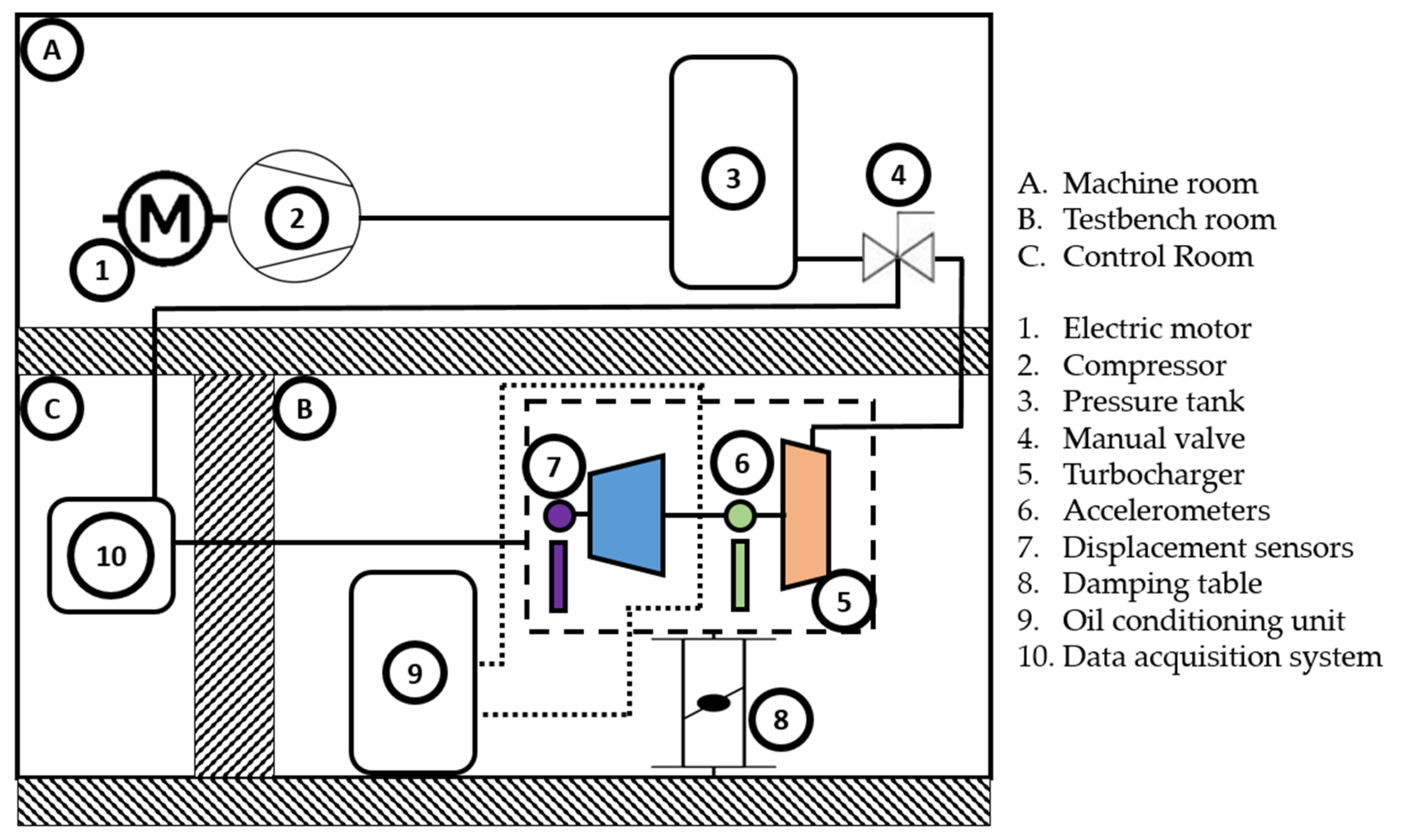
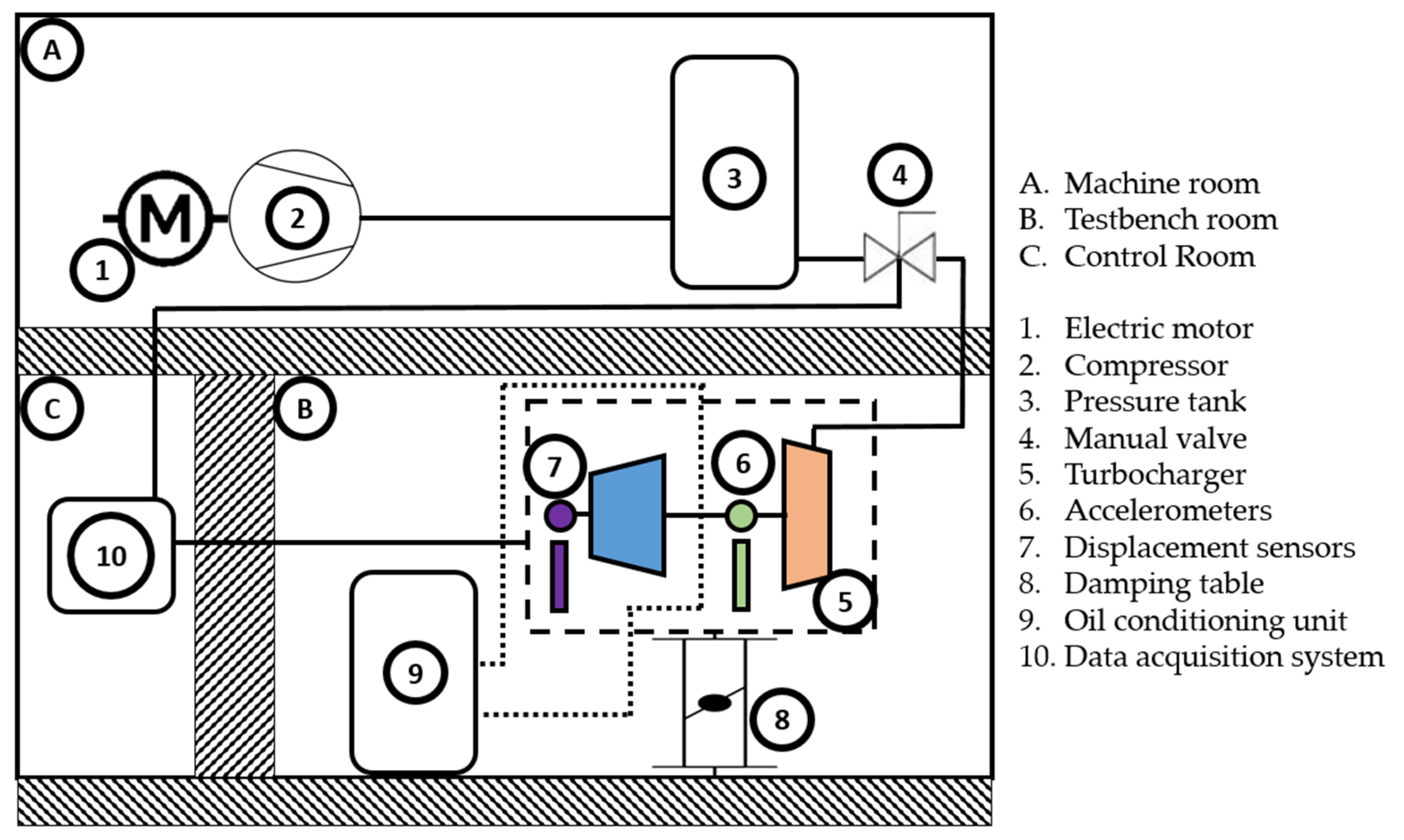
A specialized turbocharger test bench, designed specifically for vibration diagnostics, was used to conduct the experiments (see Figure 1). A turbocharger from a 4-cylinder gasoline engine, equipped with semi-floating bearings, was powered by pressurized air. The bench’s control system (NI CompactRIO, NI, Austin, TX, USA) enabled standardized tests with predetermined ramp-up and ramp-down rates. Additionally, a uniquely designed oil conditioning unit provided lubrication to the turbocharger. Precise control of this unit was crucial for studying the impact of varying oil properties on turbocharger vibrations, as it allowed for adjustments in both oil supply temperature and pressure—fully replicating the operating conditions encountered in real-world environments.
Figure 1.
Schematic diagram of the testing environment.
To measure turbocharger vibrations, one-directional acceleration sensors (IMC AD1E060, imc, Berlin, Germany) were mounted horizontally on the center housing and vertically at the oil outlet section (see Figure 2, label 1). A Picoturn eddy–current rotational speed sensor (PTSM-H 5.3, Picoturn, Cambridgeshire, UK; see Figure 2, label 2) was used to monitor rotor speed, while two Micro-Epsilon eddy–current displacement sensors (ES04, Micro-Epsilon, Ortenburg, Germany) were mounted perpendicularly at the shaft end (see Figure 2, label 3). An IMC Cronosflex CRFX-2000 GP data acquisition system (imc, Berlin, Germany) with a sampling frequency of 50 kHz per channel processed the signals from the speed, acceleration, and displacement sensors, making it well-suited for vibration and rotordynamic analysis.
Figure 2.
Turbocharger with the applied accelerometers (1), RPM probe (2), and displacement sensors (3).
In summary, the rigorously designed test bench and precision instrumentation ensure highly reliable data collection, which is critical for the accurate analysis of turbocharger dynamics. This robust framework paves the way for our experimental design, providing a solid foundation for evaluating the system’s performance under a range of operating conditions.
2.2. Experimental Design: DoE Method and Measured Operational Points
As introduced in the literature review section, several studies have explored bifurcation phenomena in turbocharger rotordynamics. This study focuses on the bifurcation behavior induced by variations in oil supply temperature and pressure. The oil supply temperature range was defined based on system constraints, ensuring safe and controlled operation. A lower limit of 40 °C was selected to maintain conditions above ambient, as the oil circuit is designed solely for heating, while the upper limit of 120 °C was set to prevent oil degradation and remain within the maintainable range of the system. To capture multistage effects, temperature levels were established at 40, 60, 80, 100, and 120 °C.
Similarly, the oil supply pressure range was set between 1.5 bar and 2.5 bar (relative) to balance lubrication performance and system integrity. The lower limit of 1.5 bar ensures sufficient lubrication during initial run-up and run-down cycles without risk of damage, while the upper limit of 2.5 bar—0.5 bar above nominal pressure—allows us to assess overpressure effects while maintaining safe operating conditions.
Although a full factorial design with these five levels for both parameters would yield 25 operational points, the extensive sensor data and multiple measurement cycles necessitated a more efficient approach. After evaluating several designs of experiments (DoE) methodologies, a custom fractional factorial design was adopted, as illustrated in Figure 3, which includes four additional points to improve interpolation accuracy.
Figure 3.
The operational points investigated in a fractional factorial design for oil supply temperature and pressure.
The sequence in which the oil supply pressures and temperatures were tested was not critical to the experimental procedure, as the primary focus was on capturing the measurements for all defined combinations. For each combination, ramp-up and ramp-down measurements were conducted within the speed range of 0 to 140,000 RPM, with three repetitions performed to ensure repeatability. The three repetitions resulted in maximum differences of 5% at points with the highest variability, while the average difference remained below 1%. Therefore, the three measurements were averaged before proceeding with the evaluation procedure. Figure 4 shows the flow chart of the measurement procedure.
Figure 4.
Flow chart of the measurement procedure.
Overall, the structured approach adopted in our experimental design, incorporating carefully defined operating parameters and a custom fractional factorial DoE framework, yielded robust and reliable data. This comprehensive dataset necessitated systematic processing to ensure that the complex bifurcation phenomenon in turbocharger rotordynamics is accurately captured and effectively analyzed.
2.3. Data Processing Methodology
Data processing was carried out with the imc Famos 2024 R3 software, and involved exporting raw data from acceleration, displacement, and rotor speed (rpm) sensors. The raw data was then segmented, as each measurement file contained both run-up and run-down phases, requiring careful separation into distinct sections. Following segmentation, the data was further processed using order spectrum analysis, which applies the fast Fourier transform (FFT) to represent the vibration components in the order domain. Next, a specific order tracking method was employed to precisely determine bifurcation speeds. This method was selected for its ability to accurately detect subsynchronous phenomena—specifically, the subsynchronous components. These steps are illustrated in Figure 5.
Figure 5.
Flow chart of the evaluation pocedure.
As the first step after segmentation, Figure 6 shows the order spectrum for one run-up phase, calculated from the displacement sensor data, with oil supply conditions set to 40 °C and a pressure of 2.00 bar. This approach enabled the identification of critical bifurcation events, providing reliable insights into the dynamic behavior of the system under varying operating conditions. Figure 5 is depicted only up to the second order, as the focus is on the subsynchronous frequencies. The bifurcation speed is clearly visible at about 65,000 rpm, where the first subsynchronous frequency (Sub 1) transfers into the second (Sub 2). The color scale was optimized to highlight the subsynchronous frequencies in detail. Notably, both subsynchronous components exhibit multiple modulations at higher order numbers, emphasizing the significance of this phenomenon in understanding the system’s dynamics.
Figure 6.
Order a spectrum of a displacement sensor from a run-up ramp measurement with 40 °C and 2 bar pressure. (1) shows Sub 1, and (2) shows Sub 2.
To determine the bifurcation speed points and eliminate the need for manual identification in the order spectrum, a custom-designed order tracking method was applied to the data. This approach focuses on the relevant order range, with displacement magnitudes plotted in a 2D diagram as a function of rotational speed. Figure 7 illustrates the process and the resulting two-dimensional visualization. The 0.35 order was chosen as the center point, with a 100% order width considered. This means the range from 0.35/2 order left and right from the 0.35 order was analyzed and depicted on the 2D diagram. The result on the right-hand side clearly reveals the bifurcation point, making it easily identifiable.
Figure 7.
Order tracking process and 2D displacement magnitude diagram for bifurcation point identification.
Section 2 outlined the experimental setup, including the test bench environment, measurement methodology, and data evaluation processes. The test bench, equipped with precision instruments and controlled settings, allowed for accurate collection of vibration data under varying operating conditions, while the data processing methodology facilitated the identification of key bifurcation phenomena. The subsequent chapters will build on these methodologies to elucidate the dynamic behavior and bifurcation phenomenon of the system.
3. Results and Discussion
As the research gap was introduced in Section 1 and the measurement and evaluation methodology was clarified in Section 2, this section presents a summary of the key results obtained from the experimental testing. The focus of these results is on identifying the bifurcation speed during the ramp-up phase of the turbocharger rotor. It is important to note that these results are derived from data collected by all four sensors (two accelerometers and two displacement sensors), and it is crucial that the same bifurcation speed is consistently recorded across these sensors for each operation point. While the data from all four sensors were measured and recorded for the sake of robust validation and further studies, it is not necessary to present all of them here, as they serve to support subsequent analysis.
The primary input parameters investigated in this study were oil supply temperature and pressure, which were analyzed to understand their interrelationship and impact on rotordynamics. To begin, temperature curves are presented as a function of oil supply pressure, revealing the influence of pressure on the system’s lubrication properties. As shown in Figure 8, 13 operational points were previously considered, with bifurcation speeds consistently ranging from 35,000 to 70,000 rpm. This critical range is essential as the bifurcation points may vary with rotor design, which is affected by factors such as rotor material, mass, turbine and compressor wheel configurations, bearing construction, oil viscosity, and operating conditions (e.g., ambient temperature, shaft speed, and supply characteristics). The figure illustrates the exact measurements as points, with second-order polynomial trend lines providing a smooth approximation of the data for the temperatures where at least three points were investigated. These insights are crucial for the optimization of turbocharger system designs, as they contribute to a better understanding of bifurcation behavior. By adjusting oil pressure and temperature parameters, it is possible to mitigate bifurcation-induced instabilities, enhancing the overall performance and reliability of turbocharger systems in automotive applications.
Figure 8.
Bifurcation speed in the function of oil supply pressure for various oil supply temperatures: experimental data points and second-order polynomial trend lines.
Building on the insights discussed thus far, Figure 9 illustrates how variations in oil inlet temperature influence the bifurcation speed for different oil supply pressures. The data points, plotted with second-order polynomial trend lines for the pressures where at least three points were investigated, show a pronounced downward trend: as temperature increases, the bifurcation speed decreases. This effect can be attributed to reduced lubricant viscosity at higher temperatures, leading to lower fluid film stiffness and damping within the bearing system. Notably, elevated supply pressures partially counterbalance this decline by enhancing the oil film’s load-carrying capacity. These observations reinforce the importance of managing both temperature and pressure to maintain stable rotor-bearing dynamics. By carefully tuning these parameters, the safe operating range of the turbocharger could be extended, mitigating subsynchronous vibrations and other bifurcation-induced instabilities.
Figure 9.
Bifurcation speed in the function of oil inlet temperature for varying oil supply pressures: experimental data points and second-order polynomial trend lines.
Figure 10 summarizes the data from Figure 8 and Figure 9, presenting a three-dimensional shell diagram that integrates measured values, as indicated by the white points, with linear interpolation applied to provide the continuous surface depicted. The diagram reveals a noticeable trend in which the influence of oil supply pressure diminishes as temperature increases, suggesting that higher temperatures lead to a reduced impact of pressure on bifurcation behavior. This phenomenon could be attributed to the decrease in oil viscosity at elevated temperatures, which in turn lowers the damping and stiffness effects provided by the oil film. This observation is crucial for understanding rotordynamics in the context of turbocharger performance. As oil viscosity decreases with increasing temperature, the oil supply pressure becomes less effective in stabilizing the rotor system. This information is valuable for optimizing operational strategies as it enables better prediction of instability occurrences across the full range of operating conditions. Furthermore, incorporating these parameter dependencies into future rotordynamic simulations will enhance the accuracy of bearing stiffness and damping calculations. Such improvements could lead to more precise models for rotor behavior, particularly under varying thermal conditions. By advancing the understanding of how oil temperature and pressure influence the rotor bearings, engineers can refine their designs to mitigate instability and improve the reliability of turbochargers in automotive applications. Additionally, future investigations can leverage this data to examine other dynamic aspects of rotor systems, such as transient behavior and response under extreme operating conditions.
Figure 10.
Three-dimensional shell diagram of bifurcation speed versus oil supply pressure and temperature.
4. Conclusions
This study presented an experimental work and its analysis, which offers a deeper understanding of bifurcation phenomenon in turbocharger rotordynamics, particularly under varying oil supply temperature and pressure. By systematically varying these parameters and employing a fractional factorial design, we were able to identify critical bifurcation speeds and map their dependence at a given lubricant viscosity, bearing geometry, and rotor design factors. The order spectrum analysis and custom order tracking methodology further enabled precise detection of subsynchronous vibration components, thus providing reliable insights into the onset and progression of bifurcation-induced instabilities.
Key findings demonstrated that higher oil supply pressures generally increased the bifurcation speed, reflecting enhanced damping and stiffness caused by the thicker oil film. Conversely, elevated temperatures lower the oil viscosity, diminishing the stabilizing effect of pressure and resulting in reduced bifurcation speeds. This interplay highlights the need for careful calibration of temperature and pressure to maintain rotor-bearing stability across a range of operational conditions.
From a practical standpoint, the results of the present study emphasize the value of integrating temperature and pressure considerations into both design and operational strategies for turbocharger systems. By refining rotordynamic simulations to account for the observed sensitivity of bifurcation behavior to lubricant properties, engineers can more accurately predict and mitigate instabilities, potentially extending component life and improving overall turbocharger performance.
5. Future Work
Continuing this research topic could expand on these findings by examining additional variables—such as bearing clearances, rotor mass distributions, or extreme thermal and pressure conditions—to further optimize turbocharger rotor-bearing system design and reliability. Numerical analysis of rotor run-up could effectively complement experimental methods, as they allow flexible variation of boundary conditions, including inlet pressure, lubricant temperature, and bearing clearance. Additionally, numerical approaches can provide insights into oil velocity profiles, derived from the bearing film’s pressure distribution, which are challenging to measure experimentally.
Author Contributions
Conceptualization, M.P. and C.T.-N.; methodology, M.P.; software, M.P.; validation, M.B.; formal analysis, C.T.-N.; investigation, M.P. and M.B.; resources, M.B.; data curation, M.P.; writing—original draft preparation, M.B. and M.P.; writing—review and editing, C.T.-N.; visualization, M.P.; supervision, C.T.-N.; project administration, M.P.; funding acquisition, M.P. All authors have read and agreed to the published version of the manuscript.
Funding
This article is published in the framework of the project “Production and Validation of Synthetic Fuels in Industry-University Collaboration”, project number “ÉZFF/956/2022-ITM_SZERZ”.
Institutional Review Board Statement
Not applicable.
Informed Consent Statement
Not applicable.
Data Availability Statement
Data are available upon request from the corresponding author.
Conflicts of Interest
The authors declare no conflicts of interest.
References
- Kudláček, P.; Novotný, P.; Vacula, J.; Kocman, F. Investigating the Effect of Rotor Design Changes on Mechanical Losses Due to Rotor-Fluid Interaction. Stroj. Časopis. J. Mech. Eng. 2022, 72, 71–80. [Google Scholar] [CrossRef]
- Gloeckner, P.; Rodway, C. The Evolution of Reliability and Efficiency of Aerospace Bearing Systems. Engineering 2017, 9, 962–991. [Google Scholar] [CrossRef]
- Vacula, J.; Novotný, P. Identification of Aerodynamic Tonal Noise Sources of a Centrifugal Compressor of a Turbocharger for Large Stationary Engines. Appl. Sci. 2023, 13, 5964. [Google Scholar] [CrossRef]
- Török, A.; Zöldy, M. Energetic and economical investigation of greenhouse gas emission of Hungarian road transport sector. Pollack Period. 2010, 5, 123–132. [Google Scholar] [CrossRef]
- Lee, Y.; Park, D.; Kim, T.H.; Sim, K. Development and Performance Measurement of Oil-Free Turbocharger Supported on Gas Foil Bearings. ASME J. Eng. Gas Turbines Power 2012, 134, 032506. [Google Scholar] [CrossRef]
- Takács, R.; Zsoldos, I.; Szentendrei, D. Water Droplet Collison and Erosion on High-Speed Spinning Wheels, SAE Int. J. Engines 2024, 17, 653–667. [Google Scholar] [CrossRef]
- Liu, B.; Zhang, B.; Cui, S. Effects of Different Influencing Factors on Temperature Distributions and Cooling Performance of Turbocharger Bearing Casing. Processes 2022, 10, 2121. [Google Scholar] [CrossRef]
- Tóth, M.; Gyuris, A.; Rácz, B.; Sass, P.; Rohde-Brandenburger, J. Design and Testing of a Water Injection System of a Turbocharged Spark Ignition Engine in Testbench Environment. In Vehicle and Automotive Engineering 3. VAE 2020; Lecture Notes in Mechanical Engineering; Springer: Singapore, 2021. [Google Scholar] [CrossRef]
- Böhm, M.; Stetina, J.; Svida, D. Exhaust Gas Temperature Pulsations of a Gasoline Engine and Its Stabilization Using Thermal Energy Storage System to Reduce Emissions. Energies 2022, 15, 2365. [Google Scholar] [CrossRef]
- Pesthy, M.; Fekete, G.; Boros, M.; Tóth-Nagy, C. Experimental Analysis on the Hysteresis Phenomenon in the Range of Subsynchronous Frequency as a Function of Oil Temperature with Regard to Turbochargers. Lubricants 2025, 13, 60. [Google Scholar] [CrossRef]
- Nguyen-Schäfer, H. Rotordynamics of Automotive Turbochargers; Springer International Publishing: Cham, Switzerland, 2015. [Google Scholar] [CrossRef]
- Kirk, R.G. Experimental Evaluation of Hydrodynamic Bearings for a High-Speed Turbocharger. J. Eng. Gas Turbines Power 2014, 136, 072501. [Google Scholar] [CrossRef]
- El-Sayed, T.A.; Sayed, H. Bifurcation analysis of rotor/bearing system using third-order journal bearing stiffness and damping coefficients. Nonlinear Dyn. 2022, 107, 123–151. [Google Scholar] [CrossRef]
- Deng, D.; Shi, F.; Begin, L.; Isaac, D. The Effect of Oil Debris in Turbocharger Journal Bearings on Sub-Synchronous NVH; SAE Technical Paper; SAE: Warrendale, PA, USA, 2015; pp. 1–10. [Google Scholar] [CrossRef]
- Yu, F. The Effect of Thermal Energy Transport on the Performance of (Semi) Floating Ring Bearing Systems for Turbochargers. Master’s Thesis, Texas A&M University, College Station, TX, USA, 2013. [Google Scholar]
- Peixoto, T.F.; Cavalca, K.L. A Review on the Rotor Dynamics of Automotive Turbochargers. In Advances in Engine and Powertrain Research and Technology; Parikyan, T., Ed.; Mechanisms and Machine Science; Springer: Cham, Switzerland, 2022; Volume 114, pp. 1–14. [Google Scholar] [CrossRef]
- Eling, R.; Te Wierik, M.; Van Ostayen, R.; Rixen, D. Towards Accurate Prediction of Unbalance Response, Oil Whirl and Oil Whip of Flexible Rotors Supported by Hydrodynamic Bearings. Lubricants 2016, 4, 33. [Google Scholar] [CrossRef]
- de Castro, H.F.; Cavalca, K.L.; Nordmann, R. Whirl and whip instabilities in rotor-bearing system considering a nonlinear force model. J. Sound Vib. 2008, 317, 273–293. [Google Scholar] [CrossRef]
- Chen, Y.; Zhang, H.; Li, X.; Xiao, S.; Gu, F.; Shi, Z. Effects of Wear on Lubrication Performance and Vibration Signatures of Rotor System Supported by Hydrodynamic Bearings. Lubricants 2023, 11, 107. [Google Scholar] [CrossRef]
- Jung, W.; Andrés, L.S.; Kim, J. A Nonlinear Rotordynamics Model for Automotive Turbochargers Coupled to a Physical Model for A (Semi) Floating Ring Bearing System. J. Eng. Gas Turbines Power 2022, 144, 111002. [Google Scholar] [CrossRef]
- Savaripour, H.; Alaviyoun, S.; Rosen, M.A. Thermal Investigation of a Turbocharger Using IR Thermography. Clean Technol. 2022, 4, 329–344. [Google Scholar] [CrossRef]
- Ryu, K.; Yi, H. Wire Mesh Dampers for Semi-Floating Ring Bearings in Automotive Turbochargers: Measurements of Structural Stiffness and Damping Parameters. Energies 2018, 11, 812. [Google Scholar] [CrossRef]
- Cunha, B.Z.; Daniel, G.B. Effects of bearing lubrication conditions on rotor dynamic behavior. Proc. Inst. Mech. Eng. Part J 2021, 236, 563–580. [Google Scholar] [CrossRef]
- Singh, A.; Gupta, T.C. Bifurcation analysis of turbocharger flexible rotor system supported on fluid film bearings. AIP Conf. Proc. 2020, 2200, 130031. [Google Scholar] [CrossRef]
- Myers, C.J. Bifurcation Theory Applied to Oil Whirl in Plain Cylindrical Journal Bearings. J. Appl. Mech. 1984, 51, 244–250. [Google Scholar] [CrossRef]
- Kucherenko, V.; Gómez-Mancilla, J. Bifurcation of an Exactly Solvable Model of Rotordynamics. Int. J. Bifurc. Chaos 2000, 10, 2689–2699. [Google Scholar] [CrossRef]
- Tadayoshi, S. Nonlinear Vibration of Saturated Water Journal Bearing and Bifurcation Analysis. J. Vib. Acoust. 2019, 141, 021016. [Google Scholar] [CrossRef]
- Chatzistavris, A.; Chasalevris, A. A Design Method to Eliminate Sub Synchronous Response in Automotive Turbochargers utilizing Nonlinear Dynamics of Time Periodic Systems. J. Sound Vib. 2024, 573, 118192. [Google Scholar] [CrossRef]
- Dyk, Š.; Smolík, L.; Rendl, J. Predictive capability of various linearization approaches for floating-ring bearings in nonlinear dynamics of turbochargers. Mech. Mach. Theory 2020, 149, 103843. [Google Scholar] [CrossRef]
- Vistamehr, A. Analysis of Automotive Turbocharger Nonlinear Vibrations Including Bifurcations. Master’s Thesis, Texas A&M University, College Station, TX, USA, 2009. Available online: https://oaktrust.library.tamu.edu/items/d31afff2-b7b4-455c-a0a8-0c411ff1af60 (accessed on 4 February 2025).
- San Andrés, L.; Yu, F.; Gjika, K. On the Influence of Lubricant Supply Conditions and Bearing Configuration to the Performance of (Semi) Floating Ring Bearing Systems for Turbochargers. J. Eng. Gas Turbines Power 2017, 140, 032503. [Google Scholar] [CrossRef]
Disclaimer/Publisher’s Note: The statements, opinions and data contained in all publications are solely those of the individual author(s) and contributor(s) and not of MDPI and/or the editor(s). MDPI and/or the editor(s) disclaim responsibility for any injury to people or property resulting from any ideas, methods, instructions or products referred to in the content. |
© 2025 by the authors. Licensee MDPI, Basel, Switzerland. This article is an open access article distributed under the terms and conditions of the Creative Commons Attribution (CC BY) license (https://creativecommons.org/licenses/by/4.0/).









