Next Article in Journal
Transformer-Driven GAN for High-Fidelity Edge Clutter Generation with Spatiotemporal Joint Perception
Next Article in Special Issue
Maintaining Dynamic Symmetry in VR Locomotion: A Novel Control Architecture for a Dual Cooperative Five-Bar Mechanism-Based ODT
Previous Article in Journal
Research on ADPLL for High-Precision Phase Measurement
 
 
Font Type:
Arial Georgia Verdana
Font Size:
Aa Aa Aa
Line Spacing:
Column Width:
Background:
Article

Symmetry and Asymmetry in Dynamic Modeling and Nonlinear Control of a Mobile Robot

by
Vesna Antoska Knights
1,*,
Olivera Petrovska
2 and
Jasenka Gajdoš Kljusurić
3
1
Faculty of Technology and Technical Sciences, University St. Kliment Ohridski-Bitola, 7000 Bitola, North Macedonia
2
Faculty of Technical Science, Mother Teresa University, 1000 Skopje, North Macedonia
3
Faculty of Food Technology and Biotechnology, University of Zagreb, Pierottijeva 6, 10000 Zagreb, Croatia
*
Author to whom correspondence should be addressed.
Symmetry 2025, 17(9), 1488; https://doi.org/10.3390/sym17091488
Submission received: 31 July 2025 / Revised: 25 August 2025 / Accepted: 4 September 2025 / Published: 8 September 2025
(This article belongs to the Special Issue Applications Based on Symmetry/Asymmetry in Control Engineering)

Abstract

This paper examines the impact of symmetry and asymmetry on the dynamic modeling and nonlinear control of a mobile robot with Ackermann steering geometry. A neural network-based residual model is incorporated as a novel control enhancement. This study presents a control-oriented formulation that addresses both idealized symmetric dynamics and real-world asymmetric behaviors caused by actuator imperfections, tire slip, and environmental variability. Using the Euler–Lagrange formalism, the robot’s dynamic equations are derived, and a modular simulation framework is implemented in MATLAB/Simulink R2022a, that incorporates distinct steering and propulsion subsystems. Symmetric elements, such as the structure of the inertia matrix and kinematic constraints, are contrasted with asymmetries introduced through actuator lag, unequal tire stiffness, and nonlinear friction. A residual neural network term is introduced to capture unmodeled dynamics and improve the robustness. The simulation results show that the control strategy, originally developed under symmetric assumptions, remains effective when adapted to systems exhibiting asymmetry, such as actuator delays and tire slip. Explicitly modeling these asymmetries enhances the precision of trajectory tracking and the overall system robustness, particularly in scenarios involving varied terrain and obstacle-rich environments.

1. Introduction

Mobile robots have become essential in a wide range of applications, from industrial logistics and material handling facilities [1,2,3,4,5] to autonomous navigation in complex and unstructured environments, such as agricultural fields [6,7,8,9,10]. Their ability to move and act autonomously requires sophisticated navigation [2,3], localization, and control systems [10]. Efficient navigation of mobile robots in dynamic environments is extremely complex and presents complex challenges such as mapping [10], localization, and path planning [4]. Mobile robots can use a variety of locomotion modes that include wheels, legs, tracks, or combinations thereof, with the wheel configuration being crucial to their performance and maneuverability [11,12]. Precise control of mobile robots, especially wheel-mounted robots (WMRs), requires a detailed understanding of their kinematics and dynamics [2,13]. While kinematic models describe robot motion without considering forces and moments [2,4,10,13], dynamic models take into account the interaction of forces and their influence on robot motion, providing the basis for more robust and precise control strategies [12,13,14,15]. Therefore, mathematical modeling is essential for describing the dynamic behavior of systems [2], including the robot’s structure [16], the actuators, and the drive train [13]. Nonlinear control is often necessary to deal with the inherent nonlinearities in robotic systems, such as complex interactions with the environment and actuator behavior [13,17]. Methods such as differential flatness control and robust controllers have been developed to achieve smooth and efficient motion, as well as robustness to disturbances [13,16].
Although many robot designs are based on idealized, symmetric dynamic models [4], real-world system often exhibit asymmetries caused by actuator imperfections, tire slip, and environmental variability [16]. Actuators rarely perform identically; their behavior can be influenced by nonlinearities, measurement errors, and sensor noise, leading to imbalanced wheel motion and trajectory deviations [13,17]. Slippage on uneven or low-friction surfaces introduces additional asymmetric forces and control challenges [2,13,15,16], while unpredictable terrain and dynamic obstacles increase the variability further [2,4,6,11,14,18].
To address these complexities, advanced control strategies have been developed. For example, control based on Ackermann steering ensures that all wheels intersect at a common point during turns, which is important for stable movement [6]. Ackermann steering differs from systems such as multi-axle autonomous mobile robots with slewing drive (MS-AGV), where each wheel has independent control over the steering angle and speed. The Ackermann steering geometry is used in mobile robots, including agricultural robots and wall-climbing robots [2,6], and its key features are (i) the front and rear wheel axles having their own steering angles (ensuring that all four wheels meet at a common center point during turning) and (ii) two front forks that define the robot’s direction (this design allows for smooth movement, which is useful for tasks such as navigating in greenhouses [9,15]). Neural networks (NNs) and deep learning techniques have proven to be extremely effective in solving the problem of unknown system dynamics and uncertainty estimation [13,17], allowing robots to improve their performance and adapt to changes in the environment [19]. They can approximate unknown nonlinear functions and be used for object detection and visual localization [20,21]. Simulation environments like MATLAB/Simulink, CoppeliaSim and others are essential for the development and testing of control algorithms [2,6,13,21,22,23], allowing for detailed analysis of a robot’s behavior before real-world implementation [24,25,26,27,28,29].
Given the aforementioned challenges, this paper aims to present a control-oriented formulation that thoroughly considers both the idealized, symmetric dynamics of mobile robots, as well as the asymmetric real-world behaviors resulting from actuator imperfections, tire slippage, and environmental variability. By integrating advanced techniques of dynamic modeling, nonlinear adaptive control, and the application of neural networks, we strive to improve the robustness and precision of autonomous navigation in complex and unpredictable environments.
This paper is organized as follows: Section 2 describes the robot system, modeling methods, and neural network residual architecture. Section 3 presents the simulation framework and results, including trajectory tracking and asymmetry compensation. Section 4 discusses the findings and compares them with related work, and Section 5 summarizes the conclusions and outlines directions for future research.

2. Materials and Methods

In this study, control-oriented modeling of a mobile robot (Ackermann-type) is presented, emphasizing the symmetry and asymmetry in its dynamic behavior. The methods involve mathematical modeling, MATLAB/Simulink simulation, and an analysis of the control behavior under realistic conditions, including tire slip and actuator dynamics.

2.1. System Description

The mobile robot considered in this work features a four-wheel Ackermann-type geometry (Figure 1a,b), with
  • Two front wheels, one or both capable of steering;
  • Two rear wheels responsible for propulsion;
  • A rigid chassis with a symmetric mass distribution about the longitudinal axis.

2.2. Kinematic Modeling

Symmetry refers to balanced or mirrored behavior in the robot’s structure, dynamics, or control laws. In this context, the following elements exhibit kinematic symmetry:
  • The Ackermann steering geometry is symmetrical about the robot’s longitudinal axis;
  • When executing left and right turns with equal steering input magnitudes (±δ), the resulting path curvature is theoretically identical but mirrored;
  • The kinematic equations are symmetric in structure and behavior.
x ˙ e = V cos ( ψ + β ) ;         y ˙ e = V sin ( ψ + β ) ;         ψ ˙ = V cos β l f + l r t g δ
where V denotes the velocity of the mobile robot’s center of gravity, which is positioned at point C; ψ represents the yaw angle, indicating the robot’s orientation relative to the global coordinate x e ; β is the mobile robot’s slip angle; χ = ψ + β defines the effective direction of motion (composite heading); ±δ denotes the front wheel steering angle, where the ± sign represents symmetric left and right turns. The distances l f and l r , are measured from the mobile robot’s center of gravity (C) to the front and rear axles, respectively, and their sum l = l f + l r gives the total wheelbase of the mobile robot cart.
Figure 1. (a) The mobile robot kinematic model in a global lane-centered coordinate frame, illustrating the position, orientation, velocity vectors, and angular relationships; (b) a mobile robot’s motion in a trajectory-tracking context showing the deviation between the actual and desired paths, with reference vectors, acceleration components, and control-related parameters.
Figure 1. (a) The mobile robot kinematic model in a global lane-centered coordinate frame, illustrating the position, orientation, velocity vectors, and angular relationships; (b) a mobile robot’s motion in a trajectory-tracking context showing the deviation between the actual and desired paths, with reference vectors, acceleration components, and control-related parameters.
Symmetry 17 01488 g001
The methodological framework illustrated in Figure 1a,b, as well as the coordinate-based representations, draws upon the authors’ previous studies, which introduced a foundational kinematic and dynamic modeling framework for mobile robots operating in complex environments [30,31].

2.3. Dynamic Modeling

The dynamic model is developed using the Euler–Lagrange formalism to capture symmetry in the inertia and Coriolis terms. An alternative to the Newton–Euler formulation of the manipulator dynamics is the Lagrangian formulation, which describes the behavior of a dynamic system in terms of the work and energy stored in the system rather than the forces and momenta of the individual members involved. The constraint forces involved in the system are automatically eliminated in the formulation of Lagrangian dynamic equations. The closed-form dynamic equations can be derived systematically in any coordinate system.
Let q 1 , , q n be generalized coordinates that completely locate a dynamic system. T is the kinetic energy (translational + rotational), and V is the potential energy stored in the dynamic system. The Lagrangian is defined as
L q i , q ˙ i = T V
Since both T and V are functions of q i and   q ˙ i   i = 1 , , n , the Euler–Lagrange equations of motion of the dynamic system are given by
d d t L q ˙ i L q i = τ i     i = 1 ,   .   ,   n
The generalized coordinate vector for the mobile robot is
q = [ x e ,   y e ,   ψ ,   δ ,   V x ,   ω δ ] T

2.3.1. Symmetry Modeling

The general dynamic equation in matrix form is given by
τ = H q q ¨ + C q , q ˙ q ˙ + G ( q )  
If the robot has an equal mass distribution and identical tire properties on both sides, then
  • The inertia matrix H(q) is symmetric and positive definite;
  • The Coriolis matrix C q ,   q ˙   has structured skew-symmetry;
  • G(q) is a gravity vector, which is zero in planar motion G(q) ≡ 0;
  • τ is the generalized torque vector, representing the control inputs applied to the system.
These symmetry characteristics are fundamental to the application of Lagrangian mechanics and passivity-based control methods. The modeling approach builds upon foundational work on dynamic symmetry in mobile robotic systems, where symmetric actuator and inertial properties were shown to be essential for a Zero Moment Point (ZMP)-based stability analysis [32].
The general dynamic Equation (5) encapsulates the forces and torques acting on the mobile robot, where τ includes both steering and propulsion actuator efforts. To realize a practical control implementation, it is essential to model how these actuator inputs affect the system. Specifically, the steering and driving subsystems are influenced by the limitations and dynamics of their respective actuators.
These actuator dynamics are typically modeled as first-order systems to capture the delayed response between the control input and changes in physical state. This is crucial for capturing asymmetries or time lags in turning and acceleration behaviors.
Steering dynamics are often modeled as symmetric because in theory, the left and right steering angles (±δ) are designed to produce identical but mirrored turning behavior (the Ackermann geometry ensures that all wheels point to a common turning center).
The standard first-order or second-order actuator model
δ ˙ = ω δ           ω ˙ δ = c a ω δ + 1 τ a u 1
where δ is the steering angle, ω δ is the angular velocity of the steering mechanism, u1 is the control input for steering (e.g., voltage or torque), the actuator damping coefficient is set c a = 1 and the actuator time constant is defined as τ a = 0.01 .
Under symmetric assumptions, the values of ca and τ are treated as direction-independent and constant for both left and right steering motions. The use of a first-order lag structure ensures that the steering actuator’s response time is accurately captured without introducing complexity from higher-order dynamics. This symmetric formulation provides a reliable foundation for trajectory tracking and control under nominal operating conditions. In a symmetric model, the steering actuator responds identically to positive and negative commands, ensuring uniform turning behavior in both directions. This idealized response is critical when designing baseline controllers and performing an initial stability analysis using Lyapunov or passivity-based techniques.

2.3.2. Asymmetry Modeling

Asymmetry refers to directional bias or imbalance in dynamic response—e.g., turning left vs. right or accelerating vs. decelerating. These behaviors arise from real-world imperfections and parameter mismatches. To explore this, asymmetry was introduced into the model through tire slip, actuator imperfections, and external disturbances.
Tire slip and unequal stiffness: Tire slip was modeled using a linear slip force relation:
F s l i p = C s · s
C s is the slip stiffness, and s is the longitudinal slip ratio. The left and right rear wheels were assigned an unequal stiffness C s l e f t C s r i g h t . When turning sharply or accelerating, the left/right tires experience different slip, causing asymmetric lateral forces. This leads to different turning radii or understeer/oversteer dynamics.
Actuator-induced asymmetry: If the steering actuator experiences mechanical backlash or nonlinear friction, the dynamics differ when turning left vs. right:
ω ˙ δ = α 1 ω δ + β 1 u 1       u 1 > 0   α 2 ω δ + β 2 u 1       u 1 < 0  
This results in input asymmetry, with slower or faster responses in one direction. Similarly, if one side of the drive train receives more torque (due to unequal traction, current, or surface friction), the robot exhibits longitudinal asymmetry.
Neural Network Residual Term and Hyperparameter Selection: To compensate for unmodeled effects like friction, sensor delays, or backlash, a data-driven term is added:
τ = H q q ¨   +   C q , q ˙ q ˙ + G q + f N N q ,   q ˙ ,   q ¨ l e a r n e d   r e s i d u a l s  
Here, f N N ( q , q ˙ ,   q ¨ ) is a neural network residual function, trained to approximate nonlinearities not captured by the analytical model. The network is implemented as a lightweight MATLAB/Simulink function block. It consists of two fully connected hidden layers with 16 and 8 neurons, respectively, each using a hyperbolic tangent (tanh) activation function and a linear output layer.
The hyperparameters (layer sizes, learning rate, optimizer) were chosen via grid search on simulation data to balance accuracy and computational efficiency.
The final neural network configuration is
z 1 = t a n h W 1 x + b 1 , W 1 R 16 x 13 ,         b 1 R 16
z 2 = t a n h W 2 z 1 + b 2 , W 2 R 8 x 16 ,         b 2 R 8
y ^ = W 3 z 2 + b 3 ,     W 3 R 4 x 8 ,         b 3 R 4
where x is the input vector of 13 features, and y ^ predicts four variables ( x e ,   y e ,   ψ , V x ) .
The network is trained to minimize the mean squared error (MSE):
L M S E = 1 N i = 1 N y ^ ( i ) y ( i ) 2 2
where N is the number of samples, and y ( i ) is the target output for sample i .
The Adam optimizer updates the weights using
m t = β 1 m t 1 + ( 1 β 1 ) θ t L
v t = β 2 v t 1 + ( 1 β 2 ) ( θ t L ) 2
m ^ t = m t 1 β 1 t
v ^ t = v t 1 β 2 t
θ t + 1 = θ t η m ^ t v ^ t + ϵ
where θ t are the network parameters, η is the learning rate, and β 1 ,   β 2 are Adam’s momentum coefficients, with ϵ as a numerical stability constant.
The dataset was split 70%/30% into training and testing sets, with a batch size B = 32, and trained for E = 100 epochs.
These values are fixed during runtime and do not adapt dynamically to changing robot parameters. The residual network is most beneficial in asymmetric conditions, where actuator imperfections and slip dominate; in symmetric conditions, its corrections are minimal.
This hybrid approach enhances accuracy while preserving the physical interpretability of the Lagrangian structure.

2.4. The Simulation Framework

All simulations were carried out in MATLAB/Simulink R2024a, using a fixed-step solver with a simulation time step of T = 0.01 s, which is consistent with the sampling rates used in embedded robotic systems. The simulation framework was used to evaluate the robot’s performance in two main scenarios: (i) neural-network-assisted control for asymmetric dynamic compensation and (ii) trajectory tracking and obstacle avoidance.
A custom simulation environment was built using Simulink’s block-based modeling tools. The control inputs were generated either via Signal Builder blocks or embedded MATLAB Function blocks. Obstacles were placed directly in the 2D simulation space using MATLAB scripts, and the trajectory generation was based on a potential field method.
To enhance the realism of the model, a neural network—initially trained in Python 3.10.12, using PyTorch—was exported and integrated into MATLAB for residual modeling within the control loop. This hybrid setup allowed both physics-based and data-driven control strategies to be tested within a unified simulation framework.

2.5. Architecture and Design in MATLAB/Simulink

The control architecture of the mobile robot was implemented in MATLAB/Simulink and consists of three core subsystems: (1) the steering controller, (2) the driving controller, and (3) the mobile robot dynamic model. These components work in tandem to simulate realistic robot behavior under commanded inputs. The full architecture is illustrated in Figure 2, while the internal dynamics are shown in Figure 3, Figure 4 and Figure 5.
The steering controller is the subsystem in the architecture of the control system for a mobile robot. The front-wheel steering system is governed by the steering angle δ and its derivative δ ˙ , which are calculated by the steering controller in response to the control input u1(t). The relationship can be expressed as
δ t = f 1 u 1 ,           δ ˙ t = d δ ( t ) d t
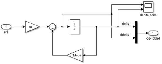
The Simulink implementation of the subsystem (Figure 5) governs the evolution of the steering angle δ in response to the control input u1. The model reflects a first-order lag, commonly used to approximate actuator dynamics such as those of a servo motor or a hydraulic steering mechanism in mobile robots. The control input is first amplified by a gain ca, producing a reference rate of change in the steering angle:
δ ˙ r e f = c a · u 1
This reference signal is compared with the actual rate δ ˙ , and the resulting error is passed through a first-order system with the time constant τa, yielding the dynamic equation
  δ ˙ = 1 τ a ( c a · u 1 δ ˙ )
Rewriting this in standard first-order differential form gives
τ a · δ ˙ + δ = c a · u 1
This model exhibits structural symmetry: it treats positive and negative steering commands identically under the assumption that ca and τa are constant. However, in real-world settings, asymmetry arises due to gear backlash, friction, and mechanical imperfections that cause the actuator to respond differently when steering left versus right. These effects can be modeled by introducing direction-dependent parameters such as
τ a = τ l e f t ,         i f     u 1 < 0 τ r i g h t ,             i f     u 1 > 0
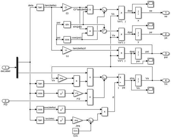
The driving controller is also a subsystem (Figure 4) within the architecture of the control system for a mobile robot. The propulsion dynamics are a specific equation within that framework, focusing on how the motor inputs u 2 affect forward acceleration V ˙ x , where
V ˙ x = 1 m C u 2 u 2 C V x V x
This subsystem regulates the longitudinal motion of the mobile robot while capturing both symmetric and asymmetric control behaviors. The control input u 2 is converted into a driving force F D using a proportional feedback structure. The input u 2 and the measured velocity V x are scaled by gains C u 2 and C V x , respectively, both derived from motor constants, gear ratios, and drive system properties.
The structure of the controller embodies symmetry, as both the control input and feedback are treated with equal weight in a linear relationship. However, asymmetry can be introduced through unequal gain scaling, which accounts for actuator limitations, frictional variation, or directional bias.
The control law begins by applying proportional gains to both the desired control action and the measured feedback response:
u d = C u 2 · u 2 ,                           V f = C v x · V x
where
  • ud is the scaled desired input;
  • V f is the scaled feedback velocity;
  • C u 2 and C v x are controller gain parameters.
The error signal—reflecting the deviation between the command and system response—is computed as
  d F D = u d υ f = C u 2 · u 2 C v x · V x
This formulation is structurally symmetric due to linear subtraction of the scaled signals. However, asymmetry arises if Cu2CVx, reflecting the non-uniform system response during acceleration versus braking or in different environmental conditions.
F D = 1 C F D · d F D = 1 C F D C u 2 · u 2 C v χ   · V χ
CFD introduces an additional layer of dynamic asymmetry, accounting for the robot’s mass inertia characteristics and non-uniform torque transmission through the drive system. The gain 1/CFD acts as a compensation mechanism, balancing control effectiveness across different speeds or load conditions:
F D = F d r i v e ( u 2 ) F d r a g ( V x ) = C u 2 u 2 C V x V x = K m N ω L a N m R ω u 2 K m K b + R a b m L a · N ω 2 N ω 2 R ω 2 V x
Together with the steering controller, the driving controller illustrates how symmetry serves as a modeling foundation, while embedded asymmetries—whether physically derived or data-driven—must be integrated for accurate and reliable control. These aspects become especially important in advanced nonlinear or adaptive control frameworks, where unmodeled dynamics (e.g., friction, backlash, or hysteresis) are handled via neural network residual terms f N N q ,   q ˙ ,   q ¨ embedded into the simulation architecture.
The model of the mobile robot, the scheme (Figure 5), and mathematical equations describe the evolution of the robot’s position and orientation ( x e ,   y e ,   ψ ) based on the velocity Vx and steering angle δ. These differential equations are implemented in Simulink using multiplication and integration blocks to compute the state variables:
x e t = x ˙ e t d t ,       y e t = y ˙ e t d t ,       ψ t = ψ ˙ t d t  

2.6. Robot Parameters and the Simulation Setup

The complete set of physical, dynamic, and actuator parameters used in the modeling and simulation are summarized below. They serve as inputs to the Simulink model described earlier. The robot geometry and mass properties are listed in Table 1.
The derived dynamic parameters, which include equivalent inertia and electrical constants, are presented in Table 2.
The electrical and actuator characteristics of the motors are reported in Table 3, which provides the resistance, inductance, torque constant, and gear ratios used in the simulation.
The simulation environment settings and initial conditions are provided in Table 4.

2.7. Metrics

To evaluate the control accuracy, the trajectory tracking error is computed at each time step as the Euclidean distance between the robot’s actual position and the desired reference trajectory:
  e t = ( x r e f t x t ) 2 + ( y r e f t y t ) 2
This metric is used throughout Section 3 to quantify the deviation of the robot from its planned path, especially during obstacle avoidance and trajectory reversal phases.

3. Results

To assess the efficacy of the proposed hybrid control framework incorporating a neural-network-based residual model, extensive simulations were conducted using MATLAB/Simulink. The nonlinear model of the mobile robot with an Ackermann steering geometry was subjected to diverse dynamic conditions, including steering asymmetry, actuator delays, and variable terrain-induced slip. The design of this hybrid framework builds upon previous work by the authors, where the integration of machine learning into nonlinear robot dynamics was first explored [33].
Neural network architecture: Figure 6 illustrates the structure of the neural network used for residual modeling. The network receives a 13-dimensional input vector composed of reference trajectories and their derivatives (x_ref, y_ref, dx_ref, dy_ref, ddx_ref, ddy_ref), tracking errors (e_x, e_y, dx_e, dy_e), and control state variables (psi, Vx, delta). It contains two fully connected hidden layers with 16 and 8 neurons, respectively, each using a hyperbolic tangent (tanh) activation function, followed by a linear output layer. These inputs are propagated through two fully connected hidden layers, each employing a nonlinear activation function to capture the unmodeled or asymmetric dynamics. The output layer generates corrections to the estimated robot state, predicting four critical variables, x_e, y_e, psi, and Vx, which are then used to compute residual control signals (Δu1, Δu2) applied to the steering and driving controllers in Figure 7.
This neural correction strategy complements the nominal model-based control laws, enhancing adaptability in highly nonlinear and asymmetric environments. The formulation of the network and its role in capturing the residual dynamics were mathematically defined in Section 2.3.2 (Equation (12)).
Training and validation: The network was trained offline in Python (Keras) using data collected from MATLAB/Simulink simulations of the Ackermann robot. The dataset included straight and curved paths, actuator delays, and obstacle avoidance maneuvers, yielding approximately 10,000 samples. Each sample contained normalized features (zero mean, unit variance). The dataset was randomly shuffled and split into training and validation sets with a 70/30 ratio. The model was trained using the Adam optimizer with a mean squared error (MSE) loss function, a batch size of 32, and 100 epochs. The model achieved a final training performance of ≈0.93 (fit accuracy) and a mean squared error of ~0.17 (see Figure 8).
Integration into the control system: Figure 9 presents the enhanced MATLAB/Simulink architecture of the nonlinear control system for the mobile robot, incorporating the neural-network-based residual dynamic model described earlier. This architecture builds upon the baseline control structure shown in Figure 2, where the robot was controlled using conventional feedback loops for steering and propulsion. In the improved version, a dedicated neural network module is embedded within the closed-loop control system. At each simulation step (T = 0.01 s), the network receives the reference trajectory, the tracking errors, and the measured state variables (ψ, Vx). It outputs two residual control signals, which are added to the nominal controller commands to form u 1 = u 1 n o m + u 1 and u 2 = u 2 n o m + u 2 These corrections compensate for unmodeled dynamics such as actuator lag, slip, and asymmetric friction.
The simulation scenarios were conducted using the MATLAB/Simulink model described in Section 2.6. The results presented in this section illustrate the performance of the proposed nonlinear control system across various conditions, including trajectory tracking, obstacle avoidance, and asymmetry compensation.

3.1. Simulations in an Environment with Differently Shaped Obstacles

Figure 10a shows the complete trajectory of the mobile robot navigating toward a goal point and returning to the origin while avoiding obstacles of varying geometries. The robot’s path (green line) closely follows the reference trajectory (red dashed line) while successfully avoiding all obstacles, suggesting the efficacy of the path planning and control algorithms within the simulation environment.
Figure 10b illustrates the trajectory tracking error of the mobile robot throughout the simulation time. The tracking error is computed as the Euclidean distance between the reference trajectory and the actual robot path. During the initial phase (0–30 s), the error remains minimal, indicating close adherence to the desired trajectory. A noticeable increase in the error is observed between 30 and 50 s, which corresponds to the period when the robot navigates around multiple obstacles. Sharp peaks in this interval reflect the robot’s corrective maneuvers to avoid collisions while attempting to stay close to the reference path. These fluctuations are expected and acceptable in dynamic environments with obstacles. After interaction with an obstacle (t > 60 s), the error rapidly converges to a steady value and remains nearly flat, demonstrating successful realignment of the robot with the reference trajectory. This behavior confirms the stability and robustness of the proposed nonlinear control strategy under geometric and dynamic perturbations.
Figure 10c illustrates the time evolution of the reference trajectory’s first and second derivatives, which serve as feedforward signals in the trajectory tracking controller.
The top-left subplot shows the reference velocity component dx and (t), representing the desired longitudinal motion. The velocity remains within ±1 m/s, with moderate fluctuations during the obstacle avoidance phases (around 30–50 s). These fluctuations reflect the robot’s adaptive maneuvering while attempting to maintain proximity to the desired path.
The top-right subplot displays the lateral velocity component dy and (t), which exhibits more pronounced variations due to the directional changes enforced by the repulsive fields near obstacles O1 and O2. The sharp drops and peaks in this profile correspond to turning maneuvers during critical navigation segments.
The bottom-left subplot represents the second derivative ddx and (t), i.e., the longitudinal acceleration. The profile indicates low-frequency dynamics, with a notable impulse-like dip around 50 s, likely caused by the transition phase between forward motion and the return trajectory. The bottom-right subplot shows ddy and (t), the lateral acceleration. Similar to the x-direction, transient spikes are observed in the obstacle-dense interval (30–50 s), followed by a return to near-zero steady-state acceleration. These reference profiles are critical for feedforward control and stability of the closed-loop system. Their smoothness and bounded magnitude are indicative of a well-designed reference generation mechanism, ensuring that the actuator limits and mechanical constraints of the robot are not violated.
Figure 10d presents the time evolution of the robot’s X and Y positions during the round-trip trajectory. The position profiles confirm successful forward navigation to the target and return to the start point, with minor variations reflecting obstacle avoidance maneuvers. The nearly symmetric shape of the position curves around the midpoint of the simulation time also illustrates the bidirectional nature of the robot’s path, validating the controller’s ability to handle both outbound and return motion under similar dynamic constraints.

3.2. Simulations in Environments with Densely Circular Obstacles

Figure 11a shows the robot’s trajectory in an environment with densely placed circular obstacles. The green curve represents the actual robot path, while the dashed red line indicates the reference trajectory generated by the potential field method. The robot successfully navigates between the obstacles during both the outbound and return phases, validating the reliability of the trajectory planning and control approach under cluttered conditions.
Figure 11b illustrates the trajectory tracking error, computed as the Euclidean distance between the actual and reference positions. The error begins at a slightly elevated level during initial alignment and then converges to near-zero values, demonstrating stable and accurate tracking. Transient spikes appear primarily during sharp turns and close proximity to obstacle clusters, where nonlinear phenomena such as tire slip, actuator delays, and frictional asymmetries dominate. These effects are mitigated by the embedded neural-network-based residual dynamics model f N N q ,   q ˙ ,   q ¨ , which compensates for unmodeled behaviors.
Figure 11c presents the temporal evolution of the reference trajectory’s velocity and acceleration components. The top panels show the reference velocities in the x-axis and y-axis directions, while the bottom panels depict the corresponding accelerations. Significant variations are observed in the 0–40 s interval, corresponding to high-curvature segments and obstacle avoidance maneuvers. In particular, the sharp spikes in lateral acceleration indicate rapid direction changes required to maneuver through narrow gaps. After 40 s, the profiles stabilize near zero, indicating successful arrival at the goal and the onset of steady-state behavior.
These profiles also reveal the asymmetric motion demands between the two spatial directions, reflected in the differing magnitudes and durations of acceleration. Such asymmetries, imposed by the environment and the obstacle layout, highlight the need for robust compensation mechanisms—reinforced in this model through neural network augmentation, as introduced in Section 2.5.
Finally, Figure 11d displays the robot’s position evolution along the x- and y-axes. The near-symmetric nature of the curves around the midpoint of the simulation time confirms the controller’s capability to track mirrored outbound and return trajectories, despite minor deviations near obstacles O2, O8 and O4, O7, as well as O5, O14, O10 and O9 during the outbound and return phase. These small divergences are attributed to modeled asymmetries, such as an unequal tire stiffness and direction-dependent actuation, thereby further validating the realism and fidelity of the dynamic model.
To evaluate the robustness of the robot control system under diverse terrain conditions, we conducted simulations by varying the friction coefficient μ in the model. Table 5 outlines the surfaces and their assigned values. For each terrain type, simulations were performed by modifying the friction force component in the dynamics, allowing for an analysis of the trajectory stability, deviation, and control compensation required under different slip and traction conditions.
Figure 12 illustrates the lateral acceleration responses of the mobile robot during trajectory tracking across different surface types. The variation in the acceleration amplitude and frequency highlights the impact of ground interaction on the robot’s dynamic behavior. On rough surfaces, the response exhibits higher variance and more pronounced oscillations, indicating increased instability due to variable slip and terrain irregularities. In contrast, smooth or soft surfaces result in lower acceleration amplitudes, indicating more stable interactions between the wheels and the terrain, with reduced slip and improved trajectory adherence.

4. Discussion

The simulation results demonstrate that the proposed nonlinear control strategy, enhanced with a neural network residual model, achieves a robust trajectory tracking performance even under asymmetric dynamic conditions. Compared to the classical model-based approaches that assume perfect symmetry, our hybrid method offers improved adaptability to disturbances such as actuator lag, tire slip, and terrain variability.
Recent advances in robot trajectory tracking reveal two overarching strategies: model replacement and model augmentation. The replacement approach by El-Hussieny et al. [34] substitutes analytical dynamics with deep learning within a predictive control framework. While this enhances the adaptability, it reduces the transparency and stability guarantees. Augmentation strategies instead retain the physics-based core but enhance it with auxiliary elements. Szeremeta and Szuster [35] integrate neural compensators into a Lyapunov-stable controller for mecanum-wheel robots, Farag et al. [36] apply neural networks with a standardization technique for mobile robot obstacle avoidance, and Ren et al.while Ren et al. [37] combine offline dynamics identification, feedforward compensation, and a disturbance observer within a predictive controller to handle uncertain dynamics. Wei et al. [38] extend this augmentation concept to constrained domains by using distributed model predictive control (DMPC) to decouple the dynamics for inspection robots operating in oil-immersed transformers, thereby achieving robustness with a reduced computational burden.
Another prominent theme is robust disturbance rejection. Katona et al. [39] provide a comprehensive survey of obstacle avoidance and path planning methods for mobile robots, highlighting the challenges in autonomous navigation. Abadi et al. [40] exploit differential flatness and sliding active disturbance rejection control to improve the tracking robustness in wheeled mobile robots, and Yang et al. [41] apply particle swarm optimization to fine-tune the sliding-mode disturbance rejection for crawler robots in unstructured environments. These works focus on mitigating uncertainty and external perturbations but often require careful parameter tuning and strong prior modeling.
A third line of research emphasizes learning-based adaptation. Li et al. [42] demonstrate the use of recurrent neural networks to estimate unknown mass matrices in manipulators, allowing for real-time adaptation without explicit modeling. Although effective in capturing complex dynamics, such methods can compromise the interpretability and make a formal stability analysis more difficult.
Our approach combines strengths from these streams while addressing their gaps. Like [35,36,40,41], it preserves the Euler–Lagrange structure to maintain interpretability and stability proofs but introduces a residual neural term only to capture unmodeled effects. Unlike [34,42], it does not fully replace dynamics, and unlike [37], it focuses on hybrid physics-informed learning rather than computational partitioning. This balance allows for a tractable analysis, adaptability to uncertainties, and the potential for future extensions. Future work will focus on enhancing the neural network model by incorporating recurrent or transformers with physics-informed architectures to evaluate whether these approaches can improve the temporal prediction fidelity and robustness in high-DOF robotic systems further.

5. Conclusions

This study investigated the influence of symmetry and asymmetry in the dynamic modeling and control of mobile robots with an Ackermann steering geometry. A complete Euler–Lagrange-based model was developed and implemented in MATLAB/Simulink, capturing both symmetric dynamics and asymmetric effects induced by real-world disturbances. A hybrid control strategy was proposed, incorporating a neural-network-based residual model to enhance control robustness.
Simulation results confirmed that the baseline controller, originally derived under symmetric assumptions, can be adapted to handling various asymmetries, including actuator delays, an unequal tire stiffness, and environmental variations. The proposed approach demonstrates a high tracking accuracy and stability in simulation scenarios involving obstacle-rich and low-friction environments.

Author Contributions

Conceptualization: V.A.K. and J.G.K.; methodology: V.A.K.; software: V.A.K.; validation: V.A.K., O.P. and J.G.K.; formal analysis: V.A.K.; investigation: O.P. and J.G.K.; resources: V.A.K.; writing—original draft preparation: V.A.K., O.P. and J.G.K.; writing—review and editing: V.A.K., O.P. and J.G.K.; supervision: V.A.K. All authors have read and agreed to the published version of the manuscript.

Funding

This research received no external funding.

Data Availability Statement

The data are contained within the article.

Conflicts of Interest

The authors declare no conflicts of interest.

References

  1. Sahoo, S.R.; Chiddarwar, S.S. Mobile Robot Control Using Bond Graph and Flatness Based Approach. Procedia Comput. Sci. 2018, 133, 213–221. [Google Scholar] [CrossRef]
  2. Taleb, M.A.; Korsoveczki, G.; Husi, G. Automotive navigation for mobile robots: Comprehensive review. Results Eng. 2025, 27, 105837. [Google Scholar] [CrossRef]
  3. Ferrero-Guillén, R.; Díez-González, J.; Martínez-Gutiérrez, A.; Perez, H.; Torres-Sospedra, J.; Moreira, A. Comparing synchronous and asynchronous UWB time-based localization systems for Autonomous Mobile Robots. Neurocomputing 2025, 629, 129622. [Google Scholar] [CrossRef]
  4. Neamah, H.A.; Donát, E.; Korondi, P. Optimizing autonomous navigation in unknown environments: A comprehensive review. Results Eng. 2024, 23, 102625. [Google Scholar] [CrossRef]
  5. Wenzel, J.; Elbert, R.; Weidinger, F.; Emde, S. The power of Robotic Mobile Fulfilment Systems—A sensitivity analysis. Int. J. Prod. Econ. 2025, 286, 109641. [Google Scholar] [CrossRef]
  6. Shamshiri, R.R.; Navas, E.; Dworak, V.; Auat Cheein, F.A.; Weltzien, C. A modular sensing system with CANBUS communication for autonomous mobile robots in agricultural fields. Comput. Electron. Agric. 2024, 223, 109112. [Google Scholar] [CrossRef]
  7. Knights, V.A.; Gacovski, Z.; Deskovski, S.; Petrovska, O. Guidance and Control System for Platoon of Autonomous Mobile Robots. J. Electr. Eng. 2018, 6, 281–288. Available online: https://www.davidpublisher.com/Public/uploads/Contribute/5bce94292625a.pdf (accessed on 5 September 2025). [CrossRef]
  8. Abanay, A.; Masmoudi, L.; Benkhedra, D.; El Amraoui, K.; Lghoul, M.; Jimenez, J.-G.; Moreno, F.-A. A transformation model for vision-based navigation of agricultural robots. Cogn. Robot. 2025, 5, 140–151. [Google Scholar] [CrossRef]
  9. Cañadas-Aránega, F.; Moreno, J.C.; Blanco-Claraco, J.L.; Giménez, A.; Rodríguez, F.; Sánchez-Hermosilla, J. Autonomous collaborative mobile robot for greenhouses: Design, development, and validation test. Smart Agric. Technol. 2024, 9, 100606. [Google Scholar] [CrossRef]
  10. Bouhaja, Y.; Bamoumen, H.; Derdak, I.; Sheikh, S.; El Hafdaoui, H.; El Azhari, M.E.H. Mobile robot for leaf disease detection and precise spraying in complex environments. Sci. Afr. 2025, 28, e02717. [Google Scholar]
  11. Pakkala, D.; Känsäkoski, N.; Heikkilä, T.; Backman, J.; Pääkkönen, P. On design of cognitive situation-adaptive autonomous mobile robotic applications. Comput. Ind. 2025, 167, 104263. [Google Scholar] [CrossRef]
  12. Kmich, M.; El Ghouate, N.; Bencharqui, A.; Karmouni, H.; Sayyouri, M.; Askar, S.S.; Abouhawwash, M. Chaotic Puma Optimizer Algorithm for cross-domain numerical optimization. Eng. Sci. Technol. Int. J. 2025, 63, 101982. [Google Scholar] [CrossRef]
  13. Reyes-Reyes, E.; Santiago-Nogales, B.N.; Rodríguez-Cerón, J.R.; Silva-Ortigoza, R.; Roldán-Caballero, A.; García-Sánchez, J.R.; Marciano-Melchor, M.; Taud, H.; Tavera-Mosqueda, S. Robust multilevel average controller for trajectory tracking in mobile robots powered by solar panels: Integrating actuators and power electronics stage. Results Eng. 2025, 26, 105311. [Google Scholar] [CrossRef]
  14. Song, Q.; Lu, C.; Song, Q.; Jiang, H.; Liu, B. Research on extreme obstacle crossing performance and multiobjective optimization of tracked robot. Robot. Auton. Syst. 2024, 180, 104759. [Google Scholar] [CrossRef]
  15. Hu, T.; Xu, X.; Nguyen, T.-M.; Liu, F.; Yuan, S.; Xie, L. Tire wear aware trajectory tracking control for Multi-axle Swerve-drive Autonomous Mobile Robots. J. Autom. Intell. 2025. [Google Scholar] [CrossRef]
  16. Shahna, M.H.; Mustalahti, P.; Mattila, J. Robust torque-observer-based control with safe input-output constraints for independently actuated heavy-duty wheeled mobile robots. Control Eng. Pract. 2025, 164, 106459. [Google Scholar] [CrossRef]
  17. Wang, K.; Wu, W.; Tong, S. Adaptive neural network event-triggered secure formation control for nonholonomic mobile robot systems subject to deception attacks. J. Autom. Intell. 2024, 3, 260–268. [Google Scholar]
  18. Cui, T.; Yang, X.; Jia, F.; Jin, J.; Ye, Y.; Bai, R. Mobile robot sequential decision making using a deep reinforcement learning hyper-heuristic approach. Expert Syst. Appl. 2024, 257, 124959. [Google Scholar] [CrossRef]
  19. Aulia, U.; Hasanuddin, I.; Dirhamsyah, M.; Nasaruddin, N. A new CNN-BASED object detection system for autonomous mobile robots based on real-world vehicle datasets. Heliyon 2024, 10, e35247. [Google Scholar] [CrossRef]
  20. D’Emidio, M.; Di Stefano, G.; Frigioni, D.; Navarra, A. Characterizing the computational power of mobile robots on graphs and implications for the Euclidean plane. Inf. Comput. 2018, 263, 57–74. [Google Scholar] [CrossRef]
  21. Venugopal, P. EMG-controlled mobile robot equipped with gripper mechanism for rehabilitation tasks. Results Eng. 2025, 26, 104563. [Google Scholar] [CrossRef]
  22. Meyer, A.; Gschwind, T.; Amberg, B.; Colling, D. Exact algorithms for routing electric autonomous mobile robots in intralogistics. Eur. J. Oper. Res. 2025, 323, 830–851. [Google Scholar] [CrossRef]
  23. Li, M. Design and analysis of wall-climbing robot with passive adaptive parallel mechanism for variable curvature facades. Appl. Ocean Res. 2025, 161, 104690. [Google Scholar] [CrossRef]
  24. Tao, B.; Kim, J.-H. Deep reinforcement learning-based local path planning in dynamic environments for mobile robot. J. King Saud Univ.-Comput. Inf. Sci. 2024, 36, 102254. [Google Scholar] [CrossRef]
  25. Italiano, G.F.; Pattanayak, D.; Sharma, G. Dispersion of mobile robots on directed anonymous graphs. J. Parallel Distrib. Comput. 2025, 204, 105139. [Google Scholar] [CrossRef]
  26. De Luca, A.; Muratore, L.; Tsagarakis, N. A hierarchical simulation-based push planner for autonomous recovery in navigation blocked scenarios of mobile robots. Robot. Auton. Syst. 2025, 184, 104867. [Google Scholar] [CrossRef]
  27. Ye, F.; Duan, P.; Meng, L.; Xue, L. A hybrid artificial bee colony algorithm with genetic augmented exploration mechanism for mobile robot path planning. Biomim. Intell. Robot. 2025, 5, 100206. [Google Scholar] [CrossRef]
  28. Merschformann, M.; Lamballais, T.; de Koster, M.B.M.; Suhl, L. Decision rules for robotic mobile fulfillment systems. Oper. Res. Perspect. 2019, 6, 100128. [Google Scholar] [CrossRef]
  29. Guyonneau, R.; Mercier, F.; Boucher, V. Robotic system for indoor illuminance map generation. J. Build. Eng. 2024, 86, 108800. [Google Scholar] [CrossRef]
  30. Antoska-Knights, V.; Gacovski, Z.; Deskovski, S. Obstacles Avoidance Algorithm for Mobile Robots, Using the Potential Fields Method. Univ. J. Electr. Electron. Eng. 2017, 5, 75–84. [Google Scholar] [CrossRef]
  31. Knights, V.; Petrovska, O. Dynamic Modeling and Simulation of Mobile Robot Under Disturbances and Obstacles in an Environment. J. Appl. Math. Comput. 2024, 8, 59–67. [Google Scholar] [CrossRef]
  32. Antoska, V.; Jovanović, K.; Petrović, V.M.; Baščarević, N.; Stankovski, M. Balance Analysis of the Mobile Anthropomimetic Robot Under Disturbances—ZMP Approach. Int. J. Adv. Robot. Syst. 2013, 10, 206. [Google Scholar] [CrossRef]
  33. Knights, V.A.; Petrovska, O.; Kljusurić, J.G. Nonlinear Dynamics and Machine Learning for Robotic Control Systems in IoT Applications. Future Internet 2024, 16, 435. [Google Scholar] [CrossRef]
  34. El-Hussieny, H. Real-Time Deep Learning-Based Model Predictive Control of a 3-DOF Biped Robot Leg. Sci. Rep. 2024, 14, 16243. [Google Scholar] [CrossRef]
  35. Szeremeta, M.; Szuster, M. Neural Tracking Control of a Four-Wheeled Mobile Robot with Mecanum Wheels. Appl. Sci. 2022, 12, 5322. [Google Scholar] [CrossRef]
  36. Farag, K.K.A.; Shehata, H.H.; El-Batsh, H.M. Mobile Robot Obstacle Avoidance Based on Neural Network with a Standardization Technique. J. Robot. 2021, 2021, 1129872. [Google Scholar] [CrossRef]
  37. Ren, S.; Han, L.; Mao, J.; Li, J. Optimized Trajectory Tracking for Robot Manipulators with Uncertain Dynamics: A Composite Position Predictive Control Approach. Electronics 2023, 12, 4548. [Google Scholar] [CrossRef]
  38. Wei, L.; Xiang, G.; Ma, C.; Jiang, X.; Dian, S. Trajectory Tracking Control of Transformer Inspection Robot Using Distributed Model Predictive Control. Sensors 2023, 23, 9238. [Google Scholar] [CrossRef] [PubMed]
  39. Katona, K.; Neamah, H.A.; Korondi, P. Obstacle Avoidance and Path Planning Methods for Autonomous Navigation of Mobile Robot. Sensors 2024, 24, 3573. [Google Scholar] [CrossRef]
  40. Abadi, A.; Ayeb, A.; Labbadi, M.; Fofi, D.; Bakir, T.; Mekki, H. Robust Tracking Control of Wheeled Mobile Robot Based on Differential Flatness and Sliding Active Disturbance Rejection Control: Simulations and Experiments. Sensors 2024, 24, 2849. [Google Scholar] [CrossRef] [PubMed]
  41. Yang, Z.; Lang, Q.; Xiong, Y.; Yang, S.; Zhang, C.; Deng, L.; Zhang, D. Research on Trajectory Tracking Control Method for Crawler Robot Based on Improved PSO Sliding Mode Disturbance Rejection Control. Sensors 2025, 25, 2113. [Google Scholar] [CrossRef] [PubMed]
  42. Li, J.; Su, J.; Yu, W.; Mao, X.; Liu, Z.; Fu, H. Recurrent Neural Network for Trajectory Tracking Control of Manipulator with Unknown Mass Matrix. Front. Neurorobot. 2024, 18, 1451924. [Google Scholar] [CrossRef] [PubMed]
Figure 2. A Simulink block diagram representing the control system for a mobile robot. The model includes a steering controller (“steering controller”), a propulsion force module (“driving controller”), and the mobile robot dynamics. The inputs include the steering angle rate and drive signals, while outputs such as the position (xe, ye), orientation (psi), and velocity (Vx) are visualized on an XY plot.
Figure 2. A Simulink block diagram representing the control system for a mobile robot. The model includes a steering controller (“steering controller”), a propulsion force module (“driving controller”), and the mobile robot dynamics. The inputs include the steering angle rate and drive signals, while outputs such as the position (xe, ye), orientation (psi), and velocity (Vx) are visualized on an XY plot.
Symmetry 17 01488 g002
Figure 3. Subsystem steering actuator dynamics.
Figure 3. Subsystem steering actuator dynamics.
Symmetry 17 01488 g003
Figure 4. Subsystem—driving controller. The control input u2 is scaled by the gain Cu2, while the feedback velocity Vx is scaled by CVx. The difference forms the driving force error dFD, which is compensated by the inverse gain 1/CFD to compute the final drive force output FD.
Figure 4. Subsystem—driving controller. The control input u2 is scaled by the gain Cu2, while the feedback velocity Vx is scaled by CVx. The difference forms the driving force error dFD, which is compensated by the inverse gain 1/CFD to compute the final drive force output FD.
Symmetry 17 01488 g004
Figure 5. A detailed Simulink model of a mobile robot showing the computation of the position x e ,   y e , orientation (ψ), and velocity (Vx) based on the steering input (δ, δ ˙ ) and driving force (FD). The model incorporates trigonometric transformations, vehicle geometry, and equivalent inertia terms Jeq, enabling accurate simulation of robot dynamics and control.
Figure 5. A detailed Simulink model of a mobile robot showing the computation of the position x e ,   y e , orientation (ψ), and velocity (Vx) based on the steering input (δ, δ ˙ ) and driving force (FD). The model incorporates trigonometric transformations, vehicle geometry, and equivalent inertia terms Jeq, enabling accurate simulation of robot dynamics and control.
Symmetry 17 01488 g005
Figure 6. A neural network architecture with 13 inputs, 2 hidden layers, and 4 output nodes for nonlinear modeling and control of the mobile robot.
Figure 6. A neural network architecture with 13 inputs, 2 hidden layers, and 4 output nodes for nonlinear modeling and control of the mobile robot.
Symmetry 17 01488 g006
Figure 7. A block diagram of the proposed hybrid control framework integrating Euler–Lagrange dynamics, disturbance terms, and neural network residual corrections for mobile robot control.
Figure 7. A block diagram of the proposed hybrid control framework integrating Euler–Lagrange dynamics, disturbance terms, and neural network residual corrections for mobile robot control.
Symmetry 17 01488 g007
Figure 8. The performance of the residual neural network.
Figure 8. The performance of the residual neural network.
Symmetry 17 01488 g008
Figure 9. The MATLAB/Simulink architecture of the nonlinear control system for the mobile robot.
Figure 9. The MATLAB/Simulink architecture of the nonlinear control system for the mobile robot.
Symmetry 17 01488 g009
Figure 10. (a) Robot trajectory and obstacles (four obstacles, O1–O4); (b) trajectory tracking error over time; (c) reference velocity and acceleration components; (d) robot’s X and Y positions.
Figure 10. (a) Robot trajectory and obstacles (four obstacles, O1–O4); (b) trajectory tracking error over time; (c) reference velocity and acceleration components; (d) robot’s X and Y positions.
Symmetry 17 01488 g010
Figure 11. (a) Robot trajectory and obstacles with densely placed circular obstacles (O1–O14); (b) trajectory tracking error over time; (c) reference velocity and acceleration components; (d) robot’s X and Y positions during the complex obstacle-avoidance scenario.
Figure 11. (a) Robot trajectory and obstacles with densely placed circular obstacles (O1–O14); (b) trajectory tracking error over time; (c) reference velocity and acceleration components; (d) robot’s X and Y positions during the complex obstacle-avoidance scenario.
Symmetry 17 01488 g011
Figure 12. Simulated acceleration responses on surfaces with varying friction coefficients.
Figure 12. Simulated acceleration responses on surfaces with varying friction coefficients.
Symmetry 17 01488 g012
Table 1. Robot geometry and mass properties.
Table 1. Robot geometry and mass properties.
ParameterDescriptionSymbolValue
lWheelbasel0.254 m
bTrack widthb0.1651 m
HHalf height of robotH0.0762 m
DWheel diameterD0.0635 m
FFront wheel widthF0.03175 m
RRear wheel widthR0.0508 m
B ω Width of bumper (for sensors)0.127 m
R ω Wheel radius R ω 0.03175 m
mRobot massm1.4175 kg
JRotational inertia J = b · l · m 0.0593 kg·m2
Table 2. Dynamic parameters (derived).
Table 2. Dynamic parameters (derived).
ParameterMeaningFormulaValue
J e q Equivalent inertia J + m · l r 2 0.0739 kg·m2
C l Distance ratio rear/total l r / l 0.5512
C m Mass-based inertia term l 2 · m 0.0914
CFDElectrical time constant R a / L a 17,850.75
C V x Damping + back EMF factorsee equation≈1409.1
C u 2 Motor gain to velocitysee equation≈819.6
1/CFDInverse electrical time constant1/CFD5.6 × 105 s
Table 3. Motor and actuator parameters.
Table 3. Motor and actuator parameters.
ParameterDescriptionValue
R a Armature resistance1.9 Ω
L a Armature inductance 1.064 × 10 4   H
K m Motor torque constant0.068
K b Back EMF constant0.068
b m Motor damping constant 3.397 × 10 5
J m Motor inertia 0.002   k g · m 2
N w Gear teeth (wheel shaft)81
N m Gear teeth (motor shaft)21
Table 4. Simulation settings.
Table 4. Simulation settings.
ParameterMeaningValue
TSampling time0.01 s
sensorsNumber of bumper sensors16
Initial conditions:
xe0, ye0Initial position(0, 0) m
psi0Initial heading angle0 rad
Vx0Initial forward velocity0.5 m/s
FD0Initial drive force0
delta0Initial steering angle0 rad
TSampling time0.01 s
sensorsNumber of bumper sensors16
Table 5. Friction coefficient values (μ) used in simulation scenarios to model various surface conditions, ranging from very smooth to extremely uneven terrain.
Table 5. Friction coefficient values (μ) used in simulation scenarios to model various surface conditions, ranging from very smooth to extremely uneven terrain.
Friction Coefficient (μ)Simulation Description
0.10Very smooth surface
0.20Smooth surface
0.40Medium-friction surface
0.60Rough surface
0.80Very rough surface
0.90Extremely uneven surface
Disclaimer/Publisher’s Note: The statements, opinions and data contained in all publications are solely those of the individual author(s) and contributor(s) and not of MDPI and/or the editor(s). MDPI and/or the editor(s) disclaim responsibility for any injury to people or property resulting from any ideas, methods, instructions or products referred to in the content.

Share and Cite

MDPI and ACS Style

Knights, V.A.; Petrovska, O.; Kljusurić, J.G. Symmetry and Asymmetry in Dynamic Modeling and Nonlinear Control of a Mobile Robot. Symmetry 2025, 17, 1488. https://doi.org/10.3390/sym17091488

AMA Style

Knights VA, Petrovska O, Kljusurić JG. Symmetry and Asymmetry in Dynamic Modeling and Nonlinear Control of a Mobile Robot. Symmetry. 2025; 17(9):1488. https://doi.org/10.3390/sym17091488

Chicago/Turabian Style

Knights, Vesna Antoska, Olivera Petrovska, and Jasenka Gajdoš Kljusurić. 2025. "Symmetry and Asymmetry in Dynamic Modeling and Nonlinear Control of a Mobile Robot" Symmetry 17, no. 9: 1488. https://doi.org/10.3390/sym17091488

APA Style

Knights, V. A., Petrovska, O., & Kljusurić, J. G. (2025). Symmetry and Asymmetry in Dynamic Modeling and Nonlinear Control of a Mobile Robot. Symmetry, 17(9), 1488. https://doi.org/10.3390/sym17091488

Note that from the first issue of 2016, this journal uses article numbers instead of page numbers. See further details here.

Article Metrics

Back to TopTop