Integrated I-ADALINE Neural Network and Selective Filtering Techniques for Improved Power Quality in Distorted Electrical Networks
Abstract
1. Introduction
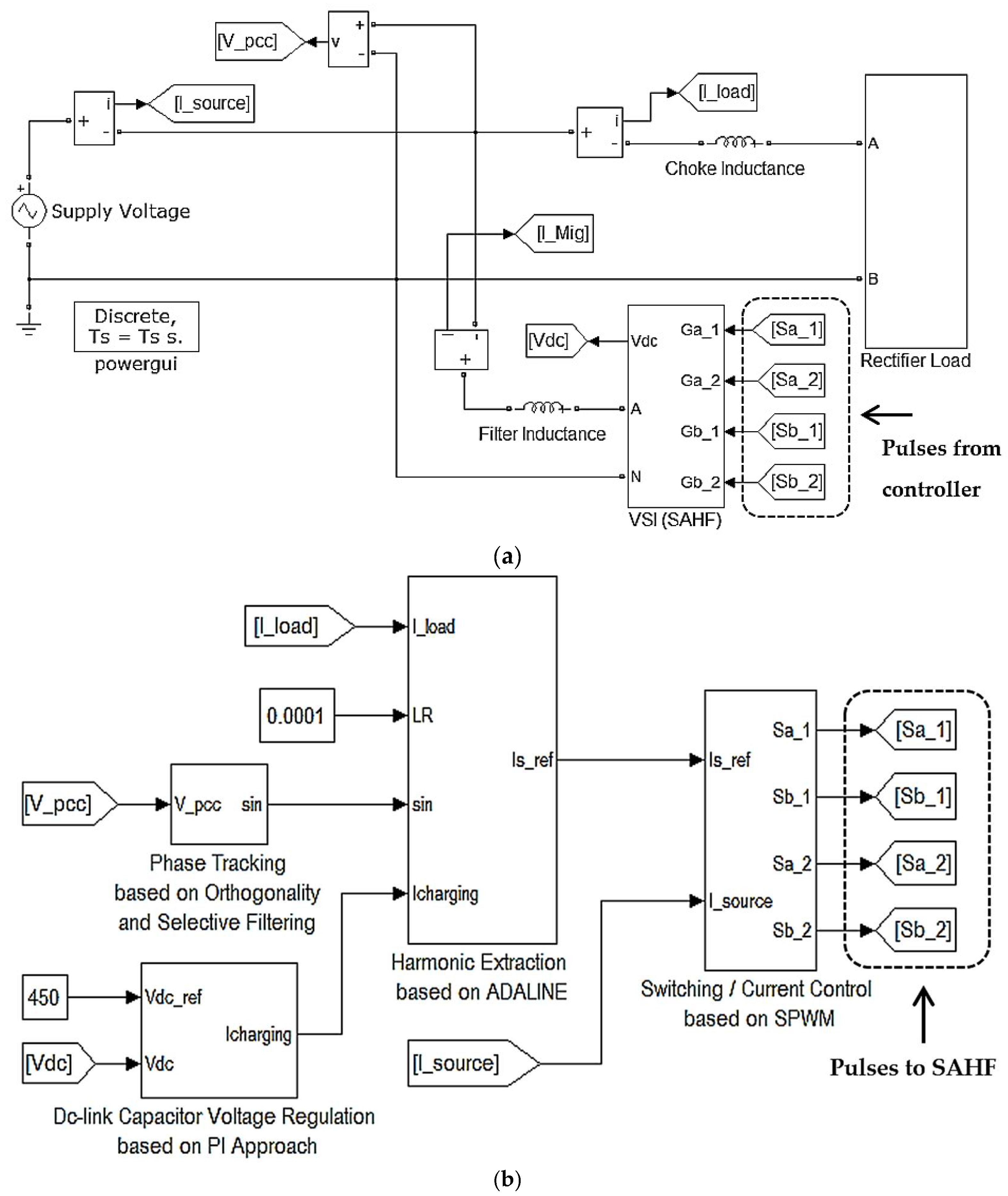
2. Single-Phase SAHF and Associated Control Algorithms
3. Reference Current Generation Based on I-ADALINE Concepts
3.1. Characteristics of the Simplified ADALINE (S-ADALINE) Algorithm
3.2. Proposed Modifications
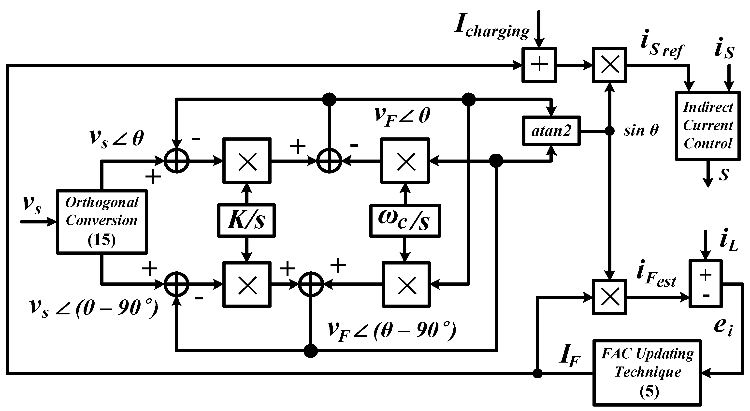
3.3. Workflow of the Control Strategy
- (i)
- Measure the input signals (supply voltage , DC-link voltage , supply current , and load current );
- (ii)
- Generate orthogonal voltage signals and from the measured supply voltage (Expression (15));
- (iii)
- Extract fundamental voltage components and using a selective filter (Expressions (24) and (25));
- (iv)
- Generate synchronization phase (Expression (26));
- (v)
- Estimate fundamental current from the measured load current using the ADALINE method (Expression (5));
- (vi)
- Estimate the charging current from the measured DC-link voltage using a PI controller;
- (vii)
- Generate reference current (Expression (27));
- (viii)
- Generate gate pulses by comparing between the reference current and the measured supply current (feedback) via the ICC mechanism.
4. Results and Discussion
5. Conclusions
Author Contributions
Funding
Data Availability Statement
Conflicts of Interest
Abbreviations
| ADALINE | Adaptive linear neuron |
| ANN | Artificial neural network |
| DCC | Direct current control |
| FAC | Fundamental active current |
| ICC | Indirect current control |
| PCC | Point of common coupling |
| SAHF | Shunt-typed active harmonic filter |
| SNR | Signal-to-noise ratio |
| THD | Total harmonic distortion |
| VSI | Voltage source inverter |
References
- Lumbreras, D.; Gálvez, E.; Collado, A.; Zaragoza, J. Trends in power quality, harmonic mitigation and standards for light and heavy industries: A review. Energies 2020, 13, 5792. [Google Scholar] [CrossRef]
- Smadi, I.A.; Albatran, S.; Alsyouf, M.A. Power quality improvement of a class of reduced device count inverter. Simul. Model. Pract. Theory 2019, 96, 101939. [Google Scholar] [CrossRef]
- Li, D.; Wang, T.; Pan, W.; Ding, X.; Gong, J. A comprehensive review of improving power quality using active power filters. Electr. Power Syst. Res. 2021, 199, 107389. [Google Scholar] [CrossRef]
- Imam, A.A.; Kumar, R.S.; Al-Turki, Y.A. Modeling and simulation of a pi controlled shunt active power filter for power quality enhancement based on p-q theory. Electronics 2020, 9, 637. [Google Scholar] [CrossRef]
- Asadi, Y.; Eskandari, M.; Mansouri, M.; Chaharmahali, S.; Moradi, M.H.; Tahriri, M.S. Adaptive neural network for a stabilizing shunt active power filter in distorted weak grids. Appl. Sci. 2022, 12, 8060. [Google Scholar] [CrossRef]
- Hasan, K.; Othman, M.M.; Meraj, S.T.; Mekhilef, S.; Abidin, A.F.B. Shunt active power filter based on savitzky-golay filter: Pragmatic modelling and performance validation. IEEE Trans. Power Electron. 2023, 38, 8838–8850. [Google Scholar] [CrossRef]
- Nour, A.M.M.; Helal, A.A. A voltage sensorless technique for a shunt active power filter adopting band pass filter under abnormal supply conditions. Electr. Power Syst. Res. 2025, 238, 111133. [Google Scholar] [CrossRef]
- Hoon, Y.; Radzi, M.A.M.; Hassan, M.K.; Mailah, N.F. Control algorithms of shunt active power filter for harmonics mitigation: A review. Energies 2017, 10, 2038. [Google Scholar] [CrossRef]
- Liang, X.; Andalib-Bin-Karim, C. Harmonics and mitigation techniques through advanced control in grid-connected renewable energy sources: A review. IEEE Trans. Ind. Appl. 2018, 54, 3100–3111. [Google Scholar] [CrossRef]
- Green, T.C.; Marks, J.H. Control techniques for active power filters. IEE Proc. Electr. Power Appl. 2005, 152, 369–381. [Google Scholar] [CrossRef]
- Qasim, M.; Kanjiya, P.; Khadkikar, V. Artificial-neural-network-based phase-locking scheme for active power filters. IEEE Trans. Ind. Electron. 2014, 61, 3857–3866. [Google Scholar] [CrossRef]
- Hoon, Y.; Radzi, M.A.M.; Zainuri, M.A.A.M.; Zawawi, M.A.M. Shunt active power filter: A review on phase synchronization control techniques. Electronics 2019, 8, 791. [Google Scholar] [CrossRef]
- Bhattacharya, A.; Chakraborty, C.; Bhattacharya, S. Shunt compensation. IEEE Ind. Electron. Mag. 2009, 3, 38–49. [Google Scholar] [CrossRef]
- Campos-Gaona, D.; Peña-Alzola, R.; Monroy-Morales, J.L.; Ordonez, M.; Anaya-Lara, O.; Leithead, W.E. Fast selective harmonic mitigation in multifunctional inverters using internal model controllers and synchronous reference frames. IEEE Trans. Ind. Electron. 2017, 64, 6338–6349. [Google Scholar] [CrossRef]
- Kumar, R.; Bansal, H.O.; Gautam, A.R.; Mahela, O.P.; Khan, B. Experimental investigations on particle swarm optimization based control algorithm for shunt active power filter to enhance electric power quality. IEEE Access 2022, 10, 54878–54890. [Google Scholar] [CrossRef]
- Ouchen, S.; Betka, A.; Gaubert, J.-P.; Abdeddaim, S. Simulation and real time implementation of predictive direct power control for three phase shunt active power filter using robust phase-locked loop. Simul. Model. Pract. Theory 2017, 78, 1–17. [Google Scholar] [CrossRef]
- Terriche, Y.; Guerrero, J.M.; Vasquez, J.C. Performance improvement of shunt active power filter based on non-linear least-square approach. Electr. Power Syst. Res. 2018, 160, 44–55. [Google Scholar] [CrossRef]
- Sozanski, K.; Szczesniak, P. Advanced control algorithm for three-phase shunt active power filter using sliding dft. Energies 2023, 16, 1453. [Google Scholar] [CrossRef]
- Iqbal, M.; Jawad, M.; Jaffery, M.H.; Akhtar, S.; Rafiq, M.N.; Qureshi, M.B. Neural networks based shunt hybrid active power filter for harmonic elimination. IEEE Access 2021, 9, 69913–69925. [Google Scholar] [CrossRef]
- Janpong, S.; Areerak, K.; Areerak, K. Harmonic detection for shunt active power filter using adaline neural network. Energies 2021, 14, 4351. [Google Scholar] [CrossRef]
- Zainuri, M.A.A.M.; Radzi, M.A.M.; Soh, A.C.; Mariun, N.; Rahim, N.A. Simplified adaptive linear neuron harmonics extraction algorithm for dynamic performance of shunt active power filter. Int. Rev. Model. Simul. 2016, 9, 144–154. [Google Scholar]
- Rahman, N.F.A.; Radzi, M.A.M.; Soh, A.C.; Mariun, N.; Rahim, N.A. Dual function of unified adaptive linear neurons based fundamental component extraction algorithm for shunt active power filter operation. Int. Rev. Electr. Eng. 2015, 10, 544–552. [Google Scholar]
- Karthikeyan, M.; Sharmilee, K.; Balasubramaniam, P.M.; Prakash, N.B.; Babu, M.R.; Subramaniyaswamy, V.; Sudhakar, S. Design and implementation of ann-based sapf approach for current harmonics mitigation in industrial power systems. Microprocess. Microsyst. 2020, 77, 103194. [Google Scholar] [CrossRef]
- Merabet, L.; Saad, S.; Abdeslam, D.O.; Merckle, J. Direct neural method for harmonic currents estimation using adaptive linear element. Electr. Power Syst. Res. 2017, 152, 61–70. [Google Scholar] [CrossRef]
- Radzi, M.A.M.; Rahim, N.A. Neural network and bandless hysteresis approach to control switched capacitor active power filter for reduction of harmonics. IEEE Trans. Ind. Electron. 2009, 56, 1477–1484. [Google Scholar] [CrossRef]
- Demirdelen, T.; Kayaalp, R.İ.; Tumay, M. Simulation modelling and analysis of modular cascaded multilevel converter based shunt hybrid active power filter for large scale photovoltaic system interconnection. Simul. Model. Pract. Theory 2017, 71, 27–44. [Google Scholar] [CrossRef]
- Adel, M.; Kandil, T. Assessment of direct and indirect current control techniques applied to active power filters. Recent Adv. Electr. Electron. Eng. 2020, 13, 1256–1265. [Google Scholar] [CrossRef]
- Sao, J.K.; Patidar, R.D.; Swain, S.D. Analysis of direct and indirect current control techniques in p-q theory based shunt active power filter. In Proceedings of the 2024 IEEE International Conference on Smart Power Control and Renewable Energy (ICSPCRE), Rourkela, India, 19–21 July 2024; pp. 1–6. [Google Scholar]
- Adel, M.; Zaid, S.; Mahgoub, O. Improved active power filter performance based on an indirect current control technique. J. Power Electron. 2011, 11, 931–937. [Google Scholar] [CrossRef]
- Gao, C.; He, S.; Fang, X.; Davari, P.; Leung, K.N.; Loh, P.C.; Blaabjerg, F. Current-limiting control strategy for indirect-current-controlled active power filter. IEEE Trans. Power Deliv. 2024, 39, 3551–3554. [Google Scholar] [CrossRef]
- Li, G.; Luo, A.; He, Z.; Ma, F.; Chen, Y.; Wu, W.; Zhu, Z.; Guerrero, J.M. A dc hybrid active power filter and its nonlinear unified controller using feedback linearization. IEEE Trans. Ind. Electron. 2021, 68, 5788–5798. [Google Scholar] [CrossRef]
- Bushra, E.; Zeb, K.; Ahmad, I.; Khalid, M. A comprehensive review on recent trends and future prospects of pwm techniques for harmonic suppression in renewable energies based power converters. Results Eng. 2024, 22, 102213. [Google Scholar] [CrossRef]
- Taghvaie, A.; Warnakulasuriya, T.; Kumar, D.; Zare, F.; Sharma, R.; Vilathgamuwa, D.M. A comprehensive review of harmonic issues and estimation techniques in power system networks based on traditional and artificial intelligence/machine learning. IEEE Access 2023, 11, 31417–31442. [Google Scholar] [CrossRef]
- IEEE Std 519-2022; IEEE Standard for Harmonic Control in Electric Power Systems. Institute of Electrical and Electronics Engineers: New York, NY, USA, 2022.












| Parameters | Details |
|---|---|
| Sinusoidal Supply Voltage | Fundamental = 230 V (rms), 50 Hz |
| Distorted Supply Voltage (THD = 17.53%) | 3rd harmonic = 13.04% 5th harmonic = 8.70% 7th harmonic = 6.52% 9th harmonic = 4.35% |
| Noise Disturbance (SNR = 20.89 dB) | 3304 Hz component = 4.35% 4004 Hz component = 2.17% 5722 Hz component = 3.91% 7302 Hz component = 6.52% |
| Choke Inductance | 3 mH |
| RC load: (Uncontrolled bridge rectifier supplying resistor-capacitor load) | R = 30 Ω, C = 470 μF |
| RL load: (Uncontrolled bridge rectifier supplying resistor-inductor load) | R = 10 Ω, L = 160 mH |
| Dc-link Capacitor/Desired Voltage | 3300 μF/450 V |
| Filter Inductance | 5 mH |
| Switching Frequency | 5 kHz |
| Performance Aspect | I-ADALINE | S-ADALINE |
|---|---|---|
| Effectiveness in pure condition (Sinusoidal Input) | Performs effectively under sinusoidal input. | Performs effectively under sinusoidal input. |
| Response to harmonic distortion (THD = 17.53%) | Performs effectively despite the presence of harmonic distortion. | Fails to suppress harmonic distortion (evident by visible ripples). |
| Response to noise (SNR = 20.89 dB) | Performs effectively despite the presence of noise. | Fails to suppress noise (evident by visible noise). |
| Response to combine effect of harmonic distortion and noise | Performs effectively despite the presence of combined harmonics and noise. | Fails to suppress the combined effect of harmonics and noise (visible ripples and noise). |
| Response to phase jump (40° Phase Jump) | Recovery within 0.014 s. | Recovery within 0.018 s. |
| Adaptability | Adjust effectively to changes like harmonic distortion and noise (High Adaptability). | Adjust poorly to conditions like harmonic distortion and noise (Limited Adaptability). |
| Test Condition | THD (%) | Phase Shift (°) | Reactive Power (VAR) | Power Factor | Fundamental Current (A) | Accuracy of Fundamental Current (%) | Current Waveform |
|---|---|---|---|---|---|---|---|
| Before activation of SAHF | |||||||
| Scenario A1 | 80.38 | 7.5 | 417.0 | 0.772 | 13.80 | – | Distorted |
| Scenario A2 | 35.34 | 20.3 | 1248.3 | 0.884 | 17.83 | – | Distorted |
| Scenario B1 | 73.06 | 4.3 | 220.7 | 0.805 | 12.77 | – | Distorted |
| Scenario B2 | 39.57 | 14.0 | 1055.6 | 0.902 | 19.02 | – | Distorted |
| Scenario C1 | 72.72 | 4.1 | 207.3 | 0.806 | 12.78 | – | Distorted |
| Scenario C2 | 39.51 | 13.9 | 1050.1 | 0.903 | 19.03 | – | Distorted |
| SAHF integrated with I-ADALINE method | |||||||
| Scenario A1 | 3.19 | 0.2 | 12.5 | 0.999 | 13.95 | 98.92 | Sinusoidal |
| Scenario A2 | 2.58 | 0.1 | 3.7 | 0.999 | 16.97 | 95.17 | Sinusoidal |
| Scenario B1 | 3.64 | 0.2 | 10.4 | 0.999 | 12.98 | 98.38 | Sinusoidal |
| Scenario B2 | 2.81 | 0.1 | 11.1 | 0.999 | 18.76 | 98.63 | Sinusoidal |
| Scenario C1 | 3.71 | 0.2 | 10.2 | 0.999 | 12.99 | 98.38 | Sinusoidal |
| Scenario C2 | 2.77 | 0.1 | 11.5 | 0.999 | 18.77 | 98.63 | Sinusoidal |
| SAHF integrated with S-ADALINE method | |||||||
| Scenario A1 | 3.25 | 0.2 | 12.5 | 0.999 | 13.95 | 98.92 | Sinusoidal |
| Scenario A2 | 2.61 | 0.1 | 3.7 | 0.999 | 16.97 | 95.17 | Sinusoidal |
| Scenario B1 | 14.41 | 1.4 | 73.6 | 0.989 | 13.38 | 95.44 | Distorted |
| Scenario B2 | 14.45 | 1.0 | 76.7 | 0.989 | 19.32 | 98.44 | Distorted |
| Scenario C1 | 15.77 | 1.2 | 68.5 | 0.987 | 13.81 | 92.54 | Distorted |
| Scenario C2 | 16.55 | 1.0 | 78.5 | 0.986 | 20.10 | 94.67 | Distorted |
| Performance Parameter | Scenario B1 | Scenario B2 | Scenario C1 | Scenario C2 |
|---|---|---|---|---|
| Reduction in THD (%) | 10.77 | 11.64 | 12.06 | 13.78 |
| Reduction in phase shift (°) | 1.2 | 0.9 | 1.0 | 0.9 |
| Reduction in reactive power (VAR) | 63.2 | 65.6 | 58.3 | 67.0 |
| Improvement in power factor | 0.010 | 0.010 | 0.012 | 0.013 |
| Accuracy of fundamental current | Improved by 2.94% | Improved by 0.19% | Improved by 5.84% | Improved by 3.96% |
| Quality of current waveform | Improved | Improved | Improved | Improved |
| Supply Voltage Condition | THD (%) | Phase Shift (°) | Power Factor | |||
|---|---|---|---|---|---|---|
| I-ADALINE | S-ADALINE | I-ADALINE | S-ADALINE | I-ADALINE | S-ADALINE | |
| Distorted Supply Voltage—%THD Variation | ||||||
| THD = 5.16% | 3.26 | 5.53 | 0.2 | 0.6 | 0.999 | 0.998 |
| THD = 10.16% | 3.40 | 9.99 | 0.2 | 0.6 | 0.999 | 0.995 |
| THD = 15.16% | 3.61 | 11.94 | 0.2 | 1.3 | 0.999 | 0.992 |
| THD = 20.16% | 3.85 | 15.16 | 0.2 | 1.7 | 0.999 | 0.988 |
| THD = 25.16% | 4.03 | 19.17 | 0.3 | 2.0 | 0.999 | 0.981 |
| Distorted Supply Voltage (THD = 17.53%) added with noise disturbance—SNR Variation | ||||||
| SNR = 30.24 dB | 3.66 | 14.68 | 0.2 | 1.3 | 0.999 | 0.989 |
| SNR = 25.24 dB | 3.69 | 14.98 | 0.2 | 1.3 | 0.999 | 0.988 |
| SNR = 20.24 dB | 3.78 | 16.26 | 0.2 | 1.3 | 0.999 | 0.986 |
| SNR = 15.24 dB | 3.94 | 19.72 | 0.1 | 1.2 | 0.999 | 0.980 |
| SNR = 10.24 dB | 4.20 | 22.43 | 0.1 | 1.3 | 0.999 | 0.975 |
| Supply Voltage Condition | THD (%) | Phase Shift (°) | Power Factor | |||
|---|---|---|---|---|---|---|
| I-ADALINE | S-ADALINE | I-ADALINE | S-ADALINE | I-ADALINE | S-ADALINE | |
| Distorted Supply Voltage—%THD Variation | ||||||
| THD = 5.16% | 2.46 | 5.11 | 0.1 | 0.3 | 0.999 | 0.998 |
| THD = 10.16% | 2.55 | 9.90 | 0.1 | 0.3 | 0.999 | 0.995 |
| THD = 15.16% | 2.63 | 11.91 | 0.1 | 1.0 | 0.999 | 0.992 |
| THD = 20.16% | 2.90 | 15.15 | 0.1 | 1.3 | 0.999 | 0.988 |
| THD = 25.16% | 3.31 | 19.71 | 0.2 | 1.4 | 0.999 | 0.980 |
| Distorted Supply Voltage (THD = 17.53%) added with noise disturbance—SNR Variation | ||||||
| SNR = 30.24 dB | 2.59 | 14.84 | 0.1 | 1.0 | 0.999 | 0.989 |
| SNR = 25.24 dB | 2.61 | 15.44 | 0.1 | 0.9 | 0.999 | 0.988 |
| SNR = 20.24 dB | 2.81 | 16.86 | 0.1 | 1.0 | 0.999 | 0.985 |
| SNR = 15.24 dB | 2.93 | 19.23 | 0.2 | 1.1 | 0.999 | 0.981 |
| SNR = 10.24 dB | 3.25 | 20.74 | 0.3 | 1.6 | 0.999 | 0.978 |
Disclaimer/Publisher’s Note: The statements, opinions and data contained in all publications are solely those of the individual author(s) and contributor(s) and not of MDPI and/or the editor(s). MDPI and/or the editor(s) disclaim responsibility for any injury to people or property resulting from any ideas, methods, instructions or products referred to in the content. |
© 2025 by the authors. Licensee MDPI, Basel, Switzerland. This article is an open access article distributed under the terms and conditions of the Creative Commons Attribution (CC BY) license (https://creativecommons.org/licenses/by/4.0/).
Share and Cite
Hoon, Y.; Chew, K.W.; Mohd Radzi, M.A. Integrated I-ADALINE Neural Network and Selective Filtering Techniques for Improved Power Quality in Distorted Electrical Networks. Symmetry 2025, 17, 1337. https://doi.org/10.3390/sym17081337
Hoon Y, Chew KW, Mohd Radzi MA. Integrated I-ADALINE Neural Network and Selective Filtering Techniques for Improved Power Quality in Distorted Electrical Networks. Symmetry. 2025; 17(8):1337. https://doi.org/10.3390/sym17081337
Chicago/Turabian StyleHoon, Yap, Kuew Wai Chew, and Mohd Amran Mohd Radzi. 2025. "Integrated I-ADALINE Neural Network and Selective Filtering Techniques for Improved Power Quality in Distorted Electrical Networks" Symmetry 17, no. 8: 1337. https://doi.org/10.3390/sym17081337
APA StyleHoon, Y., Chew, K. W., & Mohd Radzi, M. A. (2025). Integrated I-ADALINE Neural Network and Selective Filtering Techniques for Improved Power Quality in Distorted Electrical Networks. Symmetry, 17(8), 1337. https://doi.org/10.3390/sym17081337

