Dynamic Integral-Event-Triggered Control of Photovoltaic Microgrids with Multimodal Deception Attacks
Abstract
1. Introduction
- A DIETS is proposed to mitigate redundant communication caused by noise and disturbances. Unlike normal ETSs that rely on instantaneous states, DIETS employs the mean of historical states to mitigate false triggering events induced by noise or disturbances, and designs an adaptive triggering threshold function that dynamically adjusts the threshold by integrating the system’s historical state information.
- A secure controller against multimodal deception attacks is developed. By introducing a Bernoulli stochastic process to characterize the time-varying characteristics of multimodal deception attacks and combining it with DIETS to achieve dynamic suppression of multimodal deceptive signals, the system’s resilience was effectively enhanced.
- Bessel–Legendre-based inequality is introduced to handle the integral term induced by the historical state and related Lyapunov–Krasovskii functional. Then, the conservatism of stability criteria obtained by this technique is reduced compared to the existing approximation method based on the Simpson rule.
2. Preliminaries
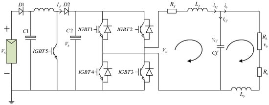
2.1. Single-Phase Inverters in PV Microgrids
2.2. Dynamic Integral-Event-Triggered Scheme
2.3. Closed-Loop Event-Triggered Control System
3. Main Results
3.1. Stability Analysis
3.2. Secure Controller Design
4. Simulation Results
5. Limitations Discussion
6. Conclusions
Author Contributions
Funding
Data Availability Statement
Conflicts of Interest
Abbreviations
| Filter inductance (mH) | |
| Filter capacitance (F) | |
| Equivalent series resistance of inductor () | |
| The inductance of transmission line (mH) | |
| The resistance of transmission line () | |
| The load of distributed generation unit () | |
| Filter inductor current (A) | |
| Filter capacitor voltage (V) | |
| Load output voltage (V) | |
| Boost circuit output voltage (V) | |
| Duty cycle of Boost circuit | |
| Microgrid storage voltage (V) | |
| Inverter AC output voltage (V) | |
| Global state vector | |
| Q | System dynamics matrix |
| J | Control input matrix |
| E | Output observation matrix |
| Event-triggering weighting matrix | |
| Error between integrated state and triggered value | |
| Dynamic triggering threshold function | |
| K | Controller gain matrix |
| Bernoulli random variable for multimodal attacks | |
| Deception attack function | |
| Attack function constraint matrix | |
| Lyapunov functional matrices | |
| Coefficient matrix for Bessel–Legendre inequality |
References
- Wu, Z.; Zou, Y.; Zheng, F.; Liang, N. Research on optimal scheduling strategy of microgrid considering electric vehicle access. Symmetry 2023, 15, 1993. [Google Scholar] [CrossRef]
- Cavus, M. Advancing Power Systems with Renewable Energy and Intelligent Technologies: A Comprehensive Review on Grid Transformation and Integration. Electronics 2025, 14, 1159. [Google Scholar] [CrossRef]
- Yan, S.; Gu, Z.; Park, J.H.; Xie, X. Adaptive memory-event-triggered static output control of T–S fuzzy wind turbine systems. IEEE Trans. Fuzzy Syst. 2021, 30, 3894–3904. [Google Scholar] [CrossRef]
- Uddin, M.; Mo, H.; Dong, D.; Elsawah, S.; Zhu, J.; Guerrero, J.M. Microgrids: A review, outstanding issues and future trends. Energy Strategy Rev. 2023, 49, 101127. [Google Scholar] [CrossRef]
- Bacha, S.; Picault, D.; Burger, B.; Etxeberria-Otadui, I.; Martins, J. Photovoltaics in microgrids: An overview of grid integration and energy management aspects. IEEE Ind. Electron. Mag. 2015, 9, 33–46. [Google Scholar] [CrossRef]
- Cavus, M.; Dissanayake, D.; Bell, M. Deep-Fuzzy Logic Control for Optimal Energy Management: A Predictive and Adaptive Framework for Grid-Connected Microgrids. Energies 2025, 18, 995. [Google Scholar] [CrossRef]
- Yan, S.; Gu, Z.; Park, J.H.; Xie, X.; Sun, W. Distributed cooperative voltage control of networked islanded microgrid via proportional-integral observer. IEEE Trans. Smart Grid 2024, 15, 5981–5991. [Google Scholar] [CrossRef]
- Wang, Y.; Li, C.; Yang, K. Coordinated control and dynamic optimal dispatch of islanded microgrid system based on GWO. Symmetry 2020, 12, 1366. [Google Scholar] [CrossRef]
- Li, Z.; Zang, C.; Zeng, P.; Yu, H.; Li, S. Fully distributed hierarchical control of parallel grid-supporting inverters in islanded AC microgrids. IEEE Transac. Ind. Inform. 2017, 14, 679–690. [Google Scholar] [CrossRef]
- Yan, S.; Gu, Z.; Park, J.H.; Xie, X. Sampled memory-event-triggered fuzzy load frequency control for wind power systems subject to outliers and transmission delays. IEEE Trans. Cybern. 2022, 53, 4043–4053. [Google Scholar] [CrossRef]
- Gu, Z.; Fan, Y.; Yin, T.; Yan, S. A novel event-triggered load frequency control for power systems with electric vehicle integration. IEEE Trans. Syst. Man Cybern. Syst. 2025, 55, 599–608. [Google Scholar] [CrossRef]
- Yang, C.; Wu, X.; Song, Q.; Wu, H.; Zhu, Y. An enhanced power allocation strategy for microgrids considering frequency and voltage restoration. Electronics 2024, 13, 1966. [Google Scholar] [CrossRef]
- Yan, H.; Zhang, H.; Yang, F.; Zhan, X.; Peng, C. Event-triggered asynchronous guaranteed cost control for Markov jump discrete-time neural networks with distributed delay and channel fading. IEEE Trans. Neural Netw. Learn. Syst. 2018, 29, 3588–3598. [Google Scholar] [CrossRef] [PubMed]
- Yang, X.; Zhao, T.; Zhu, Q. Aperiodic Event-Triggered Controls for Stochastic Functional Differential Systems With Sampled-Data Delayed Output. IEEE Transac. Autom. Control 2025, 70, 2090–2097. [Google Scholar] [CrossRef]
- Yan, S.; Gu, Z.; Park, J.H.; Xie, X.; Dou, C. Probability-density-dependent load frequency control of power systems with random delays and cyber-attacks via circuital implementation. IEEE Trans. Smart Grid 2022, 13, 4837–4847. [Google Scholar] [CrossRef]
- Zhu, Q. Event-Triggered Sampling Problem for Exponential Stability of Stochastic Nonlinear Delay Systems Driven by Lévy Processes. IEEE Transac. Autom. Control 2025, 70, 1176–1183. [Google Scholar] [CrossRef]
- Hu, S.; Yuan, P.; Yue, D.; Dou, C.; Cheng, Z.; Zhang, Y. Attack-resilient event-triggered controller design of DC microgrids under DoS attacks. IEEE Trans. Circuits Syst. I Regul. Pap. 2019, 67, 699–710. [Google Scholar] [CrossRef]
- Zhang, X.; Zhang, Y.; Li, R. Distributed event-triggered control for power sharing in grid-connected AC microgrid. IEEE Trans. Power Syst. 2024, 39, 770–778. [Google Scholar] [CrossRef]
- Ge, X.; Han, Q.L.; Ding, L.; Wang, Y.L.; Zhang, X.M. Dynamic event-triggered distributed coordination control and its applications: A survey of trends and techniques. IEEE Trans. Syst. Man Cybern. Syst. 2020, 50, 3112–3125. [Google Scholar] [CrossRef]
- Zhu, Q. Stabilization of stochastic nonlinear delay systems with exogenous disturbances and the event-triggered feedback control. IEEE Trans. Autom. Control 2019, 64, 3764–3771. [Google Scholar] [CrossRef]
- Zhu, L.; Wang, B.; Cai, X.; Zhao, Y.; Long, M. Distributed event-triggered control for single-bus DC microgrids. In Proceedings of the 2024 39th Youth Academic Annual Conference of Chinese Association of Automation (YAC), Dalian, China, 7–9 June 2024; IEEE: Piscataway, NJ, USA, 2024; pp. 2313–2318. [Google Scholar]
- Chen, L.; Liu, S.; Hu, G.; Zhang, Q.; Fang, W.; Liu, X. An improved sampled-data-based event-triggered distributed secondary control for DC microgrids. In Proceedings of the 2022 IEEE International Power Electronics and Application Conference and Exposition (PEAC), Guangzhou, China, 4–7 November 2022; IEEE: Piscataway, NJ, USA, 2022; pp. 1558–1563. [Google Scholar]
- Zhao, S.; Xia, J.; Deng, R.; Cheng, P.; Yang, Q.; Jiao, X. Dual-triggered adaptive torque control strategy for variable-speed wind turbine against denial-of-service attacks. IEEE Trans. Smart Grid 2023, 14, 3072–3084. [Google Scholar] [CrossRef]
- Yan, S.; Gu, Z.; Park, J.H.; Xie, X. A delay-kernel-dependent approach to saturated control of linear systems with mixed delays. Automatica 2023, 152, 110984. [Google Scholar] [CrossRef]
- Yan, S.; Gu, Z.; Park, J.H. Memory-event-triggered H∞ load frequency control of multi-area power systems with cyber-attacks and communication delays. IEEE Trans. Netw. Sci. Eng. 2021, 8, 1571–1583. [Google Scholar] [CrossRef]
- Yang, J.; Li, R.; Gan, Q.; Huang, X. Zero-sum-game-based fixed-time event-triggered optimal consensus control of multi-agent systems under FDI attacks. Mathematics 2025, 13, 543. [Google Scholar] [CrossRef]
- Xia, B.; Fan, S.; Ding, L.; Deng, C. Distributed dynamic event-triggered resilient control for AC microgrids under FDI attacks. IEEE Trans. Circuits Syst. I Regul. Pap. 2024, 71, 1406–1416. [Google Scholar] [CrossRef]
- Li, Z.; Zhu, L.; Wang, Z.; Che, W. Data-driven event-triggered platoon control under denial-of-service attacks. Mathematics 2022, 10, 3985. [Google Scholar] [CrossRef]
- Mola, M.; Meskin, N.; Khorasani, K.; Massoud, A. Distributed event-triggered consensus-based control of DC microgrids in presence of DoS cyber attacks. IEEE Access 2021, 9, 54009–54021. [Google Scholar] [CrossRef]
- Liu, X.M.; Chang, X.H.; Hou, L.W. Attack-dependent adaptive event-triggered security fuzzy control for nonlinear networked cascade control systems under deception attacks. Mathematics 2024, 12, 3385. [Google Scholar] [CrossRef]
- Meng, X.; Zhou, N.; Wang, Q. Improved distributed event-triggered control for inverter-based AC microgrids under deceptive cyberattacks. Int. J. Electr. Power Energy Syst. 2020, 120, 106000. [Google Scholar] [CrossRef]
- Yan, H.; Han, J.; Zhang, H.; Zhan, X.; Wang, Y. Adaptive event-triggered predictive control for finite time microgrid. IEEE Trans. Circuits Syst. I Regul. Pap. 2020, 67, 1035–1044. [Google Scholar] [CrossRef]
- Seuret, A.; Gouaisbaut, F.; Ariba, Y. Complete quadratic Lyapunov functionals for distributed delay systems. Automatica 2015, 62, 168–176. [Google Scholar] [CrossRef]









| 65 V | 1.2 mH | 18 mH | |||||
| 220 F |
| Method | ||
|---|---|---|
| DIETS | 99 | 0.050 |
| Dynamic ETS [19] | 209 | 0.024 |
| Normal ETS [17,18] | 221 | 0.023 |
| Method | ||
|---|---|---|
| Our secure controller | 99 | 0.050 |
| Standard controller | 119 | 0.042 |
Disclaimer/Publisher’s Note: The statements, opinions and data contained in all publications are solely those of the individual author(s) and contributor(s) and not of MDPI and/or the editor(s). MDPI and/or the editor(s) disclaim responsibility for any injury to people or property resulting from any ideas, methods, instructions or products referred to in the content. |
© 2025 by the authors. Licensee MDPI, Basel, Switzerland. This article is an open access article distributed under the terms and conditions of the Creative Commons Attribution (CC BY) license (https://creativecommons.org/licenses/by/4.0/).
Share and Cite
Dou, Z.; Ding, L.; Yan, S. Dynamic Integral-Event-Triggered Control of Photovoltaic Microgrids with Multimodal Deception Attacks. Symmetry 2025, 17, 838. https://doi.org/10.3390/sym17060838
Dou Z, Ding L, Yan S. Dynamic Integral-Event-Triggered Control of Photovoltaic Microgrids with Multimodal Deception Attacks. Symmetry. 2025; 17(6):838. https://doi.org/10.3390/sym17060838
Chicago/Turabian StyleDou, Zehao, Liming Ding, and Shen Yan. 2025. "Dynamic Integral-Event-Triggered Control of Photovoltaic Microgrids with Multimodal Deception Attacks" Symmetry 17, no. 6: 838. https://doi.org/10.3390/sym17060838
APA StyleDou, Z., Ding, L., & Yan, S. (2025). Dynamic Integral-Event-Triggered Control of Photovoltaic Microgrids with Multimodal Deception Attacks. Symmetry, 17(6), 838. https://doi.org/10.3390/sym17060838

