Abstract
We studied macrophyte and diatom assemblages and a range of environmental factors in the large hypertrophic Dehtář fishpond (Southern Bohemia, Czech Republic) over the course of several growing seasons. The spatial diversity of the environment was considered when collecting diatoms and water samples in three distinct parts of the fishpond, where automatic sensor stations continually measuring basic factors were established. Macrophytes were mapped in 30 segments of the fishpond littoral altogether. High species richness and spatiotemporal variability were found in assemblages of these groups of autotrophs. Water level fluctuations, caused by the interaction of fish farming management and climatic extremes, were identified as one of the most important factors shaping the structure and species composition of diatom and macrophyte assemblages. The distance of the sampling sites from large inflows reflected well the spatial variability within the fishpond, with important differences in duration of bottom drainage and exposure to disturbances in different parts of the fishpond. Disturbances caused by intensive wave action are most probably a crucial factor allowing the coexistence of species with different nutrient requirements under the hypertrophic conditions of the Dehtář fishpond. Due to a range of variables tested and climatic extremes encountered, our study may be considered as a basis for predictive model constructions in similar hypertrophic water bodies under a progressing climate change.
1. Introduction
Shallow lakes are often considered unique habitats of rich aquatic and wetland biota [,,]. Increasing attention is paid particularly to natural oligotrophic and mesotrophic lakes, which started to be rare due to overall eutrophication, or, in some regions, acidification [,]. On the other hand, heavily eutrophicated water bodies usually become the focus of scientists as the objectives of restoration projects [,]. Many are considered sites where a substantial part of biodiversity has already been lost and where mitigation measures are needed in order to turn back this unfavourable trend [,]. Many fishponds of these more than 20,000 artificial water bodies occurring in the Czech Republic, a country that lacks natural lakes, belong among aquatic habitats with the status of high eutrophy to hypertrophy []. Since their construction, mainly in the Middle Ages [], most of these fishponds have served for semi-intensive carp breeding and recently to a certain extent also for other purposes such as recreation [] or as nature reserves for biodiversity protection [,,]. Fishponds exceeding 1 hectare in size should be classified as a special type of shallow artificial lakes [,]. Old fishponds, particularly the larger ones, even resemble natural lakes []. The results of the fishpond research thus might be relevant for the interpretation of processes in other types of shallow lakes [,]. On the other hand, fishponds have some specific characteristics, especially regular water level fluctuations associated with fish stocking, rearing, and harvesting and other management practices [,,,,].
Within the number of fishponds, small water bodies of up to about 10 hectares in size, 1–2.5 m of maximum depth, and small spatial variability predominate []. Small fishponds, similarly to other small water bodies, have been identified as habitats playing a crucial role in the protection of local diversity of wetland and aquatic biota [,,,,,,,]. They are usually stocked with fish fry [,,], with a relatively low level of fish-mediated disturbances, and provide suitable conditions for a range of aquatic vascular plants and charophytes, including threatened species [,]. This is probably one of the reasons why pond systems involving small fishponds attract more attention than similar systems consisting mainly of large fishponds (see, e.g., data from France [,,], Germany [,,], Poland [,,], Austria [,], Belgium [], and Slovakia []).
Special focus on vascular plant and charophyte assemblages in large fishponds of a size from several dozen up to a few hundred hectares and a maximum depth of several meters is rare (see, e.g., [,,,] for the exceptions). These fishponds have recently been experiencing progressive eutrophication [,,] and are considered by most ecologists as habitats of low biological value. It may actually seem that their biodiversity is not worth studying and protecting. Despite this common view, many of the large fishponds are important ornithological sites, providing suitable nesting places and food sources to a variety of bird taxa such as herons (Ardeidae), geese and ducks (Anseriformes), and waders (Charadriidae) [,,,]. The few existing plant-ecological studies also show high diversity of macrophyte assemblages in large fishponds, particularly those with fluctuating water levels [,,].
Another argument for the research of large fishponds is a range of features typical of large water bodies, setting them apart from the smaller ones, e.g., large spatial variability of the littoral zone, high maximum water depth and the associated large water volume, and possibly also a higher resilience in relation to climatic and other environmental extremes. The fishponds with so-called biennial management cycles offer suitable habitats to a number of plant species from various functional and ecological groups, which is related to partial summer fishpond drainages [,]. Only large fishponds, however, may be exposed to wind-mediated wave action [], resulting in a high substrate diversity and large areas of sandy or gravelly shores (see, e.g., [,,] for similar processes in other large water bodies). These habitats have probably preserved threatened biota across various taxonomic groups, as suggested by recent records of rare vascular plants [,,]. These are particularly species of nutrient-poor substrates that vanished from most of their former sites [,], and large fishponds with sandy shores are one of their last refugia [,]. Nevertheless, our knowledge of wetland vascular plant and charophyte diversity and its drivers in large fishponds is still very incomplete, as only a negligible number of large fishponds was subjected to systematic research. It is remarkable especially if compared to the state of knowledge of macrophyte diversity in natural lakes, studied within many research projects (e.g., [,,,,,,,]).
Epiphytic diatoms are related to macrophyte assemblages and thus their research along with vascular plants and charophytes seems to be logical. However, real interdisciplinary research combining data on diatom and macrophyte assemblages is scarce and focuses mainly on spring fens or similar wetland habitats. Its results show that diatoms follow the same environmental gradients as vascular plants and bryophytes [,]. We do not know if the macrophyte and epiphytic diatom assemblages exhibit similar trends also in water bodies. Studies of this type from fishponds or natural lakes are, to our knowledge, not available so far.
Papers focused purely on epiphytic diatom assemblages in fishponds exist, but they are even more scarce than studies on fishpond macrophytes, being usually devoted to small fishponds [,,,]. The only study on diatom assemblages in a large fishpond is probably our own previous paper []. Although the studies on epiphytic diatom assemblages from other types of aquatic environments such as natural lakes, mires, bogs, fens, springs, rivers, and streams are quite frequent [,,,,,,,], attention paid to the substrate for the growth of epiphytic diatoms, i.e., to the macrophytic species sampled, is surprisingly low in most papers. The macrophytes are usually identified only to the genus or family level [,] or are not identified at all [,]. Diatoms in samples from different macrophyte species are sometimes analysed jointly for the whole locality [], or only a few, usually the most common and easy-to-identify macrophytic species, are selected for the study (e.g., Phragmites australis, Typha spp., Lemna spp., Chara spp., or Potamogeton spp.; [,,]). In such cases, any analysis of similarities in habitat ecology between epiphytic diatoms and host macrophytes is impossible. For instance, we do not know if ecologically specialised macrophyte species do or do not support the diversity of similarly specialised epiphytic diatoms, what the indication potential of both groups of autotrophs within a single water body is, or if the species diversity of epiphytic diatoms and macrophytes follows the same spatiotemporal gradients.
In 2014, we started a multidisciplinary project focused on the functioning and biotic diversity of the Dehtář fishpond, one of the largest fishponds of the Czech Republic. Among others, vascular plant, charophyte, and epiphytic diatom assemblages have been studied in detail. The analyses of diatom assemblages from 2015 together with basic nutrient balances have been already published [,,]. In the present study, we want to analyse data on vascular plant and diatom assemblages along with selected environmental and management-related factors, collected during the whole project (2014–2016) and shortly afterward (2019). The study specifically aims to answer the following questions: (1) What are the main drivers of species and functional diversity of vascular plants, charophytes, and diatoms in a large hypertrophic fishpond exposed to large water level fluctuations and wind-mediated disturbances? (2) Do vascular plants and charophytes follow the same environmental gradients as epiphytic diatoms? (3) What types of interactions have developed between aquatic macrophytes (vascular plants, charophytes) and epiphytic diatoms under the conditions of hypertrophy, drought stress, and intensive mechanical disturbances?
The research presented is, to our knowledge, the first to combine a detailed analysis of vascular plant, charophyte, and diatom diversity and its drivers in a large hypertrophic water body. We suppose that it may facilitate a broader understanding and the protection of threatened aquatic ecosystems and their biota but also encourage similar interdisciplinary research of macrophyte and periphytic algal communities.
2. Materials and Methods
2.1. Study Site
The research was carried out in the Dehtář fishpond (49°0′30.064″N; 14°18′22.302″E) which thanks to its size, 238 ha, and volume, 5,167,710 m3, belongs to the ten largest fishponds in the Czech Republic. It is, therefore, included in the regular monitoring activities of the Vltava River Authority state enterprise. The fishpond is rather deep compared to most other fishponds, with a maximum depth of around 6 m at the dam (segment 30, Figure 1) and average depth of 2.6 m (all the values are given for the 2nd year of bi-annual management cycles, characterised by higher water levels; []). It is an ancient fishpond, constructed in the 15th century (it was finalised in 1483; []) in South Bohemia (southwestern Czech Republic), 12 km northwest of the city of České Budějovice at an altitude of cca 404 m a.s.l. It is situated in an undulating landscape on the transition between the South Bohemian fishpond basins and the Blanský les Hills. The geological composition of the immediate surroundings of the Dehtář fishpond is predominately made up of various types of unstable sediments (sands, gravels, clays), mainly of tertiary age, and in the southern and eastern parts by gneisses and paragneisses []. The predominating soil types of the area are Stagnic Cambisols [].
Figure 1.
Location of the Dehtář fishpond and its particular study sites. The numbers show the mid-points of segments for the study of the flora of vascular plants and charophytes. The points show the position of high-frequency monitoring stations: D (=FD) = Fishpond dam, BSB = Babický stream bay, DSB = Dehtářský stream bay; samples for water analysis and the analysis of epiphytic diatom assemblages were collected nearby. The two main inflows, Babický stream (BS) and Dehtářský stream (DS), occur at the segments 8 and 25, respectively.
Our earlier studies [,] showed that Dehtář is a strongly eutrophic to slightly hypertrophic fishpond (according to the OECD classification of 1982 [], adjusted for fishpond conditions []). Similarly to the majority of Czech fishponds, it is a carp pond, i.e., serving mainly common carp (Cyprinus carpio) breeding and to a lesser extent also other fish species with similar habitat requirements as the carp (more details are included in Figures S1–S15). Dehtář is a so-called main fishpond, i.e., the production of marketable fish (fish of consumable size) is its farming purpose. Like the majority of large fishponds in the Czech Republic, Dehtář is managed in bi-annual management cycles. In the first year of the management cycle, the fishpond is stocked with young fish; as the whole fish biomass is, due to a smaller size of fish individuals, much lower than in the second year of the management cycle, the pressure of fish stock on the aquatic environment, particularly on its vegetation, is lower as well [,]. In the second year of the management cycle, the fish biomass strongly increases; the whole management cycle ends in October/November by harvesting the fish stock. Before the harvesting, a substantial part of the fishpond is drained (Figure S1), and although it is flooded again after the fish harvesting, the water level is kept lower during the first year of the management cycle than it is in the second year. Therefore, the values of other fishpond parameters (the total area, total volume, and average depth) in the first year should also be lower than in the second year and increase only slowly.
Strips of the fishpond bottom are usually exposed in the first year of the management cycle, offering a suitable habitat to a range of wetland vascular plant species and their communities (Figures S2–S12). Large areas of shallow water support the growth of some amphibious and aquatic plant taxa. During our research period, however, the low water level from the first year of the management cycle in 2015 continued until May 2016, i.e., the second year of the management cycle (Figures S11 and S12). This was a consequence of extremely dry weather in 2015 and in the spring of 2016, enhanced by extraordinarily high temperatures in the summer of 2015 (for basic climatic characteristics of the Dehtář fishpond from the study period compared with the climate of the whole region, see Table A1). This dry period ended in heavy rains in the summer of 2016 ([]; Table A1, Figure S13), which elevated the water level above its common management value. Moreover, 2014, also the 2nd year of the management cycle, was also characterised by a lower water level due to previous dry years (Figure S11). According to our information from fish farmers [], a lack of water was always quite frequent in the Dehtář fishpond; for this reason, the exposed bottom used to be sown by clover and other crops in the 1960s–1970s in order to get forage for domestic animals and to increase the fishpond fertility (see also []).
Semi-intensive fishpond management practiced on the Dehtář fishpond (and the majority of fishponds throughout the Czech Republic) includes fertilisation with manure, supplementary feeding of fish stock with cereals, and occasional liming of some fishpond parts []. Another source of nutrients is the surrounding agricultural landscape and the water brought by the inflows, particularly the large ones, the Babický stream, the Kamenný stream, and the Dehtářský stream.
As already reported elsewhere (e.g., [,,,]), hypertrophy combined with the relatively high average depth of the Dehtář fishpond contributes to strong fluctuations of oxygen concentrations and other water parameters. Another important factor is strong winds, mainly from the northwest, causing intensive wave action and associated mechanical disturbances in the littoral zone (Figure S14). Thus, despite the cyanobacterial blooms appearing in the last years (Figure S15), Dehtář is popular as a recreational fishpond, particularly among windsurfers [,].
Dehtář is a fishpond with several bays separated by natural barriers such as peninsulas and an island. Its surroundings include large areas of arable land and cattle pastures, and small patches of wet to semi-dry meadows, woodlands, and settlement areas. As the natural barriers and diversity of the surrounding landscape may cause differences in some environmental parameters as well as in the biota between the different fishpond parts, for the aim of this study, we divided the fishpond into a total of 30 segments (Figure 1), expecting more or less homogeneous environmental conditions within each of them. The length of the segments varied according to local topography of the fishpond littoral and the surrounding landscape, and their area (=vegetated zone) was also dependent on water level fluctuations determining the extent of exposed pond bottom and shallow water zones (see Table S1 for more details).
Additionally, three parts of the Dehtář fishpond with presumably the largest differences in environmental conditions were selected for the research of the physico-chemical parameters of water and epiphytic diatom assemblages. All these sites have been equipped with automatic, sensor-based stations designed for high-frequency monitoring of several basic environmental parameters; a range of additional parameters was recorded at regular intervals at the stations (for detailed description, see the Methods). The sites are, namely, 1) the fishpond dam—FD, 2) the bay of the Dehtářský stream—DSB, and 3) the bay of the Babický stream—BSB (Figure 1). Epiphytic diatom assemblages were studied in the vegetation zones as close as possible to the three monitored sites, about 200 m from the stations in the Dehtářský stream bay (DSB) and Babický stream bay (BSB) and about 600–650 m from the FD station. The sampling site at FD was situated in a narrow bay at the northeastern corner of the fishpond, naturally preserved against waves (segment 2 near the border with segment 3, and segments 3 and 4; Figures S2 and S3). In contrast, BSB and DSB sampling sites were in broad bays, open and fully exposed to wave action. While the fishpond bottom in the DSB and especially in the BSB exhibits moderate slope and thus remains non-flooded for a relatively long time after the fish harvesting (Figures S11 and S12), the site near the fishpond dam is characterised by a relatively steep slope and very fast water level increase.
Since the 1930s, the Dehtář fishpond has attracted the interest of botanists (e.g., [,]). It is also an important ornithological locality, protected as a part of the Natura 2000 network [,]. The earlier research of Dehtář was, however, not systematic. Thus, only individual records on plant and animal species are reported in the literature.
2.2. Methods
2.2.1. Physico-Chemical Parameters of Water
In 2014, three monitoring sensor-based stations were established in three different parts of the Dehtář fishpond (for the location and description of these sites see Section 2.1. Study Site and Figure 1). Each station was equipped with several sensors. The following parameters were measured: water temperature and concentration of dissolved oxygen (M4016, Fiedler AMS) at all stations, global radiation, rainfall, speed and direction of wind (M4016-A-G3, Fiedler AMS) at the BSB station, and photosynthetically active radiation (PhAR; LI-COR sensors) at the FD station (further details on the stations and parameters measured are included in Figures S16–S22). At the end of 2015, the station at FD was further equipped with a sensor for water level detection. After 2016 (end of the targeted research project and of the substantial part of funding), only the station at FD was kept, and some sensors from the other stations were moved there.
In addition to the measurements provided by the sensor system, basic physico-chemical parameters (temperature, concentration and saturation of oxygen, pH, conductivity, and water transparency) were measured by the multiparametric probe YSI 6600 V2, and samples for water chemistry were taken at bi-weekly intervals near the stations (some of the parameters were taken only at FD).
All samples were analysed for total (TP) and soluble reactive phosphorus (SRP); total (TN), ammonia (N-NH4), and nitrate (N-NO3) nitrogen; total (TC), total organic (TOC), and dissolved organic carbon (DOC); dissolved ions of sodium (Na), magnesium (Mg), calcium (Ca), and potassium (K); and total iron (Fe) according to standard methods certified and intercalibrated in the laboratories of the Vltava River Authority, state enterprise. Moreover, the concentration of chlorophyll-a (Chl-a), and alkalinity (AT) were also analysed in epilimnetic samples (integrated samples from 0–1 m water layer). Water transparency (WT) was measured simultaneously. An overview of the physico-chemical characteristics obtained for the growing seasons (i.e., IV–VIII) of 2014–2016 and 2019 is given in Table S2.
2.2.2. Other Environmental Factors, Fishpond Management Data
A range of environmental factors, related to vascular plants, was recorded for each segment directly in the field. These were, e.g., type of substrate, depth of mud, occurrence of stones, or organic detritus (see Table S1 for the complete list of factors). Additionally, the length of segments, their area in individual years, the proportion of the landscape types surrounding each of the segments, and other characteristics (Table S1) were measured in the national internet mapping application (www.mapy.cz, accessed on 15 November 2020). Fishpond management data on the fish stock composition and biomass, amounts of manure, lime, and supplementary feeding applied were provided by the Hluboká nad Vltavou Fish Farm Cz, s.r.o. However, these data were used only for interpretations of some parameters studied, as they usually could not be linked to particular segments of the fishpond (see Table S1 for more details).
2.2.3. Vascular Plant Data Recording
Vascular plant and charophyte species were mapped in the field separately for each of the 30 segments using a three degree scale: 1—rare (up to ten individuals in a segment), 2—frequent throughout the segment but not dominant, and 3—dominant, forming its own stands. The data were collected throughout the growing season of a particular year in monthly intervals (IV–IX 2014, III–IX 2015, III–IX 2016). Segments 1–19 were mapped during each visit, while segments 20–30, mostly difficult to access, were visited twice a year in 2014 and 2015 and only once in 2016. In 2019 (after the end of the research project), only segments 1–19 were mapped during three sampling events in May, June, and August. Taxonomically critical taxa and/or difficult to identify taxa were collected into a herbarium and revised by experts (see the Acknowledgements). The herbarium vouchers are deposited in the herbaria PR and BRNU (the abbreviations follow Thiers []).
2.2.4. Diatom Sampling and Processing
The sampling was performed during three one-day sampling events (16 June 2015, 23 June 2016, and 19 June 2019). Macrophyte species, water depth, distance of a sample from the bank, and disturbance category were noted for each of the samples directly in the field (for more details see Table S3 with the list of samples).
Epiphyton was collected with the whole substrate, which means that the plants were cut with scissors above the bottom and rinsed in water to wash away nonepiphytic species. The samples for light microscopy analysis (LM) were placed into polyethylene bags, kept in a refrigerator, and transported to the laboratory. For Environmental Scanning Electron Microscopy (ESEM), up to 10 cm long sections of stalks and leaves of Phalaris arundinacea and Phragmites australis in 2016 and Limosella aquatica in 2019 were cut, rinsed in water, attached to a polystyrene matrix in order to keep diatom assemblages in the state best corresponding to natural conditions, placed into plastic containers containing water from the locality, and transported to the laboratory in a cooling thermo box.
In the laboratory, the samples for LM were elaborated as follows: diatoms were squeezed out of the sampled plants, treated in hydrogen peroxide [], and mounted in Naphrax. In each sample, at least 400 diatom valves were identified and enumerated on random transects at 1000× magnification using an Olympus BX51 light microscope. The identification literature used included Krammer and Lange-Bertalot [,,,], Krammer [,,], Lange-Bertalot [], Hofmann et al. [], and Lange-Bertalot et al. [].
In order to get better insight into the structure of epiphytic diatom assemblages collected on sites with contrasting environmental conditions and/or different macrophyte taxa, observation using ESEM was employed. Sample observation and photography in 2016 took place at the Institute of Scientific Instruments of the Czech Academy of Sciences in Brno. The Low Temperature Method for sample stabilisation in ESEM was used. This method was already successfully applied to diatom assemblages []. Observations were performed on an ESEM QUANTA 650 FEG at a temperature of –20 °C. Sample observation and photography in 2019 were conducted at the Institute of Botany in Brno on a table scanning electron microscope Phenom ProX using a temperature-controlled sample holder at a temperature of –8 °C.
2.2.5. Data Processing and Analyses
Data from the automatic sensor stations, recorded at 10 minute intervals, were downloaded from the hosting server and stored regularly. They were checked for possible inconsistencies caused by station failures (e.g., during extreme storms) or by removal of biofilms from some of the sensors. The potentially erroneous data were removed. In this paper, we analysed data on the following factors: air temperature, precipitation, wind speed, water temperature, oxygen concentration, and photosyntetically active radiation (PhAR), while the data from the sensors for global radiation and water level fluctuation data recording were used only in descriptions of site conditions. After the prescreening, only the data measured by the sensors at the depth of 0.3 m were selected and further elaborated. We used absolute values of wind speed, air temperature, oxygen concentrations, water temperature, and PhAR and displayed them as line graphs in order to compare the course and fluctuations of these parameters between years. We also prepared short graphs with a detailed visualisation of wind speed, oxygen concentrations, and PhAR at the time of diatom sampling, as a several-day course of these factors may potentially impact fast-changing diatom communities [].
Additionally, for air temperature and precipitation, we calculated monthly means and sums, respectively. For the months that were missing or incomplete in our own data, we used publicly available data from the nearest weather station of the Czech Hydrometeorological Institute (CHMI) in České Budějovice-Rožnov []. In order to highlight climatic extremes during the study period, we also used CHMI data [], where long-term means for the whole South-Bohemian region are available. To get better insight into the frequency of wave action in individual years, we classified each wind speed record in one of the classes defined according to the Beaufort wind force scale (https://cs.wikipedia.org/wiki/Beaufortova_stupnice, accessed on 1 March 2021) and calculated the proportion of winds of each class in each year (Table 1).
Table 1.
Frequency of selected wind events based on the data on wind speed from an automatic sensor station (10 min measurement interval). Absolute counts of each event in each year, along with their share in total numbers of records, are given.
All other data were computerised and prepared for statistical analyses (vascular plants and charophytes, diatoms, environmental and management-related data from the field, data from the maps, and average monthly chlorophyl-a concentrations as a proxy of nutrient concentrations and water transparency) and/or transformed into the tables for direct presentations (all physico-chemical water parameters, vascular plant, charophyte, and diatom abundances and frequencies). Vascular plants were classified according to their origin [] and threat status (Grulich [], with the updates by Grulich & Chobot []). Additionally, the classification of vascular plants and charophytes into functional groups was performed according to Francová et al. [,], with an extension to the species not presented in the cited papers (Table S4). An adjusted version of this classification was also used in macrophytes collected for diatom analyses (Table S3). In order to get a better overview of the terrestrial species imported to the fishpond, the ecological classification was performed in parallel, based on our own field experience and species ecological characteristics summarised within the PLADIAS database (www.pladias.cz, accessed on 20 November 2020; []). The nomenclature of vascular plants follows Danihelka et al. [], with the exception of Spergularia kurkae, where we accepted the concept of Kúr et al. []. The nomenclature, threat status, and origin of charophytes are based on the charophyte overview by Caisová and Gąbka []. All the classification categories for each species are given in Table S4.
Based on the diatom relation to the host plant surface (according to Fránková et al. []), five groups, according to diatom functional types (FT1–FT5) were used: FT1—planktonic taxa represented by centric diatoms; FT2—typically periphytic taxa adhering to the surface directly by a mucous film or with a mucilaginous stalk; FT3—facultatively periphytic araphid, passively moving diatoms able to attach; FT4—facultatively periphytic taxa with raphe with fibulae, actively moving; and FT—epipelic taxa with raphe, actively moving, mainly symmetrical biraphid pennate diatoms (see Table S5 for more details). The affiliation of diatom species to functional types is given in Tables S4 and S5. Planktonic and epipelic taxa were present in the diatom samples even though the collected macrophytes were washed in order to remove non-epiphytes. It was decided to keep and classify the whole diatom assemblage in order to get a realistic view of the community.
The patterns in species composition of both diatoms and macrophytes were investigated by non-metric Multidimensional scaling (NMDS). The data in each dataset were standardized by dividing by margin total, and the metaMDS function from the vegan package []) was used. Correlations between the ordination axes and selected environmental and management factors were calculated using the envfit function with 999 permutations. Additionally, the impact of the factors “year of the management cycle” and “organic detritus” for vascular plants and “year of sampling” for diatoms was tested by PERMANOVA [] with 999 permutations. The ordinations of both datasets were plotted, with these factors passively projected to illustrate the associations with gradients in species compositions. For diatom assemblages, selected environmental factors were also plotted as a smooth surface by using the ordisurf function. All the analyses were conducted in the R program [].
Constrained ordination (RDA) was used to evaluate the affinity of diatoms to macrophytes. Here, individual macrophyte species and life history trait- and leaf morphology-based functional groups of macrophytes were used as factors to explain patterns in the ordination, with the year of sampling used as a covariable to filter out interannual variability. To evaluate the affinity of specific diatom functional groups, ordinations were also done for each of the FT2 and FT5 species subsets. P values were calculated based on 999 permutations.
3. Results
3.1. Environmental Parameters
Our data confirmed a high trophy of the aquatic environment in the Dehtář fishpond during the study period (Table S2). The values of total phosphorus (TP), chlorophyll-a concentrations, and water transparency (WT) correspond to hypertrophy (the thresholds between hypertrophy and eutrophy according to the OECD 1982 classification [] are: TP 0.75 mg/L, chl-a 100 μg/L, and WT 0.5 m; the thresholds adjusted for fishpond conditions [] are: TP 0.2 mg/L, chl-a 30 μg/L, and WT 0.5 m). Associated criteria such as the values of total nitrogen (TN) are also consistent with this classification. There were only small differences in the analysed parameters between the three sites. BSB showed higher average concentrations of several nutrients (e.g., TP and total Fe) and usually lower water transparency than DSB and FD; however, the highest measured chlorophyll-a concentrations were detected at FD, probably due to the cyanobacterial mats concentrated at this site because of wave action. Most of the trophic parameters show a gradual increase during the study period (Table S2).
The photosynthetically active radiation (PhAR), oxygen concentration, and water temperature measured continually showed large fluctuations (besides the diurnal ones, which are typical of these parameters) in some periods (Figures S16–S20). For instance, in 2016 there was a period of about a week in July with negligible values of PhAR in 0.3 m water depth (Figure S16c). In contrast, in the summer of 2015, the values measured were up to twice as high as in 2016. The 5-day course of PhAR at the time of the diatom sampling in 2015 and 2016 (Figure S17) shows that in 2015 PhAR values were generally higher than in 2016 but also more important fluctuations occurred.
The course of oxygen concentration followed the same trends at all three sites; however, the maxima were the lowest at FD and the highest at DSB (Figure S18). Low oxygen concentrations were also common, particularly at BSB and FD; however, at the beginning of August 2016, serious oxygen depletion was detected at all three sites (Figure S18). Shortly before and during the diatom sampling in June 2015 and 2016, the oxygen concentrations fell into the range of (3.5)5–10(15) mg/L, with a marked difference between FD and BSB in 2016 (Figure S19d,e). Water temperature was rather high during the summers, usually ranging around (15)20–25(30) °C (Figure S20). Although the temperature courses followed the same trends at all three sites, some differences were identified. BSB exhibited the highest temperature fluctuations and most frequent maxima at around 30 °C or more. On the other hand, the DSB temperature curve showed the smallest fluctuations and a particularly low occurrence of high temperatures. There also was a difference between individual years, with 2015 and 2019 having the warmest and 2016 the coldest water in summer (Figure S20).
The data from the meteorological sensors point out high precipitation amounts in the summer of 2014, extremely low precipitation during the whole growing season in 2015 and in the spring of 2016, and a subsequent precipitation extreme in July 2016 (Table A1). Similarly, the mean monthly temperature and temperature course during the growing seasons exhibit extremes, particularly in the summer of 2015, when day temperatures often reached values around 35 °C (Figure S21). In 2014 and 2016, summer temperatures only rarely reached values 30 °C or more. In an open fishpond space, fully exposed to the sun, air temperature was, however, probably much higher in all years (data not available). The large day/night summer temperature fluctuations are remarkable, whereas the night minima in some periods fell below 10 °C (Figure S21). The data on wind speed, available for the whole study period, show high frequency of speed above 5.5 m/s (=the winds raising small waves) in 2014 and 2015 and its lower frequency in 2016, but the year 2015 had a higher proportion of situations without any winds. Nevertheless, all these years may be considered windy, with the year 2015 also having a higher number of strong winds (categories > 8.0 and > 13.9 m/s) with the potential to raise large waves (Table 1, Figure 2, Figure S22). In contrast, the year 2019 had a high proportion of situations without any wind, and winds with speed higher than 5.5 m/s were rather rare.
Figure 2.
Wind speed course during the period of diatom sampling in the Dehtář fishpond: (a) 2015, (b) 2016, and (c) 2019. The particular date and time of sampling are marked by red rectangles.
Our evaluation of factors with a potentially important impact on vascular plants, particularly the emergent species, showed that the extent of exposed bottom zone was substantially higher in 2015 than in the other years, particularly in the summer of 2016. This fact is directly reflected in the size of individual mapping segments (=vegetated zone; Table S1), which was several times larger in 2015 than in the other years, particularly in 2014 and 2016. These fluctuations are related to changes in the basic parameters of the first and the second year of the fishpond management cycle, particularly to the water depth and extent of the flooded area (Table S1). However, there were also differences between particular years of the same phase of the management cycle, e.g., 2015 and 2019 (both first years of the management cycle). In 2015, exposed muddy substrata including the relatively deep muds, important for wetland annuals, were more often available. However, the Dehtář fishpond is principally poor in very deep muddy sediments in the vegetated zone, and most of the muddy zones do not reach more than 10 cm in depth. Organic detritus regularly occurred in the bays of both streams, but in 2016 it was also frequent elsewhere (remnants of vegetation from 2015). Some segments were under the direct influence of manuring, liming, or supplemental fish feeding with cereals (Table S1).
3.2. Vascular Plant and Charophyte Species and Functional Diversity
3.2.1. Species Richness, Representation of Threatened Species
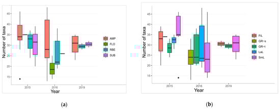
Altogether, 280 vascular plant taxa and a single charophyte species (Chara braunii) were found in the Dehtář fishpond between 2014 and 2016, and in 2019 (Table S4). Total species numbers in individual years varied highly, with the highest species number in 2015 (225 species), followed by 2014 (214 species). In 2016, the last year of intensive research in all 30 segments, only 165 species were recorded. In 2019, however, only 19 segments were investigated, with 92 taxa in total. The median species number per segment was 60 taxa in 2015, about 45 taxa in 2014, but only about 32 and 30 taxa in 2016 and 2019, respectively. However, it varied greatly among the segments (Figure 3).
Figure 3.
Comparison of the species richness of vascular plants and charophytes between individual years. Median values (=horizontal lines), lower and upper quartiles (=boxes, i.e., 50% of the observed values), 5% and 95% percentiles (=whiskers, i.e., 90% of the observed values), and outliers (=points, i.e., the values outside the 90% range) are displayed.
In total, 28 threatened species have been identified in the Dehtář fishpond habitats during the whole study period. The categories C3 (vulnerable) and C4 (near threatened) were the most numerous, but also the C1 (critically threatened) and C2 (endangered) categories were represented by a few species (Figure 4). Wetland annuals (e.g., Carex bohemica, Coleanthus subtilis, Lindernia procumbens, and Lythrum hyssopifolia) were the most numerous group of the threatened species, followed by wetland perennials (e.g., Bolboschoenus laticarpus, B. yagara, and Leersia oryzoides). Among the wetland annuals, Montia arvensis (Table S4, Figure S9) is one of the rarest plant species of the Czech Republic. Red-listed aquatics (Chara braunii) and amphibious species (Elatine hydropiper) were represented as well. Some terrestrial plants also occurred among the threatened taxa, but they mostly appeared very rarely (e.g., Aphanes arvensis; Table S4).
Figure 4.
Numbers of threatened species in individual years and within the whole period of the Dehtář research. Four basic threat categories according to the Czech Red Data List, along with their international equivalents, were considered.
3.2.2. Vegetation Structure and Species Composition of Vascular Plant and Charophyte Assemblages
Plant assemblages of the Dehtář fishpond follow a moisture gradient of the freshwater littoral. Three basic zones may be distinguished: 1) Zone of permanent reed and tall sedge beds and of willow shrubs, 2) zone of disturbed grasslands (usually wet), temporary reed beds and wetland annuals, 3) zone of amphibious plants and submerged aquatics. The first zone is placed on the transition between the high fishpond bank and the upper littoral. It is rather narrow, usually formed by Phalaris arundinacea, Carex acuta, and Salix cinerea, more rarely by Phragmites australis or Salix triandra (Figures S2, S3, S5 and S6). Depending on the littoral morphology and substrate distribution, the second zone may either include several sub-zones (Figures S4 and S5), predominated usually by Trifolium spp. (mainly T. hybridum, on dry sites T. arvense) and Alopecurus geniculatus (grasslands), Bolboschoenus maritimus agg. (mainly B. laticarpus; temporary reed beds) and a mixture of tall and low-growing wetland annuals (e.g., Bidens radiatus, Rumex maritimus, and Veronica anagallis-aquatica in muddy places and Juncus bufonius, Myosurus minimus, and Stellaria alsine at sandy sites), or it is formed by a mosaic of above plant assemblages. The second zone occupies many hectares of the fishpond bottom during low water levels in the growing season (Figures S4, S11 and S12). The third zone usually includes only a narrow strip of vegetated shallow water, predominated by an amphibious species Elatine hydropiper (Figure S8) and an aquatic species Zannichellia palustris.
While the extent of the first zone was more or less unchanged during the study period, particularly the second but also the third zone varied greatly in size between the years or even in different periods of a single year (Figures S2, S3, S11–S13). For instance, the second zone was best developed during the extremely dry year 2015 which corresponds to the large extent of bottom exposure (Table S1, Figures S4 and S12). On the other hand, the third zone disappeared at the end of the summer of 2015, as it was drained. In contrast, in 2016 the second zone only occurred under a low water level in early spring (low water level continued from 2015) and later disappeared due to extremely high precipitation (Table A1) and increased water levels. The third zone with aquatics, which has a summer phenology, did not appear at all in 2016.
The species which occurred as dominants in the vegetation usually also showed very high frequency within the 30 segments. For instance, the species Phalaris arundinacea with the frequency 100%, followed by, e.g., Alopecurus aequalis, Bidens radiatus, Carex acuta, Juncus bufonius, Myosurus minimus (Figure S10), Trifolium hybridum, Rumex maritimus, and Veronica anagallis-aquatica with the frequency 90–100% in the mapped segments, were also the most common dominants (Table S4). Still, some of the species were an exception to this rule: Phragmites australis occurred in only 40% of segments, nearly always forming stands, although they were not very large. Among the species occurring with high frequency (90–100%) but not forming stands were, e.g., common wetland species Lythrum salicaria, Oenanthe aquatica, and Persicaria hydropiper, or Tripleurospemum inodorum as a ruderal. Only 50 plant species appeared as dominants in at least one segment. Within the segments the frequency of most of them was at least 50%, although there were some exceptions, e.g., terrestrial species dominating only locally at the dam, such as Geranium pusillum and Lamium purpureum.
The frequency of many species fluctuated highly between the years (Table S4). While in 2019 many species were not recorded due to lower research intensity, the data from 2014–2016 reflect the presence or absence of some of the vegetation zones in which the particular species usually grow.
3.2.3. Ecological and Functional Groups of Vascular Plants and Charophytes
Only about one-third of the 281 vascular plant and charophyte taxa were classified within some of the groups of wetland and aquatic species (Figure 5a,b). The rest of the species pool was represented by terrestrial plants with an optimum in various types of habitats, mainly in grasslands and in ruderal and arable weed vegetation (Figure 5a,b).
Figure 5.
Numbers of plant species according to their ecology and life-history traits: (a) detailed classification of aquatic macrophytes into functional groups based on their position on the moisture gradient and life-history traits; all terrestrial species are included into a single group; (b) classification of all vascular plant and charophyte species into the groups according to their habitat and/or vegetation preferences. For a detailed description of each species group and classification of particular species, see Table S4.
Among the wetland plants, annual and shortly perennial species of exposed pond bottoms formed the most numerous group, followed by reed bed species (i.e., helophytes, Figure 5a,b). On the other hand, the number of aquatic species (floating-leaved, free-floating, and submerged plants) was very low. The representation of particular groups varied between the years. This holds true particularly for small wetland annuals, amphibious, and submerged aquatic plants, which were most frequent in 2014 and 2015, some of them also in 2019 (the years with exposed bottom and shallow water available throughout the growing season, see Tables S1 and S4) but rare or even missing in 2016, i.e., the year with high water levels in summer (Table S4, Figure 5a,b). The wetland perennials growing in lower littoral parts (e.g., Bolboschoenus maritimus agg.), ruderal and arable weeds, and trees and shrubs (species occurring only as seedlings) also exhibit a strong decline in species numbers in 2016 (Table S4). On the other hand, grassland species, e.g., Holcus lanatus, Lychnis flos-cuculi, and Potentilla anserina profited from a long dry phase in the spring of 2016 and partly in 2014. The year 2019 shows apparently lower proportion of terrestrial species due to the fact that the research focused on the shallow water and exposed bottom zones (Figure 5a,b).
3.2.4. Main Drivers of Species Composition in Vascular Plant and Charophyte Assemblages
Most of the factors tested have been significantly correlated with the NMDS ordination, where the first ordination axis corresponds to the gradient of flood and exposure duration, while the second axis exhibits the relation to the depth of muddy sediment and the distance from large inflows (Figure 6). The extent of summer exposure and the distance from large inflows have been identified as the factors with the highest impact on the species composition of vascular plants and charophytes in the plant assemblages of the Dehtář fishpond. A less important relationship was detected for mud depth and, with a weak significance, for a number of small inflows. Research intensity has a negative relationship with the second ordination axis, but the significance (p = 0.067) was below the commonly used threshold. The two remaining factors, i.e., the surrounding landscape with prevailing arable land and shrub share in the buffer zone did not show any relationship to the species composition of the plant assemblages.
Figure 6.
NMDS ordination diagram of species composition of vascular plant and charophyte assemblages of the Dehtář fishpond with passively projected selected environmental and management factors. Significant relationship of the factors to species composition is indicated based on 999 permutations. ***—highly significant (p ≤ 0.001), *—weakly significant (p ≤ 0.05). The correlations were calculated using the envfit function from the vegan package (Oksanen []). Explanations of abbreviated names of the selected factors: summer exposure (=extent of bottom exposure in summer), research intensity (=number of visits in the given segment and year), shrub share (% share of shrubs in the buffer zone between open water and the surrounding landscape), arable (=surrounding landscape with prevailing arable land). For more detail, see Table S1.
In the upper left part of the NMDS ordination diagram (Figure 6) the species of exposed substrates, particularly wetland annuals (e.g., Cyperus fuscus, Isolepis setacea, Persicaria lapathifolia) and amphibious species (e.g., Eleocharis acicularis) are concentrated, with some of them showing relationship to a higher depth of mud (e.g., Veronica anagallis-aquatica and Peplis portula). On the opposite side of the gradient, mainly grassland species (e.g., Ranunculus repens, Plantago lanceolata) and other terrestrial plants (e.g., Galium aparine) are displayed. The gradient of the distance from large inflows shows species composition of plant assemblages near the fishpond dam that occurred on dry sandy substrates. These sites were occupied mainly by weeds of arable land (e.g., Apera spica-venti, Thlaspi arvense), ruderal weeds (e.g., Descurainia sophia, Artemisia vulgaris), and annual ephemeral herbs of dry disturbed habitats (e.g., Arabidopsis thaliana, Valerianella locusta). All these terrestrial species have been recorded, particularly in the years with high research intensity. The opposite part of this gradient shows the vicinity of large inflows, with Scirpus radicans growing directly in one of them.
The “spider” diagram of the NMDS ordination showing the influence of the year of the management cycle indicates that the samples (species lists collected separately for each segment and year) are well separated between year 1 and 2 (Figure 7a), and the difference in their species composition is significant (PERMANOVA, F = 8.1855, p = 0.005).

Figure 7.
NMDS ordination diagrams of selected environmental factors and their relationship with the species composition of vascular plant and charophyte assemblages of the Dehtář fishpond: (a) Factor “year of the management cycle”; Man. cycle 1 = 1st year of the management cycle, Man. cycle 2 = 2nd year of the management cycle; (b) Factor “organic detritus”; Det. 1 = organic detritus present in more than 20% of the segment area, man. 0 = organic detritus present in less than 20% of the segment area. For a more detailed explanation of all individual variables, see Table S1.
The figure also clearly demonstrates the predominance of annual species in the species spectrum of year 1, and, by contrast, of perennial species in the samples of year 2, including wetland species of the upper littoral zone. Figure 7b shows the “spider” NMDS ordination diagram with the relationship between organic detritus and species composition. Visually, there are rather large overlaps in the species composition of the segments with and without organic detritus. Nevertheless, the difference in species composition between the contrast sites was significant (PERMANOVA, F = 6.2197, p = 0.012). Wetland annuals such as Cyperus fuscus, Isolepis setacea, and seedlings of Typha sp. are clearly related to the segments without substantial amounts of organic detritus. On the other hand, nitrophytes such as Galium aparine and Urtica dioica show the preference for segments with organic detritus deposits.
3.3. Diatoms
3.3.1. Diatom Species and Functional Group Richness
Diatom species richness varied greatly among the samples, particularly in 2015 (min. 14, max. 46 species) and 2016 (min. 13, max. 48 species); in 2019, the differences were smaller (min. 23, max. 35) (Figure 8a–c). The same applied even to samples from the same site (e.g., FD 2015 or BSB 2016) and, in some cases, for the same macrophyte species. Nevertheless, the tendency to support higher or lower diatom species richness was visible in several macrophyte species. Macrophytes with high diatom species richness, reaching the maxima above 40 and the minima higher than 25 diatom species per sample, were, e.g., Elatine hydropiper (n=5, min. 28 and max. 46 diatom species), Veronica anagallis-aquatica (n=4, min. 28, max. 44), and Zannichellia palustris (n=5, min. 29, max. 39). The highest diatom species richness, i.e., 48 taxa, was identified in the single sample of Persicaria hydropiper. On the other hand, the samples of some macrophytes reached the maximum richness of 25 diatom species or less. These were, e.g., two species from the Lemnaceae family, Spirodela polyrhiza (n = 2, min. 14, max. 20) and Lemna gibba (n = 2, min. 16, max. 17), Chara braunii (n = 2, min. 20, max. 24), and Persicaria amphibia (n = 2, min. 22, max. 25). The absolutely lowest diatom species number, i.e., 13, was identified in the single sample of Alopecurus geniculatus.
Figure 8.
Diatom species numbers and representation of five diatom functional groups (FT1–FT5) among the species in individual samples (see Table S6) collected in the Dehtář fishpond. (a) Year 2015; (b) Year 2016; (c) Year 2019—only FD was sampled but two different microsites were included. Codes of the samples are according to Table S3. Host plant species is listed at each of the samples.
Altogether 160 diatom taxa have been identified in 58 samples from the Dehtář fishpond during three sampling events, with 92 species in 2015, 123 species in 2016, and 62 species in 2019. The median value for species richness per sample in individual years was 34, 24, and 30 taxa, respectively (Figure 9a).
Figure 9.
Comparison of diatom species richness in the Dehtář fishpond. (a) Differences between years; (b) differences between years and sites. Median values (horizontal lines), lower and upper quartiles (boxes, i.e., 50% of the observed values), 5% and 95% percentiles (whiskers, i.e., 90% of the observed values), and outliers (points, i.e., the values outside the 90% range) are displayed.
Considering the three sampling sites, the overall species richness in absolute numbers was the highest in BSB 2016 (107 diatom species) and the lowest in FD 2019, site 1 (44 species) (Figure 10a–c). However, the highest median value for species richness was achieved at BSB 2015 (35 species), and only slightly lower values were identified at FD 2015 and DSB 2015 (Figure 9b). The lowest median value for species richness was detected at FD 2016 (21 species), followed by BSB 2016.
Figure 10.
Diatom species numbers and representation of five diatom functional groups (FT1–FT5) in the species pool of sampling sites in the Dehtář fishpond. (a) Year 2015; (b) Year 2016; (c) Year 2019—only FD was sampled but two different microsites were included (fishpond dam 1 = site 1, fishpond dam 2 = site 2; see Table S3 for more detail).
All five functional groups of diatoms (i.e., FT1–FT5) were represented in most of the samples (Figure 8a–c). The proportion of particular groups in the species composition was rather stable across the samples, with low species numbers at FT1 and FT4, middle high at FT2 and FT3, and the highest at FT5 (Figure 8a–c). However, FT5 exhibited the largest fluctuations in species numbers among the samples. The extraordinary species-rich samples had all five functional groups, with especially high numbers at FT5, and in 2016 also FT2 and FT3 (Figure 8a–c, see also Figure 10a–c for the summary data of the sites and years). FT5 and sometimes also FT2 was poorly represented in the macrophyte samples with very low diatom species richness (Figure 8a–c).
3.3.2. Quantitative Representation of Diatom Species and Their Functional Groups
Nitzschia palea (FT4 functional group) was the most abundant diatom species in our samples in terms of its frequency and quantity. It occurred in 56 of the total of 58 samples (frequency 96.6%) with 2,986 individuals altogether (Table S5). Its highest concentrations were detected in 2016 when it was found in all the samples and strongly dominated in some of them (Table S6). Puncticulata balatonis, a planktonic diatom (FT1), occurred in 54 samples altogether (frequency 93%) but in low quantities (low numbers of individuals of FT1 species are typical for epiphytic diatom samples). Nine additional taxa from various functional groups had a frequency of between 75% and 90% within the whole dataset (=highly frequent taxa). Among them, e.g., Navicula capitatoradiata and Nitzschia archibaldii also occurred in high quantities, strongly predominating the diatom assemblages of some of the samples. Most of the highly frequent and frequent species (occurring with the frequency between 50% and 75% within the dataset) have shown a strong affinity to a particular year and/or site (Table S6; see also Section 3.3.3). Pseudostaurosira elliptica, P. brevistriata, and Staurosirella leptostauron var. dubia in 2015; Achnanthidium saprophilum (probably on ESEM photo–Figure 14c), Cocconeis placentula, and Navicula reichardtiana in 2016, and Gomphonema parvulum (Figure 14d) in 2016 and 2019 occurred with a high frequency and, at the same time, in a high number of individuals. The frequent species also included those found in a small number of individuals only, e.g., Staurosira binodis, Navicula gregaria, and Placoneis clementiodes, concentrated into the year 2015, or Craticula subminuscula and Ulnaria acus, typical for 2016. The species that had, despite low frequencies, relatively high numbers of individuals were exceptional: Lemnicola hungarica and Eunotia bilunaris (both FT2) occurred only in eight and ten samples, respectively, but especially the former sometimes produced very dense populations (Tables S5 and S6).
The proportion of the functional groups of diatoms strongly varied between the years and sites. In 2015, the groups FT3 and FT5 predominated in the samples, with the former being more frequent at BSB and DSB and the latter in the samples from FD (Figure 11a). In 2016, only FD and BSB were sampled. While typically periphytic diatoms (FT2 group) predominated the samples from FD, the FT4 taxa occurred with the highest quantities in most samples from BSB (Figure 11b). In 2019, when two microsites at FD were sampled, the share of the functional groups among the samples was rather balanced. While the samples from the more muddy site were predominated by the FT2 and FT5 groups (Figure 11c, samples F1–19 to F4–19), the highest share was achieved by FT2 and FT3 in the samples from the sandy site exposed to wave action (Figure 11c, FN5-19 to FN8-19).

Figure 11.
Relative representation of five diatom functional groups (FT1–FT5) in particular samples (based on quantities of diatom individuals within each of the groups). (a) Year 2015; (b) Year 2016; (c) Year 2019—only FD was sampled, but two different microsites were included.
The predominance of a single or a few diatom taxa is strongly reflected in the share of their functional species groups within the samples (Figure 11a–c). It is remarkable particularly in species poor samples, e.g., in Limosella aquatica (F8-15; Figure 8a and Figure 11a) with an extremely high share of FT3 group (Pseudostaurosira brevistriata, Staurosirella leptostauron) or Lemna gibba and Spirodela polyrhiza from FD 2016 (F8-16 and F9-16; Figure 8b, Figure 11b) with a strong predominance of FT2 group (Lemnicola hungarica).
3.3.3. Impact of Environmental Factors on Structure and Species Composition of Diatom Assemblages
All the tested factors have been significantly correlated with the NMDS ordination. The first ordination axis corresponds to the gradients of flood and exposure duration, mud depth, and, in the opposite direction, chlorophyll-a concentrations during the growing season. The second axis corresponds to the gradient of the distance from large inflows where the largest distance corresponds to the proximity of the fishpond dam (FD). The other factors correlated with this gradient, i.e., shrub share in the buffer zone, surrounding landscape formed by arable fields, and number of small inflows, are clearly associated with the FD sampling site (Figure 12).
Figure 12.
NMDS ordination diagram of species composition of diatom assemblages of the Dehtář fishpond with passively projected selected environmental and management factors. All continuous factors are significantly correlated with species composition (p ≤ 0.01; 999 permutations). The envfit function from the vegan package (Oksanen []) was used for the calculations. Explanations of abbreviated names of selected factors: summer exposure = extent of bottom exposure in summer, shrub share = % share of shrubs in the buffer zone between open water and the surrounding landscape, arable = surrounding landscape with prevailing arable land, chlorophyll-a = chlorophyll-a concentrations (mean for the relevant site and growing season), 2015, 2016, 2019 = years of the diatom sampling. For a more detailed explanation of individual variables, see Table S1.
The species composition was significantly different between the years of sampling (here a calendar year) (PERMANOVA, F = 34.638, p = 0.001). The differences are also clearly demonstrated in the NMDS ordination diagram (Figure 12). For the year 2015, remarkable for its large area of exposed pond bottom and high depth of mud (vegetation zones 2 and 3, see Section 3.2.2), FT3 diatoms such as Staurosirella leptostauron and Pseudostaurosira elliptica were the most typical, followed by some Navicula species (FT5 group), e.g., N. cryptocephala and N. trivialis (Figure 12, Table S6).
In contrast, the year 2016 was characterized by high water levels, and therefore only the vegetation zones 1 and 2 (deeply flooded) could be sampled. FT4 diatoms of the genus Nitzschia, particularly N. archibaldii and N. palea, as well as the FT5 species such as Pinnularia marchia and Ulnaria ulna differentiated the sites distant from the fishpond dam at BSB from the sites distant from the large inflows at FD. Samples from FD 2016 were predominated by periphytic diatoms (FT2), e.g., Achnanthidium minutissimum, A. saprophilum, Cocconeis placentula, and Lemnicola hungarica. Increased chlorophyll-a concentrations probably modulated the species composition at FD in 2016. The FT2 species Gomphonema parvulum and FT5 species Navicula capitatoradiata were present in the samples from each year and site, but they were particularly frequent at FD in 2015 (higher share of N. capitatoradiata) and 2019 (higher share of G. parvulum).
The relationship of diatom assemblages to three important factors, not considered above, is shown in Figure 13: distance from the fishpond bank (a), water depth (b), and exposure to disturbances caused by wave action or streaming (c). These NMDS ordination diagrams show not only the species distribution patterns between the three sites and sampling years, but also the differentiation or overlaps between the samples.
Figure 13.
NMDS ordination diagrams of selected environmental factors and their relationship to species composition of diatom assemblages of the Dehtář fishpond. (a) Distance from the fishpond bank (m); (b) water depth (cm); (c) exposure to wave- or streaming-mediated disturbances (ordinal scale from 0—no disturbance, to 3—severe disturbances). The passively projected isolines in the figures demonstrate the scaling of each factor. For more information on environmental factors, see Table S3.
The samples from the three sites collected in 2015 exhibit a high level of similarity in species composition, all being situated a long distance from the bank and in very shallow, disturbed parts of the lower littoral (see Table S3). The two sites sampled in 2016, FD and BSB, exhibit a high level of differentiation between the samples: while the disturbance intensity and distance from the bank were similar for both sites, water depth was markedly higher at FD. At the same time, the samples from both sampling sites in 2016 were clearly differentiated from those from 2015 by a substantially higher water depth, and shorter distance from the bank and disturbance intensity. Finally, the samples from 2019 (only FD) have an intermediate position between FD 2015 and FD 2016, yet showing more similarities to 2015 (Figure 13a–c, Tables S3 and S6).
On a small scale, a particular spatial position of the sampled macrophyte individuals and the distances between them probably also play a role. For instance, diatom assemblages of Glyceria maxima, Persicaria hydropiper, Veronica anagallis-aquatica, and Ranunculus sceleratus (samples B17-16 to B20-16) growing at BSB in the distance of up to about 1 m from one another, were highly similar in their species composition, species richness, and proportions of functional groups of diatoms within the species pools (Figure 8b, Table S6). The quantitative share of particular diatom species and functional groups varied, however, even at these spatially close samples. Similarly, the samples of Phragmites australis and Phalaris arundinacea (B12-16 and B13-16) collected at the same site in a sandy littoral at BSB (segment 6–see Figure 1 and Table S3) strongly differed in the share of functional groups of diatoms (Figure 11b). These differences were also well visible on the microphotographs of plant surfaces with diatom assemblages acquired using ESEM (Figure 14a,b). The overall density of diatom assemblages also strongly varied, as shown by a set of ESEM photographs from the sites with contrasting conditions (e.g., exposure to wave-mediated disturbances) or the different macrophytes from one and the same site and year (Figure 14a–e).

Figure 14.
Environmental Scanning Electron Microscopy (ESEM) photographs of the surfaces of selected macrophytes with epiphytic diatom assemblages. (a) Phragmites australis leaf collected at BSB in 2016 (sample B12-16, 2 m from the bank) with a sparse epiphytic diatom assemblage consisting mainly of the FT2 (Achnanthidium sp.—1, Gomphonema spp.—2) and FT5 taxa (Navicula spp.—3), less frequently of the taxa from FT1 (Aulacoseira sp.—4) and FT3 functional groups (Melosira sp.–5); (b) Phalaris arundinacea leaf sheath collected at BSB in 2016 (sample B13-16, 1 m from the bank) near the above sample of Phragmites australis. The photo shows the predominance of FT5 diatoms of Navicula spp. (Navicula capitatoradiata—3a, N. cryptocephata—3b, and N. reichardtiana—3c) and representatives of FT2 (Gomphonema spp.—2) and FT3 (Nitzschia spp.—6); (c) Phragmites australis leaf sheath collected at FD in 2016 is densely covered by Achnanthidium spp.—1 (FT2; sample not analysed by LM; conditions of lower disturbance impact than at BSB). Representatives of FT2 (Gomphonema sp.–2) and FT5 (Navicula sp.–3) are present in minority; (d) Limosella aquatica leaf stalk collected at FD in 2019 (sample FN6-19, site 1 with higher influence of wave action) with a dominance of Gomphonema parvulum—2a (FT2) and presence of Achnanthidium minutissimum—1 (FT2) and Nitzschia archibaldii—6a (FT4); (e) Limosella aquatica leaf stalk collected at FD in 2019 (sample F2-19, sampling site 2 with lower influence of wave action). The photo shows individuals of Gomphonema parvulum—2a and Planothidium sp.—7 from FT2 and Pseudostaurosira brevistriata—8 from FT3 functional groups. For more detail on species composition and the share of individual functional groups in the samples, see Figure 8 b,c, Figure 11b,c and Figure 12, and Table S6.
3.3.4. Relationships between Macrophytes and Epiphytic Diatom Assemblages
We did not find any significant relationship between diatom species composition and particular macrophyte species either in the dataset of all macrophyte samples and all diatom functional groups (Permutation test for RDA; p = 0.72) or in the test of all macrophyte samples, and FT2 (p = 0.565) or FT5 (p = 0.825) diatom groups, respectively.
When we used the ecology and life history traits-based functional groups of macrophytes instead of vascular plant and charophyte species, we detected a highly significant response of all diatom species (p = 0.001) as well as of diatom species selected only from the functional groups FT2 (p = 0.002) and FT5 (p = 0.001). The use of leaf morphology-based functional groups of macrophytes did not reveal a significant relationship to species composition within the two functional groups of diatoms (p = 0.116 for FT2, p = 0.127 for FT5). The relationship between all diatom species and morphology-based macrophyte groups was only weakly significant (p = 0.048). The effect of the macrophyte species groups on diatom species richness is shown in Figure 15. In the graph of diatom species richness in the groups of samples sorted according to ecology and trait-based classification (Figure 15a), a trend of higher species richness in amphibious and submerged plants is visible. On the other hand, floating-leaved species exhibit low species richness; however, they were present only in 2016. When the morphological classification of macrophytes was used, no clear relationship between the species richness and a particular macrophyte group was found (Figure 15b).
Figure 15.
Comparison of species richness of diatoms in the macrophyte samples from the Dehtář fishpond classified into species groups. Years 2015, 2016, and 2019: (a) Functional groups based on the ecology and life-history traits of macrophytes; (b) functional groups based on leaf morphology. Median values (horizontal lines), lower and upper quartiles (boxes, i.e., 50% of the observed values), 5% and 95% percentiles (whiskers, i.e., 90% of the observed values), and outliers (points, i.e., the values outside the 90% range) are displayed. Abbreviations: AMP—amphibious species, FLO—floating-leaved aquatics (both free-floating and rooted); RBE—reed bed species; SUB—submerged aquatics; FiL—filamentous leaves; Gr-s—grasslike small; Gr-t—grasslike tall; LaL—large leaves; SmL—small leaves. For the classification of particular macrophyte species into functional groups, see Table S3.
4. Discussion
4.1. Joint Characteristics of Plant and Epiphytic Diatom Assemblages
Vascular plants (including a single charophyte species) and epiphytic diatoms in the Dehtář fishpond exhibit similarities in several general trends. These are, in particular: (1) the species composition, as well as the proportion of functional and ecological groups, fluctuates significantly between individual years and sites. (2) A substantially higher species richness in 2015 (first year of the fishpond management cycle with extreme summer drought and the largest extent of fishpond bottom exposure) as compared to 2016 (second year of the management cycle with a very dry spring but a very wet summer, causing extremely high water levels): We suppose that these differences are mainly related to the differences in the extent of fishpond bottom exposure, which is typically much larger in the first than in the second year of the management cycle; however, irregularities may also occur due to climatic extremes. Our incomplete data from 2014 (second year of the management cycle but with water levels lower than typical for this period) and 2019 (first year of the management cycle) at least partly support this presumption. For macrophytes, similar results have been obtained also by Francová et al. ([,]). (3) The proportion of taxa with high tolerance or preference of water level fluctuations and/or drought tolerance: In particular, there is a high share of non-wetland species among vascular plants, a high frequency of wetland annual species preferring sandy substrata and the occurrence of aerotolerant diatoms, and, in contrast, there is the absence of species preferring a stable water column. The overall species composition and share of functional and ecological species groups of vascular plants and diatoms correspond to a temporary water body (e.g., [,,,,]. (4) The occurrence of taxa with various nutrient demands at one site or even within a single stand/sample: Particularly in the first year of the management cycle, the joint occurrence of species preferring oligotrophic to mesotrophic habitats with species typical of highly eutrophic habitats was rather common, although the former usually did not exhibit high abundances in case of diatoms. The final trend was (5) an exceptionally high overall species richness in comparison to the studies from similar temperate aquatic habitats (lakes, fishponds, water reservoirs (see [,,,] for diatoms and [,,,,,] for macrophytes).
4.2. Do Macrophytes and Diatoms Follow the Same Environmental Gradients?
4.2.1. Nutritional Gradient
The plant and diatom species and functional diversity of the Dehtář fishpond is very high and complex. We analysed a number of environment- and management-related factors in order to disentangle their influence on the studied groups of autotrophs. Basic nutrients, pH, and conductivity are considered to be important characteristics driving patterns in the distribution of aquatic plants and algae [,,,,,,,,]. This, however, holds true for the level of separated localities, particularly on a larger spatial scale [,,,,], rather than within a single water body. Although Dehtář is a large fishpond and its bays are somewhat separated from the main part, which is connected to the dam, spatial differences in water chemistry are, in our opinion, too small to be interpreted as an important source of variability in autotrophic communities occurring at the different sites. As the system is hypertrophic, we do not suppose any limitations by nutrients. Diatoms could be limited by silicon (Si) availability; however, we have no data regarding this nutrient. Yet, as waters in the study region do not suffer from its lack [], we suppose it is not a limiting element here. Moreover, silicon is usually positively correlated with iron concentrations [], which were high in some years. Aquatic plants found in the Dehtář fishpond are able to grow in waters with various trophy levels []. For macrophytes rooted in the bottom, the sediment is the main source of nutrients; muddy fishpond sediments are generally nutrient-rich [].
4.2.2. Light Limitation
Light limitation might be crucial for autotrophs in hypertrophic water bodies []. Therefore, we involved monthly averages of chlorophyll-a concentrations from each site into the analyses of epiphytic diatom assemblages; this factor corresponds well with nutrient amounts and is negatively correlated with water transparency. Indeed, we found a clear relationship between chlorophyll-a concentrations and the diatom species composition. This result is in agreement with the findings of Poulíčková et al. [], where, e.g., Lemnicola hungarica was shown as an important indicator of high trophy and chlorophyll-a concentrations. These characteristics also depict the high nutrient requirements of the host plants of Lemnicola hungarica, in our case Lemna gibba and Spirodela polyrhiza [].
A generally low light availability is also illustrated by water transparency (Table S2), which often did not exceed 30 cm at our study sites in the summer months, and PhAR, reaching only negligible values in the depth of 1.5 m; this situation is common in fishponds with adult carp []. Although in the depth of 0.3 m, PhAR reached rather high values in some periods, these values did not occur continually throughout the daytime. Thus, light could be an important factor limiting species richness and biomass of submerged aquatic and amphibious plants in the Dehtář fishpond, particularly during the second year of the management cycle, when the water level was high. Although in the first year of the management cycle the areas of shallow water, potentially suitable for submerged vegetation, are fairly large in various parts of the fishpond, the instability of daylight in the water column may be of high importance. Nevertheless, most submerged aquatics and amphiphytes, regularly growing in carp ponds, are rather tolerant of low water transparency and are also known to be able to survive periods of long-term low light availability and high fish stock pressure (i.e., the second year of the management cycle) in the sediment seed bank [,,]. Our data show that these species nearly disappeared from the Dehtář fishpond in 2016 (Table S4, Figure 5) but were present again in 2019. Therefore, the very low species richness of aquatic plants (particularly the submerged ones) and amphiphytes in the Dehtář fishpond is surprising. Only several species of the above functional groups occurred in Dehtář, and only two of them, Elatine hydropiper and Zannichellia palustris, were rather frequent, forming species-poor stands in shallow waters along the shoreline. Species common in the fishponds in the study region such as Myriophyllum spicatum and Stuckenia pectinata, which are tolerant of turbid water and high nutrient amounts, did not occur in the Dehtář fishpond at all, and others such as Potamogeton crispus and P. pusillus were extremely rare here [,]. We conclude that light availability is responsible for the interannual population fluctuations of submerged aquatics and amphiphytes, but it is not the decisive factor limiting their overall species richness. It is likely that the propagules of many aquatics are dispersed into the Dehtář fishpond from the surrounding water bodies via waterfowl [], but site conditions do not enable their establishment. We suppose that the reason for the low species richness of aquatic species could be similar to that identified by Jupp and Spence []. They described macrophyte limitation by wave action in a lake shallow water zone, while phytoplankton dominance and associated light shortage restricted macrophyte growth in a deeper water zone protected against the impact of waves.
4.2.3. Moisture and Temperature Fluctuations
Another important factor in wetlands is drought. The strong water level decrease in the Dehtář fishpond in 2015 led to the whole vegetated zone finally being out of the water in the late summer; under such conditions, only amphiphytes survived, while the aquatics died. However, the ability of fishpond macrophytes to survive as seeds or spores in the soil seed bank is usually not eliminated by substrate desiccation [], as mechanisms of ecological filtering in regularly drained fishponds probably selected species with relevant traits decades or even centuries ago. Nevertheless, in very dry years, the fast desiccation of muddy substrates may be an important factor eliminating not only aquatics and amphiphytes, but also some wetland annuals with high moisture demands (e.g., Coleanthus subtilis, Eleocharis ovata, and Peplis portula; []). In contrast, drought-tolerant wetland annuals such as Cerastium dubium, Montia arvensis, Myosurus minimus, and Spergularia kurkae, colonising large areas of exposed sandy shores, seem to profit from dry years, although a prolonged dry period may increase the competition by perennials, particularly of clonal grassland species. However, the former three wetland annuals with very early development (March and April) usually make use of a narrow time window between the early beginning of the growing season and the progressive development of grasslands in May. S. kurkae is capable of long-term persistence in a soil seed bank [].
Our analyses revealed that the fishpond summer drainage is one of the most important factors shaping species composition and increasing species richness of wetland and non-wetland vascular plants (see also [,]), but also of epiphytic diatoms. We expected that epiphytic diatom communities would be impoverished due to the environmental stress caused by highly unstable moisture during summers and winters (see also [,]). However, permanent and temporary wetland habitats usually differ in their diatom species composition, with the taxa dependent on a stable water column or moisture occurring in the former and missing in the latter wetland types [,]. Some of the diatom species found in our samples with very low frequency and/or abundance are considered by Evans [] as species preferring permanent water bodies (e.g., Melosira varians, Nitzschia acicularis, and Gyrosigma acuminatum) and could be introduced from elsewhere by stream water (see also []). In this sense, we did not find analogies between diatoms and aquatic plants: the hydrophytes sensitive to even very short-term water drawdown apparently do not occur in fishponds due to regular drainage. Even the aquatics such as some Potamogeton species or Zannichellia palustris are supported by a water level drawdown in some of their development phases [].
While there is a lot of literature on the ecology of vascular plants and charophytes (e.g., [,,,,,,,]), this is only partly true for diatoms; unresolved taxonomy is one of the reasons why details on the ecology of some diatom species may highly differ between papers [,]. An FT2 diatom species Achnanthidium minutissimum, recently regarded as species aggregate, is a typical example: while many authors consider it as an indicator of good water quality and, at the same time, tolerant of stress caused by water level fluctuations (e.g., [,,]), we found its highest density in 2016, when the nutrient concentrations were particularly high and the water level was, after the bottom re-flooding, more stable than in 2015 and 2019. Recent studies prove the existence of several ecologically distinct microspecies [,], which makes A. minutissimum agg. an apparently euryvalent species. We propose that the mechanisms that allow the survival of epiphytic diatoms under the conditions of a temporary water unavailability could be one of the crucial attributes of distinct microspecies within the species aggregates. At the same time, these mechanisms should be seen as important determinants shaping the species composition in temporary wetlands [,]. Our data suggest that the diatom taxa such as Achnanthidium minutissimum agg., A. saprophillum, and Gomphonema parvulum agg. are able to tolerate high water level fluctuations but prefer a long phase of flooding (see also [,]). Their highest densities were identified at FD, and the only sample with abundant G. parvulum agg. from BSB came directly from the Babický brook mouth, which holds water even in the driest years. All these taxa belong to the most frequent dominants of epiphytic diatom assemblages [,,,,] where they probably are highly competitive, as we have also shown on ESEM photographs (Figure 14c,d). According to some authors, high water temperatures and nutrient amounts are important for G. parvulum agg. [,,], which corresponds to our water chemistry and temperature data (Table S2, Figure S20j).
At the FD site, diatoms were better indicators of habitat conditions than macrophytes, because sites with quickly increasing water levels are only suitable for a limited number of macrophytic species. Nevertheless, the narrow bay at FD is one of the few sites in the littoral zone of the Dehtář fishpond with deep sapropelic sediments and high substrate moisture, predominated by nutrient- and moisture-demanding wetland annuals and perennials (e.g., Bidens spp., Bolboschoenus laticarpus, Persicaria spp., Oenanthe aquatica; Figure S3a) in late summer. This site is also exceptional for its lack of drought-tolerant small wetland annuals and aerotolerant diatoms. The BSB sampling site had the highest share of species with a more frequent occurrence in temporary than in permanent waters, e.g., Eunotia bilunaris, Nitzschia archibaldii, N. palea (present there in the highest abundances), and Navicula reichardtiana, and species classified as aerotolerant, i.e., highly tolerant of a long phase without flooding, e.g., Hantzschia abundans, Pinnularia borealis, P. marchia, and P. obscura [,,,,]. Particularly the species of the latter group occurred at sites close to the bank. Considering vascular plants, a mosaic of moisture demanding and moisture tolerant species occurred at BSB, as the sites with rather deep mud (segments 7, 8, and 9) and sandy and stony fishpond margins (segments 6, 10, and 11) are situated side-by-side there. This part of the fishpond is very shallow and is the last to be overflooded. Therefore, it is an important refuge for small wetland annuals such as Coleanthus subtilis (Figure S7) even in wet years when suitable sites at FD and DSB are flooded early.
The temperature course reasonably modulated the overall species richness of vascular plants of the Dehtář fishpond during the study period. While diurnal temperature fluctuations are crucial for the germination and early development of a summer annual Coleanthus subtilis, winter annuals such as Cerastium dubium, Montia arvensis, and Myosurus minimus have profited from mild winters in the last decade [] (see also [] and Table A1 for climatic data). The frequency of Cyperus fuscus and Lythrum hyssopifolia markedly increased in 2019, the year with extraordinary high summer temperatures but also sufficient precipitation (Table A1 and Table S4). Both of these species are relatively thermophilous and late-germinating [], but the former has recently been spreading in colder regions such as southern Bohemia []. Lindernia procumbens (Table S4) appeared only in the summer of 2015, probably as a consequence of extremely hot and dry weather. This highly thermophilous species otherwise mostly survives in the soil seed bank at many of its sites in Central Europe [,].
4.2.4. Omitted Role of Wave Action in Fishponds
Wave action is an important factor in large water bodies including fishponds []. Among all the large fishponds in the Czech Republic, there are probably only few in which winds causing wave action occur regularly []. The size as well as overall volume, water body shape, and position in the landscape are all important predictors of wave action [,]. Indirectly, the waves act through the transport of fine sediment particles into deeper and/or calm parts of the water body, thus forming pure sandy or stony beaches in the upper littoral zone []. This effect is particularly important for plant species with specific edaphic requirements []. The direct impact of wave action on macrophytes proceeds through the uprooting and fragmenting of submerged species, disturbance of the root system of helophytes, burial of plant parts with sand or organic detritus, and decrease in water transparency [,]. Macrophytes able to form creeping morphotypes are at an advantage. In the Dehtář fishpond, Zannichellia palustris, Eleocharis acicularis, and Elatine hydropiper possess the necessary morphological traits and occupy places under a strong wave action [,]. Nevertheless, at some sites or in some years, wave-mediated disturbances are probably too strong for any macrophyte species. The substantially lower incidence of strong winds in 2019 (as compared to 2015) probably contributed to the colonisation of the sites that were previously without any submerged vegetation by Zannichellia palustris.
For diatoms, the published information on wave mediated disturbance is scarce, but the FT2 species attached to the substrate with mucilaginous stalks, e.g., Achnanthidium spp. and Gompohonema spp., are reported as more disturbance-sensitive than the adnate FT2 species or the species from other functional groups []. This would be in accordance with our results, although it seems to be difficult to separate the influence of wave action and water level fluctuations/water depth in the above species. The year 2016, with the highest and most stable water level, and high Achnanthidium spp. and medium high Gomphonema parvulum agg. abundances, was rather windy (Table 1, Figure 2 and Figure S22). Our ESEM photographs (Figure 14a,c) of diatom assemblages in reed (Phragmites australis) samples from two sites at which the level of exposure to wave actions was different suggest, however, that strong wave-mediated disturbances may have a rather devastating effect on the FT2 stalked taxa. It is also likely that the influence of wave action on the littoral plant and algal communities is different under different water levels [].
Among vascular plants, even Phragmites australis, which is one of the most common helophytes in fishponds [], forms stand only at those sites of the Dehtář fishpond that are at least partly protected against wave action. Nevertheless, its overall cover is negligible in comparison to other large fishponds without intensive wave-mediated disturbances (see, e.g., [,]). Similarly, Typha latifolia, very common even in fishponds with high nutrient levels [,], occurred in the Dehtář fishpond only as young plants during the exposure of muddy sediments. Although Gaberščik et al. [] have demonstrated the negative impact of water level fluctuations on Phragmites australis in an intermittent lake, studies from fishponds show the positive effect of regular summer drainage on the reed bed regeneration [], which is why we do not consider this factor to be responsible for the very limited extent of reed beds in the Dehtář fishpond. Lemnaceae, known for being very sensitive to streaming and wave action [], occurred in small quantities only, usually within reed bed stands or in small inflows.
To a certain extent, wave action probably decreases the impact of high nutrient amounts and enables side-by-side coexistence of vascular plant and diatom species with contrasting nutrient demands, increasing the overall plant and diatom species diversity. According to Morris et al. [], disturbances caused by wave action might even support rare and threatened plants. Also in our case, species that are the rarest in the Czech Republic grow preferentially on shores under strong wave action. In the case of Montia arensis, the Dehtář fishpond is one of the four sites in the Czech Republic and a single fishpond locality where this species occurs. Spergularia kurkae is more widespread [], but the population from Dehtář is probably one of the richest in the country. Cerastium dubium is considered to be secondary in Southern Bohemia, colonising exclusively the sandy shores of large fishponds there [].
Among diatoms, Staurosirella leptostauron var. dubia, Pseudostaurosira brevistriata, and P. elliptica are considered as species preferring nutrient poor habitats [,], while, e.g., Nitzschia palea, Fistulifera saprophila, and Planothidium frequentissimum are classified as the species of highly eutrophic to hypertrophic water bodies [,,]. Most species on our list, however, occur between the two extremes, e.g., Cocconeis placentula, Navicula capitatoradiata, and Nitzschia archibaldii []. While the species with lower nutrient demands seem to be also highly tolerant of wave action and low water level (Figure 13b,c), those preferring highly eutrophic habitats occurred more frequently in places with fine sediment and organic detritus sedimentation and in the absence of wave-mediated disturbances. It is clearly visible not only when comparing findings from individual years and sites with varying disturbance intensities, but also when comparing two sites at FD (2019), differing in disturbance levels and also in quantities of, e.g., Pseudostaurosira spp. on the one hand and Planothidium frequentissimum on the other. Surprisingly, stalked FT2 diatom Gomphonema parvulum agg., predominating most of the 2019 samples, occurred in higher quantities on the more disturbed shore; however, its abundance varied between samples. Species from all the above groups occurred frequently in a single sample, but the samples dominated by species with low nutrient demand/higher disturbance tolerance were generally richer in species and had more balanced species abundances than the samples dominated by species with high nutrient demands/lower disturbance tolerance (Table S6, Figure 8). Analogically, the non-disturbed reed beds, e.g., stands of Phalaris arundinacea (zone 1), a strong competitor preferring nutrient-rich soils [], were extremely species-poor (data not displayed). The phenomenon of mechanical disturbances and their positive influence on vascular plant species diversity in eutrophic wetlands has been already discussed (e.g., [,,]).
4.3. A Real Biennial Fluctuation or a Trend of Hypertrophy Progression?
Potužák et al. [] published substantially lower values of TN, TP, and chlorophyll-a concentrations from the Dehtář fishpond for the growing seasons of 2011 and 2012 than was detected during our research. The years 2016 and 2019 in particular show a great increase of trophy levels, potentially associated with the mineralisation of nutrients in the fishpond sediment during bottom exposure in dry summers. There is a high nutrient input related to the fish farming management, the surrounding agricultural landscape, and an outflow from a small sewage plant treating waste water from the surrounding settlements, but these factors have been constant over at least two decades. We suggest that sediment desiccation accompanied by nutrient mineralisation and the subsequent nutrient release into a water column may accelerate the influence of the above factors. Such a situation occurred at the Dehtář fishpond after the long dry phase in 2015 and the spring of 2016, followed by a water level increase in the summer of 2016. However, also a continual release of phosphorus from the submerged sediment due to high water temperatures is likely, as summer water temperatures measured by automatic sensor stations often reached 30 °C (see, e.g., [,] for the description of these processes).
There are no data available for an earlier period (2011–2012) on epiphytic diatom and macrophyte assemblages of the Dehtář fishpond. Therefore, we cannot be sure if the supposed continual increase in trophic levels in the Dehtář fishpond already caused sub-recent associated change in species composition of biotic communities or not. Only scarce data on selected vascular plant species of exposed pond bottoms were published several decades ago [,]. Thanks to these papers we know that, e.g., Juncus tenageia and Pseudognaphalium luteoalbum, the wetland annuals of nutrient-poor habitats [,] not found during our research, grew in the Dehtář fishpond in the past, but we have no information on what exactly preceded the disappearance of these species. On the one hand, potential hypertrophy-related changes may be very fast, particularly in algal assemblages []. On the other hand, frequent wind-mediated disturbances might have reduced the relative importance of nutrients in the hypertrophic ecosystem. Moreover, a parametes that could seem to be a consequence of recent global changes, namely a rather frequent prolonged summer drainage due to summer drought, has, according to our information, been occurring in the Dehtář fishpond for at least several decades []. Nevertheless, manuring and fish feeding based on the real needs of this aquacultural system would not only reduce the nutrient load but would also save money for the fish farm, as a large part of these inputs are not involved in the food chain and thus cannot be reflected in the fish production [,].
4.4. Diatoms and Macrophytes—Do Direct Relationships Exist?
Most published papers confirm the so-called “neutral substrate hypothesis”, i.e., the absence of diatom assemblages strictly specific to a particular macrophyte species (plant substrate; []); our own early study from the Dehtář fishpond brought similar results []. On the other hand, we cannot say that there are no relationships between epiphytic diatom assemblages and their host plants. We proved that the ecological and life-history traits of the host plant species are an important factor influencing species richness, structure, and species composition of associated diatom assemblages. In some cases, the whole vegetation zone probably functions as a refuge for a certain epiphytic diatom species pool. This fact is reflected in the high similarity in diatom assemblages of the samples from different macrophyte species collected within a few square meters in a single zone. The importance of vegetation zonation for diatom assemblages is also mentioned by, e.g., Letáková et al. [].
On the other hand, sometimes even the samples collected close to each other within a single zone showed very important differences in epiphytic diatom assemblages. For instance, our analyses revealed substantial differences between the samples from Phragmites australis and Phalaris arundinacea collected during the same sampling event at BSB. Similarly, diatom assemblages recorded in the samples from Spirodela polyrhiza and Lemna gibba differed markedly from those from reed bed species growing in the same stand: while Lemnaceae were densely colonised by a specialised diatom Lemnicola hungarica, only rarely occurring elsewhere [], reed bed species samples were mainly predominated by Achnanthidium spp. and Cocconeis placentula. It is supposed that plant macro-morphology (i.e., stem branching, leave dissection) and surface microstructure (e.g., trichomes, spikes) have a selective effect on diatom assemblages, where e.g., species of a certain cell size, shape, or type of attachment may better cope with conditions offered by particular macrophytes [,].
The filtering of particular diatom size categories by macrophytes occurred also in some of our samples: while small (up to 12.5 μm) and middle-sized (up to 37 μm) diatoms such as Achnanthidium spp. predominated at FD in 2016, large species (> 40–45 μm) such as Pinnularia spp. and Ulnaria spp. were common at BSB in 2016. In 2015, there was a mixture of medium-sized (e.g., Staurosira leptostauron) and large diatoms (e.g., Craticula cuspidata) at all the study sites. While the large and medium-sized diatoms seemed to be related particularly to small growing wetland annuals, shortly perennial species, and submerged plants, the small-sized species were more common on large wetland perennials (with the exception of Lemnicola hungarica on Lemnaceae). As among the small-sized species, the attached periphytic taxa dominated, one of the possible explanations might be that the periphytes need to attach to a stable structure in order to be able to persist in conditions of strong wave action. Remarkably, in 2019 when hydrological conditions at the time of diatom sampling were similar to those in 2015, but the year was markedly less windy than 2015 (Table 1, Figure 2 and Figure S22b,d), small-sized species such as Gomphonema parvulum occurred in high densities in FD samples from various types of macrophytes, mainly the non-reed bed species (Figure 14d, Table S6). G. parvulum is considered to be a species highly sensitive to mechanical disturbances due to its long stalks [], and thus the course of the weather in 2019 with less frequent wave action could be the decisive factor in colonising the potentially unstable substrate such as Zannichellia palustris. On the other hand, epipelic species of the Navicula genus (FT5) were among the large-sized diatoms. Their higher species richness and/or quantities in the samples of low-growing macrophytes may be related to their occurrence on the surface of muddy sediments and to the active movement between the sediment and the plants []. This strategy would enable the diatoms to profit from their host plants by, e.g., gaining better access to light (the diatom may move upwards on the plant).
4.5. Importance of Research Intensity
After the end of the research grant in 2016, our data sampling in the Dehtář fishpond was limited. Therefore, the data on vascular plants after 2017 are rather incomplete, as we preferentially recorded taxa in the second and third zones, because many of them are of high conservation value. Despite this incompleteness, we included the data from 2019 when we also collected a limited number of diatom samples. These data serve partly for comparison with data from the research period of 2014–2016, but they particularly highlight the necessity of more intensive research in large water bodies. Although due to higher substrate moisture, the conditions in 2019 were even more suitable to plant development than in the very dry year 2015, during three short visits in 2019, we recorded less than 1/2 of the vascular plant and charophyte species listed for 2015 (Table S4). We excluded some difficult-to-access segments at the Dehtářský stream inflow from our 2019 research; however, this part of the Dehtář fishpond hosts only a few species that only grow there. Thus, it seems that a substantially higher time investment would be necessary to obtain data fully comparable with the research grant period.
For diatoms, the number of samples is crucial. There was a similarly significant decrease in the total species number in 2019 as compared to 2015 and especially to 2016 (the highest amounts of samples). However, the most important reduction of information was related to the large-scale distribution patterns of diatoms, because all 2019 samples came only from FD. Another possible source of bias in diatom data is related to differences in the zones sampled in particular years: while in 2015 and 2019, all the samples were collected on the transition between the second and the third zone, in 2016, the first and the second zones were sampled. Therefore, somewhat different sets of diatom substrates were sampled each year. The sampling of the same plant species at each site and each year would allow us to formulate more general conclusions; however, it was not realistic due to the differences in macrophytic species composition between the sites and years and because not all of the plant species occurring at particular sites were always available growing in water. Thus, some rare macrophyte species could be collected only once. In some cases, our sample was probably the first one of the given macrophyte species (e.g., Veronica scutellata, Alopecurus geniculatus) that was ever analysed for epiphytic diatoms.
5. Conclusions
Macrophytes and diatoms exhibit similar responses to some of the basic, usually locally acting environmental factors, such as water depth, water level fluctuations, nutrient amounts, water transparency, type of bottom sediment, occurrence of organic detritus, morphology of littoral zone, and mechanical disturbance intensity. Locally as well as regionally, important environmental and management-related factors such as the yearly course of weather conditions, type of management (e.g., fish farming), and landscape structure usually act in close synergy.
Our study of the Dehtář fishpond offers a complex view of multiple factors and their interactions within a large hypertrophic water body. For instance, wind-mediated wave action is related to specific weather conditions, landscape structure, and fishpond morphology, but the controlled manipulation of the water level may largely modify its influence on macrophyte and diatom species in particular littoral habitats. Similarly, the timing and intensity of water level fluctuations in a water body are basically determined by weather conditions, the hydrology of a local catchment basin, and the type of surrounding landscape. In fishponds specifically, however, the overall hydrological conditions may also be greatly modified by an intended drainage before fish harvesting and the continual filling of a fishpond after restocking. Due to the synergy between hydrological, climatic, and management factors, the functioning of the littoral zones of these fishponds resembles temporary wetlands, as we have also shown with our complex data. Our results also reveal other stress factors, such as the eutrophication and mechanical disturbances with a joint effect on water transparency and, consecutively, on macrophyte and microalgal assemblages. Yet, the Dehtář fishpond is an important hotspot of wetland biodiversity and a refuge of threatened taxa.
The study period was characteristic of various extremes in climate and related local factors such as water level and substrate moisture fluctuations, with associated responses in plant and diatom assemblages. As such extremes are supposed to be more frequent in the future due to the progressing global climate change, our study from the Dehtář fishpond may be considered as the basis for predictive model constructions in similar hypertrophic water bodies, including for proposals of mitigation measures preventing accelerated habitat deterioration.
Supplementary Materials
The following are available online at https://www.mdpi.com/article/10.3390/w13111569/s1: Figures S1–S15: Photographs documenting the environment, selected vascular plant species and their assemblages, and fish farming practices in the Dehtář fishpond, Figures S16–S22: Line graphs documenting a course of selected environmental factors in the Dehtář fishpond, Table S1: Summary of the factors used in NMDS ordinations of macrophyte and diatom species assemblages; Table S2: Basic physico-chemical parameters of water; Table S3: List of epiphytic diatom samples; Table S4: List of vascular plant species and charophytes along with their frequencies, quantities and classification to species groups; Table S5: Frequency of occurrence and cumulative numbers of diatom taxa in the samples from the Dehtář fishpond; Table S6: List of diatom taxa found in particular samples of epiphyton of the Dehtář fishpond.
Author Contributions
Conceptualisation, K.Š., M.F. (Markéta Fránková), O.V., and J.P.; methodology, K.Š., M.F. (Markéta Fránková), O.V., and J.P.; formal analysis, O.V., K.Š., and M.F. (Markéta Fránková); investigation, M.D., K.Š., M.F. (Martina Fabšičová), M.F. (Markéta Fránková), and J.P.; resources, K.Š., M.D., J.P., M.F. (Martina Fabšičová), and M.F. (Markéta Fránková); data curation, K.Š., M.D., M.F. (Markéta Fránková), and J.P.; writing—original draft preparation, K.Š, M.F. (Markéta Fránková), and O.V.; writing—review and editing, M.F. (Martina Fabšičová), J.P., and M.D.; visualisation, O.V., M.F. (Markéta Fránková), K.Š., M.D., and J.P.; supervision, K.Š.; project administration, K.Š.; funding acquisition, K.Š., M.F. (Markéta Fránková), and M.D. All authors have read and agreed to the published version of the manuscript.
Funding
This study is a result of the research grant nr. LD 14045 provided by the Ministry of Education, Youth, and Sports of the Czech Republic in the frame of the research program COST CZ, to K. Šumberová and financing the involvement of M. Fabšičová, M. Fránková, M. Ducháček, and J. Potužák. The research was related to the goals of overarching COST Action NETLAKE (ES 1201). M. Fabšičová, M. Fránková, K. Šumberová, and O. Vild were further supported by the Institute of Botany of the Czech Academy of Sciences under the long-term research development project no. RVO 67985939. M. Ducháček was supported by the National Museum under a long-term research development project no. 00023272 (National Museum, DKRVO 2019–2023/4.I.c) of the Ministry of Culture of the Czech Republic.
Institutional Review Board Statement
Not applicable.
Informed Consent Statement
Not applicable.
Data Availability Statement
Data are stored within the documentation of LD 14045 project. Data are available upon a reasonable request.
Acknowledgments
We would like to thank the colleagues who revised the herbarium specimens of taxonomically complex or difficult-to-identify taxa: Jiří Danihelka (Epilobium), Zdeněk Kaplan (Lemna, Potamogeton, Zannichellia), Jan Prančl (Batrachium, Callitriche), and Jitka Štěpánková (Bidens). Our great thanks go to the staff of the fish farm Rybářství Hluboká nad Vltavou Cz, s.r.o., for the logistical support of our research and information about management measures applied in the Dehtář fishpond, and to Karel Císař who kindly controlled and cleaned the sensors of our automatic measuring stations. We are very grateful to the Vltava River Authority, state enterprise, for providing us with the data from their own monitoring of the Dehtář fishpond, and to Markéta Letáková for sharing her detailed unpublished data on epiphytic diatom assemblages from other Czech fishponds for comparative purposes. We are thankful to Vilém Neděla and Eva Tihlaříková from the Environmental Electron Microscopy Group, Institute of Scientific Instruments of the Czech Academy of Sciences, Brno, for taking ESEM photographs of epiphyton in 2016 (Figure 14a–c). Our thanks for linguistic correction go to Mai Havrdová Fathi. We are also thankful to three anonymous reviewers and the Academic Editor for valuable comments to an earlier version of the manuscript.
Conflicts of Interest
The authors declare no conflict of interest. The funders had no role in the design of the study; in the collection, analyses, or interpretation of data; in the writing of the manuscript; or in the decision to publish the results.
Appendix A
Table A1.
Monthly sums of precipitation and temperature means at Dehtář, based on the data from automatic sensor stations, or the closest meteorological station (values with *) in České Budějovice-Rožnov (CHMI 2021). Precipitation sum and mean temperature averages for the whole South Bohemian region in the study period and long-term normals (1981–2010) are given for a better overview of meteorological situation in individual months.
Table A1.
Monthly sums of precipitation and temperature means at Dehtář, based on the data from automatic sensor stations, or the closest meteorological station (values with *) in České Budějovice-Rožnov (CHMI 2021). Precipitation sum and mean temperature averages for the whole South Bohemian region in the study period and long-term normals (1981–2010) are given for a better overview of meteorological situation in individual months.
| Month | Precipitation—Dehtář (mm) | Precipitation—S Bohemia (mm; Average) | Precipitation Normal—S Bohemia (mm; Average) | Temperatures—Dehtář (°C) | Temperature—S Bohemia (°C; Average) | Temperature Normal—S Bohemia |
|---|---|---|---|---|---|---|
| April 2014 | 21.9 * | 35 | 41 | 10.6 * | 9.0 | 7.2 |
| May 2014 | 116.2 * | 126 | 71 | 12.8 * | 11.3 | 12.5 |
| June 2014 | 41.4 | 33 | 85 | 17.6 * | 15.7 | 15.3 |
| July 2014 | 128.8 | 120 | 92 | 19.7 * | 18.3 | 17.3 |
| August 2014 | 139.2 | 104 | 85 | 16.3 | 15.0 | 16.7 |
| April 2015 | 17.4 | 28 | 41 | 8.1 | 7.2 | 7.2 |
| May 2015 | 59.1 * | 64 | 71 | 13.0 | 12.0 | 12.5 |
| June 2015 | 54 | 68 | 85 | 16.8 | 15.7 | 15.3 |
| July 2015 | 41.4 | 30 | 92 | 21.1 | 20.0 | 17.3 |
| August 2015 | 31.6 | 42 | 85 | 21.0 | 20.5 | 16.7 |
| April 2016 | 33.6 * | 35 | 41 | 8.8 * | 7.1 | 7.2 |
| May 2016 | 108.8 * | 95 | 71 | 13.9 * | 12.5 | 12.5 |
| June 2016 | 88.8 | 94 | 85 | 17.6 | 16.3 | 15.3 |
| July 2016 | 177.7 | 143 | 92 | 19.5 | 18.1 | 17.3 |
| August 2016 | 90.7 | 35 | 85 | 17.9 | 16.4 | 16.7 |
| April 2019 | 10.4 * | 16 | 41 | 10.3 * | 8.6 | 7.2 |
| May 2019 | 74.5 * | 85 | 71 | 11.5 * | 9.9 | 12.5 |
| June 2019 | 85.5 * | 69 | 85 | 21.9 * | 20.0 | 15.3 |
| July 2019 | 104.6 * | 69 | 92 | 20.5 * | 18.6 | 17.3 |
| August 2019 | 76.1 * | 70 | 85 | 20.1 * | 18.3 | 16.7 |
References
- Sand-Jensen, K.; Riis, T.; Vestergaard, O.; Larsen, S.E. Macrophyte decline in Danish lakes and streams over the past 100 years. J. Ecol. 2000, 88, 1030–1040. [Google Scholar] [CrossRef]
- Declerck, S.; Vandekerkhove, J.; Johansson, L.; Muylaert, K.; Conde-Porcuna, J.M.; Van der Gucht, K.; Pérez-Martínez, C.; Lauridsen, T.; Schwenk, K.; Zwart, G.; et al. Multi-group biodiversity in shallow lakes along gradients of phosphorus and water plant cover. Ecology 2005, 86, 1905–1915. [Google Scholar] [CrossRef]
- Alahuhta, J.; Rosbakh, S.; Chepinoga, V.; Heino, J. Environmental determinants of lake macrophyte communities in Baikal Siberia. Aquat. Sci. 2020, 82, 39. [Google Scholar] [CrossRef]
- Eriksson, F.; Hornstrom, E.; Mossberg, P.; Nyberg, P. Ecological effects of lime treatment of acidified lakes and rivers in Sweden. Hydrobiologia 1983, 101, 145–164. [Google Scholar] [CrossRef]
- Murphy, K.J. Plant communities and plant diversity in softwater lakes of northern Europe. Aquat. Bot. 2002, 73, 287–324. [Google Scholar] [CrossRef]
- Bakker, E.S.; Van Donk, E.; Immers, A.K. Lake restoration by in-lake iron addition: A synopsis of iron impact on aquatic organisms and shallow lake ecosystems. Aquat. Ecol. 2016, 50, 121–135. [Google Scholar] [CrossRef]
- Hilt, S.; Alirangues Nuñez, M.M.; Bakker, E.S.; Blindow, I.; Davidson, T.A.; Gillefalk, M.; Hansson, L.-A.; Janse, J.H.; Janssen, A.B.G.; Jeppesen, E.; et al. Response of submerged macrophyte communities to external and internal restoration measures in north temperate shallow lakes. Front. Plant Sci. 2018, 9, 194. [Google Scholar] [CrossRef]
- Jeppesen, E.; Kronvang, B.; Meerhoff, M.; Søndergaard, M.; Hansen, K.M.; Andersen, H.E.; Lauridsen, T.L.; Liboriussen, L.; Beklioglu, M.; Özen, A.; et al. Climate change effects on runoff, catchment phosphorus loading and lake ecological state, and potential adaptations. J. Environ. Qual. 2009, 38, 1930–1941. [Google Scholar] [CrossRef]
- Liebscher, P.; Rendek, J. Rybníky České Republiky; Academia: Prague, Czech Republic, 2014; pp. 1–584. [Google Scholar]
- Hoffmann, R.C. Economic development and aquatic ecosystems in medieval Europe. Am. Hist. Rev. 1996, 101, 631–669. [Google Scholar] [CrossRef]
- Turoňová, D. (Ed.) Národní přírodní rezervace Novozámecký rybník: Přírodovědecké průzkumy a péče o chráněné území. Příroda 2002, 20, 1–176. [Google Scholar]
- Zákravský, P.; Hroudová, Z. Vliv řízeného rybničního managementu na obnovu rákosin v NPR Velký a Malý Tisý. Zprávy Čes. Bot. Společ. 2007, 42, 167–196. [Google Scholar]
- Miklín, J.; Macháček, P. Birds of Lednické rybníky Fishponds (Czech Republic). J. Maps 2016, 12 (Suppl. 1), 239–248. [Google Scholar] [CrossRef]
- Meerhoff, M.; Jeppesen, E. Shallow lakes and ponds. In Encyclopedia of Inland Waters; Likens, G.E., Ed.; Elsevier: Oxford, UK, 2009; Volume 2, pp. 645–655. [Google Scholar]
- Søndergaard, M.; Johansson, L.S.; Levi, E.E.; Lauridsen, T.L.; Jeppesen, E. Lake types and their definition: A case study from Denmark. Inland Waters 2020, 10, 227–240. [Google Scholar] [CrossRef]
- Potužák, J.; Duras, J.; Drozd, B. Mass balance of fishponds: Are they sources or sinks of phosphorus? Aquac. Int. 2016, 24, 1725–1745. [Google Scholar] [CrossRef]
- Rutegwa, M.; Potužák, J.; Hejzlar, J.; Drozd, B. Carbon metabolism and nutrient balance in a hypereutrophic semiintensive fishpond. Knowl. Manag. Aquat. Ecosyst. 2019, 420, 49. [Google Scholar] [CrossRef]
- Šumberová, K.; Lososová, Z.; Fabšicová, M.; Horáková, V. Variability of vegetation of exposed pond bottoms in relation to management and environmental factors. Preslia 2006, 78, 235–252. [Google Scholar]
- Francová, K.; Šumberová, K.; Kučerová, A.; Čtvrtlíková, M.; Šorf, M.; Borovec, J.; Drozd, B.; Janauer, G.A.; Vrba, J. Macrophyte assemblages in fishponds under different fish farming management. Aquat. Bot. 2019, 159, 103131. [Google Scholar] [CrossRef]
- Francová, K.; Šumberová, K.; Kučerová, A.; Šorf, M.; Grill, S.; Exler, N.; Vrba, J. Drivers of plant species composition of ecotonal vegetation in two fishpond management types. Wetl. Ecol. Manag. 2021, 29, 93–100. [Google Scholar] [CrossRef]
- Schäfer-Guignier, O. Weiher in der Franche-Comté: Eine floristisch-ökologische und vegetationskundliche Untersuchung. Diss. Bot. 1994, 213, 1–239. [Google Scholar]
- Wezel, A.; Oertli, B.; Rosset, V.; Arthaud, F.; Leroy, B.; Smith, R.; Angélibert, S.; Bornette, G.; Vallod, D.; Robin, J. Biodiversity patterns of nutrient-rich fish ponds and implications for conservation. Limnology 2014, 15, 213–223. [Google Scholar] [CrossRef]
- Bubíková, K.; Hrivnák, R. Artificial ponds in Central Europe do not fall behind the natural ponds in terms of macrophyte diversity. Knowl. Manag. Aquat. Ecosyst. 2018, 419, 8. [Google Scholar] [CrossRef]
- Waldon, B. The conservation of small water reservoirs in the Krajeńskie Lakeland (North-West Poland). Limnologica 2012, 42, 320–327. [Google Scholar] [CrossRef]
- Scheffer, M.; van Nes, E.H. Shallow lakes theory revisited: Various alternative regimes driven by climate, nutrients, depth and lake size. Hydrobiologia 2007, 584, 455–466. [Google Scholar] [CrossRef]
- Waldon-Rudzionek, B. Is the flora of oxbow lakes different from that of fishponds? A comparison of two types of water reservoirs in the Noteć River valley and Bydgoszcz Canal valley (NW Poland). Ecol. Quest. 2017, 25, 27–40. [Google Scholar] [CrossRef][Green Version]
- Broyer, J.; Curtet, L. Biodiversity and fish farming intensification in French fishpond systems. Hydrobiologia 2012, 694, 205–218. [Google Scholar] [CrossRef]
- Müller-Stoll, W.R.; Pietsch, W. Ökologische Untersuchungen über die Gesellschaft des Eleocharito-Caricetum bohemicae auf wasserfrei gewordenen Teichböden in Zentraleuropa. Verh. Zool. Bot. Ges. Osterr. 1985, 123, 51–70. [Google Scholar]
- Richert, E.; Achtziger, R.; Dajdok, Z.; Günther, A.; Heilmeier, H.; Hübner, A.; John, H.; Šumberová, K. Rare wetland grass Coleanthus subtilis in Central and Western Europe—Current distribution, habitat types, and threats. Acta Soc. Bot. Pol. 2016, 85, 1–16. [Google Scholar] [CrossRef]
- Poschlod, P.; Rosbakh, S. Mudflat species: Threatened or hidden? An extensive seed bank survey of 108 fish ponds in Southern Germany. Biol. Conserv. 2018, 225, 154–163. [Google Scholar] [CrossRef]
- Zając, M.; Zając, A. Zbiorowiska z klasy Isoëto-Nanojuncetea na dnach wysychających stawów w południowej części Kotliny Oświęcimskiej. Zesz. Nauk. Uniw. Jagiell. Pr. Bot. 1988, 17, 155–160. (In Polish) [Google Scholar]
- Bernhardt, K.-G.; Koch, M.; Kropf, M.; Ulbel, E.; Webhofer, J. Comparison of two methods characterising the seed bank of amphibious plants in submerged sediments. Aquat. Bot. 2008, 88, 171–177. [Google Scholar] [CrossRef]
- Kúr, P.; Pachschwöll, C.; Štech, M. Notes on the distribution of Spergularia echinosperma and the newly recognized species S. kurkae in Austria. Neilreichia 2018, 9, 269–282. [Google Scholar]
- Lemmens, P.; Mergeay, J.; De Bie, T.; Van Wichelen, J.; De Meester, L.; Declerck, S.A. How to maximally support local and regional biodiversity in applied conservation? Insights from pond management. PLoS ONE 2013, 8, e72538. [Google Scholar] [CrossRef] [PubMed]
- Hroudová, Z.; Zákravský, P. Vegetation dynamics in a fishpond littoral related to human impact. Hydrobiologia 1999, 415, 139–145. [Google Scholar] [CrossRef]
- Grzywna, A.; Sender, J.; Bronowicka-Mielniczuk, U. Physical and chemical variables, species composition and coverage of macrophytes in ponds (case study in Eastern Poland). Appl. Ecol. Environ. Res. 2018, 16, 2129–2139. [Google Scholar] [CrossRef]
- Potužák, J.; Hůda, J.; Pechar, L. Changes in fish production effectivity in eutrophic fishponds—Impact of zooplankton structure. Aquac. Int. 2007, 15, 201–210. [Google Scholar] [CrossRef]
- Duras, J.; Potužák, J.; Marcel, M.; Pechar, L. Rybníky a jakost vody. Vodní Hospodářství 2015, 7, 16–24. [Google Scholar]
- Potužák, J.; Šumberová, K.; Fránková, M.; Fabšičová, M.; Ducháček, M.; Císař, K.; Duras, J. Tříleté dobrodružství výzkumu rybníka Dehtář aneb s rybníkem mezi “jezerní” badatele projektu NETLAKE/Three years long investigation of fishpond Dehtář—First fishpond in the NETLAKE COST ACTION project. In Rybníky 2017, Sborník Příspěvků Odborné Konference, 15–16 June 2017, Česká Zemědělská Univerzita, Praha, Czech Republic; David, V., Davidová, T., Eds.; Česká Společnost Krajinných Inženýrů (ČSKI): Prague, Czech Republic, 2017; pp. 73–81. [Google Scholar]
- Kubelka, V., Havlíček, J., Mikeš, V., Eds.; Zajímavá a vzácná ornitologická pozorování v jižních Čechách IV. Sbor. Jihočes. Muz. Čes. Budějovicích, Přír. Vědy 2017, 57, 99–125. [Google Scholar]
- Hroudová, Z.; Kloubec, B.; Zákravský, P. Dynamika litorální vegetace a avifauny Opatovického rybníka u Třeboně. Příroda 1999, 14, 73–98. [Google Scholar]
- Jupp, B.P.; Spence, D.H.N. Limitations on macrophytes in a eutrophic lake, Loch Leven: II. Wave action, sediments and waterfowl grazing. J. Ecol. 1977, 65, 431–446. [Google Scholar] [CrossRef]
- Azza, N.; van de Koppel, J.; Denny, P.; Kansiime, F. Shoreline vegetation distribution in relation to wave exposure and bay characteristics in a tropical great lake, Lake Victoria. J. Trop. Ecol. 2007, 23, 353–360. [Google Scholar] [CrossRef][Green Version]
- Keddy, P.A. Quantifying within-lake gradients of wave energy: Interrelation- ships of wave energy, substrate particle size and shoreline plants in Axe Lake, Ontario. Aquat. Bot. 1982, 14, 41–55. [Google Scholar] [CrossRef]
- Kolář, J.; Kučerová, A.; Jakubec, P.; Vymazal, J. Seed bank of Littorella uniflora (L.) Asch. in the Czech Republic, Central Europe: Does burial depth and sediment type influence seed germination? Hydrobiologia 2017, 794, 347–358. [Google Scholar] [CrossRef]
- Lepší, M.; Boublík, K.; Štech, M.; Hans, V. (Eds.) Červená kniha květeny jižní části Čech; Jihočeské muzeum v Českých Budějovicích: České Budějovice, Czech Republic, 2013; pp. 235–236, 333. (In Czech) [Google Scholar]
- Jupp, B.P.; Spence, D.H.N. Limitations on macrophytes in a eutrophic lake, Loch Leven: I. Effects of phytoplankton. J. Ecol. 1977, 65, 175–186. [Google Scholar] [CrossRef]
- Morris, P.A.; Hill, N.M.; Reekie, E.G.; Hewlin, H.L. Lakeshore diversity and rarity relationships along interacting disturbance gradients: Catchment area, wave action and depth. Biol. Conserv. 2002, 106, 79–90. [Google Scholar] [CrossRef]
- Poulíčková, A.; Hájková, P.; Křenková, P.; Hájek, M. Distribution of diatoms and bryophytes on linear transects through spring fens. Nova Hedwigia 2004, 78, 411–424. [Google Scholar] [CrossRef]
- Fránková, M.; Bojková, J.; Poulíčková, A.; Hájek, M. The structure and species richness of the diatom assemblages of the Western Carpathian spring fens along the gradient of mineral richness. Fottea 2009, 9, 355–368. [Google Scholar] [CrossRef]
- Marvan, P.; Komárek, J.; Ettl, H.; Komárková, J. Structure and functioning of algal communities in fishponds. 4.1. Structural Elements. Principal Populations of Algae. Spatial Distribution. In Pond Littoral Ecosystems. Structure and Functioning. Methods and Results of Quantitative Ecosystem Research in the Czechoslovakian IBP Wetland Project; Dykyjová, D., Květ, J., Eds.; Springer: Berlin/Heidelberg, Germany; New York, NY, USA, 1978; pp. 295–313. [Google Scholar]
- Kollár, J.; Fránková, M.; Hašler, P.; Letáková, M.; Poulíčková, A. Epiphytic diatoms in lotic and lentic waters—Diversity and representation of species complexes. Fottea 2015, 15, 259–271. [Google Scholar] [CrossRef]
- Mutinová, P.T.; Neustupa, J.; Bevilacqua, S.; Terlizzi, A. Host specificity of epiphytic diatom (Bacillariophyceae) and desmid (Desmidiales) communities. Aquat. Ecol. 2016, 50, 697–709. [Google Scholar] [CrossRef]
- Letáková, M.; Poulíčková, A. Epifytické rozsivky vybraných rybníků v České republice. Zpr. Vlastiv. Muz. Olomouci 2017, 313, 44–58. [Google Scholar]
- Fránková, M.; Šumberová, K.; Potužák, J.; Vild, O. The role of plant substrate type in shaping the composition and diversity of epiphytic diatom assemblages in a eutrophic reservoir. Fundam. Appl. Limnol. 2017, 189, 117–135. [Google Scholar] [CrossRef]
- Caput, K.; Plenković-Moraj, A. Epiphytic diatoms on sawgrass (Cladium mariscus) in the karstic Plitvice lakes (Croatia). Biologia 2000, 55, 343–350. [Google Scholar]
- Cejudo-Figueiras, C.; Álvarez-Blanco, I.; Bécares, E.; Blanco, S. Epiphytic diatoms and water quality in shallow lakes: The neutral substrate hypothesis revisited. Mar. Freshwater Res. 2010, 61, 1457–1467. [Google Scholar] [CrossRef]
- Kapetanović, T.; Jahn, R.; Redžić, S.; Carić, M. Diatoms in a poor fen of Bijambare protected landscape, Bosnia & Herzegovina. Nova Hedwigia 2011, 93, 125–151. [Google Scholar]
- Blanco, S.; Cejudo-Figueiras, C.; Álvarez-Blanco, I.; van Donk, E.; Gross, E.M.; Hansson, L.-A.; Irvine, K.; Jeppesen, E.; Kairessalo, T.; Moss, B.; et al. Epiphytic diatoms along environmental gradients in western European shallow lakes. CLEAN Soil Air Water 2014, 42, 229–235. [Google Scholar] [CrossRef]
- Letáková, M.; Cantonati, M.; Hašler, P.; Nicola, A.; Poulíčková, A. Substrate specificity and fine-scale distribution of epiphytic diatoms in a shallow tarn in the Brenta Dolomites (south-eastern Alps). Plant Ecol. Evol. 2016, 149, 144–156. [Google Scholar] [CrossRef]
- Letáková, M.; Fránková, M.; Poulíčková, A. Ecology and applications of freshwater epiphytic diatoms—Review. Cryptogam. Algol. 2018, 39, 3–22. [Google Scholar] [CrossRef]
- Evtimova, V.V.; Donohue, I. Quantifying ecological responses to amplified water level fluctuations in standing waters: An experimental approach. J. Appl. Ecol. 2014, 51, 1282–1291. [Google Scholar] [CrossRef]
- Česká Geologická Služba. Geovědní Mapy 1:25 000. Available online: https://mapy.geology.cz/geocr25 (accessed on 25 March 2021).
- Geoportal Inspire. Půdní Mapa ČR 1:250 000—Klasifikace dle TKSP a WRB. Available online: https://geoportal.gov.cz/web/guest/map (accessed on 25 March 2021).
- Organization for Economic Cooperation and Development (OECD). Eutrophication of Waters. Monitoring, Assessment and Control; Final Report; OECD Cooperative Programme on Monitoring of Inland Waters (Eutrophication Control); OECD: Paris, France, 1982; pp. 1–154. [Google Scholar]
- Hartman, P.; Přikryl, I.; Štědronský, E. Hydrobiologie; Informatorium: Prague, Czech Republic, 2005; pp. 1–359. [Google Scholar]
- Klepal, V. (Hluboká nad Vltavou Fish Farm, Hluboká nad Vltavou, Czech Republic). Personal communication, 2016.
- Francová, K.; Šumberová, K.; Janauer, G.A.; Adámek, Z. Effects of fish farming on macrophytes in temperate carp ponds. Aquac. Int. 2019, 27, 413–436. [Google Scholar] [CrossRef]
- Jílek, B. K fytocenologii rybničních společenstev. Preslia 1956, 28, 66–77. [Google Scholar]
- Gazda, J. Příspěvek k fytocenologii jihočeských rybníků. Sborn. Kraj. Vlastiv. Muz. České Budějovice Přír. Vědy 1958, 1, 64–76. [Google Scholar]
- Knižátková, E.; Lacina, D. Souhrny doporučených opatření pro ptačí oblasti. Ochr. Přír. 2010, 10, 12–14. [Google Scholar]
- Thiers, B.M. Index Herbariorum; The New York Botanical Garden: Bronx, NY, USA; Available online: http://sweetgum.nybg.org/science/ih/ (accessed on 20 March 2021).
- Taylor, J.C.; Harding, W.R.; Archibald, C.G.M. A Methods Manual for Collection, Preparation and Analysis of Diatom Samples; Version 1.0; WRC Report TT 281/07; Water Research Commission: Gezina, South Africa, 2007; pp. 1–49. Available online: http://docs.niwa.co.nz/library/public/1770054839.pdf (accessed on 14 March 2016).
- Krammer, K.; Lange-Bertalot, H. Bacillariophyceae: Naviculaceae. In Süβwasserflora von Mitteleuropa; Ettl, H., Gerloff, J., Heynig, H., Mollenhauer, D., Eds.; Gustav Fischer Verlag: Jena, Germany, 1986; 1. Teil; pp. 1–876. [Google Scholar]
- Krammer, K.; Lange-Bertalot, H. Bacillariophyceae: Epithemiaceae, Surirellaceae. In Süβwasserflora von Mitteleuropa; Ettl, H., Gerloff, J., Heynig, H., Mollenhauer, D., Eds.; Gustav Fischer Verlag: Jena, Germany, 1988; 2. Teil; pp. 1–876. [Google Scholar]
- Krammer, K.; Lange-Bertalot, H. Bacillariophyceae: Centrales, Fragilariaceae, Eunotiaceae. In Süβwasserflora von Mitteleuropa; Ettl, H., Gerloff, J., Heynig, H., Mollenhauer, D., Eds.; Gustav Fischer Verlag: Jena, Germany, 1991; 3. Teil; pp. 1–576. [Google Scholar]
- Krammer, K.; Lange-Bertalot, H. Bacillariophyceae: Achnanthaceae, Kritische Ergänzungen zu Navicula (Lineolatae), Gomphonema. In Süβwasserflora von Mitteleuropa; Ettl, H., Gerloff, J., Heynig, H., Mollenhauer, D., Eds.; Gustav Fischer Verlag: Jena, Germany, 1991; 4. Teil; pp. 1–437. [Google Scholar]
- Krammer, K. The Genus Pinnularia. In Diatoms of Europe; Lange-Bertalot, H., Ed.; A. R. G. Gantner Verlag K. G.: Rugell, Switzerland, 2000; Volume 1, pp. 1–703. [Google Scholar]
- Krammer, K. Cymbella. In Diatoms of Europe; Lange-Bertalot, H., Ed.; A. R. G. Gantner Verlag K. G.: Rugell, Switzerland, 2002; Volume 3, pp. 1–584. [Google Scholar]
- Krammer, K. Cymbopleura, Delicata, Navicymbula, Gomphocymbellopsis, Afrocymbella Supplements to cymbelloid taxa. In Diatoms of Europe; Lange-Bertalot, H., Ed.; A. R. G. Gantner Verlag K. G.: Rugell, Switzerland, 2003; Volume 4, pp. 1–530. [Google Scholar]
- Lange-Bertalot, H. Navicula sensu stricto, 10 genera separated from Navicula sensu stricto, Frustulia. In Diatoms of Europe; Lange-Bertalot, H., Ed.; A. R. G. Gantner Verlag K. G.: Rugell, Switzerland, 2001; Volume 2, pp. 1–526. [Google Scholar]
- Hofmann, G.; Werum, M.; Lange-Bertalot, H. Diatomeen im Süßwasserbenthos von Mitteleuropa. Bestimmungsflora Kieselalgen für die ökologische Praxis. Über 700 der häufigsten Arten und ihre Ökologie; Koeltz Scientific Books: Königstein, Germany, 2013; pp. 1–908. [Google Scholar]
- Lange-Bertalot, H.; Hofmann, G.; Werum, M.; Cantonati, M. Freshwater Benthic Diatoms of Central Europe: Over 800 Common Species Used in Ecological Assessment; English Edition with Updated Taxonomy and Added Species; Koeltz Botanical Books: Schmitten-Oberreifenberg, Germany, 2017; pp. 1–942. [Google Scholar]
- Fránková, M.; Poulíčková, A.; Neděla, V.; Tihlaříková, E.; Šumberová, K.; Letáková, M. The low temperature method for environmental scanning electron microscopy—A new method for observation of diatom assemblages in vivo. Diatom Res. 2019, 33, 397–403. [Google Scholar] [CrossRef]
- Kairesalo, T. Dynamics of epiphytic communities on Equisetum fluviatile L. In Periphyton of Freshwater Ecosystems; Wetzel, R.G., Ed.; Developments in Hydrobiology; Springer: Dordrecht, Germany, 1983; Volume 17, pp. 153–160. [Google Scholar]
- CHMI (Czech Hydrometeorological Institute). Historical Data—Meteorology and Climatology. Available online: https://www.chmi.cz/historicka-data/pocasi/uzemni-teploty (accessed on 10 March 2021).
- Pyšek, P.; Danihelka, J.; Sádlo, J.; Chrtek, J., Jr.; Chytrý, M.; Jarošík, V.; Kaplan, Z.; Krahulec, F.; Moravcová, L.; Pergl, J.; et al. Catalogue of alien plants of the Czech Republic (2nd edition): Checklist update, taxonomic diversity and invasion patterns. Preslia 2012, 84, 155–255. [Google Scholar]
- Grulich, V. Red List of vascular plants of the Czech Republic: 3rd edition. Preslia 2012, 84, 631–645. [Google Scholar]
- Grulich, V.; Chobot, K. (Eds.) Červený seznam cévnatých rostlin ČR [The Red List of vascular plants of the Czech Republic]. Příroda 2017, 35, 75–132. [Google Scholar]
- Wild, J.; Kaplan, Z.; Danihelka, J.; Petřík, P.; Chytrý, M.; Novotný, P.; Rohn, M.; Šulc, V.; Brůna, J.; Chobot, K.; et al. Plant distribution data for the Czech Republic integrated in the Pladias database. Preslia 2019, 91, 1–24. [Google Scholar] [CrossRef]
- Danihelka, J.; Chrtek, J., Jr.; Kaplan, Z. Checklist of vascular plants of the Czech Republic. Preslia 2012, 84, 647–811. [Google Scholar]
- Caisová, L.; Gąbka, M. Charophytes (Characeae, Charophyta) in the Czech Republic: Taxonomy, autecology and distribution. Fottea 2009, 9, 1–43. [Google Scholar] [CrossRef]
- Oksanen, J.; Blanchet, F.; Friendly, M.; Kindt, R.; Legendre, P.; McGlinn, D.; Minchin, P.; O’Hara, R.; Simpson, G.L.; Solymos, P.; et al. Vegan: Community Ecology Package, R Package Version 2.5.-6. 2019. Available online: https://cran.r-project.org/web/packages/vegan/index.html (accessed on 30 March 2021).
- Anderson, M.J. A new method for non-parametric multi-variate analysis of variance. Austral Ecol. 2001, 26, 32–46. [Google Scholar]
- R Core Team. R: A Language and Environment for Statistical Computing; R Foundation for Statistical Computing: Vienna, Austria, 2020; Available online: https://www.R-project.org/ (accessed on 30 March 2021).
- Riato, L.; Van Ginkel, C.; Taylor, J.C. Zooplankton and diatoms of temporary and permanent freshwater pans in the Mpumalanga Highveld region, South Africa. Afr. Zool. 2014, 49, 113–127. [Google Scholar] [CrossRef][Green Version]
- Popiela, A.; Łysko, A.; Molnár, V.A.; Kącki, Z.; Lukács, B.A. Distribution, morphology and habitats of Elatine triandra (Elatinaceae) in Europe, with particular reference to the central part of the continent. Acta Bot. Gallica 2015, 162, 325–337. [Google Scholar] [CrossRef]
- Riato, L.; Della Bella, V.; Leira, M.; Taylor, J.C.; Oberholster, P.J. A diatom functional-based approach to assess changing environmental conditions in temporary depressional wetlands. Ecol. Indic. 2017, 78, 205–213. [Google Scholar] [CrossRef]
- Kúr, P.; Píšová, S.; Tremetsberger, K.; Dřevojan, P.; Kącki, Z.; Hroudová, Z.; Böckelmann, J.; Bernhardt, K.G.; Šumberová, K. Ecology and genetics of Cyperus fuscus in Central Europe—A model for ephemeral wetland plant research and conservation. Water 2021, 13, 1277. [Google Scholar] [CrossRef]
- Juříček, M. Flora and vegetation of fishponds in the Bohemian-Moravian Highlands. Acta Rer. Natur. 2012, 13, 33–51. [Google Scholar]
- Cantonati, M. Diatom communities of springs in the southern Alps. Diatom Res. 1998, 13, 201–220. [Google Scholar] [CrossRef]
- Cantonati, M.; Corradini, G.; Jüttner, I.; Cox, E.J. Diatom assemblages in high mountain streams of the Alps and the Himalaya. Nova Hedwigia 2001, 123, 37–61. [Google Scholar]
- Cantonati, M.; Gerecke, R.; Bertuzzi, E. Springs of the Alps, sensitive ecosystems to environmental change: From biodiversity assessment to long-term studies. Hydrobiologia 2006, 562, 59–96. [Google Scholar] [CrossRef]
- Pätzig, M.; Kalettka, T.; Glemnitz, M.; Berger, G. What governs macrophyte species richness in kettle hole types? A case study from Northeast Germany. Limnologica 2012, 42, 340–354. [Google Scholar] [CrossRef]
- Poulíčková, A.; Letáková, M.; Hašler, P.; Coxb, E.; Duchoslav, M. Species complexes within epiphytic diatoms and their relevance for the bioindication of trophic status. Sci. Total Environ. 2017, 599–600, 820–833. [Google Scholar] [CrossRef] [PubMed]
- Kopp, R. Hydrochemie Nejen Pro Rybáře; Mendelova Univerzita v Brně: Brno, Czech Republic, 2015. [Google Scholar]
- Björnerås, C.; Weyhenmeyer, G.A.; Evans, C.D.; Gessner, M.O.; Grossart, H.-P.; Kangur, K.; Kokorite, I.; Kortelainen, P.; Laudon, H.; Lehtoranta, J.; et al. Widespread increases in iron concentration in European and North American freshwaters. Global Biogeochem. Cycles 2017, 31, 1488–1500. [Google Scholar] [CrossRef]
- Lacoul, P.; Freedman, B. Environmental influences on aquatic plants in freshwater ecosystems. Environ. Rev. 2006, 14, 89–136. [Google Scholar] [CrossRef]
- Emson, D.; Sayer, C.D.; Bennion, H.; Patmore, I.R.; Rioual, P. Mission possible: Diatoms can be used to infer past duckweed (lemnoid Araceae) dominance in ponds. J. Paleolimnol. 2018, 60, 209–221. [Google Scholar] [CrossRef]
- Kaplan, Z.; Danihelka, J.; Štěpánková, J.; Ekrt, L.; Chrtek, J., Jr.; Zázvorka, J.; Grulich, V.; Řepka, R.; Prančl, J.; Ducháček, M.; et al. Distributions of vascular plants in the Czech Republic. Part 2. Preslia 2016, 88, 229–322. [Google Scholar]
- Lovas-Kiss, Á.; Vizi, B.; Vincze, O.; Molnár, V.A.; Green, A.J. Endozoochory of aquatic ferns and angiosperms by mallards in Central Europe. J. Ecol. 2018, 106, 1714–1723. [Google Scholar] [CrossRef]
- Cantonati, M.; Scola, S.; Angeli, N.; Guella, G.; Frassanito, R. Environmental controls of epilithic diatom depth-distribution in an oligotrophic lake characterized by marked water-level fluctuations. Eur. J. Phycol. 2009, 44, 15–29. [Google Scholar] [CrossRef]
- Carmignani, J.R.; Roy, A.H. Ecological impacts of winter water level drawdowns on lake littoral zones: A review. Aquat. Sci. 2017, 79, 803–824. [Google Scholar] [CrossRef]
- Evans, J.H. The survival of freshwater algae during dry periods: Part I. An investigation of the algae of five small ponds. J. Ecol. 1958, 46, 149–167. [Google Scholar] [CrossRef]
- Hejný, S. Ökologische Charakteristik der Wasser und Sumpfpflanzen in den Slowakischen Tiefebenen; Verlag der Slowakischen Akademie der Wissenschaften: Bratislava, Czechoslovakia, 1960. [Google Scholar]
- Von Lampe, M. Wuchsform, Wuchsrhythmus und Verbreitung der Arten der Zwergbinsengesellschaften. Diss. Bot. 1996, 266, 1–353. [Google Scholar]
- Šumberová, K.; Lososová, Z.; Ducháček, M.; Horáková, V.; Fabšičová, M. Distribution, habitat ecology, soil seed bank and seed dispersal of threatened Lindernia procumbens and alien Lindernia dubia (Antirrhinaceae) in the Czech Republic. Phyton 2012, 52, 39–72. [Google Scholar]
- Leira, M.; Meijide-Failde, R.; Torres, E. Diatom communities in thermo-mineral springs of Galicia (NW Spain). Diatom Res. 2017, 32, 29–42. [Google Scholar] [CrossRef]
- Ponader, K.C.; Potapova, M.G. Diatoms from the genus Achnanthidium in flowing waters of the Appalachian Mountains (North America): Ecology, distribution and taxonomic notes. Limnologica 2007, 37, 227–241. [Google Scholar] [CrossRef]
- Souffreau, C.; Vanormelingen, P.; Verleyen, E.; Sabbe, K.; Vyverman, W. Tolerance of benthic diatoms from temperate aquatic and terrestrial habitats to experimental desiccation and temperature stress. Phycologia 2010, 49, 309–324. [Google Scholar] [CrossRef]
- Vasiljević, B.; Simić, S.B.; Paunović, M.; Zuliani, T.; Krizmanić, J.; Marković, V.; Tomović, J. Contribution to the improvement of diatom-based assessments of the ecological status of large rivers–The Sava River Case Study. Sci. Total Environ. 2017, 605, 874–883. [Google Scholar] [CrossRef] [PubMed]
- Falasco, E.; Piano, E.; Bona, F. Diatom flora in Mediterranean streams: Flow intermittency threatens endangered species. Biodivers. Conserv. 2016, 25, 2965–2986. [Google Scholar] [CrossRef]
- Ács, É.; Bíró, T.; Berta, C.; Duleba, M.; Földi, A.; Grigorszky, I.; Hidas, A.; Knisz, J.; Korponai, J.L.; Trábert, Z.; et al. Long-term changes of species composition and functional traits of epiphytic diatoms in the Szigetköz region (Hungary) of the Danube River. Water 2020, 12, 776. [Google Scholar] [CrossRef]
- Patrick, R. The effects of increasing light and temperature on the structure of diatom communities. Limnol. Oceanogr. 1971, 16, 405–421. [Google Scholar] [CrossRef]
- Carrick, H.J.; Lowe, R.L. Benthic algal response to N and P enrichment along a pH gradient. Hydrobiologia 1989, 179, 119–127. [Google Scholar] [CrossRef]
- Kaczmarek, H.; Mazaeva, O.A.; Kozyreva, E.A.; Babicheva, V.A.; Tyszkowski, S.; Rybchenko, A.A.; Brykała, D.; Bartczak, A.; Słowiński, M. Impact of large water level fluctuations on geomorphological processes and their interactions in the shore zone of a dam reservoir. J. Great Lakes Res. 2016, 42, 926–941. [Google Scholar] [CrossRef]
- Van Zuidam, B.G.; Peeters, E.T.H.M. Wave forces limit the establishment of submerged macrophytes in large shallow lakes. Limnol. Oceanogr. 2015, 60, 1536–1549. [Google Scholar] [CrossRef]
- Bertrin, V.; Boutry, S.; Alard, D.; Haury, J.; Jan, G.; Moreira, S.; Ribaudo, C. Prediction of macrophyte distribution: The role of natural versus anthropogenic physical disturbances. Appl. Veg. Sci. 2018, 21, 395–410. [Google Scholar] [CrossRef]
- Kaplan, Z.; Danihelka, J.; Chrtek, J., Jr.; Zázvorka, J.; Koutecký, P.; Ekrt, L.; Řepka, R.; Štěpánková, J.; Jelínek, B.; Grulich, V.; et al. Distributions of vascular plants in the Czech Republic. Part 8. Preslia 2019, 91, 257–368. [Google Scholar] [CrossRef]
- Gaberščik, A.; Grašič, M.; Abram, D.; Zelnik, I. Water level fluctuations and air temperatures affect common reed habitus and productivity in an intermittent wetland ecosystem. Water 2020, 12, 2806. [Google Scholar] [CrossRef]
- Hillman, W.S. The Lemnaceae, or Duckweeds: A Review of the Descriptive and Experimental Literature. Bot. Rev. 1961, 27, 221–287. [Google Scholar] [CrossRef]
- Kolář, F.; Šumberová, K.; Ducháček, M. Cerastium dubium—Rožec pochybný. In Nálezy Zajímavých a Nových Druhů v Květeně Jižní Části Čech XXI; Lepší, M., Lepší, P., Eds.; Jihočeské Muzeum v Českých Budějovicích: České Budějovice, Czech Republic, 2015; Volume 55, pp. 16–17. [Google Scholar]
- Poulíčková, A.; Neustupa, J.; Špačková, J.; Škaloud, P. Distribution of epipelic diatoms in artificial fishponds along environmental and spatial gradients. Hydrobiologia 2009, 624, 81–90. [Google Scholar] [CrossRef][Green Version]
- Kaplan, Z.; Danihelka, J.; Šumberová, K.; Chrtek, J., Jr.; Rotreklová, O.; Ekrt, L.; Štěpánková, J.; Taraška, V.; Trávníček, B.; Prančl, J.; et al. Distributions of vascular plants in the Czech Republic. Part 5. Preslia 2017, 89, 333–439. [Google Scholar] [CrossRef]
- Feuchtmayr, H.; Moran, R.; Hatton, K.; Connor, L.; Heyes, T.; Moss, B.; Harvey, I.; Atkinson, D. Global warming and eutrophication: Effects on water chemistry and autotrophic communities in experimental hypertrophic shallow lake mesocosms. J. Appl. Ecol. 2009, 46, 713–723. [Google Scholar] [CrossRef]
- Lu, J.; Bunn, S.E.; Burford, M.A. Nutrient release and uptake by littoral macrophytes during water level fluctuations. Sci. Total Environ. 2018, 622, 29–40. [Google Scholar] [CrossRef]
- Blindow, I. The composition and density of epiphyton on several species of submerged macrophytes—The neutral hypothesis tested. Aquat. Bot. 1987, 29, 157–168. [Google Scholar] [CrossRef]
- Buczkó, K. The occurrence of the epiphytic diatom Lemnicola hungarica on different European Lemnaceae species. Fottea 2007, 7, 77–84. [Google Scholar] [CrossRef]
- Riato, L.; Leira, M. Heterogeneity of epiphytic diatoms in shallow lakes: Implications for lake monitoring. Ecol. Indic. 2020, 111, 105988. [Google Scholar] [CrossRef]
- Totti, C.; Poulin, M.; Romagnoli, T.; Perrone, C.; Pennesi, C.; De Stefano, M. Epiphytic diatom communities on intertidal seaweeds from Iceland. Polar Biol. 2009, 32, 1681–1691. [Google Scholar] [CrossRef]
Publisher’s Note: MDPI stays neutral with regard to jurisdictional claims in published maps and institutional affiliations. |
© 2021 by the authors. Licensee MDPI, Basel, Switzerland. This article is an open access article distributed under the terms and conditions of the Creative Commons Attribution (CC BY) license (https://creativecommons.org/licenses/by/4.0/).