Optimal Linear Precodings for Multi-Color, Multi-User Visible Light Communication System with Fairness Considerations
Abstract
1. Introduction
- Unlike the single color VLC system, chromaticity constraint is taken into consideration, which we use correlated color temperature (CCT) to describe. Simulation results show that the CCT value has significant impact on the performance of the system.
- Due to that each user is equipped with multi-color receivers, the system should be regarded as a MIMO system for each user. This makes the channel matrix and the objective function of the optimal precoding design more complicated than other VLC systems.
- With slack variables and Taylor expansions, we cast the non-convex optimization problems into convex ones. Correspondingly the algorithms to find optimal solutions are developed.
2. Multi-Color Multi-User VLC Network Model
2.1. Lambertian Model
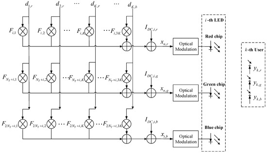
2.2. Precoding Model and Broadcast Transmission
2.3. Generalized Inverse and Pseudo Inverse
3. Problem Formulation
3.1. Illumination and Communication Constraints
3.1.1. Chromaticity Constraint
3.1.2. Luminance Constraint
3.1.3. Signal Range Constraint
3.2. The Objective Function
- (i)
- Sum rate:
- (ii)
- Max-min fairness:where denotes the rate of the kth user, denotes the rate of the kth user’s cth color. For the closed-form expression for is not available, we rely on the lower and upper bounds of developed as following:
4. Optimization Solution
4.1. Max-Min Fairness
4.1.1. Lower Bound
4.1.2. Upper Bound
| Algorithm 1 Iterative Algorithm for Problem in (31) | |
| 1: | Input: The threshold: . The maximum number of iterations: . Some initial values: and . |
| 2: | whiledo |
| 3: | Update , , given by solving the problem in (32) using CVX toolbox. |
| 4: | . |
| 5: | end while |
| 6: | Output: The optimal linear precoding matrix . |
| Algorithm 2 Iterative Algorithm for Problem in (33) | |
| 1: | Input: The threshold: . The maximum number of iterations: . Some initial values: and . The operator denotes Frobenius norm. |
| 2: | whiledo |
| 3: | Update given by solving problem in (34) using golden-section method. |
| 4: | With the obtained , solve the problem in (35) to update by using CVX toolbox. |
| 5: | |
| 6: | end while |
| 7: | Output: The optimal linear precoding matrix . |
4.2. Maximum Sum Rate
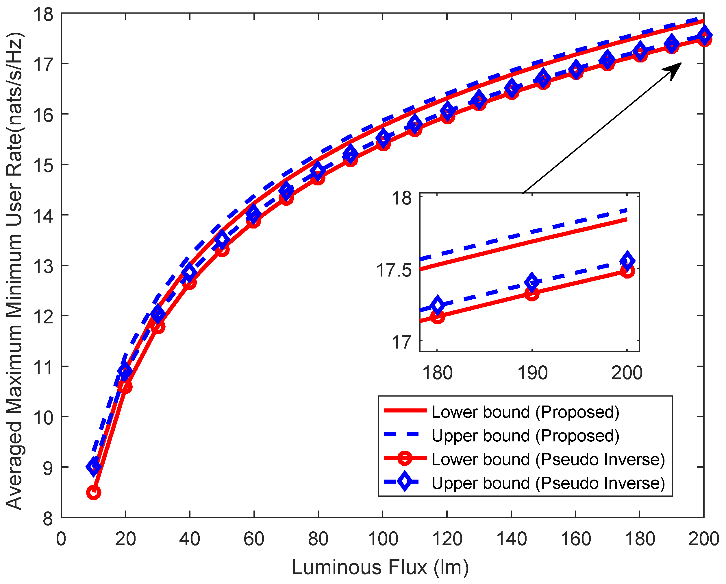
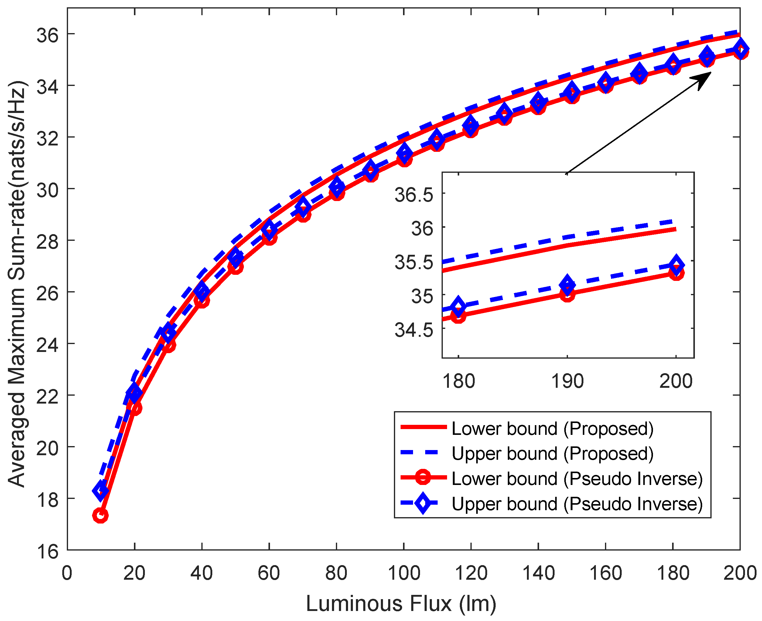
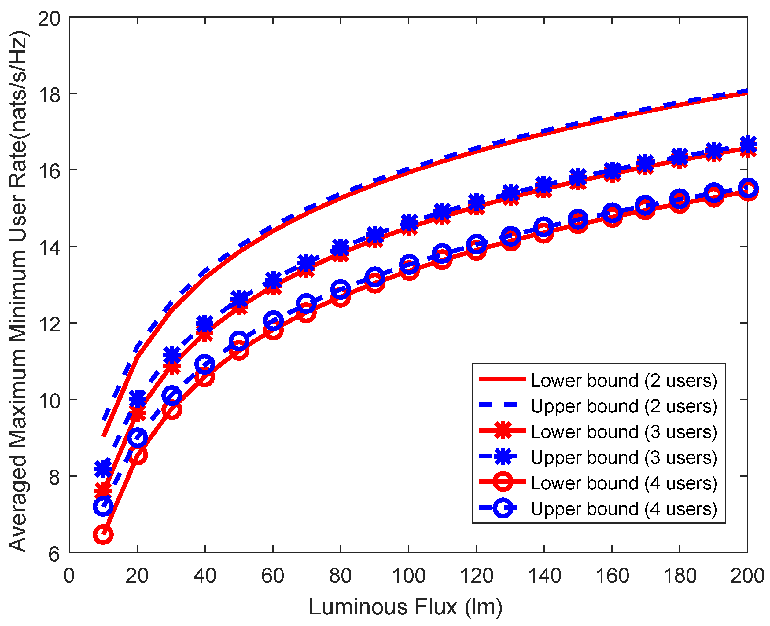
5. Simulation Results
6. Conclusions
Author Contributions
Funding
Conflicts of Interest
References
- Komine, T.; Nakagawa, M. Fundamental analysis for visible-light communication system using LED lights. IEEE Trans. Consum. Electron. 2004, 50, 100–107. [Google Scholar] [CrossRef]
- Elgala, H.; Mesleh, R.; Haas, H. Indoor optical wireless communication: Potential and state-of-the-art. IEEE Commun. Mag. 2011, 49, 56–62. [Google Scholar] [CrossRef]
- Nuwanpriya, A.; Ho, S.; Chen, C.S. Indoor MIMO Visible Light Communications: Novel Angle Diversity Receivers for Mobile Users. IEEE J. Sel. Areas Commun. 2015, 33, 1780–1792. [Google Scholar] [CrossRef]
- Pathak, P.H.; Feng, X.; Hu, P.; Mohapatra, P. Visible Light Communication, Networking, and Sensing: A Survey, Potential and Challenges. IEEE Commun. Surv. Tutor. 2015, 17, 2047–2077. [Google Scholar] [CrossRef]
- Jovicic, A.; Li, J.; Richardson, T. Visible light communication: Opportunities, challenges and the path to market. IEEE Commun. Mag. 2013, 51, 26–32. [Google Scholar] [CrossRef]
- Boucouvalas, A.C.; Chatzimisios, P.; Ghassemlooy, Z.; Uysal, M.; Yiannopoulos, K. Standards for indoor Optical Wireless Communications. IEEE Commun. Mag. 2015, 53, 24–31. [Google Scholar] [CrossRef]
- Masini, B.M.; Bazzi, A.; Zanella, A. Vehicular Visible Light Networks for Urban Mobile Crowd Sensing. Sensors 2018, 18, 1177. [Google Scholar] [CrossRef] [PubMed]
- Feng, L.; Hu, R.Q.; Wang, J.; Xu, P.; Qian, Y. Applying VLC in 5G Networks: Architectures and Key Technologies. IEEE Netw. 2016, 30, 77–83. [Google Scholar] [CrossRef]
- Zeng, Z.; Fu, S.; Zhang, H.; Dong, Y.; Cheng, J. A survey of underwater optical wireless communications. IEEE Commun. Surv. Tutor. 2017, 19, 204–238. [Google Scholar] [CrossRef]
- Akhoundi, F.; Salehi, J.A.; Tashakori, A. Cellular underwater wireless optical CDMA network: Performance analysis and implementation concepts. IEEE Trans. Commun. 2015, 63, 882–891. [Google Scholar] [CrossRef]
- Steigerwald, D.A.; Bhat, J.C.; Collins, D.; Fletcher, R.M.; Holcomb, M.O.; Ludowise, M.J.; Martin, P.S.; Rudaz, S.L. Illumination with solid state lighting technology. IEEE J. Sel. Top. Quantum Electron. 2002, 8, 310–320. [Google Scholar] [CrossRef]
- Grubor, J.; Randel, S.; Langer, K.; Walewski, J.W. Broadband Information Broadcasting Using LED-Based Interior Lighting. J. Lightw. Technol. 2008, 26, 3883–3892. [Google Scholar] [CrossRef]
- Karunatilaka, D.; Zafar, F.; Kalavally, V.; Parthiban, R. LED Based Indoor Visible Light Communications: State of the Art. IEEE Commun. Surv. Tutor. 2015, 17, 1649–1678. [Google Scholar] [CrossRef]
- Wang, Y.; Huang, X.; Tao, L.; Shi, J.; Chi, N. 4.5-Gb/s RGB-LED based WDM visible light communication system employing CAP modulation and RLS based adaptive equalization. Opt. Express 2015, 23, 13626–13633. [Google Scholar] [CrossRef] [PubMed]
- Cossu, G.; Ali, W.; Corsini, R.; Ciaramella, E. Gigabit-class optical wireless communication system at indoor distances (1.5/4 m). Opt. Express 2015, 23, 15700–15705. [Google Scholar] [CrossRef] [PubMed]
- Wang, Y.; Tao, L.; Huang, X.; Shi, J.; Chi, N. 8-Gb/s RGBY LED-Based WDM VLC System Employing High-Order CAP Modulation and Hybrid Post Equalizer. IEEE Photonics J. 2015, 7, 1–7. [Google Scholar] [CrossRef]
- Das, P.; Park, Y.; Kim, K.D. Performance of color-independent OFDM visible light communication based on color space. Opt. Commun. 2014, 324, 264–268. [Google Scholar] [CrossRef]
- Bykhovsky, D.; Arnon, S. OFDM Allocation Optimization for Crosstalk Mitigation in Multiple Free-Space Optical Interconnection Links. J. Lightw. Technol. 2015, 33, 2777–2783. [Google Scholar] [CrossRef]
- Zeng, L.; O’Brien, D.C.; Minh, H.L.; Faulkner, G.E.; Lee, K.; Jung, D.; Oh, Y.; Won, E.T. High data rate multiple input multiple output (MIMO) optical wireless communications using white led lighting. IEEE J. Sel. Areas Commun. 2009, 27, 1654–1662. [Google Scholar] [CrossRef]
- Fath, T.; Haas, H. Performance Comparison of MIMO Techniques for Optical Wireless Communications in Indoor Environments. IEEE Trans. Commun. 2013, 61, 733–742. [Google Scholar] [CrossRef]
- Wu, L.; Zhang, Z.; Liu, H. MIMO-OFDM visible light communications system with low complexity. In Proceedings of the 2013 IEEE International Conference on Communications (ICC), Budapest, Hungary, 9–13 June 2013; pp. 3933–3937. [Google Scholar] [CrossRef]
- Burton, A.; Minh, H.L.; Ghassemlooy, Z.; Bentley, E.; Botella, C. Experimental Demonstration of 50-Mb/s Visible Light Communications Using 4 × 4 MIMO. IEEE Photonics Technol. Lett. 2014, 26, 945–948. [Google Scholar] [CrossRef]
- Azhar, A.H.; Tran, T.; O’Brien, D. A Gigabit/s Indoor Wireless Transmission Using MIMO-OFDM Visible-Light Communications. IEEE Photonics Technol. Lett. 2013, 25, 171–174. [Google Scholar] [CrossRef]
- Ying, K.; Qian, H.; Baxley, R.J.; Zhou, G.T. MIMO Transceiver Design in Dynamic-Range-Limited VLC Systems. IEEE Photonics Technol. Lett. 2016, 28, 2593–2596. [Google Scholar] [CrossRef]
- Ying, K.; Qian, H.; Baxley, R.J.; Yao, S. Joint Optimization of Precoder and Equalizer in MIMO VLC Systems. IEEE J. Sel. Areas Commun. 2015, 33, 1949–1958. [Google Scholar] [CrossRef]
- Wiesel, A.; Eldar, Y.C.; Shamai, S. Zero-Forcing Precoding and Generalized Inverses. IEEE Trans. Signal Process. 2008, 56, 4409–4418. [Google Scholar] [CrossRef]
- Spencer, Q.H.; Swindlehurst, A.L.; Haardt, M. Zero-forcing methods for downlink spatial multiplexing in multiuser MIMO channels. IEEE Trans. Signal Process. 2004, 52, 461–471. [Google Scholar] [CrossRef]
- Peel, C.B.; Hochwald, B.M.; Swindlehurst, A.L. A vector-perturbation technique for near-capacity multiantenna multiuser communication-part I: Channel inversion and regularization. IEEE Trans. Commun. 2005, 53, 195–202. [Google Scholar] [CrossRef]
- Stankovic, V.; Haardt, M. Generalized Design of Multi-User MIMO Precoding Matrices. IEEE Trans. Wirel. Commun. 2008, 7, 953–961. [Google Scholar] [CrossRef]
- Hong, Y.; Chen, J.; Wang, Z.; Yu, C. Performance of a Precoding MIMO System for Decentralized Multiuser Indoor Visible Light Communications. IEEE Photonics J. 2013, 5, 7800211. [Google Scholar] [CrossRef]
- Chen, J.; Ma, N.; Hong, Y.; Yu, C. On the performance of MU-MIMO indoor visible light communication system based on THP algorithm. In Proceedings of the 2014 IEEE/CIC International Conference on Communications in China (ICCC), Shanghai, China, 13–15 October 2014; pp. 136–140. [Google Scholar] [CrossRef]
- Pham, T.V.; Minh, H.L.; Ghassemlooy, Z.; Hayashi, T.; Pham, A.T. Sum-rate maximization of multi-user MIMO visible light communications. In Proceedings of the 2015 IEEE International Conference on Communication Workshop (ICCW), London, UK, 8–12 June 2015; pp. 1344–1349. [Google Scholar] [CrossRef]
- Ma, H.; Lampe, L.; Hranilovic, S. Coordinated Broadcasting for Multiuser Indoor Visible Light Communication Systems. IEEE Trans. Commun. 2015, 63, 3313–3324. [Google Scholar] [CrossRef]
- Li, B.; Wang, J.; Zhang, R.; Shen, H.; Zhao, C.; Hanzo, L. Multiuser MISO Transceiver Design for Indoor Downlink Visible Light Communication Under Per-LED Optical Power Constraints. IEEE Photonics J. 2015, 7, 1–15. [Google Scholar] [CrossRef]
- Pham, T.V.; Le-Minh, H.; Pham, A.T. Multi-User Visible Light Communication Broadcast Channels with Zero-Forcing Precoding. IEEE Trans. Commun. 2017, 65, 2509–2521. [Google Scholar] [CrossRef]
- Gong, C.; Li, S.; Gao, Q.; Xu, Z. Power and Rate Optimization for Visible Light Communication System With Lighting Constraints. IEEE Trans. Signal Process. 2015, 63, 4245–4256. [Google Scholar] [CrossRef]
- Karunatilaka, D.; Kalavally, V.; Parthiban, R. Improving Lighting Quality and Capacity of OFDM-Based WDM-VLC Systems. IEEE Photonics Technol. Lett. 2016, 28, 2149–2152. [Google Scholar] [CrossRef]
- Wang, R.; Gao, Q.; You, J.; Liu, E.; Wang, P.; Xu, Z.; Hua, Y. Linear Transceiver Designs for MIMO Indoor Visible Light Communications Under Lighting Constraints. IEEE Trans. Commun. 2017, 65, 2494–2508. [Google Scholar] [CrossRef]
- Monteiro, E.; Hranilovic, S. Design and Implementation of Color-Shift Keying for Visible Light Communications. J. Lightw. Technol. 2014, 32, 2053–2060. [Google Scholar] [CrossRef]
- Macadam, D.L. Visual sensitivities to color differences in daylight. J. Opt. Soc. Am. 1942, 32, 247–274. [Google Scholar] [CrossRef]
- Jiang, R.; Wang, Z.; Wang, Q.; Dai, L. Multi-User Sum-Rate Optimization for Visible Light Communications With Lighting Constraints. J. Lightw. Technol. 2016, 34, 3943–3952. [Google Scholar] [CrossRef]
- Dong, J.; Zhang, Y.; Zhu, Y. Convex relaxation for illumination control of multi-color multiple-input-multiple-output visible light communications with linear minimum mean square error detection. Appl. Opt. 2017, 56, 6587–6595. [Google Scholar] [CrossRef] [PubMed]
- Grant, M.; SP, B. CVX: MATLAB Software for Disciplined Convex Programming. 2014. Available online: http://cvxr.com/cvx/ (accessed on 1 October 2018).
- Gao, Q.; Wang, R.; Xu, Z.; Hua, Y. DC-Informative Joint Color-Frequency Modulation for Visible Light Communications. J. Lightw. Technol. 2015, 33, 2181–2188. [Google Scholar] [CrossRef]
- Wyszecki, G.; Stiles, W.S. Color Science; Wiley: New York, NY, USA, 1982; Volume 8. [Google Scholar]
- Pham, Q.; Hwang, W. α-Fair resource allocation in non-orthogonal multiple access systems. IET Commun. 2018, 12, 179–183. [Google Scholar] [CrossRef]
- Guo, C.; Zhang, Y.; Sheng, M.; Wang, X.; Li, Y. α-Fair Power Allocation in Spectrum-Sharing Networks. IEEE Trans. Veh. Technol. 2016, 65, 3771–3777. [Google Scholar] [CrossRef]
- Pham, Q.; Hwang, W. Fairness-Aware Spectral and Energy Efficiency in Spectrum-Sharing Wireless Networks. IEEE Trans. Veh. Technol. 2017, 66, 10207–10219. [Google Scholar] [CrossRef]
- Lan, T.; Kao, D.; Chiang, M.; Sabharwal, A. An Axiomatic Theory of Fairness in Network Resource Allocation. In Proceedings of the 2010 Proceedings IEEE INFOCOM, San Diego, CA, USA, 14–19 March 2010; pp. 1–9. [Google Scholar] [CrossRef]
- Zabini, F.; Bazzi, A.; Masini, B.M.; Verdone, R. Optimal Performance Versus Fairness Tradeoff for Resource Allocation in Wireless Systems. IEEE Trans. Wirel. Commun. 2017, 16, 2587–2600. [Google Scholar] [CrossRef]
- Zabini, F.; Bazzi, A.; Masini, B.M. Throughput versus fairness tradeoff analysis. In Proceedings of the 2013 IEEE International Conference on Communications (ICC), Budapest, Hungary, 9–13 June 2013; pp. 5131–5136. [Google Scholar] [CrossRef]
- Luo, Z.; Zhang, S. Dynamic Spectrum Management: Complexity and Duality. IEEE J. Sel. Top. Quantum Electron. 2008, 2, 57–73. [Google Scholar] [CrossRef]
- Lapidoth, A.; Moser, S.M.; Wigger, M.A. On the Capacity of Free-Space Optical Intensity Channels. IEEE Trans. Inf. Theory 2009, 55, 4449–4461. [Google Scholar] [CrossRef]
- Shannon, C.E. A mathematical theory of communication. Bell Syst. Tech. J. 1948, 27, 379–423. [Google Scholar] [CrossRef]
- Cover, T.M.; Thomas, J.A. Elements of Information Theory; Wiley: Hoboken, NJ, USA; Tsinghua University Press: Beijing, China, 1991; pp. 155–183. [Google Scholar]
- Chaaban, A.; Morvan, J.; Alouini, M. Free-Space Optical Communications: Capacity Bounds, Approximations, and a New Sphere-Packing Perspective. IEEE Trans. Commun. 2016, 64, 1176–1191. [Google Scholar] [CrossRef]
- Yuille, A.L.; Rangarajan, A. The Concave-Convex Procedure. Neural Comput. 2003, 15, 915–936. [Google Scholar] [CrossRef] [PubMed]
- Sriperumbudur, B.K.; Lanckriet, G.R.G. On the convergence of the concave-convex procedure. In Proceedings of the 22nd International Conference on Neural Information Processing Systems, Vancouver, BC, Canada, 7–10 December 2009; pp. 1759–1767. [Google Scholar]
- Grubor, J.; Jamett, O.C.G.; Walewski, J.W.; Randel, S.; Langer, K.D. High-Speed Wireless Indoor Communication via Visible Light; Itg-Fachbericht Breitbandversorgung in Deutschland—Vielfalt Fur Alle; VDE Verlag: Berlin, Germany, 2007. [Google Scholar]
- American National Standards Institute. C78. 376-2001: Specifications for the Chromaticity of Fluorescent Lamps; ANSI: Washington, DC, USA, 2001. [Google Scholar]











| Parameter | Value |
|---|---|
| Transmitter parameters | |
| Type of white LED | LED RGB LED |
| (Cree Xlamp MC-E) | |
| LED positions | LED 1: |
| LED 2: | |
| LED 3: | |
| LED 4: | |
| Maximum forward current | 700 mA |
| Chromaticity coordinate of each chip | Red: (0.7006, 0.2993) Green: (0.1547, 0.8059) Blue: (0.1440, 0.0297) |
| Luminance flux - Forward current conversion coefficient for each chip | Red: 0.0114 A/lm Green: 0.0052 A/lm Blue: 0.0427 A/lm |
| Receiver parameters | |
| Interference ratio | 0.1 |
| PD physical area | 1 |
| Receiving FOV | |
| Receiver responsivity | 0.4 |
© 2018 by the authors. Licensee MDPI, Basel, Switzerland. This article is an open access article distributed under the terms and conditions of the Creative Commons Attribution (CC BY) license (http://creativecommons.org/licenses/by/4.0/).
Share and Cite
Zhang, D.-F.; Yu, H.-Y.; Zhu, Y.-J.; Sun, Z.-G. Optimal Linear Precodings for Multi-Color, Multi-User Visible Light Communication System with Fairness Considerations. Crystals 2018, 8, 404. https://doi.org/10.3390/cryst8110404
Zhang D-F, Yu H-Y, Zhu Y-J, Sun Z-G. Optimal Linear Precodings for Multi-Color, Multi-User Visible Light Communication System with Fairness Considerations. Crystals. 2018; 8(11):404. https://doi.org/10.3390/cryst8110404
Chicago/Turabian StyleZhang, Dong-Fang, Hong-Yi Yu, Yi-Jun Zhu, and Zheng-Guo Sun. 2018. "Optimal Linear Precodings for Multi-Color, Multi-User Visible Light Communication System with Fairness Considerations" Crystals 8, no. 11: 404. https://doi.org/10.3390/cryst8110404
APA StyleZhang, D.-F., Yu, H.-Y., Zhu, Y.-J., & Sun, Z.-G. (2018). Optimal Linear Precodings for Multi-Color, Multi-User Visible Light Communication System with Fairness Considerations. Crystals, 8(11), 404. https://doi.org/10.3390/cryst8110404

