Fuzzy Logic-Based LVRT Enhancement in Grid-Connected PV System for Sustainable Smart Grid Operation: A Unified Approach for DC-Link Voltage and Reactive Power Control
Abstract
1. Introduction
- Unified integrated control architecture for LVRT: A coordinated control framework is developed that jointly manages DC-link voltage regulation, reactive current support, and mode switching during voltage sags, enabling consistent operation and ride-through compliance under representative fault scenarios.
- Fuzzy-logic-assisted multi-objective mitigation and smooth transition: A fuzzy logic decision layer is introduced to adapt control actions during disturbances, mitigating DC-link overvoltage caused by power imbalance during symmetrical and asymmetrical faults and ensuring smooth transition between normal and LVRT operation. This reduces abrupt switching effects and improves robustness under nonlinear transient dynamics compared with fixed-gain or purely PI-based approaches.
- Grid-support enhancement with quantitative LVRT evaluation: Grid-code-aligned reactive power injection is incorporated to accelerate voltage recovery and enhance grid stability. The effectiveness of the unified strategy is validated via simulation using clear quantitative indicators as voltage compensation and DC-link Overshoot and comparative analysis against baseline control cases for both symmetrical and asymmetrical faults.
2. Materials and Methods
2.1. Grid Requirement
2.2. PV Module Equivalent Circuit and PV Array Sizing
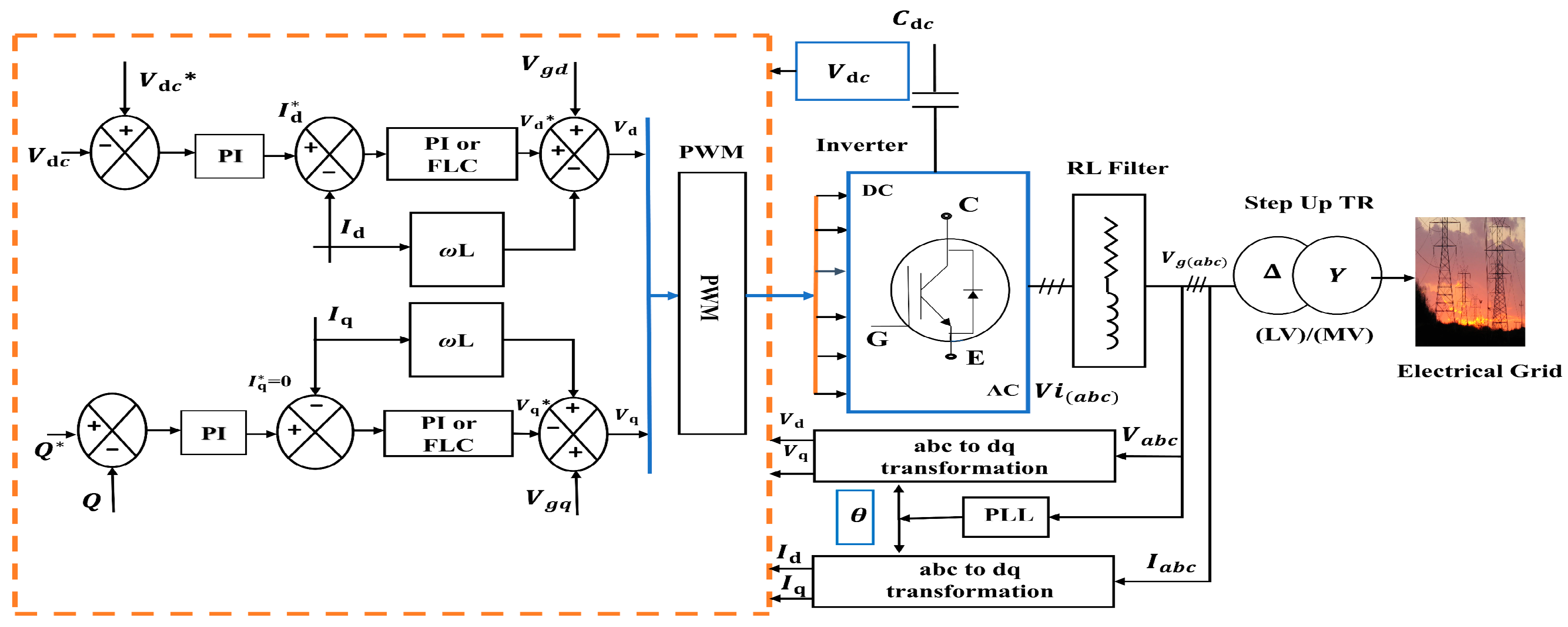
2.3. Modeling of Grid-Tied PV
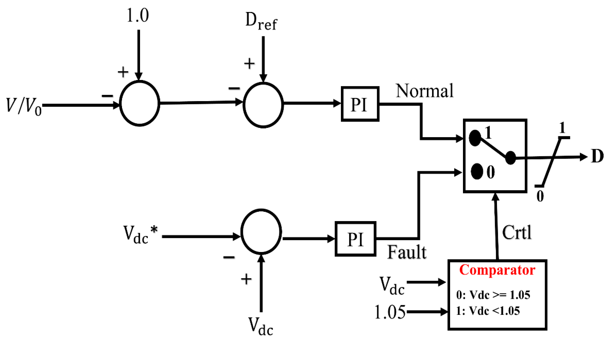
2.4. DC-Link Voltage Control
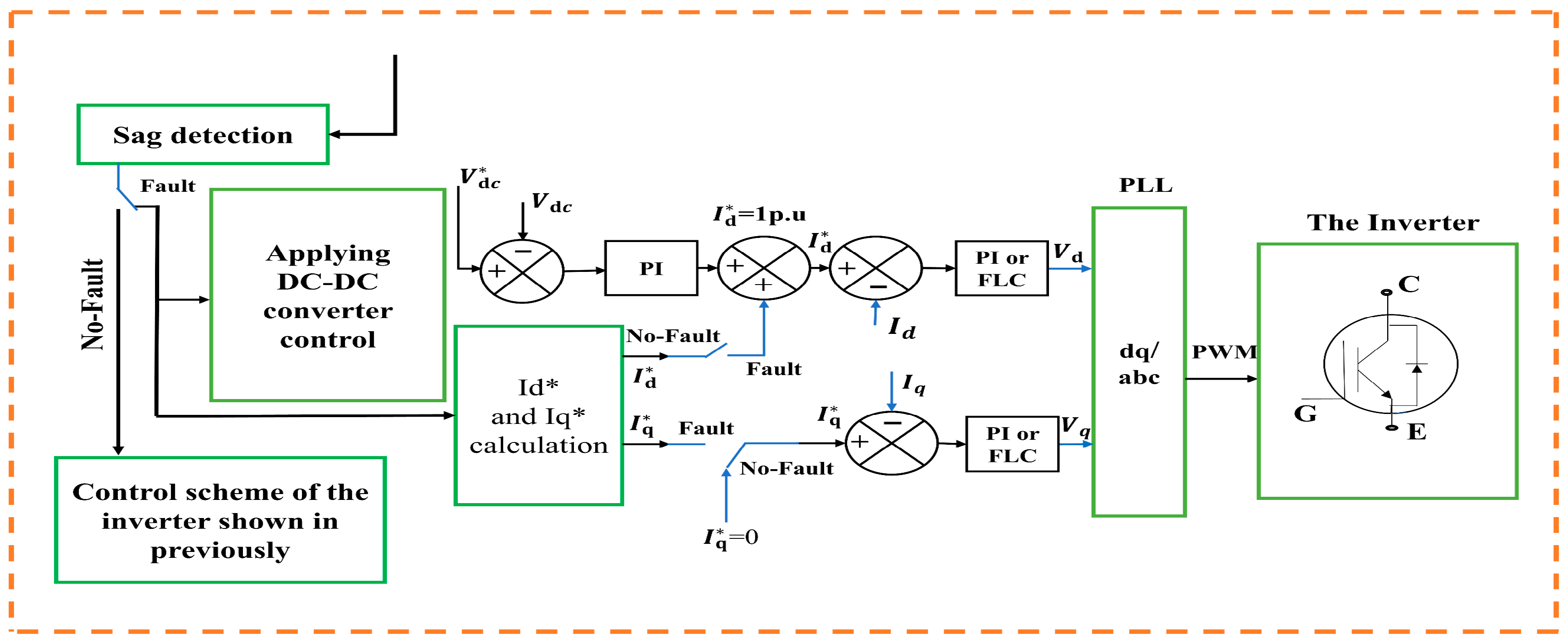
2.5. Inverter Control Strategy
2.6. FLC Architecture and Structure
- Fuzzification: Converts crisp inputs into fuzzy values.
- Inference: Applies rule-based logic.
- Defuzzification: Translates fuzzy outputs into crisp control actions via the Center of Gravity (COG) method.
3. Results and Discussions
3.1. Symmetrical Fault Analysis
3.2. Asymmetrical Fault Analysis
3.3. Comparative Analysis
4. Conclusions
Author Contributions
Funding
Institutional Review Board Statement
Informed Consent Statement
Data Availability Statement
Conflicts of Interest
References
- Ahmad, S.; Mubarak, H.; Jhuma, U.K.; Ahmed, T.; Mekhilef, S.; Mokhlis, H. Point of Common Coupling Voltage Modulated Direct Power Control of Grid-Tied Photovoltaic Inverter for AC Microgrid Application. Int. Trans. Electr. Energy Syst. 2023, 2023, 3641907. [Google Scholar] [CrossRef]
- Rumky, T.T.J.; Ahmed, T.; Ahmed, M.; Ahmad, S.; Rahman, M.M. Performance of microgrid systems on multiple dynamic loads penetration. In Proceedings of the IEEE International Conference on Power Systems, Cox’s Bazar, Bangladesh, 13–15 December 2023; pp. 1–6. [Google Scholar]
- Tenaga, S. Grid Code for Peninsular Malaysia; Energy Commission Malaysia: Putrajaya, Malaysia, 2023; Rep. GC-2023.
- Hossain, Z.; Ahmad, S.; Jhuma, U.K.; Mekhilef, S.; Mubin, M.; Mokhlis, H.; Ahmed, T. A Flexible Interconnection and Power Sharing Strategy for Two Autonomous Microgrid Systems. In Proceedings of the IEEE 6th International Conference on Computing, Communication and Automation (ICCCA), Arad, Romania, 17–19 December 2021; pp. 472–477. [Google Scholar]
- Jhuma, U.K.; Mekhilef, S.; Ahmad, S.; Islam, J.; Jesan, J.R.; Billah, M.M. The Impact of Synchronous Generator on Voltage Sag Mitigation in Power System Network. In Proceedings of the IEEE 4th International Conference on Computing, Power and Communication Technologies (GUCON), Kuala Lumpur, Malaysia, 24–26 September 2021; pp. 1–5. [Google Scholar]
- Kordkheili, S.F.H.; Hamzeh, M. AC Fault Ride-Through Strategy for MMC-Based HVDC Systems with Short Lines. In Proceedings of the Power Electronics, Drive Systems, and Technologies Conference (PEDSTC), Babol, Iran, 31 January–2 February 2023; pp. 1–6. [Google Scholar]
- Worku, M.Y.; Abido, M.A. Grid-connected PV array with supercapacitor energy storage system for fault ride through. In Proceedings of the IEEE International Conference on Industrial Technology (ICIT), Seville, Spain, 17–19 March 2015; pp. 2901–2906. [Google Scholar]
- Nithya, C.; Roselyn, J.P. Multimode Inverter Control Strategy for LVRT and HVRT Capability Enhancement in Grid Connected Solar PV System. IEEE Access 2022, 10, 54899–54911. [Google Scholar] [CrossRef]
- Lin, X.; Han, Y.; Yang, P.; Wang, C.; Xiong, J. Low-Voltage Ride-Through Techniques for Two-Stage Photovoltaic System under Unbalanced Grid Voltage Sag Conditions. In Proceedings of the IEEE 4th Southern Power Electronics Conference (SPEC), Singapore, 10–13 December 2018; pp. 1–8. [Google Scholar]
- Sabir, A. A novel low-voltage ride-through capable energy management scheme for a grid-connected hybrid photovoltaic-fuel cell power source. Int. Trans. Electr. Energy Syst. 2019, 29, e2713. [Google Scholar] [CrossRef]
- Al-Shetwi, A.Q.; Sujod, M.Z. Modeling and control of grid-connected photovoltaic power plant with fault ride-through capability. J. Sol. Energy Eng. 2018, 140, 021001. [Google Scholar] [CrossRef]
- Priya, R.P.; Mohanraj, M. Power quality improvement in grid connected wind energy system using fuzzy controlled UPQC. Pak. J. Biotechnol. 2017, 14, 17–20. [Google Scholar]
- Park, S.M.; Park, S.Y. Power weakening control of the photovoltaic-battery system for seamless energy transfer in microgrids. In Proceedings of the IEEE Applied Power Electronics Conference and Exposition (APEC), Long Beach, CA, USA, 17–21 March 2013; pp. 2971–2976. [Google Scholar]
- Kim, D.; Ramadhan, U.F.; Islam, S.U.; Jung, S.; Yoon, M. Design and implementation of novel fault ride through circuitry and control for grid-connected PV system. Sustainability 2022, 14, 9736. [Google Scholar] [CrossRef]
- Nezhad, A.A.; Zaker, B.; Arani, A.A.K.; Gharehpetian, G.B. Impact of non-MPPT operation mode of PV system considering inverter fault current limiting. In Proceedings of the Conference on Electrical Power Distribution Networks Conference (EPDC), Semnan, Iran, 19–20 April 2017; pp. 45–50. [Google Scholar]
- Almeida, P.M.; Monteiro, K.M.; Barbosa, P.G.; Duarte, J.L.; Ribeiro, P.F. Improvement of PV grid-tied inverters operation under asymmetrical fault conditions. Sol. Energy 2016, 133, 363–371. [Google Scholar] [CrossRef]
- Bak, Y.; Lee, J.S.; Lee, K.B. Low-voltage ride-through control strategy for a grid-connected energy storage system. Appl. Sci. 2018, 8, 57. [Google Scholar] [CrossRef]
- Lin, F.J.; Lu, K.C.; Ke, T.H.; Yang, B.H.; Chang, Y.R. Reactive power control of three-phase grid-connected PV system during grid faults using Takagi–Sugeno–Kang probabilistic fuzzy neural network control. IEEE Trans. Ind. Electron. 2015, 62, 5516–5528. [Google Scholar] [CrossRef]
- Bagchi, S.; Chatterjee, D.; Bhaduri, R.; Biswas, P.K. An improved low-voltage ride-through (LVRT) strategy for PV-based grid connected inverter using instantaneous power theory. IET Gener. Transm. Distrib. 2021, 15, 883–893. [Google Scholar] [CrossRef]
- Jinpeng, W.; Bo, Z.; Qinxue, Y.; Xin, Z. Research on the Automatically Independent Controlling Algorithm of the Grid-Connected PV Inverter Jointly Considering Dynamic Load Features and Active LVRT Capability. IEEE Access 2023, 11, 36618–36629. [Google Scholar] [CrossRef]
- Hong, C.M.; Ou, T.C.; Lu, K.H. Development of intelligent MPPT (maximum power point tracking) control for a grid-connected hybrid power generation system. Energy 2013, 50, 270–279. [Google Scholar] [CrossRef]
- Ou, T.C.; Hong, C.M. Dynamic operation and control of microgrid hybrid power systems. Energy 2014, 66, 314–323. [Google Scholar] [CrossRef]
- Joshi, J.; Jately, V.; Kala, P.; Sharma, A.; Lim, W.H.; Azzopardi, B. Control strategy for current limitation and maximum capacity utilization of grid connected PV inverter under unbalanced grid conditions. Sci. Rep. 2024, 14, 10118. [Google Scholar] [CrossRef]
- Zhang, N.; Sun, Q.; Yang, L.; Li, Y. Event-Triggered Distributed Hybrid Control Scheme for the Integrated Energy System. IEEE Trans. Ind. Inform. 2021, 18, 835–846. [Google Scholar] [CrossRef]
- Saxena, V.; Kumar, N.; Singh, B.; Panigrahi, B.K. An MPC based algorithm for a multipurpose grid integrated solar PV system with enhanced power quality and PCC voltage assist. IEEE Trans. Energy Convers. 2021, 36, 1469–1478. [Google Scholar] [CrossRef]
- Elmi, M.M.B.; Yıldırım, O. Improve LVRT capability of organic solar arrays by using chaos-based NMPC. Int. J. Energy Stud. 2024, 9, 543–558. [Google Scholar] [CrossRef]
- Gira, N.; Dahiya, A.K. ANFIS controlled reactive power compensation utilizing grid-connected solar photovoltaic system as PV-STATCOM. J. Sci. Ind. Res. 2021, 80, 668–674. [Google Scholar] [CrossRef]
- Li, X.; Chen, Y.; Yu, W.; Li, L.; Yao, P.; Lan, J.; Ai, J.; Chen, W. Virtual Inductance and DC Boosting Control Based Low Voltage Ride-Through Method for Doubly-Fed Variable-Speed Pumped Hydro Storage Units. IEEE Trans. Power Electron. 2026, 41, 6125–6135. [Google Scholar] [CrossRef]
- Bangladesh Power Development Board. Grid Code of Bangladesh; Bangladesh Power Development Board: Dhaka, Bangladesh, 2019; Rep. GC-2019.
- Ahmad, S.; Mekhilef, S.; Mokhlis, H. An intelligent interconnection module for multiple self-healed interconnected microgrids. In Proceedings of the IEEE 4th International Conference on Computing, Power and Communication Technologies (GUCON), Kuala Lumpur, Malaysia, 24–26 September 2021; pp. 1–6. [Google Scholar]
- Tasnim, M.N.; Ahmed, T.; Dorothi, M.A.; Ahmad, S.; Shafiullah, G.M.; Ferdous, S.M.; Mekhilef, S. Voltage-oriented control-based three-phase, three-leg bidirectional AC–DC converter with improved power quality for microgrids. Energies 2023, 16, 6188. [Google Scholar] [CrossRef]
- Tasnim, M.N.; Ahmed, T.; Dorothi, M.A.; Ahmad, S.; Shafiullah, G.M.; Ferdous, S.M.; Mekhilef, S. Autonomous power management and control among interconnected standalone hybrid microgrids. In Proceedings of the IEEE International Conference on Power Systems (ICPS), Cox’s Bazar, Bangladesh, 13–15 December 2023; pp. 1–6. [Google Scholar]
- Al-Shetwi, A.Q.; Sujod, M.Z.; Blaabjerg, F. Low voltage ride-through capability control for single-stage inverter-based grid-connected photovoltaic power plant. Sol. Energy 2018, 159, 665–681. [Google Scholar] [CrossRef]
- Ahmad, S.; Jhuma, U.K.; Karimi, M.; Pourdaryaei, A.; Mekhilef, S.; Mokhlis, H.; Kauhaniemi, K. Direct power control based on point of common coupling voltage modulation for grid-tied AC microgrid PV inverter. IEEE Access 2022, 10, 109187–109202. [Google Scholar] [CrossRef]
- Ahmad, S.; Mekhilef, S.; Mokhlis, H.; Karimi, M.; Pourdaryaei, A.; Ahmed, T.; Jhuma, U.K.; Afzal, S. Fuzzy logic-based direct power control method for pv inverter of grid-tied ac microgrid without phase-locked loop. Electronics 2021, 10, 3095. [Google Scholar] [CrossRef]
- Ding, G.; Gao, F.; Tian, H.; Ma, C.; Chen, M.; He, G.; Liu, Y. Adaptive DC-link voltage control of two-stage photovoltaic inverter during low voltage ride-through operation. IEEE Trans. Power Electron. 2015, 31, 4182–4194. [Google Scholar] [CrossRef]
- Mahmud, S.I.; Mannan, M.A.; Hazari, M.R. Design and Performance Analysis of a PV Control Scheme to Improve LVRT of Hybrid Power System. AIUB J. Sci. Eng. 2021, 20, 20–21. [Google Scholar] [CrossRef]
- Wen, H.; Fazeli, M. A low-voltage ride-through strategy using mixed potential function for three-phase grid-connected PV systems. Electr. Power Syst. Res. 2019, 173, 271–280. [Google Scholar] [CrossRef]
- Al-Shetwi, A.Q.; Sujod, M.Z.; Ramli, N.L. A review of the fault ride through requirements in different grid codes concerning penetration of PV system to the electric power network. ARPN J. Eng. Appl. Sci. 2015, 10, 9906–9912. [Google Scholar]
- Ahmad, S.; Mekhilef, S.; Mokhlis, H. DQ-axis synchronous reference frame-based PQ control of grid connected AC microgrid. In Proceedings of the IEEE International Conference on Computing, Power and Communication Technologies (GUCON), Greater Noida, India, 2–4 October 2020; pp. 842–847. [Google Scholar]
- Hannan, M.A.; Ghani, Z.A.; Hoque, M.M.; Ker, P.J.; Hussain, A.; Mohamed, A. Fuzzy logic inverter controller in photovoltaic applications: Issues and recommendations. IEEE Access 2019, 7, 24934–24955. [Google Scholar] [CrossRef]
- Orłowska-Kowalska, T.; Blaabjerg, F.; Rodríguez, J. (Eds.) Advanced and Intelligent Control in Power Electronics and Drives; Springer: Berlin/Heidelberg, Germany, 2014. [Google Scholar]
- Roselyn, J.P.; Chandran, C.P.; Nithya, C.; Devaraj, D.; Venkatesan, R.; Gopal, V.; Madhura, S. Design and implementation of fuzzy logic based modified real-reactive power control of inverter for low voltage ride through enhancement in grid connected solar PV system. Control Eng. Pract. 2020, 101, 104494. [Google Scholar] [CrossRef]















| Authors | Control Strategy | Contribution | Limitations |
|---|---|---|---|
| [6] | Two-stage conversion | Active, reactive power are supported by storing power. | Increased costs. Impacts power system reliability. |
| [8] | Positive, negative sequence control | Regulates reactive, active current. | Overlooks DC-link voltage increase. |
| [9] | Hardware-based solutions | Suitable for large-scale PV plants. | Does not sort DC-link overvoltage. |
| [10,11,12] | Modified MPPT algorithms | Address DC-link overvoltage efficiently. | It is limited to asymmetrical faults. |
| [13,14,15] | Discrete-time LVRT controller | Power-weakening control. | Primarily focus on steady-state performance. |
| [16] | Modified SOGI-PLL scheme | Non-MPPT fuzzy logic control. | Additional hardware costs. |
| [17] | Fuzzy Logic Controllers (FLCs) | DC-link voltage oscillations mitigation. | Requires frequent maintenance. |
| [19] | RBFN and GRNN-based MPPT | Zero-voltage ride-through control. | Does not address optimal reactive power injection. |
| [21,22] | Two-stage conversion using Instantaneous power theory. | Handles nonlinearities and uncertainties. | Steady-state performance. Lack of proper evaluations. |
| [23] | Current limitation | Improved current control | Focused on only the unbalanced condition. |
| [25] | MPC with Modified Dual SOGI. | Enhanced power quality, PCC voltage assist. | Limited to two-stage three-phase systems. |
| [26] | Chaotic-based Nonlinear Model Predictive Control. | Improved LVRT; better dynamic response during grid faults. | Limited to organic PV; not tested with silicon-based PV. |
| [27] | Adaptive Neuro-Fuzzy Inference System. | STATCOM for reactive power compensation. | Computationally intensive; limited to small-scale PV. |
| Features of the PV Module | Value |
|---|---|
| Maximum-power-current | Imp = 8.04 A |
| Maximum-power-voltage | Vmp = 49.78 V |
| Maximum-power | Pmax = 400 W |
| Short-circuit-current | Isc = 8.56 A |
| Open-circuit-voltage | Voc = 60 V |
| Temperature coefficient of Isc | αi = 0.043/°C |
| Temperature coefficient of Voc | αv = −0.367/°C |
| Parallel and series resistance (Rp, Rs) | 389.9 Ω, 0.33 Ω |
| Maximum-power | Pmax = 400 W |
| Specification | Values |
|---|---|
| DC-link Voltage (Vdc) | 800 V |
| Grid Voltage (Vgrid) | 33 kV |
| Transformer | 0.4/33 kv |
| DC-link Capacitor (Cdc) | 0.2130 F |
| Grid frequency, ɷ | 2π × 50 rad/s |
| R filter of the inverter, R | 1.25 Ω |
| L filter of the inverter, L | 0.1 mH |
| PI Parameter of Voltage Loop | Kp = 1.2, Ki = 50 |
| PI Parameter of Current Loop | Kp = 0.4, Ki = 8 |
| Rate of Change in Error | Error | ||||
|---|---|---|---|---|---|
| NL | NS | ZE | PS | PL | |
| NL | LA | LA | LA | LA | LA |
| NS | LA | LA | LA | LA | ME |
| ZE | LA | LA | LA | ME | ZE |
| PS | LA | LA | ME | ZE | ZE |
| PL | LA | ME | ZE | ZE | ZE |
| Aspects | Fault Type | DC-Link Voltage | Grid Voltage Recovery | Inverter Voltage Recovery | Reactive Power Injection | Voltage Sag W/o Control | DC Overshoot with Controller | |
|---|---|---|---|---|---|---|---|---|
| Methods | ||||||||
| PI+STFCL [14] | Symmetrical | Wide oscillation with many spikes | 0% | Not mentioned | Not mentioned | ~90% sag | Not mentioned | |
| Asymmetrical (L-G) | Wide oscillation | 25% | Not mentioned | Not mentioned | ~90% sag | Not mentioned | ||
| PI+BFCL [14] | Symmetrical | Oscillation with small spikes | 62.5% with spikes | Not mentioned | Not mentioned | ~90% sag | Not mentioned | |
| Asymmetrical (L-G) | Post-fault small oscillations | 90% with spikes | Not mentioned | Not mentioned | ~87% sag | Not mentioned | ||
| SD+BFCL [14] | Symmetrical | Pre-fault spikes | 62.5% | Not mentioned | Not mentioned | ~90% sag | Not mentioned | |
| Asymmetrical (L-G) | Pre-fault small oscillations | 94% with spikes | Not mentioned | Not mentioned | ~85% sag | Not mentioned | ||
| PI+DC chopper [33] | Symmetrical | Pre-fault and post-fault oscillation | 15% | Not mentioned | A small amount is injected | Not mentioned | Not mentioned | |
| Asymmetrical (L-L) | Oscillation during pre-fault and post-fault | 92% | Not mentioned | A small amount is injected | Not mentioned | Not mentioned | ||
| FLC-based control [43] | Symmetrical | Significant voltage increases during a fault | ~88% | Not mentioned | Iq is injected during the fault | ~100% sag | Not mentioned | |
| Asymmetrical (L-L) | Spikes during fault clearance | ~90% | Not mentioned | Iq is injected during fault | ~95% sag | Not mentioned | ||
| Proposed Control with PI | Symmetrical | Negligible oscillation | 94.02% | 95.703% | A sufficient amount is injected | ~100% sag | ~0.25% | |
| Asymmetrical (L-L) | Negligible oscillation during pre- or post-fault | 96.5% | 96.23% | A sufficient amount is injected | ~45% sag | ~0.125% | ||
| Proposed Control with Fuzzy | Symmetrical | Negligible oscillation | 97.01% | 96.8% | A sufficient amount is injected | ~100% sag | ~0.25% | |
| Asymmetrical (L-L) | Negligible oscillation | 98.4% | 97.98% | A sufficient amount is injected | ~45% sag | ~0.125% | ||
Disclaimer/Publisher’s Note: The statements, opinions and data contained in all publications are solely those of the individual author(s) and contributor(s) and not of MDPI and/or the editor(s). MDPI and/or the editor(s) disclaim responsibility for any injury to people or property resulting from any ideas, methods, instructions or products referred to in the content. |
© 2026 by the authors. Licensee MDPI, Basel, Switzerland. This article is an open access article distributed under the terms and conditions of the Creative Commons Attribution (CC BY) license.
Share and Cite
Billah, M.; Ahmad, S.; Hossain, C.A.; Hazari, M.R.; Duong, M.Q.; Sava, G.N.; Ogliari, E. Fuzzy Logic-Based LVRT Enhancement in Grid-Connected PV System for Sustainable Smart Grid Operation: A Unified Approach for DC-Link Voltage and Reactive Power Control. Sustainability 2026, 18, 2448. https://doi.org/10.3390/su18052448
Billah M, Ahmad S, Hossain CA, Hazari MR, Duong MQ, Sava GN, Ogliari E. Fuzzy Logic-Based LVRT Enhancement in Grid-Connected PV System for Sustainable Smart Grid Operation: A Unified Approach for DC-Link Voltage and Reactive Power Control. Sustainability. 2026; 18(5):2448. https://doi.org/10.3390/su18052448
Chicago/Turabian StyleBillah, Mokabbera, Shameem Ahmad, Chowdhury Akram Hossain, Md. Rifat Hazari, Minh Quan Duong, Gabriela Nicoleta Sava, and Emanuele Ogliari. 2026. "Fuzzy Logic-Based LVRT Enhancement in Grid-Connected PV System for Sustainable Smart Grid Operation: A Unified Approach for DC-Link Voltage and Reactive Power Control" Sustainability 18, no. 5: 2448. https://doi.org/10.3390/su18052448
APA StyleBillah, M., Ahmad, S., Hossain, C. A., Hazari, M. R., Duong, M. Q., Sava, G. N., & Ogliari, E. (2026). Fuzzy Logic-Based LVRT Enhancement in Grid-Connected PV System for Sustainable Smart Grid Operation: A Unified Approach for DC-Link Voltage and Reactive Power Control. Sustainability, 18(5), 2448. https://doi.org/10.3390/su18052448

