Next Article in Journal
Parametric Study on Fin Structure and Injection Tube in Metal Hydride Tank Packed with LaNi5 Alloy for Efficient and Safe Hydrogen Storage
Next Article in Special Issue
Climate Assessment of Vegetable Oil and Biodiesel from Camelina Grown as an Intermediate Crop in Cereal-Based Crop Rotations in Cold Climate Regions
Previous Article in Journal
Spatiotemporal Distributions of Multiple Land Use Functions and Their Coupling Coordination Degree in the Yangtze River Delta Urban Agglomeration, China
Previous Article in Special Issue
Sustainable Production of Biodiesel from Novel and Non-Edible Ailanthus altissima (Mill.) Seed Oil from Green and Recyclable Potassium Hydroxide Activated Ailanthus Cake and Cadmium Sulfide Catalyst
 
 
Font Type:
Arial Georgia Verdana
Font Size:
Aa Aa Aa
Line Spacing:
Column Width:
Background:
Article

Design, Fabrication, and Operation of a 10 L Biodiesel Production Unit Powered by Conventional and Solar Energy Systems

1
Department of Environmental Engineering, NED University of Engineering and Technology, Karachi 75270, Pakistan
2
Centre of Energy Science, Department of Mechanical Engineering, University of Malaya, Kuala Lumpur 50603, Malaysia
3
School of Civil and Environmental Engineering, University of Technology Sydney, Sydney, NSW 2007, Australia
*
Author to whom correspondence should be addressed.
Sustainability 2023, 15(12), 9734; https://doi.org/10.3390/su15129734
Submission received: 2 May 2023 / Revised: 6 June 2023 / Accepted: 14 June 2023 / Published: 18 June 2023
(This article belongs to the Special Issue Sustainable Biodiesel Production)

Abstract

Biodiesel is regarded as a low-carbon substitute for petroleum-based fuels. This research study aimed to investigate a 10 L batch-scale biodiesel production system from waste cooking oil (WCO) powered energy by solar energy and conventional electricity. The unit’s design considers the mass balance of the system’s constituent parts. The methoxide mixing chamber volume was calculated as 2.5 L with an electric agitator power requirement of 25 W. In comparison, the volume occupied by reactants in the stirred reactor was determined to be 14.5 L with a 250 W electric motor agitator. The WCO biodiesel was produced by a two-step process, i.e., esterification followed by a transesterification reaction using conventional electricity and solar power, yielding 92% and 90% by volume, respectively. The characteristics of WCO biodiesel produced from both energy systems was comparable to ASTM D6751. The total amount of conventional electricity and solar power required was 2.006 kWh and 1.0 kWh per 10 L, respectively. The WCO biodiesel’s mass performance was 64.02% and 62.10%, whereas the energy productivity was 0.0242 kg/MJ and 0.0235 kg/MJ from conventional electricity and solar energy systems, respectively. Therefore, solar energy systems can be employed in biodiesel production with a massive reduction in traditional energy requirements, thus reducing the production’s carbon footprint.

1. Introduction

The ecosystem is suffering as a result of the alarming rate of the depletion of the planet’s fossil fuel reserves by consuming petroleum fuels derived from crude oil; the transportation and power generation sectors are seen as significant contributors to the degradation of the environment resulting in climate change and global warming [1]. In recent decades, there has been a trend towards using renewable biofuels for power generation and transportation systems [2]. Liquid biofuels, such as biodiesel, are environmentally friendly fuels due to their carbon neutral property and the negligible sulphur content they emit. Waste cooking oil (WCO) biodiesel is locally accessible in every region of the world and is one of the best alternatives to conventional diesel for reducing emissions produced by compression ignition engines. The findings demonstrate that any diesel engine may use WCO biodiesel in a technically, economically, ecologically, and tribologically sound manner [2]. WCO biodiesel production also recycles waste cooking oil and provides clean, renewable green energy [3]. In addition, it reduces the cost of waste management and partially replaces the import of petroleum crude oil [4]. An alternate approach for lowering GHG emissions from compression ignition engines is to convert WCO into an alternative fuel, such as biodiesel. Hydrocarbons, carbon monoxide, particulate matter, and sulphur dioxide emissions are reduced when biodiesel is combusted in diesel engines. However, it produces more nitrogen oxides since it contains more oxygen [3]. From a technical, economic, environmental, and tribological perspective, WCO biodiesel can be used in any diesel engine [5,6].
Unfortunately, the high free fatty acid (FFA) content in WCO is a significant bottleneck in the transesterification process, making it an expensive method of manufacturing biodiesel. As a result, the esterification of WCO using acid catalysts for a catalysed reaction to reduce the FFA content is necessary, according to previous literature [7]. Due to the presence of a higher FFA content (acid value more than 5.5 mg KOH/g of oil) in the feedstock, it is not favourable to convert it into biodiesel through single-step transesterification. Therefore, acid esterification is required to reduce the FFA content before transesterification with sulphuric acid as a catalyst. In a previous study, the esterification reaction reduced the FFA content by 88% at 60 °C with a 1:2.5 methanol to oil molar ratio. Then, transesterification was conducted at 50 °C using an alkali catalyst (KOH) and in the presence of a 1% catalyst concentration, yielding 94% biodiesel (i.e., fatty acid methyl ester) [6]. The most common method for producing biodiesel involves the chemical transformation of raw materials (vegetable or animal fats) under alkaline-catalyzed conditions. However, higher free fatty acid (FFA) content in feedstock or crude oils/fats cause saponification (soap formation) by an alkali catalyst reaction. The maximum permitted level of FFA in an alkali-catalyzed process is below 2.5% by weight of free fatty acids. Therefore, vegetable oil or animal fat feedstock must undergo an additional reaction, known as the esterification process, to convert oil into ethyl esters, followed by transesterification for pretreatment purposes if the free fatty acid level exceeds 2.5% by weight [8,9].
According to a previous study, an experimental apparatus of 10 L was operated at 65 °C for a 60 min reaction time. The base transesterification reaction converted WCO and refined edible vegetable oil into biodiesel. Using a base catalyst, KOH, which was 1.2% by weight, and a methyl alcohol to molar oil ratio of 1:6, the reaction was conducted for 60 min. The refined vegetable oil had a biodiesel production of up to 97.5%, compared to 93.2% from WCO [10]. Another research investigation produced WCO biodiesel using a nanocatalyst of CaO from thermal decomposition that was calcined at 500 °C. The optimal experimental conditions included a 50 °C reaction temperature, 1:8 molar ratio of WCO oil to methanol, 1% by weight of catalyst loading rate, atmospheric pressure, 1500 rpm of agitation, and 90 min reaction duration. The reaction yielded the highest conversion of WCO into biodiesel at 96% by weight [4]. Furthermore, investigations have been conducted on the homogeneous transesterification of used frying oil (WFO) to biodiesel using a potassium hydroxide (KOH) catalyst. In this regard, the effects of temperature (25–65 °C), KOH content (0.5–2%), and the methanol/WFO molar ratio (3:1–12:1) on the conversion yield were studied using response surface methodology (RSM). The maximal methyl ester yield from transesterification of WFO was 96.33% at the optimal methanol/WFO molar ratio of 7.3:1, KOH loading of 0.5 wt.%, and reaction temperature of 58.30 °C. The optimized biodiesel’s physical and chemical characteristics, such as its kinematic viscosity at 40 °C of 4.57 mm/s2, the sulphur content of 0.005 wt.%, and density at 15 °C of 889.3 kg/m3, met the biodiesel European standard EN-14214 [11]. Batch-size reactors with mechanical stirring capabilities were designed and fabricated to produce biodiesel and have long been acknowledged as a key method of producing biodiesel. The stirrer design in the batch-scale reactor facilitates uniform mixing, enhanced mass turbulence distribution, and efficient heat transfer. The findings showed that biodiesel produced from used sunflower frying oil satisfied the requirements for biodiesel fuel. The transesterification process was successful when sodium hydroxide (NaOH) was utilized as a catalyst in the lab-scale batch reactor. The yield of biodiesel was obtained between 94% and 96% after the waste cooking oil was converted into biodiesel using a laboratory scale reactor at 70 °C with 3% by weight NaOH catalyst [12].
The present investigation examines the design, construction, and potential for a 10 L batch-scale biodiesel production unit that can be operated with conventional and solar energy systems. First, the reactor design calculation is based on the system components’ mass flow, such as the WCO container, potassium methoxide mixing container, and transesterification reactor vessel. Then, on a batch-scale unit, the transesterification reaction, change in glycerol concentration, and kinematic viscosity during the reactions were measured, and a comparison of the energy requirements and costs associated with producing biodiesel utilizing the two energy systems was conducted. Additionally, the solar system’s PV panel efficiency, losses, and solar payback time were calculated to examine the viability of using the solar energy system for biodiesel synthesis.

2. Materials and Methods

The mass balance of the system under consideration was used to calculate the capacity of the vessels needed for biodiesel production, which served as the basis for the design and manufacturing of the batch-scale unit with a 10 L capacity. To design and construct a batch-scale unit for biodiesel synthesis, the dimensions of the storage container, catalyst/methanol (methoxide) chamber, and reactor vessel were estimated [13].

2.1. Volume of the Main Reactor and Methoxide Mixing Vessel

The density of the WCO was used to compute the mass of the 10 L biodiesel production system by multiplying the volume of the WCO by its density (900 kg/m3). However, the transesterification reaction required 2 L of methanol, or 20% by volume of WCO, and the KOH catalyst used 1% by weight of WCO, which was multiplied by its density of 2044 kg/m3. Therefore, using the following mathematical expression, the final volume of the reactor was calculated using a different volume assumption of 20% for the reactor’s free board space.
T V R = V W M C + V W M C × 20 %
where TVR = total volume of the reactor and VWMC = volume of WCO + volume of methanol + volume of catalyst.

2.2. Height of the Main Reactor and Methoxide Vessel

Stainless steel pipes (grade SS 304) with diameters of 8 inches for the reactor vessel and 4 inches for the methoxide mixing vessel were chosen based on the diameter of typically available pipes (SS 307). The stainless steel sheets were made with both ends welded to convert into reactor vessels [14]. A temperature sensor, mixer speed controller, and pressure gauge were installed in the reactor vessel to monitor the process variables during its operational mode. By substituting the vessel radius (r) into the following equation, the height of the vessels (h) based on the volume of the reactor and methoxide mixing vessel (V) were calculated.
V = π r 2 h

2.3. Electric Power Requirements for the Agitator in the Main Reactor and Methoxide Mixing Vessel

The electric power required by a single three-bladed propeller to be operated by an agitator motor was determined considering the dimensions of the main reactor and methoxide mixing vessel. The following formulae are used to calculate the agitator power [15];
R e = D 2 N P μ
N p = P ρ n 3 D 5
where Re = Reynolds number; Np = power number; P = shaft power (W); ρ = fluid density (kg/m3);
μ = fluid dynamic viscosity (kg/m s); N = agitator speed (rpm); and D = diameter of agitator.
The Re was calculated using the following assumptions: the reactor vessel’s agitator has a diameter of 3.2 inches (0.08 m), the required mixing speed is 1500 rpm, the WCO’s density is 900 kg/m3, and its dynamic viscosity is 3.59 × 10−5 kg/m s. The appropriate value of Np was obtained from the conventional power correlation curve to compute the power correlation for a single three-bladed propeller by considering the Re and determining the D/DT ratio (i.e., the agitator/diameter of the reactor vessel) [16]. The power needed for the electric motor was then determined using Equation (4). Similar steps were taken to determine the electric motor’s power requirements for the methoxide mixing vessel, where the agitator’s diameter was assumed to be 1.6 inches (0.04 m). The design equations considered the methanol’s density (774 kg/m3) and dynamic viscosity (4.49 × 10−4 kg/m s) at 40 °C. The reactor vessel was installed with a screw plug immersion heater (120 V AC, 500 W, Tempco, Wood Dale, IL, USA) placed inside a tubular metal pipe with a diameter of 3 inches to avoid direct contact with the reaction mixture in the reactor, considering the likelihood of ignition.

2.4. Storage Container for WCO

A high-density polyethylene container with a capacity of 12 L was used to store the WCO.

2.5. Determination of WCO Acid Value

The WCO was obtained from the NED University cafeteria. To determine the free fatty acid content of the WCO, the AOCS Ca 5a-40 method was used, and the acid value was determined. Two-step reactions (esterification and transesterification) are necessary if the acid value is higher than 5.5 mg KOH/g of oil by the weight of the catalyst. An acid first catalyzes the esterification reaction and, subsequently, the transesterification reaction takes place via a base catalyst. A one-step transesterification reaction is used if the acid value is less than 5.5 mg KOH by weight [4].

2.6. Batch-Scale Biodiesel Production

After being used for food production, the WCO was filtered by removing the suspended solid particles using a cotton cloth. Approximately 10 L of filtered WCO was placed in a storage bottle before being transferred to the main reactor vessel. The main reactor chamber was insulated with glass wool to reduce heat dissipation from the reactor. All the experimental work was conducted at a room temperature of 26 ± 1 °C in the Biodiesel Laboratory of the Department of Environmental Engineering, NED University. The WCO was heated for 1 h at 80 °C in the reactor while the outlet vent valve was left open to remove the moisture content. In the first phase, 10 L of hot, moisture-free WCO were treated in the esterification process by adding sulphuric acid at a weight-to-volume ratio of 0.2%, whereas the WCO to methanol ratio was 5:1. The agitator’s reaction time, temperature, and mixing speed were all kept at 1 h, 65 °C, and 1500 rpm, respectively.
The system had a condenser attached to recirculate the methanol evaporated during the reaction into the reactor vessel. After the esterification reaction, the mixture underwent a 1 h decanting process to remove impurities and settle the contaminants. Then, at a WCO to methanol ratio of 5:1, transesterification was carried out in the second phase using potassium hydroxide (KOH), which made up 1% of the weight of the WCO [6]. The reactor temperature was set to 65 °C, the stirrer speed was maintained at 1500 rpm, and the reaction time was 1 h. After the base transesterification process, the mixture of biodiesel and glycerol was allowed to drain into a transparent high-density polyethylene (HDPE) container to separate both products. After separation, the biodiesel was washed with warm water at 50 °C to remove the glycerol and other contaminants. Finally, the water-washed biodiesel was dried in a locally designed and fabricated solar cabinet dryer that has a capacity of 0.105 m3 for 3 h to remove the moisture content [17]. The light meter measured the solar irradiance flux (W/m2) falling on the solar collector attached to the dryer (ST1307 Standard Instruments, Hong Kong, China).
Temperature sensors measured the temperatures at the inlet and outlet of the solar cabinet dryer. In addition, the dried biodiesel’s physical and chemical characteristics were measured. The following equation calculates the % of biodiesel conversion yield by volume.
B i o d i e s e l   c o n v e r s i o n   y i e l d   ( % ) = V B D V W C O × 100
where VBD = volume of biodiesel produced and VWCO = volume of WCO.
The FAME content yield was computed using the following equation [18].
F A M E   y i e l d   % = 135.1   e μ 10.1
where µ is the dynamic viscosity in cP at 40 °C of the biodiesel produced from the waste cooking oil.

2.7. Characterization of WCO Biodiesel

To evaluate the quality of the product, the following physical and chemical characteristics of the WCO biodiesel were examined: density and kinematic viscosity, cloud and pour point, cold filter plugging point, flashpoint, and calorific value, as per their respective ASTM standards.

2.8. Fatty Acid Compositional Analysis

A compositional analysis of fatty acids present in WCO was conducted by gas chromatography (Clarus 500, Perkin Elmer, Waltham, MA, USA) at PCSIR Laboratories, Karachi, Pakistan.

2.9. Kinetic Study of Transesterification in a Batch-Scale Reactor

To determine the dimensions of the reactor for biodiesel production, it is crucial to understand the kinetics of transesterification reactions. A transesterification reaction rate (k) can be determined experimentally or through simulation. The rate constants can then be used to calculate the expected yield of biodiesel. For the transesterification equation of the reaction, the rate constant can be calculated using the Arrhenius equation:
k = A e E a R T
where T is the temperature in Kelvin, A is the pre-exponential factor, Ea is the activation energy, and R is the universal gas constant. The Ea can be calculated via the integration of Equation (7) and is expressed as Equations (8) and (9), as follow:
ln k = ln ( A e E a R T )
ln k = E a R 1 T + ln A
Slope = Ea/RT
Ea = slope × RT
The transesterification of WCO with methanol to produce a bio-product of FAME and water by using potassium hydroxide as a catalyst using can be described in the following chemical equation:
R1COOH + MeOH ↔ R1COOCH3 + H2O
Equation (11) can be summarized by Equation (13), as follows:
A + B ↔ C + D
The rate of reaction for the transesterification process can be described as a mathematical expression:
−rA = −d[A]/dt = k1 [A]a [B]b − k2[C]c[D]d
where [A] is the concentration of WCO following esterification, [−rA] is the WCO reaction rate, [k1] and [k2] are the reaction rate constants, and the methanol concentration is [B], the FAME concentration is [C], and the water concentration is [D].
The kinetic model is predicated on the following hypotheses: due to the excess methanol employed, the methanol concentration remains constant and (ii) the reverse reaction can be neglected [19]. As [B]b is believed to be fixed, k1 [B]b can be represented by the letter “k”. The reversible reaction from Equation (8) can be ignored. Following these assumptions, the reaction rate can be expressed in Equations (15) and (16):
−rA = −d[A]/dt = k[A]
d[A]/[A] = −kt
By integrating Equation (16), the expression becomes
ln [−rA]/[A] = −kt
S S E k = ( X e x p X c a l c ) 2
Non-linear regression is used to determine the k value, which essentially offers the sum of square quake error (SSE) between the experimental data and the computed data, as illustrated, where ln [10] is the initial concentration of the WCO and [A] is the concentration of the WCO at the time (t) in Equation (18). Using the rate constants and the reaction rates, it is possible to simulate the expected yield of biodiesel and compare it with the experimental data. This can be used to optimize the reactor design and process parameters for biodiesel production from waste cooking oil.

2.10. Measurement of Glycerol Content and Change in Dynamic Viscosity during Transesterification in a Batch Reactor

During the transesterification reaction, which converts triglycerides into methyl ester (biodiesel), the concentration of glycerol produced with respect to time was measured. A standard curve was plotted between the known glycerol concentration and the absorbance measured with a UV-Vis Spectrophotometer (DR 5000 Hach, Loveland, CO, USA) at 700 nm, following the protocol mentioned in the literature [20]. Furthermore, the dynamic viscosity of the reactants during the transesterification reaction concerning time was measured by a viscometer (VDM-300, AS Lemis, Marupe, Latvia) according to the ASTM D 445.

2.11. Comparison of Consumption of Conventional Electricity with the Solar Energy System

The operation of batch-scale biodiesel production experimental setups with conventional fossil fuel-derived electricity and a solar energy system were compared in terms of the energy consumption (kwh) for 10 L of biodiesel production per batch. The electricity consumption of the electric motor (25 W) for mixing methanol/catalyst for 30 min (0.5 h) at room temperature and drying WCO with a heater (500 W) for 30 min was obtained by multiplying the respective power consumption with the operating time. For the two-step esterification and transesterification reactions, the reactor vessel mixing via an electric motor of 250 W and a heating element of 500 W was multiplied by 1 h, the total operating time, to calculate its electrical energy consumption. After water washing, the final product, biodiesel, was dried in a distillation unit using a heating and magnetic stirrer (C-MAG HS 10, Carl Roth, Karlsruhe, Germany). The power consumption of the heating and stirring element was 500 W for 1 h.
The energy consumption of the electric agitators (25 W and 250 W) and losses using conventional electricity and a solar energy system were measured through the current (ampere) and voltage (volts) by an AC–DC multimeter (China). The standard solar PV panel (550 W, 45 Amp, size 7 feet × 4 feet) was placed at an angle of 30° from the ground facing the sun and was connected to a rechargeable battery (12 V, 6.5 Ah) and an inverter of 1000 W to produce solar power energy. However, a locally fabricated cabinet solar dryer (volume 0.427 m3) made of 16 gauge (1.612 mm) mild steel galvanized metal was used to remove moisture for 3 h from the WCO before the esterification/transesterification reactions, and a distillation unit was used for biodiesel drying after the water washing process.
The mixing speed of the agitators was measured by a Digital Tachometer Phototype (DT-2234B, Lutron Instruments, Taiwan) to compare the conventional and solar power impact on the yield of biodiesel production. The following equation calculated the solar PV panel power generation efficiency.
S o l a r   P V   p a n e l   e f f i c i e n c y   = M R P P   ( w a t t ) A m 2 × S I W m 2 × 100
where MRPP = maximum rated panel power, A = area of the panel, and SI = solar irradiance.
For estimating the solar system payback period in months, the costs of the system components were totaled. The total cost of the solar energy system was PKR 15,000, including the cost of one solar PV panel (550 W, 45 Amp, 7 feet × 4 feet panel size), which was PKR 8000, the rechargeable battery (12 V, 6.5 Ah) cost PKR 5000, and the invertor (1000 W) was PKR 2000. The energy consumption was calculated based on 10 L biodiesel/batch production. The total cost of the solar PV system (in PKR = Pakistani rupees) was divided by the amount of net saved energy in kwh obtained by subtracting the solar energy for running the electric motors from conventional electricity. This was then multiplied by the industrial electric tariff (PKR 34.36/kWh) and is expressed in the following equation.
S o l a r   p a y b a c k   p e r i o d = T C N C E × T R
where TC = total cost of solar PV system, NCE = net amount of conventional electricity saving, and TR = tariff rate.

2.12. Mass Balance Ratio and Energy Efficiency Indicators for Biodiesel Production Using Both Energy Systems

Equation (20) is the mass of the biodiesel produced divided by the sum of the total mass of the catalyst, methanol, sulphuric acid, and WCO used in the two-step esterification/transesterification reactions to compute the mass performance ratio of the biodiesel produced [21]:
M P   ( % ) = M B D / M R
where MP = mass performance of biodiesel produced; MBD = mass of biodiesel produced; and MR = mass of KOH + mass of methanol + mass of sulphuric acid + mass of WCO.
The helpful energy efficiency, energy productivity, and net energy obtained were calculated by using the following mathematical relationships to find the energy viability of WCO biodiesel production [22]:
U s e f u l   e n e r g y   e f f i c i e n c y = O u t p u t   e n e r g y   o f   b i o d i e s e l   p r o d u c e d I n p u t   e n e r g y   o f   f e e d s t o c k
E n e r g y   p r o d u c t i v i t y = B i o d i e s e l   y i e l d I n p u t   e n e r g y   o f   f e e d s t o c k
N e t   e n e r g y = O u t p u t   e n e r g y   o f   b i o d i e s e l   p r o d u c e d     I n p u t   e n e r g y   o f   f e e d s t o c k   o i l

3. Results and Discussion

3.1. Determined Design Parameters

The dimensions and power needs were estimated based on the mass balance of the storage container, methoxide vessel with an electric mixer, and reactor vessel with a stirrer. The computed design parameters are shown in Table 1. The calculated reactor vessel volume is 14.452 L with a 250 W stirrer power demand; it is important to bear in mind that the freeboard surface for the reactants would evaporate during the operation. Similarly, for the batch biodiesel production of 10 L, the volume of the methoxide mixing vessel was calculated as 2.452 L, and its electric power demand was determined as 25 W.
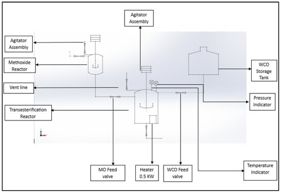
Figure 1 presents the schematic diagram of a 10 L biodiesel batch-scale production unit.
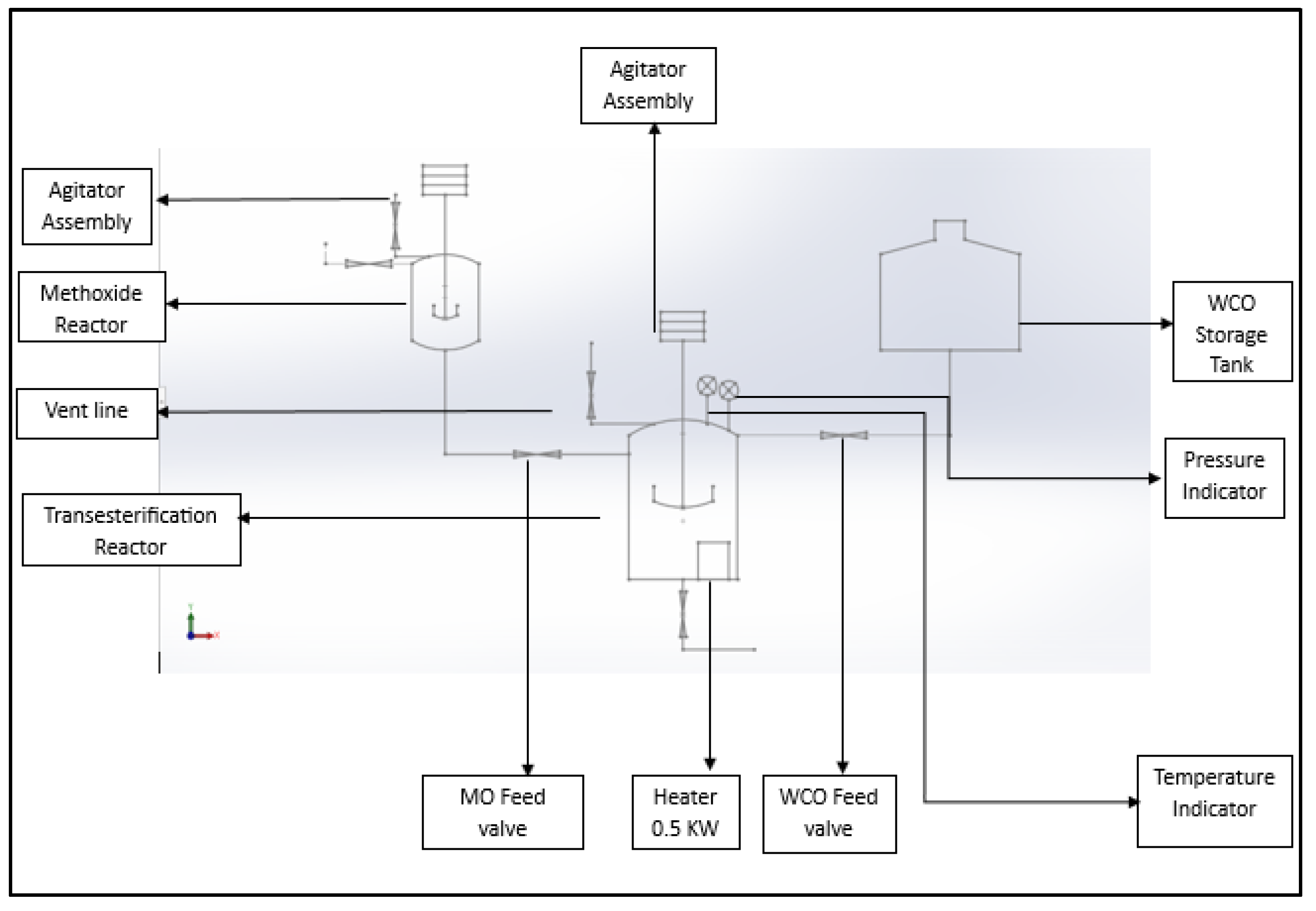
Figure 2 depicts a laboratory biodiesel batch-scale production unit’s 3D visual model in CAD using SolidWorks software (version 2020).

3.2. Biodiesel and Glycerol Yield

To prevent saponification and the formation of soap, two-step esterification–transesterification methods were used to treat the WCO, which was found to have an acid value of 5.8 mg KOH/g of oil. Following the reactions, the yields of biodiesel and glycerol produced using conventional electricity were 92.72% and 7.28% by volume, respectively, while the yields of biodiesel and glycerol produced using solar energy systems were 90.55% and 9.50% by volume, respectively.
(a)
Physico-chemical characteristics of WCO biodiesel
The physical and chemical properties of the WCO biodiesel were measured and are shown in Table 2. The results were determined to be in accordance with the international biodiesel standard (ASTM D 6751). The physical–chemical properties of biodiesel produced through conventional power and solar system were comparable. The agitator mixing speed during the esterification/transesterification reactions was measured as 1488 rpm (conventional electrical power) and 1420 rpm (solar energy system), respectively. Increasing the mixing speed by conventional power ultimately enhanced the reaction rate to convert triglycerides present in the WCO into mono-alkyl methyl esters.

3.3. Fatty Acid Compositional Analysis

The major fatty acids (FA) found in the WCO sample that had favorable properties were oleic acid (41.42%), linoleic acid (5.36%), palmitic acid (47.68%), and stearic acid (3.45%). Unsaturated fatty acids, such as oleic and linoleic acids, influence a lower cetane number and kinematic viscosity, but have lower density and calorific value. On the other hand, with less CO, unburned HC, and smoke produced during biodiesel combustion, saturated fatty acids, such as palmitic and stearic acids, have poorer thermal efficiency [23].

3.4. Kinetic Mechanism during Transesterification Reaction in a Batch Reactor

Figure 3 shows the percent conversion of WCO into biodiesel for a reaction time of 60 min, with a ratio of WCO to methanol of 5:1 and a 1 wt.% catalyst at 65 °C. The “Experimental” values represent the actual percent conversion observed during the experiment, while the “Calculated” values were obtained through a mathematical model or simulation.
The pattern in the figure shows that as the reaction progresses, the WCO conversion increases into methyl ester. The reactants are consumed and converted into the desired methyl ester as a final product. At the beginning of the reaction, the WCO conversion is zero since no reaction has occurred yet. As the reaction proceeds, the WCO conversion increases and eventually reaches a maximum value. By examining the experimental and calculated values, it was observed that the experimental values are generally higher than the calculated values. This could be due to several factors, such as measurement error, incomplete mixing of the reactants, or variations in the quality of the feedstock. In terms of the scientific reasons for the observed trends in the data, it was noted that several factors, including temperature, pressure, catalyst concentration, and the molar ratio of the reactants, influence the transesterification of WCO into biodiesel. This experiment used a ratio of 5:1 WCO to methanol and 1 wt.% KOH catalyst. These conditions are known to be effective for transesterification reactions but may not be optimal for all systems. Therefore, the observed trends in the data could be influenced by the specifics of the reaction conditions, the feedstock material, and the catalyst’s properties.
The ratio of WCO to methanol used in the reaction was 5:1, which ensures that excess methanol is present to react with the WCO. In addition, the 1 wt.% catalyst concentration, typically sulphuric acid or hydrochloric acid, helps lower the activation energy required for the reaction, resulting in a higher conversion rate. The reaction time of 60 min is sufficient to achieve a high conversion rate, but further increases in time may not result in significant improvements.
WCO has a high free fatty acid (FFA) content typically in the range of 70–80%, which makes it unsuitable for use as a feedstock for biodiesel production without prior treatment. However, the esterification process with methanol helps to reduce the FFA content to an acceptable level, making it suitable for use as a feedstock. The resulting FAMEs can be used as a feedstock for biodiesel production, contributing to producing renewable and sustainable fuels.
The experimental values increased rapidly between 20 and 40 min, while the calculated values increased more gradually over the same time. Several factors could contribute to the observed variations in WCO conversion. The reaction rate may change as the reaction progresses due to factors such as the depletion of reactants or the accumulation of products. Furthermore, the esterification reaction of WCO with methanol reaches equilibrium, meaning that the forward and reverse reactions occur at the same rate. The time required to reach equilibrium depends on the reaction conditions, such as the temperature, catalyst concentration, and molar ratio of the reactants. Another possibility is that experimental variations, such as temperature fluctuations or variations in catalyst concentration, may have affected the experimental values. Overall, the results demonstrate the importance of the molar ratio of methanol to WCO, catalyst concentration, and reaction time in achieving a high conversion rate. The physical and chemical properties of WCO also play a critical role in the effectiveness of the esterification process. The results provide valuable information for developing and optimizing the esterification process to convert WCO to FAMEs as a feedstock in biodiesel production.

3.5. Glycerol Concentration and Dynamic Viscosity Changes in a Batch Reactor during Transesterification Reaction

The concentration of the glycerol produced and the dynamic viscosity with respect to the reaction time in the reaction mixture during transesterification is presented in Figure 4. The glycerol concentration showed an increasing trend in concentration during the 15 min reaction time, with 0.28 g/mL (6.081 × 10−5 mol/L), and then showed a declining pattern, with a final concentration of glycerol of 0.710 g/mL (1.544 × 10−4 mol/L) at 60 min complete reaction time. The reason is that the biodiesel production followed both processes in a batch reactor. During the pseudo-homogeneous process, the methanol phase is immiscible with oil at the beginning and the end of the reaction of the glycerol phase with the biodiesel phase [20]. There are three reaction progress regimes. The low miscibility of methanol, the catalyst, and oil as reagents initially restricts mass transfer. However, the high agitator speed of 1500 rpm in this reaction caused it to be eradicated. Then, a mass transfer-controlled regime takes place and is marked by difficulty in contacting the polar methanol–glycerol–catalyst phase with the nonpolar oil phase, and finally, a chemical reaction-controlled regime is in operation. As the reverse reaction that consumes glycerol continues, the rate slows until equilibrium is reached. The change in the dynamic viscosity shows that initially, the reaction mixture had 0.0511 Pa s, while it showed an increasing trend with respect to time; the final viscosity was measured as 0.0562 Pa s at 60 min reaction time. This increasing trend was due to initial reactants undergoing transesterification, and as the reaction continued, glycerol was produced, resulting in higher dynamic viscosity values as compared to the initial viscosity of the reactants.

3.6. Comparison of Conventional Electricity and Solar Energy System for Biodiesel Production

The conventional electricity required to operate a 10 L batch scale biodiesel production unit was calculated by multiplying each electrical equipment power consumption with its operating time, as shown in Table 3. The electric motor agitator (250 W) consumed 124.52 W with 0.566 amp at 220 V, while the 25 W electric motor agitator consumed 14.3 W with 0.065 amp at 220 V. The power consumption was calculated considering the actual values of power consumed by agitators measured with a multimeter. Therefore, the total amount of conventional electrical energy used to produce a 10 L batch of biodiesel production comes to 1.505 kWh, while the drying treatment of the WCO and water-washed biodiesel was conducted with a solar cabinet dryer at 60 °C for 3 h; thus, it did not consume conventional power. The solar irradiation flux was measured between 950 and 1100 W/m2 (from 12 noon to 3 pm), while the temperatures at the inlet and outlet of the drying chamber were 31.4 ± 1 and 60.3 ± 1 °C, respectively. The total conventional electrical power of 2.006 kWh was multiplied by the industrial electric tariff (PKR 34.36/kWh) [24] to calculate the cost of electrical power used for the WCO 10 L per batch, which comes to PKR 58.92/10 L (USD 0.241/10 L). We then examined the use of the solar energy system to run the electric motor agitator to determine the savings as compared to conventional energy consumption. The total amount of the formal power requirement was 1.0 kwh, which was multiplied by the industrial electric tariff (PKR 34.36/kWh) to calculate the cost of electrical power used for WCO 10 L per batch, which comes to PKR 34.36/10 L (USD 0.120/10 L).
Based on the total cost of the solar energy systems (PKR 15,000), the payback period was calculated based on processing 10 L WCO per batch; the cost saving comes to PKR 34.56 per batch (USD 0.121/10 L). The solar energy system’s payback period was calculated using Equation (19), as it takes roughly 12.63 months to break even on a solar energy system investment.

3.7. Mass Performance, Energy Productivity, and Statistical Analysis of WCO Biodiesel Production

According to the calculations, the mass performance of biodiesel produced with conventional power was 64.02%, compared to 62.10% for biodiesel created using solar energy. The masses of KOH, methanol, sulphuric acid, and WCO utilized in the processes, as well as the masses of biodiesel produced (using conventional electricity and solar systems) were determined based on the densities of the biodiesel yield, input chemicals, and WCO, respectively. Compared to the input masses of WCO, methanol, the catalyst (KOH), and the sulfuric acid employed, the results demonstrate that an adequate mass of WCO had been transformed into biodiesel (methyl ester).
The useful energy efficiency of the biodiesel produced, calculated by Equation (21) by conventional power, was 1.087, while via the solar power system, it was 1.080. The % yield of biodiesel produced per input energy of the feedstock (Equation (22)) gives the energy productivity as 0.0242 kg/MJ (conventional power) and 0.0235 kg/MJ (solar energy system). The evaluated net energies were found to be 4.23 MJ/kg (conventional power) and 3.75 MJ/kg (solar system) using Equation (23).
A t-test analysis was conducted on the biodiesel yield data obtained from the conventional electricity and solar energy systems. The two-tailed p value was found to be 0.0213, showing a difference that is considered statistically significant in using conventional electricity to produce a better yield than solar energy systems due to the agitators’ low mixing speed.

3.8. Solar PV Panel Efficiency and Current Losses to Operate Batch Scale Unit

Table 4 shows that the net available current (amps) obtained from the solar PV panels was calculated based on the efficiency of the panel calculated and the losses considered in the calculations, as mentioned in previous literature [25]. The solar panel efficiency was calculated by Equation (18) as 17.47% by substituting the values of the panel area (7 × 4 feet2 = 2.601 m2), the rated power of the solar panel was 550 W, and the measured average solar irradiance was 1100 w/m2. The measured running amperes of the transesterification reactor agitator was 0.566 amps, and the catalyst/ methanol reactor agitator was 0.065 amps. Therefore, the net available (current) amps evaluated after deducting the efficiency and losses comes to 5.804 amps. Thus, it was confirmed that the solar PV panel would generate enough electricity in watts to power both agitators simultaneously. Figure 5 illustrates the block diagram of the solar energy system used in this research work.

4. Conclusions

A batch-scale (10 L) biodiesel reactor was designed using the mass balance of the system. Solar energy systems and conventional electricity operated the biodiesel production unit. The conversion process involves an esterification reaction with a WCO to methanol ratio of 5:1, catalyst 0.2% H2SO4 by weight of WCO with continuous stirring for 1 h at 1500 rpm, and a reaction temperature 65 °C. This was followed by a transesterification reaction, which had a ratio of 5:1 (WCO: methanol), 1% KOH by weight of WCO. Through conventional electricity and solar energy systems, the WCO biodiesel conversion yields were 92% and 90% by volume, respectively. It was established that WCO biodiesel’s characteristics complied with the international biodiesel standard (ASTM D6751). The total conventional production energy was 2.006 kWh, with 1.0 kWh from the solar energy system per 10 L batch. The results show that using the solar cabinet drying process and solar energy system could reduce the conventional energy needed for biodiesel production. WCO biodiesel’s mass performance was 64.02% and 62.10%, whereas its energy productivity was 0.0242 kg/MJ from conventional electricity and 0.0235 kg/MJ from solar energy systems. The available current (in amps) obtained through the solar PV panels, incorporating the losses and panel efficiency, was found to be sufficient to operate both electric agitators, and was calculated as 5.804 amps. To reduce the emission of GHGs liberated during the production of WCO biodiesel, it is recommended that sustainable solar energy systems with solar dryers be employed. Additionally, sustainable WCO biodiesel fuel offers an alternate method to disposing waste, improves air quality, and benefits energy security.

Author Contributions

M.A.: Conceptualization, Writing—original draft preparation, Supervision, Data analysis, Methodology. M.S.: Conceptualization, Visualization, Creating, organizing and maintaining data sets, Investigation, Methodology. W.S.: Investigation, Methodology. S.I.: Methodology, Scientific Modelling, Formal Analysis, Writing—review and editing, M.A.K.: Data analysis and Writing–review and editing. All authors have read and agreed to the published version of the manuscript.

Funding

This research received no external funding.

Acknowledgments

All the authors are grateful to NED University of Engineering and Technology, Karachi, for providing the resources and support that allowed the authors to carry out this study investigation.

Conflicts of Interest

It is stated that this manuscript does not involve any ethical standards of research or contains no conflict of interest.

References

  1. Agarwal, A.K. Biofuels (alcohols and biodiesel) applications as fuels for internal combustion engines. Prog. Energy Combust. Sci. 2007, 33, 233–271. [Google Scholar] [CrossRef]
  2. Yaqoob, H.; Teoh, Y.H.; Sher, F.; Farooq, M.U.; Jamil, M.A.; Kausar, Z.; Sabah, N.U.; Shah, M.F.; Rehman, H.Z.U.; Rehman, A.U. Potential of Waste Cooking Oil Biodiesel as Renewable Fuel in Combustion Engines: A Review. Energies 2021, 14, 2565. [Google Scholar] [CrossRef]
  3. Paladino, O.; Neviani, M. Sustainable Biodiesel Production by Transesterification of Waste Cooking Oil and Recycling of Wastewater Rich in Glycerol as a Feed to Microalgae. Sustainability 2022, 14, 273. [Google Scholar] [CrossRef]
  4. Degfie, T.A.; Mamo, T.T.; Mekonnen, Y.S. Optimized Biodiesel Production from Waste Cooking Oil (WCO) using Calcium Oxide (CaO) Nano-catalyst. Sci. Rep. 2019, 9, 18982. [Google Scholar] [CrossRef] [PubMed]
  5. Qi, D.; Chen, H.; Geng, L.; Bian, Y.Z. Experimental studies on the combustion characteristics and performance of a direct injection engine fueled with biodiesel/diesel blends. Energy Convers. Manag. 2010, 51, 2985–2992. [Google Scholar] [CrossRef]
  6. Sadaf, S.; Iqbal, J.; Ullah, I.; Bhatti, H.N.; Nouren, S.; Nisar, J.; Iqbal, M. Biodiesel production from waste cooking oil: An efficient technique to convert waste into biodiesel. Sustain. Cities Soc. 2018, 41, 220–226. [Google Scholar]
  7. Grosmann, M.T.; Andrade, T.A.; di Bitonto, L.; Pastore, C.; Corazza, M.L.; Tronci, S.; Errico, M. Hydrated metal salt pretreatment and alkali catalyzed reactive distillation: A two-step production of waste cooking oil biodiesel. Chem. Eng. Process. Process Intensif. 2022, 176, 108980. [Google Scholar] [CrossRef]
  8. Leung, D.Y.; Wu, X.; Leung, M. A review on biodiesel production using catalyzed transesterification. Appl. Energy 2010, 87, 1083–1095. [Google Scholar] [CrossRef]
  9. Sayyed Siraj, R.; Uttarwar, L.; Pagey, S.; Suryawanshi, R. Effect of acid and iodine value of Karanja oil methyl ester (KOME) and its statistical correlation with gross calorific value. Int. J. Res. Eng. Technol. 2013, 2, 680–685. [Google Scholar]
  10. Ouanji, F.; Kacimi, M.; Ziyad, M.; Puleo, F.; Liotta, L.F. Production of biodiesel at small-scale (10 L) for local power generation. Int. J. Hydrog. Energy 2017, 42, 8914–8921. [Google Scholar] [CrossRef]
  11. Harabi, M.; Neji, S.; Marrakchi, F.; Chrysikou, L.P.; Bezergianni, S.; Bouaziz, M. Biodiesel and Crude Glycerol from Waste Frying Oil: Production, Characterization and Evaluation of Biodiesel Oxidative Stability with Diesel Blends. Sustainability 2019, 11, 1937. [Google Scholar] [CrossRef]
  12. Topare, N.S.; Patil, K.D.; Khedkar, S.V.; Inamdar, N. Lab Scale Batch Reactor Design, Fabrication and Its Application for Biodiesel Production. In Techno-Societal 2020; Springer International Publishing: Cham, Switzerland, 2021. [Google Scholar]
  13. Wesley, F.; Kyrke, G.; Nora, K.; Isabelle, T. The Design and Construction of a Small-Scale Biodiesel Plant; Bellairs Research Institute, McGill University: Holetown, Barbados, 2005. [Google Scholar]
  14. Moecke, E.H.S.; Feller, R.; dos Santos, H.A.; Machado, M.D.M.; Cubas, A.L.V.; Dutra, A.; Santos, L.L.V.; Soares, S.R. Biodiesel production from waste cooking oil for use as fuel in artisanal fishing boats: Integrating environmental, economic and social aspects. J. Clean. Prod. 2016, 135, 679–688. [Google Scholar] [CrossRef]
  15. Sinnott, R.K. Chemical Engineering Design; Coulson & Richardson’s (Elsevier): Amsterdam, The Netherlands, 2005. [Google Scholar]
  16. Gray, J.; Oldshue, J. Mixing: Theory & Practice; Uhl, V.W., Gray, J.B., Eds.; Academic Press: New York, NY, USA, 1986; Volume 3. [Google Scholar]
  17. Ali, M.; Niazi, F.; Siddiqui, M.A.; Saleem, M. Comparative Study on Oven and Solar Drying of Agricultural Residues and Food Crops. Int. J. Renew. Energy Dev. 2022, 11, 1165–1178. [Google Scholar] [CrossRef]
  18. Borges, M.; Díaz, L.; Gavín, J.; Brito, A. Estimation of the content of fatty acid methyl esters (FAME) in biodiesel samples from dynamic viscosity measurements. Fuel Process. Technol. 2011, 92, 597–599. [Google Scholar] [CrossRef]
  19. Berrios, M.; Siles, J.; Martín, M. A kinetic study of the esterification of free fatty acids (FFA) in sunflower oil. Fuel 2007, 86, 2383–2388. [Google Scholar] [CrossRef]
  20. Akhabue, C.E.; Okwundu, O.S. Monitoring the transesterification reaction of castor oil and methanol by ultraviolet visible spectroscopy. Biofuels 2019, 10, 729–736. [Google Scholar] [CrossRef]
  21. Velásquez, H.I.; Benjumea, P.; de Oliveira, S., Jr. Exergy analysis of plam oil biodiesel production by base catalyzed methanolysis. In Proceedings of the 19th International Congress of Mechanical Engineering, Brasília, Brazil, 5–8 November 2007. [Google Scholar]
  22. Mohammadshirazi, A.; Akram, A.; Rafiee, S.; Kalhor, E.B. Energy and cost analyses of biodiesel production from waste cooking oil. Renew. Sustain. Energy Rev. 2014, 33, 44–49. [Google Scholar] [CrossRef]
  23. Ali, M.; Qayoom, A.; Ghulam, Z.; Imran, S.; Yusoff, M.N.A.M.; Kalam, M.A.; El-Shafay, A.S. Experimental Study On The Cold Flow Behaviour Of Azadirachta Indica (NEEM) Biodiesel Blended With Petroleum-based Fuels And Natural Organic Solvents. J. Appl. Sci. Eng. 2022, 26, 1151–1165. [Google Scholar]
  24. K-Electric. K-Electric Tariff Structure 2022. Available online: https://www.ke.com.pk/customer-services/tariff-structure (accessed on 20 September 2022).
  25. Sathish, S.; Kumar, C.N. Performance-Economic and Energy Loss Analysis of 80 KWp Grid Connected Roof Top Transformer Less Photovoltaic Power Plant. Circuits Syst. 2016, 7, 662–679. [Google Scholar]
Figure 1. Process flow diagram of 10 L batch-scale unit for biodiesel production.
Figure 1. Process flow diagram of 10 L batch-scale unit for biodiesel production.
Sustainability 15 09734 g001
Figure 2. Batch-scale 10 L biodiesel production unit designed in SolidWorks.
Figure 2. Batch-scale 10 L biodiesel production unit designed in SolidWorks.
Sustainability 15 09734 g002
Figure 3. Experimental and calculated WCO conversion (%) during transesterification reaction in a batch reactor.
Figure 3. Experimental and calculated WCO conversion (%) during transesterification reaction in a batch reactor.
Sustainability 15 09734 g003
Figure 4. The concentration of glycerol content and change in dynamic viscosity of reactants with respect to reaction time during transesterification reaction.
Figure 4. The concentration of glycerol content and change in dynamic viscosity of reactants with respect to reaction time during transesterification reaction.
Sustainability 15 09734 g004
Figure 5. Block diagram of solar PV system used for biodiesel production in a batch reactor.
Figure 5. Block diagram of solar PV system used for biodiesel production in a batch reactor.
Sustainability 15 09734 g005
Table 1. Designed values for the components of batch-scale unit.
Table 1. Designed values for the components of batch-scale unit.
Design ParametersCalculated Values
Volume of reactor vessel14.452 L (≈14.5 L)
Volume of methoxide reactor2.452 L (≈2.5 L)
Volume of WCO storage container12 L
Diameter of reactor vessel8 inches (0.203 m)
Diameter of methoxide reactor4 inches (0.101 m)
Height of reactor vessel0.444 m
Height of methoxide reactor0.302 m
Power requirement of electric motor (reactor vessel)250 W
Power requirement of electric motor (methoxide reactor)25 W
Table 2. Physico-chemical properties of WCO biodiesel.
Table 2. Physico-chemical properties of WCO biodiesel.
ParametersWCOConventional
Electricity Used to Produce WCO B100
Solar Energy Used to Produce WCO B100ASTM D 6751 (B100)
Biodiesel conversion yield (%) by volume-92.72 ± 0.7190.55 ± 0.67-
FAME yield %-90.82 ± 0.2686.06 ± 1.88-
Acid value (mg KOH/g of oil)5.80.30.30.80 (max)
Free fatty acid, FFA (%)3.05---
Density (kg/m3)900872 ± 1.2876 ± 1.60.860 to 0.900
Kinematic viscosity (mm2/s)40.94.6 ± 0.245.2 ± 0.661.9 to 6.0
Flash point (C)336177.64 ± 2.65174.88 ± 3.78130 °C min
Pour point (°C)-8.2 ± 1.49.0 ± 1.5−15 to 10
Cold filter plugging point (°C)-3.37 ± 0.74.22 ± 0.6-
Cloud point (°C)-11.35 ± 0.511.66 ± 0.4−3 to 12
HHV (MJ/kg)37.3241.55 ± 1.641.07 ± 1.4>35
Table 3. Consumption of conventional electricity and solar energy to produce biodiesel in kWh.
Table 3. Consumption of conventional electricity and solar energy to produce biodiesel in kWh.
Electrical Equipment UsedConventional Electricity (kWh)Solar Energy (kWh)
Heating WCO (30 min
or 0.5 h) at 60 °C using heating element (500 W)
0.2500**
Methoxide mixing motor (0.0143 kW) for 30 min or 0.5 h at room temperature0.0071-
Reactor vessel mixing motor (0.1245 kW) for 1 h
(Esterification)
0.1245-
Heating for esterification reaction, heater 500 W for 1 hr.0.5000.5
Reactor vessel mixing motor (0.1245 W) for 1 h
(Transesterification)
0.1245-
Heating for transesterification reaction, heater 500 W for 1 h0.50.5
Drying of water-washed biodiesel at 60 °C using a distillation unit (0.5 kW) for 1 h0.5**
Total power consumption in kWh per 10 L biodiesel production2.0061.0
PKR./10 L biodiesel productionPKR 68.92/10 L
* (USD 0.241)
PKR 34.36
* (USD 0.120)
* Conversion rate 1 USD = PKR 285. ** Solar cabinet dryer used to remove moisture from WCO and drying treatment of biodiesel after water washing.
Table 4. Net available current (amps) to generate solar power to operate electric motor agitator.
Table 4. Net available current (amps) to generate solar power to operate electric motor agitator.
Solar PV Panel
(550 W, 45 A, 12 V DC)
Net Available Current (amps)
45
Solar PV panel efficiency 17.47%7.861
PV degradation losses (5%) +
Temperature losses (7%) + Soiling losses (4.26%)
6.584
Line losses (5%) + Invertor losses (6.84%)5.804
Disclaimer/Publisher’s Note: The statements, opinions and data contained in all publications are solely those of the individual author(s) and contributor(s) and not of MDPI and/or the editor(s). MDPI and/or the editor(s) disclaim responsibility for any injury to people or property resulting from any ideas, methods, instructions or products referred to in the content.

Share and Cite

MDPI and ACS Style

Ali, M.; Shahid, M.; Saeed, W.; Imran, S.; Kalam, M.A. Design, Fabrication, and Operation of a 10 L Biodiesel Production Unit Powered by Conventional and Solar Energy Systems. Sustainability 2023, 15, 9734. https://doi.org/10.3390/su15129734

AMA Style

Ali M, Shahid M, Saeed W, Imran S, Kalam MA. Design, Fabrication, and Operation of a 10 L Biodiesel Production Unit Powered by Conventional and Solar Energy Systems. Sustainability. 2023; 15(12):9734. https://doi.org/10.3390/su15129734

Chicago/Turabian Style

Ali, Mehmood, Muhammad Shahid, Waseem Saeed, Shahab Imran, and Md. Abul Kalam. 2023. "Design, Fabrication, and Operation of a 10 L Biodiesel Production Unit Powered by Conventional and Solar Energy Systems" Sustainability 15, no. 12: 9734. https://doi.org/10.3390/su15129734

APA Style

Ali, M., Shahid, M., Saeed, W., Imran, S., & Kalam, M. A. (2023). Design, Fabrication, and Operation of a 10 L Biodiesel Production Unit Powered by Conventional and Solar Energy Systems. Sustainability, 15(12), 9734. https://doi.org/10.3390/su15129734

Note that from the first issue of 2016, this journal uses article numbers instead of page numbers. See further details here.

Article Metrics

Back to TopTop