Harmonic Content-Based Protection Method for Microgrids via 1-Dimensional Recursive Median Filtering Algorithm
Abstract
1. Introduction
1.1. Problem Statement and Motivation
1.2. Literature Review
- The majority of given schemes cannot protect the microgrid in various scenarios;
- A large number of the protection strategies were only designed for a radial scenario of microgrids and do not cover looped or meshed scenarios;
- HIF identification is crucial in any reliable protection scheme. However, only a few schemes have the potential to deal with HIF faults;
- Some of the methods were very costly due to the deployment of high-cost protection devices;
- A few schemes were very complex and had a very high computational burden.
1.3. Significant Contributions
- Application of 1-DRMF as a time-frequency purview for harmonic analysis tool in the microgrid protection;
- Development of robust fault detection, classification, and location criteria that are effective for all types of faults;
- The presented scheme can protect microgrids against solid and HIF timely, as the scheme works satisfactorily in both main and protection;
- The developed approach applies to both GC and ID modes within radial and meshed microgrid layouts;
- The structure of the proposed strategy is very simple; therefore, the protective threshold setting is quite easy.
1.4. Paper Organization
2. Underlying Principles of the Proposed Strategy
2.1. One-Dimensional Recursive Median Filter
2.2. Formulation of Microgrid Discrete Signals
- = Output filtered current signal of 1-DRMF for k-th sample
- = Input measured current signal of 1-DRMF for k-th sample
3. Proposed Protection Strategy
3.1. Input-Signal-Conditioning Block
3.2. Feature-Extraction Block
3.3. Fault-Detection-Classification Block
- = Selected harmonic distortion.
- = RMS value of the order of the harmonic.
- = RMS value of fundamental current.
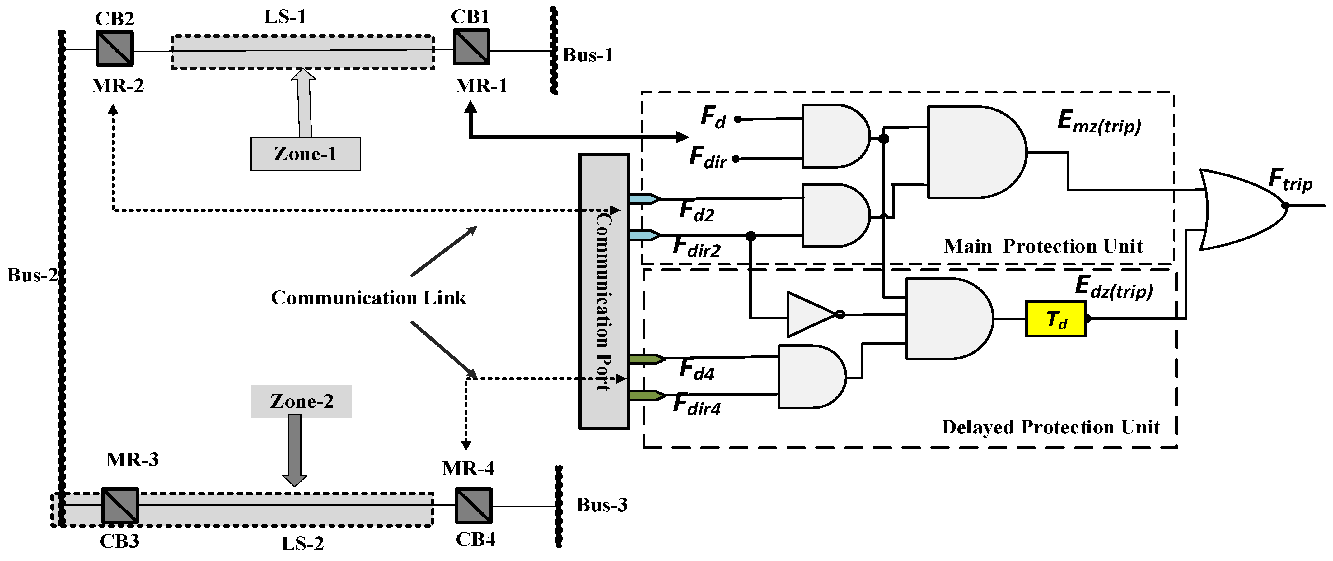
3.4. Communication-Supported Zone Identification Block
3.4.1. Direction Identification
3.4.2. Main or Backup Protection Logic
- Main protection zone
- Backup protection zone
3.5. Fault-Tripping Block
4. Simulations and Results
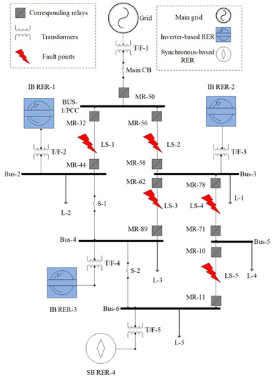
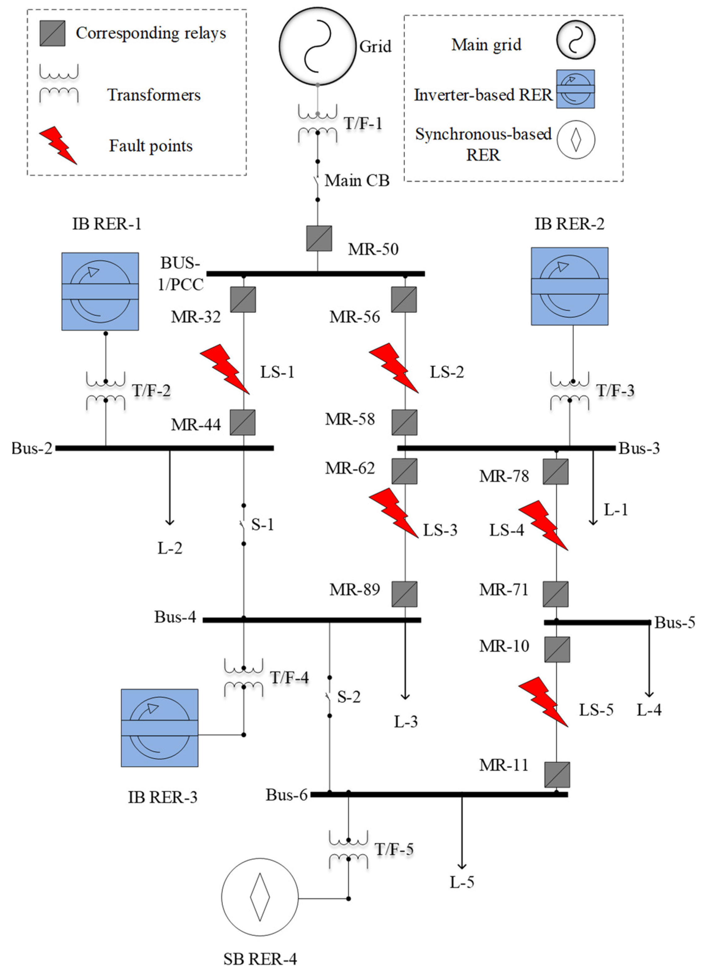
4.1. IEC Benchmark MG Test System
4.2. Relay Pickup Threshold Setting
4.3. Tested Cases
4.3.1. Solid Faults in GC Mode
4.3.2. Solid Faults in ID Mode
4.3.3. HIF Faults in GC Mode
4.3.4. HIF Faults in ID Mode
4.3.5. Line-to-Line Faults
4.3.6. Single-Phase Tripping
4.3.7. Backup Protection
4.3.8. Scheme Failure Consideration
4.4. Performance Analysis
5. Conclusions
Author Contributions
Funding
Institutional Review Board Statement
Informed Consent Statement
Data Availability Statement
Conflicts of Interest
Appendix A
| Algorithm A1: MF Algorithm Steps | |
| Given a sequence of n samples within a window: , where: . Each sample is represented in binary bits; As; | |
| where; is the -bit of , with a weight of , Similarly, denoting the median M, to have the binary representation; | |
| Then, the algorithm can be stated as follows: Start with ) Do, in parallel, for all , where: where; . | |
| |
| Regressive If , go to step 2 End | |
References
- Cagnano, A.; de Tuglie, E.; Mancarella, P. Microgrids: Overview and guidelines for practical implementations and operation. Appl. Energy 2020, 258, 114039. [Google Scholar] [CrossRef]
- Mahamedi, B.; Fletcher, J.E. Trends in the protection of inverter-based microgrids. IET Gener. Transm. Distrib. 2019, 13, 4511–4522. [Google Scholar] [CrossRef]
- Brearley, B.J.; Prabu, R.R. A review on issues and approaches for microgrid protection. Renew. Sustain. Energy Rev. 2017, 67, 988–997. [Google Scholar] [CrossRef]
- Hajizadeh, A.; Savaghebi, M.; Guerrero, J.M.; Soltani, M.; Aminifar, F.; Su, C.L.; Hoff, B.; Lin, Z. Guest Editorial: Power quality and protection in renewable energy systems and microgrids. IET Renew. Power Gener. 2020, 14, 2035–2036. [Google Scholar] [CrossRef]
- Liu, D.; Tzelepis, D.; Dysko, A. Protection of Microgrids with High Amounts of Renewables: Challenges and Solutions. In Proceedings of the 2019 54th International Universities Power Engineering Conference, UPEC 2019-Proceedings, Bucharest, Romania, 3–6 September 2019; pp. 2–7. [Google Scholar] [CrossRef]
- Wang, B.; Jing, L. A Protection Method for Inverter-based Microgrid Using Current-only Polarity Comparison. J. Mod. Power Syst. Clean Energy 2020, 8, 446–453. [Google Scholar] [CrossRef]
- Darabi, A.; Bagheri, M.; Gharehpetian, G.B. Highly sensitive microgrid protection using overcurrent relays with a novel relay characteristic. IET Renew. Power Gener. 2020, 14, 1201–1209. [Google Scholar] [CrossRef]
- Gashteroodkhani, O.A.; Majidi, M.; Fadali, M.S.; Etezadi-Amoli, M.; Maali-Amiri, E. A protection scheme for microgrids using time-time matrix z-score vector. Int. J. Electr. Power Energy Syst. 2019, 110, 400–410. [Google Scholar] [CrossRef]
- Baloch, S.; Jamali, S.Z.; Mehmood, K.K.; Bukhari, S.B.A.; Zaman, M.S.U.; Hussain, A.; Kim, C.-H. Microgrid protection strategy based on the autocorrelation of current envelopes using the squaring and low-pass filtering method. Energies 2020, 13, 2350. [Google Scholar] [CrossRef]
- Bukhari, S.B.A.; Zaman, M.S.U.; Haider, R.; Oh, Y.-S.; Kim, C.-H. Electrical Power and Energy Systems A protection scheme for microgrid with multiple distributed generations using superimposed reactive energy. Int. J. Electr. Power Energy Syst. 2017, 92, 156–166. [Google Scholar] [CrossRef]
- Switch, T.; Seo, H. New Protection Scheme Based on Coordination with Tie Switch in an Open-Loop Microgrid. Energies 2019, 12, 4756. [Google Scholar]
- Shabani, A.; Mazlumi, K. Evaluation of a Communication-Assisted Overcurrent Protection Scheme for Photovoltaic-Based DC Microgrid. IEEE Trans. Smart Grid 2020, 11, 429–439. [Google Scholar] [CrossRef]
- Beheshtaein, S.; Cuzner, R.; Savaghebi, M.; Golestan, S.; Guerrero, J.M. Fault location in microgrids: A communication-based high-frequency impedance approach. IET Gener. Transm. Distrib. 2019, 13, 1229–1237. [Google Scholar] [CrossRef]
- Guillen, D.; Hernandez-Diaz, A.; Mayo-Maldonado, J.C.; Valdez-Resendiz, J.E.; Escobar, G. Data-driven short-circuit detection and location in microgrids using microsynchrophasors. IET Gener. Transm. Distrib. 2020, 14, 1353–1365. [Google Scholar] [CrossRef]
- Ranjbar, S.; Farsa, A.R.; Jamali, S. Voltage-based protection of microgrids using decision tree algorithms. Int. Trans. Electr. Energy Syst. 2020, 30, e12274. [Google Scholar] [CrossRef]
- Zarei, S.F.; Mokhtari, H.; Blaabjerg, F. Fault Detection and Protection Strategy for Islanded Inverter-Based Microgrids. IEEE J. Emerg. Sel. Top. Power Electron. 2019, 9, 472–484. [Google Scholar] [CrossRef]
- Octávio, J.; Pereira, C.; Moreto, M. Protection strategy for fault detection in inverter-dominated low voltage AC microgrid. Electr. Power Syst. Res. 2021, 190, 106572. [Google Scholar] [CrossRef]
- Coffele, F.; Booth, C.; Dyśko, A. An Adaptive Overcurrent Protection Scheme for Distribution Networks. IEEE Trans. Power Deliv. 2015, 30, 561–568. [Google Scholar] [CrossRef]
- Elbana, M.S.; Abbasy, N.; Meghed, A.; Shaker, N. µPMU-based smart adaptive protection scheme for microgrids. J. Mod. Power Syst. Clean Energy 2019, 7, 887–898. [Google Scholar] [CrossRef]
- Lin, H.; Sun, K.; Tan, Z.H.; Liu, C.; Guerrero, J.M.; Vasquez, J.C. Adaptive protection combined with machine learning for microgrids. IET Gener. Transm. Distrib. 2019, 13, 770–779. [Google Scholar] [CrossRef]
- Singh, M.; Basak, P. Adaptive protection methodology in microgrid for fault location and nature detection using q0 components of fault current. IET Gener. Transm. Distrib. 2019, 13, 760–769. [Google Scholar] [CrossRef]
- Soleimanisardoo, A.; Karegar, H.K.; Zeineldin, H.H. Differential frequency protection scheme based on off-nominal frequency injections for inverter-based islanded microgrids. IEEE Trans. Smart Grid 2019, 10, 2107–2114. [Google Scholar] [CrossRef]
- Mumtaz, F.; Imran, K.; Basit, S.; Bukhari, A.; Khalid, K. A Kalman Filter-based Protection Strategy for Microgrids. IEEE Access 2017, 10, 73243–73256. [Google Scholar] [CrossRef]
- Mumtaz, F.; Shah, M.A.; Khan, H.H.; Naz, H.U.; Imran, K.; Haider, M.U. Incipient fault detection in active-distribution networks based on Time-varying Kalman Filter. In Proceedings of the 6th International Conference on Energy, Environment and Sustainable Development, Eskisehir, Turkey, 23–25 September 2022. [Google Scholar]
- Gashteroodkhani, O.A.; Majidi, M.; Etezadi-Amoli, M. A combined deep belief network and time-time transform based intelligent protection Scheme for microgrids. Electr. Power Syst. Res. 2020, 182, 106239. [Google Scholar] [CrossRef]
- Mumtaz, F.; Khan, H.H.; Zafar, A.; Ali, M.U.; Imran, K. A State-Observer-Based Protection Scheme for AC Microgrids with Recurrent Neural Network Assistance. Energies 2022, 15, 8512. [Google Scholar] [CrossRef]
- Manohar, M.; Koley, E.; Ghosh, S.; Mohanta, D.K.; Bansal, R.C. Spatio-temporal information based protection scheme for PV integrated microgrid under solar irradiance intermittency using deep convolutional neural network. Int. J. Electr. Power Energy Syst. 2020, 116, 105576. [Google Scholar] [CrossRef]
- Bukhari, S.B.A.; Kim, C.-H.; Mehmood, K.K.; Haider, R.; Zaman, M.S.U. Convolutional Neural Network-Based Intelligent Protection Strategy for Microgrids. IET Gener. Transm. Distrib. 2020, 14, 1177–1185. [Google Scholar] [CrossRef]
- Bukhari, S.B.A.; Haider, R.; Zaman, M.S.U.; Oh, Y.-S.; Cho, G.-J.; Kim, C.-H. Electrical Power and Energy Systems An interval type-2 fuzzy logic based strategy for microgrid protection. Electr. Power Energy Syst. 2018, 98, 209–218. [Google Scholar] [CrossRef]
- Kar, S.; Samantaray, S.R.; Zadeh, M.D. Data-Mining Model Based Intelligent Differential Microgrid Protection Scheme. IEEE Syst. J. 2017, 11, 1161–1169. [Google Scholar] [CrossRef]
- Karimi, H.; Fani, B.; Shahgholian, G. Multi agent-based strategy protecting the loop-based micro-grid via intelligent electronic device-assisted relays. IET Renew. Power Gener. 2020, 14, 4132–4141. [Google Scholar] [CrossRef]
- Anand, A.; Affijulla, S. Ensemble empirical mode decompositionbased differential protection scheme for islanded and grid-tied AC microgrid. IET Gener. Transm. Distrib. 2020, 14, 6674–6681. [Google Scholar] [CrossRef]
- Karatoprak, E.; Seker, S. An Improved Empirical Mode Decomposition Method Using Variable Window Median Filter for Early Fault Detection in Electric Motors. Math. Probl. Eng. 2019, 2019, 8015295. [Google Scholar] [CrossRef]
- Lee, W.C.; Tai, P.L. Defect detection in striped images using a one-dimensional median filter. Appl. Sci. 2020, 10, 1012. [Google Scholar] [CrossRef]
- Narendra, P.M. A Separable Median Filter for Image Noise Smoothing. IEEE Trans. Pattern Anal. Mach. Intell. 1981, PAMI-3, 20–29. [Google Scholar] [CrossRef] [PubMed]
- Fahmy, S.A.; Cheung, P.Y.K.; Luk, W. High-throughput one-dimensional median and weighted median filters on FPGA. IET Comput. Digit. Tech. 2009, 3, 384–394. [Google Scholar] [CrossRef]
- Mumtaz, F.; Asif, M.; Khan, H.H.; Abbas, S.; Imran, K.; Haider, M.U.; Yousif, M.; Ullah, A. High Impedance Faults Detection and Classification in Renewable Energy-Based Distribution Networks Using Time-Varying Kalman Filtering Technique. Eng. Proc. 2022, 20, 34. [Google Scholar] [CrossRef]
- Shah, M.A.; Bukhari, S.B.A.; Imran, K.; Mehmood, K.K.; Mumtaz, F.; Abusorrah, A.; Kazmi, S.A.A.; Wadood, A. High Speed Protection of Medium Voltage DC Distribution System using Modified Mathematical Morphology. IET Renew. Power Gener. 2022, 16, 3134–3148. [Google Scholar] [CrossRef]














| Steps | 1-DRMF Algo Description |
|---|---|
| Step 1; Initialize | 3-phase voltage is measured at DG terminal at the nth sample with moving window (Non-tunable, Positive Integer) of Len-n. |
| Step 2; Median | The 1-DRMF is applied on 3-phase voltage signals to compute the median of the input signal for further third, fifth, and seventh harmonics feature extraction. |
| Step 3; Release | Allow property value and input characteristic changes, and release 1-DRMF resources. |
| Step 4; Clone | Create a median filter object with the same property values. |
| Step 5; Lock | Display locked status (logical). |
| Step 6; Reset | Reset the states of the median filter. |
| Step 7 | Terminate. |
Disclaimer/Publisher’s Note: The statements, opinions and data contained in all publications are solely those of the individual author(s) and contributor(s) and not of MDPI and/or the editor(s). MDPI and/or the editor(s) disclaim responsibility for any injury to people or property resulting from any ideas, methods, instructions or products referred to in the content. |
© 2022 by the authors. Licensee MDPI, Basel, Switzerland. This article is an open access article distributed under the terms and conditions of the Creative Commons Attribution (CC BY) license (https://creativecommons.org/licenses/by/4.0/).
Share and Cite
Mumtaz, F.; Imran, K.; Abusorrah, A.; Bukhari, S.B.A. Harmonic Content-Based Protection Method for Microgrids via 1-Dimensional Recursive Median Filtering Algorithm. Sustainability 2023, 15, 164. https://doi.org/10.3390/su15010164
Mumtaz F, Imran K, Abusorrah A, Bukhari SBA. Harmonic Content-Based Protection Method for Microgrids via 1-Dimensional Recursive Median Filtering Algorithm. Sustainability. 2023; 15(1):164. https://doi.org/10.3390/su15010164
Chicago/Turabian StyleMumtaz, Faisal, Kashif Imran, Abdullah Abusorrah, and Syed Basit Ali Bukhari. 2023. "Harmonic Content-Based Protection Method for Microgrids via 1-Dimensional Recursive Median Filtering Algorithm" Sustainability 15, no. 1: 164. https://doi.org/10.3390/su15010164
APA StyleMumtaz, F., Imran, K., Abusorrah, A., & Bukhari, S. B. A. (2023). Harmonic Content-Based Protection Method for Microgrids via 1-Dimensional Recursive Median Filtering Algorithm. Sustainability, 15(1), 164. https://doi.org/10.3390/su15010164

