Smart Distribution Mechanisms—Part I: From the Perspectives of Planning
Abstract
1. Introduction




2. Need for Active Planning
3. Smart Distribution Mechanisms
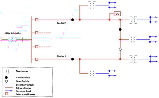
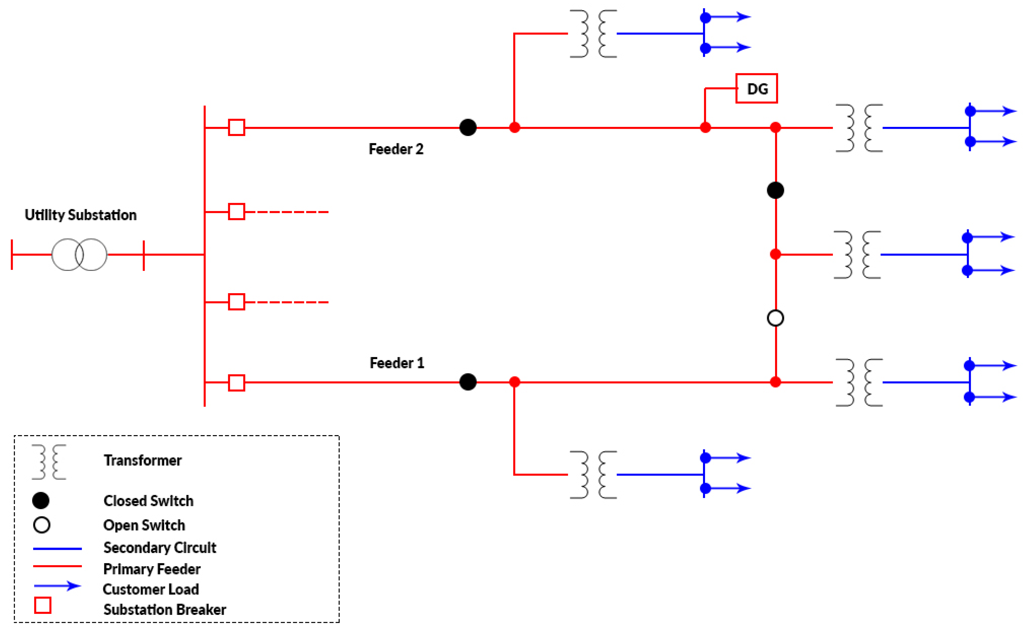
3.1. Active Radial Distribution Networks
3.2. Ring or Loop Distribution Networks
3.3. Meshed Distribution Networks
3.4. Microgrids
3.5. Multi-Microgrids

3.6. Virtual Power Plants
3.7. Smart Homes
3.8. Smart Neighborhoods
3.9. Smart Buildings
3.10. Smart Cities
4. Active Radial Distribution Network
4.1. From Planning Perspectives
4.1.1. Generation and Load Forecasting
4.1.2. Resource Allocation
4.1.3. Topology Selection
5. Ring or Loop Distribution Network
5.1. From Planning Perspectives
5.1.1. Generation and Load Forecasting
5.1.2. Resource Allocation
6. Meshed Distribution Networks
6.1. From Planning Perspectives
6.1.1. Generation and Load Forecasting
| Ref. | Considered DN | Focus Area | Objective (s) | Major Constraints | Test System (s) | Planning Type | Applied Method | Energy Resources | Aspects Covered |
|---|---|---|---|---|---|---|---|---|---|
| [137,146] | MDN | Generation and load forecasting | 1. (⇊) Voltage deviation 2. (⇊) Power loss 3. (⇊) Line losses 4. (⇈) DG capacity | 1. P and Q limits 2. Bus voltages limits 3. DG capacity limits 4. Power flow limits | 1. IEEE 30-bus 2. 28-bus test feeder | Operational and multiobjective planning | 1. Synch. DG 2. Wind power generator | Technical | |
| [143,147] | MDN and RDN | Generation and load forecasting | 1. (⇈) Reliability 2. (⇊) Voltage deviation 3. (⇊) P and Q loss | 1. P and Q limits 2. Bus voltages limits 3. Power flow limits 4. Voltage angle limits 5. DS capacity limits 6. Power factor limits | 1. MV-PG of Hubei province, China 2. IEEE 33-bus and IEEE 69-bus RDS | 1. Operational and multiobjective planning 2. Long-term (10 years) planning | -- | Technical | |
| [145,148] | MDN | Generation and load forecasting | 1. (⇈) Load scale 2. (⇊) Voltage deviation 3. (⇊) Power loss | 1. P and Q limits 2. Bus voltages limits 3. Bus V-angle limits 4. Power flow limits | 1. Two IEEE-123 Sub-Networks 2. IEEE 33 and 69-bus system | Operational and multiobjective planning | -- | Technical | |
| [92,149,150,151,152] | RDN and MDN | Resource allocation (capacitor sizing and siting) | 1. (⇈) Vol. profile 2. (⇊) Power loss 3. (⇈) Penetration 4. (⇊) Cost | 1. P and Q limits 2. Load growth 3. Voltage stability 4. Bus voltages 5. Power capacity | 1. IEEE 33-bus sys. 2. 69-bus MDS 3. 10, 34, and 85-bus RDS, CIVANLAR 4. UK meshed DS 5. 33 and 69-bus MS | Long-term planning | 1. DG 2. D-STATCOM 3. Shunt Capacitor 4. D-STATCOM 5. DGs and D-STATCOM | Techno-economic | |
| [39,153] | MDN | Resource allocation (DG’s size and siting) | 1. (⇈) System loading margin 2. (⇈) DISCOs Profit | 1. Bus voltage 2. Feeder PF | 1. 6-bus and 30-bus system 2. 9-bus, 14-bus, and 30-bus system | MO planning | -- Generator and synch. condenser | Techno-economic | |
| [154,155,156,157] | MDN | Resource allocation (DG’s size and siting) | 1. (⇈) Volt. Profile 2. (⇊) Loss 3. (⇊) Cost | 1. Power factor 2. Load flow 3. Voltage limits 4. DG penetration | 1. 38-bus UK DS 2. IEEE 69-bus sys. 3. 33-bus RDN and CIVANLAR-MDS | Short-term (1-year) planning Operational planning | -- | Techno-economic | |
| [158,159] | MDN | Topology selection | 1. (⇊) Loss 2. (⇈) Penetration 3. (⇈) Voltage regulation 2. (⇈) Resiliency | 1. X/R ratio and P cap. 2. Bus voltages limits 3. Thermal loading 4. Line currents limits 5. P and Q limits | 1. 11 kV distribution network 2. 37-bus standard test bench | 1. Short-term (yearly) planning 2. Operational planning | 1. DG (DFIG Wind generator) 2. PV, WT, and Shunt capacitor | Technical | |
| [160,161] | MDN | Topology selection | 1. (⇈) Load supply 2. (⇊) Number of witching operations 3. (⇊) Loss | 1. Load bal. and thermal 2. PF and phase angle 3. V, P, and Q limits 4. RN topology | 1. 32, 70, 135, and 880-buses network 2. 5, 33, and 70-nodes test system | Operational planning | -- | Technical | |
| [162] | MDN | Topology selection | 1. (⇊) Total cost (investment cost, reliability cost, and maintenance cost) | 1. Distflow equations 2. Power flow 3. Node voltages 4. Capacity available 5. Switching and feeder | 54-node system | Long-term (10 years) planning | -- | Economical | |
| [163] | MDN | Topology selection | 1. (⇊) Loss 2. (⇊) Vol. deviation 3. (⇊) DG gen. loss | 1. P and Q limits 2. Voltage limits | IEEE 33-bus DS | MO planning | PV | Technical |

6.1.2. Resource Allocation
6.1.3. Topology Selection
7. Microgrids
7.1. From Planning Perspectives
| Ref. | Focus Area | Objective (s) | Major Constraints | Test System (s) | Planning Type | Applied Method | Energy Resources | Storage | Aspects and SDG Impact | Modes of Operation | Usage |
|---|---|---|---|---|---|---|---|---|---|---|---|
| [178] | Generation and load forecasting | 1. (⇊) Scheduling cost 2. (⇈) System benefits | 1. Load forecast 2. State estimation 3. UC 4. OPF | MG at Lab. for CER, School of EE Eng. in NTU | Short-term planning | ANN | -- | -- | Techno-economic | -- | -- |
| [179,180,181] | Generation and load forecasting | 1. (⇊) Forecasting error 2. Load forecasting | 1. Mean absolute percentage error 2. Load data 3. Internal and external inputs 4. Ramp-up and ramp-down limits | 1. MG by Spanish com. Iberdrola 2. Real MG (Huatacondo, in northern Chile 3. Con. BCIT Vancouver, BC, Canada as MG | Short-term planning | 1. ANN 2. SOM 3.SRWNN | -- -- -- | -- -- -- | Technical | -- -- -- | -- -- -- |
| [182] | Generation and load forecasting | 1. (⇈) Power network control and management | 1. Wind power forecasting 2. Resource scheduling 3. Wind speed 4. Wind power | Goldwing microgrid wind turbine system (Beijing, China) | Short-term planning | ANN | Wind Energy | -- | Technical | -- | -- |
| [183,184] | Generation and load forecasting | 1. (⇈) Power network control and management 2. (⇊) Forecasting error | 1. Solar energy forecasting 2. Solar radiation forecasting 3. Weather data 4. Solar irradiance | Trained data from Euskalmet | 1. Short-term planning 2. Long-term planning | 1. ANN 2. DL | Solar PV | -- | Technical | -- | -- |
| [185,186,187] | Generation and load forecasting | 1. (⇈) Accuracy of electricity load forecasting | 1. Load forecasting 2. Weather conditions 3. Electricity consumption | 1. LV-MG of commercial bank 2. Rural MG in Africa 3. MG, rural Sub-Saharan Africa | Short-term planning | 1. ANN 2. SVR-LSTM 3. DL and Bi-LSTM | 1. PV Diesel gen. Storage -- -- | 1. Battery -- -- | Technical | Grid-connected -- -- | 1. Commercial -- 2. Residential and commercial |
| [188] | Generation and load forecasting | 1. (⇈) Economic benefits 2. (⇈) Environmental benefits | 1. Load forecasting 2. Generation and load equality 3. Battery constr. | Exemplary MG | Multiobjective planning | MAS and PSO | Wind PV MT FC Storage | Battery Hydrogen | Econo-environment | Grid-connected | Residential |
| [189] | Generation and load forecasting | 1. (⇊) Daily average forecast errors | 1. Load forecast 2. Historical load demand dataset | MG system in Beijing, China | Short-term planning | Integration of GA, PSO, and ANFI- systems | WT PV MT Storage | Battery | Technical | Grid-connected | Industrial |
| [190] | Resource allocation (siting, sizing, control, and integration) | 1. (⇊) Power exchange with the utility 2. (⇊) Duration of service interruption 3. (⇈) Reliability | 1. T/F constraints 2. DER constraint 3. Storage constr. 4. Utility constr. 5. Operational constraints | SMG Testbed at BCIT, Burnaby, BC, Canada | Operational planning | FDISR algorithm | CHP-MT Storage | Battery | Techno-economic | Both grid-connected and islanding modes | Commercial (institutional) |
| [191,192] | Resource allocation (siting and sizing) | 1. (⇊) Energy loss 2. (⇊) Power imbalance 3. (⇊) Cost | 1. Penetration level 2. Power flow 3. Voltage limits 4. Power line 5. Current limits | 69-bus distribution system | Short-term (1-year) planning | Graph portioning (GP) and tabu search (TS) | PV WT Biomass DRS | -- | Techno-economic | Stand-alone | Residential |
| [193] | Resource allocation (siting and sizing) | 1. (⇊) Voltage drops 2. (⇊) Line losses 3. (⇈) Energy savings | 1. P and Q limits 2. Voltage limits 3. Current limits 4. Main grid constraints | Exemplary system (10 kV DG distribution circuit model) | Operational planning | Combined graph-based and GA | Different DGs Storage | Battery | Techno-economic | Grid-connected | Distribution (residential) |
| [194,195] | Resource allocation (siting and sizing) | 1. (⇊) Operational and investment cost 2. (⇈) Profit | 1. Power balance 2. Generation output limits 3. Grid constraint 4. Battery const. | 1. Exemplary LV-MG 2. IEEE 37-bus standard network | 1. Operation planning 2. Operation planning | 1. MRCGA 2. HAS | PV FC MT Storage | Battery | Economic | 1. Grid-connected | Distribution (residential) |
| [196] | Resource allocation (siting and sizing) | 1. (⇊) Investment cost 2. (⇊) Expected energy not supplied 3. (⇊) Line losses | 1. Power flow 2. Load capacity 3. DG and ES capacity limits 4. Thermal limits 5. DG gen. limits 6. Bus voltages 7. DG and ES gro. | IEEE 33-bus and real implementation of State Grid Corporation of China (SGCC) | Multiobjective planning | Improved NSGA-II algorithm | PV Wind Storage | Battery | Techno-economic | Both grid-connected and islanding modes | Commercial and distribution |
| [197] | Resource allocation (siting and sizing) | 1. (⇊) Energy loss 2. (⇊) Energy cost | 1. Power flow 2. Voltages limits 3. Demand covering 4. Battery constr. | 31-bus MV-MG | Hourly planning | SQP | PV WT Storage | Battery | Techno-economic | Both grid-connected and stand-alone | Distribution (residential) |
| [198] | Resource allocation (economic dispatch and siting, sizing) | 1. (⇊) Daily fixed cost of investment 2. (⇊) Load loss probability 3. (⇊) Excess energy rate 4. (⇊) O&M cost 5. (⇊) Pollutant disposal cost | 1. Optimal allocation of DGs 2. Number of DGs 3. Storage system constraints 4. Weather conditions | Exemplary system | Multiobjective planning | Improved adaptive genetic algorithm (IAGA) | WT Diesel gen. PV Storage | Battery | Techno-economic and environment | Grid-connected | Distribution (residential) |
| [199] | Resource allocation (siting and sizing) | 1. (⇊) Net present cost 2. (⇊) Purchased power from the grid | 1. Voltage limits 2. Interrupting limits of critical and controllable loads 3. Exchange power limits | Exemplary MG system | Long-term (20 years) planning | PSO | PV WT MT Storage | Battery | Techno-economic | Both grid-connected and stand-alone | Distribution (residential) |
| [200] | Resource allocation (siting and sizing) | 1. (⇈) Reliability 2. (⇈) PQ 3. (⇊) Power loss 4. (⇊) Cost | 1. DR 2. Uncertainties 3. Load growth 4. Voltage limits 5. Frequency 6. Resources 7. ESSs | Ekbatan residential complex, Tehran, Iran | Multiobjective long-term (20 yrs.) planning | PSO | PV WT FC Storage | Battery Hydrogen | Techno-economic | Grid-connected | Residential |
| [201] | Resource allocation (type, siting, and sizing) | 1. (⇊) Exchange power 2. (⇊) Cost 3. (⇊) Coalition payments | 1. Voltage limits 2. Power cap. 3. Uncertainties 4. Prices 5. DG integration | 33-MGs standard system | Multiobjective planning | CRPSO algorithm | PV WT | -- | Techno-economic | Grid-connected | Industrial and commercial |
| [202,203,204,205,206] | Resource allocation (BESS siting, and sizing) | 1. (⇊) Total cost 2. (⇊) Loss of load expectations 3. (⇊) Storage capacity | 1. Nodal balance 2. N/W constr. 3. MT and REG constraints 4. BESS 5. Syst. reserve 6. FC constraint 7. Load curtail. and reliability 8. Interconnect. Constraints 9. DRP and TOU 10. Uncertainties | 1. Modified IEEE 33-bus radial system 2. 33-bus MG 3. Test MG 4. MG in Northwest China 5. Modified IEEE 33-bus radial system | 1. Long term 2. Short term (1 yr.) 3. Long term 4. Long term 5. Long-term planning | 1. Backward scenario reduction method 2. ε-constraint method 3. MILP 4. PSO 5. HHO algorithm | 1. PV, FC, MT, ESS 2. WT, diesel gen., ESS 3. Dispatch DGs, ESS 4. WT, PV, ESS 5. PV, WT, ESS | 1. Battery, Hydrogen 2. Battery 3. Battery 4. Battery 5. Battery | 1. Economic 2. Techno-economic 3. Economic 4. Technical 5. Economic | 1. Both 2. Grid-connected 3. Both 4. Both 5. Both | 1. Commercial and industrial 2. Residential 3. Residential and commercial 4. All 5. All |
| [207,208,209,210] | Resource allocation (D-STATCOM, switches, protection devices, and relay siting, and sizing) | 1. (⇈) Voltage profile 2. (⇊) Unsupplied load 3. (⇊) No. of installed switches 4. (⇈) Reliability 5. (⇊) ENS | 1. DSTATCOM 2. Feeder constraints 3. Voltage limits 4. Voltage angle 5. Switches 6. P&Q limits 7. Grid-forming DGs 8. Grid-following DGs | 1. Exemplary system with 3 feeders 2. IEEE 13-bus standard 54-bus Italian DS 3. 25-bus syst. 4. Thailand MG-DS 5. 18-bus MG and IEEE 123-bus test system | 1. Operation planning 2. Operation planning 3. Short-term planning 4. Short-term planning | 1. New technique 2. Alliance algorithm 3. PSO and MCS 4. BMO-PSO 5. Exchange market algorithm | 1. D-STATCOM 2. Switches 3. Protect. Devices 4. Relays | -- | 1. Technical 2. Technical 3. Technical 4. Relays | 1. Both 2. Grid-connected 3. Both 4. Both | -- Residential Residential Residential |
| [211] | Topology selection | 1. (⇈) Reliability 2. (⇈) Power supply 3. (⇈) Feasibility 4. (⇊) Power loss | 1. Parallel DC/DC converter topology 2. Floating topology 3. 3-level neutral point clamped converter top. | Exemplary system | Operation planning | Comparative analysis | WT, PV, Diesel gen., ESS | Super capacitor, Battery | Technical | N/A | N/A |
| [212] | Topology selection | 1. (⇈) Reliability 2. (⇊) Diff. b/w measured and calculated voltage angle and magnitude 3. (⇈) Accuracy | 1. SCADA 2. Voltage magnitudes 3. Voltage angles 4. Phase angles 5. P and Q | Hypothetical MG test feeder | Operation planning | PMUs Voltage angle approach | -- | -- | Technical | N/A | N/A |
| [213,214] | Topology selection | 1. (⇈) Reliability 2. (⇊) Inter-communications b/w adjacent parts 3. (⇊) Inter flows 4. (⇈) Gen/load balance | 1. Loop based topology 2. Power balance 3. Voltage limits 4. Generation capacity | MG based on IEEE 37-bus feeder | Multiobjective operational planning | Graph partitioning and IP integrated method | DGs Energy storage facilities | Batteries | Technical | Both grid-connected and stand-alone | Industrial |
| [215,216] | Topology selection (Comm. Topology and controller) | 1. (⇈) Converge performance 2. (⇊) Time delays 3. (⇊) Comm. cost | 1. Controller gain 2. Volt. control 3. Freq. response 4. DG power rate 5. Droop coeff. 6. Bias factor 7. Line imped. | 1. Test MG 2. 300 kW, 400 V DC-MG | Multiobjective planning | Graph theory and Consensus-based secondary voltage control | -- | -- | Techno-economic | Stand-alone | N/A |
| [217,218] | Topology selection (dispersed and centralized topologies) | 1. (⇊) Power loss 2. (⇈) PV penetration | 1. P&Q limits 2. Voltage limits 3. Voltage angles 4. Penetration level 5. Matching factor | MG of isolated community of Brazilian Amazon region | Short-term (1 year) planning | Graph theory | PV, Diesel, storage | Battery | Technical | Stand-alone | Residential and commercial |

7.1.1. Generation and Load Forecasting
7.1.2. Resource Allocation
7.1.3. Topology Selection
8. Multi-Microgrids
8.1. From Planning Perspectives
| Ref. | Focus Area | Objective (s) | Major Constraints | Test System (s) | Planning Type | Applied Method | Energy Resources | Storage | Aspects and SDG Impact | Modes of Operation | Usage |
|---|---|---|---|---|---|---|---|---|---|---|---|
| [43,227,228,229] | MMG planning | 1. (⇊) Annual cost 2. (⇊) Total regulation cost 3. (⇈) Reliability 4. (⇈) Voltage profile 5. (⇊) Total ENS 6. (⇊) Emission | 1. Power balance 2. Power out limit 3. Power exch. 4. Voltage limits 5. Installed cap. 6. Uncertainties 7. Line capacity 8. No. of MGs 9. On/off constr. 10. Technical con. 11. Penalty factor | 1 and 2. Hybrid AC/DC-MG test system 3. Standard 69-bus DS 4. IEEE 6-bus test system | Operation planning | 1. Bender’s decomposition method (BDM) 2. Multiagent consensus algorithm 3. ICA | 1. PV, EV, WT, DG, Grid 2. MT, WT, PV, Grid, ES 3. WT, PV, Biomass 4. RG, DG, FC, ES, CHP, CCHP | -- 2. Battery -- 4. Battery and hydrogen | 1. Economic 2. Economic 3. Techno-economic 4. Techno-econo-environment | 1. Grid-connected 2. Grid-connected 3. Stand-alone 4. Stand-alone | Commercial and residential |
| [230,231,232] | Resource allocation (DGs and DPCC siting and sizing) | 1. (⇈) Annual profit 2. (⇊) Total cost 3. (⇊) Power loss 4. (⇊) Emission | 1. Power balance 2. Power out limit 3. Power exch. 4. V&I limits 5. Installed cap. 6. No. of MGs 7. Uncertainties | 1. Mount Magnet, Western Australia 2. 85-bus distribution system 3. Modified IEEE 33-bus network | 1. Short-term (1 year) planning 2. Multiobj planning | 1.CGT 2. SMO-PSO 3. BOA and GOA | 1. WT, PV, ES 2. WT, PV, CHP, DRS, ESS -- | 1. Battery 2. Battery -- | 1. Economic 2. Techno-econo-environment 3. Techno-economic | 1. Grid-connected 2. Grid-connected 3. Grid-connected | Commercial and residential |
| [233] | Resource allocation | 1. (⇊) Total cost 2. (⇊) EENS | 1. No. of MGs 2. DR 3. N-1 contingency 4. Gen. constraint 5. Uncertainties | IEEE 123-bus test system | Short-term (daily) planning | ARO/MILP | DG ESS Capacitors | Battery | Economic | Both | Commercial, industrial, and residential |
| [234] | Resource allocation | 1. (⇊) Total cost 2. (⇊) Prediction error | 1. Uncertainties 2. RT-EM 3. DER capacity 4. Storage const. 5. Power exch. | MMG case of Ekbatan residential complex | Long-term planning | CM, CE, and game theory | WT, FC, EL, PV, EV, ES | Battery Hydrogen | Economic | Grid-connected | Residential |
| [230] | Resource allocation | 1. (⇊) Total cost 2. (⇈) Profit | 1. DERs output capacities 2. Converter topology 3. Battery constr. | MMG-town Mount Magnet in Western Australia | Short-term (1 year) planning | Cooperative game theory | WT PV ESS | Battery | Economic | Grid-connected | Residential |
| [235,236,237] | Resource allocation | 1. (⇊) Loss 2. (⇊) Energy purchase from grid 3. (⇊) Emission 4. (⇈) Volt. profile 5. (⇈) Reliability 6. (⇈) Density 7. (⇊) Cost | 1. Uncertainties 2. P and Q limit 3. Power factor 4. Load limits 5. Voltage limits 6. No. of DGs 7. Power balance | 1. 69-bus RDS and modified 119-bus DS 3. Modified 33-bus DS | Multiobjective planning | 1. Sensitivity analysis 2. Game theory 3. JAYA algorithm | 1. PV WT Biomass 2. PV, WT, ESS 3. Diesel generator | -- Battery -- | Techno-econo-environment | Grid-connected | Residential, industrial, and commercial |
| [238,239] | Topology selection | 1. (⇈) Reliability 2. (⇈) Renewable penetration 3. (⇊) Number of SMGs on each cluster | 1. No of MGs 2. Energy utilization 3. ILP formulation 4. DERs capacity 5. Storage const. | Exemplary system | Operation planning | Overlay topology design | MT PV CHP ESS | Battery | Technical | Both | Residential |

8.1.1. Generation and Load Forecasting
8.1.2. Resource Allocation
8.1.3. Topology Selection
9. Virtual Power Plants
9.1. From Planning Perspectives
| Ref. | Focus Area | Objective (s) | Major Constraints | Test System (s) | Planning Type | Applied Method | Energy Resources | Storage | Aspects and SDG Impact | Modes of Operation | Usage |
|---|---|---|---|---|---|---|---|---|---|---|---|
| [257] | VPP optimal planning | 1. (⇊) Investment and operation cost 2. (⇊) Charging cost | 1. DRP 2. EVs 3. Feeders constr. 4. WPP constr. 5. Gas turbines 6. Power balance 7. DN constraint | Modified 9-node DN | Long-term (3 years) planning | MINLP | WT EV Grid ESS | Battery | Economic | Grid-connected | Residential |
| [258] | VPP optimal planning | 1. (⇈) VPP energy export 2. (⇊) Total energy curtailment 3. (⇊) Load curtailment and system generation cost | 1. Network flow 2. DG curtailment limits 3. Line power flows limits 4. Generation limits 5. Thermal limits | IEEE Reliability Test System in conjunction with IEEE 69-node DN | Long-term planning | Composite System Cost/Worth Analysis | WT PV | -- | Techno-economic | Grid-connected | Residential, commercial, and industrial |
| [260] | VPP optimal planning | 1. (⇈) VPP profitability 2. (⇊) Demand cost | 1. Thermal power plants 2. DG capacities 3. ESS constraint 4. Energy market prices | 15-bus test system | Long-term planning | MIP and benders decomposition | TPP PV WT ESS | Electro-chemical | Economic | Stand-alone | Residential |
| [262] | Generation and load forecasting | 1. (⇈) VPP profit in the market | 1. Energy exch. 2. Capacity of interconnection 3. DA market 4. Flexible load 5. Production 6. Start-up and shut-down constr. 7. Min up/down constraints | 18-bus distribution system | Short term and medium-term planning | MILP-ROM | WT PV | -- | Economic | Grid-connected | Commercial VPP |
| [263] | Generation and load forecasting | 1. (⇈) VPP profit in the market 2. (⇈) Conditional value at risk (CVaR) | 1. Investment constraints 2. Power balance 3. CG operation 4. Flexible demand operation 5. REG constr. 6. ESS constraint 7. Risk metric constraints | Exemplary system | Long-term planning | Risk-constrained stochastic approach | PV ESS Convention generation | Battery | Techno-economic | Grid-connected | Residential, commercial, and industrial |
| [264] | Generation and load forecasting | 1. (⇈) Expected day-ahead profit 2. (⇊) Expected day-ahead emissions | 1. Uncertainties 2. Market price 3. Technical constraints 4. ESS constraint 5. Thermal limit 6. Power balance | Local network test system | Multiobjective planning | Two stage stochastic programming PSO/MOPSO | PV WT ESS CHP | Electro-chemical Battery | Econo-environment | Grid-connected | Commercial VPP |
| [265] | Generation and load forecasting | 1. (⇊) Purchasing primary energy cost 2. (⇊) Fixed and variable generation cost 3. (⇊) Generation and operation cost 4. (⇊) Pollutant emission cost | 1. Elect. demand 2. Cap. limit 3. Emission constraints 4. Peak demand 5. RE available 6. Dispatchable loads regulation 7. Elect. defici. 8. Resource availability 9. Nonnegativity constraints | Heterogenous test VPP system | Medium-term planning | Inexact two-stage stochastic linear programming (ITSLP) method | HP WT PV CHP ESS EVs | Battery | Econo-environment | Grid-connected | Commercial VPP |
| [266] | Generation and load forecasting | 1. (⇈) Expected economic profit 2. (⇊) Deviation between actual energy output and contracted energy | 1. Load balance 2. WT operation 3. DG constraint 4. IL constraint 5. ESS constraint 6. N/w constraint 7. Bid capacity 8. VPP reserve | 10-bus test VPP structure | Short term operational planning | MPC-based dispatch model | WT DG ESS | Battery | Techno-economic | Grid-connected | Technical |
| [267,268,269] | Resource allocation (ESS sizing and siting) | 1. (⇊) ESS cost 2. (⇊) Overall cost of VPP 3. (⇊) Power fluctuations 4. (⇊) Variance of output power 5. (⇊) Investment and maintenance cost | 1. Uncertainties 2. C/D power constraints 3. Cap. Constr. 4. P and residual energy coupling 5. Power balance 6. Volt. security 7. Feeder security 8. P fluctuation 9. Capacity and rating 10. Curtailable load 11. Up/down limits | 1. Modified IEEE-33 test feeder 2. 18-bus test system 3. Exemplary system | 1. Long-term planning 2. Long-term (10 years) planning 3. Long-term (3 year) planning | 1. Bilevel fuzzy stochastic expectation model (FSEM) and MCS, GA, QP 2. MINLP 3. Stochastic programming | 1. PV, WT, ESS 2. WT, PV, ESS, Diesel generator 3. PV, WT, ESS | 1. Battery 2. Battery 3. Battery | 1. Techno-economic 2. Economic 3. Economic | 1. Stand-alone 2. Grid-connected 3. Grid- connected | 1. Commercial VPP 2. Commercial VPP 3. Commercial VPP |
| [270] | Resource allocation (Cascaded hydropower and PV’s sizing and siting) | 1. (⇊) Overall cost 2. (⇊) Rate of change of total power output | 1. Water quantity 2. Output power limits 3. RU/RD limits 4. No. of units 5. Upper/lower limits | Exemplary system | Medium-term and long-term planning | Auto regressive moving average model (ARIMA) model and Sensitivity analysis | HP TP PV | -- | Techno-economic | Grid-connected | Commercial VPP |
| [271] | Resource allocation (DGs and EVs sizing and siting) | 1. (⇈) Net income 2. (⇈) Clean energy consumption 3. (⇊) Emissions | 1. Unit output and climbing 2. EV constraint 3. Controllable load constraints 4. ESS constraint 5. Grid interact 6. Scene probability cons. 7. Power balance | VPP in certain area of Shanxi Province | Multiobjective planning | CVaR | PV WT EVs | Battery | Techno-econo-environment | Grid-connected | Commercial VPP |
| [272] | Resource allocation (DGs and EVs sizing and siting) | 1. (⇈) Incentive revenue of VPP operators 2. (⇈) System marginal price 3. (⇈) Renewable energy certificate market | 1. Uncertainties 2. Number of DERs 3. Capacity of VPP 4. Charging and discharging power | Exemplary system | Multiobjective planning | Stochastic mixed-integer programming (SMIP) | WT PV ESS | Battery | Economic | Grid-connected | Commercial VPP |
| [273,274,275,276] | Energy management and Demand response | 1. (⇈) Load restoration 2. (⇊) Load supply cost 3. (⇈) VPP profit 4. (⇊) VPP operating cost 5. (⇊) Losses 6. (⇈) Voltage profile | 1. Demand resp. 3. Conn. Constr. 4. Slack, parent buses condition 5. Radial condit. 6. ESS constraint 7. Contr. load 8. Power balance 9. Energy exch. 10. Load control 11. N/w security 12. Power flow 13. EVs constr. | 1. 118-bus test system 2. VPP in Siwa Oasis, Egypt. Siwa Oasis 3. Modified IEEE 13-bus test feeder 4. Exemplary VPP setup | Short term and medium-term planning | 1. Stochastic MILP model 2. Electro-economical model 3. Risk-constrained stochastic programming 4. HOMER | 1. WT ESS, EVs 2. FES, DEG, ESS, PV 3. CCHP, RES, HB, TS, ESS 4. PV, WT, EL, FC, HTU, ESS | 1. Battery 2. Battery 3. Thermal and battery 4. Battery and hydrogen | 1. Techno-economic 2. Techno-economic 3. Economic 4. Techno-economic | 1. Grid-connected 2. Grid-connected 3. Grid-connected 4. Grid-connected | 1. Commercial VPP 2. Commercial VPP 3. Commercial VPP 4. Commercial VPP |
| [277] | Topology selection | 1. (⇈) Efficiency and reliability 5. (⇊) Losses 1. (⇈) Economic feasibility | 1. VPP topology 2. Power limits 3. Lines capacity 4. Structural compactness 5. Power angle | MV-VPP test system of remote settlement power supply system | Operational planning | Graph theory and structural-topological analysis | WPP Gas piston unit PV | Battery | Techno-economic | Grid-connected | Commercial |
| [278] | Generation and load forecasting | 1. (⇈) Forecasting accuracy 2. (⇊) Operation cost | 1. Metrological conditions 2. Power balance 3. Power output limits 4. Ramp-up, ramp-down limit 5. Up and down time limits | Exemplary system | Short-term planning | Combination of EMD, CFNN, and LM | PV WT FC TPP | Hydrogen | Techno-economic | Stand-alone | Commercial |
| [279] | Generation and load forecasting | 1. (⇈) PV integration 2. (⇊) Mean error | 1. Solar irradiance forecasting 2. Irradiance 3. temperature 4. Weather data | Real PV installation test case | Short-term planning | ANN and novel similar hour-based selection (NSHS) algorithm | PV | -- | Technical | -- | Commercial |
| [280] | Generation and load forecasting | 1. (⇈) Forecasting accuracy | 1. Energy forecasting 2. Weather data 3. Consumption 4. Holidays 5. Random event 6. Flexible load 7. Historical data 8. Comfort index | Sydney/New South Wales (NSW) electricity grid | Short-term planning | ANN | -- | -- | Technical | -- | Technical |
| [281] | Generation and load forecasting | 1. (⇊) Forecasting error 2. (⇈) Revenue 3. (⇊) Operational cost of DERs and ESS | 1. Forecast error 2. Units states 3. Non-anticipatory constraints | Exemplary system | Short-term planning | Two-stage stochastic optimization model | PV WT ESS | Battery | Techno-economic | Grid-connected | Commercial |


9.1.1. Generation and Load Forecasting
9.1.2. Resource Allocation
9.1.3. Topology Selection
10. Smart Homes
10.1. From Planning Perspectives
| Ref. | Focus Area | Objective (s) | Major Constraints | Test System (s) | Planning Type | Applied Method | Energy Resources | Storage | Aspects and SDG Impact | Appliances/Load Considered | Peer-to-Peer Trading |
|---|---|---|---|---|---|---|---|---|---|---|---|
| [294,296] | SHs optimal planning (Intrusion detection) | 1. (⇈) Node dis-joint paths of links 2. (⇊) Expected transmission count 3. (⇊) Planning cost 1. (⇈) Smart home product 2. (⇈) Planning performance | 1. Link constraints 2. Detection quality constraint 3. Transmission constraints 4. Multipath 5. Shortest path 1. Consumer perceptions | 1. WSAN model as virtual graph 2. Test SH system | 1. multipath planning 2. Operational planning | 1. EKMF algorithm and (GTMCF) algorithm 2. Rough knowledge-based rules and Fuzzy integral-based decision | -- | -- | Techno-economic | -- | -- |
| [295,297] | SHs optimal planning | 1. Unfair cost distribution 2. (⇊) Household cost 3. (⇊) Installation, maintenance, and emission costs | 1. DSM 2. Power balance 3. Stored energy 4. Storage cap. 5. Task duration 6. RE available 7. Reserv. time 8. Scheduling vector end time 9. Allow delay 10. Non-interruptibility 11. Utility grid max. power limit 12. Demand and supply 13. Pareto optimality | Community MG | Multiobjective optimization and Scheduling | 1. Eco-trade bilinear algorithm 2. MILP | 1. MG, RESs, Grid 2. WT, PV, CHP, EVs, ESS | 1. Tesla Powerwall battery 2. EVs charging station, Thermal storage | Economic | 1. Interruptible and non-interruptible appliances 2. Sunlight, cooler/heater, freezer, fridge, washer, dryer, dishwasher | 1. Yes 2. No |
| [299,300,301] | Generation and load forecasting | 1. Inhabitant activity prediction 2. Expected energy prediction 3. Human behavior 4. (⇈) Prediction accuracy | 1. ON/OFF states 2. Inhabitant behavior 3. No. of nodes 4. Task period 5. Number of sequential events 6. Climate conditions 7. IOT dataset 8. Difference, variance and status 9. Execution time 10. Tape-and-forget data sensor | Test system | Short-term planning | 1. SPEED algorithm 2. LSTM model 3. DL | -- | -- | Technical | 1. Light, coffee maker, air conditioner, TV 2. Fridge, TV, Light, and others | -- |
| [302,303,304,305] | Generation and load forecasting | 1. Next user action forecasting 2. Appliance energy use prediction 3. Comfort level 4. (⇈) Prediction accuracy 5. (⇊) Energy consumption | 1. Device characteristics 2. Action data 3. Location 4. Pattern matching 5. Environment states 6. Historical data 7. Comf. criteria 8. Economy 9. Users devises 10. Price predict. | 1. SH consisting of living rooms and bedrooms 2. SH in France 3. IRISE data 4. Historical dataset of digital STROM with 33 homes | Short-term (24 h) planning | 1. Pattern matching and reinforcement learning 2. Stochastic process 3. Improve learning algorithms 4. Frequent sequential pattern mining algorithm | -- | -- | Technical | 1. 5-devices Lamp (2), Fan (1), TV(2) 2. Water heater, Freezer, Lighting Fridge 3. Lighting load 4. 3521 devices | No No No No |
| [306] | Generation and load forecasting | 1. Consumer load prediction 2. (⇊) Users cost | 1. Demand response 2. Possible schedules 3. No. of slots 4. Total power demand 5. Hour wise dispensable power | Test system with residential consumers | Scheduling | GA | Techno-economic | Residential appliances | No | ||
| [307] | Generation and load forecasting | 1. SH energy prediction 2. (⇊) Energy consumption 3. (⇊) Energy cost | 1. Relative humidity 2. Temperature 3. Wind speed 4. Daily energy demand | Two homes data provided by University of Massachusetts | Short-term 48- and 45-day planning | Self-organizing map (SOM) | Techno-economic | HVAC load | No | ||
| [308] | Generation and load forecasting | 4. (⇈) User comfort 2. (⇊) Energy consumption | 1. Available power 3. User desires 5. Temperature limits 6. Illumination limits 7. Air quality limits 8. Energy limits | Lab environment with two connected rooms | Short-term (1 month) planning | Combined GA and PSO, Kalman filter | Technical | Fan, AC, Heater, Bulb | No | ||
| [309] | Generation and load forecasting | 1. GHG emission prediction 2. (⇊) GHG emissions | 1. Source emission factors 2. Emission factors with different seasons and regions | Test system with multiregional data | Short-term planning | LSTM approach | Biomass, coal, gas, hydro, nuclear, oil, PV WP | -- | Environment | Dishwasher EV | No |
| [310] | Planning and scheduling | 1. (⇊) User cost 2. (⇊) PAR | 1. Interruptible load 2. Non-interruptible 3. Must run load 4. Demand response | Exemplary residential system | Short-term planning | Tackling the load uncertainty method | Grid | -- | Techno-economic | Five residential appliances | No |
| [311,312,313] | Generation and load forecasting | 1. Load forecasting 2. (⇊) Forecasting error 3. (⇈) Accuracy 4. (⇈) Convergence 5. (⇊) Execution time | 1. Auxiliary load 2. PV production 3. Transmission losses 4. HDD and CDD 5. Hourly electrical load 6. Temperature data | 1. Texas, USA and Terni Energy, Germany 2. GEFCom2012 US utility dataset 3. 4 buildings | 1. Short-term planning 2. Medium-term planning | 1. PSA-DT model 2. CRBM and Jaya algo. 3. LSTM-based (seq2seq) learning model | Technical | -- 2. 5000 residential customers 3. DW, lamp, fridge radio, WM TV, laptop, PC, NAS | No No | ||
| [314] | Resource allocation | 1. (⇈) Cost saving | 1. Energy manag. 2. Due time of the process 3. Elect. energy consumption limit 4. Preferable resources use | Test system | Scheduling | Banker’s algorithm (BA) | PV system Grid | Economic | Shower, dishwasher, washing machine, iron, vacuum cleaner | No | |
| [315,316] | Resource allocation | 1. (⇊) User intervention 2. Peak demand management | 1. Diversity factor 2. User comfort 3. Peak demand | 1. Scenario based SH test system 2. Smart community with multiple SHs | Scheduling | Agent-mediated service management (AMSM) | Techno-economic | 14 devices in each home e.g., TV, MW, washing, dryer, dishwash, cooker etc. | No | ||
| [317] | Resource allocation | 1. Fair cost distribution 2. (⇊) Energy cost 3. (⇈) Comfort | 1. Capacity constraints 2. ESS constraint 3. Energy balance 4. Starting and finishing time 5. Daily cost | Two examples of 10 and 50 SHs | Scheduling planning | MILP based lexicographic minimax method (LMM) | MG (CHP generator, TES, ESS, EVs, Grid) | Techno-economic | DW, WM, spin dryer, cooker, oven, microwave, lighting, laptop, PC, cleaner, fridge, EV | No | |
| [318] | Resource allocation | 1. RESs allocation 2. (⇊) Individual user energy cost 3. (⇊) Peak to average ratio | 1. RESs 2. Min/max energy consumption 3. Contracts 4. RE production 5. Bounding and equality 6. User coupled | Interconnected users, exemplary test system | Scheduling planning | CGSD and CGF based decentralized optimization model | Techno-economic | Controllable, interruptible, and non-interruptible electrical appliances | |||
| [319] | Resource allocation | 1. Bandwidth allocation 2. Fairness delay 3. Service priority | 1. OpenFlow device pool 2. M2M service 3. Non M2M service 4. SDN-SH cloud and massive SH | Exemplary test system | Operational planning | Promising software defined networking (SDN) architecture | Technical | M2M and Non M2M appliances | No | ||
| [320] | Resource allocation | 2. (⇊) Processing time | 1. Location of data centers 2. Performance of data centers 3. Power flow 4. Data and information flow | 6 geographic regions with groups of buildings with multiple SHs | Operational planning | Ant colony optimization (ACO) algorithm | MGs | Technical | IOT based devices sensor and controllers | No | |
| [321] | Resource allocation | 1. Task allocation 2. Thermal comfort | 1. Virtual objects 2. Round trip time 3. Response time 4. Task dropping 5. Latency | DIY application based IOT-SH test system | Scheduling planning | Virtual objects composition (VOC) method | Technical | IOT based appliances | No | ||
| [322] | Resource allocation | 1. Load balancing and stability | 1. Demand response 2. PHEVs 3. Load balancing 4. Environment conditions | Typical distribution network | Scheduling planning | Support vector machine (SVM) | Technical | Residential load and EVs charging stations | No | ||
| [323] | Topology selection | 1. Comfort 2. Convenience 3. Security | 1. Environment conditions 2. Attention 3. Privacy 4. Priority | Test scenarios on real family of home | Scheduling planning | Human–system interaction framework | Technical | Residential controllers and sensors | No | ||
| [324] | Topology selection | 1. Optimal utilization of power 2. (⇊) Power wastage | 1. Event category 2. Human behavior 3. Activities 4. Data size 5. Errors | Exemplary SH system | Scheduling planning | ANN | Technical | Household appliances | No | ||
| [325,326] | Topology selection | 1. Home comfort 2. Leisure 3. safety 4. Activity recognition | 1. Embedded system, 3G, and ZIGBEE 2. Environment conditions | Exemplary SH | Design planning | 1. IOT 2. MAS | Technical | Electrical appliances | No |

10.1.1. Generation and Load Forecasting
10.1.2. Resource Allocation
10.1.3. Topology Selection
11. Smart Neighborhoods
From Planning Perspectives
12. Smart Buildings
12.1. From Planning Perspectives
12.1.1. Generation and Load Forecasting
12.1.2. Resource Allocation
12.1.3. Topology Selection
13. Smart Cities
13.1. From Planning Perspectives
13.1.1. Generation and Load Forecasting
13.1.2. Resource Allocation
14. Policies and On-Ground Projects for Smart Energy Ecosystem Realization
15. Research Gaps, Challenges, and Recommendations
15.1. Challenges in Adoption of Demand-Side Management (DSM)
15.2. Challenges in Resource Allocation
15.3. Forecasting Challenges
15.4. Challenges in Optimization Techniques
16. Bibliometric Analysis
17. Conclusions
Author Contributions
Funding
Institutional Review Board Statement
Informed Consent Statement
Data Availability Statement
Conflicts of Interest
References
- Jiang, Y.; Liu, C.-C.; Xu, Y. Smart distribution systems. Energies 2016, 9, 297. [Google Scholar] [CrossRef]
- Coster, E.J.; Myrzik, J.M.; Kruimer, B.; Kling, W.L. Integration issues of distributed generation in distribution grids. Proc. IEEE 2010, 99, 28–39. [Google Scholar] [CrossRef]
- Abbas, S.R.; Kazmi, S.A.A.; Naqvi, M.; Javed, A.; Naqvi, S.R.; Ullah, K.; Khan, T.-u.-R.; Shin, D.R. Impact analysis of large-scale wind farms integration in weak transmission grid from technical perspectives. Energies 2020, 13, 5513. [Google Scholar] [CrossRef]
- Ghiani, E.; Pilo, F.; Celli, G. Chapter 1—Definition of Smart Distribution Networks. In Operation of Distributed Energy Resources in Smart Distribution Networks; Zare, K., Nojavan, S., Eds.; Academic Press: Cambridge, MA, USA, 2018; pp. 1–23. [Google Scholar]
- Evangelopoulos, V.A.; Georgilakis, P.S.; Hatziargyriou, N.D. Optimal operation of smart distribution networks: A review of models, methods and future research. Electr. Power Syst. Res. 2016, 140, 95–106. [Google Scholar] [CrossRef]
- Find Energy Industry Needs Microgrids Work Now Work Future. Available online: https://lo3energy.com/find-energy-industry-needs-microgrids-work-now-work-future/ (accessed on 2 February 2021).
- Hatziargyriou, N. Microgrids: Architectures and Control; John Wiley & Sons: Hoboken, NJ, USA, 2014. [Google Scholar]
- U.S.-DOE. Estimation of Load Supplied by MGs Technology by the End of 2020. Available online: https://www.energy.gov (accessed on 5 February 2021).
- Lopes, J.; Madureira, A.; Gil, N.; Resende, F. Operation of multi microgrids. Microgrids 2013, 165–205. [Google Scholar] [CrossRef]
- Malik, M.M.; Kazmi, S.A.A.; Asim, H.W.; Ahmed, A.B.; Shin, D.R. An intelligent multi-stage optimization approach for community based micro-grid within multi-microgrid paradigm. IEEE Access 2020, 8, 177228–177244. [Google Scholar] [CrossRef]
- Othman, M.M.; Hegazy, Y.G.; Abdelaziz, A.Y. Optimal operation of virtual power plant in unbalanced distribution networks. Electr. Power Compon. Syst. 2016, 44, 1620–1630. [Google Scholar] [CrossRef]
- Asmus, P. Microgrids, virtual power plants and our distributed energy future. Electr. J. 2010, 23, 72–82. [Google Scholar] [CrossRef]
- Jaganmohan, M. Global Smart Grid Market Size by Region 2017–2023. Available online: https://www.statista.com/statistics/246154/global-smart-grid-market-size-by-region/ (accessed on 27 February 2021).
- Jayachandran, M.; Reddy, C.; Padmanaban, S.; Milyani, A. Operational planning steps in smart electric power delivery system. Sci. Rep. 2021, 11, 17250. [Google Scholar] [CrossRef]
- Sönnichsen, N.U.S. Penetration of Microgrids by Select State 2020. Available online: https://www.statista.com/statistics/1100458/-capacity-of-us-microgrids-by-state/ (accessed on 15 March 2021).
- Kumpulainen, L.; Laaksonen, H.; Komulainen, R.; Martikainen, A.; Lehtonen, M.; Heine, P.; Silvast, A.; Imrin, P.; Partanen, J.; Lassila, J. Distribution Network 2030: Vision of the Future Power System; Technical Research Centre of Finland (VTT), Research Report VTT: Espoo, Finland, 2007. [Google Scholar]
- Lutolf, R. Smart home concept and the integration of energy meters into a home based system. In Proceedings of the Seventh International Conference on Metering Apparatus and Tariffs for Electricity Supply, Glasgow, UK, 17–19 November 1992; pp. 277–278. [Google Scholar]
- Kazmi, S.A.A.; Shahzad, M.K.; Khan, A.Z.; Shin, D.R. Smart distribution networks: A review of modern distribution concepts from a planning perspective. Energies 2017, 10, 501. [Google Scholar] [CrossRef]
- Shafiullah, D.; Vo, T.; Nguyen, P.; Pemen, A. Different smart grid frameworks in context of smart neighborhood: A review. In Proceedings of the 2017 52nd International Universities Power Engineering Conference (UPEC), Heraklion, Greece, 28–31 August 2017; pp. 1–6. [Google Scholar]
- Wang, Z.; Wang, L.; Dounis, A.I.; Yang, R. Integration of plug-in hybrid electric vehicles into energy and comfort management for smart building. Energy Build. 2012, 47, 260–266. [Google Scholar] [CrossRef]
- Caragliu, A.; Del Bo, C.; Nijkamp, P. Smart cities in Europe. J. Urban Technol. 2011, 18, 65–82. [Google Scholar] [CrossRef]
- Roostaei, D.; Poormohamadi, D.; Ghanbari, H. A theory of Smart Cities and Assessment its Infrastructure Components in Urban Management (Case Study: Tabriz Municipality). Geogr. Territ. Spat. Arrange. 2018, 8, 197–216. [Google Scholar]
- Khan, Z.A.; Jayaweera, D. Planning and Operational Challenges in a Smart Grid. In Smart Power Systems and Renewable Energy System Integration; Springer: Berlin/Heidelberg, Germany, 2016; pp. 153–177. [Google Scholar]
- Khator, S.K.; Leung, L.C. Power distribution planning: A review of models and issues. IEEE Trans. Power Syst. 1997, 12, 1151–1159. [Google Scholar] [CrossRef]
- Ganguly, S.; Sahoo, N.; Das, D. Recent advances on power distribution system planning: A state-of-the-art survey. Energy Syst. 2013, 4, 165–193. [Google Scholar] [CrossRef]
- Ault, G.W.; Foote, C.E.; McDonald, J.R. Distribution system planning in focus. IEEE Power Eng. Rev. 2002, 22, 60–62. [Google Scholar] [CrossRef]
- Injeti, S.K.; Kumar, N.P. Planning and operation of active radial distribution networks for improved voltage stability and loss reduction. World J. Model. Simul. 2012, 8, 211–222. [Google Scholar]
- Alvarez-Herault, M.-C.; N’doye, N.; Gandioli, C.; Hadjsaid, N.; Tixador, P. Meshed distribution network vs reinforcement to increase the distributed generation connection. Sustain. Energy Grids Netw. 2015, 1, 20–27. [Google Scholar] [CrossRef]
- Rajalakshmi, N.; Subramanian, D.P.; Thamizhavel, K. Performance enhancement of radial distributed system with distributed generators by reconfiguration using binary firefly algorithm. J. Inst. Eng. (India) Ser. B 2015, 96, 91–99. [Google Scholar] [CrossRef]
- Kumar, A.; Babu, P.V.; Murty, V. Distributed generators allocation in radial distribution systems with load growth using loss sensitivity approach. J. Inst. Eng. (India) Ser. B 2017, 98, 275–287. [Google Scholar] [CrossRef]
- Kim, J.-C.; Cho, S.-M.; Shin, H.-S. Advanced power distribution system configuration for smart grid. IEEE Trans. Smart Grid 2013, 4, 353–358. [Google Scholar] [CrossRef]
- Prakash, K.; Lallu, A.; Islam, F.; Mamun, K. Review of power system distribution network architecture. In Proceedings of the 2016 3rd Asia-Pacific World Congress on Computer Science and Engineering (APWC on CSE), Nadi, Fiji, 5–6 December 2016; pp. 124–130. [Google Scholar]
- Saradarzadeh, M.; Farhangi, S.; Schanen, J.-L.; Jeannin, P.-O.; Frey, D. The benefits of looping a radial distribution system with a power flow controller. In Proceedings of the 2010 IEEE International Conference on Power and Energy, Kuala Lampur, Malaysia, 1 December 2010; pp. 723–728. [Google Scholar]
- Yin, Q. The feasibility research on distribution network closed loop based on the load transfer model. World J. Eng. Technol. 2017, 5, 12. [Google Scholar] [CrossRef]
- Islam, F.; Prakash, K.; Mamun, K.A.; Lallu, A.; Pota, H.R. Aromatic network: A novel structure for power distribution system. IEEE Access 2017, 5, 25236–25257. [Google Scholar] [CrossRef]
- Sarkar, D.; Konwar, P.; De, A.; Goswami, S. A graph theory application for fast and efficient search of optimal radialized distribution network topology. J. King Saud Univ. -Eng. Sci. 2020, 32, 255–264. [Google Scholar] [CrossRef]
- Hadjsaid, N.; Alvarez-Hérault, M.-C.; Caire, R.; Raison, B.; Descloux, J.; Bienia, W. Novel architectures and operation modes of Distribution Network to increase DG integration. In Proceedings of the IEEE PES General Meeting, Minneapolis, MI, USA, 25–29 July 2010; pp. 1–6. [Google Scholar]
- Sharma, S.; Abhyankar, A. Loss allocation for weakly meshed distribution system using analytical formulation of Shapley value. IEEE Trans. Power Syst. 2016, 32, 1369–1377. [Google Scholar] [CrossRef]
- Akorede, M.F.; Hizam, H.; Aris, I.; Ab Kadir, M. Effective method for optimal allocation of distributed generation units in meshed electric power systems. IET Gener. Transm. Distrib. 2011, 5, 276–287. [Google Scholar] [CrossRef]
- Lasseter, R.H. Microgrids. In Proceedings of the 2002 IEEE Power Engineering Society Winter Meeting, Conference Proceedings (Cat. No. 02CH37309), New York, NY, USA, 27–31 January 2002; pp. 305–308. [Google Scholar]
- DOE, U.S. DOE Microgrid Workshop Report; Office of Electricity Delivery and Energy Reliability Smart Grid R&D Program: Chicago, IL, USA, 2012. [Google Scholar]
- Shahgholian, G. A brief review on microgrids: Operation, applications, modeling, and control. Int. Trans. Electr. Energy Syst. 2021, 31, e12885. [Google Scholar] [CrossRef]
- Wang, G.; Wang, Q.; Qiao, Z.; Wang, J.; Anderson, S. Optimal planning of multi-micro grids based-on networks reliability. Energy Rep. 2020, 6, 1233–1249. [Google Scholar] [CrossRef]
- Xu, Z.; Yang, P.; Zheng, C.; Zhang, Y.; Peng, J.; Zeng, Z. Analysis on the organization and Development of multi-microgrids. Renew. Sustain. Energy Rev. 2018, 81, 2204–2216. [Google Scholar] [CrossRef]
- Tong, X.; Hu, C.; Zheng, C.; Rui, T.; Wang, B.; Shen, W. Energy market management for distribution network with a multi-microgrid system: A dynamic game approach. Appl. Sci. 2019, 9, 5436. [Google Scholar] [CrossRef]
- Lu, Q.; Yang, Y.; Zhu, Y.; Xu, T.; Wu, W.; Chen, J. Distributed Economic Dispatch for Active Distribution Networks with Virtual Power Plants. In Proceedings of the 2019 IEEE Innovative Smart Grid Technologies-Asia (ISGT Asia), Chengdu, China, 21–24 May 2019; pp. 328–333. [Google Scholar]
- Morais, H.; Kádár, P.; Cardoso, M.; Vale, Z.A.; Khodr, H. VPP operating in the isolated grid. In Proceedings of the 2008 IEEE Power and Energy Society General Meeting-Conversion and Delivery of Electrical Energy in the 21st Century, Pittsburgh, PA, USA, 20–24 July 2008; pp. 1–6. [Google Scholar]
- Saboori, H.; Mohammadi, M.; Taghe, R. Virtual power plant (VPP), definition, concept, components and types. In Proceedings of the 2011 Asia-Pacific Power and Energy Engineering Conference, Wuhan, China, 25–28 March 2011; pp. 1–4. [Google Scholar]
- Liu, G.; Qu, L.; Zeng, R.; Gao, F. Energy internet in china. In The Energy Internet; Elsevier: Amsterdam, The Netherlands, 2019; pp. 265–282. [Google Scholar]
- Mancarella, P. MES (multi-energy systems): An overview of concepts and evaluation models. Energy 2014, 65, 1–17. [Google Scholar] [CrossRef]
- Sikorski, T.; Jasiński, M.; Ropuszyńska-Surma, E.; Węglarz, M.; Kaczorowska, D.; Kostyła, P.; Leonowicz, Z.; Lis, R.; Rezmer, J.; Rojewski, W. A case study on distributed energy resources and energy-storage systems in a virtual power plant concept: Economic aspects. Energies 2019, 12, 4447. [Google Scholar] [CrossRef]
- Li, M.; Gu, W.; Chen, W.; He, Y.; Wu, Y.; Zhang, Y. Smart home: Architecture, technologies and systems. Procedia Comput. Sci. 2018, 131, 393–400. [Google Scholar] [CrossRef]
- Alam, M.R.; Reaz, M.B.I.; Ali, M.A.M. A review of smart homes—Past, present, and future. IEEE Trans. Syst. Man Cybern. Part C (Appl. Rev.) 2012, 42, 1190–1203. [Google Scholar] [CrossRef]
- Aldrich, F.K. Smart homes: Past, present and future. In Inside the Smart Home; Springer: Berlin/Heidelberg, Germany, 2003; pp. 17–39. [Google Scholar]
- Saha, A.; Kuzlu, M.; Khamphanchai, W.; Pipattanasomporn, M.; Rahman, S.; Elma, O.; Selamogullari, U.; Uzunoglu, M.; Yagcitekin, B. A home energy management algorithm in a smart house integrated with renewable energy. In Proceedings of the IEEE PES Innovative Smart Grid Technologies, Europe, Istanbul, Turkey, 12–15 October 2014; pp. 1–6. [Google Scholar]
- Kashimoto, Y.; Ogura, K.; Yamamoto, S.; Yasumoto, K.; Ito, M. Saving energy in smart homes with minimal comfort level reduction. In Proceedings of the 2013 IEEE International Conference on Pervasive Computing and Communications Workshops (PERCOM Workshops), San Diego, CA, USA, 18–22 March 2013; pp. 372–376. [Google Scholar]
- Smart Neighborhood. Available online: https://apcsmartneighborhood.com/#:~:text=Smart%20Neighborhood%20homes%20are%20high,pumps%2C%20water%20heaters%20and%20appliances (accessed on 22 March 2021).
- Mofidi, F.; Akbari, H. Intelligent buildings: An overview. Energy Build. 2020, 223, 110192. [Google Scholar] [CrossRef]
- Morvaj, B.; Lugaric, L.; Krajcar, S. Demonstrating smart buildings and smart grid features in a smart energy city. In Proceedings of the 2011 3rd International Youth Conference on Energetics (IYCE), Leiria, Portugal, 7–9 July 2011; pp. 1–8. [Google Scholar]
- Albino, V.; Berardi, U.; Dangelico, R.M. Smart cities: Definitions, dimensions, performance, and initiatives. J. Urban Technol. 2015, 22, 3–21. [Google Scholar] [CrossRef]
- Batty, M.; Axhausen, K.W.; Giannotti, F.; Pozdnoukhov, A.; Bazzani, A.; Wachowicz, M.; Ouzounis, G.; Portugali, Y. Smart cities of the future. Eur. Phys. J. Spec. Top. 2012, 214, 481–518. [Google Scholar] [CrossRef]
- Deakin, M.; Al Waer, H. From intelligent to smart cities. Intell. Build. Int. 2011, 3, 140–152. [Google Scholar] [CrossRef]
- Yin, C.; Xiong, Z.; Chen, H.; Wang, J.; Cooper, D.; David, B. A literature survey on smart cities. Sci. China Inf. Sci. 2015, 58, 1–18. [Google Scholar] [CrossRef]
- Lazaroiu, G.C.; Roscia, M. Definition methodology for the smart cities model. Energy 2012, 47, 326–332. [Google Scholar] [CrossRef]
- Silva, B.N.; Khan, M.; Han, K. Towards sustainable smart cities: A review of trends, architectures, components, and open challenges in smart cities. Sustain. Cities Soc. 2018, 38, 697–713. [Google Scholar] [CrossRef]
- Yang, L.; Elisa, N.; Eliot, N. Privacy and security aspects of E-government in smart cities. In Smart Cities Cybersecurity and Privacy; Elsevier: Amsterdam, The Netherlands, 2019; pp. 89–102. [Google Scholar]
- Kunttu, I. Developing smart city services by mobile application. In Proceedings of the ISPIM Conference Proceedings, The International Society for Professional Innovation Management (ISPIM), Ottawa, Canada, 7–10 April 2019; pp. 1–8. [Google Scholar]
- Atasoy, T.; Akınç, H.E.; Erçin, Ö. An analysis on smart grid applications and grid integration of renewable energy systems in smart cities. In Proceedings of the 2015 International Conference on Renewable Energy Research and Applications (ICRERA), Palermo, Italy, 22–25 November 2015; pp. 547–550. [Google Scholar]
- Bibri, S.E. On the sustainability of smart and smarter cities in the era of big data: An interdisciplinary and transdisciplinary literature review. J. Big Data 2019, 6, 1–64. [Google Scholar] [CrossRef]
- Ravadanegh, S.N.; Jahanyari, N.; Amini, A.; Taghizadeghan, N. Smart distribution grid multistage expansion planning under load forecasting uncertainty. IET Gener. Transm. Distrib. 2016, 10, 1136–1144. [Google Scholar] [CrossRef]
- Chemetova, S.; Santos, P.; Ventim-Neves, M. Load forecasting in electrical distribution grid of medium voltage. In Proceedings of the Doctoral Conference on Computing, Electrical and Industrial Systems, Costa de Caparica, Portugal, 11–13 April 2016; pp. 340–349. [Google Scholar]
- Carcangiu, S.; Fanni, A.; Pegoraro, P.A.; Sias, G.; Sulis, S. Forecasting-aided monitoring for the distribution system state estimation. Complexity 2020, 2020, 4281219. [Google Scholar] [CrossRef]
- Veeramsetty, V.; Deshmukh, R. Electric power load forecasting on a 33/11 kV substation using artificial neural networks. SN Appl. Sci. 2020, 2, 1–10. [Google Scholar] [CrossRef]
- Sharma, S.; Ghosh, S. Effective design and development of hybrid ABC-CSO-based capacitor placement with load forecasting based on artificial neural network. Assem. Autom. 2019, 39, 917–930. [Google Scholar] [CrossRef]
- Vazquez, R.; Amaris, H.; Alonso, M.; Lopez, G.; Moreno, J.I.; Olmeda, D.; Coca, J. Assessment of an adaptive load forecasting methodology in a smart grid demonstration project. Energies 2017, 10, 190. [Google Scholar] [CrossRef]
- Tang, X.; Dai, Y.; Wang, T.; Chen, Y. Short-term power load forecasting based on multi-layer bidirectional recurrent neural network. IET Gener. Transm. Distrib. 2019, 13, 3847–3854. [Google Scholar] [CrossRef]
- Estebsari, A.; Rajabi, R. Single residential load forecasting using deep learning and image encoding techniques. Electronics 2020, 9, 68. [Google Scholar] [CrossRef]
- Sreekumar, S.; Sharma, K.C.; Bhakar, R. Grey system theory based net load forecasting for high renewable penetrated power systems. Technol. Econ. Smart Grids Sustain. Energy 2020, 5, 1–14. [Google Scholar] [CrossRef]
- Jiang, H.; Ding, F.; Zhang, Y. Short-term load forecasting based automatic distribution network reconfiguration. In Proceedings of the 2017 IEEE Power & Energy Society General Meeting, Chicago, IL, USA, 16 April–20 July 2017; pp. 1–5. [Google Scholar]
- Siddiqui, S.A.; Fozdar, M. Optimal placement of distributed generators in radial distribution system for reducing the effect of islanding. J. Electr. Eng. Technol. 2016, 11, 551–559. [Google Scholar]
- Sa’ed, J.A.; Amer, M.; Bodair, A.; Baransi, A.; Favuzza, S.; Zizzo, G. A simplified analytical approach for optimal planning of distributed generation in electrical distribution networks. Appl. Sci. 2019, 9, 5446. [Google Scholar] [CrossRef]
- Kayal, P.; Chanda, S.; Chanda, C.K. An analytical approach for allocation and sizing of distributed generations in radial distribution network. Int. Trans. Electr. Energy Syst. 2017, 27, e2322. [Google Scholar] [CrossRef]
- Viral, R.; Khatod, D.K. An analytical approach for sizing and siting of DGs in balanced radial distribution networks for loss minimization. Int. J. Electr. Power Energy Syst. 2015, 67, 191–201. [Google Scholar] [CrossRef]
- Beza, T.M.; Huang, Y.-C.; Kuo, C.-C. A Hybrid Optimization Approach for Power Loss Reduction and DG Penetration Level Increment in Electrical Distribution Network. Energies 2020, 13, 6008. [Google Scholar] [CrossRef]
- Haider, W.; Hassan, S.; Mehdi, A.; Hussain, A.; Adjayeng, G.O.M.; Kim, C.-H. Voltage profile enhancement and loss minimization using optimal placement and sizing of distributed generation in reconfigured network. Machines 2021, 9, 20. [Google Scholar] [CrossRef]
- Angalaeswari, S.; Sanjeevikumar, P.; Jamuna, K.; Leonowicz, Z. Hybrid pipso-sqp algorithm for real power loss minimization in radial distribution systems with optimal placement of distributed generation. Sustainability 2020, 12, 5787. [Google Scholar] [CrossRef]
- Sultana, S.; Roy, P.K. Oppositional krill herd algorithm for optimal location of distributed generator in radial distribution system. Int. J. Electr. Power Energy Syst. 2015, 73, 182–191. [Google Scholar] [CrossRef]
- Sultana, S.; Roy, P.K. Krill herd algorithm for optimal location of distributed generator in radial distribution system. Appl. Soft Comput. 2016, 40, 391–404. [Google Scholar] [CrossRef]
- Khodabakhshian, A.; Andishgar, M.H. Simultaneous placement and sizing of DGs and shunt capacitors in distribution systems by using IMDE algorithm. Int. J. Electr. Power Energy Syst. 2016, 82, 599–607. [Google Scholar] [CrossRef]
- Quadri, I.A.; Bhowmick, S.; Joshi, D. A comprehensive technique for optimal allocation of distributed energy resources in radial distribution systems. Appl. Energy 2018, 211, 1245–1260. [Google Scholar] [CrossRef]
- Youssef, A.-R.; Kamel, S.; Ebeed, M.; Yu, J. Optimal capacitor allocation in radial distribution networks using a combined optimization approach. Electr. Power Compon. Syst. 2018, 46, 2084–2102. [Google Scholar] [CrossRef]
- Nojavan, S.; Jalali, M.; Zare, K. Optimal allocation of capacitors in radial/mesh distribution systems using mixed integer nonlinear programming approach. Electr. Power Syst. Res. 2014, 107, 119–124. [Google Scholar] [CrossRef]
- Abdelaziz, A.Y.; Fathy, A. A novel approach based on crow search algorithm for optimal selection of conductor size in radial distribution networks. Eng. Sci. Technol. Int. J. 2017, 20, 391–402. [Google Scholar] [CrossRef]
- Paterakis, N.G.; Mazza, A.; Santos, S.F.; Erdinç, O.; Chicco, G.; Bakirtzis, A.G.; Catalão, J.P. Multi-objective reconfiguration of radial distribution systems using reliability indices. IEEE Trans. Power Syst. 2015, 31, 1048–1062. [Google Scholar] [CrossRef]
- Firdaus, A.A.; Penangsang, O.; Soeprijanto, A. Distribution network reconfiguration using binary particle swarm optimization to minimize losses and decrease voltage stability index. Bull. Electr. Eng. Inform. 2018, 7, 514–521. [Google Scholar] [CrossRef]
- Abubakar, A.; Ekundayo, K.; Olaniyan, A. Optimal reconfiguration of radial distribution networks using improved genetic algorithm. Niger. J. Technol. Dev. 2019, 16, 10–16. [Google Scholar] [CrossRef]
- Syahputra, R.; Robandi, I.; Ashari, M. Reconfiguration of distribution network with DG using fuzzy multi-objective method. In Proceedings of the 2012 International Conference on Innovation Management and Technology Research, Malacca, Malaysia, 21–22 May 2012; pp. 316–321. [Google Scholar]
- Atteya, I.I.; Ashour, H.; Fahmi, N.; Strickland, D. Radial distribution network reconfiguration for power losses reduction using a modified particle swarm optimisation. CIRED-Open Access Proc. J. 2017, 2017, 2505–2508. [Google Scholar] [CrossRef]
- Diaaeldin, I.; Abdel Aleem, S.; El-Rafei, A.; Abdelaziz, A.; Zobaa, A.F. Optimal network reconfiguration in active distribution networks with soft open points and distributed generation. Energies 2019, 12, 4172. [Google Scholar] [CrossRef]
- Duan, D.-L.; Ling, X.-D.; Wu, X.-Y.; Zhong, B. Reconfiguration of distribution network for loss reduction and reliability improvement based on an enhanced genetic algorithm. Int. J. Electr. Power Energy Syst. 2015, 64, 88–95. [Google Scholar] [CrossRef]
- Zhuang, L.; Liu, H.; Zhu, J.; Wang, S.; Song, Y. Comparison of forecasting methods for power system short-term load forecasting based on neural networks. In Proceedings of the 2016 IEEE International Conference on Information and Automation (ICIA), Ningbo, China, 1–3 August 2016; pp. 114–119. [Google Scholar]
- Al Mamun, A.; Sohel, M.; Mohammad, N.; Sunny, M.S.H.; Dipta, D.R.; Hossain, E. A comprehensive review of the load forecasting techniques using single and hybrid predictive models. IEEE Access 2020, 8, 134911–134939. [Google Scholar] [CrossRef]
- Hammad, M.A.; Jereb, B.; Rosi, B.; Dragan, D. Methods and models for electric load forecasting: A comprehensive review. Logist. Sustain. Transp. 2020, 11, 51–76. [Google Scholar] [CrossRef]
- Suresh, M.; Belwin, E.J. Optimal DG placement for benefit maximization in distribution networks by using Dragonfly algorithm. Renew. Wind. Water Sol. 2018, 5, 1–8. [Google Scholar] [CrossRef]
- Sultana, U.; Khairuddin, A.B.; Mokhtar, A.; Zareen, N.; Sultana, B. Grey wolf optimizer based placement and sizing of multiple distributed generation in the distribution system. Energy 2016, 111, 525–536. [Google Scholar] [CrossRef]
- Aman, M.; Jasmon, G.; Bakar, A.; Mokhlis, H. A new approach for optimum DG placement and sizing based on voltage stability maximization and minimization of power losses. Energy Convers. Manag. 2013, 70, 202–210. [Google Scholar] [CrossRef]
- Prakash, D.B.; Lakshminarayana, C. Optimal siting of capacitors in radial distribution network using whale optimization algorithm. Alex. Eng. J. 2017, 56, 499–509. [Google Scholar] [CrossRef]
- Yuvaraj, T.; Devabalaji, K.; Ravi, K. Optimal placement and sizing of DSTATCOM using harmony search algorithm. Energy Procedia 2015, 79, 759–765. [Google Scholar] [CrossRef]
- Sirjani, R.; Mohamed, A.; Shareef, H. An improved harmony search algorithm for optimal capacitor placement in radial distribution systems. In Proceedings of the 2011 5th International Power Engineering and Optimization Conference, Shah Alam, Malaysia, 6–7 June 2011; pp. 323–328. [Google Scholar]
- Naik, S.G.; Khatod, D.; Sharma, M. Optimal allocation of combined DG and capacitor for real power loss minimization in distribution networks. Int. J. Electr. Power Energy Syst. 2013, 53, 967–973. [Google Scholar] [CrossRef]
- Sajjadi, S.M.; Haghifam, M.-R.; Salehi, J. Simultaneous placement of distributed generation and capacitors in distribution networks considering voltage stability index. Int. J. Electr. Power Energy Syst. 2013, 46, 366–375. [Google Scholar] [CrossRef]
- Kumar, A.; Bhatia, R. Optimal capacitor placement in radial distribution system. In Proceedings of the 2014 IEEE 6th India International Conference on Power Electronics (IICPE), Kurukshetra, India, 8–10 December 2014; pp. 1–6. [Google Scholar]
- Jain, A.; Gupta, A.; Kumar, A. An efficient method for D-STATCOM placement in radial distribution system. In Proceedings of the 2014 IEEE 6th India International Conference on Power Electronics (IICPE), Kurukshetra, India, 8–10 December 2014; pp. 1–6. [Google Scholar]
- Ganguly, S. Unified power quality conditioner allocation for reactive power compensation of radial distribution networks. IET Gener. Transm. Distrib. 2014, 8, 1418–1429. [Google Scholar] [CrossRef]
- Muthukumar, K.; Jayalalitha, S. Optimal placement and sizing of distributed generators and shunt capacitors for power loss minimization in radial distribution networks using hybrid heuristic search optimization technique. Int. J. Electr. Power Energy Syst. 2016, 78, 299–319. [Google Scholar] [CrossRef]
- Sanam, J.; Ganguly, S.; Panda, A. Distribution STATCOM with optimal phase angle injection model for reactive power compensation of radial distribution networks. Int. J. Numer. Model. Electron. Netw. Devices Fields 2017, 30, e2240. [Google Scholar] [CrossRef]
- Yuvaraj, T.; Ravi, K.; Devabalaji, K. Optimal allocation of DG and DSTATCOM in radial distribution system using cuckoo search optimization algorithm. Model. Simul. Eng. 2017, 2017, 2857926. [Google Scholar] [CrossRef]
- Yuvaraj, T.; Ravi, K. Multi-objective simultaneous DG and DSTATCOM allocation in radial distribution networks using cuckoo searching algorithm. Alex. Eng. J. 2018, 57, 2729–2742. [Google Scholar] [CrossRef]
- Abd Elazim, S.; Ali, E. Optimal locations and sizing of capacitors in radial distribution systems using mine blast algorithm. Electr. Eng. 2018, 100, 1–9. [Google Scholar] [CrossRef]
- Tul’skii, V.; Vanin, A.; Tolba, M.; Diab, A.Z. Arrangement of Reactive Power Compensation Units in the Radial Distribution Network of Moscow Oblast. Russ. Electr. Eng. 2018, 89, 402–408. [Google Scholar] [CrossRef]
- Sanam, J. Optimization of planning cost of radial distribution networks at different loads with the optimal placement of distribution STATCOM using differential evolution algorithm. Soft Comput. 2020, 24, 13269–13284. [Google Scholar] [CrossRef]
- Téllez, A.Á.; López, G.; Isaac, I.; González, J. Optimal reactive power compensation in electrical distribution systems with distributed resources. Review. Heliyon 2018, 4, e00746. [Google Scholar] [CrossRef]
- Pegado, R.; Ñaupari, Z.; Molina, Y.; Castillo, C. Radial distribution network reconfiguration for power losses reduction based on improved selective BPSO. Electr. Power Syst. Res. 2019, 169, 206–213. [Google Scholar] [CrossRef]
- Deng, X.; Yuan, R.; Xiao, Z.; Li, T.; Wang, K.L.L. Fault location in loop distribution network using SVM technology. Int. J. Electr. Power Energy Syst. 2015, 65, 254–261. [Google Scholar] [CrossRef]
- Dieu, V.N.; Nguyen, T.A. Distribution network reconfiguration for power loss reduction and voltage profile improvement using chaotic stochastic fractal search algorithm. Complexity 2020, 2020, 2353901. [Google Scholar]
- Ahmad, S.; Afzal, M.J.; Kazmi, S.A.A. Comparative analysis of radial and looped distribution network against voltage stability and loadability with distributed generation. In Proceedings of the 2018 5th International Symposium on Environment-Friendly Energies and Applications (EFEA), Rome, Italy, 24–26 September 2018; pp. 1–6. [Google Scholar]
- Hamad, A.E.F.; Abd el-Ghany, H.A.; Azmy, A.M. Switching strategy for DG optimal allocation during repairing fault periods on loop distribution networks. Int. Trans. Electr. Energy Syst. 2017, 27, e2454. [Google Scholar] [CrossRef]
- Alrumaih, M.A.; Al-Shaalan, A.M. Impact of PV Distributed Generation on Loop Distribution Network. J. Power Energy Eng. 2019, 7, 27. [Google Scholar] [CrossRef]
- Kazmi, S.A.A.; Shahzaad, M.K.; Shin, D.R. Voltage stability index for Distribution Network connected in Loop Configuration. IETE J. Res. 2017, 63, 281–293. [Google Scholar] [CrossRef]
- Gu, J.; Shen, K.; Liao, W. Performance assessment for normally closed-loop type distribution power systems%. In Proceedings of the International Conference on Power Systems (7th WSEAS), Singapore, 3–6 December 2007; p. 138. [Google Scholar]
- Kazmi, S.A.A.; Shin, D.R. DG placement in loop distribution network with new voltage stability index and loss minimization condition based planning approach under load growth. Energies 2017, 10, 1203. [Google Scholar] [CrossRef]
- Seo, H.-C. New protection scheme in loop Distribution system with distributed generation. Energies 2020, 13, 5897. [Google Scholar] [CrossRef]
- Ju, Y.; Wu, W.; Zhang, B.; Sun, H. Loop-analysis-based continuation power flow algorithm for distribution networks. IET Gener. Transm. Distrib. 2014, 8, 1284–1292. [Google Scholar] [CrossRef]
- Kazmi, S.A.A.; Hasan, S.F.; Shin, D.-R. Multi criteria decision analysis for optimum DG placement in smart grids. In Proceedings of the 2015 IEEE Innovative Smart Grid Technologies-Asia (ISGT ASIA), Bangkok, Thailand, 3–6 November 2015; pp. 1–5. [Google Scholar]
- Polajžer, B.; Pintarič, M.; Rošer, M.; Štumberger, G. Protection of MV closed-loop distribution networks with Bi-directional overcurrent relays and goose communications. IEEE Access 2019, 7, 165884–165896. [Google Scholar] [CrossRef]
- Walling, R.; Saint, R.; Dugan, R.C.; Burke, J.; Kojovic, L.A. Summary of distributed resources impact on power delivery systems. IEEE Trans. Power Deliv. 2008, 23, 1636–1644. [Google Scholar] [CrossRef]
- Chen, T.-H.; Lin, E.-H.; Yang, N.-C.; Hsieh, T.-Y. Multi-objective optimization for upgrading primary feeders with distributed generators from normally closed loop to mesh arrangement. Int. J. Electr. Power Energy Syst. 2013, 45, 413–419. [Google Scholar] [CrossRef]
- Bohre, A.K.; Agnihotri, G.; Dubey, M.; Kalambe, S. Impacts of the Load Models on Optimal Planning of Distributed Generation in Distribution System. Adv. Artif. Intell. (16877470) 2015, 2015, 297436. [Google Scholar] [CrossRef]
- Li, Z.; Wu, W.; Tai, X.; Zhang, B. A Reliability-Constrained Expansion Planning Model for Mesh Distribution Networks. IEEE Trans. Power Syst. 2020, 36, 948–960. [Google Scholar] [CrossRef]
- Ravadanegh, S.N.; Roshanagh, R.G. On optimal multistage electric power distribution networks expansion planning. Int. J. Electr. Power Energy Syst. 2014, 54, 487–497. [Google Scholar] [CrossRef]
- Dumbrava, V.; Ulmeanu, P.; Duquenne, P.; Lazaroiu, C.; Scutariu, M. Expansion planning of distribution networks by heuristic algorithms. In Proceedings of the 45th International Universities Power Engineering Conference UPEC2010, Cardiff, UK, 3 September 2010; pp. 1–6. [Google Scholar]
- Dumbrava, V.; Lazaroiu, C.; Roscia, C.; Zaninelli, D. Expansion planning and reliability evaluation of distribution networks by heuristic algorithms. In Proceedings of the 2011 10th International Conference on Environment and Electrical Engineering, Rome, Italy, 8–11 May 2011; pp. 1–4. [Google Scholar]
- Zhou, Y.; Ding, H.; Shi, T.; Fang, R.; Wang, Y.; Bie, F. Mesh Planning Optimization for Urban Distribution Network with High Reliability. In Proceedings of the IOP Conference Series: Earth and Environmental Science, Jakarta, Indonesia, 25–26 September 2021; p. 012001. [Google Scholar]
- Ptacek, M.; Vycital, V.; Toman, P.; Vaculik, J. Analysis of dense-mesh distribution network operation using long-term monitoring data. Energies 2019, 12, 4342. [Google Scholar] [CrossRef]
- Džafić, I.; Jabr, R.A. Real time multiphase state estimation in weakly meshed distribution networks with distributed generation. IEEE Trans. Power Syst. 2017, 32, 4560–4569. [Google Scholar] [CrossRef]
- Yusran, Y.; Rahman, Y.A.; Gunadin, I.C.; Said, S.M.; Syafaruddin, S. Mesh grid power quality enhancement with synchronous distributed generation: Optimal allocation planning using breeder genetic algorithm. Przegląd Elektrotechniczny 2020, 96, 82–86. [Google Scholar] [CrossRef]
- Babu, P.V.; Singh, S. Optimal Placement of DG in Distribution network for Power loss minimization using NLP & PLS Technique. Energy Procedia 2016, 90, 441–454. [Google Scholar]
- Kazmi, S.A.A.; Janjua, A.K.; Shin, D.R. Enhanced Voltage Stability Assessment Index Based Planning Approach for Mesh Distribution Systems. Energies 2018, 11, 1213. [Google Scholar] [CrossRef]
- Kazmi, S.A.A.; Ameer Khan, U.; Ahmad, H.W.; Ali, S.; Shin, D.R. A techno-economic centric integrated decision-making planning approach for optimal assets placement in meshed distribution network across the load growth. Energies 2020, 13, 1444. [Google Scholar] [CrossRef]
- Gupta, A.R. Effective Utilisation of Weakly Meshed Distribution Network with DG and D-STATCOM. J. Inst. Eng. (India) Ser. B 2021, 102, 679–690. [Google Scholar] [CrossRef]
- Kazmi, S.A.A.; Ahmad, H.W.; Shin, D.R. A New Improved Voltage Stability Assessment Index-centered Integrated Planning Approach for Multiple Asset Placement in Mesh Distribution Systems. Energies 2019, 12, 3163. [Google Scholar] [CrossRef]
- Gupta, A.R.; Kumar, A. Optimal placement of D-STATCOM using sensitivity approaches in mesh distribution system with time variant load models under load growth. Ain Shams Eng. J. 2018, 9, 783–799. [Google Scholar] [CrossRef]
- Ugranlı, F.; Karatepe, E. Convergence of rule-of-thumb sizing and allocating rules of distributed generation in meshed power networks. Renew. Sustain. Energy Rev. 2012, 16, 582–590. [Google Scholar] [CrossRef]
- Murty, V.; Kumar, A. Mesh distribution system analysis in presence of distributed generation with time varying load model. Int. J. Electr. Power Energy Syst. 2014, 62, 836–854. [Google Scholar] [CrossRef]
- Chalapathi, B.; Agrawal, D.; Murty, V.; Kumar, A. Optimal placement of Distribution Generation in weakly meshed Distribution Network for energy efficient operation. In Proceedings of the 2015 Conference on Power, Control, Communication and Computational Technologies for Sustainable Growth (PCCCTSG), Kurnool, India, 11–12 December 2015; pp. 150–155. [Google Scholar]
- Nojavan, S.; Jalali, M.; Zare, K. An MINLP approach for optimal DG unit’s allocation in radial/mesh distribution systems take into account voltage stability index. Iran. J. Sci. Technol. Trans. Electr. Eng. 2015, 39, 155–165. [Google Scholar]
- Ahmad, H.W.; Ali, Q.; Kazmi, S.A.A. Optimal Placement and Sizing of Distributed Generator in Meshed Distribution System. In Proceedings of the 2019 3rd International Conference on Energy Conservation and Efficiency (ICECE), Lahore, Pakistan, 23–24 October 2019; pp. 1–6. [Google Scholar]
- Ruben, B.; Cross, A.; Strickland, D.; Aten, M.; Ferris, R. Meshing radial networks at 11kV. In Proceedings of the 2011 2nd IEEE PES International Conference and Exhibition on Innovative Smart Grid Technologies, Manchester, UK, 5–7 December 2011; pp. 1–8. [Google Scholar]
- Agrawal, P.; Kanwar, N.; Gupta, N.; Niazi, K.; Swarnkar, A. Resiliency in active distribution systems via network reconfiguration. Sustain. Energy Grids Netw. 2021, 26, 100434. [Google Scholar] [CrossRef]
- Hijazi, H.; Thiébaux, S. Optimal distribution systems reconfiguration for radial and meshed grids. Int. J. Electr. Power Energy Syst. 2015, 72, 136–143. [Google Scholar] [CrossRef]
- Silva, L.I.; Belati, E.A.; Gerez, C.; Junior, I.C.S. Reduced search space combined with particle swarm optimization for distribution system reconfiguration. Electr. Eng. 2021, 103, 1127–1139. [Google Scholar] [CrossRef]
- Chang, G.; Chu, S.-Y.; Hsu, M.-F.; Chuang, C.-S.; Wang, H.-L. An efficient power flow algorithm for weakly meshed distribution systems. Electr. Power Syst. Res. 2012, 84, 90–99. [Google Scholar] [CrossRef]
- Dong, Z.; Yang, Z.; Peng, J.; Huo, P. Study on Mesh Adaptive Direct Search Algorithm for Distribution Network Reconfiguration with Distribution Generators. In Proceedings of the 2019 IEEE 3rd International Electrical and Energy Conference (CIEEC), Beijing, China, 7–9 September 2019; pp. 1281–1286. [Google Scholar]
- Gilvanejad, M.; Ghadiri, H.; Shariati, M.; Farzalizadeh, S.; Arefi, A. A novel algorithm for distribution network planning using loss reduction approach. In Proceedings of the 2007 Australasian Universities Power Engineering Conference, Perth, Australia, 9–12 December 2007; pp. 1–6. [Google Scholar]
- HA, M.P.; Huy, P.D.; Ramachandaramurthy, V.K. A review of the optimal allocation of distributed generation: Objectives, constraints, methods, and algorithms. Renew. Sustain. Energy Rev. 2017, 75, 293–312. [Google Scholar]
- Chabok, B.S.; Ashouri, A. Optimal placement of D-STATCOMs into the radial distribution networks in the presence of distributed generations. Am. J. Electr. Electron. Eng. 2016, 4, 40–48. [Google Scholar]
- Ghiani, E.; Pisano, G. Impact of renewable energy sources and energy storage technologies on the operation and planning of smart distribution networks. In Operation of Distributed Energy Resources in Smart Distribution Networks; Elsevier: Amsterdam, The Netherlands, 2018; pp. 25–48. [Google Scholar]
- Cristian, N.; Al Ameri Ahmed, B.D. Impact Analysis of Distributed Generation on Mesh and Radial distribution network. Overview and State of the art. Fuel 2013, 1, 5MW. [Google Scholar]
- Chen, L.Y.; Reiser, H. Distributed Applications and Interoperable Systems; Springer: Berlin/Heidelberg, Germany, 2017. [Google Scholar]
- Al-Ismail, F.S. DC microgrid planning, operation, and control: A comprehensive review. IEEE Access 2021, 9, 36154–36172. [Google Scholar] [CrossRef]
- Khodaei, A.; Bahramirad, S.; Shahidehpour, M. Microgrid planning under uncertainty. IEEE Trans. Power Syst. 2014, 30, 2417–2425. [Google Scholar] [CrossRef]
- Khodaei, A. Provisional microgrid planning. IEEE Trans. Smart Grid 2015, 8, 1096–1104. [Google Scholar] [CrossRef]
- Gamarra, C.; Guerrero, J.M. Computational optimization techniques applied to microgrids planning: A review. Renew. Sustain. Energy Rev. 2015, 48, 413–424. [Google Scholar] [CrossRef]
- Lotfi, H.; Khodaei, A. AC versus DC microgrid planning. IEEE Trans. Smart Grid 2015, 8, 296–304. [Google Scholar] [CrossRef]
- Lotfi, H.; Khodaei, A. Hybrid AC/DC microgrid planning. Energy 2017, 118, 37–46. [Google Scholar] [CrossRef]
- Guoping, Z.; Weijun, W.; Longbo, M. An overview of microgrid planning and design method. In Proceedings of the 2018 IEEE 3rd Advanced Information Technology, Electronic and Automation Control Conference (IAEAC), Chongqing, China, 12–14 October 2018; pp. 326–329. [Google Scholar]
- Danish, M.; Matayoshi, H.; Howlader, H.; Chakraborty, S.; Mandal, P.; Senjyu, T. Microgrid planning and design: Resilience to sustainability. In Proceedings of the 2019 IEEE PES GTD Grand International Conference and Exposition Asia (GTD Asia), Bangkok, Thailand, 19–23 March 2019; pp. 253–258. [Google Scholar]
- Cheah, P.; Gooi, H.; Soo, F. Quarter-hour-ahead load forecasting for microgrid energy management system. In Proceedings of the 2011 IEEE Trondheim PowerTech, Trondheim, Norway, 19–23 June 2011; pp. 1–6. [Google Scholar]
- Hernandez, L.; Baladrón, C.; Aguiar, J.M.; Carro, B.; Sanchez-Esguevillas, A.J.; Lloret, J. Short-term load forecasting for microgrids based on artificial neural networks. Energies 2013, 6, 1385–1408. [Google Scholar] [CrossRef]
- Hernández, L.; Baladrón, C.; Aguiar, J.M.; Carro, B.; Sánchez-Esguevillas, A.; Lloret, J. Artificial neural networks for short-term load forecasting in microgrids environment. Energy 2014, 75, 252–264. [Google Scholar] [CrossRef]
- Chitsaz, H.; Shaker, H.; Zareipour, H.; Wood, D.; Amjady, N. Short-term electricity load forecasting of buildings in microgrids. Energy Build. 2015, 99, 50–60. [Google Scholar] [CrossRef]
- Tesfaye, A.; Zhang, J.; Zheng, D.; Shiferaw, D. Short-term wind power forecasting using artificial neural networks for resource scheduling in microgrids. Int. J. Sci. Eng. Appl. (IJSEA) 2016, 5, 144–151. [Google Scholar] [CrossRef]
- Rodríguez, F.; Fleetwood, A.; Galarza, A.; Fontán, L. Predicting solar energy generation through artificial neural networks using weather forecasts for microgrid control. Renew. Energy 2018, 126, 855–864. [Google Scholar] [CrossRef]
- Aslam, M.; Lee, J.-M.; Kim, H.-S.; Lee, S.-J.; Hong, S. Deep learning models for long-term solar radiation forecasting considering microgrid installation: A comparative study. Energies 2020, 13, 147. [Google Scholar] [CrossRef]
- Izzatillaev, J.; Yusupov, Z. Short-term load forecasting in grid-connected microgrid. In Proceedings of the 2019 7th International Istanbul Smart Grids and Cities Congress and Fair (ICSG), Istanbul, Turkey, 25–26 April 2019; pp. 71–75. [Google Scholar]
- Moradzadeh, A.; Zakeri, S.; Shoaran, M.; Mohammadi-Ivatloo, B.; Mohammadi, F. Short-term load forecasting of microgrid via hybrid support vector regression and long short-term memory algorithms. Sustainability 2020, 12, 7076. [Google Scholar] [CrossRef]
- Moradzadeh, A.; Moayyed, H.; Zakeri, S.; Mohammadi-Ivatloo, B.; Aguiar, A.P. Deep Learning-Assisted Short-Term Load Forecasting for Sustainable Management of Energy in Microgrid. Inventions 2021, 6, 15. [Google Scholar] [CrossRef]
- Dou, C.-x.; An, X.-g.; Yue, D. Multi-agent system based energy management strategies for microgrid by using renewable energy source and load forecasting. Electr. Power Compon. Syst. 2016, 44, 2059–2072. [Google Scholar] [CrossRef]
- Semero, Y.K.; Zhang, J.; Zheng, D.; Wei, D. An accurate very short-term electric load forecasting model with binary genetic algorithm based feature selection for microgrid applications. Electr. Power Compon. Syst. 2018, 46, 1570–1579. [Google Scholar] [CrossRef]
- Kamh, M.Z.; Iravani, R.; EL-Fouly, T.H. Realizing a smart microgrid—Pioneer Canadian experience. In Proceedings of the 2012 IEEE Power and Energy Society General Meeting, San Diego, CA, USA, 22–26 July 2012; pp. 1–8. [Google Scholar]
- Arefifar, S.A.; Mohamed, Y.A.-R.I.; El-Fouly, T.H. Supply-adequacy-based optimal construction of microgrids in smart distribution systems. IEEE Trans. Smart Grid 2012, 3, 1491–1502. [Google Scholar] [CrossRef]
- Arefifar, S.A.; Yasser, A.-R.M.; El-Fouly, T.H. Optimum microgrid design for enhancing reliability and supply-security. IEEE Trans. Smart Grid 2013, 4, 1567–1575. [Google Scholar] [CrossRef]
- Li, P.; Li, T.; Li, J.; Ma, J. Optimum allocation and sizing of distributed generators in Microgrid. In Proceedings of the 2013 International Conference on Electrical Machines and Systems (ICEMS), Busan, Republic of Korea, 26–29 October 2013; pp. 324–328. [Google Scholar]
- Chen, C.; Duan, S. Optimal allocation of distributed generation and energy storage system in microgrids. IET Renew. Power Gener. 2014, 8, 581–589. [Google Scholar] [CrossRef]
- Ashtiani, N.A.; Gholami, M.; Gharehpetian, G. Optimal allocation of energy storage systems in connected microgrid to minimize the energy cost. In Proceedings of the 2014 19th Conference on Electrical Power Distribution Networks (EPDC), Tehran, Iran, 6–7 May 2014; pp. 25–28. [Google Scholar]
- Sheng, W.; Liu, K.-y.; Meng, X.; Ye, X.; Liu, Y. Research and practice on typical modes and optimal allocation method for PV-Wind-ES in Microgrid. Electr. Power Syst. Res. 2015, 120, 242–255. [Google Scholar] [CrossRef]
- Sfikas, E.; Katsigiannis, Y.; Georgilakis, P. Simultaneous capacity optimization of distributed generation and storage in medium voltage microgrids. Int. J. Electr. Power Energy Syst. 2015, 67, 101–113. [Google Scholar] [CrossRef]
- Wu, H.; Zhuang, H.; Zhang, W.; Ding, M. Optimal allocation of microgrid considering economic dispatch based on hybrid weighted bilevel planning method and algorithm improvement. Int. J. Electr. Power Energy Syst. 2016, 75, 28–37. [Google Scholar] [CrossRef]
- Tooryan, F.; Collins, E.R.; Ahmadi, A.; Rangarajan, S.S. Distributed generators optimal sizing and placement in a microgrid using PSO. In Proceedings of the 2017 IEEE 6th International Conference on Renewable Energy Research and Applications (ICRERA), San Diego, CA, USA, 5–8 November 2017; pp. 614–619. [Google Scholar]
- Hakimi, S.M.; Hasankhani, A.; Shafie-khah, M.; Catalão, J.P. Optimal sizing and siting of smart microgrid components under high renewables penetration considering demand response. IET Renew. Power Gener. 2019, 13, 1809–1822. [Google Scholar] [CrossRef]
- Karimizadeh, K.; Soleymani, S.; Faghihi, F. Microgrid utilization by optimal allocation of DG units: Game theory coalition formulation strategy and uncertainty in renewable energy resources. J. Renew. Sustain. Energy 2019, 11, 025505. [Google Scholar] [CrossRef]
- Qiu, J.; Zhao, J.; Zheng, Y.; Dong, Z.; Dong, Z.Y. Optimal allocation of BESS and MT in a microgrid. IET Gener. Transm. Distrib. 2018, 12, 1988–1997. [Google Scholar] [CrossRef]
- Nojavan, S.; Majidi, M.; Esfetanaj, N.N. An efficient cost-reliability optimization model for optimal siting and sizing of energy storage system in a microgrid in the presence of responsible load management. Energy 2017, 139, 89–97. [Google Scholar] [CrossRef]
- Alsaidan, I.; Khodaei, A.; Gao, W. A comprehensive battery energy storage optimal sizing model for microgrid applications. IEEE Trans. Power Syst. 2017, 33, 3968–3980. [Google Scholar] [CrossRef]
- Gong, Q.; Fang, J.; Qiao, H.; Liu, D.; Tan, S.; Zhang, H.; He, H. Optimal allocation of energy storage system considering price-based demand response and dynamic characteristics of VRB in Wind-PV-ES hybrid microgrid. Processes 2019, 7, 483. [Google Scholar] [CrossRef]
- Rawa, M.; Abusorrah, A.; Al-Turki, Y.; Mekhilef, S.; Mostafa, M.H.; Ali, Z.M.; Aleem, S.H. Optimal allocation and economic analysis of battery energy storage systems: Self-consumption rate and hosting capacity enhancement for microgrids with high renewable penetration. Sustainability 2020, 12, 10144. [Google Scholar] [CrossRef]
- Majumder, R. Reactive power compensation in single-phase operation of microgrid. IEEE Trans. Ind. Electron. 2012, 60, 1403–1416. [Google Scholar] [CrossRef]
- Calderaro, V.; Lattarulo, V.; Piccolo, A.; Siano, P. Optimal switch placement by alliance algorithm for improving microgrids reliability. IEEE Trans. Ind. Inform. 2012, 8, 925–934. [Google Scholar] [CrossRef]
- Prommee, W.; Ongsakul, W. Multi-objective optimal placement of protective devices on microgrid using improved binary multi-objective PSO. Int. Trans. Electr. Energy Syst. 2015, 25, 2621–2638. [Google Scholar] [CrossRef]
- Reimer, B.; Khalili, T.; Bidram, A.; Reno, M.J.; Matthews, R.C. Optimal Protection Relay Placement in Microgrids. In Proceedings of the 2020 IEEE Kansas Power and Energy Conference (KPEC), Manhattan, USA, 13–14 July 2020; pp. 1–6. [Google Scholar]
- Etxeberria, A.; Vechiu, I.; Camblong, H.; Vinassa, J.-M. Comparison of three topologies and controls of a hybrid energy storage system for microgrids. Energy Convers. Manag. 2012, 54, 113–121. [Google Scholar] [CrossRef]
- Arghandeh, R.; Gahr, M.; von Meier, A.; Cavraro, G.; Ruh, M.; Andersson, G. Topology detection in microgrids with micro-synchrophasors. In Proceedings of the 2015 IEEE Power & Energy Society General Meeting, Denver, CO, USA, 26–30 July 2015; pp. 1–5. [Google Scholar]
- Che, L.; Zhang, X.; Shahidehpour, M.; Alabdulwahab, A.; Al-Turki, Y. Optimal planning of loop-based microgrid topology. IEEE Trans. Smart Grid 2016, 8, 1771–1781. [Google Scholar] [CrossRef]
- Cortes, C.A.; Contreras, S.F.; Shahidehpour, M. Microgrid topology planning for enhancing the reliability of active distribution networks. IEEE Trans. Smart Grid 2017, 9, 6369–6377. [Google Scholar] [CrossRef]
- Lou, G.; Gu, W.; Wang, J.; Sheng, W.; Sun, L. Optimal design for distributed secondary voltage control in islanded microgrids: Communication topology and controller. IEEE Trans. Power Syst. 2018, 34, 968–981. [Google Scholar] [CrossRef]
- Abhiram, V.; Shyam, A.; Sahoo, S.R.; Anand, S. Communication Topology Selection for Secondary Controllers in DC Microgrid. In Proceedings of the 2019 National Power Electronics Conference (NPEC), Tiruchirappalli, India, 13–15 December 2019; pp. 1–6. [Google Scholar]
- Ustun, T.S.; Ayyubi, S. Automated network topology extraction based on graph theory for distributed microgrid protection in dynamic power systems. Electronics 2019, 8, 655. [Google Scholar] [CrossRef]
- Martinez-Bolaños, J.; Silva, V.; Zucchi, M.; Heideier, R.; Relva, S.; Saidel, M.; Fadigas, E. Performance Analysis of Topologies for Autonomous Hybrid Microgrids in Remote Non-Interconnected Communities in the Amazon Region. Sustainability 2021, 13, 44. [Google Scholar] [CrossRef]
- Santos, A.Q.; Ma, Z.; Olsen, C.G.; Jørgensen, B.N. Framework for microgrid design using social, economic, and technical analysis. Energies 2018, 11, 2832. [Google Scholar] [CrossRef]
- Llanos, J.; Sáez, D.; Palma-Behnke, R.; Núñez, A.; Jiménez-Estévez, G. Load profile generator and load forecasting for a renewable based microgrid using self organizing maps and neural networks. In Proceedings of the 2012 International Joint Conference on Neural Networks (IJCNN), Brisbane, Australia, 10–15 June 2012; pp. 1–8. [Google Scholar]
- Wang, R.-Q.; Li, K.; Zhang, C.-H. Optimization allocation of microgrid capacity based on chaotic multi-objective genetic algorithm. Power Syst. Prot. Control. 2011, 39, 16–22. [Google Scholar]
- Liu, Y.X.; Liu, Y.; Du, Y.S.; Wang, R.Q.; Huang, W. Optimal Allocation of Distributed Generation in Micro-grid Based on the Theory of Life Cycle Cost. In Proceedings of the Advanced Materials Research, Durnten-Zurich, Switzerland, 13 December 2012; pp. 1903–1907. [Google Scholar]
- Sun, Q.; Huang, B.; Li, D.; Ma, D.; Zhang, Y. Optimal placement of energy storage devices in microgrids via structure preserving energy function. IEEE Trans. Ind. Inform. 2016, 12, 1166–1179. [Google Scholar] [CrossRef]
- Hu, X.; Zhou, H.; Liu, Z.-W.; Guan, Z.-H.; Chi, M. Reactive power compensation in microgrids via distributed control strategy. In Proceedings of the 2016 12th World Congress on Intelligent Control and Automation (WCICA), Guilin, China, 12–15 June 2016; pp. 1635–1640. [Google Scholar]
- Gayatri, M.; Parimi, A.M.; Kumar, A.P. A review of reactive power compensation techniques in microgrids. Renew. Sustain. Energy Rev. 2018, 81, 1030–1036. [Google Scholar] [CrossRef]
- Jafari, M.; Hunter, G.; Zhu, J.G. A new topology of multi-input multi-output Buck-Boost DC-DC Converter for microgrid applications. In Proceedings of the 2012 IEEE International Conference on Power and Energy (PECon), Kota Kinabalu, Malaysia, 2–5 December 2012; pp. 286–291. [Google Scholar]
- Liu, Z.; Yi, Y.; Yang, J.; Tang, W.; Zhang, Y.; Xie, X.; Ji, T. Optimal planning and operation of dispatchable active power resources for islanded multi-microgrids under decentralised collaborative dispatch framework. IET Gener. Transm. Distrib. 2019, 14, 408–422. [Google Scholar] [CrossRef]
- Ghanbari, A.; Karimi, H.; Jadid, S. Optimal planning and operation of multi-carrier networked microgrids considering multi-energy hubs in distribution networks. Energy 2020, 204, 117936. [Google Scholar] [CrossRef]
- Yang, Y.; Pei, W.; Huo, Q.; Sun, J.; Xu, F. Coordinate planning of multiple microgrids and distribution network with mixed AC/DC interconnection method. Energy Procedia 2018, 145, 313–318. [Google Scholar] [CrossRef]
- Ali, L.; Muyeen, S.; Bizhani, H.; Ghosh, A. Optimal planning of clustered microgrid using a technique of cooperative game theory. Electr. Power Syst. Res. 2020, 183, 106262. [Google Scholar] [CrossRef]
- Esmaeili, M.; Shayeghi, H.; Valipour, K.; Safari, A.; Sedaghati, F. Optimal Sizing and Setting of Distributed Power Condition Controller in Isolated Multi-Microgrid. Int. J. Renew. Energy Res. (IJRER) 2020, 10, 1359–1368. [Google Scholar]
- Karimi, H.; Jadid, S. Optimal energy management for multi-microgrid considering demand response programs: A stochastic multi-objective framework. Energy 2020, 195, 116992. [Google Scholar] [CrossRef]
- Pinto, R.S.; Unsihuay-Vila, C.; Tabarro, F.H. Coordinated operation and expansion planning for multiple microgrids and active distribution networks under uncertainties. Appl. Energy 2021, 297, 117108. [Google Scholar] [CrossRef]
- Hakimi, S.M.; Hasankhani, A.; Shafie-khah, M.; Catalão, J.P. Stochastic planning of a multi-microgrid considering integration of renewable energy resources and real-time electricity market. Appl. Energy 2021, 298, 117215. [Google Scholar] [CrossRef]
- Sivakumar, K.; Jayashree, R.; Danasagaran, K. Efficiency-driven planning for sizing of distributed generators and optimal construction of a cluster of microgrids. Eng. Sci. Technol. Int. J. 2021, 24, 1153–1167. [Google Scholar] [CrossRef]
- Ali, L.; Muyeen, S.; Bizhani, H.; Simoes, M.G. Game Approach for Sizing and Cost Minimization of a Multi-microgrids using a Multi-objective Optimization. In Proceedings of the 2021 IEEE Green Technologies Conference (GreenTech), Denver, CO, USA, 7–9 April 2021; pp. 507–512. [Google Scholar]
- Srinivasarathnam, C.; Yammani, C.; Maheswarapu, S. Multi-objective jaya algorithm for optimal scheduling of DGs in distribution system sectionalized into multi-microgrids. Smart Sci. 2019, 7, 59–78. [Google Scholar] [CrossRef]
- Erol-Kantarci, M.; Kantarci, B.; Mouftah, H.T. Reliable overlay topology design for the smart microgrid network. IEEE Netw. 2011, 25, 38–43. [Google Scholar] [CrossRef]
- Che, L.; Zhang, X.; Shahidehpour, M.; Alabdulwahab, A.; Abusorrah, A. Optimal interconnection planning of community microgrids with renewable energy sources. IEEE Trans. Smart Grid 2015, 8, 1054–1063. [Google Scholar] [CrossRef]
- Ge, S.; Li, J.; Liu, H.; Sun, H.; Wang, Y. Research on operation–planning double-layer optimization design method for multi-energy microgrid considering reliability. Appl. Sci. 2018, 8, 2062. [Google Scholar] [CrossRef]
- Samadi Gazijahani, F.; Salehi, J. Stochastic multi-objective framework for optimal dynamic planning of interconnected microgrids. IET Renew. Power Gener. 2017, 11, 1749–1759. [Google Scholar] [CrossRef]
- Liu, Z.; Chen, Y.; Zhuo, R.; Jia, H. Energy storage capacity optimization for autonomy microgrid considering CHP and EV scheduling. Appl. Energy 2018, 210, 1113–1125. [Google Scholar] [CrossRef]
- Du, Y.; Li, F.; Li, J.; Zheng, T. Achieving 100× acceleration for N-1 contingency screening with uncertain scenarios using deep convolutional neural network. IEEE Trans. Power Syst. 2019, 34, 3303–3305. [Google Scholar] [CrossRef]
- Du, Y.; Li, F. Intelligent multi-microgrid energy management based on deep neural network and model-free reinforcement learning. IEEE Trans. Smart Grid 2019, 11, 1066–1076. [Google Scholar] [CrossRef]
- Srinivasarathnam, C.; Yammani, C.; Maheswarapu, S. Optimal Scheduling of Micro-sources in Multi-Microgrids for Reliability Improvement. In Proceedings of the 2019 National Power Electronics Conference (NPEC), Tiruchirappalli, India, 13–15 December 2019; pp. 1–6. [Google Scholar]
- Moghateli, F.; Taher, S.A.; Karimi, A.; Shahidehpour, M. Multi-objective design method for construction of multi-microgrid systems in active distribution networks. IET Smart Grid 2020, 3, 331–341. [Google Scholar] [CrossRef]
- Liu, X.; Gao, B.; Zhu, Z.; Tang, Y. Non-cooperative and cooperative optimisation of battery energy storage system for energy management in multi-microgrid. IET Gener. Transm. Distrib. 2018, 12, 2369–2377. [Google Scholar] [CrossRef]
- Zou, H.; Mao, S.; Wang, Y.; Zhang, F.; Chen, X.; Cheng, L. A survey of energy management in interconnected multi-microgrids. IEEE Access 2019, 7, 72158–72169. [Google Scholar] [CrossRef]
- Aghdam, F.H.; Salehi, J.; Ghaemi, S. Contingency based energy management of multi-microgrid based distribution network. Sustain. Cities Soc. 2018, 41, 265–274. [Google Scholar] [CrossRef]
- Parisio, A.; Wiezorek, C.; Kyntäjä, T.; Elo, J.; Strunz, K.; Johansson, K.H. Cooperative MPC-based energy management for networked microgrids. IEEE Trans. Smart Grid 2017, 8, 3066–3074. [Google Scholar] [CrossRef]
- Wang, Y.; Mao, S.; Nelms, R.M. On hierarchical power scheduling for the macrogrid and cooperative microgrids. IEEE Trans. Ind. Inform. 2015, 11, 1574–1584. [Google Scholar] [CrossRef]
- Farzin, H.; Fotuhi-Firuzabad, M.; Moeini-Aghtaie, M. Enhancing power system resilience through hierarchical outage management in multi-microgrids. IEEE Trans. Smart Grid 2016, 7, 2869–2879. [Google Scholar] [CrossRef]
- Bui, V.-H.; Hussain, A.; Kim, H.-M. A multiagent-based hierarchical energy management strategy for multi-microgrids considering adjustable power and demand response. IEEE Trans. Smart Grid 2016, 9, 1323–1333. [Google Scholar] [CrossRef]
- Ma, W.-J.; Wang, J.; Gupta, V.; Chen, C. Distributed energy management for networked microgrids using online ADMM with regret. IEEE Trans. Smart Grid 2016, 9, 847–856. [Google Scholar] [CrossRef]
- Guo, C.; Wang, X.; Zheng, Y.; Zhang, F. Optimal energy management of multi-microgrids connected to distribution system based on deep reinforcement learning. Int. J. Electr. Power Energy Syst. 2021, 131, 107048. [Google Scholar] [CrossRef]
- Arefifar, S.A.; Ordonez, M.; Mohamed, Y.A.-R.I. Energy management in multi-microgrid systems—Development and assessment. IEEE Trans. Power Syst. 2016, 32, 910–922. [Google Scholar] [CrossRef]
- Liu, Z.; Zou, B.; Huang, J.; Zhang, X.; Wang, L.; Wen, F. Optimal planning of a virtual power plant with demand side management. In Proceedings of the TENCON 2018–2018 IEEE Region 10 Conference, Jeju, Republic of Korea, 28–31 October 2018; pp. 0859–0864. [Google Scholar]
- Bagchi, A.; Goel, L.; Wang, P. An Optimal Virtual Power Plant Planning Strategy from a Composite System Cost/Worth Perspective. In Proceedings of the 2019 IEEE Milan PowerTech, Milan, Italy, 23–27 June 2019; pp. 1–6. [Google Scholar]
- Shinde, P.; Kouveliotis-Lysikatos, I.; Amelin, M. Multistage Stochastic Programming for VPP Trading in Continuous Intraday Electricity Markets. IEEE Trans. Sustain. Energy 2021, 13, 1037–1048. [Google Scholar] [CrossRef]
- Dashtdar, M.; Najafi, M.; Esmaeilbeig, M. Probabilistic planning for participation of virtual power plants in the presence of the thermal power plants in energy and reserve markets. Sādhanā 2020, 45, 1–9. [Google Scholar] [CrossRef]
- Li, J.; Lu, B.; Wang, Z.; Zhu, M. Bi-level optimal planning model for energy storage systems in a virtual power plant. Renew. Energy 2021, 165, 77–95. [Google Scholar] [CrossRef]
- Shabanzadeh, M.; Sheikh-El-Eslami, M.-K.; Haghifam, M.-R. The design of a risk-hedging tool for virtual power plants via robust optimization approach. Appl. Energy 2015, 155, 766–777. [Google Scholar] [CrossRef]
- Baringo, A.; Baringo, L.; Arroyo, J.M. Holistic planning of a virtual power plant with a nonconvex operational model: A risk-constrained stochastic approach. Int. J. Electr. Power Energy Syst. 2021, 132, 107081. [Google Scholar] [CrossRef]
- Hadayeghparast, S.; Farsangi, A.S.; Shayanfar, H. Day-ahead stochastic multi-objective economic/emission operational scheduling of a large scale virtual power plant. Energy 2019, 172, 630–646. [Google Scholar] [CrossRef]
- Zhou, C.; Huang, G.; Chen, J. Planning of electric power systems considering virtual power plants with dispatchable loads included: An inexact two-stage stochastic linear programming model. Math. Probl. Eng. 2018, 2018, 7049329. [Google Scholar] [CrossRef]
- Luo, F.; Dong, Z.Y.; Meng, K.; Qiu, J.; Yang, J.; Wong, K.P. Short-term operational planning framework for virtual power plants with high renewable penetrations. IET Renew. Power Gener. 2016, 10, 623–633. [Google Scholar] [CrossRef]
- Liu, Y.; Yang, J.; Tang, Y.; Xu, J.; Sun, Y.; Chen, Y.; Peng, X.; Liao, S. Bi-level fuzzy stochastic expectation modelling and optimization for energy storage systems planning in virtual power plants. J. Renew. Sustain. Energy 2019, 11, 014101. [Google Scholar] [CrossRef]
- Sadeghian, O.; Oshnoei, A.; Khezri, R.; Muyeen, S. Risk-constrained stochastic optimal allocation of energy storage system in virtual power plants. J. Energy Storage 2020, 31, 101732. [Google Scholar] [CrossRef]
- Liang, H.; Ma, J. Data-Driven Resource Planning for Virtual Power Plant Integrating Demand Response Customer Selection and Storage. IEEE Trans. Ind. Inform. 2021, 18, 1833–1844. [Google Scholar] [CrossRef]
- Liu, J.; Li, J.; Xiang, Y.; Zhang, X.; Jiang, W. Optimal sizing of cascade hydropower and distributed photovoltaic included virtual power plant considering investments and complementary benefits in electricity markets. Energies 2019, 12, 952. [Google Scholar] [CrossRef]
- Geng, S.; Tan, C.; Niu, D.; Guo, X. Optimal Allocation Model of Virtual Power Plant Capacity considering Electric Vehicles. Math. Probl. Eng. 2021, 2021, 5552323. [Google Scholar] [CrossRef]
- Ko, R.; Joo, S.-K. Stochastic mixed-integer programming (SMIP)-based distributed energy resource allocation method for virtual power plants. Energies 2020, 13, 67. [Google Scholar] [CrossRef]
- Sheidaei, F.; Ahmarinejad, A. Multi-stage stochastic framework for energy management of virtual power plants considering electric vehicles and demand response programs. Int. J. Electr. Power Energy Syst. 2020, 120, 106047. [Google Scholar] [CrossRef]
- Liang, Z.; Alsafasfeh, Q.; Jin, T.; Pourbabak, H.; Su, W. Risk-constrained optimal energy management for virtual power plants considering correlated demand response. IEEE Trans. Smart Grid 2017, 10, 1577–1587. [Google Scholar] [CrossRef]
- Maanavi, M.; Najafi, A.; Godina, R.; Mahmoudian, M.; MG Rodrigues, E. Energy management of virtual power plant considering distributed generation sizing and pricing. Appl. Sci. 2019, 9, 2817. [Google Scholar] [CrossRef]
- Magdy, F.E.Z.; Ibrahim, D.K.; Sabry, W. Energy management of virtual power plants dependent on electro-economical model. Ain Shams Eng. J. 2020, 11, 643–649. [Google Scholar] [CrossRef]
- Sosnina, E.N.; Shalukho, A.V.; Lipuzhin, I.A.; Kechkin, A.Y.; Voroshilov, A.A. Optimization of virtual power plant topology with distributed generation sources. In Proceedings of the 2018 International Conference and Utility Exhibition on Green Energy for Sustainable Development (ICUE), Phuket, Thailand, 24–26 October 2018; pp. 1–7. [Google Scholar]
- Tascikaraoglu, A.; Erdinc, O.; Uzunoglu, M.; Karakas, A. An adaptive load dispatching and forecasting strategy for a virtual power plant including renewable energy conversion units. Appl. Energy 2014, 119, 445–453. [Google Scholar] [CrossRef]
- Moreno, G.; Martin, P.; Santos, C.; Rodríguez, F.J.; Santiso, E. A Day-Ahead Irradiance Forecasting Strategy for the Integration of Photovoltaic Systems in Virtual Power Plants. IEEE Access 2020, 8, 204226–204240. [Google Scholar] [CrossRef]
- Ravichandran, S.; Vijayalakshmi, A.; Swarup, K.S.; Rajamani, H.-S.; Pillai, P. Short term energy forecasting techniques for virtual power plants. In Proceedings of the 2016 IEEE 6th International Conference on Power Systems (ICPS), New Dehli, India, 4–6 March 2016; pp. 1–6. [Google Scholar]
- Sowa, T.; Vasconcelos, M.; Schnettler, A.; Metzger, M.; Hammer, A.; Reischboek, M.; Köberle, R. Method for the operation planning of virtual power plants considering forecasting errors of distributed energy resources. Electr. Eng. 2016, 98, 347–354. [Google Scholar] [CrossRef]
- Pal, P.; Krishnamoorthy, P.A.; Rukmani, D.K.; Antony, S.J.; Ocheme, S.; Subramanian, U.; Elavarasan, R.M.; Das, N.; Hasanien, H.M. Optimal Dispatch Strategy of Virtual Power Plant for Day-Ahead Market Framework. Appl. Sci. 2021, 11, 3814. [Google Scholar] [CrossRef]
- Ullah, Z.; Mokryani, G.; Campean, F.; Hu, Y.F. Comprehensive review of VPPs planning, operation and scheduling considering the uncertainties related to renewable energy sources. IET Energy Syst. Integr. 2019, 1, 147–157. [Google Scholar] [CrossRef]
- Hess, T.; Schegner, P. Power schedule planing and operation algorithm of the Local Virtual Power Plant based on μCHP-devices. In Proceedings of the 2015 IEEE Power & Energy Society General Meeting, Denver, CO, USA, 26–30 July 2015; pp. 1–5. [Google Scholar]
- Hernández, L.; Baladron, C.; Aguiar, J.M.; Carro, B.; Sanchez-Esguevillas, A.; Lloret, J.; Chinarro, D.; Gomez-Sanz, J.J.; Cook, D. A multi-agent system architecture for smart grid management and forecasting of energy demand in virtual power plants. IEEE Commun. Mag. 2013, 51, 106–113. [Google Scholar] [CrossRef]
- MacDougall, P.; Kosek, A.M.; Bindner, H.; Deconinck, G. Applying machine learning techniques for forecasting flexibility of virtual power plants. In Proceedings of the 2016 IEEE electrical power and energy conference (EPEC), Ottawa, ON, Canada, 12–14 October 2016; pp. 1–6. [Google Scholar]
- Du, Z.; Wu, D.; Bai, H.; Wang, Z.; Guo, Y.; Guo, C. Short term Load Forecasting Considering Demand Response under virtual power plant mode. In Proceedings of the E3S Web of Conferences, Chengdu, China, 10 May 2021; p. 02006. [Google Scholar]
- Essakiappan, S.; Shoubaki, E.; Koerner, M.; Rees, J.-F.; Enslin, J. Dispatchable Virtual Power Plants with forecasting and decentralized control, for high levels of distributed energy resources grid penetration. In Proceedings of the 2017 IEEE 8th International Symposium on Power Electronics for Distributed Generation Systems (PEDG), Florianopolis, Brazil, 17–20 April 2017; pp. 1–8. [Google Scholar]
- Bosman, M.; Bakker, V.; Molderink, A.; Hurink, J.L.; Smit, G.J.M. Production planning in a virtual power plant. In Proceedings of the 20th annual workshop on Program for Research on Integrated Systems and Circuits, Veldhoven, The Netherlands, 26 November 2009; Technology Foundation STW: Utrecht, The Netherland, 2009; p. 6. [Google Scholar]
- Barbosa, J.; Leao, R.; Lima, C.; Rego, M.; Antunes, F. Decentralised energy management system to virtual power plants. In Proceedings of the 2010 ICREPQ, Granada, Spain, 23–25 March 2010; pp. 1079–1085. [Google Scholar]
- Nezamabadi, P.; Gharehpetian, G. Electrical energy management of virtual power plants in distribution networks with renewable energy resources and energy storage systems. In Proceedings of the 16th Electrical Power Distribution Conference, Bandar Abbas, Iran, 19–20 April 2011; pp. 1–5. [Google Scholar]
- Zhang, G.; Jiang, C.; Wang, X. Comprehensive review on structure and operation of virtual power plant in electrical system. IET Gener. Transm. Distrib. 2019, 13, 145–156. [Google Scholar] [CrossRef]
- Iria, J.; Soares, F. Optimal Planning of Smart Home Technologies. In Proceedings of the 2020 International Conference on Smart Grids and Energy Systems (SGES), Perth, Australia, 23–26 November 2020; pp. 215–220. [Google Scholar]
- Lai, Y.-L.; Jiang, J.-R. Optimal multipath planning for intrusion detection in smart homes using wireless sensor and actor networks. In Proceedings of the 2010 39th International Conference on Parallel Processing Workshops, San Diego, CA, USA, 13–16 September 2010; pp. 562–570. [Google Scholar]
- Alam, M.R.; St-Hilaire, M.; Kunz, T. Towards Optimal Planning and Scheduling in Smart Homes. Smart Grid Renew. Energy 2019, 10, 179–202. [Google Scholar] [CrossRef]
- Liu, Y.; Li, M.; Chen, Y.; Tzeng, G.-H. Evaluation of and improvement planning for smart homes using rough knowledge-based rules on a hybrid multiple attribute decision-making model. Soft Comput. 2020, 24, 7781–7800. [Google Scholar] [CrossRef]
- Pazouki, S.; Haghifam, M.R. Optimal planning and scheduling of smart homes’ energy hubs. Int. Trans. Electr. Energy Syst. 2021, 31, e12986. [Google Scholar] [CrossRef]
- Nesmachnow, S.; Rossit, D.G.; Toutouh, J.; Luna, F. An Explicit Evolutionary Approach for Multiobjective Energy Consumption Planning Considering User Preferences in Smart Homes. 2021. Available online: https://ri.conicet.gov.ar/handle/11336/138290 (accessed on 20 May 2021).
- Alam, M.R.; Reaz, M.B.I.; Ali, M.M. SPEED: An inhabitant activity prediction algorithm for smart homes. IEEE Trans. Syst. Man Cybern.-Part A Syst. Hum. 2011, 42, 985–990. [Google Scholar] [CrossRef]
- Kayode, O.; Gupta, D.; Tosun, A.S. Towards a distributed estimator in smart home environment. In Proceedings of the 2020 IEEE 6th World Forum on Internet of Things (WF-IoT), New Orleans, LA, USA, 2–16 June 2020; pp. 1–6. [Google Scholar]
- Choi, S.; Kim, E.; Oh, S. Human behavior prediction for smart homes using deep learning. In Proceedings of the 2013 IEEE RO-MAN, Gyeongju, Republic of Korea, 26-29 August 2013; pp. 173–179. [Google Scholar]
- Reaz, M.B.I.; Marufuzzaman, M. Pattern matching and reinforcement learning to predict the user next action of smart home device usage. Acta Tech. Corviniensis-Bull. Eng. 2013, 6, 37. [Google Scholar]
- Arghira, N.; Hawarah, L.; Ploix, S.; Jacomino, M. Prediction of appliances energy use in smart homes. Energy 2012, 48, 128–134. [Google Scholar] [CrossRef]
- Basu, K.; Hawarah, L.; Arghira, N.; Joumaa, H.; Ploix, S. A prediction system for home appliance usage. Energy Build. 2013, 67, 668–679. [Google Scholar] [CrossRef]
- Schweizer, D.; Zehnder, M.; Wache, H.; Witschel, H.-F.; Zanatta, D.; Rodriguez, M. Using consumer behavior data to reduce energy consumption in smart homes: Applying machine learning to save energy without lowering comfort of inhabitants. In Proceedings of the 2015 IEEE 14th International Conference on Machine Learning and Applications (ICMLA), Miami, FL, USA, 9–11 December 2015; pp. 1123–1129. [Google Scholar]
- Behera, S.; Pattnaik, B.S.; Reza, M.; Roy, D. Predicting consumer loads for improved power scheduling in smart homes. In Computational Intelligence in Data Mining—Volume 2; Springer: Berlin/Heidelberg, Germany, 2016; pp. 463–473. [Google Scholar]
- Jithish, J.; Sankaran, S. A Hybrid Adaptive Rule based System for Smart Home Energy Prediction. 2017. Available online: https://www.researchgate.net/profile/Jithish_J/publication/329672222_A_Hybrid_Adaptive_Rule_based_System_for_Smart_Home_Energy_Prediction/links/5c14a96292851c39ebedf4fa/A-Hybrid-Adaptive-Rule-based-System-for-Smart-Home-Energy-Prediction.pdf (accessed on 2 October 2022).
- Ullah, I.; Kim, D. An improved optimization function for maximizing user comfort with minimum energy consumption in smart homes. Energies 2017, 10, 1818. [Google Scholar] [CrossRef]
- Riekstin, A.C.; Langevin, A.; Dandres, T.; Gagnon, G.; Cheriet, M. Time series-based GHG emissions prediction for smart homes. IEEE Trans. Sustain. Comput. 2018, 5, 134–146. [Google Scholar] [CrossRef]
- Khan, S.N. Intelligent Algorithm for Efficient Use of Energy Using Tackling the Load Uncertainty Method in Smart Grid. J. Sustain. Dev. Energy Water Environ. Syst. 2020, 8, 547–560. [Google Scholar] [CrossRef]
- Alani, A.Y.; Osunmakinde, I.O. Short-term multiple forecasting of electric energy loads for sustainable demand planning in smart grids for smart homes. Sustainability 2017, 9, 1972. [Google Scholar] [CrossRef]
- Samuel, O.; Alzahrani, F.A.; Hussen Khan, R.J.U.; Farooq, H.; Shafiq, M.; Afzal, M.K.; Javaid, N. Towards modified entropy mutual information feature selection to forecast medium-term load using a deep learning model in smart homes. Entropy 2020, 22, 68. [Google Scholar] [CrossRef]
- Razghandi, M.; Zhou, H.; Erol-Kantarci, M.; Turgut, D. Short-Term Load Forecasting for Smart Home Appliances with Sequence to Sequence Learning. In Proceedings of the ICC 2021-IEEE International Conference on Communications, Montreal, QC, Canada, 14–23 June 2021; pp. 1–6. [Google Scholar]
- Virag, A.; Bogdan, S. Resource allocation in smart homes based on Banker’s algorithm. In Proceedings of the 2011 2nd IEEE PES International Conference and Exhibition on Innovative Smart Grid Technologies, Manchester, UK, 5–7 December 2011; pp. 1–7. [Google Scholar]
- Zhao, G.; Shen, Z. Intrinsically motivated agent for service management in smart homes. In Proceedings of the 2012 Southeast Asian Network of Ergonomics Societies Conference (SEANES), Langkawi, Malaysia, 9–12 July 2012; pp. 1–6. [Google Scholar]
- Anandalaskhmi, T.; Sathiakumar, S.; Parameswaran, N. Peak reduction algorithms for a smart community. In Proceedings of the 2013 International Conference on Energy Efficient Technologies for Sustainability, Nagercoil, India, 10–12 April 2013; pp. 1113–1119. [Google Scholar]
- Zhang, D.; Liu, S.; Papageorgiou, L.G. Fair cost distribution among smart homes with microgrid. Energy Convers. Manag. 2014, 80, 498–508. [Google Scholar] [CrossRef]
- Carli, R.; Dotoli, M. A decentralized resource allocation approach for sharing renewable energy among interconnected smart homes. In Proceedings of the 2015 54th IEEE Conference on Decision and Control (CDC), Osaka, Japan, 15–18 December 2015; pp. 5903–5908. [Google Scholar]
- Jang, H.-C.; Huang, C.-W.; Yeh, F.-K. Design a bandwidth allocation framework for SDN based smart home. In Proceedings of the 2016 IEEE 7th Annual Information Technology, Electronics and Mobile Communication Conference (IEMCON), Vancouver, BC, Canada, 13–15 October 2016; pp. 1–6. [Google Scholar]
- Bakhsh, R.; Javaid, N.; Fatima, I.; Khan, M.I.; Almejalli, K. Towards efficient resource utilization exploiting collaboration between HPF and 5G enabled energy management controllers in smart homes. Sustainability 2018, 10, 3592. [Google Scholar] [CrossRef]
- Ahmad, S.; Kim, D. Design and implementation of thermal comfort system based on tasks allocation mechanism in smart homes. Sustainability 2019, 11, 5849. [Google Scholar]
- Jindal, A.; Kumar, N.; Singh, M. Internet of energy-based demand response management scheme for smart homes and PHEVs using SVM. Future Gener. Comput. Syst. 2020, 108, 1058–1068. [Google Scholar] [CrossRef]
- Wu, C.-L.; Fu, L.-C. Design and realization of a framework for human–system interaction in smart homes. IEEE Trans. Syst. Man Cybern.-Part A Syst. Hum. 2011, 42, 15–31. [Google Scholar] [CrossRef]
- Badlani, A.; Bhanot, S. Smart home system design based on artificial neural networks. In Proceedings of the World Congress on Engineering and Computer Science, San Francisco, CA, USA, 19–21 October 2011; pp. 146–164. [Google Scholar]
- Bing, K.; Fu, L.; Zhuo, Y.; Yanlei, L. Design of an Internet of Things-based smart home system. In Proceedings of the 2011 2nd International Conference on Intelligent Control and Information Processing, Harbin, China, 25–28 July 2011; pp. 921–924. [Google Scholar]
- Cicirelli, F.; Fortino, G.; Giordano, A.; Guerrieri, A.; Spezzano, G.; Vinci, A. On the design of smart homes: A framework for activity recognition in home environment. J. Med. Syst. 2016, 40, 1–17. [Google Scholar] [CrossRef]
- Kim, H.; Choi, H.; Kang, H.; An, J.; Yeom, S.; Hong, T. A systematic review of the smart energy conservation system: From smart homes to sustainable smart cities. Renew. Sustain. Energy Rev. 2021, 140, 110755. [Google Scholar] [CrossRef]
- Khatib, T.; Monacchi, A.; Elmenreich, W.; Egarter, D.; D’Alessandro, S.; Tonello, A.M. European end-user’s level of energy consumption and attitude toward smart homes: A case study of residential sectors in Austria and Italy. Energy Technol. Policy 2014, 1, 97–105. [Google Scholar] [CrossRef]
- Moletsane, P.P.; Motlhamme, T.J.; Malekian, R.; Bogatmoska, D.C. Linear regression analysis of energy consumption data for smart homes. In Proceedings of the 2018 41st International Convention on Information and Communication Technology, Electronics and Microelectronics (MIPRO), Opatija, Croatia, 21–25 May 2018; pp. 0395–0399. [Google Scholar]
- Wu, S.; Rendall, J.B.; Smith, M.J.; Zhu, S.; Xu, J.; Wang, H.; Yang, Q.; Qin, P. Survey on prediction algorithms in smart homes. IEEE Internet Things J. 2017, 4, 636–644. [Google Scholar] [CrossRef]
- Rathnayaka, A.D.; Potdar, V.M.; Kuruppu, S.J. Energy resource management in smart home: State of the art and challenges ahead. Sustain. Energy Build. 2012, 12, 403–411. [Google Scholar]
- Aroua, S.; El Korbi, I.; Ghamri-Doudane, Y.; Saidane, L.A. A distributed cooperative spectrum resource allocation in smart home cognitive wireless sensor networks. In Proceedings of the 2017 IEEE Symposium on Computers and Communications (ISCC), Heraklion, Greece, 3–6 July 2017; pp. 754–759. [Google Scholar]
- Frade, I.; Ribeiro, A.; Gonçalves, G.; Antunes, A.P. Optimal location of charging stations for electric vehicles in a neighborhood in Lisbon, Portugal. Transp. Res. Rec. 2011, 2252, 91–98. [Google Scholar] [CrossRef]
- Fouladfar, M.H.; Loni, A.; Bagheri Tookanlou, M.; Marzband, M.; Godina, R.; Al-Sumaiti, A.; Pouresmaeil, E. The impact of demand response programs on reducing the emissions and cost of a neighborhood home microgrid. Appl. Sci. 2019, 9, 2097. [Google Scholar] [CrossRef]
- Paterakis, N.G.; Pappi, I.N.; Erdinc, O.; Godina, R.; Rodrigues, E.M.; Catalão, J.P. Consideration of the impacts of a smart neighborhood load on transformer aging. IEEE Trans. Smart Grid 2015, 7, 2793–2802. [Google Scholar] [CrossRef]
- Bracco, S.; Delfino, F.; Rossi, M.; Robba, M.; Pagnini, L. Optimal planning of the energy production mix in smart districts including renewable and cogeneration power plants. In Proceedings of the 2016 IEEE International Smart Cities Conference (ISC2), Trento, Italy, 12–15 September 2016; pp. 1–7. [Google Scholar]
- Akbari, K.; Jolai, F.; Ghaderi, S.F. Optimal design of distributed energy system in a neighborhood under uncertainty. Energy 2016, 116, 567–582. [Google Scholar] [CrossRef]
- Gerards, M.E.; Hurink, J.L. Robust peak-shaving for a neighborhood with electric vehicles. Energies 2016, 9, 594. [Google Scholar] [CrossRef]
- Fernandez, E.; Hossain, M.; Nizami, M. Game-theoretic approach to demand-side energy management for a smart neighbourhood in Sydney incorporating renewable resources. Appl. Energy 2018, 232, 245–257. [Google Scholar] [CrossRef]
- Fathi, M.; Ghiasi, M. Optimal DG placement to find optimal voltage profile considering minimum DG investment cost in smart neighborhood. Smart Cities 2019, 2, 328–344. [Google Scholar] [CrossRef]
- Quan, S.J. Smart design for sustainable neighborhood development. Energy Procedia 2019, 158, 6515–6520. [Google Scholar] [CrossRef]
- Al Zahr, S.; Doumith, E.A.; Forestier, P. Smart energy: A collaborative demand response solution for smart neighborhood. In Smart Cities: A Data Analytics Perspective; Springer: Berlin/Heidelberg, Germany, 2021; pp. 43–62. [Google Scholar]
- Çiçek, A.; Şengör, İ.; Erenoğlu, A.K.; Erdinç, O. Decision making mechanism for a smart neighborhood fed by multi-energy systems considering demand response. Energy 2020, 208, 118323. [Google Scholar] [CrossRef]
- Bahret, C.; Köhler, S. A case study on energy system optimization at neighborhood level based on simulated data: A building-specific approach. Energy Build. 2021, 238, 110785. [Google Scholar] [CrossRef]
- Bitencourt, L.; Abud, T.P.; Dias, B.H.; Borba, B.S.; Maciel, R.S.; Quirós-Tortós, J. Optimal location of EV charging stations in a neighborhood considering a multi-objective approach. Electr. Power Syst. Res. 2021, 199, 107391. [Google Scholar] [CrossRef]
- Magrassi, F.; Del Borghi, A.; Gallo, M.; Strazza, C.; Robba, M. Optimal planning of sustainable buildings: Integration of life cycle assessment and optimization in a decision support system (DSS). Energies 2016, 9, 490. [Google Scholar] [CrossRef]
- Sembroiz, D.; Careglio, D.; Ricciardi, S.; Fiore, U. Planning and operational energy optimization solutions for smart buildings. Inf. Sci. 2019, 476, 439–452. [Google Scholar] [CrossRef]
- Najafi-Ghalelou, A.; Zare, K.; Nojavan, S. Optimal scheduling of multi-smart buildings energy consumption considering power exchange capability. Sustain. Cities Soc. 2018, 41, 73–85. [Google Scholar] [CrossRef]
- Dadashi-Rad, M.H.; Ghasemi-Marzbali, A.; Ahangar, R.A. Modeling and planning of smart buildings energy in power system considering demand response. Energy 2020, 213, 118770. [Google Scholar] [CrossRef]
- Xu, Z.; Wu, Z.; Gu, W.; Yang, F.; Zhang, Z.; Xu, J. A Decentralized Robust planning Approach For Smart Buildings Considering Bilateral Transactions With Fair Market Clearing Strategy. In Proceedings of the 2020 IEEE 4th Conference on Energy Internet and Energy System Integration (EI2), Wuhan, China, 30 October 2020; pp. 2292–2297. [Google Scholar]
- Fernández, I.; Borges, C.E.; Penya, Y.K. Efficient building load forecasting. In Proceedings of the ETFA2011, Toulouse, France, 5–9 September 2011; pp. 1–8. [Google Scholar]
- Dagdougui, H.; Bagheri, F.; Le, H.; Dessaint, L. Neural network model for short-term and very-short-term load forecasting in district buildings. Energy Build. 2019, 203, 109408. [Google Scholar] [CrossRef]
- Syed, D.; Abu-Rub, H.; Ghrayeb, A.; Refaat, S.S. Household-level energy forecasting in smart buildings using a novel hybrid deep learning model. IEEE Access 2021, 9, 33498–33511. [Google Scholar] [CrossRef]
- Moreno-Munoz, A.; De la Rosa, J.J.G.; Pallarés-Lopez, V.; Real-Calvo, R.; Gil-de-Castro, A. Distributed DC-UPS for energy smart buildings. Energy Build. 2011, 43, 93–100. [Google Scholar] [CrossRef]
- He, D.; Du, L.; Yang, Y.; Harley, R.; Habetler, T. Front-end electronic circuit topology analysis for model-driven classification and monitoring of appliance loads in smart buildings. IEEE Trans. Smart Grid 2012, 3, 2286–2293. [Google Scholar] [CrossRef]
- Zhang, W.; Hu, W.; Wen, Y. Thermal comfort modeling for smart buildings: A fine-grained deep learning approach. IEEE Internet Things J. 2018, 6, 2540–2549. [Google Scholar] [CrossRef]
- Hernandez, L.; Baladron, C.; Aguiar, J.M.; Carro, B.; Sanchez-Esguevillas, A.J.; Lloret, J.; Massana, J. A survey on electric power demand forecasting: Future trends in smart grids, microgrids and smart buildings. IEEE Commun. Surv. Tutor. 2014, 16, 1460–1495. [Google Scholar] [CrossRef]
- Divina, F.; Garcia Torres, M.; Goméz Vela, F.A.; Vazquez Noguera, J.L. A comparative study of time series forecasting methods for short term electric energy consumption prediction in smart buildings. Energies 2019, 12, 1934. [Google Scholar] [CrossRef]
- Raza, M.Q.; Khosravi, A. A review on artificial intelligence based load demand forecasting techniques for smart grid and buildings. Renew. Sustain. Energy Rev. 2015, 50, 1352–1372. [Google Scholar] [CrossRef]
- Palmieri, F.; Ficco, M.; Pardi, S.; Castiglione, A. A cloud-based architecture for emergency management and first responders localization in smart city environments. Comput. Electr. Eng. 2016, 56, 810–830. [Google Scholar] [CrossRef]
- Ghayvat, H.; Mukhopadhyay, S.; Gui, X.; Suryadevara, N. WSN-and IOT-based smart homes and their extension to smart buildings. Sensors 2015, 15, 10350–10379. [Google Scholar] [CrossRef] [PubMed]
- Trybała, P.; Gattner, A. Development of a Building Topological Model for Indoor Navigation; IOP Conference Series: Earth and Environmental Science; IOP Publishing: Bristol, UK, 2021; p. 012031. [Google Scholar]
- Feng, X.; Chen, Y.; Zhang, J.; Cho, H.; Shi, X. Rubik’s Cube Topology Based Particle Swarm Algorithm for Bilevel Building Energy Transaction. In Energy Sustainability; American Society of Mechanical Engineers: New York, NY, USA, 2021; p. V001T08A002. [Google Scholar]
- Maier, S.; Narodoslawsky, M. Optimal renewable energy systems for smart cities. In Computer Aided Chemical Engineering; Elsevier: Amsterdam, The Netherlands, 2014; Volume 33, pp. 1849–1854. [Google Scholar]
- Calvillo, C.F.; Sánchez-Miralles, A.; Villar, J. Energy management and planning in smart cities. Renew. Sustain. Energy Rev. 2016, 55, 273–287. [Google Scholar] [CrossRef]
- Dumbrava, V.; Miclescu, T.; Lazaroiu, G.C. Power distribution networks planning optimization in smart cities. In City Networks; Springer: Berlin/Heidelberg, Germany, 2017; pp. 213–226. [Google Scholar]
- Rajaković, N.; Bjelić, I.B. Planning of the optimal energy mix for smart cities. In Proceedings of the 2017 IEEE Manchester PowerTech, Manchester, UK, 18–22 June 2017; pp. 1–6. [Google Scholar]
- Mulero, S.; Hernández, J.L.; Vicente, J.; De Viteri, P.S.; Larrinaga, F. Data-driven energy resource planning for Smart Cities. In Proceedings of the 2020 Global Internet of Things Summit (GIoTS), Dublin, Ireland, 3 June 2020; pp. 1–6. [Google Scholar]
- Campaña, M.; Inga, E.; Cárdenas, J. Optimal Sizing of Electric Vehicle Charging Stations Considering Urban Traffic Flow for Smart Cities. Energies 2021, 14, 4933. [Google Scholar] [CrossRef]
- Mujeeb, S.; Javaid, N.; Ilahi, M.; Wadud, Z.; Ishmanov, F.; Afzal, M.K. Deep long short-term memory: A new price and load forecasting scheme for big data in smart cities. Sustainability 2019, 11, 987. [Google Scholar] [CrossRef]
- Elattar, E.E.; Sabiha, N.A.; Alsharef, M.; Metwaly, M.K.; Abd-Elhady, A.M.; Taha, I.B. Short term electric load forecasting using hybrid algorithm for smart cities. Appl. Intell. 2020, 50, 3379–3399. [Google Scholar] [CrossRef]
- Massana, J.; Pous, C.; Burgas, L.; Melendez, J.; Colomer, J. Identifying services for short-term load forecasting using data driven models in a Smart City platform. Sustain. Cities Soc. 2017, 28, 108–117. [Google Scholar] [CrossRef]
- Gellert, A.; Florea, A.; Fiore, U.; Palmieri, F.; Zanetti, P. A study on forecasting electricity production and consumption in smart cities and factories. Int. J. Inf. Manag. 2019, 49, 546–556. [Google Scholar] [CrossRef]
- Jung, S.-M.; Park, S.; Jung, S.-W.; Hwang, E. Monthly electric load forecasting using transfer learning for smart cities. Sustainability 2020, 12, 6364. [Google Scholar] [CrossRef]
- Bagula, A.; Castelli, L.; Zennaro, M. On the design of smart parking networks in the smart cities: An optimal sensor placement model. Sensors 2015, 15, 15443–15467. [Google Scholar] [CrossRef] [PubMed]
- Sodhro, A.H.; Pirbhulal, S.; Luo, Z.; De Albuquerque, V.H.C. Towards an optimal resource management for IoT based Green and sustainable smart cities. J. Clean. Prod. 2019, 220, 1167–1179. [Google Scholar] [CrossRef]
- Zhao, L.; Wang, J.; Liu, J.; Kato, N. Optimal edge resource allocation in IoT-based smart cities. IEEE Netw. 2019, 33, 30–35. [Google Scholar] [CrossRef]
- Sahoo, S.; Sahoo, K.S.; Sahoo, B.; Gandomi, A.H. An Auction based Edge Resource Allocation Mechanism for IoT-enabled Smart Cities. In Proceedings of the 2020 IEEE Symposium Series on Computational Intelligence (SSCI), Canberra, Australia, 1–4 December 2020; pp. 1280–1286. [Google Scholar]
- ARYAPUTERA, A.W. Solar Irradiance Forecasting and Modeling for Smart Cities with High Photovoltaic Penetration. 2016. Available online: https://core.ac.uk/download/pdf/83108122.pdf (accessed on 18 June 2021).
- Tascikaraoglu, A. Evaluation of spatio-temporal forecasting methods in various smart city applications. Renew. Sustain. Energy Rev. 2018, 82, 424–435. [Google Scholar] [CrossRef]
- Karunaratne, P.M. Scalable and Accurate Forecasting for Smart Cities. Ph.D. Thesis, University of Melbourne, Victoria, Australia, 2018. [Google Scholar]
- Hajari, H.; Karimi, H.A. A Method for Large-Scale Resource Allocation in Smart Cities. In Proceedings of the 2018 IEEE 4th International Conference on Collaboration and Internet Computing (CIC), Philadelphia, PA, USA, 18–20 October 2018; pp. 412–415. [Google Scholar]
- Enayet, A.; Razzaque, M.A.; Hassan, M.M.; Alamri, A.; Fortino, G. A mobility-aware optimal resource allocation architecture for big data task execution on mobile cloud in smart cities. IEEE Commun. Mag. 2018, 56, 110–117. [Google Scholar] [CrossRef]
- Elhoseny, M. Artificial Intelligence Applications for Smart Societies: Recent Advances. In Artificial Intelligence Applications for Smart Societies; Springer: Cham, Switzerland, 2020. [Google Scholar]
- Oueida, S.; Aloqaily, M.; Ionescu, S. A smart healthcare reward model for resource allocation in smart city. Multimed. Tools Appl. 2019, 78, 24573–24594. [Google Scholar] [CrossRef]
- Alternative and Renewable Energy Policy 2019; Alternative Energy Development Board: Islamabad, Pakistan, 2019.
- Enactment of New AEDB (Certification) Regulations; Alternative Energy Development Board: Islamabad, Pakistan, 2021.
- Ul-Haq, A.; Jalal, M.; Hassan, M.S.; Sindi, H.; Ahmad, S.; Ahmad, S. Implementation of Smart Grid Technologies in Pakistan under CPEC Project: Technical and Policy Implications. IEEE Access 2021, 9, 61594–61610. [Google Scholar] [CrossRef]
- Jha, I.; Sen, S.; Kumar, R. Smart grid development in India—A case study. In Proceedings of the 2014 Eighteenth National Power Systems Conference (NPSC), Guwahati, India, 18–20 December 2014; pp. 1–6. [Google Scholar]
- Conclusions on Energy European Council 2011. Available online: https://www.consilium.europa.eu/uedocs/cms_data/docs/pressdata/en/trans/119253.pdf (accessed on 25 June 2021).
- Commision Recommendation on Preparations for the Roll-Out of Smart Metering Systems; Directorate-General for Energy: Brussel, Belgium, 2012.
- Standardisation Mandate to CEN, CENELEC and ETSI in the Field of Measuring Instruments for the Development of an Open Architecture for Utility Meters Involving Communication Protocols Enabling Interopertability; European Commission, Enterprise and industry directorate general: Luxembourg, Brussels, 2009.
- EIA. Smart Grid Legislative and Regulatory Policies and Case Studies: Energy Independence and Security Act of 2007. Title XIII. Available online: http://www.oe.energy.gov/DocumentsandMedia/EISA_Title_XIII_Smart_Grid.pdf (accessed on 26 June 2021).
- GRID 2030" A National Vision For Electricity’s Second 100 Years; United States Department of Energy, Office of Electric Transmission and Distribution: Washington, DC, USA, 2003.
- Pratt, R.G. The gridwise project. In Proceedings of the Workshop on End-to-End, Sense-and-Respond Systems, Applications, and Services ({EESR} 05), Seattle, WA, USA, 5 June 2005. [Google Scholar]
- Gopstein, A.; Nguyen, C.; O’Fallon, C.; Hastings, N.; Wollman, D. NIST Framework and Roadmap for Smart Grid Interoperability Standards, Release 4.0; Department of Commerce. National Institute of Standards and Technology: Gaithersburg, MD, USA, 2021. [Google Scholar]
- IEA. World Energy Model; IEA: Paris, France, 2021. [Google Scholar]
- Rt. Hon Michael Fallon MP, D.G. Smart Grid Vision and Routemap; Department of Energy & Climate Change: London, UK, 2014. [Google Scholar]
- Smart Grid—Enabling Energy Efficiency and Low-Carbon Transition. Available online: https://assets.publishing.service.gov.uk/government/uploads/system/uploads/attachment_data/file/321852/Policy_Factsheet_-_Smart_Grid_Final__BCG_.pdf (accessed on 10 July 2021).
- Brown, M.A.; Zhou, S. Smart-grid policies: An international review. Adv. Energy Syst. Large-Scale Renew. Energy Integr. Chall. 2019, 2, 127–147. [Google Scholar] [CrossRef]
- Sung-eui, H. South Korea: Smart Grid Revolution; Zpryme: Daegu, Republic of Korea, 2011. [Google Scholar]
- 12th Five-Year Plan for Energy Science and Technology Development | ESCAP Policy Documents Managment. Available online: https://policy.asiapacificenergy.org/node/39 (accessed on 11 July 2021).
- Cabinet Decision on the Sixth Strategic Energy Plan; Ministry of Economy, Trade, and Industry: Tokyo, Japan, 2021.
- Australian Smart Grid Policy & Standards. Available online: https://www.utas.edu.au/smart-grids-messy-society/the-research/australian-smart-grids-policy (accessed on 18 July 2021).
- IEA. Germany 2020; IEA: Paris, France, 2020; Available online: https://www.iea.org/reports/germany-202 (accessed on 29 July 2021).
- ECRA. A Strategy for Smart Meters and Smart Grids in the Kingdom of Saudi Arabia; ECRA: King Abdullah, Saudi Arabia, 2012. [Google Scholar]
- Saudi Vision 2030. Available online: https://www.vision2030.gov.sa/media/rc0b5oy1/saudi_vision203.pdf (accessed on 2 August 2021).
- Smart Grid 2030 Vision—Version 0.6; South African National Energy Development Institute: Sandton, South Africa, 2013.
- IRENA. A Renewable Energy Roadmap 2030; Summary of Findings; IRENA: Masdar, Abu Dhabi United Arab Emirates, 2014. [Google Scholar]
- IEA/IRENA. 2030 National Environmental Policy. Available online: https://www.iea.org/policies/12220-2030-national-environmental-policy (accessed on 11 August 2021).
- IEA. Net Zero by 2050; IEA: Paris, France; Available online: https://www.iea.org/reports/net-zero-by-2050 (accessed on 17 August 2021).
- IEA Technology Roadmaps Technology Roadmap: Smart Grids; OECD Pub.: Paris, France, 2011.
- IEA/IRENA. Vision 2035—Policies—IEA. Available online: https://www.iea.org/policies/6011-vision-2035 (accessed on 24 August 2021).
- GRID, S. IEEE Smart Grid Vision for Vehicular Technology: 2030 and Beyond. Available online: https://ieeexplore.ieee.org/abstract/document/6716939/ (accessed on 1 September 2021).
- Simard, G. Smart Grid Research: Power-IEEE Grid Vision 2050; IEEE: Piscataway, NJ, USA, 2013. [Google Scholar]
- Lindenberg, S. 20% Wind Energy By 2030: Increasing Wind Energy¿ s Contribution to US Electricity Supply; Diane Publishing: Darby, PA, USA, 2009. [Google Scholar]
- Grid Modernization—EnergyVision 2030. Available online: https://2030.acadiacenter.org/grid-modernization/ (accessed on 9 September 2021).
- Radwan, A.A.; Zaki Diab, A.A.; Elsayed, A.-H.M.; Haes Alhelou, H.; Siano, P. Active distribution network modeling for enhancing sustainable power system performance; a case study in Egypt. Sustainability 2020, 12, 8991. [Google Scholar] [CrossRef]
- Xiao, J.; Wang, Y.; Luo, F.; Bai, L.; Gang, F.; Huang, R.; Jiang, X.; Zhang, X. Flexible distribution network: Definition, configuration, operation, and pilot project. IET Gener. Transm. Distrib. 2018, 12, 4492–4498. [Google Scholar] [CrossRef]
- Durieux, O.; De Wilde, V.; Lambin, J.-J.; Otjacques, S.; Lefort, M. Smart grid technologies feasibility study: Increasing decentralized generation power injection using global active network management. In Proceedings of the 21st International Conference on Electricity Distribution, Frankfurt, Germany, 6–9 June 2011. [Google Scholar]
- Brenzikofer, A.; Müller, F.; Ketsetzis, A.; Kienzle, F.; Mangani, M.; Eisenreich, M.; Farhat, Y.; Bacher, R. GridBox pilot project. Comput. Sci. -Res. Dev. 2017, 32, 79–92. [Google Scholar] [CrossRef]
- IEA. How2Guide for Smart Grids in Distribution Networks, Roadmap Development and Implementation; IEA: Paris, France, 2016. [Google Scholar]
- Wang, D.; Wilson, D.; Venkata, S.; Murphy, G. PMU-based angle constraint active management on 33kV distribution network. 2013. Available online: https://digital-library.theiet.org/content/conferences/10.1049/cp.2013.1092 (accessed on 17 September 2021).
- Charalambous, C.; Papadimitriou, C.; Polycarpou, A.; Efthymiou, V. A Technoeconomical evaluation of a hybrid AC/DC microgrid—The University of Cyprus nanogrid. In Proceedings of the 2020 2nd IEEE International Conference on Industrial Electronics for Sustainable Energy Systems (IESES), Cagliari, Italy, 1–3 September 2020; pp. 240–246. [Google Scholar]
- Bonfiglio, A.; Barillari, L.; Delfino, F.; Pampararo, F.; Procopio, R.; Rossi, M.; Invernizzi, M.; Denegri, G.; Bracco, S. The smart microgrid pilot project of the University of Genoa: Power and communication architectures. In Proceedings of the AEIT Annual Conference 2013, Mondello, Italy, 3–5 October 2013; pp. 1–6. [Google Scholar]
- Ton, D.T.; Smith, M.A. The US department of energy’s microgrid initiative. Electr. J. 2012, 25, 84–94. [Google Scholar]
- Hatziargyriou, N.; Dimeas, A.; Vasilakis, N.; Lagos, D.; Kontou, A. The Kythnos Microgrid: A 20-Year History. IEEE Electrif. Mag. 2020, 8, 46–54. [Google Scholar] [CrossRef]
- Buchholz, B.; Erge, T.; Hatziargyriou, N. Long term European field tests for microgrids. In Proceedings of the 2007 Power Conversion Conference-Nagoya, Nagoya, Japan, 2–5 April 2007; pp. 643–645. [Google Scholar]
- Barnes, M.; Kondoh, J.; Asano, H.; Oyarzabal, J.; Ventakaramanan, G.; Lasseter, R.; Hatziargyriou, N.; Green, T. Real-world microgrids-an overview. In Proceedings of the 2007 IEEE International Conference on System of Systems Engineering, San Antonio, TX, USA, 16–18 April 2007; pp. 1–8. [Google Scholar]
- Ustun, T.S.; Ozansoy, C.; Zayegh, A. Recent developments in microgrids and example cases around the world—A review. Renew. Sustain. Energy Rev. 2011, 15, 4030–4041. [Google Scholar] [CrossRef]
- DER IREC 22@ MICROGRID. Available online: http://der-microgrid.gtd.es/ (accessed on 21 September 2021).
- Che, L.; Shahidehpour, M. DC microgrids: Economic operation and enhancement of resilience by hierarchical control. IEEE Trans. Smart Grid 2014, 5, 2517–2526. [Google Scholar]
- Kroposki, B.; Martin, G. Hybrid renewable energy and microgrid research work at NREL. In Proceedings of the IEEE PES General Meeting, Minneapolis, MI, USA, 25–29 July 2010; pp. 1–4. [Google Scholar]
- Chatzivasiliadis, S.; Hatziargyriou, N.; Dimeas, A. Development of an agent based intelligent control system for microgrids. In Proceedings of the 2008 IEEE Power and Energy Society General Meeting-Conversion and Delivery of Electrical Energy in the 21st Century, Tokyo, Japan, 23–27 March 2008; pp. 1–6. [Google Scholar]
- Adu-Kankam, K.O.; Camarinha-Matos, L.M. Towards collaborative virtual power plants: Trends and convergence. Sustain. Energy Grids Netw. 2018, 16, 217–230. [Google Scholar] [CrossRef]
- Braun, M. Virtual power plants in real applications-pilot demonstrations in Spain and England as part of the European project FENIX. In Proceedings of the ETG-Fachbericht-Int. ETG-Kongress, Dusseldorf, Germany, 27–28 October 2009. [Google Scholar]
- Mnatsakanyan, A.; Iraklis, C.; Al Marzooqi, A.; AlBeshr, H. Virtual Power Plant Integration Into a Vertically Integrated Utility: A Case Study. In Proceedings of the 2021 IEEE 12th International Symposium on Power Electronics for Distributed Generation Systems (PEDG), Chicago, IL, USA, 1 July 2021; pp. 1–5. [Google Scholar]
- European Smart Grids Technology Platform, Vision and Strategy for Europe’s Electricity. Available online: http://ec.europa.eu/research/energy/smart-grid (accessed on 27 September 2021).
- Gangale, F.; Mengolini, A.; Onyeji, I. Consumer engagement: An insight from smart grid projects in Europe. Energy Policy 2013, 60, 621–628. [Google Scholar] [CrossRef]
- Warmer, C.; Hommelberg, M.; Roossien, B.; Kok, J.; Turkstra, J.W. A field test using agents for coordination of residential micro-chp. In Proceedings of the 2007 International Conference on Intelligent Systems Applications to Power Systems, Koahsiung, Taiwan, 5–8 November 2007; pp. 1–4. [Google Scholar]
- Zhou, B.; Li, W.; Chan, K.W.; Cao, Y.; Kuang, Y.; Liu, X.; Wang, X. Smart home energy management systems: Concept, configurations, and scheduling strategies. Renew. Sustain. Energy Rev. 2016, 61, 30–40. [Google Scholar] [CrossRef]
- Gungor, V.C.; Sahin, D.; Kocak, T.; Ergut, S.; Buccella, C.; Cecati, C.; Hancke, G.P. Smart grid and smart homes: Key players and pilot projects. IEEE Ind. Electron. Mag. 2012, 6, 18–34. [Google Scholar] [CrossRef]
- Luo, D. Changing Roles of Planners in Smart Neighborhood Practice: A Case Study of Sidewalk Toronto Project. Ph.D. Thesis, Columbia University, New York, NY, USA, 2019. [Google Scholar]
- Samad, T.; Koch, E.; Stluka, P. Automated demand response for smart buildings and microgrids: The state of the practice and research challenges. Proc. IEEE 2016, 104, 726–744. [Google Scholar] [CrossRef]
- van Winden, W.; van den Buuse, D. Smart city pilot projects: Exploring the dimensions and conditions of scaling up. J. Urban Technol. 2017, 24, 51–72. [Google Scholar] [CrossRef]
- Kohno, M.; Masuyama, Y.; Kato, N.; Tobe, A. Hitachi’s smart city solutions for new era of urban development. Hitachi Rev. 2011, 60, 79–88. [Google Scholar]
- Yamagata, Y.; Seya, H. Proposal for a local electricity-sharing system: A case study of Yokohama city, Japan. IET Intell. Transp. Syst. 2015, 9, 38–49. [Google Scholar] [CrossRef]
- Izadian, A.; Girrens, N.; Khayyer, P. Renewable energy policies: A brief review of the latest US and EU policies. IEEE Ind. Electron. Mag. 2013, 7, 21–34. [Google Scholar] [CrossRef]
- Warren, P. Demand-Side Management Policy: Mechanisms for Success and Failure. Ph.D. Thesis, UCL (University College London), London, UK, 2015. [Google Scholar]
- Zhang, Q.; Grossmann, I.E. Planning and scheduling for industrial demand side management: Advances and challenges. In Alternative Energy Sources and Technologies: Process Design and Operation; Springer International Publishing: Berlin/Heidelberg, Germany, 2016; pp. 383–414. [Google Scholar]




























| Ref. | Considered DN | Focus Area | Objective (s) | Major Constraints | Test System (s) | Planning Type | Applied Method | Energy Resources | Aspects Covered |
|---|---|---|---|---|---|---|---|---|---|
| [70,71] | ARDN | Generation and load forecasting | 1. (⇊) Capital investment 2. (⇊) Operation cost 3. (⇊) Levelized energy cost 4. (⇈) Safety | 1. Geog. constraints 2. Elect. constraints 3. DGs capacity 4. DGs loading 5. Seasonal load 6. P and Q limits 7. Customer info. | 1. Simple DN 2. MV-DN in Portugal | 1. Long-term planning 2. Short-term planning | 1. Wind 2. Fuel cell 3. PV 4. Grid -- | Techno-economic | |
| [72] | ARDN | Generation and load forecasting | 3. (⇊) Weighted squared residuals 3. (⇊) Forecasting error | 1. and P&Q 2. Load 3. State estimation | 18-nodes test network | Long-term planning | Technical | ||
| [73,74] | ARDN | Generation and load forecasting | 1. Load prediction 2. Uncertainty observation 3. (⇈) Voltage profile 4. (⇊) Power mismatch | 1. Capacitor sizing 2. Load forecasting 3. P and Q limits 4. Load data | 33/11 kV substation near Kakatiya university 34 and 69-nodes RDN | Short-term planning | Technical | ||
| [75,76,77,78,79] | ARDN | Generation and load forecasting | 1. (⇈) Voltage profile 2. (⇈) Safety 3. (⇊) Prediction error 4. (⇈) Renewable penetration 5. (⇊) Power loss | 1. Rated power 2. No. of customers 3. Client types 4. Load data 5. Load forecasting 6. Energy consume 7. Network reconf. | OSIRIS pilot project with 24-MV feeders Bonneville Power Administration (BPA) balancing area IEEE 123-bus test system | Short-term planning | -- -- -- Wind -- | Technical | |
| [80,81,82,83,84] | ARDN | Resource allocation DGs (location + size) | 1. (⇈) Voltage profile 3. (⇊) Voltage deviation 2. (⇊) Real PL 3. (⇈) DG penetration | 1. Penetration level 2. Islanding 3. Voltage limits 4. Voltage stability 5. Power flow limit 6. P and Q limits | 1. IEEE 33 and 69 RDN 2. 33 and 69-bus DN 3. IEEE 33, 66-bus DN 4. 12, 33, 69-bus RDN 5. IEEE 15, 33-bus DS | Optimization based operational planning | Technical | ||
| [85,86] | ARDN | Resource allocation DG (placement + sizing) | 1. (⇊) Power loss 2. (⇈) Voltage profile 3. (⇊) Voltage deviation | 1. Penalty factor 2. Feeder constraints 3. V&I limits 4. Power flow limit 5. Power balance 6. DG power limits 7. Varying loading | IEEE 33-bus RDS IEEE 33-bus, 69-bus, and 118-bus RDS | Multiobjective planning | Technical | ||
| [87,88,89,90] | ARDN | Resource allocation DG (size + location) | 1. (⇊) Energy loss 1. (⇊) Active PL 2. (⇈) Voltage profile 2. (⇊) Energy loss 2. (⇊) Loss expenses | 1. Power balance 2. Voltage limits 3. Line current limits 4. P&Q limits 5. VSI 6. Thermal limits | 1. 33-bus, 69-bus, and 118-bus RDN 2. IEEE 33-bus and 66-bus DS 3. IEEE 33-bus, 69-bus, and 118-bus RDS | Long-term (1 year) planning | Biomass Wind Solar PV | ||
| [91,92] | ARDN, MDN | Resource allocation SCs (siting + sizing) | 1. (⇊) Total active PL 2. (⇊) Energy cost 3. (⇈) Voltage profile 4. (⇊) PL 5. (⇊) Operating cost 6. (⇊) Investment capacitor costs | 1. Power flow cons. 2. V and Q limits 3. Capacitor’s constraints 4. Load flow const. | 1. 69, 85-bus and Real DS 2. IEEE 34, 85-bus RDN 3. 10, 34, and 85-bus and CIVANLAR MDS | Multiobjective (1-year) operational planning | 1. COA 2. SSA and LS WOA 3. MILP | ||
| [93] | ARDN | Resource allocation Conductor (type + sizing) | 1. (⇊) Conductor capital cost 2. (⇊) Conductor energy loss cost | 1. Bus voltage limits 2. Conductor current capacity 3. Power flow cons. | 16-bus and 85-bus test system | Yearly operational planning | CSA | ||
| [94] | ARDN | Topology selection | 1. (⇊) Active power loss 2. (⇈) Reliability | 1. Radiality condition 2. and P&Q flow 3. No of customers | 33-nodes DS of Taiwan | Multiobjective planning | e-constraint method using lexico-graphic optimization | ||
| [95,96,97] | ARDN | Topology selection | 1. (⇊) Power loss 2. (⇈) Voltage profile | 1. and P&Q limits 2. Branch current limit 3. Branch voltage limit 4. Voltage deviation 5. Power flow 6. Radiality | 1. 33-bus IEEE-RDS 2. IEEE 16, 33 and 69-bus test system 3. 70-node DS | Multiobjective planning | 1. BIBC-BCBV method and BPSO 2. GA 3. Fuzzy multiobjective method 4. MPSO | ||
| [98,99,100] | ARDN | Topology selection | 1. (⇊) Power loss 2. (⇈) Relibility | 7. Node voltage limit 8. Feeder cap. Limit 9. Radiality 10. and P&Q limits 11. and V&I limits 12. DG power limits 14. Kirchhoff’s and V&I | 1. 33 and 69-bus test DS 2. IEEE 33 and 89-nodes DS 3. 69 and 136-bus system | Single-objective planning | 1. MPSO 2. Hyper-spherical search (HSS) algorithm 3. GA |
| Ref. | Considered DN | Focus Area | Objective (s) | Major Constraints | Test System (s) | Planning Type | Applied Method | Energy Resources | Aspects Covered |
|---|---|---|---|---|---|---|---|---|---|
| [124] | LDN | Fault location | 1. (⇈) Precise fault location performance | 1. Sequence components 2. Feeder capacities 3. Capacitances 4. Inductances 5. Transformer’s topologies | 10 kV, 16-node test feeder | Operational planning | -- | Technical | |
| [125] | LDN | Network reconfiguration | 1. (⇈) Voltage profile 2. (⇊) Power loss | 1. Power flow balance 2. Bus voltage limits 3. Line current limits 4. RN structure | 33-bus, 84-bus, 119-bus, and 136-bus DS | Operational planning | -- | Technical | |
| [126] | RDN and LDN | Network reconfiguration | 1. (⇈) Voltage profile 2. (⇈) Loadability | 1. Power flow balance 2. Bus voltage limits 3. Line current limits 4. and P&Q limits 5. Power capacity limit | IEEE 33- and 69-bus test systems | Operational planning | -- | Technical | |
| [127,128] | LDN | DG allocation (sizing and siting) | 1. (⇈) Voltage profile 2. (⇊) Power loss | 1. Power flow limit 2. Voltage limit 3. DG capacity limit 4. T/F rating limit 5. Power flow eqs. 6. Current limits | 1. 15-node test feeder of Egypt 2. Riyadh city MV network | 1. Long-term (5 years) planning 2. Operational planning | 1. Hydel 2. Wind 3. Solar PV | Technical | |
| [129] | LDN | DG allocation (siting) | 1. (⇈) Voltage profile 2. (⇊) Power loss 1. (⇈) Loadability 1. (⇈) Reliability | 1. Voltage stability index 2. Voltage limits 3. Power angles 4. P and Q limits 5. R/X ratios | Korean Electric Power Corporation DN and IEEE 69 bus test DN | Operational planning | -- | Technical |
| Ref. | Focus Area | Objective (s) | Major Constraints | Test System (s) | Planning Type | Applied Method | Energy Resources | Storage | Aspects and SDG Impact | Other Comments |
|---|---|---|---|---|---|---|---|---|---|---|
| [333,345] | Planning (EV Charging Station Allocation) | 1. (⇈) Demand coverage 2. (⇊) Power loss 3. (⇊) Charging zone center deviation | 1. Demand covered 2. No. and capacity of stations 3. Nighttime and daytime demand 4. Cap. of CS 5. No. of supply points 6. Transformer availability 7. P and Q limits 8. V and I limits | 1. Neighborhood of Lisbon, Portugal, called Avenidas Novas 2. A real distribution system case | 1. Long-term planning 2. multiobjective long-term planning | 1. Maximal covering model 2. Hierarchical clustering method | -- | Mitsubishi I MiEV Peugeot iOn Citroën C-ZERO Nissan Leaf | Technical | 1. Slow charging 2. Semi-fast charging |
| [334] | Planning (Demand Response) | 1. (⇊) Emissions 2. (⇊) Cost 3. (⇈) RESs utilization | 1. Electrical and thermal equilibrium 2. Retailer constraints 3. ES and TES constraints 4. EV constraint 5. ESP, TSP, CHP, GB, DR, ATL, AEL, TD, REF, DW, HHW constraint | Neighborhood grid consisting of several H-MGs | Multiobjective planning | Metaheuristic algorithm and Taguchi orthogonal array testing (TOAT) method | MGs | Battery storage | Techno-econo-environmental | Short/long-term contract |
| [336] | Planning (Energy Production plants sizing and location) | 1. (⇊) Installation and operation cost | 1. No and capacity of generation plants 2. Economic constraint 3. Network constraints 4. Output capacities | Test case in Savona, Italy | Long-term planning | Community decision model | WT PV MT Boiler Grid | -- | Economic | -- |
| [337] | Planning (DERs) | 1. (⇊) Present value of all costs (Investment, operation, maintenance, and emission costs) | 1. Energy balance 2. Equipment capacity 3. Electricity selling 4. Heating pipeline network | Neighborhood consisted of 4 and 5 houses | Long-term (yearly) planning | Robust optimization approach | PV Chillers Boilers Storage tank CHPs | Heat storage | Econo-environmental | |
| [340] | Planning (Optimal DG placement) | 1. (⇈) Voltage profile 2. (⇊) Investment cost 3. (⇊) Losses | 1. Load flow 2. Voltage constraints 3. Bus capacity 4. Production limits 5. P and Q limits 6. Thermal limits | IEEE 33-bus radial distribution system | Multiobjective planning | GA and PSO | WT PV | -- | Techno-economic | -- |
| [343] | Planning (Demand Response) | 2. (⇊) Total electricity and gas costs | 1. TOU pricing 2. EVs constraint 3. DR constraint 4. RESs constraint 5. ESS constraint 6. Temperature conditions | Exemplary neighborhood test system | Scheduling and long-term planning | Decision-making model | HPs, CHP, ESS, ACs, and RESs | Battery and thermal storage | Economic | -- |
| [339] | Planning (Demand Side Management) | 1. (⇊) Consumer cost 2. (⇊) PAR 3. (⇈) Comfort | 1. RTP tariffs 2. Consumption constraints 3. LAN 4. Peak and off-peak time slots | A test case in Sydney, Australia | Scheduling planning | Game-theoretic approach and Nash-game-theory-based optimization model | PV ESS | Battery | Techno-economic | -- |
| Ref. | Focus Area | Objective (s) | Major Constraints | Test System(s) | Planning Type | Applied Method | Sources/Appliances | Storage | Aspects and SDG Impact | Connected with Grid | Type of Building |
|---|---|---|---|---|---|---|---|---|---|---|---|
| [351] | Generation and load forecasting | 1. (⇈) Energy consumption efficiency | 1. Average daily load | Test non-residential building | Short-term planning | Post processing algorithm (PPA) | -- | -- | Techno-economic | Yes | Commercial building |
| [352] | Generation and load forecasting | 1. Evaluate the perf. of ANN 2. Anal. relative performance 3. How network design parameters | 1. Building type 2. Weather condit. 3. Load profile 4. Seasonal variat. 5. Power demand | Real-world data of a Campus in downtown Montreal | Short term and very short-term planning | ANN | -- | -- | Technical | Yes | 5. Residential, Commercial and educational/office buildings |
| [353] | Generation and load forecasting | 1. Energy consumption prediction | 1. Appliance energy dataset 2. Household energy dataset | Test residential building | Scheduling planning | Hybrid DL | -- | -- | Technical | Yes | Residential building |
| [346] | Resource allocation | 1. (⇊) GHG emissions 2. (⇊) Total cost | 1. No. and kinds of generation units 2. Energy buy 3. PV constraints 4. WP constraints 5. MT constraints 6. Energy balance | A building condominium situated in Tortona | Long-term (20 years) multiobjective planning | LCA | PV WT MT Grid | -- | Econo-environmental | Yes | Commercial building |
| [347,348] | Resource allocation | 1. WSN deploy. 2. (⇊) Energy consumption 3. (⇈) Comfort 4. (⇊) Oper. cost | 1. Connectivity 2. Protection 3. Clustering 4. Human behavior 5. Power exchange | 1. Test building 2. Clustered SBs | Operational planning | 1. MIP 2. MIP | -- CHP, BESS, TSS, Grid | -- Battery and Thermal | 1. Techno-econo-Social 2. Economic | Yes | 1. Office building 2. Apartment buildings |
| [349] | Resource allocation | 1. (⇊) Loss 2. (⇊) Cost | 1. DR 2. Buy and sell 3, Irradiance 4. Gen. limit 5. ESS constraint 6. Load profile | Modified IEEE 30-bus test system | Long-term planning | PSO | PV, ESS/chiller heater, lighting, washing machine, TV, PC | Battery | Techno-economic | Yes | Residential building |
| [354] | Topology selection | 1. Optimal configuration and topology of UPS 2. (⇈) Energy efficiency | 1. Distributed DC mode of operation 2. PQ and reliability 3. V magnitudes 4. Duration | Exemplary test system | Operational planning | PQ audits | -- | Battery | Technical | Yes | High-tech building |
| [355] | Topology selection | 1. Appliance load monitoring | 1. front-end power supply circuit 2. Commer. supply 3. Prior knowledge 4. VI curve 5. Frequency 6. V-I trajectory | Exemplary system | Monitoring and scheduling | Unintrusive appliance load monitoring (NILM) strategy | Resistive load, reactive load, E-load, linear load, phase angle-controlled load | -- | Technical | -- | Residential building |
| [356] | Topology selection | 2. (⇈) Thermal comfort 2. (⇈) Energy efficiency | 1. Humidity 2. MRT 3. Temperature | Building in center city Philadelphia, USA | Short-term planning | Fine-grained deep learning (FGDL) approach | -- | -- | Techno-Social | Yes | Office building |
| Ref. | Focus Area | Objective(s) | Major Constraints | Test System (s) | Planning Type | Applied Method | Energy Resources/Appliances | Storage | Aspects and SDG Impact | Connected with Grid | City Considered |
|---|---|---|---|---|---|---|---|---|---|---|---|
| [351] | Generation and load forecasting | 1. (⇈) Energy consumption efficiency 1. (⇊) Loss | 1. Average daily load | Test non-residential building | Short-term planning | Post processing algorithm (PPA) | -- | -- | Techno-economic | Yes | |
| [336,367] | Planning (Location and size) | 1. Optimal energy mix 2. (⇊) Investment and total cost | 1. Capacity of units 2. No of units 3. P and Q limits | Exemplary system | Short-term planning | HOMER | PV Biogas CHP PHEV | Battery | Economic | Yes | |
| [369] | Planning (Sizing of CSs for EVs) | 1. (⇊) Overall cost 2. (⇊) Travel time 3. (⇈) Lowest PIF | 1. Density traffic 2. Edge capacity constraints 3. Traffic engg. Constraints 4. Operational constraints | Test case system | Long-term planning | Multi commodity flow problem (MCFP) algorithm | Grid | Battery | Techno-economic | Yes | |
| [370] | Generation and load forecasting | 1. Price and demand forecast for big data | 1. Mean absolute error 2. Normalized root means square error | NewYork City, USA | Short-term planning | DL-LSTM | Grid | -- | Technical | Yes | New York, USA |
| [371] | Generation and load forecasting | 1. Load forecasting 2. (⇊) Forecasting error | 1. Actual hourly load 2. Mean absolute percentage error 3. Normalized mean-square error | 6 cities | Short-term planning | LWSVR and MGOA | Grid | -- | Technical | Yes | New York Victoria New England |
| [372] | Generation and load forecasting | 1. Load forecasting | 1. Heating system features of buildings 2. Seasonal consumption 3. Architectural features of buildings | Non-residential buildings in University of Girona | Short-term planning | Data driven model (DDM) | Grid | -- | Technical | Yes | Girona |
| [373] | Generation and load forecasting | 1. Forecasting Production and consumption 2. (⇊) Uncertainty | 1. Solar irradiance 2. ESS constraints 3. Energy exchange 4. MAE | Test case | Short-term planning | Context-based technique | PV ESS Grid | Battery | Technical | Yes | -- |
| [374] | Generation and load forecasting | 1. Load forecasting | 1. Calendar 2. Population 3. Weather data 4. Mean absolute parentage error | 25 cities | Short-term planning | TL and DNN | Grid | -- | Technical | Yes | Seoul |
| [375] | Resource allocation (Sensor Placement) | 1. (⇈) Coverage 2. (⇈) Lifetime | 1. Sensor and sink placement 2. Sensor and sink placement limit 3. Cell coverage 4. Cells distance 5. AND function 6. Network connectivity | A smart parking system at CERIST research center in Algiers, Algeria | Multiobjective planning | ILP | -- | -- | Technical | Yes | Algeria |
| [376] | Resource allocation | Optimize: 1. Power drain 2. Battery lifetime 3. Standard deviation 4. PLR and delay time | 1. Data processing 2. Sensor networks 3. Data integration 4. Quality control | Exemplary test system | Operational planning | HABPA and DSA | -- | -- | Technical | Yes | Exemplary smart city |
| [377,378] | Resource allocation (Edge resource allocation) | 1. (⇊) Average service response time | 1. Latency constraints 2. Capacity constraints | Exemplary test system | Operational planning | Heuristic edge resource allocation algorithm (CHERA) | -- | -- | Technical | Yes | Exemplary smart city |
| [364] | Resource allocation (RESs allocation) | 1. Optimal RESs allocation | 1. Type of RESs 2. RESs capacity 3. Energy demand 4. Seasonal conditions | Case study in medium-sized city in Austria (Graz) | Long-term planning | P-Graph method | -- | -- | Techno-econo-environmental | Yes | Austria (Graz) |
| Countries | Policy and Main Guidelines | Policy Aims and Objectives |
|---|---|---|
| Pakistan | Alternative Energy Development Board (AEDB) - Alternative Energy Policy (2019) [386] - Alternative Energy Development Board (Certifications) Regulations (2021) [387] China Pakistan Economic Corridor (CPEC) - Power grid transformation - Technical Policy Framework for Grid Transformation of CPEC Ambarella [388] | - 20% Renewable Energy Injection by (2025) - 30% Renewable Energy Injection by (2030) - Secured and quality-assured delivery of solar and wind energy projects - Renewable share enhancement - Smart grid implementation plan for 2030 - Grid modernization through different SG technologies deployment |
| India | Smart Grid Vision for India - Puducherry Smart Grid Pilot Project [389] | - Access, availability, and affordability of quality power for all - Secure, adaptive, sustainable, and digitally enables energy ecosystem |
| European Union | SG legislation and regulations in EU - Conclusions of the European Council of February 4, 2011 [390] - Commission Recommendation on Preparations for the Roll-out of Smart Metering Systems (C/2012/1342) [391] - EC Standardization Mandate for SMs (M/441) [392] - EC Standardization Mandate for EVs (M/468) [392] - EC Standardization Mandate for SGs (M/490) [392] Vision 2030 - October 2014 | - Sustainable, competitive, and secure energy supply - Smart meters deployment - EVs deployment - Demand response and dynamic pricing - Standards development - Renewable penetration enhancement - Energy efficiency enhancement up to 27% and 40% reduction in GHG emissions - Ambition 2050 target to reduce GHG emissions by 95% |
| United States | Smart grid legislative and regulatory policies - Energy Independence and Security Act of 2007 [393] - Grid 2030 [394] - GridWise Program of US DOE [395] - NIST IOP Framework Roadmap 4.0 [396] Energy provisions in the CARES Act [397] | - Power quality and reliability - Efficiency - Sustainable development goals (SDGs) - GHG emissions reduction - Security and optimization |
| United Kingdom | Department of Energy and Climate Change - Smart Grid Vision and Routemap [398] - A legally binding commitment (2020 and 2050) [399] - Energy Bill 2010–11 [400] - Electricity market reform - Energy White Paper 2011 - Renewable energy guarantees of origin - Renewables obligation - Climate change levy | - All electricity network stakeholders’ involvement - Challenges facing electricity distribution networks - Demand elasticity - 30% carbon emission reduction by 2020 - 80% carbon emission reduction by 2050 - Providing incentives to consumers |
| South Korea | Smart Grid Roadmap - 2010–2030 [400] - Special Act on the Establishment and Support for Smart Power Grid [401] Korean New Deal Clean Energy Spending [397] | - Smart power grid - Smart consumer - Smart transportation - Smart renewable and smart electricity services - Blackout time reduction |
| China | 12th Five-Year Plan for Energy Science and Technology Development [402] - Environment - Technology improvement - Power supply efficiency - Renewable energy resources State Grid Corporation of China 14th Five-Year Plan [397] | - Renewable energy reductions in taxes - GHG emissions reduction - Transmission and distribution - Renewable penetration enhancement - Reduce CO2 intensity of economy by 18% from 2021 to 2025 - Reduce energy intensity of economy by 13.5% from 2021 to 2025 - 20% non-fossil share of energy mix by 2025 - 25% non-fossil share of energy mix by 2030 |
| Japan | 6th Strategic Energy Plan 2021 [403] - 2021–2030 Roadmap to Intl. Std. SG SG policy by Ministry of Economy, Trade, and Industry Public spending on clean energy innovation—2021 national budget [397] | - Reduce the GHG emissions by 46% up to 2030 - Double the utilization of renewable energy - Focus on solar and wind rather than biomass |
| Italy | National energy strategy Net metering RES promotion—decree implementing Directive 2001/77/EC Reorganization of energy sector regulation ENEL voluntary agreement | - Energy cost minimization - Renewable penetration enhancement - Demand side management - GHG emission reduction |
| Australia | Australian smart grid policy and standards [404] Vision 2020 Energy policy frame Work by council of Australian Government DER-friendly policy | - Renewable energy penetration - TOU tariffs infrastructure - Security and Power Quality - Power delivery efficiency - Demand side management |
| Canada | National SG Technology and Standards Task Force Smart Grid Canada Energy provisions in the 2020 Healthy Environment and a Healthy Economy Plan [397] Spending in the Hydrogen Strategy and Strategic Innovation Fund Net Zero Accelerator [397] | - Renewable energy penetration enhancement - GHG emission reduction - Security and power quality |
| Germany | Germany’s climate policy [405] Climate Action Programme 2030 [405] | - Renewable penetration enhancement - GHG emission reduction - Energy consumption reduction |
| Saudi Arabia | National Strategy for Smart Meters and SGs [406] National Renewable Energy Program 2019 Energy and Sustainability (Vision 2030) [407] | - Determining the challenges facing the electricity industry - Smart meters and smart grids technologies - Reliability, quality of service, and efficiency - Better utilization of assets - RESs integration enhancement - Electricity consumption conservation - Install 58.7 GW renewable by 2030 |
| South Africa | Smart Grid 2030 Vision [408] | - 20% sustainable reduction in peak energy demand - 100% grid availability - 40% improvement in system efficiency - 8 GW Renewable energy integration - Improved service delivery and service reliability |
| International Collaboration | IRENA REmap 2030 [409] 2030 National Environmental Policy [410] IEA NetZero by 2050 [411] IEA Smart Grids Technology Roadmap 2050 [412] IEA Vision 2035 [413] IEEE Smart Grid Vision for Vehicular Technology 2030 [414] IEEE Grid Vision 2050 [415] US DOE Wind Energy Vision 2030 [416] EnergyVision 2030 (Grid Modernization) [417] | - Doubling the share of renewable energy share in world final energy consumption - Energy efficiency - GHG emission reduction - Renewable penetration enhancement - Smart grid technologies deployment - Increase electrification rate - EVs trends enhancement (sustainable transportation) - Future energy availability, production, and consumption - 20% wind energy integration into the system up to 2030 - Demand optimization, Demand response, Active load management, Storage |
| SDM | Pilot Project Name | Organization | Country | Year | Anticipated Objectives/Motives | Elements |
|---|---|---|---|---|---|---|
| ARDNs [418] | 22 kV radial distribution network—ADN modeling for enhancing PS performance. | Egyptian Electricity Holding Company, Middle Egypt DisCo. | Egypt | 2020 | Sustainable power system performance | |
| LDNs [419,420] | 1. 3-terminal SOP-based pilot project of MV flexible DN as CLDN. 2. Belgium east loop active network management. | 1. Beijing Electric Power Corporation, China 2. Ores and Elia | 1. Yanqing district, Beijing, China 2. Belgium | 1. 2018 2. 2010–11 | 1. Penetration accommodation of renewable generations such as solar, biomass, geothermal, wind, and hydro. 2. Load management, power quality and stability, and switching operation. | |
| MDNs [144,421,422,423] | 1. LV dense-mesh municipal distribution network 2. GridBox pilot project 3. ESB, smart green circuits, networks-SG demonstration project 4. Active network management with 33 kV distribution network. | 1. E.ON Distribuce 2. Supercomputing Systems AG, Zurich 3. ESB Networks 4. Scottish Power energy networks in collaboration with Psymetrix | 1. Czech Republic 2. Switzerland 3. Ireland 4. Isle of Anglesey, North Wales | 1. 2019 2. 2016 3. 2010–12 4. 2013 | 1. Safety and durability, operational analysis, power quality monitoring 2. Monitoring and active control of DN 3. Asset utilization, power supply, system losses, system voltage, reliability, switching operation 4. Distribution network capacity, renewable penetration | |
| MGs [424,425,426,427,428,429] | 1. University of Cyprus (UCY) Nanogrid Solution 2. Smart Polygeneration Microgrid (SPM) test-bed facility at the Savona Campus of the Genoa University 3. Demonstration projects by Japan - Aichi Microgrid - Hachinohe Microgrid - Kyotango Microgrid - Sendai Power Quality Management - Shimizu Construction Company - Miyako Island Microgrid - Higashida Co-generation - New Mexico—Los Alamos - New Mexico—Albuquerque 4. European FP 5 Microgrids program—a pilot installation on Kythnos Island, Greece. 5. More Microgrids Project—a pilot installation in Mannheim-Wallstadt, Germany 6. North American microgrids - AEPCERTS - Mad River - BC Hydro Boston Bar - GE Microgrid | 1. University of Cyprus 2. University of Genova 3. - NEDO - NEDO - NEDO - NEDO - Private own - Utility - Steel company - Distribution utility and NEDO - Building owner and NEDO 4. European Union MGs funding program 5. National Technical University of Athens (NTUA) 6. - Sandia National Laboratories and the University of Wisconsin - Northern Power Systems - British Columbia Hydro - General Electric | 1. Cyprus 2. Italy 3. Japan 4. Greece 5. Mannheim–Wallstadt, Germany 6. US | 1. 2020 2. 2013 3. - 2003–7 - 2003–7 - 2003–7 - 2004–7 - 2006 - 2009–13 - 2010 - 2010–13 - 2010–13 4. 2001–6 5. 2006 6. | 1. Model commercial and residential load Techno-economic analysis 2. Focus on power and communication infrastructure 3. - Balancing - Balancing and power quality - Balancing - Balancing - Balancing and power quality - Balancing and power quality - Balancing - Ancillary services and balancing 4. Test centralized and decentralized control strategies for islanding 5. Study alternative methods, strategies along with universalization and plug-and-play concepts 6. PV distributed among homes | 3. - PV, NAS battery, FC, SM, PMU. - Wind, PV, LA battery, gas engine, SM, PMU. - Wind, PV, LA battery, methane fermentation, fuel cell, SM - PV, LA battery, capacitor, city gas, FC, SM. - PV, Ni-MH battery, city gas, SM - Wind, PV, NAS battery, SCiBT, gas turbine and thermal - Wind, PV, Li-ion battery, FC, EV, SM - PV, NAS battery, LA battery, SM - PV, LA battery, city gas, FC, SM 4. Solar, gas/diesel, storage 5. PV, DG, controllable loads 6. CHP, MG, ESS - Biodiesel, MT, propane |
| MGs [429,430,431] | 7. Hsinchiang Microgrid 8. MVV Energie Projects 9. KERI microgrid 10. DER-IREC 22@Microgrid | 7. Mitsubishi Electric 8. MVV 9. Korean Energy Research Institute (KERI) 10. GTD Sistemas de Informacion SA | 7. China 8. Germany 9. Korea 10. Spain | -- -- -- 2009–11 | 7. Serve the peak load of 90 kW. 8. To serve the residential and commercial units of load. 9. Testing and studying 10. New research platform, new components’ integration, DER and EV integration | 7. Battery, PV, generator, utility 8. Utility, FC, PV, MG, flywheel, CHP 9. PV, FC, DG, WT, Storage 10. WT, PV, hydrogen, storage, utility |
| MMGs [44,432,433,434] | 1. IIT (Illinois Institute of Technology) DC MMGs 2. NREL AC-DC hybrid MMGs 3. Kythnos single-phase/three-phase MMGs 4. Zhuhai Wanshan Islands MMGs 5. Guangxi Maoershan MMGs | 1. Illinois Institute of Technology (IIT) 2. National Renewable Energy Laboratory 3. European Union Project (more microgrids) 4. -- 5. -- | 1. US 2. US 3. Greece 4. China 5. China | 1. 2014 2. 2010 3. 2008 4. 2018 5. 2018 | 1. Islanding, load sharing, and resynchronization in island mode. Load sharing between north and south substation. 2. Hybrid power integration 3. Power system reliability research and upper scheduling management and ILM. 4. MMGs hierarchical control and mode switching study. 5. Research on microgrid operating mode, form of technology and engineering design. | 1. WT, PV, battery, gas turbine synchronous generator, utility grid. 2. PV, conventional gen., BESS, AC load. 3. PV, BESS, DG. 4. Cage induction gen., PV, COG, LAB. 5. WT, PV, COG, and SC-ESS. |
| VPPs [435,436,437,438,439,440] | 1. Reflexe pilot project 2. Fenix 3. Pilot VPP implementation into a vertically integrated utility system 4. GAD 5. Smart power system—first trial 6. Virtual power plant | -- 2. Iberdrola Distribution 3. Dubai national vertically integrated utility 4. Iberdrola Distribution 5. Energy Research Center of The Netherlands 6. RWE DAG DE | -- 2. Spain 3. Dubai 4. Spain 5. Netherlands 6. Germany | -- 2. 2005-9 -- 4. 2005-9 5. 2007-7 6. 2008-10 | 1. Forecast of expected load, production, and flexibility from participating DERs. status of power supply, demand, and flexibility available in the system 2. Large-scale VPP decentralized management, development of communication, normal/abnormal operations, integration with management and market, DG and DER penetration. 3. Practically test for communication errors, validate TVPP functionalities, demonstrate currently available control modes, effective integration of VPP into grid, operational modes, and integration scenarios. 4. Optimize energy consumption, minimize associated costs, focus on DSM, maintain quality standards, home application. 5. Reduce local peak load and improve efficiency of system. 6. Economic and technical feasibility of VPP, decentralized power production with DGs. | -- 2. Distributed energy resources, CHP, PV. 3. PV and BESS, utility-scale BES, MG, and EV charging stations 4. Distributed energy resources available in the region and storage system. 5. Micro CHP, PV, BESS, WT. EVs. 6. CHP, WT, biomass |
| SHs [441,442] | Energy@home | Indesit, Enel Distribuzione, Telecom Italia, Electrolux | Italy | 2009-11 | Energy cost incentives, informs consumer with mobile device, smart appliances, adjust demand patterns in favor of consumer, home application for consumer behavior. | ICT and AMI, advanced distribution automation, sensing, measurement, and monitoring, DR, and DSM technologies |
| SNHs [443] | 1. Sidewalk Toronto Project 2. Lower Manhattan smart neighborhood pilot | 1. Waterfront Toronto and Sidewalk Labs 2.– | 1. Toronto 2.– | 1. 2017–18 2.– | 1. SNH planning, planners’ roles with respect to smart and digital technology change. 2.– | 1. SCs, urban planning, urban planner roles, smart and digital technologies. 2.– |
| SBs [438,441,444] | 1. Thames Valley Vision Project 2. China’s first automated demand response project 3. BeyWatch | -- 2. US Trade and Development Agency, China Electric Power Research Institute, Tianjin Economic Technological Development Area 3. Investigacion y Desarrollo SA | 1. Town of Bracknell and surrounding area, UK 2. China 3. Spain, UK, Slovenia, Italy, Greece | 1. 2014 2. 2011 3. 2008–11 | 1. Ensuring a high-quality and affordable future electricity network. 2. Energy consumption reduction, cost reduction and network reliability. 3. Develop user-centric and energy aware solution, monitor, control, and balance demand, consumer-aware energy consumption, enabling intelligent control. | 1. ADR techniques, building management systems (BMSs) 2. DR, ADR 3. ICT (AMI), advanced distribution automation, sensing, measurement, and monitoring, DR/DSM. |
| SCs [439,445,446,447,448] | 1. Smart city pilot projects developed in Amsterdam 2. Model City Manheim 3. Yokohama Smart City Project 4. Colorado Smart City Project | 1. Amsterdam Smart City platform 2. MW Energie (DE) 3.– 4. Boulder, CO | 1. Netherlands 2. Germany 3.– 4. US | 1. 2014–16 2. 2008–12 3.– 4.– | 1. Address urban sustainability issue, improve the effectiveness of urban services, and enhance the quality of life of citizens. 2. Renewable penetration and decentralized sources, project deployment, show, translate and applied to other regions. 3. Renewable integration, GHG emission reduction, PS stability, smart transportation, smart homes, smart buildings. 4. Exploitation of SG tools, implementation of DSM, consumer participation. | 1. Roll out (smart meter deployment), expansion (add functionalities), replication (tested V2G system) 2. ICT, advanced distribution automation, distributed generation. 3. EVs, ICT, advanced distribution automation 4. ICT, DR/DSM. |
| Categories | Techniques and Algorithms | Applications in Planning | Challenges |
|---|---|---|---|
| Traditional Approaches | 1. Nonlinear programming (NLP) 2. Linear programming (LP) 3. Mixed integer programming (MIP) 4. Mixed integer linear programming (MILP) 5. Mixed integer nonlinear programming (MINLP) 6. Quadratic programming (QP) 7. Network flow programming (NFP) 8. Generalized reduced gradient (GRG) 9. Newton method (NM) 10. Interior point methods, etc. | 1. Reactive and active power planning 2. Generation expansion planning 3. Generation and distribution planning 4. Generation and load scheduling 5. Maintenance scheduling 6. DG and other RES generation mix planning 7. Compensation placement and sizing 8. Voltage regulation 9. Long-term and short-term generation and load forecasting | 1. High processing time required 2. Large number of iterations 3. Lowe convergence rate 4. Low accuracy 4. Suitable for only small problems 5. Risk for high dimensionality 6. Low flexible with varying time periods 7. Not more suitable for inequalities |
| Heuristic and Metaheuristic Techniques | 1. Simulated annealing method (SA) 2. Tabu search algorithm (TSA) 3. Genetic algorithm (GA) 4. Evolutionary algorithm (EA) 5. Memetic algorithms (MA) 6. Particle swarm optimization (PSO) 7. Ant colony algorithm (ACA) 8. Differential evolution (DA) 9. Harmony search algorithm (HSA) 10. Honey-bee colony optimization (HBCO), etc. | 1. Lower accuracy 2. Numerical inefficiency 3. Local optima 4. Low convergence rate 5. High number of iterations 6. Lot of tunable parameters 7. High complexity and time-consuming 8. Slow processing | |
| AI-Based Techniques | 1. Artificial neural networks (ANN) 2. Machine learning and reinforcement learning (ML&RL) 3. Deep learning (DL) 4. Genetic algorithm (GA) 5. Particle swarm optimization (PSO) 6. Multiagent system (MAS) 7. Fuzzy logic (FL) 8. Pareto multiobjective approach (PMA) etc. | 1. Large data set required 2. Unknown network duration 3. Overloading 4. Facing difficulty at industrial deployment 3. High time requirements 5. Poor computation 6. Accuracy issues 7. Total dependent on human knowledge and expertise | |
| Hybrid AI Techniques | 1. Fuzzy neural network systems (FNNs) 2. Fuzzy neural/expert/genetic systems 3. Simulated annealing (SA) with fuzzy/genetic/expert systems etc. | 3. Repeated annealing 4. Regularly updates required | |
| Analytical Techniques | 1. Salp swarm optimization (SSO) 2. Whale optimization algorithm (WOA) 3. Sensitivity analysis (SA) etc. | 1. Computation complexity 2. Deal on deterministic variables 3. Does not consider probabilistic parameters 4. Slow convergence speed |
| Sr. No. | Country | Documents | Percentage Document | Citations | Citation per Document | Total Link Strength | Nominal GDP Rank |
|---|---|---|---|---|---|---|---|
| 1 | United States | 53 | 11.09 | 5910 | 111.51 | 100 | 1 |
| 2 | China | 51 | 10.67 | 1680 | 32.94 | 66 | 2 |
| 3 | India | 46 | 9.62 | 1330 | 28.91 | 45 | 6 |
| 4 | Iran | 38 | 7.95 | 1590 | 41.84 | 60 | 22 |
| 5 | South Korea | 24 | 5.02 | 978 | 40.75 | 86 | 10 |
| 6 | Italy | 23 | 4.81 | 3121 | 135.7 | 21 | 8 |
| 7 | United Kingdom | 22 | 4.6 | 2394 | 108.82 | 17 | 5 |
| 8 | Spain | 19 | 3.97 | 1725 | 90.79 | 37 | 14 |
| 9 | Australia | 17 | 3.56 | 926 | 54.47 | 17 | 12 |
| 10 | Pakistan | 16 | 3.35 | 764 | 47.75 | 72 | 46 |
| 11 | Canada | 14 | 2.93 | 3347 | 239.07 | 42 | 9 |
| 12 | Egypt | 13 | 2.72 | 216 | 16.62 | 8 | 36 |
| 13 | Saudi Arabia | 13 | 2.72 | 737 | 56.69 | 35 | 19 |
| 14 | Portugal | 12 | 2.51 | 459 | 38.25 | 11 | 49 |
| 15 | Malaysia | 11 | 2.3 | 1527 | 138.82 | 25 | 38 |
| 16 | Netherlands | 10 | 2.09 | 657 | 65.7 | 7 | 17 |
| 17 | Turkey | 10 | 2.09 | 427 | 42.7 | 14 | 20 |
| 18 | France | 9 | 1.88 | 511 | 56.78 | 12 | 7 |
| 19 | Greece | 9 | 1.88 | 1083 | 120.33 | 18 | 52 |
| 20 | Romania | 8 | 1.67 | 529 | 66.13 | 7 | 47 |
| 21 | Brazil | 7 | 1.46 | 148 | 21.14 | 0 | 13 |
| 22 | Germany | 7 | 1.46 | 131 | 18.71 | 3 | 4 |
| 23 | Japan | 7 | 1.46 | 387 | 55.29 | 6 | 3 |
| 24 | Taiwan | 7 | 1.46 | 115 | 16.43 | 10 | 21 |
| 25 | Denmark | 5 | 1.05 | 248 | 49.6 | 11 | 37 |
| 26 | Finland | 5 | 1.05 | 148 | 29.6 | 8 | 44 |
| 27 | Switzerland | 5 | 1.05 | 1057 | 211.4 | 2 | 18 |
| 28 | South Africa | 4 | 0.84 | 242 | 60.5 | 2 | 42 |
| 29 | Sweden | 4 | 0.84 | 289 | 72.25 | 3 | 24 |
| 30 | Indonesia | 3 | 0.63 | 49 | 16.33 | 0 | 16 |
| 31 | Poland | 3 | 0.63 | 24 | 8 | 5 | 23 |
| 32 | Singapore | 3 | 0.63 | 33 | 11 | 0 | 39 |
| Sr. No. | Organization | Documents | Citations | Avg. Citation per Document | Total Link Strength |
|---|---|---|---|---|---|
| 1 | Department of Electrical and Computer Engineering, College of Information and Communication Engineering (CICE), Sungkyunkwan University (SKKU), Suwon, South Korea | 6 | 61 | 10.17 | 22 |
| 2 | Department of Electrical and Computer Engineering, University of Denver, Denver, United States | 4 | 409 | 102.25 | 4 |
| 3 | Department of Computer Science, COMSATS University Islamabad, Islamabad, 44000, Pakistan | 3 | 64 | 21.33 | 0 |
| 4 | Department of Electrical Engineering, Azarbaijan Shahid Madani University, Tabriz, Iran | 3 | 90 | 30 | 3 |
| 5 | Department of Electrical Engineering, National Institute of Technology, Kurukshetra, India | 3 | 34 | 11.33 | 2 |
| 6 | US–Pakistan center for Advanced Studies in Energy (USPCAS-E), National University of Sciences and Technology (NUST), Islamabad, Pakistan | 3 | 45 | 15 | 18 |
| 7 | Department of Electrical and Computer Engineering, Auburn University, Auburn, United States | 2 | 156 | 78 | 2 |
| 8 | Department of Electrical and Computer Engineering, University of Alberta, Edmonton, Canada | 2 | 367 | 183.5 | 3 |
| 9 | Department of Electrical Engineering, Amirkabir University of Technology, Tehran, Iran | 2 | 47 | 23.5 | 1 |
| 10 | Department of Electrical Engineering, Dr. B.C. Roy Engineering College, Durgapur, West Bengal, India | 2 | 124 | 62 | 3 |
| 11 | Department of Electrical Engineering, Eindhoven University of Technology, Eindhoven, Netherlands | 2 | 29 | 14.5 | 0 |
| 12 | Department of Electrical Engineering, Tsinghua University, Beijing, China | 2 | 6 | 3 | 0 |
| 13 | Energy Systems Division, Argonne National Laboratory, Lemont, United States | 2 | 134 | 67 | 1 |
| 14 | Faculty of Electrical and Computer Engineering, Tarbiat Modares University, Tehran, Iran | 2 | 84 | 42 | 0 |
| 15 | Faculty of Electrical and Computer Engineering, University of Tabriz, Tabriz, Iran | 2 | 98 | 49 | 0 |
| 16 | Galvin Center for Electricity Innovation, Illinois Institute of Technology, Chicago, United States | 2 | 371 | 185.5 | 5 |
| 17 | IEEE | 2 | 81 | 40.5 | 0 |
| 18 | National Technical University of Athens, Greece | 2 | 432 | 216 | 0 |
| 19 | School of Electrical and Computer Engineering, National Technical University of Athens (NTUA), Athens, Greece | 2 | 154 | 77 | 8 |
| 20 | School of Electrical Engineering, Computing, and Mathematical Sciences, Curtin University, Perth, Australia | 2 | 18 | 9 | 0 |
| 21 | School of Electrical Engineering, Southeast University, Nanjing, China | 2 | 57 | 28.5 | 0 |
| 22 | School of Technology and Innovations, University of Vaasa, Vaasa, Finland | 2 | 40 | 20 | 1 |
| 23 | State Key Laboratory of Power Systems, Department of Electrical Engineering, Tsinghua University, Beijing, China | 2 | 36 | 18 | 3 |
| 24 | UNIDEMI, Department of Mechanical and Industrial Engineering, Faculty of Science and Technology (FCT), Universidade Nova de Lisboa, Caparica, Portugal | 2 | 18 | 9 | 0 |
| 25 | University of Cagliari, Cagliari, Italy | 2 | 6 | 3 | 0 |
| Sr. No. | Author | Documents | Percentage Document | Citations | Citation per Document | Total Link Strength |
|---|---|---|---|---|---|---|
| 1 | Kazmi S.A.A. | 11 | 6.83 | 82 | 7.45 | 59 |
| 2 | Shin D.R. | 8 | 4.97 | 72 | 9 | 59 |
| 3 | Kumar A. | 6 | 3.73 | 73 | 12.17 | 15 |
| 4 | Shahidehpour M. | 6 | 3.73 | 681 | 113.5 | 38 |
| 5 | Khodaei A. | 5 | 3.11 | 624 | 124.8 | 7 |
| 6 | Li J. | 5 | 3.11 | 43 | 8.6 | 4 |
| 7 | Zhang X. | 5 | 3.11 | 212 | 42.4 | 23 |
| 8 | Carro B. | 4 | 2.48 | 636 | 159 | 21 |
| 9 | Chen Y. | 4 | 2.48 | 165 | 41.25 | 4 |
| 10 | Hatziargyriou N. | 4 | 2.48 | 710 | 177.5 | 0 |
| 11 | Liu Y. | 4 | 2.48 | 51 | 12.75 | 4 |
| 12 | Lloret J. | 4 | 2.48 | 636 | 159 | 21 |
| 13 | Wang J. | 4 | 2.48 | 193 | 48.25 | 8 |
| 14 | Wang Y. | 4 | 2.48 | 172 | 43 | 8 |
| 15 | Zhang Y. | 4 | 2.48 | 130 | 32.5 | 6 |
| 16 | Aguiar J.M. | 3 | 1.86 | 494 | 164.67 | 17 |
| 17 | Ahmad H.W. | 3 | 1.86 | 6 | 2 | 29 |
| 18 | Arefifar S.A. | 3 | 1.86 | 486 | 162 | 26 |
| 19 | Catal? J.P.S. | 3 | 1.86 | 65 | 21.67 | 0 |
| 20 | Che L. | 3 | 1.86 | 412 | 137.33 | 24 |
| 21 | Du Y. | 3 | 1.86 | 79 | 26.33 | 1 |
| 22 | Dumbrava V. | 3 | 1.86 | 16 | 5.33 | 0 |
| 23 | El-Fouly T.H.M. | 3 | 1.86 | 378 | 126 | 20 |
| 24 | Ganguly S. | 3 | 1.86 | 92 | 30.67 | 0 |
| 25 | Godina R. | 3 | 1.86 | 43 | 14.33 | 0 |
| 26 | Gupta A.R. | 3 | 1.86 | 25 | 8.33 | 11 |
| 27 | Haghifam M.R. | 3 | 1.86 | 190 | 63.33 | 2 |
| 28 | Hernandez L. | 3 | 1.86 | 497 | 165.67 | 19 |
| 29 | Javaid N. | 3 | 1.86 | 64 | 21.33 | 0 |
| 30 | Liu Z. | 3 | 1.86 | 131 | 43.67 | 13 |
| 31 | Mohamed Y.A.R.I. | 3 | 1.86 | 486 | 162 | 26 |
| 32 | Murty V.V.S.N. | 3 | 1.86 | 46 | 15.33 | 6 |
| 33 | Muyeen S.M. | 3 | 1.86 | 28 | 9.33 | 1 |
| 34 | Nojavan S. | 3 | 1.86 | 192 | 64 | 1 |
| 35 | Ravi K. | 3 | 1.86 | 117 | 39 | 12 |
| 36 | Salehi J. | 3 | 1.86 | 196 | 65.33 | 6 |
| 37 | Wang X. | 3 | 1.86 | 424 | 141.33 | 6 |
| 38 | Wang Z. | 3 | 1.86 | 89 | 29.67 | 2 |
| 39 | Wu W. | 3 | 1.86 | 38 | 12.67 | 7 |
| 40 | Xu J. | 3 | 1.86 | 65 | 21.67 | 6 |
| 41 | Yang J. | 3 | 1.86 | 85 | 28.33 | 9 |
| 42 | Yang Y. | 3 | 1.86 | 67 | 22.33 | 1 |
| 43 | Yuvaraj T. | 3 | 1.86 | 117 | 39 | 12 |
| Sr. No. | Source | Documents | Citations | Avg. Citation per Document | Total Link Strength |
|---|---|---|---|---|---|
| 1 | Energies | 23 | 378 | 16.43 | 43 |
| 2 | IEEE Transactions on Smart Grid | 17 | 1945 | 114.41 | 28 |
| 3 | International Journal of Electrical Power and Energy Systems | 17 | 1117 | 65.71 | 20 |
| 4 | Energy | 13 | 1667 | 128.23 | 10 |
| 5 | Renewable and Sustainable Energy Reviews | 11 | 1883 | 171.18 | 13 |
| 6 | IEEE Transactions on Power Systems | 10 | 904 | 90.4 | 16 |
| 7 | Sustainability (Switzerland) | 10 | 120 | 12 | 9 |
| 8 | IEEE Access | 9 | 122 | 13.56 | 15 |
| 9 | IET Generation, Transmission and Distribution | 9 | 345 | 38.33 | 16 |
| 10 | Applied Energy | 7 | 387 | 55.29 | 6 |
| 11 | Electric Power Systems Research | 7 | 331 | 47.29 | 9 |
| 12 | Energy and Buildings | 7 | 343 | 49 | 7 |
| 13 | Applied Sciences (Switzerland) | 6 | 53 | 8.83 | 4 |
| 14 | International Transactions on Electrical Energy Systems | 5 | 47 | 9.4 | 9 |
| 15 | Electric Power Components and Systems | 4 | 45 | 11.25 | 3 |
| 16 | Energy Procedia | 4 | 84 | 21 | 0 |
| 17 | IEEE Power and Energy Society General Meeting | 4 | 76 | 19 | 0 |
| 18 | IEEE Transactions on Industrial Informatics | 4 | 186 | 46.5 | 2 |
| 19 | IET Renewable Power Generation | 4 | 200 | 50 | 4 |
| 20 | Sustainable Cities and Society | 4 | 544 | 136 | 4 |
| 21 | Electrical Engineering | 3 | 21 | 7 | 1 |
| 22 | Energy Conversion and Management | 3 | 301 | 100.33 | 4 |
| 23 | IEEE-PES Innovative Smart Grid Technologies Conference Europe | 3 | 16 | 5.33 | 0 |
| 24 | Journal of the Institution of Engineers (India): Series B | 3 | 21 | 7 | 1 |
| 25 | Journal of Urban Technology | 3 | 2766 | 922 | 2 |
| 26 | Sustainable Energy, Grids and Networks | 3 | 60 | 20 | 4 |
| Sr. No. | Document | Citations | Links | Ref. |
|---|---|---|---|---|
| 1 | Lasseter R.H. (2002) | 1984 | 0 | [40] |
| 2 | Caragliu A. (2011) | 1489 | 2 | [21] |
| 3 | Albino V. (2015) | 1217 | 3 | [60] |
| 4 | Batty M. (2012) | 961 | 1 | [61] |
| 5 | Mancarella P. (2014) | 750 | 1 | [50] |
| 6 | Walling R.A. (2008) | 734 | 1 | [136] |
| 7 | Silva B.N. (2018) | 460 | 1 | [65] |
| 8 | Raza M.Q. (2015) | 428 | 0 | [359] |
| 9 | Hatziargyriou n. (2013) | 419 | 0 | [7] |
| 10 | Alam m.r. (2012) | 404 | 0 | [53] |
| 11 | Zhou B. (2016) | 385 | 0 | [224] |
| 12 | Coster E.J. (2011) | 308 | 0 | [2] |
| 13 | Lazaroiu G.C. (2012) | 297 | 2 | [64] |
| 14 | Barnes M. (2007) | 277 | 0 | [429] |
| 15 | Hernandez L. (2014) | 266 | 0 | [357] |
| 16 | Khator S.K. (1997) | 266 | 0 | [24] |
| 17 | Ustun T.S. (2011) | 265 | 0 | [430] |
| 18 | Asmus P. (2010) | 244 | 1 | [12] |
| 19 | Frade I. (2011) | 235 | 0 | [333] |
| 20 | Calvillo C.F. (2016) | 229 | 0 | [365] |
| 21 | Farzin H. (2016) | 224 | 0 | [252] |
| 22 | Gamarra C. (2015) | 219 | 0 | [173] |
| 23 | Khodaei A. (2015) | 215 | 1 | [172] |
| 24 | Lotfi H. (2017) | 213 | 1 | [175] |
| 25 | Che L. (2014) | 208 | 1 | [432] |
| 26 | Ghayvat H. (2015) | 198 | 0 | [361] |
| 27 | Arefifar S.A. (2012) | 190 | 1 | [191] |
| 28 | Bui V.H. (2018) | 183 | 0 | [253] |
| 29 | Gopiya Naik S. (2013) | 182 | 0 | [110] |
| 30 | Arefifar S.A. (2013) | 177 | 2 | [192] |
| 31 | Pesaran H.A M. (2017) | 172 | 1 | [165] |
| 32 | Gangale F. (2013) | 169 | 0 | [439] |
| 33 | Che L. (2017) | 156 | 2 | [169] |
| 34 | Yin C.T. (2015) | 151 | 1 | [63] |
Publisher’s Note: MDPI stays neutral with regard to jurisdictional claims in published maps and institutional affiliations. |
© 2022 by the authors. Licensee MDPI, Basel, Switzerland. This article is an open access article distributed under the terms and conditions of the Creative Commons Attribution (CC BY) license (https://creativecommons.org/licenses/by/4.0/).
Share and Cite
Khan, S.N.; Kazmi, S.A.A.; Altamimi, A.; Khan, Z.A.; Alghassab, M.A. Smart Distribution Mechanisms—Part I: From the Perspectives of Planning. Sustainability 2022, 14, 16308. https://doi.org/10.3390/su142316308
Khan SN, Kazmi SAA, Altamimi A, Khan ZA, Alghassab MA. Smart Distribution Mechanisms—Part I: From the Perspectives of Planning. Sustainability. 2022; 14(23):16308. https://doi.org/10.3390/su142316308
Chicago/Turabian StyleKhan, Shahid Nawaz, Syed Ali Abbas Kazmi, Abdullah Altamimi, Zafar A. Khan, and Mohammed A. Alghassab. 2022. "Smart Distribution Mechanisms—Part I: From the Perspectives of Planning" Sustainability 14, no. 23: 16308. https://doi.org/10.3390/su142316308
APA StyleKhan, S. N., Kazmi, S. A. A., Altamimi, A., Khan, Z. A., & Alghassab, M. A. (2022). Smart Distribution Mechanisms—Part I: From the Perspectives of Planning. Sustainability, 14(23), 16308. https://doi.org/10.3390/su142316308

