Abstract
Suitable space vector modulation (SVM) with reduced high-frequency common-mode voltages (HF-CMVs) for grid-connected current-source inverters (CSIs) have not been well investigated yet. In this study, the potential of active zero-state SVM (AZS-SVM) to suppress high frequency common-mode voltages (HF-CMVs) is revealed and theoretically analyzed, which is different from existing approaches of modifying topology. A special five-segment sequence with an optimally selected third active space vector for AZS-SVM is proposed and applied for CSIs. Simulation and experiments were completed on a (2.5 kW/208 V/6.94 A) grid-connected three-phase CSI. The results indicate that the proposed AZS-SVM mitigates HF-CMVs around unity and double control frequency by a factor of at least four times in contrast to that by conventional SVM, which validates the effectiveness of the proposed AZS-SVM to mitigate HF-CMVs generated by a grid-connected CSI.
1. Introduction
Grid-connected power electronics converters have been widely used in renewable energy conversion systems [1,2,3]. As the interface between renewable energy sources and the grid, grid-connected power converters can be categorized into with transformer and transformerless [4]. Due to isolation transformers’ bulky size, large footprint, and more power losses, transformerless grid-connected inverters are more attractive. Unfortunately, power devices’ fast switching would impose high-frequency common-mode voltages (HF-CMVs) onto the systems. For example, Figure 1 shows a photovoltaic (PV) power conversion system without an isolation transformer. CMVs induce leakage currents flowing through a PV panel’s parasitic capacitors, which imposes an adverse impact on line currents, electromagnetic interference (EMI), and potential human safety problems [5]. Since the reactance of capacitor decreases when the frequency increases, HF-CMVs would easily induce leakage currents in the system, which should be meticulously dealt with.
Figure 1.
Impact of HF-CMVs on transformerless PV system.
In this study, the potential of active-zero state space vector modulation (AZS-SVM) to mitigate HF-CMVs in a three-phase grid-connected CSI is revealed and analyzed. AZS-SVM synthesizes a zero-state vector with two active-state vectors in opposite directions during each control period. A special five-segment sequence is proposed to realize optimal HF-CMV mitigation under various power factor (PF) conditions in contrast to conventional SVM. The optimal selection of the third active space vector is analyzed. The simulation and experimental results are presented to verify the effectiveness of the proposed AZS-SVM to suppress HF-CMVs.
Based on the simulated and experimental results, the proposed AZS-SVM can achieve the mitigation of HF-CMVs around unity and double control frequency under various modulating indexes and different phase angle differences between the capacitor voltage vector and output pulse-width modulated (PWM) current vector by the CSI. With output PWM current vector aligning with capacitor voltage, the proposed AZS-SVM mitigates HF-CMVs around unity and double control frequency by a factor of at least four times in contrast to that by conventional SVM.
The paper is organized as follows. In Section 2, a review of the state-of-the-art literature on CMV mitigation is presented, which is followed by the generation of CMV in a CSI in Section 3. Conventional SVM and the proposed AZS-SVM are presented in Section 4, where a discussion on selecting the third active space vector for the proposed AZS-SVM is included. Section 5 and Section 6 present the simulated and experimental results in contrast to conventional SVM. Finally, some conclusions are drawn in Section 7.
2. Review of the Literature
To tackle the issue associated with HF-CMVs, many topologies and modulation schemes have been presented, of which the basic objective was to generate unipolar voltage pulse so as to mitigate HF-CMVs [4,6]. They are mainly designed for voltage-source inverters (VSIs). However, a huge electrolytic DC capacitor typically used in a VSI degrades the whole system’s lifespan [7]. In addition, a potential risk of overcurrent fault due to the phase-leg short circuit error would reduce the system reliability further. In contrast, CSIs have a simple structure, with the inherent current limiting capability, and enhanced reliability [8], since a DC choke instead of a DC capacitor is used at the DC side of a CSI. Though various modulation schemes have been introduced for CSIs, SVM is an online scheme, and normally regarded as the most flexible [9]. Since CSIs are mainly adopted in high-power medium-voltage motor drive applications, the existing research mainly focuses on reducing CMV peak value and mitigating low-order harmonics in CMVs [10,11]. In [12], AZS-SVM is presented to mitigate the peak value of CMVs in high-power medium-voltage CSI-fed motor drives, where the switching device’s switching frequency is limited to around 500Hz. In addition, AZS-SVM in [12] aims at mitigating low-order harmonics in PWM currents, which are naturally reduced with the increase in switching frequency. Furthermore, the four-segment space vector sequence in [12] was not available to mitigate HF-CMVs, so it cannot be directly applied for a transformerless grid-connected CSI. Various modifications on topologies of CSIs have also been studied so as to reduce HF-CMVs [13,14,15]. A CH5 inverter for single-phase PV systems was presented in [13], which eliminates HF-CMVs with an extra added switching device. Similarly, a four-leg CSI for three-phase PV systems was presented in [14], which mitigated HF-CMVs via augmenting one more phase leg. A single-phase CSI with six switches was presented in [15], which achieved the elimination of HF-CMVs by adding two more switching devices. In comparison to the existing methods, the proposed AZS-SVM does not require topology modification, and solely depends on modulation schemes and different space vector arrangements over one control period. Furthermore, the proposed AZS-SVM focuses on mitigating HF-CMVs rather than peak or average values of CMVs as in the existing literature.
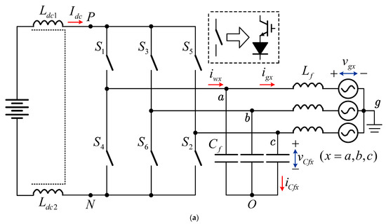
3. CMV of a CSI
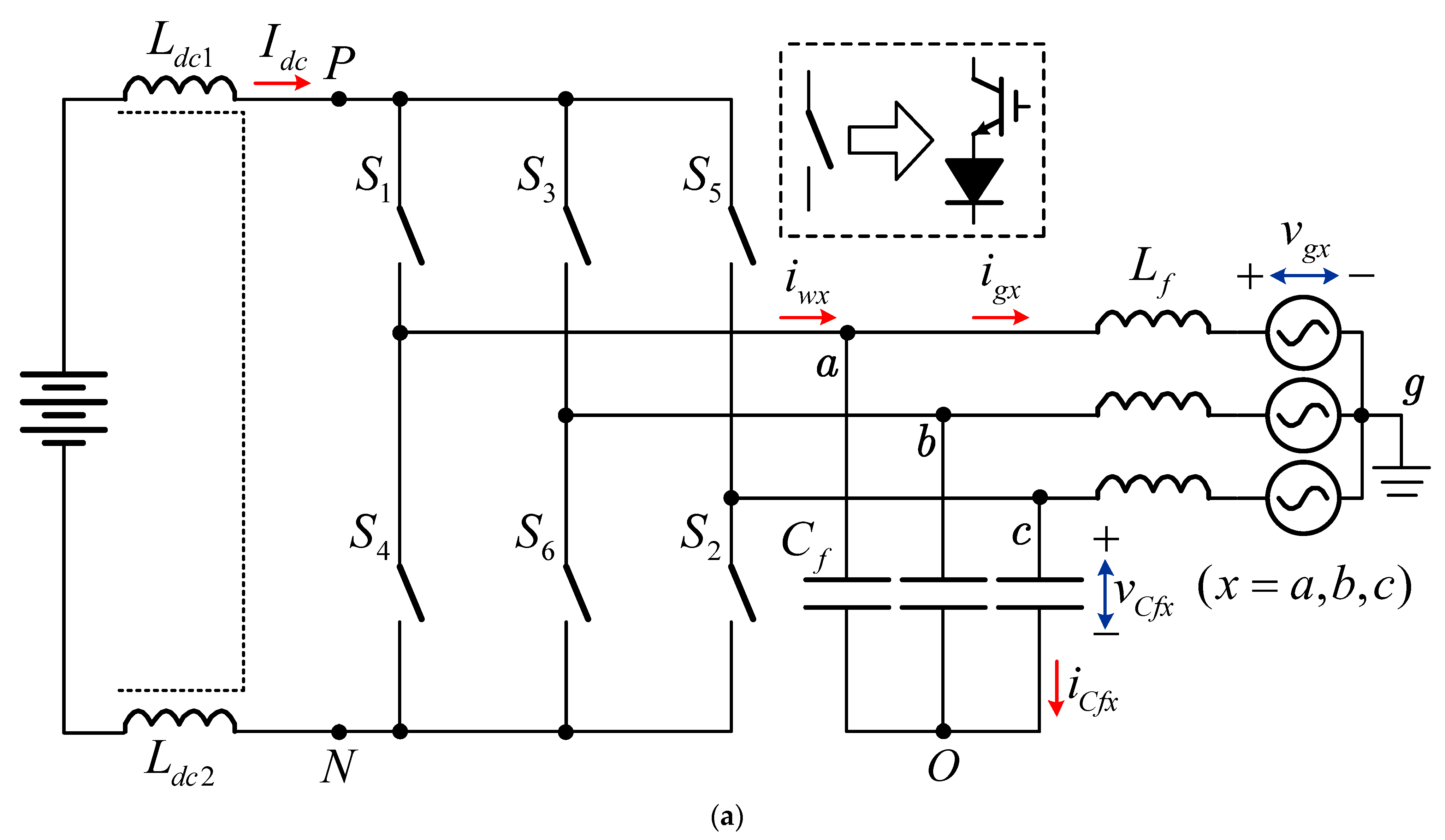
The schematic diagram of a grid-connected CSI is depicted in Figure 2. In Figure 2a, and denote the coupling differential-mode chokes. is the DC current. and denote the positive and negative DC rails, respectively. The six switching devices with anti-voltage blocking capability are denoted by to , and realized by connecting an IGBT in series with a diode. and are three-phase filter capacitors and inductors, respectively. At the AC side, , , and () denote inverter output currents, capacitor voltages, and line currents, respectively. is the ground and is the neutral point of the CSI.

Figure 2.
Grid-connected CSI: (a) topology, and (b) space vector.
The voltages and can be given by:
Similarly, the currents iwa, iwb, and iwc can be given by:
where
With equal to , can be written as:
It can be found that the CMV of a CSI is directly relevant to the applied switching state. A CSI’s space vector diagram is illustrated in Figure 2b, which includes six active-state vectors and three zero-state vectors. Meanwhile, the CMV generated by each switching state is also shown in Figure 2. The CMVs generated by active-state vectors are only equal to half of instant capacitor phase voltages, whereas zero-state vectors produce CMVs as high as instant capacitor phase voltages. Hence, it can be deduced that CMV transitions between active-state vectors and zero-state vectors more easily impose high-frequency component onto CMVs.
4. Proposed Five-Segment Sequence AZS-SVM for HF-CMV Mitigation
4.1. Conventional SVM
In this study, the five-segment space vector sequence shown in Figure 3, which compares two references with a triangular carrier waveform, is applied for SVM. In Figure 3, is the control period of SVM, and also defined by the period of the triangular carrier. During one control period, conventional SVM generates two transitions between active-state vectors and a zero-state vector. For instance, when the applied space vector transits from to , the induced CMV steps from −0.5vCfb to vCfa, which results in higher magnitudes of HF-CMVs. For the five-segment sequence, each vector’s dwell time, which is represented by , , and , can be given by:
where is the modulating index, and is the angular displacement of the reference output current vector, , with respect to the middle line of each sector.
Figure 3.
Five-segment sequence for conventional SVM.
4.2. AZS-SVM
The principle of AZS-SVM is to use active-state vectors (ASVs) in opposite directions to synthesis and replace the zero-state vector (ZSV). ASVs, which are adjacent to original ASVs in conventional SVM, will not be chosen, since induced CMVs are different from that by original ASVs and impose instant changes on CMV. Hence, only ASVs, which are opposite to original ASVs in conventional SVM, can be selected.
The space vector plane for a CSI is divided into twelve regions in Figure 4. Each region corresponds to a combination of three ASVs. The case in region 1 is selected as an example, in which , , and are selected. is opposite to , so the synthesized effect of and the part of can be neutralized to replace original . The proposed five-segment sequence for AZS-SVM is presented in Figure 4a. The modified dwell time for three ASZs in region 1 can be given by:
Figure 4.
Five-segment sequence for AZS-SVM and region distribution: (a) region 1, and (b) region 2.
In Figure 4a, over one control period, AZS-SVM generates no transitions between ASVs and a ZSV, which mitigates the large instant changes on the CMV, and leads to lower HF-CMVs. Similarly, in region 2, , , and are chosen and the proposed five-segment sequence is shown in Figure 4b. The dwell time of three ASVs in region 2 can be given by:
4.3. Discussion on Third Active-State Vector Selection
Different space vector combinations are applied to minimize the magnitudes of HF-CMVs in region 1 and region 2. The phase angle displacement, , between and is taken into consideration. In addition, filter capacitor voltages are assumed constant inside each control period. can be given by:
where is the capacitor voltage peak value and is the sector number. To prove the effectiveness of applying different third ASVs to respective regions, the CMVs in region 1 and region 2 are picked as an example, where is equal to 1. As Figure 4 shows, both CMV waveforms have the line of symmetry at . According to Fourier series expansion, both waveforms’ fundamental components can be written as:
where is the angular control frequency and equal to , and is the amplitude of the control frequency component. In region 1 and 2, can be given by:
Substituting (8) with of 1 into (10) and (11), and can be further written as:
where is equal to .
Substituting (6) and (7) into (12), the absolute values of and with different from to are plotted over between and in Figure 5. Blue and purple lines represent and , respectively. It can be observed that when is between and 0, the absolute value of is smaller, which indicates that should be selected as the third active space vector. In contrast, should be applied over the range between 0 and . The rule for third AZS selection can be applied to all the other ten regions. The space vector combinations for each region are illustrated in Table 1.
Figure 5.
Amplitude of control frequency component in CMV with proposed AZS-SVM in region 1 and region 2.
Table 1.
Selected space vectors in different regions.
A flowchart diagram of the proposed AZS-SVM is shown in Figure 6. The steps during every control period can be described as below.
Figure 6.
Flowchart diagram of proposed AZS-SVM.
First, a phase-lock loop is used to detect the phase angle of the filter capacitor voltage vector, ;
Then, the phase angle of the output PWM current, can be obtained by subtracting from ;
Next, the sector and the angle of the output PWM current reference vector inside the sector can be determined based on ;
According to , the third space vector can be chosen, and the dwell time can be calculated from (6) or (7);
Finally, the switching signals for six switching devices can be generated.
5. Simulation Verification
Since the core of this study is to assess HF-CMV mitigation by AZS-SVM in a grid-connected CSI, the generated CMV by a CSI is measured, and compared in various working conditions with a constant DC current of 10A. Figure 7 shows the diagram of the simulation system, where a grid-connected current-source rectifier (CSR) is used to maintains the DC current at 10A. Both the modulation index, , and the phase angle difference, , between the filter capacitor voltage vector and output PWM current vector are adjustable for the SVM stage in the CSI to realize different working points, such as various power factors. The parameters of the grid-connected CSI are listed in Table 2. To validate the effectiveness of AZS-SVM, the performance of a conventional SVM with a five-segment sequence is also presented for comparison. In the following sections, conventional SVM and AZS-SVM are referred to as SVM1 and SVM2, respectively.
Figure 7.
Diagram of the simulation system.
Table 2.
System parameters.
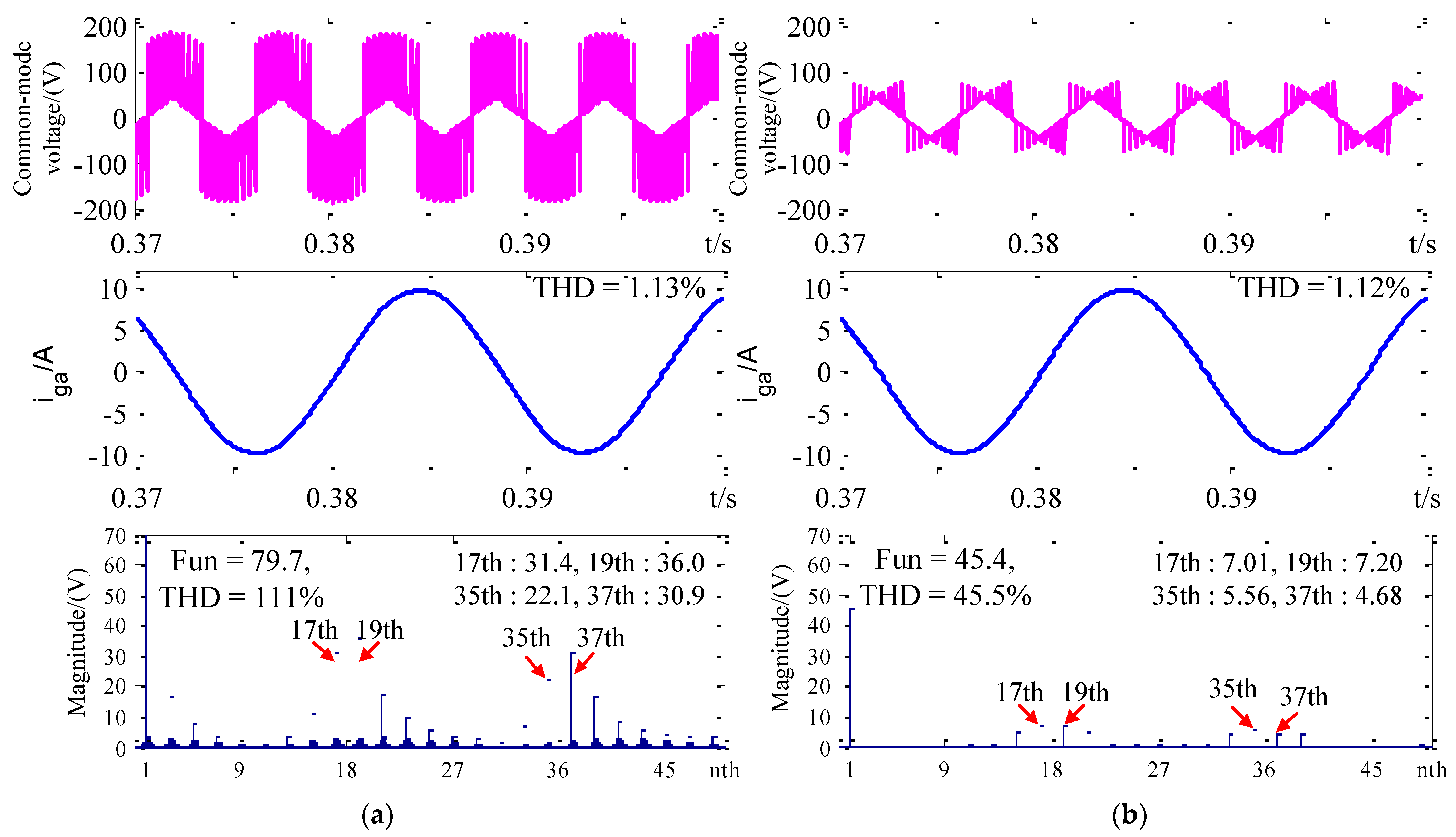
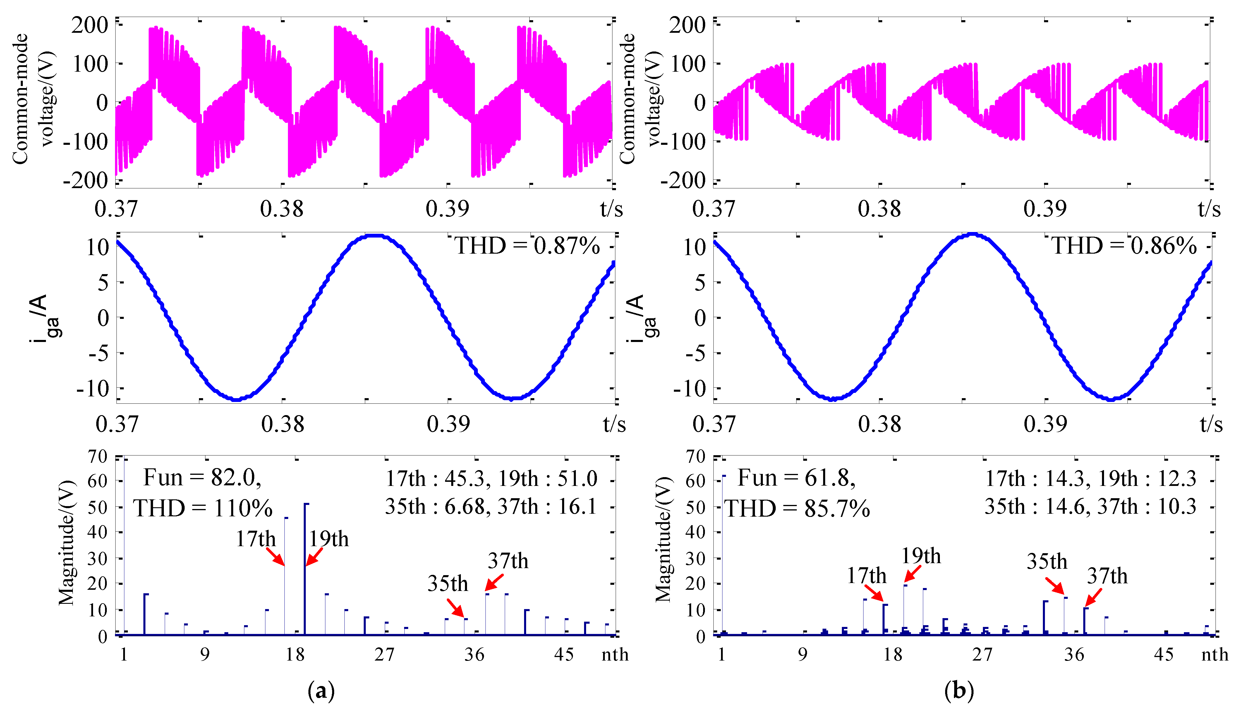
In both Figure 8 and Figure 9, is 0, which means that aligns with . Figure 8 shows the output performance when is equal to 0.833. From top to down, the generated CMV, the phase A grid current, and the CMV’s harmonic spectrum are illustrated. In the spectrum of the CMV, the fundamental frequency is 180 Hz. The major high-frequency components are located at 17th, 19th, 35th, and 37th orders, which are around the control frequency of 3240 Hz and its double value of 6480 Hz. The total harmonic distortion (THD) of the phase A grid current with SVM2 is close to that of SVM1. At the same time, significant difference can be observed in the CMV’s waveform of SVM2 in comparison to that of SVM1. With SVM2, the magnitude of 17th order harmonic is reduced from 31.4 V to 7.01 V and the 19th order harmonic’s magnitude is mitigated from 36.0 V to 7.20 V. The 35th and 37th order harmonics are reduced from 22.1 V and 30.9 V to only 5.56 V and 4.68 V, respectively.
Figure 8.
CMV and iga (ma = 0.833): (a) SVM1 and (b) SVM2.
Figure 9.
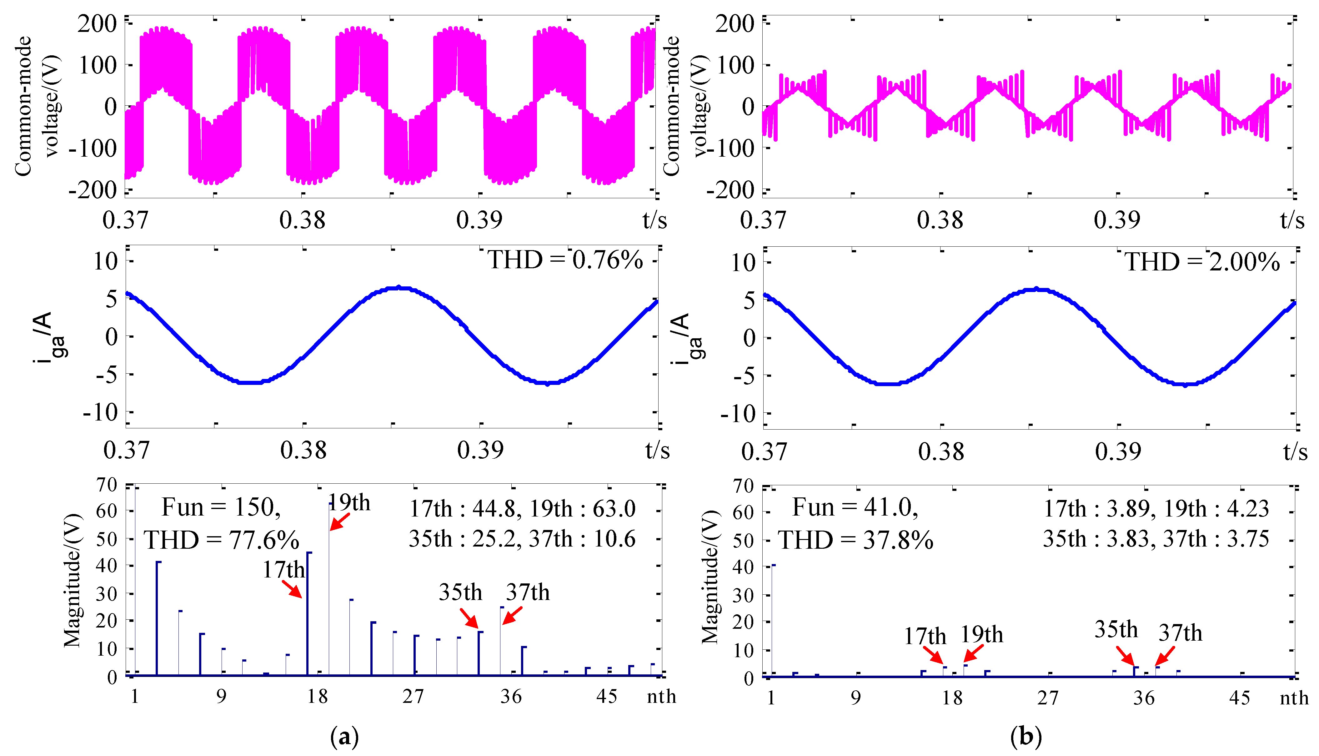
CMV and iga (ma = 0.417): (a) SVM1 and (b) SVM2.
Figure 9 shows the output performance with equal to 0.417. Due to the rearrangement in the space vector sequence, SVM2 generates higher THD in the grid current, but the grid current’s magnitude is relatively low due to the applied small , which implies the impacts of harmonic components on grid currents are not severe. In terms of the HF-CMVs, SVM2 is better than SVM1. With SVM2, the magnitudes of the 17th and 19th order harmonics in the CMV can be reduced from 44.8 V and 63.0 V to only 3.89 V and 4.23 V, respectively. Moreover, the magnitudes of the 35th and 37th order harmonics are suppressed from 25.2 V and 10.6 V to only 3.83 V and 3.75 V, respectively. With lower HF-CMVs, the leakage current in a transformerless grid-connected CSI can potentially be suppressed.
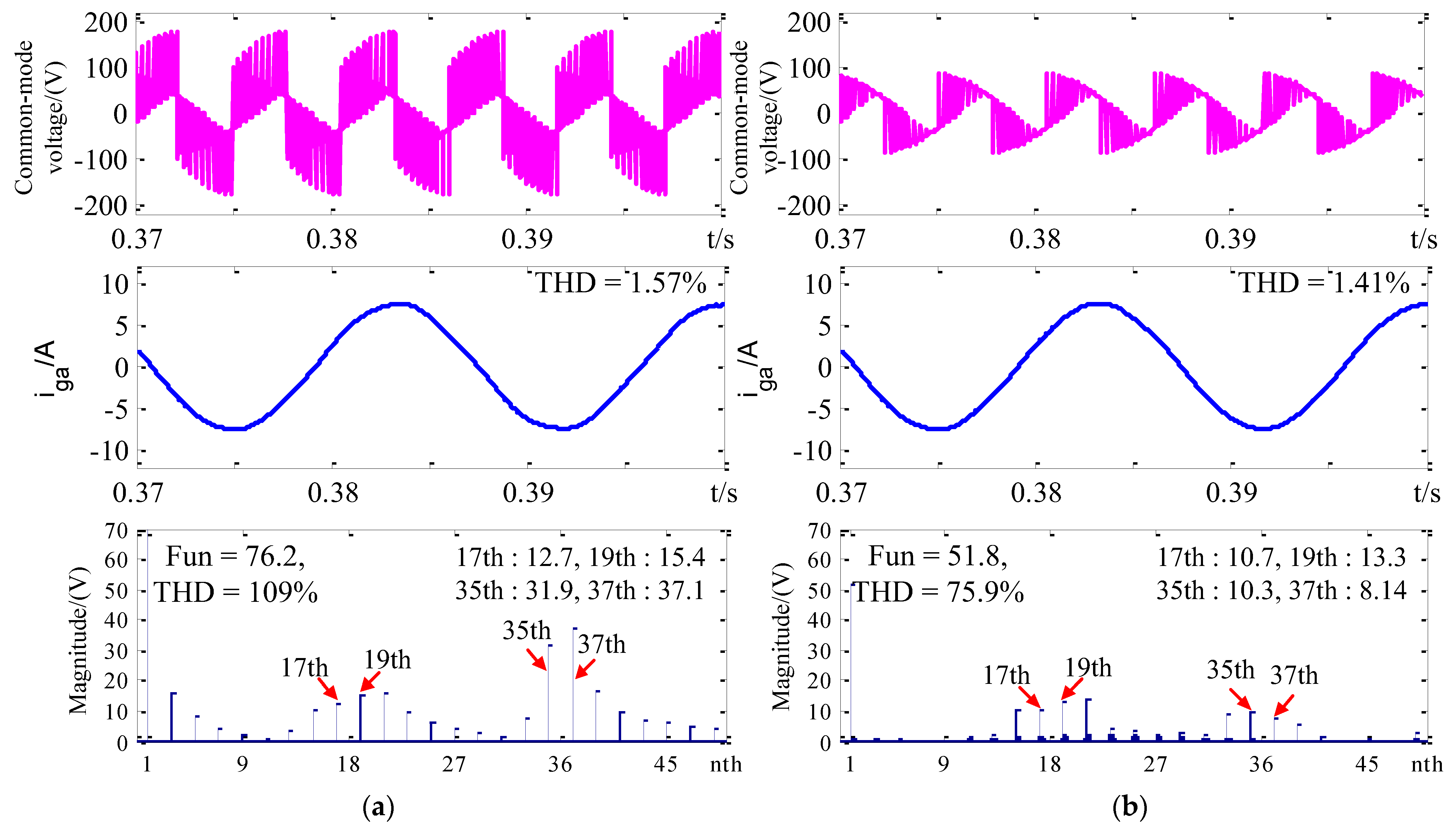
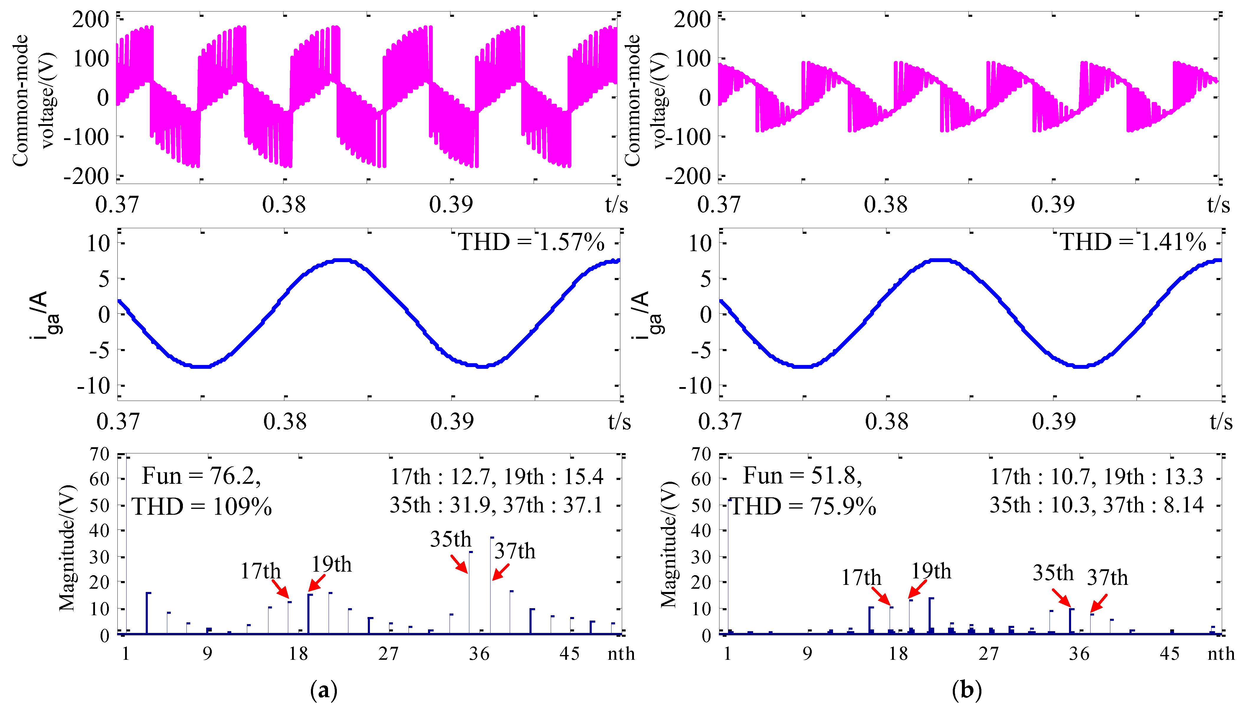
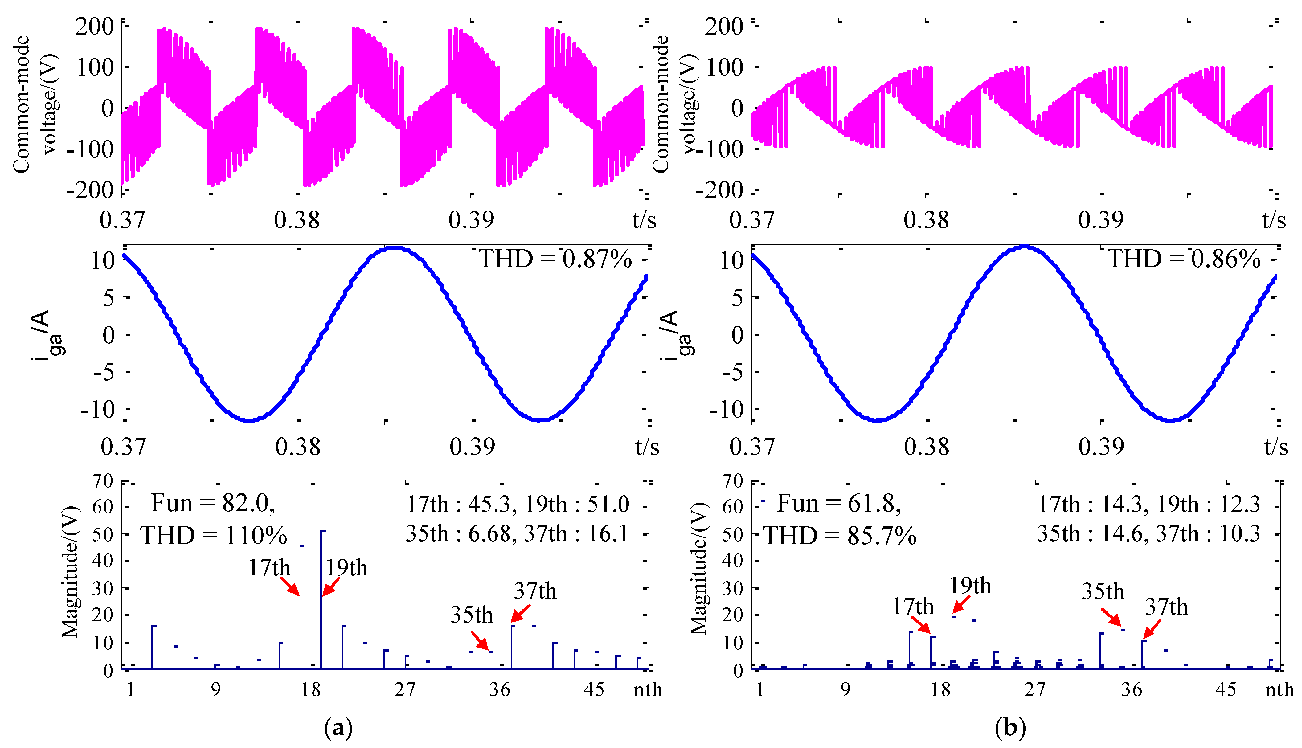
The results in Figure 8 and Figure 9 are obtained when the angle of aligns with that of . The case when leads or lags is shown in Figure 10 and Figure 11. With a constant of 0.8333, there is no noticeable difference in terms of the grid current’s THD by SVM1 and SVM2, as shown in Figure 10 and Figure 11. When lags by , the 17th, 19th, and 37th order CMV harmonics are reduced from 45.3 V, 51.0 V, and 16.1 V to 14.3 V, 12.3 V, and 10.3 V, respectively by SVM2, as shown in Figure 10. An increment from 6.68 V to 14.6 V appears at the 35th order. In Figure 11, leads by . With SVM2, the 17th and 19th order CMV harmonics are mitigated from 12.7 V and 15.4 V to 10.7 V and 13.3 V, respectively. Furthermore, the 35th and 37th order CMV harmonics are reduced from 31.9 V and 37.1 V to 10.3 V and 8.14 V, respectively. The results verify the effectiveness of SVM2 in mitigating high-frequency harmonics under various phase angle differences with respect to the filter capacitor voltages.
Figure 10.
CMV and iga (ma = 0.833 and ϕ = 30°): (a) SVM1 and (b) SVM2.
Figure 11.
CMV and iga (ma = 0.833 and ϕ = −30°): (a) SVM1 and (b) SVM2.
6. Experimental Verification
A back-to-back current-source converter (CSC) (2.5 kW/208 V/6.94 A) is used to verify the proposed SVM. The parameters are listed in Table 2. Each switching device in the CSCs is realized by connecting a IGBT (IRG7PH42U-EP-ND from Infineon Technologies) with a diode (DSE60-12A-ND from IXYS) in series. The control platform consists of a DSP (TMS120F28335) to conduct a control algorithm, and a FPGA (EP4CE10E22C8) to sample analog variables and generate switching signals. The control period is still s. The rectifier keeps the DC current at 10A. The generated CMV by the CSI is measured. In CSI, both and are adjustable.
Figure 12 and Figure 13 show the CMV and by SVM1 and SVM2 with various and of 0, where CMV’s harmonic spectrum with the fundamental frequency at 180Hz is also included. The major HF-CMVs (17th, 19th, 35th, and 37th) are around 1st and 2nd order control frequency. The increment in the grid current’s THD in contrast to the simulation results is mainly caused by low-order harmonics contained in the grid voltages. Though SVM2 increases the grid current distortion slightly in low modulating index conditions due to the rearranged space vector sequence, it can effectively mitigate all major HF-CMVs by at least four times, as shown in Figure 12 and Figure 13, which validates the effectiveness of SVM2 in mitigating HF-CMVs.
Figure 12.
CMV and iga (ma = 0.833): (a) SVM1 and (b) SVM2.
Figure 13.
CMV and iga (ma = 0.417): (a) SVM1 and (b) SVM2.
Table 3 summarizes HF-CMVs with a constant of 0.833 and various by SVM1 and SVM2. With a negative , SVM2 can mitigate all the listed order HF-CMVs, except the 19th order CMV, which increases by 7.4 V with of . With a positive , SVM2 can mitigate 17th and 19th order CMVs by more than two times in contrast to SVM1, but the 35th order CMV increases. The main reason is that with various phase angle differences, filter capacitor voltages associated with each space vector are varied. The shapes of generated CMVs are changed. Though the mitigation of HF-CMVs around unity control frequency can always be maintained, while the performance around higher frequency, such as double control frequency would be impacted by various phase angle differences. Due to the capacitive currents imposed by , filter capacitor voltages make it easier to lag inverter output PWM current, which means a negative . Hence, in most operating conditions, the performance of SVM2 in HF-CMV mitigation can still be maintained.
Table 3.
HF-CMVs with Different ϕ.
7. Conclusions
A special five-segment AZS-SVM is proposed for grid-connected CSIs to mitigate HF-CMVs. The mechanism of the proposed sequence to mitigate HF-CMVs is analyzed, and the reason why distinct third ASV and sequence is selected and applied in each region is explained. Through simulation and experimental results on a grid-connected CSI, the effectiveness of the proposed five-segment AZS-SVM is validated. It can mitigate HF-CMVs around unit and double control frequency in a wide operating range. With the output current vector aligning with the capacitor voltage, the proposed AZS-SVM mitigates HF-CMVs by a factor of at least four times, in contrast to that by conventional SVM.
On the other hand, the proposed AZS-SVM adds two more switching actions during every control period, which induces higher switching frequency and switching losses. In the future, the performance of mitigating HF-CMVs under various PF conditions can be further improved. In addition, the impact of the proposed AZS-SVM on control performance can be studied.
Author Contributions
Conceptualization, H.G.; methodology, H.G.; software, H.G.; validation, H.G.; formal analysis, H.G.; investigation, H.G.; resources, H.G.; data curation, H.G.; writing—original draft preparation, H.G.; writing—review and editing, T.M.; visualization, H.G.; supervision, H.G.; project administration, H.G.; funding acquisition, H.G. All authors have read and agreed to the published version of the manuscript.
Funding
This research was funded by the Washington State University New Faculty Startup Funding, grant number PG00019346.
Data Availability Statement
Not applicable.
Conflicts of Interest
The authors declare no conflict of interest.
Abbreviations
| DC inductance | |
| switching signal | |
| Filter capacitor voltage | |
| Output PWM current | |
| Line current | |
| Common-mode voltage | |
| Space vector | |
| Amplitude of filter capacitor voltage | |
| Sector number | |
| Control period | |
| Control frequency | |
| Phase angle of filter capacitor voltage vector | |
| Phase angle difference | |
| Phase angle of output PWM current inside one sector |
References
- Romero-Cadaval, E.; Spagnuolo, G.; Franquelo, L.G.; Ramos-Paja, C.A.; Suntio, T.; Xiao, W.M. Grid-connected photovoltaic generation plants: Components and operation. IEEE Ind. Ind. Electron. Electron. Mag. Mag. 2013, 7, 6–20. [Google Scholar] [CrossRef]
- Yaramasu, V.; Wu, B.; Sen, P.C.; Kouro, S.; Narimani, M. High-power wind energy conversion systems: State-of-the-art and emerging technologies. Proc. IEEE 2015, 103, 740–788. [Google Scholar] [CrossRef]
- Iqbal, S.; Jan, M.U.; Anis Ur, R.; Rehman, A.U.; Shafiq, A.; Rehman, H.U.; Aurangzeb, M. Feasibility Study and Deployment of Solar Photovoltaic System to Enhance Energy Economics of King Abdullah Campus, University of Azad Jammu and Kashmir Muzaffarabad, AJK Pakistan. IEEE Access 2022, 10, 5440–5455. [Google Scholar] [CrossRef]
- Zhang, L.; Sun, K.; Xing, Y.; Xing, M. H6 Transformerless Full-Bridge PV Grid-Tied Inverters. IEEE Trans. Power Electron. 2014, 29, 1229–1238. [Google Scholar] [CrossRef]
- Li, W.; Gu, Y.; Luo, H.; Cui, W.; He, X.; Xia, C. Topology Review and Derivation Methodology of Single-Phase Transformerless Photovoltaic Inverters for Leakage Current Suppression. IEEE Trans. Ind. Electron. 2015, 62, 4537–4551. [Google Scholar] [CrossRef]
- Wu, F.; Sun, B.; Duan, J.; Zhao, K. Online Variable Topology-Type Photovoltaic Grid-Connected Inverter. IEEE Trans. Ind. Electron. 2015, 62, 4814–4822. [Google Scholar] [CrossRef]
- Gupta, A.; Yadav, O.P.; DeVoto, D.; Major, J. A review of degradation behavior and modeling of capacitors. In Proceedings of International Electronic Packaging Technical Conference and Exhibition; American Society of Mechanical Engineers: New York, NY, USA, 2018; p. V001T004A004. [Google Scholar]
- Wu, B.; Narimani, M. High-Power Converters and AC Drives; John Wiley & Sons: Hoboken, NJ, USA, 2017. [Google Scholar]
- Dai, J.; Lang, Y.; Wu, B.; Xu, D.; Zargari, N.R. A multisampling SVM scheme for current source converters with superior harmonic performance. IEEE Trans. Power Electron. 2009, 24, 2436–2445. [Google Scholar]
- Gao, H.; Wu, B.; Xu, D.; Pande, M.; Aguilera, R.P. Common-mode-voltage-reduced model-predictive control scheme for current-source-converter-fed induction motor drives. IEEE Trans. Power Electron. 2016, 32, 4891–4904. [Google Scholar] [CrossRef]
- Shang, J.; Li, Y.W.; Zargari, N.R.; Cheng, Z. PWM strategies for common-mode voltage reduction in current source drives. IEEE Trans. Power Electron. 2013, 29, 5431–5445. [Google Scholar] [CrossRef]
- Zhu, N.; Xu, D.; Wu, B.; Zargari, N.R.; Kazerani, M.; Liu, F. Common-mode voltage reduction methods for current-source converters in medium-voltage drives. IEEE Trans. Power Electron. 2012, 28, 995–1006. [Google Scholar] [CrossRef]
- Guo, X. A Novel CH5 Inverter for Single-Phase Transformerless Photovoltaic System Applications. IEEE Trans. Circuits Syst. II Express Briefs 2017, 64, 1197–1201. [Google Scholar] [CrossRef]
- Guo, X. Three-Phase CH7 Inverter With a New Space Vector Modulation to Reduce Leakage Current for Transformerless Photovoltaic Systems. IEEE J. Emerg. Sel. Top. Power Electron. 2017, 5, 708–712. [Google Scholar] [CrossRef]
- Guo, X.; Wang, N.; Zhang, J.; Wang, B.; Nguyen, M. A Novel Transformerless Current Source Inverter for Leakage Current Reduction. IEEE Access 2019, 7, 50681–50690. [Google Scholar] [CrossRef]
Publisher’s Note: MDPI stays neutral with regard to jurisdictional claims in published maps and institutional affiliations. |
© 2022 by the authors. Licensee MDPI, Basel, Switzerland. This article is an open access article distributed under the terms and conditions of the Creative Commons Attribution (CC BY) license (https://creativecommons.org/licenses/by/4.0/).













