Evaluating the Optimal Electric Vehicle Location for a Hybrid Energy System Controlled with Novel Active Disturbance Rejection Controller
Abstract
1. Introduction
1.1. Background
1.2. Related Works and Limitations
1.3. Motivation
1.4. Contributions
- 1.
- This study introduces a robust control scheme based on system disturbance estimation and rejection. The proposed scheme takes into consideration both known disturbances subjected to the system as well as system uncertainties and unknown modelling errors to mitigate their effect on the performance of the developed HES.
- 2.
- The effect of linking EVs to hybrid energy system (HES) performance when connected to different buses of the IEEE-39 bus system is evaluated. Moreover, the optimal location of EVs for improved HES operation is examined.
1.5. Objectives
- 1.
- Development of a standard three-area HES integrated with modern day renewable sources for concurrent frequency and tie-line power control.
- 2.
- Development and implementation of modified robust control scheme in the form of first-order ADRC (1D-ADRC) for the performance increment of the HES and verification of its superiority with respect to applied control strategies available in the literature for establishing concurrent frequency and tie-line power control of the HES.
- 3.
- To investigate the impact of present-day EVs on the HES by connecting the EVs on different buses of the HES and to find the optimal location of EVs for improved operation of the HES.
2. Methodology Applied for the Present Work
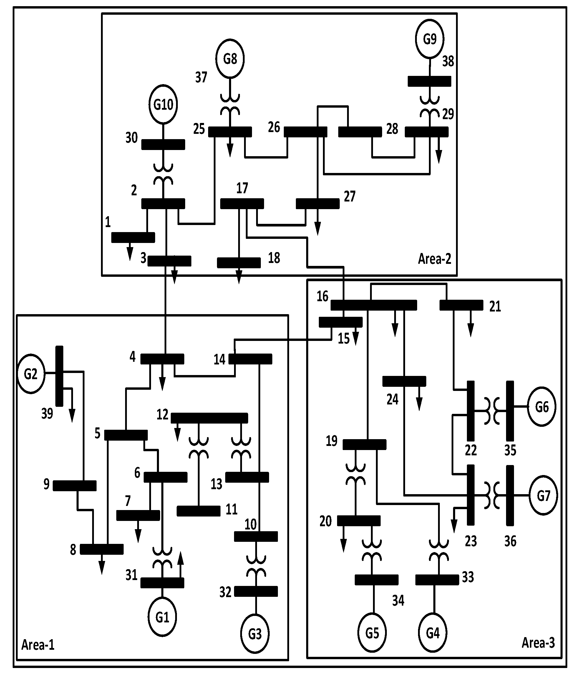
2.1. Power System under Investigation
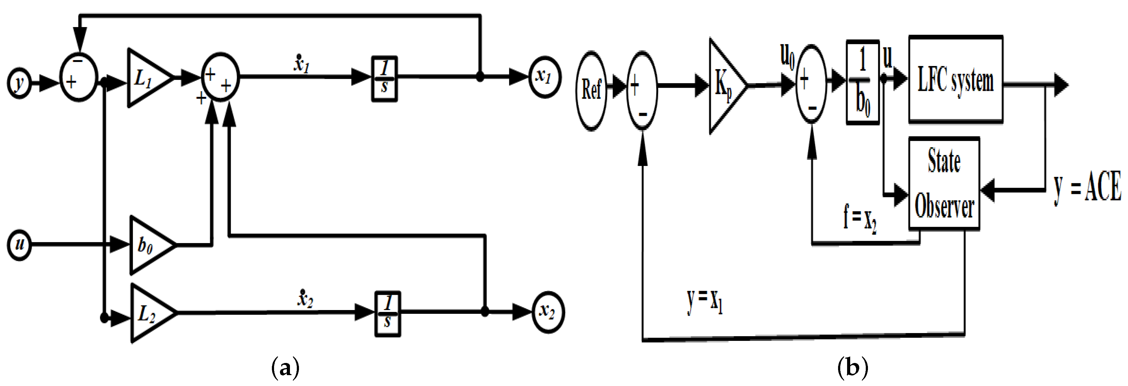
2.2. Proposed First-Order Active Disturbance Rejection Controller (1D-ADRC) Modelling
2.3. Arithmetic Optimization Algorithm (AOA)
2.4. Modelling Tools Used
3. Result and Discussion
3.1. Secondary Controller Selection
3.2. Controller Robustness against Random Load Disturbances
4. Effect of EVs on the HES
4.1. Modelling of EV
4.2. Evaluation of Optimal Location of EVs
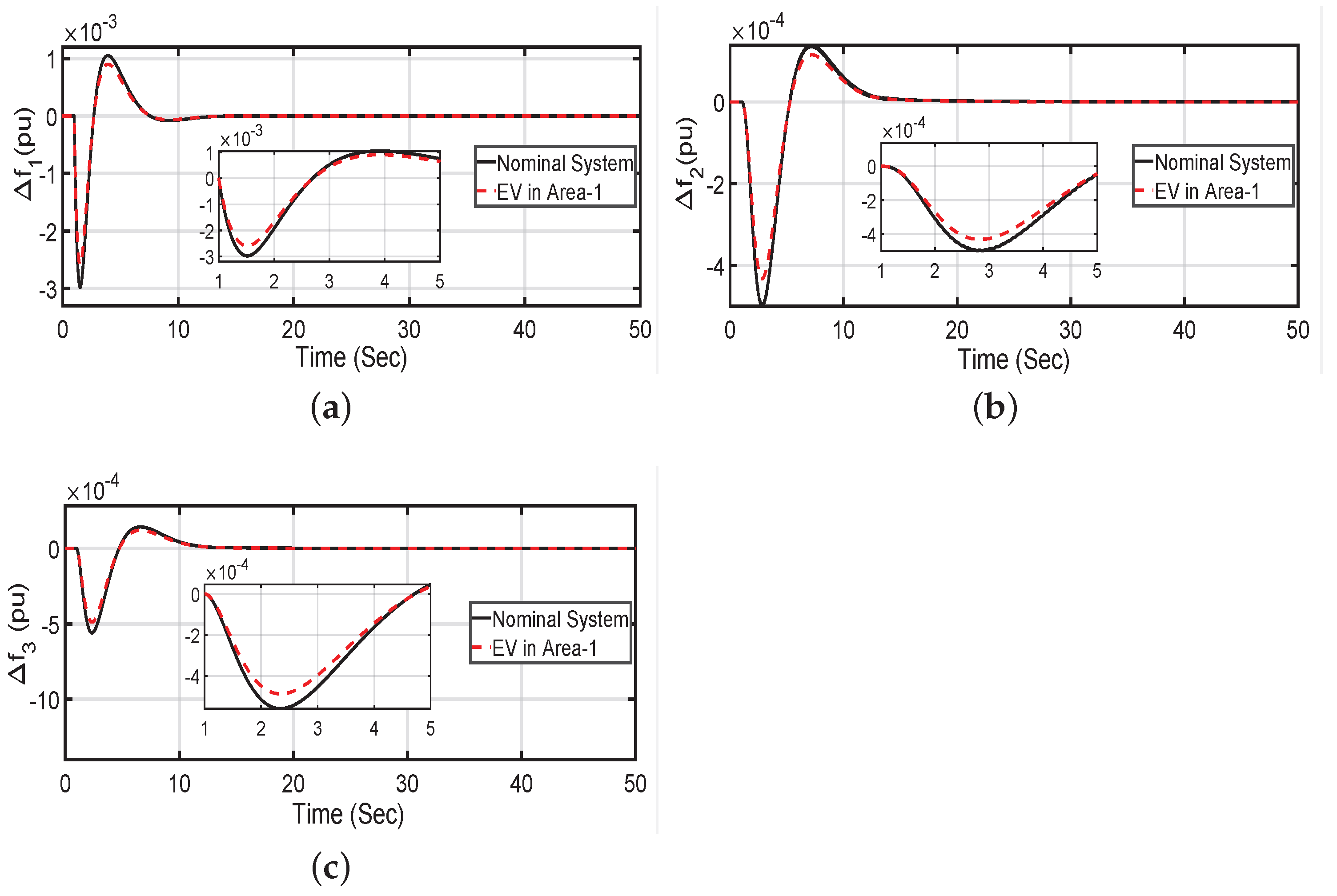
4.2.1. EVs Connected in Area 1 Only
4.2.2. EVs Connected in Area 2 Only
4.2.3. EVs Connected in Area 3 Only
4.2.4. EVs Connected in Area 1 and Area 2 Only
4.2.5. EVs Connected in Area 2 and Area 3 Only
4.2.6. EVs Connected in Area 1 and Area 3 Only
4.2.7. EVs Connected in All Three Areas
4.3. Inference from Section 4.2
4.4. Role of EVs in Multi-Energy System
5. Conclusions
6. Future Scope
Author Contributions
Funding
Institutional Review Board Statement
Informed Consent Statement
Data Availability Statement
Conflicts of Interest
Abbreviations
| LFC | Load Frequency Control |
| HES | Hybrid Energy System |
| PID | Proportional Integral Derivative |
| ADRC | Active Disturbance Rejection Controller |
| AOA | Arithmetic Optimization22 Algorithm |
| EV | Electric Vehicle |
| V2G | Vehicle-to-Grid |
| ISE | Integral Squarred Error |
| RES | Renewable Energy Sources |
| RLP | Random Load Perturbation |
References
- Ustun, T.S.; Hashimoto, J.; Otani, K. Impact of Smart Inverters on Feeder Hosting Capacity of Distribution Networks. IEEE Access 2019, 7, 163526–163536. [Google Scholar] [CrossRef]
- Shangguan, X.C.; He, Y.; Zhang, C.K.; Jiang, L.; Wu, M. Load frequency control of time-delayed power system based on event-triggered communication scheme. Appl. Energy 2022, 308, 118294. [Google Scholar] [CrossRef]
- Latif, A.; Hussain, S.S.; Das, D.C.; Ustun, T.S. Double stage controller optimization for load frequency stabilization in hybrid wind-ocean wave energy based maritime microgrid system. Appl. Energy 2021, 282, 116171. [Google Scholar] [CrossRef]
- Farooq, Z.; Rahman, A.; Hussain, S.M.S.; Ustun, T.S. Power Generation Control of Renewable Energy Based Hybrid Deregulated Power System. Energies 2022, 15, 517. [Google Scholar] [CrossRef]
- Nadeem, F.; Aftab, M.A.; Hussain, S.M.S.; Ali, I.; Tiwari, P.K.; Goswami, A.K.; Ustun, T.S. Virtual Power Plant Management in Smart Grids with XMPP Based IEC 61850 Communication. Energies 2019, 12, 2398. [Google Scholar] [CrossRef]
- Ranjan, S.; Das, D.C.; Latif, A.; Sinha, N.; Hussain, S.M.S.; Ustun, T.S. VMaiden Voltage Control Analysis of Hybrid Power System with Dynamic Voltage Restorer. IEEE Access 2021, 9, 60531–60542. [Google Scholar] [CrossRef]
- Elgerd, O.I.; Fosha, C.E. Optimum Megawatt-Frequency Control of Multiarea Electric Energy Systems. IEEE Trans. Power Appar. Syst. 1970, PAS-89, 556–563. [Google Scholar] [CrossRef]
- Performance comparison of several classical controllers in AGC for multi-area interconnected thermal system. Int. J. Electr. Power Energy Syst. 2011, 33, 394–401. [CrossRef]
- Debbarma, S.; Chandra Saikia, L.; Sinha, N. Solution to automatic generation control problem using firefly algorithm optimized IλDμ) controller. ISA Trans. 2014, 53, 358–366. [Google Scholar] [CrossRef]
- Rahman, A.; Saikia, L.C.; Sinha, N. Automatic generation control of an unequal four-area thermal system using biogeography-based optimised 3DOF-PID controller. Gener. Transm. Distrib. IET 2016, 10, 4118–4129. [Google Scholar] [CrossRef]
- Aditya. Design of Load Frequency Controllers Using Genetic Algorithm for Two Area Interconnected Hydro Power System. Electr. Power Components Syst. 2003, 31, 81–94. [Google Scholar] [CrossRef]
- Arya, Y.; Kumar, N. AGC of a multi-area multi-source hydrothermal power system interconnected via AC/DC parallel links under deregulated environment. Int. J. Electr. Power Energy Syst. 2016, 75, 127–138. [Google Scholar] [CrossRef]
- Subbaramaiah, K. Improvement of dynamic performance of SSSC and TCPS based hydrothermal system under deregulated scenario employing PSO based dual mode controller. Eur. J. Sci. Res 2011, 57, 230–243. [Google Scholar]
- Shankar, R.; Bhushan, R.; Chatterjee, K. Small-signal stability analysis for two-area interconnected power system with load frequency controller in coordination with FACTS and energy storage device. Ain Shams Eng. J. 2016, 7, 603–612. [Google Scholar] [CrossRef]
- Pradhan, P.C.; Sahu, R.K.; Panda, S. Firefly algorithm optimized fuzzy PID controller for AGC of multi-area multi-source power systems with UPFC and SMES. Eng. Sci. Technol. Int. J. 2016, 19, 338–354. [Google Scholar] [CrossRef]
- Lee, D.J.; Wang, L. Small-Signal Stability Analysis of an Autonomous Hybrid Renewable Energy Power Generation/Energy Storage System Part I: Time-Domain Simulations. IEEE Trans. Energy Convers. 2008, 23, 311–320. [Google Scholar] [CrossRef]
- Dey, P.P.; Das, D.C.; Latif, A.; Hussain, S.M.S.; Ustun, T.S. Active Power Management of Virtual Power Plant under Penetration of Central Receiver Solar Thermal-Wind Using Butterfly Optimization Technique. Sustainability 2020, 12, 6979. [Google Scholar] [CrossRef]
- Chauhan, A.; Upadhyay, S.; Khan, M.T.; Hussain, S.M.S.; Ustun, T.S. Performance Investigation of a Solar Photovoltaic/Diesel Generator Based Hybrid System with Cycle Charging Strategy Using BBO Algorithm. Sustainability 2021, 13, 8048. [Google Scholar] [CrossRef]
- Farooq, Z.; Rahman, A.; Lone, S.A. Load frequency control of multi-source electrical power system integrated with solar-thermal and electric vehicle. Int. Trans. Electr. Energy Syst. 2021, 31, e12918. [Google Scholar] [CrossRef]
- Rahman, A.; Saikia, L.C.; Sinha, N. Automatic generation control of an interconnected two-area hybrid thermal system considering dish-stirling solar thermal and wind turbine system. Renew. Energy 2017, 105, 41–54. [Google Scholar] [CrossRef]
- Hemission, B. Improved Frequency Control Strategies for Geothermal Power Plants. Master’s Thesis, Chalmers University of Technology, Göteborg, Sweden, 2014. [Google Scholar]
- Tasnin, W.; Saikia, L.C. Performance comparison of several energy storage devices in deregulated AGC of a multi-area system incorporating geothermal power plant. IET Renew. Power Gener. 2018, 12, 761–772. [Google Scholar] [CrossRef]
- Niekurzak, M.; Lewicki, W.; Drożdż, W.; Miązek, P. Measures for Assessing the Effectiveness of Investments for Electricity and Heat Generation from the Hybrid Cooperation of a Photovoltaic Installation with a Heat Pump on the Example of a Household. Energies 2022, 15, 6089. [Google Scholar] [CrossRef]
- Lan, T.; Jermsittiparsert, K.; Alrashood, S.T.; Rezaei, M.; Al-Ghussain, L.; Mohamed, M.A. An advanced machine learning based energy management of renewable microgrids considering hybrid electric vehicles’ charging demand. Energies 2021, 14, 569. [Google Scholar] [CrossRef]
- Li, C.; Cao, Y.; Zhang, M.; Wang, J.; Liu, J.; Shi, H.; Geng, Y. Hidden Benefits of Electric Vehicles for Addressing Climate Change. Sci. Rep. 2015, 5, 9213. [Google Scholar] [CrossRef]
- Liu, H.; Huang, K.; Yang, Y.; Wei, H.; Ma, S. Real-time vehicle-to-grid control for frequency regulation with high frequency regulating signal. Prot. Control Mod. Power Syst. 2018, 13, 1–8. [Google Scholar] [CrossRef]
- Farooq, Z.; Rahman, A.; Lone, S.A. System dynamics and control of EV incorporated deregulated power system using MBO-optimized cascaded ID-PD controller. Int. Trans. Electr. Energy Syst. 2021, 31, e13100. [Google Scholar] [CrossRef]
- Hussain, I.; Das, D.C.; Sinha, N.; Latif, A.; Hussain, S.M.S.; Ustun, T.S. Performance Assessment of an Islanded Hybrid Power System with Different Storage Combinations Using an FPA-Tuned Two-Degree-of-Freedom (2DOF) Controller. Energies 2020, 13, 5610. [Google Scholar] [CrossRef]
- Latif, A.; Hussain, S.M.S.; Das, D.C.; Ustun, T.S. Design and Implementation of Maiden Dual-Level Controller for Ameliorating Frequency Control in a Hybrid Microgrid. Energies 2021, 14, 2418. [Google Scholar] [CrossRef]
- Rahman, M.M.; Chowdhury, A.H. Comparative study of ADRC and PID based Load Frequency Control. In Proceedings of the 2015 International Conference on Electrical Engineering and Information Communication Technology (ICEEICT), Savar, Dhaka, 21–23 May 2015; pp. 1–5. [Google Scholar]
- Ranjan, S.; Das, D.C.; Sinha, N.; Latif, A.; Hussain, S.M.S.; Ustun, T.S. Voltage stability assessment of isolated hybrid dish-stirling solar-thermal-diesel microgrid with STATCOM using mine blast algorithm. Electr. Power Syst. Res. 2021, 196, 107239. [Google Scholar] [CrossRef]
- Tang, Y.; Bai, Y.; Huang, C.; Du, B. Linear active disturbance rejection-based load frequency control concerning high penetration of wind energy. Energy Convers. Manag. 2015, 95, 259–271. [Google Scholar] [CrossRef]
- Safiullah, S.; Rahman, A.; Ahmad Lone, S. Optimal control of electrical vehicle incorporated hybrid power system with second order fractional-active disturbance rejection controller. Optim. Control. Appl. Methods 2021. [Google Scholar] [CrossRef]
- Latif, A.; Hussain, S.M.S.; Das, D.C.; Ustun, T.S. Optimum Synthesis of a BOA Optimized Novel Dual-Stage PI - (1 + ID) Controller for Frequency Response of a Microgrid. Energies 2020, 13, 3446. [Google Scholar] [CrossRef]
- Singh, S.; Chauhan, P.; Aftab, M.A.; Ali, I.; Hussain, S.M.S.; Ustun, T.S. Optimal Voltage–Frequency Regulation in Distributed Sustainable Energy-Based Hybrid Microgrids with Integrated Resource Planning. Energies 2020, 13, 1295. [Google Scholar] [CrossRef]
- Barik, A.K.; Das, D.C.; Latif, A.; Hussain, S.M.S.; Ustun, T.S. Cost Optimization of a Stand-Alone Hybrid Energy System with Fuel Cell and PV. Energies 2021, 14, 2735. [Google Scholar] [CrossRef]
- Ulutas, A.; Altas, I.H.; Onen, A.; Ustun, T.S. Neuro-Fuzzy-Based Model Predictive Energy Management for Grid Connected Microgrids. Electronics 2020, 9, 900. [Google Scholar] [CrossRef]
- Safiullah, S.; Rahman, A.; Lone, S.A. A second-order ADRC for Synchronized Frequency-Voltage Mitigation of EV Integrated Power System. IETE J. Res. 2022, 1–16. [Google Scholar] [CrossRef]
- Safiullah, S.; Rahman, A.; Lone, S.A.; Hussain, S.S.; Ustun, T.S. Robust frequency–voltage stabilization scheme for multi-area power systems incorporated with EVs and renewable generations using AI based modified disturbance rejection controller. Energy Rep. 2022, 8, 12186–12202. [Google Scholar] [CrossRef]
- Safiullah, S.; Rahman, A.; Lone, S.A. A 2nd order Active Disturbance Rejection Controller for coordinated frequency-voltage control of deregulated hybrid power system with optimal electric-vehicle integration. Electr. Power Syst. Res. 2022, 210, 108129. [Google Scholar] [CrossRef]
- Safiullah, S.; Rahman, A.; Lone, S.A. State-observer based IDD controller for concurrent frequency-voltage control of a hybrid power system with electric vehicle uncertainties. Int. Trans. Electr. Energy Syst. 2021, 31, e13083. [Google Scholar] [CrossRef]
- Safiullah, S.; Rahman, A. Performance Evaluation of Hybrid Power System Incorporating Electric-Vehicles. Distrib. Gener. Altern. Energy J. 2022, 37, 1055–1082. [Google Scholar] [CrossRef]
- Laith, A.; Diabat, A.; Mirjalali, S.; Elaziz, M.; Gandomi, A. The Arithmetic Optimization Algorithm. Comput. Methods Appl. Mech. Engine 2021, 376, 113609. [Google Scholar]
- Liao, K.; Xu, Y. A robust load frequency control scheme for power systems based on second-order sliding mode and extended disturbance observer. IEEE Trans. Ind. Inform. 2017, 14, 3076–3086. [Google Scholar] [CrossRef]
- Yenchamchalit, K.; Kongjeen, Y.; Prabpal, P.; Bhumkittipich, K. Optimal Placement of Distributed Photovoltaic Systems and Electric Vehicle Charging Stations Using Metaheuristic Optimization Techniques. Symmetry 2021, 13, 2378. [Google Scholar] [CrossRef]
- Farooq, Z.; Rahman, A.; Lone, S.A. Power generation control of restructured hybrid power system with FACTS and energy storage devices using optimal cascaded fractional-order controller. Optim. Control. Appl. Methods 2022, 43, 757–786. [Google Scholar] [CrossRef]



















| Parameter | Value |
|---|---|
| Population size | 100 |
| No. of iterations | 50 |
| Parameter lower limit | 0 |
| Parameter upper limit | 100 |
| Dimension size | 6 |
| Alpha | 5 |
| Mu | 0.499 |
| 1 | |
| 0.2 |
| Parameter | Controller | LU | HV | RT |
|---|---|---|---|---|
| PID | −0.0192 | 0.0009 | 19.41 | |
| ADRC | −0.0108 | 0.0003 | 14.3 | |
| 1D-ADRC | −0.0029 | 0.001 | 7.05 | |
| PID | −0.0074 | 6.5 | 21.2 | |
| ADRC | −0.0029 | 0.0001 | 18.61 | |
| 1D-ADRC | −0.0004 | 0.0001 | 8.6 | |
| PID | −0.0061 | 7.4 | 23.02 | |
| ADRC | −0.0026 | 0.0001 | 20.12 | |
| 1D-ADRC | −0.0005 | 0.0001 | 9.94 | |
| PID | −0.0013 | 1.1 | 23.05 | |
| ADRC | −0.0005 | 2.3 | 18.19 | |
| 1D-ADRC | −0.0001 | 3.5 | 8.56 | |
| PID | −1.1 | 0.0013 | 23.20 | |
| ADRC | −2.3 | 0.0005 | 20.12 | |
| 1D-ADRC | −3.5 | 0.0001 | 9.68 | |
| PID | −0.0062 | 6.4 | 23.54 | |
| ADRC | −0.0025 | 0.0001 | 20.78 | |
| 1D-ADRC | −0.001 | 0.0003 | 10.91 |
| Controller | ISE Value (Objective Function) |
|---|---|
| PID | 0.00034 |
| conventional-ADRC | 0.00019 |
| 1D-ADRC | 0.00014 |
| Combination | ISE Value (Objective Function) |
|---|---|
| EVs in Area 1 only | 0.00012760 |
| EVs in Area 2 only | 0.00014579 |
| EVs in Area 3 only | 0.00014604 |
| EVs in Area 1 and Area 2 | 0.00012774 |
| EVs in Area 2 and Area 3 | 0.00014588 |
| EVs in Area 1 and Area 3 | 0.00012673 |
| EVs in all three areas | 0.00012804 |
Publisher’s Note: MDPI stays neutral with regard to jurisdictional claims in published maps and institutional affiliations. |
© 2022 by the authors. Licensee MDPI, Basel, Switzerland. This article is an open access article distributed under the terms and conditions of the Creative Commons Attribution (CC BY) license (https://creativecommons.org/licenses/by/4.0/).
Share and Cite
Farooq, Z.; Safiullah, S.; Rahman, A.; Hussain, S.M.S.; Ustun, T.S. Evaluating the Optimal Electric Vehicle Location for a Hybrid Energy System Controlled with Novel Active Disturbance Rejection Controller. World Electr. Veh. J. 2022, 13, 192. https://doi.org/10.3390/wevj13100192
Farooq Z, Safiullah S, Rahman A, Hussain SMS, Ustun TS. Evaluating the Optimal Electric Vehicle Location for a Hybrid Energy System Controlled with Novel Active Disturbance Rejection Controller. World Electric Vehicle Journal. 2022; 13(10):192. https://doi.org/10.3390/wevj13100192
Chicago/Turabian StyleFarooq, Zahid, Sheikh Safiullah, Asadur Rahman, S. M. Suhail Hussain, and Taha Selim Ustun. 2022. "Evaluating the Optimal Electric Vehicle Location for a Hybrid Energy System Controlled with Novel Active Disturbance Rejection Controller" World Electric Vehicle Journal 13, no. 10: 192. https://doi.org/10.3390/wevj13100192
APA StyleFarooq, Z., Safiullah, S., Rahman, A., Hussain, S. M. S., & Ustun, T. S. (2022). Evaluating the Optimal Electric Vehicle Location for a Hybrid Energy System Controlled with Novel Active Disturbance Rejection Controller. World Electric Vehicle Journal, 13(10), 192. https://doi.org/10.3390/wevj13100192

