4H-SiC Drift Step Recovery Diode with Super Junction for Hard Recovery
Abstract
:1. Introduction
2. Methods and Results
3. Discussion
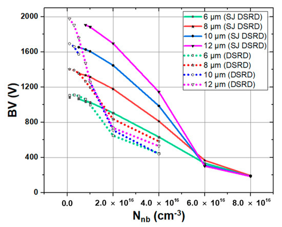
3.1. Influence of Structure Parameters on Blocking Characteristics
3.2. Influence of Structure Parameters on Dynamic Characteristics
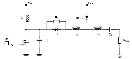
3.3. Influence of External Circuit Parameters on Dynamic Characteristics
4. Conclusions
Author Contributions
Funding
Institutional Review Board Statement
Informed Consent Statement
Data Availability Statement
Conflicts of Interest
References
- Grekhov, I.; Efanov, V.; Kardo-Sysoev, A.; Shenderey, S. Power drift step recovery diodes (DSRD). Solid-State Electron. 1985, 28, 597–599. [Google Scholar] [CrossRef]
- Prokhorenko, V.; Boryssenko, A. Drift step recovery diode transmitter for high-power GPR design. Proc. SPIE 2000, 4084, 277–282. [Google Scholar] [CrossRef]
- Prokhorenko, V.; Ivashchuk, V.; Korsun, S. Electromagnetic impulse radiator. In Proceedings of the 2004 Second International Workshop Ultrawideband and Ultrashort Impulse Signals, Sevastopol, Ukraine, 19–22 September 2004; pp. 243–245. [Google Scholar]
- Prokhorenko, V.; Ivashchuk, V.; Korsun, S. Drift Step Recovery Devices Utilization for Electromagnetic Pulse Radiation. In Proceedings of the Tenth International Conference on Grounds Penetrating Radar GPR 2004, Delft, The Netherlands, 21–24 June 2004; Volume 1, pp. 195–198. [Google Scholar]
- Arntz, F.; Kardo-Sysoev, A.; Krasnykh, A. Slim, Short-Pulse Technology for High Gradient Induction Accelerators. Probl. At. Sci. Technol. 2010, 2, 14–17. [Google Scholar]
- Tropina, A.A.; Kuzmenko, A.P.; Marasov, S.V.; Vilchinsky, D.V. Ignition System Based on the Nanosecond Pulsed Discharge. IEEE Trans. Plasma Sci. 2014, 42, 3881–3885. [Google Scholar] [CrossRef]
- Benwell, A.; Burkhart, C.; Krasnykh, A.; Tang, T.; Kardo-Sysoev, A. A 5 KV, 3 MHz Solid-State Modulator Based on the DSRD Switch for an Ul-tra-Fast Beam Kicker. In Proceedings of the 2012 IEEE International Power Modulator and High Voltage Conference (IPMHVC), San Diego, CA, USA, 3–7 June 2012; pp. 328–331. [Google Scholar]
- Kozlov, V.; Rozhkov, A.V.; Kardo-Sysoyev, A. Impact ionization wave breakdown and picosecond UHF pulse generation in GaAs drift step recovery diodes. In Proceedings of the 13th International Crimean Conference Microwave and Telecommunication Technology, Crimea, Ukraine, 8–12 September 2003; pp. 801–802. [Google Scholar]
- Grekhov, I.V.; Ivanov, P.A.; Konstantinov, A.O.; Samsonova, T.P. On the possibility of creating a superfast-recovery silicon carbide diode. Tech. Phys. Lett. 2002, 28, 544–546. [Google Scholar] [CrossRef]
- Grekhov, I.V.; Ivanov, P.A.; Khristyuk, D.V.; Konstantinov, A.; Korotkov, S.V.; Samsonova, T.P. Sub-nanosecond semiconductor opening switches based on 4H–SiC p+pon+-diodes. Solid-State Electron. 2003, 47, 1769–1774. [Google Scholar] [CrossRef]
- Ivanov, P.A.; Grekhov, I.V. Subnanosecond 4H-SiC Diode Current Breakers. Semiconductors 2012, 46, 528–531. [Google Scholar] [CrossRef]
- Afanasyev, A.V.; Ivanov, B.V.; Ilyin, V.A.; Kardo-Sysoev, A.F.; Luchinin, V.V.; Reshanov, S.A.; Schoner, A.; Smirnov, A.A. Temperature Dependence of Minority Carrier Lifetime in Epitaxially Grown p+-p–-n+ 4H-SiC Drift Step Recovery Diodes. Mater. Sci. Forum 2015, 821–823, 632–635. [Google Scholar] [CrossRef]
- Sun, R.; Zhang, K.; Chen, W.; Xia, Y.; Tan, J.; Chen, Y.; Bai, S.; Zhang, B. 10-kV 4H-SiC Drift Step Recovery Diodes (DSRDs) for Compact High-repetition Rate Nanosecond HV Pulse Generator. In Proceedings of the 2020 32nd International Symposium on Power Semiconductor Devices and ICs (ISPSD), Vienna, Austria, 13–18 September 2020; pp. 62–65. [Google Scholar]
- Coe, D.J. High Voltage Semiconductor Device. U.S. Patent 4,754,310A, 28 June 1984. [Google Scholar]
- Chen, X.-B. Semiconductor Power Devices with Alternating Conductivity Type High-Voltage Breakdown Regions. U.S. Patent 5,216,275A, 1 June 1993. [Google Scholar]
- Fujihira, T. Theory of semiconductor super junction devices. Jpn. J. Appl. Phys. 1997, 36, 6254–6262. [Google Scholar] [CrossRef]
- Deboy, G.; Marz, N.; Stengl, J.-P.; Strack, H.; Tihanyi, J.; Weber, H. A New Generation of High Voltage MOSFETs Breaks the Limit Line of Silicon. In Proceedings of the International Electron Devices Meeting, San Francisco, CA, USA, 6–9 December 1998; pp. 683–685. [Google Scholar]
- Saggio, M.D.; Fagone, D.; Musumeci, S. MDmeshTM: Innovative technology for high voltage Power MOSFETs. In Proceedings of the 12th International Symposium on Power Semiconductor Devices & ICs, Toulouse, France, 22–25 May 2000; pp. 65–68. [Google Scholar]
- Wang, B.; Wang, H.; Zhong, X.; Yang, S.; Guo, Q.; Sheng, K. Characterization of 1.2 kV SiC super-junction SBD implemented by trench and implantation technique. In Proceedings of the 2018 IEEE 30th International Symposium on Power Semiconductor Devices and ICs (ISPSD), Chicago, IL, USA, 13–17 May 2018; pp. 375–378. [Google Scholar]
- Wang, H.; Wang, C.; Wang, B.; Ren, N.; Sheng, K. 4H-SiC Super-Junction JFET: Design and Experimental Demonstration. IEEE Electron. Device Lett. 2020, 41, 445–448. [Google Scholar] [CrossRef]
- Ng, R.; Udrea, F.; Sheng, K.; Amaratunga, G.A. A study of the Cool MOS integral diode: Analysis and optimization. In Proceedings of the 2001 International Semiconductor Conference, Sinaia, Romania, 9–13 October 2001; pp. 461–464. [Google Scholar]
- Ivanov, P.A.; Grekhov, I.V. Subnanosecond Semiconductor Opening Switch Based on 4H-SiC Junction Diode. Mater. Sci. Forum 2013, 740–742, 865–868. [Google Scholar] [CrossRef]
- Sochacki, M.; Lukasiewicz, R.; Rzodkiewicz, W.; Werbowy, A.; Szmidt, J.; Staryga, E. Silicon dioxide and silicon nitride as a passivation and edge termination for 4H-SiC Schottky diodes. Diam. Relat. Mater. 2005, 14, 1138–1141. [Google Scholar] [CrossRef]
- Boris, V.I.; Artem, A.S.; Sergey, A.S. A Study of Charge Losses in 4H-SiC Drift Step Recovery Diodes (DSRD). In Proceedings of the 2016 IEEE NW Russia Young Researchers in Electrical and Electronic Engineering Conference (EICon-RusNW), Saint Petersburg, Russia, 2–3 February 2016; pp. 51–52. [Google Scholar]
- Ilyin, V.A.; Afanasyev, A.V.; Ivanov, B.V.; Kardo-Sysoev, A.F.; Luchinin, V.V.; Reshanov, S.A.; Schoner, A.; Sergushichev, K.A.; Smirnov, A.A. High-Voltage Ultra-Fast Pulse Diode Stack Based on 4H-SiC. Mater. Sci. Forum 2016, 858, 786–789. [Google Scholar] [CrossRef]
- Yan, X.; Liang, L.; Wang, Z.; Tan, G. Optimization Design for SiC Drift Step Recovery Diode (DSRD). In Proceedings of the 2020 22nd European Conference on Power Electronics and Applications (EPE’20 ECCE Europe), Lyon, France, 7–11 September 2020; pp. 1–7. [Google Scholar]









| Device | BV (V) | Vpeak (V) | tr (ns) | dv/dt (V/ns) |
|---|---|---|---|---|
| Conventional SiC DSRD | 1257 | 610 | 2.7 | 181 |
| SJ SiC DSRD | 1606 (28% higher) | 643 | 2.2 (18.5% faster) | 234 (29% higher) |
| Tnb (μm) | Vpeak (V) | tr (ns) | dv/dt (V/ns) | |||
|---|---|---|---|---|---|---|
| Conventional SiC DSRD | SJ SiC DSRD | Conventional SiC DSRD | SJ SiC DSRD | Conventional SiC DSRD | SJ SiC DSRD | |
| 6 | 604 | 603 | 2.7 | 2.5 | 179 | 193 (8% higher) |
| 8 | 629 | 635 | 2.5 | 2.3 | 201 | 221 (10% higher) |
| 10 | 636 | 654 | 2.5 | 2.1 | 204 | 249 (22% higher) |
| 12 | 635 | 662 | 2.5 | 2.0 | 203 | 265 (31% higher) |
| Nnb (cm−3) | Vpeak (V) | tr (ns) | dv/dt (V/ns) | |||
|---|---|---|---|---|---|---|
| Conventional SiC DSRD | SJ SiC DSRD | Conventional SiC DSRD | SJ SiC DSRD | Conventional SiC DSRD | SJ SiC DSRD | |
| 7 × 1015 | 636 | 654 | 2.6 | 2.2 | 196 | 238 (21% higher) |
| 9 × 1015 | 619 | 648 | 2.6 | 2.3 | 190 | 225 (18% higher) |
| 1 × 1016 | 609 | 643 | 2.7 | 2.2 | 181 | 234 (29% higher) |
| Δt (ns) | Vpeak (V) | tr (ns) | dv/dt (V/ns) | |||
|---|---|---|---|---|---|---|
| Conventional SiC DSRD | SJ SiC DSRD | Conventional SiC DSRD | SJ SiC DSRD | Conventional SiC DSRD | SJ SiC DSRD | |
| 30 | 367 | 383 | 3.1 | 2.8 | 95 | 109 (15% higher) |
| 40 | 502 | 522 | 2.6 | 2.3 | 154 | 182 (18% higher) |
| 50 | 636 | 654 | 2.5 | 2.1 | 204 | 249 (22% higher) |
| 60 | 766 | 782 | 2.4 | 2.1 | 255 | 298 (17% higher) |
| 80 | 1015 | 1029 | 2.3 | 2.0 | 353 | 412 (17% higher) |
| 100 | 1247 | 1266 | 2.2 | 2.0 | 453 | 506 (12% higher) |
| 120 | 1350 | 1488 | 2.2 | 2.1 | 491 | 567 (15% higher) |
| 140 | 1442 | 1562 | 2.2 | 2.0 | 524 | 625 (19% higher) |
| 160 | 1473 | 1628 | 2.2 | 2.0 | 535 | 651 (22% higher) |
| 180 | 1507 | 1628 | 2.2 | 2.0 | 548 | 651 (19% higher) |
| 200 | 1534 | 1723 | 2.3 | 2.1 | 534 | 656 (23% higher) |
Publisher’s Note: MDPI stays neutral with regard to jurisdictional claims in published maps and institutional affiliations. |
© 2021 by the authors. Licensee MDPI, Basel, Switzerland. This article is an open access article distributed under the terms and conditions of the Creative Commons Attribution (CC BY) license (http://creativecommons.org/licenses/by/4.0/).
Share and Cite
Yan, X.; Liang, L.; Huang, X.; Zhong, H.; Yang, Z. 4H-SiC Drift Step Recovery Diode with Super Junction for Hard Recovery. Materials 2021, 14, 684. https://doi.org/10.3390/ma14030684
Yan X, Liang L, Huang X, Zhong H, Yang Z. 4H-SiC Drift Step Recovery Diode with Super Junction for Hard Recovery. Materials. 2021; 14(3):684. https://doi.org/10.3390/ma14030684
Chicago/Turabian StyleYan, Xiaoxue, Lin Liang, Xinyuan Huang, Heqing Zhong, and Zewei Yang. 2021. "4H-SiC Drift Step Recovery Diode with Super Junction for Hard Recovery" Materials 14, no. 3: 684. https://doi.org/10.3390/ma14030684
APA StyleYan, X., Liang, L., Huang, X., Zhong, H., & Yang, Z. (2021). 4H-SiC Drift Step Recovery Diode with Super Junction for Hard Recovery. Materials, 14(3), 684. https://doi.org/10.3390/ma14030684

