Removal of Heavy Metal Ions from One- and Two-Component Solutions via Adsorption on N-Doped Activated Carbon
Abstract
:1. Introduction
2. Materials and Methods
2.1. Materials
2.2. Kinetic Studies
2.3. The Effect of pH
2.4. Adsorption Tests
2.5. Data Evaluation
3. Results
3.1. Dynamics and Kinetics of the Metal Adsorption Process
- −
- transfer of metal ions from the bulk of solution to the interface region,
- −
- transport of metal ions from the interface region to the adsorbent surface (the so-called external diffusion),
- −
- transport of metal ions from the adsorbent surface to the active sites inside the adsorbent (the so-called internal diffusion),
- −
- adsorption of metal ions on the active sites of the adsorbent.
3.2. The Effect of pH on Metal Adsorption from One- and Two-Component Solutions
3.3. The Effect of Initial Heavy Metal Concentration on Sorption Capacity
3.4. The Effect of Temperature on Sorption Capacity
3.5. Sorption Isotherms Studies
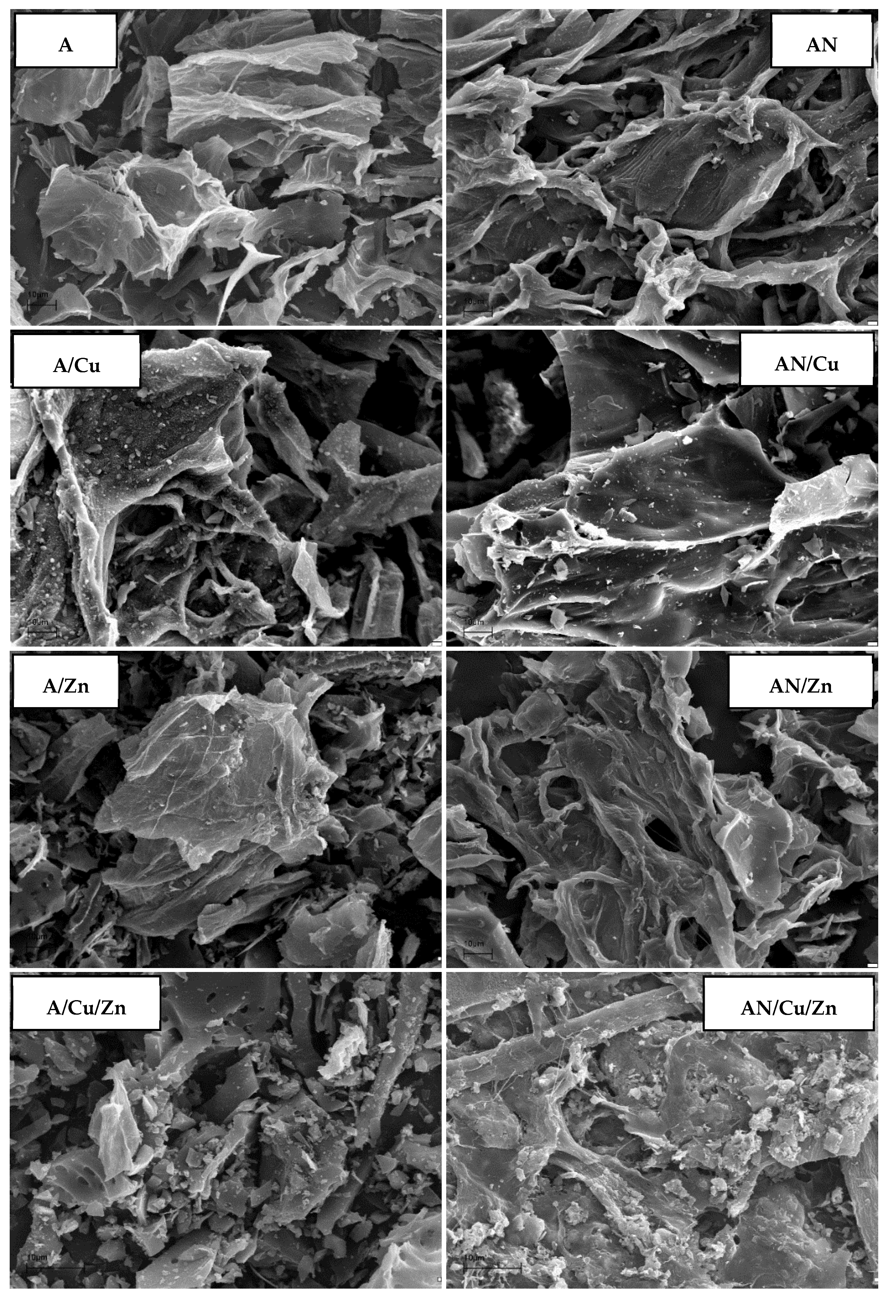
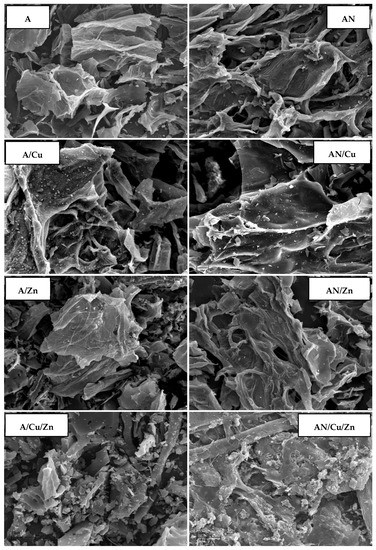
3.6. SEM, XRD, and FTIR Study of the Activated Carbons before and after Metal Ions’ Adsorption
4. Conclusions
Author Contributions
Funding
Institutional Review Board Statement
Informed Consent Statement
Data Availability Statement
Conflicts of Interest
References
- Rudnicki, P.; Hubicki, Z.; Kołodyńska, D. Evaluation of heavy metal ions removal from acidic waste water streams. Chem. Eng. J. 2014, 252, 362–373. [Google Scholar] [CrossRef]
- Saleh, T.A.; Gupta, V.K. Column with CNT/magnesium oxide composite for lead(II) removal from water. Environ. Sci. Pollut. Res. 2012, 19, 1224–1228. [Google Scholar] [CrossRef] [PubMed]
- Al-Qodah, Z. Biosorption of heavy metals ions from aqueous solutions by activated sludge. Desalination 2006, 196, 164–176. [Google Scholar] [CrossRef]
- Uluozlu, O.D.; Sari, A.; Tuzen, M.; Soylak, M. Biosorption of Pb(II) and Cr(III) from aqueous solution by lichen (Parmelina tiliaceae) biomass. Bioresour. Technol. 2008, 99, 2972–2980. [Google Scholar] [CrossRef]
- Gupta, S.; Kumar, D.; Gaur, J.P. Kinetic and isotherm modeling of lead(II) sorption onto some waste plant materials. Chem. Eng. J. 2009, 148, 226–233. [Google Scholar] [CrossRef]
- Block, I.; Günter, C.; Rodrigues, A.D.; Paasch, S.; Hesemann, P.; Taubert, A. Carbon adsorbents from spent coffee for removal of methylene blue and methyl orange from water. Materials 2021, 14, 3996. [Google Scholar] [CrossRef]
- Li, Z.; Li, Y.; Zhu, J. Straw-based activated carbon: Optimization of the preparation procedure and performance of volatile organic compounds adsorption. Materials 2021, 14, 3284. [Google Scholar] [CrossRef] [PubMed]
- Kutahyali, C.; Eral, M. Sorption studies of uranium and thorium on activated carbon prepared from olive stones: Kinetic and thermodynamic aspects. J. Nucl. Mater. 2010, 396, 251–256. [Google Scholar] [CrossRef]
- Soleimani, M.; Kaghazchi, T. Adsorption of gold ions from industrial wastewater using activated carbon derived from hard shell of apricot stones—An agricultural waste. Bioresour. Technol. 2008, 99, 5374–5383. [Google Scholar] [CrossRef] [PubMed]
- Mazurek, K.; Drużyński, S.; Kiełkowska, U.; Szłyk, E. New separation material obtained from waste rapeseed cake for copper(ii) and zinc(ii) removal from the industrial wastewater. Materials 2021, 14, 2566. [Google Scholar] [CrossRef] [PubMed]
- Bazan-Wozniak, A.; Nowicki, P.; Wolski, R.; Pietrzak, R. Activated bio-carbons prepared from the residue of supercritical extraction of raw plants and their application for removal of nitrogen dioxide and hydrogen sulfide from the gas phase. Materials 2021, 14, 3192. [Google Scholar] [CrossRef] [PubMed]
- Kazmierczak-Razna, J.; Gralak-Podemska, B.; Nowicki, P.; Pietrzak, R. The use of microwave radiation for obtaining activated carbons from sawdust and their potential application in removal of NO2 and H2S. Chem. Eng. J. 2015, 269, 352–358. [Google Scholar] [CrossRef]
- Chen, L.C.; Peng, P.Y.; Lin, L.F.; Yang, T.C.; Huang, C.M. Facile Preparation of nitrogen-doped activated carbon for carbon dioxide adsorption. Aerosol Air Qual. Res. 2014, 14, 916–927. [Google Scholar] [CrossRef]
- Mei, S.; Gu, J.; Ma, T.; Li, X.; Hu, Y.; Li, W.; Zhang, J.; Han, Y. N-doped activated carbon from used dyeing wastewater adsorbent as a metal-free catalyst for acetylene hydrochlorination. Chem. Eng. J. 2019, 371, 118–129. [Google Scholar] [CrossRef]
- Nowicki, P.; Pietrzak, R.; Wachowska, H. Comparison of physicochemical properties of nitrogen-enriched activated carbons prepared by physical and chemical activation of brown coal. Energy Fuel 2008, 22, 4133–4138. [Google Scholar] [CrossRef]
- Nowicki, P.; Pietrzak, R.; Wachowska, H. X-ray photoelectron spectroscopy study of nitrogen-enriched active carbons obtained by ammoxidation and chemical activation of brown and bituminous coals. Energy Fuel 2010, 24, 1197–1206. [Google Scholar] [CrossRef]
- Pellera, F.M.; Giannis, A.; Kalderis, D.; Anastasiadou, K.; Stegmann, R.; Wang, J.Y.; Gidarakos, E. Adsorption of Cu(II) ions from aqueous solutions on biochars prepared from agricultural by-products. J. Environ. Manag. 2012, 96, 35–42. [Google Scholar] [CrossRef] [PubMed]
- Karni, M.; Kabbani, A.; Holail, H.; Olama, Z. Heavy metals removal using activated carbon, silica and silica activated carbon composite. Energy Proced. 2014, 50, 113–120. [Google Scholar] [CrossRef] [Green Version]
- Simonin, J.P. On the comparison of pseudo-first order and pseudo-second order rate laws in the modeling of adsorption kinetics. Chem. Eng. J. 2016, 300, 254–263. [Google Scholar] [CrossRef] [Green Version]
- Miyake, Y.; Ishida, H.; Tanaka, S.; Kolev, S.D. Theoretical analysis of the pseudo-second order kinetic model of adsorption. Application to the adsorption of Ag(I) to mesoporous silica microspheres functionalized with thiol groups. Chem. Eng. J. 2013, 218, 350–357. [Google Scholar] [CrossRef]
- Asuquo, E.D.; Martin, A.D. Sorption of cadmium (II) ion from aqueous solution onto sweet potato (Ipomoea batatas L.) peel adsorbent: Characterisation, kinetic and isotherm studies. J. Environ. Chem. Eng. 2016, 4, 4207–4228. [Google Scholar] [CrossRef] [Green Version]
- Rafati, L.; Ehrampoush, M.H.; Rafati, A.A.; Mokhtari, M.; Mahvi, A.H. Modeling of adsorption kinetic and equilibrium isotherms of naproxen onto functionalized nanoclay composite adsorbent. J. Mol. Liq. 2016, 224, 832–841. [Google Scholar] [CrossRef]
- Peruchi, L.M.; Fostier, A.H.; Rath, S. Sorption of norfloxacin in soils: Analytical method, kinetics and Freundlich isotherms. Chemosphere 2015, 119, 310–317. [Google Scholar] [CrossRef] [PubMed]
- Oliveira, W.E.; Franca, A.S.; Oliveira, L.S.; Rocha, S.D. Untreated coffee husks as biosorbent for the removal of heavy metals from aqueous solutions. J. Hazard. Mat. 2008, 152, 1073–1081. [Google Scholar] [CrossRef] [PubMed]
- Kazmierczak-Razna, J.; Nowicki, P.; Pietrzak, R. Characterization and application of bio-activated carbons prepared by direct activation of hay with the use of microwave radiation. Powder Technol. 2017, 319, 302–312. [Google Scholar] [CrossRef]
- Kołodyńska, D.; Krukowska-Bąk, J.; Kazmierczak-Razna, J.; Pietrzak, R. Uptake of heavy metal ions from aqueous solutions by sorbents obtained from the spent ion exchange resins. Micropor. Mesopor. Mat. 2017, 244, 127–136. [Google Scholar] [CrossRef]
- Deniz, F.; Saygideger, S.D. Equilibrium, kinetic and thermodynamic studies of acid orange 52 dye biosorption by Paulownia tomentosa Steud. leaf powder as a low-cost natural biosorbent. Bioresour. Technol. 2010, 101, 5137–5143. [Google Scholar] [CrossRef]
- Mahaninia, M.H.; Rahimian, P.; Kaghazchi, T. Modified activated carbons with amino groups and their copper adsorption properties in aqueous solution. Chin. J. Chem. Eng. 2015, 23, 50–56. [Google Scholar] [CrossRef]
- Cuppett, J.D.; Duncan, S.E.; Dietrich, A.M. Evaluation of copper speciation and water quality factors that affect aqueous copper tasting response. Chem. Senses 2006, 31, 689–697. [Google Scholar] [CrossRef] [Green Version]
- Arslanoglu, H.; Altundogan, H.S.; Tumen, F. Heavy metals binding properties of esterified lemon. J. Hazard. Mat. 2009, 164, 1406–1413. [Google Scholar] [CrossRef] [Green Version]
- Alinnor, I.J. Adsorption of heavy metal ions from aqueous solution by fly ash. Fuel 2007, 86, 853–857. [Google Scholar] [CrossRef]
- O’Connell, D.W.; Birkinshaw, C.; O’Dwyer, T.F. Heavy metal adsorbents prepared from the modification of cellulose: A review. Bioresour. Technol. 2008, 99, 6709–6724. [Google Scholar] [CrossRef]
- El-Shafey, E.I. Removal of Zn(II) and Hg(II) from aqueous solution on a carbonaceous sorbent chemically prepared from rice husk. J. Hazard. Mat. 2010, 175, 319–327. [Google Scholar] [CrossRef] [PubMed]
- Wołowicz, A.; Hubicki, Z. Carbon-based adsorber resin Lewatit AF 5 applicability in metal ion recovery. Micropor. Mesopor. Mater. 2016, 224, 400–414. [Google Scholar] [CrossRef]
- Smolyakov, B.S.; Sagidullin, A.K.; Bychkov, A.L.; Lomovsky, I.O.; Lomovsky, O.I. Humic-modified natural and synthetic carbon adsorbents for the removal of Cd(II) from aqueous solutions. J. Environ. Chem. Eng. 2015, 3, 1939–1946. [Google Scholar] [CrossRef]
- Üçer, A.; Uyanik, A.; Aygün, Ş.F. Adsorption of Cu(II), Cd(II), Zn(II), Mn(II) and Fe(III) ions by tannic acid immobilised activated carbon. Sep. Purif. Technol. 2006, 46, 113–118. [Google Scholar] [CrossRef]
- Monser, L.; Adhoum, N. Modified activated carbon for the removal of copper, zinc, chromium and cyanide from wastewater. Sep. Purif. Technol. 2002, 26, 137–146. [Google Scholar] [CrossRef]
- Wu, L.; Cai, Y.; Tu, J.; Wang, S.; Kobayashi, N.; Li, Z. Enhancement of Cu(II) adsorption on activated carbons by non-thermal plasma modification in O2, N2 and O2/N2 atmospheres. Inter. J. Chem. Reactor Eng. 2020, 18, 18. [Google Scholar] [CrossRef]
- Mahaninia, M.H.; Kaghazi, T.; Soleimani, M.; Rahimian, P.; Esfandiari, A. Pre-oxidation effect on ammoxidation of activated carbon and its influence on Cu(II) adsorption. Des. Water Treat. 2016, 57, 4597–4605. [Google Scholar] [CrossRef]
- Ding, C.; Cheng, W.; Wang, X.; Wu, Z.Y.; Sun, Y.; Chen, C.; Wang, X.; Yu, S.H. Competitive sorption of Pb(II), Cu(II) and Ni(II) on carbonaceous nanofibers: A spectroscopic and modeling approach. J. Hazard. Mater. 2016, 313, 253–261. [Google Scholar] [CrossRef]
- Cao, Z.; Ge, H.; Lai, S. Studies on synthesis and adsorption properties of chitosan cross-linked by glutaraldehyde and Cu(II) as template under microwave irradiation. Eur. Polym. J. 2001, 37, 2141–2143. [Google Scholar] [CrossRef]
- Souza, C.; Majuste, D.; Dantas, M.S.S.; Ciminelli, V.S.T. Effect of zinc ion on copper speciation and adsorption on activated carbon. Hydrometallurgy 2018, 176, 78–86. [Google Scholar] [CrossRef]
- Hasar, H.; Cuci, Y.; Obek, E.; Dilekoglu, M.F. Removal of zinc(II) by activated carbon prepared from almond husks under different conditions. Ads. Sci. Technol. 2003, 21, 799–808. [Google Scholar] [CrossRef]
- Xu, X.; Cao, X.; Zhao, L.; Wang, H.; Yu, H.; Gao, B. Removal of Cu, Zn, and Cd from aqueous solutions by the dairy manure-derived biochar. Environ. Sci. Pollut. Res. 2013, 20, 358–368. [Google Scholar] [CrossRef] [PubMed]
- Wu, L.; Shang, Z.; Wang, H.; Wan, W.; Gao, X.; Li, Z.; Kobayashi, N. Production of activated carbon from walnut shell by CO2 activation in a fluidized bed reactor and its adsorption performance of copper ion. J. Mat. Cycles Waste. Manag. 2018, 20, 1676–1688. [Google Scholar] [CrossRef]
- Huang, S.H.; Chen, D.H. Rapid removal of heavy metal cations and anions from aqueous solutions by an amino-functionalized magnetic nano-adsorbent. J. Hazard. Mater. 2009, 163, 174–179. [Google Scholar] [CrossRef]
- Gupta, V.K.; Rastogi, A.; Saini, V.K.; Jain, N. Biosorption of copper(II) from aqueous solutions by Spirogyra species. J. Colloid. Interface. Sci. 2006, 296, 59–63. [Google Scholar] [CrossRef]
- Tuomikoski, S.; Kupila, R.; Romar, H.; Bergna, D.; Kangas, T.; Runtti, H.; Lassi, U. Zinc adsorption by activated carbon prepared from lignocellulosic waste biomass. Appl. Sci. 2019, 9, 4583. [Google Scholar] [CrossRef] [Green Version]
- Song, J.; Zhang, R.; Li, K.; Li, B.; Tang, C. Adsorption of copper and zinc on activated carbon prepared from Typha latifolia L. Clean Soil Air Water 2015, 43, 79–85. [Google Scholar] [CrossRef]
- Bouhamed, F.; Elouear, Z.; Bouzid, J.; Ouddane, B. Multi-component adsorption of copper, nickel and zinc from aqueous solutions onto activated carbon prepared from date stones. Environ. Sci. Pollut. Res. 2016, 23, 15801–15806. [Google Scholar] [CrossRef]







| Parameter | Cu | Zn |
|---|---|---|
| Wavelength [nm] | 324.8 | 213.9 |
| Slit width [nm] | 0.7 | 0.7 |
| Lamp current [mA] | 8 | 5 |
| Lamp mode BGC 1 | NON | D2 |
| Oxide flow [L/min] | 15 | 15 |
| Fuel flow [L/min] | 1.4 | 1.8 |
| Sample flow rate [mL/min] | 4 | 4 |
| Detection limit (3σ) [mg/L] | 0.001 | 0.001 |
| Determination limit (9σ) [mg/L] | 0.003 | 0.003 |
| Sample | Parameters | |||||||||
|---|---|---|---|---|---|---|---|---|---|---|
| PFO | PSO | IPD | ||||||||
| k1 | R2 | qcal | k2 | h | R2 | qcal | ki | C | R2 | |
| A | 0.0099 | 0.8593 | 5.39 | 0.0056 | 2.989 | 0.9991 | 23.15 | 0.3362 | 17.19 | 0.8667 |
| AN | 0.0117 | 0.9552 | 4.46 | 0.0082 | 5.22 | 0.9997 | 25.19 | 0.2867 | 20.36 | 0.7277 |
| Sample | Parameters | |||||||||
|---|---|---|---|---|---|---|---|---|---|---|
| PFO | PSO | IPD | ||||||||
| k1 | R2 | qcal | k2 | h | R2 | qcal | ki | C | R2 | |
| A | 0.0074 | 0.5038 | 1.352 | 0.144 | 3.817 | 0.9927 | 5.14 | 0.0963 | 3.34 | 0.6945 |
| AN | 0.0051 | 0.2074 | 0.921 | 0.0238 | 1.764 | 0.9989 | 8.60 | 0.1081 | 6.82 | 0.6381 |
| Metal Ions | Parameters | |||||||||
|---|---|---|---|---|---|---|---|---|---|---|
| PFO | PSO | IPD | ||||||||
| k1 | R2 | qcal | k2 | h | R2 | qcal | ki | C | R2 | |
| A | ||||||||||
| Cu2+ | −0.0004 | 0.0066 | 0.855 | 0.0196 | 1.17 | 0.9868 | 7.72 | 0.0644 | 6.467 | 0.2655 |
| Zn2+ | −0.0083 | 0.6963 | 0.021 | −0.087 | −0.34 | 0.9839 | 1.98 | −0.021 | 2.385 | 0.1890 |
| AN | ||||||||||
| Cu2+ | 0.0101 | 0.6405 | 2.313 | 0.0142 | 2.13 | 0.9980 | 12.25 | 0.1565 | 9.596 | 0.6996 |
| Zn2+ | 0.0108 | 0.3389 | 0.506 | 0.0872 | 1.70 | 0.9966 | 4.42 | 0.0367 | 3.835 | 0.3299 |
| Model | Parameters | A | AN | A Simultaneous AdsorptionCu2+ and Zn2+ | AN Simultaneous AdsorptionCu2+ and Zn2+ | ||||
|---|---|---|---|---|---|---|---|---|---|
| Cu2+ | Zn2+ | Cu2+ | Zn2+ | Cu2+ | Zn2+ | Cu2+ | Zn2+ | ||
| Langmuir | q0 [mg/g] | 29.59 | 29.94 | 47.39 | 31.55 | 29.94 | 8.56 | 43.48 | 7.28 |
| KL [L/mg] | 1.94 | 1.228 | 4.057 | 0.828 | 1.228 | −2.41 | 2.77 | −1.776 | |
| R2 | 0.9508 | 0.9847 | 0.9953 | 0.9484 | 0.9847 | 0.9821 | 0.9598 | 0.9735 | |
| Freundlich | KF [mg/g (mg/L)1/nF] | 17.54 | 12.20 | 29.63 | 11.212 | 12.20 | 9.16 | 27.40 | 8.97 |
| n | 4.89 | 2.339 | 3.25 | 2.19 | 2.34 | 39.06 | 5.203 | 42.19 | |
| R2 | 0.8593 | 0.9310 | 0.7398 | 0.9900 | 0.9310 | 0.0179 | 0.7815 | 0.0114 | |
| Material | Metal Ion | Maximum Capacity [mg/g] | Article |
|---|---|---|---|
| N-doped activated carbon prepared from brown coal | Cu(II) | 47.4 | (this study) |
| aminated commercial activated carbon | ~100 | [28] | |
| tannic acid immobilized activated carbon | 2.23 | [36] | |
| sodium diethyl dithiocarbamate (SDDC) immobilised activated carbon | 38.0 | [37] | |
| non-thermal plasma modified activated carbons | 37.6 | [38] | |
| pre-oxidised and ammoxidised commercial activated carbon | ~250 | [39] | |
| carbonaceous nanofibers | 204.1 | [40] | |
| crosslinked chitosan | 200.0 | [41] | |
| granular commercial activated carbon | 24.5 | [42] | |
| amino –factionalized nano-adsorbent | 12.4 | [45] | |
| activated carbon from walnut shells | 28.4 | [46] | |
| spirogyra (green alga) | 133.0 | [47] | |
| N-doped activated carbon prepared from brown coal | Zn(II) | 31.5 | (this study) |
| tannic acid immobilized activated carbon | 1.23 | [36] | |
| sodium diethyl dithiocarbamate (SDDC) immobilised activated carbon | 9.9 | [37] | |
| granular commercial activated carbon | 8.8 | [42] | |
| activated carbon from almond husks | 35.3 | [43] | |
| dairy manure-derived biochar | 31.6 | [44] | |
| activated carbon from birch sawdust | 20.8 | [48] | |
| activated carbon from Typha latifolia L | 28.6 | [49] | |
| activated carbon from date stones | 12.2 | [50] |
Publisher’s Note: MDPI stays neutral with regard to jurisdictional claims in published maps and institutional affiliations. |
© 2021 by the authors. Licensee MDPI, Basel, Switzerland. This article is an open access article distributed under the terms and conditions of the Creative Commons Attribution (CC BY) license (https://creativecommons.org/licenses/by/4.0/).
Share and Cite
Kazmierczak-Razna, J.; Zioła-Frankowska, A.; Nowicki, P.; Frankowski, M.; Wolski, R.; Pietrzak, R. Removal of Heavy Metal Ions from One- and Two-Component Solutions via Adsorption on N-Doped Activated Carbon. Materials 2021, 14, 7045. https://doi.org/10.3390/ma14227045
Kazmierczak-Razna J, Zioła-Frankowska A, Nowicki P, Frankowski M, Wolski R, Pietrzak R. Removal of Heavy Metal Ions from One- and Two-Component Solutions via Adsorption on N-Doped Activated Carbon. Materials. 2021; 14(22):7045. https://doi.org/10.3390/ma14227045
Chicago/Turabian StyleKazmierczak-Razna, Justyna, Anetta Zioła-Frankowska, Piotr Nowicki, Marcin Frankowski, Robert Wolski, and Robert Pietrzak. 2021. "Removal of Heavy Metal Ions from One- and Two-Component Solutions via Adsorption on N-Doped Activated Carbon" Materials 14, no. 22: 7045. https://doi.org/10.3390/ma14227045
APA StyleKazmierczak-Razna, J., Zioła-Frankowska, A., Nowicki, P., Frankowski, M., Wolski, R., & Pietrzak, R. (2021). Removal of Heavy Metal Ions from One- and Two-Component Solutions via Adsorption on N-Doped Activated Carbon. Materials, 14(22), 7045. https://doi.org/10.3390/ma14227045

