Analysis of the Occurrence of Thermal Bridges in Several Variants of Connections of the Wall and the Ground Floor in Construction Technology with the Use of a Hemp–Lime Composite
Abstract
1. Introduction
2. Materials and Methods
2.1. Materials Used in Calculations
2.2. Thermal Conductivity of Hemp–Lime Composites Used
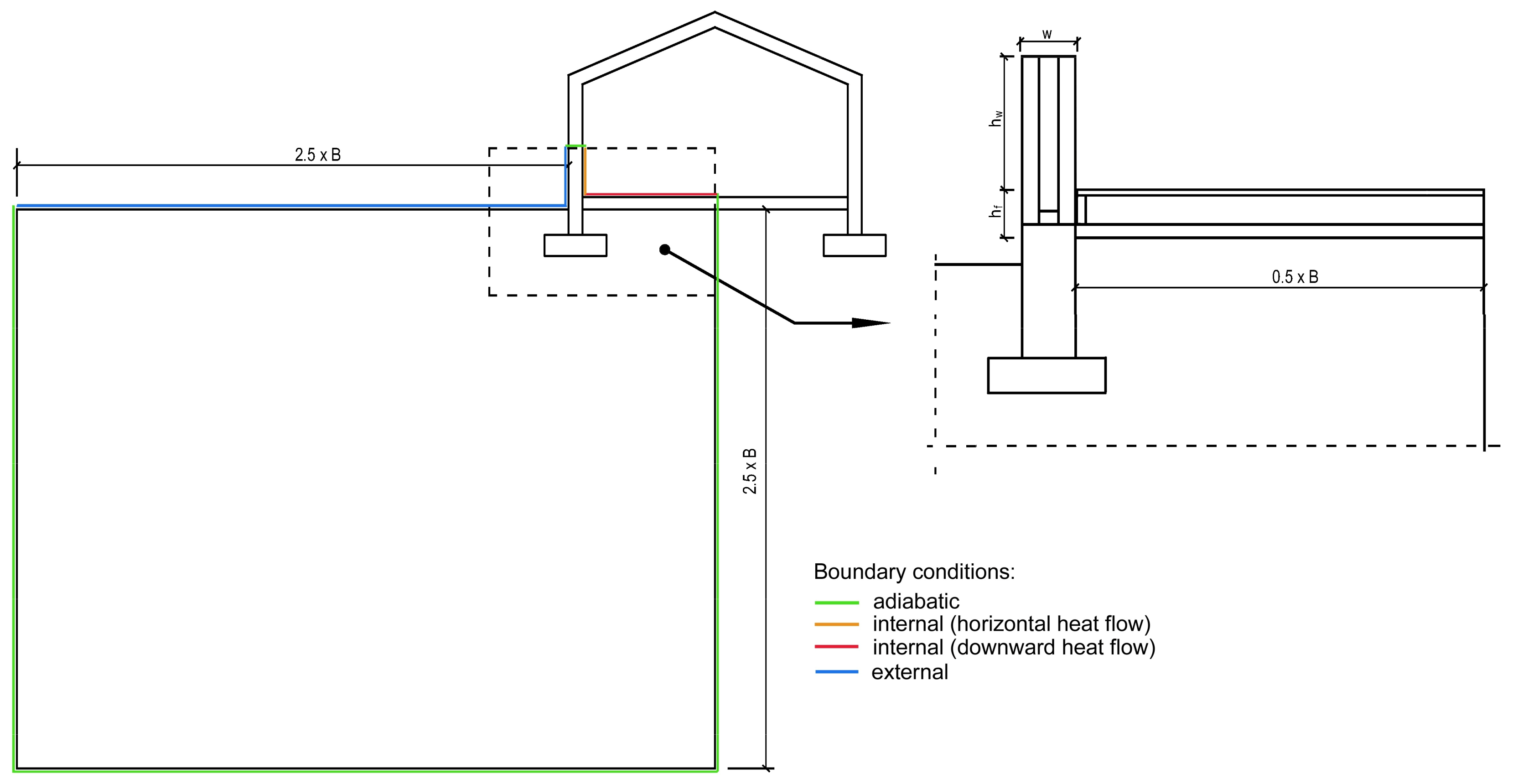
2.3. Schemes Adopted for Calculation
- -
- 350i—a wall with a 350 mm thick composite layer and a frame placed on the inside of the wall
- -
- 350c—a wall with a 350 mm thick composite layer and with the frame placed centrally with respect to the wall thickness
- -
- 400i—a wall with a 400 mm thick composite layer and a frame placed on the inside of the wall
- -
- 400c—a wall with a 400 mm thick composite layer and with a frame placed centrally with respect to the wall thickness.
2.4. Simulation
The Basis of Calculations
- Model definition (including geometry definition, assignment of material properties and boundary conditions);
- Mesh generation;
- Calculation of temperature and heat fluxes by the Finite Element Analysis Solver;
- Reporting of the post-processed results for the element.
2.5. Statistical Models
- Type of the floor construction: the floor on timber joists or a self-supporting floor;
- Level of the floor—from −100 mm to +100 mm;
- Wall thickness—350 mm or 400 mm;
- Thermal conductivity of hemp–lime composite (wall mix)—from 0.080 W/(m·K) to 0.088 W/(m·K);
- Location of timber frame construction (centrally in relation to wall thickness, at the inner side of the wall).
2.6. Possibility of Water Vapour Condensation
3. Results and Discussion
3.1. Heat Flow Analysis
- The influence of the timber frame location on the thermal transmittance value within every floor level (constant thermal conductivity, 0.080 W/(m·K))
- The influence of the floor level on the thermal transmittance value in every wall’s thickness and the location of the timber frame (constant thermal conductivity, 0.080 W/(m·K))
- The influence of the type of floor construction (on joists or self-supporting) on the thermal transmittance value (constant: λ = 0.080 W/(m·K), a variable: wall thickness, location of the timber frame, and floor level)
- The influence of the thermal conductivity values on the thermal transmittance values within each floor level (constant wall thickness and timber frame location)
- The influence of the thermal conductivity values on the thermal transmittance values at extreme levels of floors
- The influence of the timber frame location and the wall thickness on the linear thermal transmittance value within every floor level (constant thermal conductivity, 0.080 W/(m·K))
- The influence of the floor level on the linear thermal transmittance value in every wall thickness and location of the timber frame ((constant thermal conductivity, 0.080 W/(m·K))
- The influence of the type of floor construction (on joists or self-supporting) on the linear thermal transmittance value (constant: λ = 0.080 W/(m·K), variable: wall thickness, location of the timber frame, floor level)
3.2. Possibility of Water Vapour Condensation
4. Conclusions
- All of the analyzed variables have a clear effect on the size of the thermal bridge and on the value of the average thermal transmittance coefficient in the ground junction
- Lowering the floor level by 100 mm in relation to the “0” level resulted in an increase in the thermal transmittance value by approx. 2.27%–2.83% for the floor on joists and about 3.79%–4.31% for the self-supporting floor, while the coefficient linear thermal transmittance was increased by 13.74%–20.30% and 22.16%–29.09%, respectively
- Raising the floor level by 100 mm in relation to the “0” level caused a decrease in the thermal transmittance value by about 0.76%–1.16% in the case of the floor on joists and about 1.07%–1.71% in the case of the self-supporting floor, while the linear thermal transmittance ratio was reduced by 5.04%–7.93% and 6.12%–11.06%, respectively
- The junction with a floor on timber joists has better thermal parameters than a junction with a self-supporting floor, in each of the analysed variants
- The differences in thermal conductivity are influenced by the quality of the contact zone of the wall and floor
- The differences in the values of the thermal transmittance of the junction between two variants of ground floors reach around 0.13%–1.67%, and the values of linear thermal transmittance factor were approximately 2.43%–10.13%; the greatest differences in results occur when the floor level is lowered by 100 mm
- Almost all the analysed junctions are free from surface condensation causing a risk of mould growth. This risk occurs in the case of a junction with a floor on joists located at “−100” and “−50”, and partly in the case of a self-supporting floor at the “-100” level (in junctions with walls in which the columns are placed on the inside). A preferable solution in this aspect is the floor on the ground and placing the timber frame centrally with relation to the wall thickness.
- Linear thermal transmittance was calculated using the steady state analyses, so its application in a dynamic simulation may be less accurate (however, it is accepted in the ISO 13790 standard).
Author Contributions
Funding
Conflicts of Interest
References
- International Energy Agency (IEA). SHC Task 40/ECBCS Annex 52 towards Net-Zero Energy Solar Buildings 2013 Highlights. 2013. Available online: http://task40.iea-shc.org/data/sites/1/publications/Task40-Highlights-2013.pdf (accessed on 17 May 2018).
- European Parliament. Directive 2002/91/EC of the European parliament and of the council of 16 December 2002 on the energy performance of buildings. Off. J. Eur. Union 2003, 46, 65–71. [Google Scholar]
- European Parliament. Directive 2010/31/EU of the European parliament and the council of 19 May 2010 on the energy perfromance of buildings. Off. J. Eur. Union 2010, 53, 13–35. [Google Scholar]
- European Parliament. Directive 2018/844/EU of the European parliament and the council of 30 May 2018 on the energy perfromance of buildings. Off. J. Eur. Union 2018, 156, 75–91. [Google Scholar]
- Życzyńska, A. The heat consumption and heating costs after the insulation of building partitions of building complex supplied by the local oil boiler room. Maint. Reliab. 2014, 16, 313–318. [Google Scholar]
- Schiavoni, S.; D’Alessandro, F.; Bianchi, F.; Asdrubali, F. Insulation materials for the building sector: A review and comparative analysis. Renew. Sustain. Energy Rev. 2016, 62, 988–1011. [Google Scholar] [CrossRef]
- Allin, S. Building with Hemp; Seed Press: Kenmare, Ireland, 2012. [Google Scholar]
- Stanwix, W.; Sparrow, A. The Hempcrete Book—Designing and Building with Hemp-Lime; Green Books: Cambridge, UK, 2014. [Google Scholar]
- Barclay, M.; Holcroft, N.; Shea, A.D. Methods to determine whole building hygrothermal performance of hemp-lime buildings. Build. Environ. 2014, 80, 204–212. [Google Scholar] [CrossRef]
- Walker, R.; Pavía, S. Moisture transfer and thermal properties of hemp–lime concretes. Constr. Build. Mater. 2014, 64, 270–276. [Google Scholar] [CrossRef]
- Brzyski, P.; Barnat-Hunek, D.; Suchorab, Z.; Łagód, G. Composite Materials Based on Hemp and Flax for Low-Energy Buildings. Materials 2017, 10, 510. [Google Scholar] [CrossRef]
- Brzyski, P.; Łagód, G. Physical and mechanical properties of composites based on hemp shives and lime. E3S Web Conf. 2018, 49, 00010. [Google Scholar] [CrossRef]
- Gross, C.; Walker, P. Racking performance of timber studwork and hemp-lime walling. Constr. Build. Mater. 2014, 66, 429–435. [Google Scholar] [CrossRef]
- Stevulova, N.; Kidalova, L.; Cigasova, J.; Junak, J.; Sicakova, A.; Terpakova, E. Lightweight Composites Containing Hemp Hurds. Procedia Eng. 2013, 65, 69–74. [Google Scholar] [CrossRef]
- Kosiński, P.; Brzyski, P.; Szewczyk, A.; Motacki, W. Thermal Properties of Raw Hemp Fiber as a Loose-Fill Insulation Material. J. Nat. Fibers 2017, 15, 717–730. [Google Scholar] [CrossRef]
- Barnat-Hunek, D.; Siddique, R.; Łagód, G. Properties of hydrophobised lightweight mortars with expanded cork. Constr. Build. Mater. 2017, 155, 15–25. [Google Scholar] [CrossRef]
- Barnat-Hunek, D.; Widomski, M.K.; Szafraniec, M.; Łagód, G. Impact of Different Binders on the Roughness, Adhesion Strength, and Other Properties of Mortars with Expanded Cork. Materials 2018, 11, 364. [Google Scholar] [CrossRef] [PubMed]
- Dumitrescu, L.; Barab, I.; Pescaru, R.A. The Influence of Thermal Bridges in the Process of Buildings Thermal Rehabilitation. Procedia Eng. 2017, 181, 682–689. [Google Scholar] [CrossRef]
- Theodosiou, T.; Tsikaloudaki, K.; Bikas, D. Analysis of the Thermal Bridging Effect on Ventilated Facades. Procedia Environ. Sci. 2017, 38, 397–404. [Google Scholar] [CrossRef]
- Kosny, J.; Desjarlais, A.O. Influence of architectural details on the overall thermal performance of residential walls systems. J. Therm. Envel. Build. Sci. 1994, 18, 53–69. [Google Scholar] [CrossRef]
- Ge, H.; McClung, V.R.; Zhang, S. Impact of balcony thermal bridges on the overall thermal performance of multi-unit residential buildings: A case study. Energy Build. 2013, 60, 163–173. [Google Scholar] [CrossRef]
- Citterio, M.; Cocco, M.; Erhorn-Kluttig, H. Thermal bridges in the EBPD context: Overview on MS approaches in regulations. ASIEPI Information Paper. 2008. Available online: http://www.buildup.eu/sites/default/files/P064_EN_ASIEPI_WP4_IP1_p3073.pdf (accessed on 26 July 2019).
- Theodosiou, T.G.; Papadopoulos, A.M. The impact of thermal bridges on the energy demand of buildings with double brick wall construction. Energy Build. 2008, 40, 2083–2089. [Google Scholar] [CrossRef]
- Cappelletti, F.; Corrado, V.; Gasparella, A.; Gorrino, A. Detailed assessment of thermal bridges in highly insulated buildings. In Proceedings of the CLIMA 2010, 10th Rehva World Congress “Sustainable Energy Use in Buildings”, Antalya, Turkey, 9–12 May 2010. [Google Scholar]
- Evola, G.; Margani, G.; Marietta, L. Energy and cost evaluation of thermal bridge correction in Mediterranean climate. Energy Build. 2001, 43, 2385–2393. [Google Scholar] [CrossRef]
- Building Envelope Thermal Bridging Guide: Analysis, Application and Insights; A Technical Report; BC Hydro Power Smart: Vancouver, BC, Canada, 2014; Available online: https://www.bchydro.com/content/dam/BCHydro/customer-portal/documents/power-smart/builders-developers/building-envelope-thermal-bridging-guide-1.1.pdf (accessed on 26 July 2019).
- Larbi, A.B. Statistical modelling of heat transfer for thermal bridges of buildings. Energy Build. 2005, 37, 945–951. [Google Scholar] [CrossRef]
- Bornehag, C.G.; Sundell, J.; Bonini, S.; Custovic, A.; Malmberg, P.; Skerfving, S.; Sigsgaard, T.; Verhoeff, A. Dampness in buildings as a risk factor for health effects, EUROEXPO: A multidisciplinary review of the literature (1998–2000) on dampness and mite exposure in buildings and health effects. Indoor Air 2004, 14, 243–257. [Google Scholar] [CrossRef] [PubMed]
- Fedorik, F.; Illikainen, K. HAM and mould growth analysis of a wooden wall. Int. J. Sustain. Built Environ. 2013, 2, 19–26. [Google Scholar] [CrossRef]
- Fantucci, S.; Isaia, F.; Serra, V.; Dutto, M. Insulating coat to prevent mold growth in thermal Bridges. Energy Procedia 2017, 134, 414–422. [Google Scholar] [CrossRef]
- Viitanen, H.; Ojanen, T. Improved Model to Predict Mold Growth in Building Materials. In Proceedings of the Thermal Performance of the Exterior Envelopes of Whole Building X, Clearwater Beach, FL, USA, 2–7 December 2007. [Google Scholar]
- Minke, G.; Mahlke, F. Building with Straw; Birkhauser: Basel, Switzerland, 2005. [Google Scholar]
- ISO. Building Materials and Products—Hygrothermal Properties—Tabulated Design Values and Procedures for Determining Declared and Design Thermal Values; International Organization for Standardization: Geneva, Switzerland, 2009. [Google Scholar]
- Report: Study of Thermal Conductivity Coefficient of Straw Bales; Institute of Building Technology: Warsaw, Poland, November 2015.
- Brzyski, P.; Duda, S.; Raczkowski, A. Two-dimensional heat transfer analysis of timber structure walls filled with hemp-lime composite. MATEC Web Conf. 2019, 252, 05015. [Google Scholar] [CrossRef]
- Grudzińska, M.; Brzyski, P. The Occurrence of Thermal Bridges in Hemp-Lime Construction Junctions. Period. Polytech. Civ. Eng. 2019, 63, 377–387. [Google Scholar] [CrossRef]
- Lhoist Website Dedicated to Building & Constructions. Available online: http://tradical.com (accessed on 2 July 2019).
- Benfratello, S.; Capitano, C.; Peri, G.; Rizzo, G.; Scaccianoce, G.; Sorrentino, G. Thermal and structural properties of a hemp–lime biocomposite. Constr. Build. Mater. 2013, 48, 745–754. [Google Scholar] [CrossRef]
- ISO. Thermal Insulation—Determination of Steady-State Thermal Resistance and Related Properties—Guarded Hot Plate Apparatus; ISO: Geneva, Switzerland, 1991. [Google Scholar]
- Sassoni, E.; Manzi, S.; Motori, A.; Montecchi, M.; Canti, M. Novel sustainable hemp-based composites for application in the building industry: Physical, thermal and mechanical characterization. Energy Build. 2014, 77, 219–226. [Google Scholar] [CrossRef]
- Lawrence Berkeley National Laboratory Home Page. Available online: http://windows.lbl.gov (accessed on 2 July 2019).
- Real, S.; Gomes, M.G.; Rodrigues, A.M.; Bogas, J.A. Contribution of structural lightweight aggregate concrete to the reduction of thermal bridging effect in buildings. Constr. Build. Mater. 2016, 121, 460–470. [Google Scholar] [CrossRef]
- Murad, C.; Doshi, H.; Ramakrishnan, R. Impact of insulated concrete curb on concrete balcony slab. Procedia Eng. 2015, 118, 1030–1037. [Google Scholar] [CrossRef]
- Cappelletti, F.; Gasparella, A.; Romagnoni, P.; Baggio, P. Analysis of the influence of installation thermal bridges on windows performance: The case of clay block walls. Energy Build. 2011, 43, 435–1442. [Google Scholar] [CrossRef]
- Hilderson, W. Therm 7.4 Validation According to EN ISO 10211:2007. Available online: https://pixii.be/sites/default/files/therm_6.3_validatie_10211.pdf (accessed on 2 July 2019).
- ISO. Thermal Bridges in Building Construction. Heat Flows and Surface Temperatures. Detailed Calculations; European Committee for Standardization: Geneva, Switzerland, 2017. [Google Scholar]
- Manz, H.; Loutzenhiser, P.; Frank, T.; Strachan, P.A.; Bundi, R.; Maxwell, G. Series of experiments for empirical validation of solar gain modeling in building energy simulation codes—Experimental setup, test cell characterization, specifications and uncertainty analysis. Build. Environ. 2006, 41, 1784–1797. [Google Scholar] [CrossRef]
- Judkoff, R.; Neymark, J. Building Energy Simulation Test (BESTEST) and Diagnostic Method; Report NREL/TP-472-6231; International Energy Agency: Washington, DC, USA, 1995. [Google Scholar]
- Judkoff, R.; Wortman, D.; O’Doherty, B.; Burch, J. A Methodology for Validating Building Energy Analysis Simulations; Technical Report NREL/TP-550-42059; National Renewable Energy Laboratory: Golden, CO, USA, April 2008.
- ISO. Building Components and Building Elements. Thermal Resistance and Thermal Transmittance. Calculation Methods; European Committee for Standardization: Geneva, Switzerland, 2017. [Google Scholar]
- ISO. Thermal Performance of Buildings. Heat Transfer via the Ground. Calculation Methods; European Committee for Standardization: Geneva, Switzerland, 2017. [Google Scholar]
- Seber, G.A.F.; Lee, A.J. Linear Regression Analysis; Wiley: Hoboken, NJ, USA, 2012. [Google Scholar]
- Sheather, S.J. A Modern Approach to Regression with R; Springer: New York, NY, USA, 2009. [Google Scholar]
- R Core Team. R: A Language and Environment for Statistical Computing; R Foundation for Statistical Computing: Vienna, Austria; Available online: https://www.R-project.org (accessed on 2 July 2019).
- ISO. Hygrothermal Performance of Building Components and Building Elements. Internal Surface Temperature to Avoid Critical Surface Humidity and Interstitial Condensation. Calculation Methods; International Organization for Standardization: Geneva, Switzerland, 2012. [Google Scholar]













| Composite Symbol | Binder: Hemp Shives Ratio | Binder: Water Ratio | Apparent Density [kg/m3] | Thermal Conductivity Coefficient [W/(m·K)] | Standard Deviation [W/(m·K)] |
|---|---|---|---|---|---|
| Wall mix A | 1.4:1 | 1:1.45 | 362.5 | 0.080 | ± 0.002 |
| Wall mix B | 1.6:1 | 1:1.45 | 402.0 | 0.088 | ± 0.003 |
| Floor mix A | 1:1 | 1:1.5 | 238.0 | 0.065 | ± 0.002 |
| Floor mix B | 2.1:1 | 1:1.35 | 627.5 | 0.112 | ± 0.005 |
| Building Material/Element | Thermal Conductivity λ [W/(m·K)] |
|---|---|
| Hemp–lime mix (wall) | 0.080–0.088 |
| Hemp–lime mix (floor A) | 0.112 |
| Hemp–lime mix (floor B) | 0.065 |
| Timber construction element | 0.16 |
| OSB board | 0.13 |
| Lime plaster | 0.70 |
| Expanded clay aggregate | 0.10 |
| Concrete | 1.30 |
| Ballast of compacted sand | 2.0 |
| Ground soil | 2.0 |
| Surface | Temperature [°C] | Surface Resistance [(m2·K)/W] | Description |
|---|---|---|---|
| Internal surface of the wall | +21 | 0.13 | Heat flow horizontal, simplified * |
| Internal surface of the floor | +21 | 0.17 | Heat flow downwards, simplified * |
| External (wall and ground) | −18 | 0.04 | Simplified * |
| Internal (wall and floor) | +21 | 0.25 | Condensation risk, simplified * |
| Cut-off planes | ‒ | ‒ | Adiabatic |
| Dependent Variable: | ||||
|---|---|---|---|---|
| Averaged Thermal Transmittance | Linear Thermal Transmittance | |||
| (1) | (2) | (1) | (2) | |
| 0.465 *** | 0.221 *** | −2.688 *** | −2.570 *** | |
| −0.0003 *** | −0.001 *** | −0.001 *** | −0.002 *** | |
| 0.00002 *** | 0.00003 *** | 0.0001 *** | 0.0002 *** | |
| −0.001 *** | −0.002 *** | −0.002 *** | −0.002 *** | |
| −0.002 *** | 0.002 *** | −0.014 *** | 0.009 *** | |
| −0.007 *** | - | - | - | |
| 0.041 *** | - | 0.224 *** | - | |
| - | - | −0.00002 *** | −0.00003 *** | |
| −0.0001 *** | −0.0001 *** | −0.0004 *** | −0.0005 *** | |
| 0.00000 *** | - | 0.00002 *** | - | |
| Constant | 0.242 *** | 0.263 *** | 0.113 *** | 0.090 *** |
| Observations | 100 | 100 | 100 | 100 |
| R2 | 0.999 | 0.997 | 0.998 | 0.995 |
| Adjusted R2 | 0.999 | 0.997 | 0.998 | 0.995 |
| Residual Std. Error | 0.0002 | 0.0004 | 0.001 | 0.002 |
| F Statistic | 12,234.860 *** | 4919.966 *** | 5098.955 *** | 2594.745 *** |
| No. | Type of Joint | Wall Thickness and the Location of the Timber Frame | |||
|---|---|---|---|---|---|
| 350c | 350i | 400c | 400i | ||
| 1. | Timber joists floor level “+100” | 0.86 | 0.86 | 0.87 | 0.86 |
| 2. | Timber joists floor level “+50” | 0.80 | 0.80 | 0.81 | 0.81 |
| 3. | Timber joists floor level “0” | 0.80 | 0.79 | 0.81 | 0.81 |
| 4. | Timber joists floor level “−50” | 0.78 | 0.77 | 0.79 | 0.78 |
| 5. | Timber joists floor level “−100” | 0.76 | 0.74 | 0.77 | 0.75 |
| 6. | Self-supporting floor Level “+100” | 0.86 | 0.85 | 0.87 | 0.86 |
| 7. | Self-supporting floor Level “+50” | 0.85 | 0.85 | 0.86 | 0.85 |
| 8. | Self-supporting floor Level “0” | 0.84 | 0.83 | 0.85 | 0.84 |
| 9. | Self-supporting floor Level “−50” | 0.83 | 0.81 | 0.83 | 0.82 |
| 10. | Self-supporting floor Level “−100” | 0.79 | 0.77 | 0.79 | 0.78 |
© 2019 by the authors. Licensee MDPI, Basel, Switzerland. This article is an open access article distributed under the terms and conditions of the Creative Commons Attribution (CC BY) license (http://creativecommons.org/licenses/by/4.0/).
Share and Cite
Brzyski, P.; Grudzińska, M.; Majerek, D. Analysis of the Occurrence of Thermal Bridges in Several Variants of Connections of the Wall and the Ground Floor in Construction Technology with the Use of a Hemp–Lime Composite. Materials 2019, 12, 2392. https://doi.org/10.3390/ma12152392
Brzyski P, Grudzińska M, Majerek D. Analysis of the Occurrence of Thermal Bridges in Several Variants of Connections of the Wall and the Ground Floor in Construction Technology with the Use of a Hemp–Lime Composite. Materials. 2019; 12(15):2392. https://doi.org/10.3390/ma12152392
Chicago/Turabian StyleBrzyski, Przemysław, Magdalena Grudzińska, and Dariusz Majerek. 2019. "Analysis of the Occurrence of Thermal Bridges in Several Variants of Connections of the Wall and the Ground Floor in Construction Technology with the Use of a Hemp–Lime Composite" Materials 12, no. 15: 2392. https://doi.org/10.3390/ma12152392
APA StyleBrzyski, P., Grudzińska, M., & Majerek, D. (2019). Analysis of the Occurrence of Thermal Bridges in Several Variants of Connections of the Wall and the Ground Floor in Construction Technology with the Use of a Hemp–Lime Composite. Materials, 12(15), 2392. https://doi.org/10.3390/ma12152392

