Monitoring and Analysing Changes in Temperature and Energy in the Ground with Installed Horizontal Ground Heat Exchangers
Abstract
:1. Introduction
- Analyse temperature changes in the ground with a linear HGHE and a Slinky-type exchanger during the heating season;
- Assess the effect of the HGHE configuration on the temperature values and distribution in the ground;
- Assess the effect of the HGHE configuration on the specific heat flows and specific energies extracted from the ground.
- (a)
- The ground temperatures will be largely above zero during the heating season for both exchanger types. The ground temperatures in the exchanger area will be rarely below zero;
- (b)
- The temperatures of the ground with the linear HGHE will be higher than those with the Slinky-type exchanger;
- (c)
- The specific heat flows and specific energies extracted from the ground by the HGHE will be higher for the linear HGHE type than for the Slinky type.
2. Materials and Methods
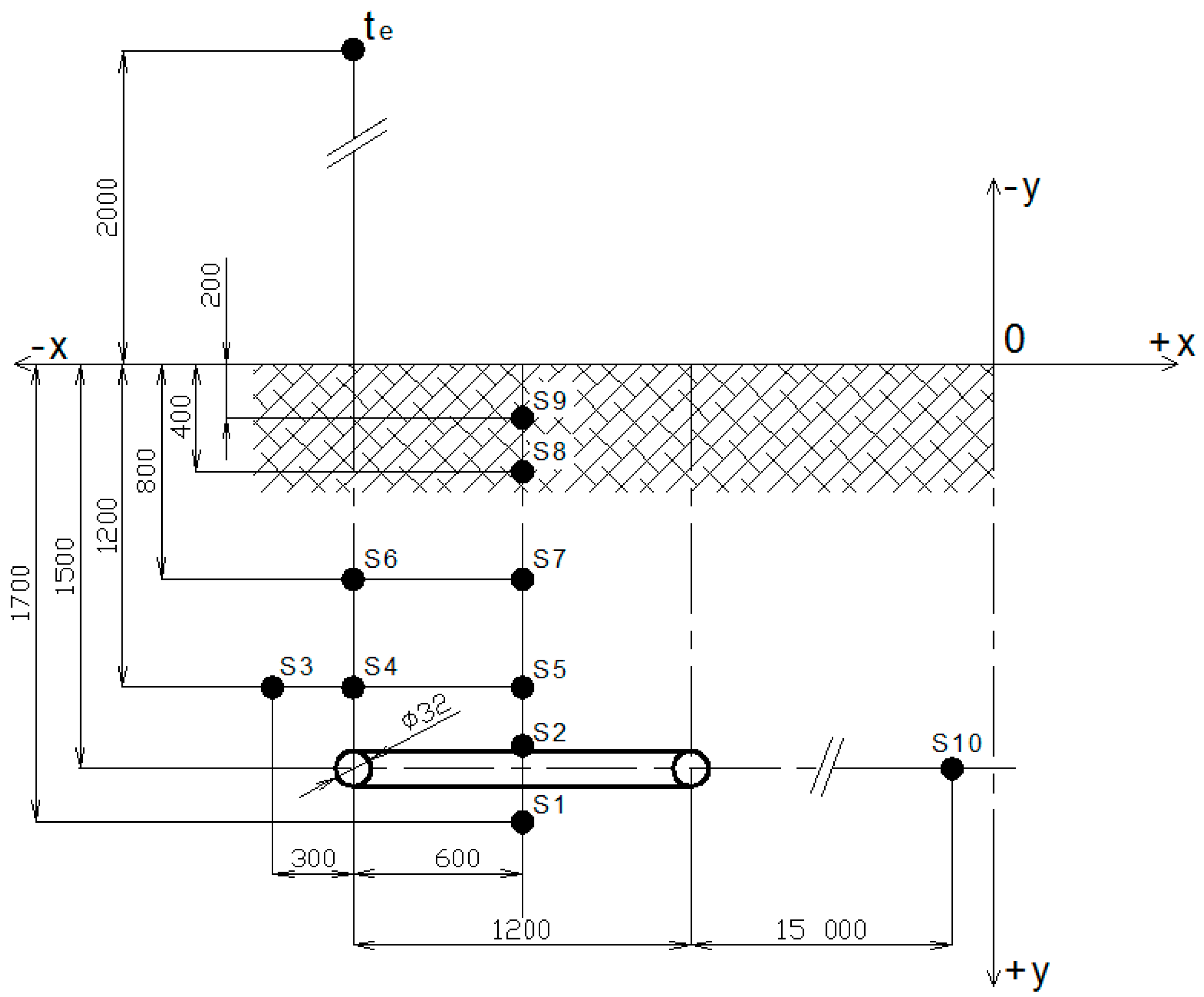
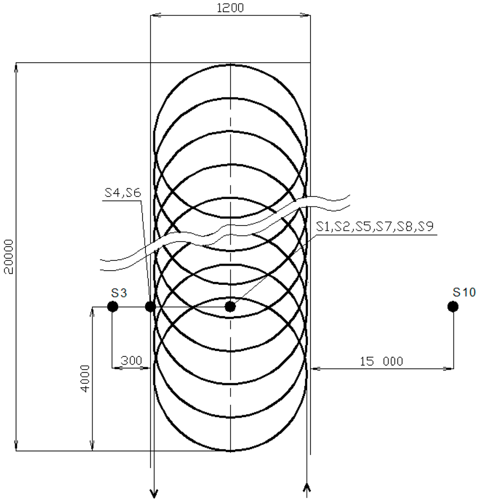
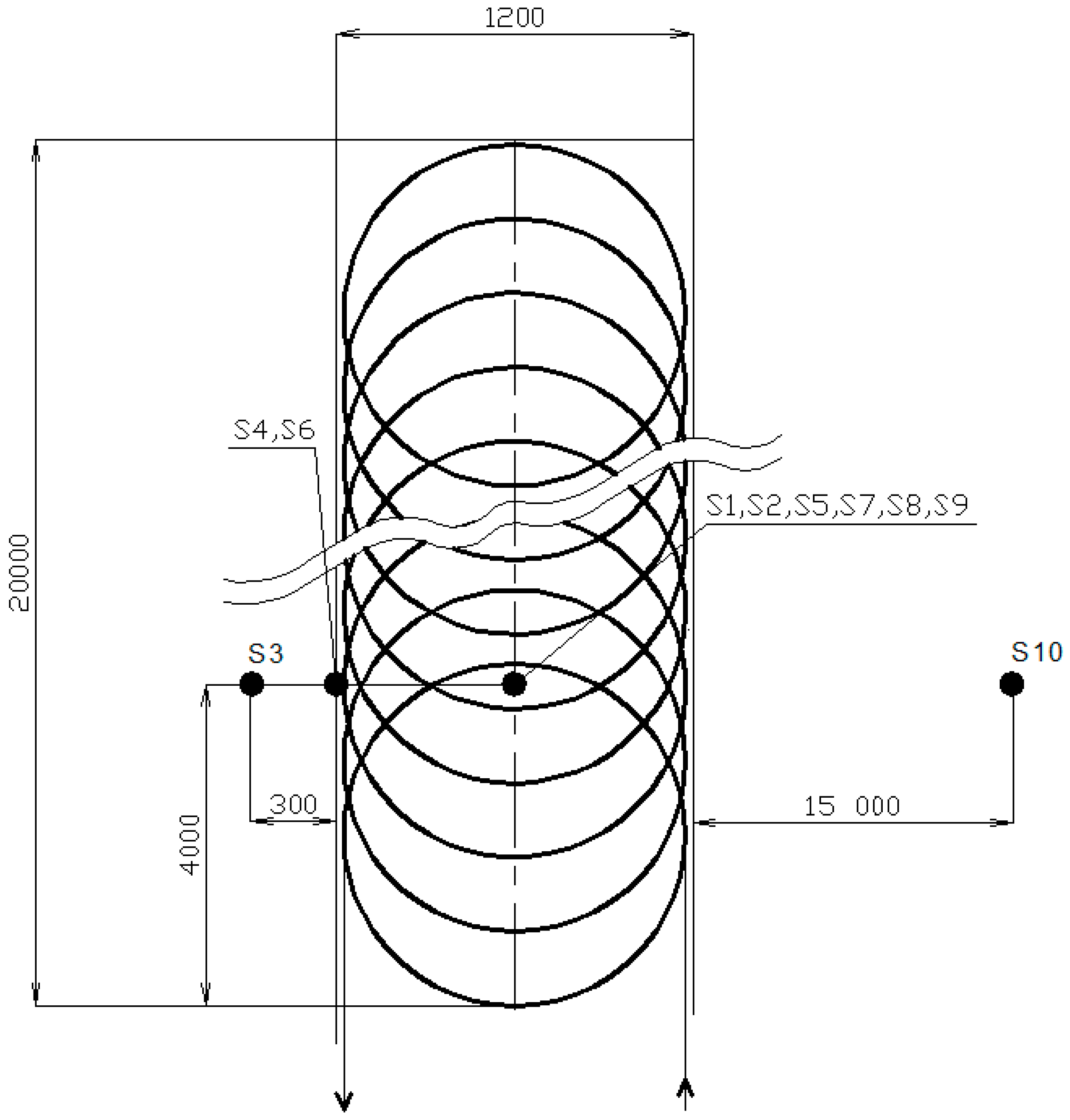
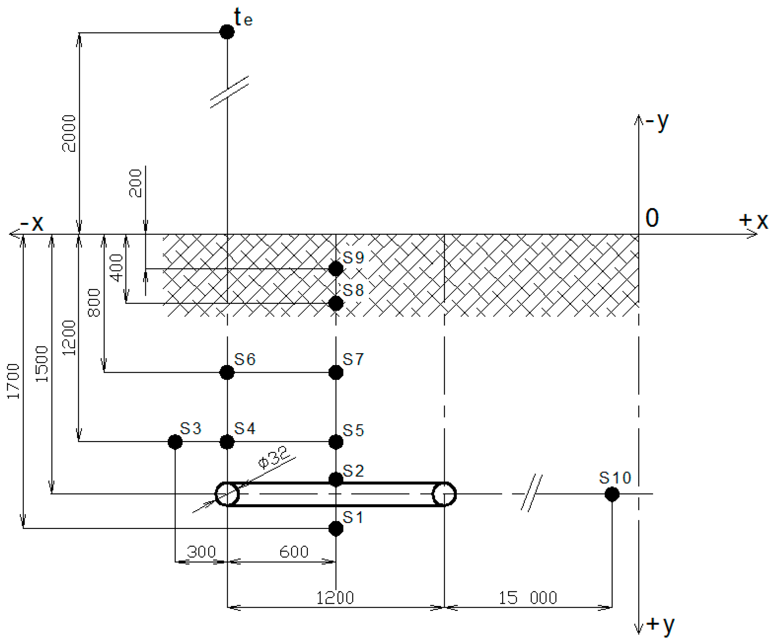
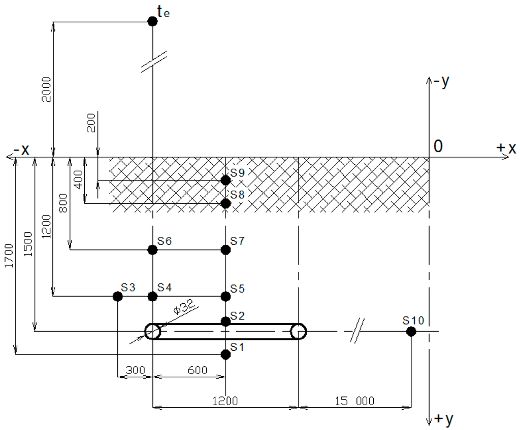
2.1. Measurement Methods
2.2. Method to Determine the Development of the Average Daily Temperatures
- = ground temperature (°C)
- = mean ground temperature (°C)
- = oscillation amplitude around the temperature (K)
- τ = number of days from the start of measurement (day)
- ϕ = initial phase of oscillation (rad)
- Ω = angular velocity (2π/365 rad/day)
3. Results and Discussion
3.1. Basic Ground Heat Parameters
3.2. Ground Temperatures During the Heating Season
3.3. Heat Flows and Specific Energies Extracted from the Ground
4. Conclusions
- The average daily ground temperature was primarily influenced by the ambient temperature te irrespective of the HGHE type. The average daily ground temperatures above the HGHEs during the heating season decreased toward the ground surface. Ground sensitivity to short-time ambient temperature changes has been noticed by Hepburn et al. [15], Popiel et al. [12], Inalli, Esen [5], and Zarrella and De Carli [17];
- The ground temperature near the HGHE was higher than ambient temperature te during 68.8% (linear HGHE) and 53.6% (Slinky-type HGHE) of the heating season. Ambient temperature was higher than the ground temperature particularly towards the end of the heating season. The importance of higher temperatures of a low-potential source for a heat pump has been pointed to by De Swardt, Meyer [11], as well as by Hepburn et al. [15];
- The average daily ground temperatures within the HGHE area were below zero only in the setting with the Slinky-type HGHE, and this was particularly toward the end of the heating season. Hypothesis a) formulated at the beginning of this paper was thereby confirmed;
- The average daily ground temperature within the HGHE area was 1.97 ± 0.77 K higher in the setting with the linear HGHE than in the setting with the Slinky-type HGHE. The minimum daily ground temperatures were also higher in the former setting than in the latter setting. Hypothesis b) was thereby confirmed;
- The reference average daily ground temperature beyond the HGHE area during the heating season was only 2.22 ± 1.23 K (linear HGHE) and 3.05 ± 1.41 K (Slinky-type HGHE) higher than that within the HGHE area. The differences between the reference ground temperatures and the temperatures within the HGHE areas are in accordance with the VDI recommendations [18];
- The specific energies extracted from the ground during a day of the heating season qd were higher by an average 239.91 ± 198.35 Wh/(m2·day) in the setting with the linear HGHE than in the setting with the Slinky-type HGHE. The specific energies extracted from the ground during the entire heating season were 110.15 kWh/m2 for the linear HGHE and 57.85 kWh/m2 for the Slinky-type HGHE. Hypothesis c) was thereby confirmed;
- The average specific thermal outputs qL extracted from the ground by the HGHE were 8.45 ± 16.57 W/m2 higher in the setting with the linear HGHE than in the setting with the Slinky-type HGHE. Hypothesis c) was thereby confirmed. Similar thermal output levels were reported by Wu et al. [20];
- Incident solar radiation plays an important role in the ground energy potential. The average incident solar radiation intensity during the heating season was Is.r. = 66.27 ± 55.35 W/m2. The total energies of solar radiation hitting the ground surface during the heating season were IΣd,s.r. = 350 kWh/m2. The data obtained by Hepburn et al. [15] and Wu et al. [19] were similar.
Author Contributions
Conflicts of Interest
Nomenclature
Abbreviations
| HGHE | Horizontal Ground Heat Exchanger |
| VGHE | Vertical Ground Heat Exchanger |
| GSHP | Ground Source Heat Pump |
| COP | coefficient of performance |
| EHPA | European Heat Pump Association |
| λ | thermal conductivity coefficient (/W/m·K) |
| C | specific heat capacity (MJ/m3·K) |
| a | temperature conductivity coefficient (m2/s) |
| t | temperature (°C) |
mean temperature (°C) | |
| w | volumetric moisture (%) |
| ΔtA | oscillation amplitude around the temperature (K) |
| τ | number of days from the start of measurement (day) |
| ϕ | initial phase of oscillation (rad) |
| Ω | angular velocity (2·π/365 rad/day) |
determination index (-) | |
| Is.r. | solar radiation intensity (W/m2) |
| q | specific thermal output (W/m2) |
| qd | specific energy (Wh/m2) |
Substript
| L | linear HGHE |
| S | Slinky-type HGHE |
| e | ambient air |
| G | ground |
| R | regression function |
| d | day |
References
- IPCC. Summary for Policy Makers, Climate Change 2014, Mitigation of Climate Change (2014). Available online: http://www.ipcc.ch/pdf/assessment-report/ar5/wg3/ipcc_wg3_ar5_summary-for-policymakers.pdf (accessed on 16 April 2016).
- Residential Energy Consumption Survey (2014) EIA. Available online: http://www.eia.gov/consumption/residential/ (accessed on 5 October 2015).
- Aste, N.; Adhikari, R.S.; Manfren, M. Cost optimal analysis of heat pump technology adoption in residential reference buildings. Renew. Energy 2013, 60, 615–624. [Google Scholar] [CrossRef]
- Nowak, T.; Jaganjacova, S. European Heat Pump Market and Statistics Report 2013, 1st ed.; European Heat Pump Association: Brussels, Belgium, 2014; p. 197. [Google Scholar]
- Inalli, M.; Esen, H. Experimental thermal performance evaluation of a horizontal ground-source heat pump systém. Appl. Therm. Eng. 2004, 24, 2219–2232. [Google Scholar] [CrossRef]
- Neuberger, P.; Adamovsky, R.; Seďova, M. Temperatures and Heat Flows in a Soil Enclosing a Slinky Horizontal Heat Exchanger. Energies 2014, 7, 972–978. [Google Scholar] [CrossRef]
- Adamovsky, D.; Neuberger, P.; Adamovsky, R. Changes in energy and temperature in the ground mass with horizontal heat exchangers—The energy source for heat pumps. Energy Build. 2015, 92, 107–115. [Google Scholar] [CrossRef]
- Kupiec, K.; Larwa, B.; Gwadera, M. Heat transfer in horizontal ground heat exchangers. Appl. Therm. Eng. 2015, 75, 270–276. [Google Scholar] [CrossRef]
- Brandl, H. Energy foundations and other therma-active ground structures. Géotechnique 2006, 56, 81–122. [Google Scholar] [CrossRef]
- Petit, P.J.; Meyer, J.P. Techno-economic analysis between the performances of heat source air conditioners in South Africa. Energy Convers. Manag. 1998, 39, 661–669. [Google Scholar] [CrossRef]
- De Swardt, C.A.; Meyer, J.P. A performance comparison between an air-coupled and a ground-coupled reversible heat pump. Int. J. Energy Res. 2001, 25, 810–899. [Google Scholar] [CrossRef]
- Popiel, C.; Wojtkowiak, J.; Biernacka, B. Measurements of temperature distribution in ground. Exp. Therm. Fluid Sci. 2001, 25, 301–309. [Google Scholar] [CrossRef]
- Wu, Y.; Gan, G.; Verhoef, A.; Vidale, P.L.; Gonzalez, R.G. Experimental measurement and numerical simulation of horizontal-coupled slinky ground source heat exchangers. Appl. Therm. Eng. 2010, 30, 2574–2583. [Google Scholar] [CrossRef]
- Gonzalez, R.G.; Verhoef, A.; Vidale, P.L.; Main, B.; Gan, G.; Wu, Y. Interactions between the physical soil environment and a horizontal groundcoupled heat pump, for a domestic site in the UK. Renew. Energy 2012, 44, 141–153. [Google Scholar] [CrossRef]
- Hepburn, B.D.P.; Sedighia, M.; Thomas, H.R.; Manju. Field-scale monitoring of a horizontal ground source heat system. Geothermics 2016, 61, 86–103. [Google Scholar] [CrossRef]
- Sanaye, S.; Niroomand, B. Horizontal ground coupled heat pump: Thermal-economic modeling and optimization. Energy Convers. Manag. 2010, 51, 2600–2612. [Google Scholar] [CrossRef]
- Zarrella, A.; de Carli, M. Heat transfer analysis of short helical borehole heat exchangers. Appl. Energy 2013, 102, 1477–1491. [Google Scholar] [CrossRef]
- VDI 4640–2:09–2001. Thermal Use of the Underground—Ground Source Heat Pump Systems; Verein Deutscher Ingenieure: Düsseldorf, Germany, 2001; p. 43.
- Leong, W.H.; Tarnawski, V.R.; Aittomaki, A. Effect of soil type and moisture content on ground heat pump performance. Int. J. Refrig. 1998, 21, 595–606. [Google Scholar] [CrossRef]
- Wu, W.; Wang, B.; You, T.; Shi, W.; Li, X. A potential solution for thermal imbalance of ground source heat pump systems in cold regions: Ground source absorption heat pump. Renew. Energy 2013, 59, 39–48. [Google Scholar] [CrossRef]
- Song, Y.; Yao, Y.; Na, W. Impacts of Soil and Pipe Thermal Conductivity on Performance of Horizontal Pipe in a Ground-source Heat Pump. In Proceedings of the Sixth International Conference for Enhanced Building Operations, Shenzhen, China, 6–9 November 2006.
- Banks, D. An Introduction to Thermogeology: Ground Source Heating and Cooling, 2nd ed.; John Wiley & Sons: Chichester, West Sussex, UK, 2012; pp. 332–344. [Google Scholar]
- Go, G.H.; Lee, S.R.; Nikhil, N.V.; Yoon, S. A new performance evaluation algorithm for horizontal GCHPs (ground coupled heat pump systems) that considers rainfall infiltration. Energy 2015, 83, 766–777. [Google Scholar] [CrossRef]
- IUSS Working Group WRB, 2006. World Reference Base for Soil Resources 2006, A Framework for International Classification, Correlation and Communication (World Soil Resources Reports No. 103. FAO), 1st ed.; FAO: Rome, Italy, 2006; p. 143. Available online: ftp://ftp.fao.org/agl/agll/docs/wsrr103e.pdf (accessed on 16 April 2016).
- Beer, F.P.; Johnston, E.R., Jr. Vector Mechanics for Engineers: Statics and Dynamics, 5th ed.; McGraw-Hill: New York, NY, USA, 1988; pp. 943–946. [Google Scholar]
- Bowerman, B.L.; O´Connell, R.T. Applied Statistics: Improving Business Processes, 1st ed.; Richard D. Irvin Inc.: Boston, MA, USA, 1997; pp. 712–723. [Google Scholar]









| Depth (m) | t (°C) | w (%) | λ (W/m·K) | C (MJ/m3·K) | a (m2/s) |
|---|---|---|---|---|---|
| 0.22 | 12.36 | 26.20 | 1.28 | 2.14 | 6.00 × 10−7 |
| 0.30 | 11.31 | 30.30 | 1.38 | 2.24 | 6.17 × 10−7 |
| 0.60 | 11.90 | 27.29 | 1.15 | 1.73 | 6.66 × 10−7 |
| 0.90 | 12.16 | 32.30 | 1.41 | 2.12 | 6.67 × 10−7 |
| 1.20 | 12.29 | 34.9 | 1.50 | 1.99 | 7.55 × 10−7 |
| 1.50 | 13.37 | 40.50 | 1.76 | 2.40 | 7.33 × 10−7 |
| 1.60 | 13.68 | 37.50 | 1.65 | 2.27 | 7.24 × 10−7 |
| Temp. (°C) | Average (°C) | Min. (°C) | Max. (°C) | ΔtA (K) | ϕ (rad) | (°C) | (-) |
|---|---|---|---|---|---|---|---|
| tLR1 | 8.04 ± 4.74 | 2.68 | 17.08 | 6.706 | 1.755 | 9.617 | 0.977 |
| tLR2 | 7.08 ± 4.76 | 2.00 | 17.14 | 7.207 | 1.922 | 9.290 | 0.978 |
| tLR3 | 7.23 ± 4.78 | 1.26 | 18.01 | 7.312 | 1.948 | 9.551 | 0.972 |
| tLR5 | 6.55 ± 4.57 | 1.61 | 17.43 | 7.429 | 2.085 | 9.290 | 0.950 |
| tLR7 | 6.06 ± 4.20 | 1.71 | 17.33 | 7.243 | 2.225 | 9.057 | 0.903 |
| tLR8 | 5.94 ± 4.39 | 0.66 | 17.32 | 7.627 | 2.238 | 9.126 | 0.904 |
| tLR9 | 5.86 ± 4.55 | 0.72 | 17.29 | 8.024 | 2.302 | 9.355 | 0.855 |
| tLR11 | 9.30 ± 3.74 | 5.23 | 16.74 | 5.337 | 1.772 | 10.591 | 0.984 |
| Temp. (°C) | Average (°C) | Min. (°C) | Max. (°C) | ΔtA (K) | ϕ (rad) | (°C) | (-) |
|---|---|---|---|---|---|---|---|
| tSR1 | 5.64 ± 4.76 | 0.84 | 16.51 | 7.397 | 1.987 | 8.096 | 0.969 |
| tSR2 | 5.11 ± 4.94 | −0.19 | 16.54 | 7.736 | 2.022 | 7.783 | 0.946 |
| tSR3 | 5.64 ± 4.82 | 0.99 | 16.71 | 7.788 | 2.057 | 8.435 | 0.969 |
| tSR4 | 5.17 ± 4.92 | 0.36 | 17.08 | 8.095 | 2.096 | 8.187 | 0.961 |
| tSR5 | 5.10 ± 4.95 | 0.13 | 17.16 | 8.110 | 2.091 | 8.108 | 0.958 |
| tSR6 | 5.23 ± 4.75 | 0.60 | 17.03 | 8.034 | 2.154 | 8.374 | 0.949 |
| tSR8 | 4.96 ± 4.57 | 0.41 | 16.91 | 8.198 | 2.285 | 8.493 | 0.905 |
| tSR9 | 4.71 ± 4.51 | 0.31 | 16.80 | 8.421 | 2.376 | 8.531 | 0.804 |
| tSR10 | 8.16 ± 4.05 | 3.87 | 16.51 | 5.947 | 1.845 | 9.790 | 0.983 |
| Physical Quantity | Min. | Average | Max. |
|---|---|---|---|
| te (°C) | −9.15 | 5.44 ± 5.57 | 19.99 |
| qL (W/m2) | 1.36 | 38.49 ± 19.74 | 84.17 |
| qS (W/m2) | 0.00 | 30.08 ± 18.47 | 76.21 |
| qd,L (kWh/m2·day) | 2.22 | 0.51 ± 0.33 | 1.66 |
| qd,S (kWh/m2·day) | 0.00 | 0.27 ± 0.20 | 1.09 |
| Is.r. (W/m2) | 3.52 | 66.27 ± 55.35 | 270.29 |
| Id,s.r. (kWh/m2·day) | 0.085 | 1.61 ± 1.35 | 6.49 |
© 2016 by the authors; licensee MDPI, Basel, Switzerland. This article is an open access article distributed under the terms and conditions of the Creative Commons Attribution (CC-BY) license (http://creativecommons.org/licenses/by/4.0/).
Share and Cite
Pauli, P.; Neuberger, P.; Adamovský, R. Monitoring and Analysing Changes in Temperature and Energy in the Ground with Installed Horizontal Ground Heat Exchangers. Energies 2016, 9, 555. https://doi.org/10.3390/en9080555
Pauli P, Neuberger P, Adamovský R. Monitoring and Analysing Changes in Temperature and Energy in the Ground with Installed Horizontal Ground Heat Exchangers. Energies. 2016; 9(8):555. https://doi.org/10.3390/en9080555
Chicago/Turabian StylePauli, Pavel, Pavel Neuberger, and Radomír Adamovský. 2016. "Monitoring and Analysing Changes in Temperature and Energy in the Ground with Installed Horizontal Ground Heat Exchangers" Energies 9, no. 8: 555. https://doi.org/10.3390/en9080555
APA StylePauli, P., Neuberger, P., & Adamovský, R. (2016). Monitoring and Analysing Changes in Temperature and Energy in the Ground with Installed Horizontal Ground Heat Exchangers. Energies, 9(8), 555. https://doi.org/10.3390/en9080555
