Next Article in Journal
Diagnosis of Stator Inter-Turn Short Circuit Faults in Synchronous Machines Based on SFRA and MTST
Previous Article in Journal
Silicon Carbide Converter Design: A Review
 
 
Font Type:
Arial Georgia Verdana
Font Size:
Aa Aa Aa
Line Spacing:
Column Width:
Background:
Article

Optimal Adjustment of Reactive Power in Transmission Systems by Variation of Taps in Static Elements Using the Mean-Variance Mapping Optimization Algorithm

by
Diego Cevallos
1,†,
Carlos Barrera-Singaña
1,*,† and
Hugo Arcos
2
1
Department of Electrical Engineering, Universidad Politécnica Salesiana, Quito EC170702, Ecuador
2
Faculty of Electrical Engineering, Escuela Politécnica Nacional, Quito EC170525, Ecuador
*
Author to whom correspondence should be addressed.
These authors contributed equally to this work.
Energies 2025, 18(8), 2141; https://doi.org/10.3390/en18082141
Submission received: 11 March 2025 / Revised: 9 April 2025 / Accepted: 15 April 2025 / Published: 21 April 2025
(This article belongs to the Section F: Electrical Engineering)

Abstract

This work focuses on the problem of optimal reactive power adjustment (ORPA) in electric power systems (EPSs) by implementing the Mean-Variance Mapping Algorithm (MVMO) focusing on the control of static devices such as taps in transformers and static capacitor banks. The study focuses on IEEE test systems of 39 and 118 buses using MATLAB R2024b together with the MATPOWER toolbox. The main novelty lies in the application of the MVMO algorithm to solve the ORPA problem considering only static control elements, which allows an efficient and practical solution with lower computational complexity; through statistical analysis, the performance of each of the algorithms was evaluated where it was experimentally shown that MVMO presents a better performance in terms of reducing active power losses and improving voltage profiles compared to the PSO algorithm.

1. Introduction

In modern EPSs, reactive power compensation is crucial for maintaining voltage stability and reducing energy losses. The power transformers that play a crucial role in both voltage regulation and the stability of the electrical system, as described in [1], OLTCs, allow dynamic adjustments to the transformation ratio, thus achieving an improvement in operational efficiency and thereby reducing power losses, which is why the implementation of optimization strategies such as those based on advanced heuristics have proven to be an effective tool to determine the optimal configurations that minimize costs and also improve the reliability of the EPS, which is why the algorithm proposed in this research is responsible for solving these adjustments, optimizing the performance of the system.
An effective method to improve ORPA management uses the matrix superposition theorem, which facilitates the modeling of electrical interactions between nodes and optimizes the distribution of reactive power both locally and globally [2]. This type of coordinated control helps reduce unnecessary operations on compensation devices, maintains voltages within safe limits and minimizes the risk of overcompensation and frequency of equipment switching.
Voltage and reactive power control have been extensively studied. For example, in [3], the local voltage-control characteristics using shunt capacitors are analyzed as a cost effective option to regulate the magnitude of the voltage. In [4], an optimal online method for capacitor distribution is proposed, while in [5] local area capacitor-control rules are established to reduce response times. Furthermore, in [6], an optimal voltage and reactive power-control problem is posed in a radial network, addressing the coordinated operation of the shunt capacitor banks and the tap changers in substations and feeders. As power systems grow in capacity and complexity, the ORPA faces the need to combine centralized and dispersed control strategies to counteract the limitations of both approaches [3,4,5,6].
Voltage stability and disturbance anticipation through strategies such as load shedding and the use of static VAR compensators (SVCs) have also been evaluated in [7]. In this context, several advanced algorithms, including genetic algorithms, PSO and more recently the MVMO algorithm, have been employed to efficiently adjust reactive power, achieving optimal solutions that minimize power losses and reduce device-adjustment costs [8,9]. In ORPA, central objectives include reducing active power losses and optimizing the voltage profile, using multi-objective strategies that balance system security and economic efficiency [10,11]. The selection of algorithms for ORPA is a constant challenge since traditional optimization methods, such as the linear and nonlinear techniques mentioned in [12], compete with other methods based on artificial intelligence (AI), including genetic algorithms, tabu search and the PSO algorithm [13].
The MVMO has established itself as a prominent resource to address the ORPA, thus improving the efficiency in the distribution of reactive power and thereby also reducing energy losses as mentioned in [14]. This implementation significantly reduces power losses in EPSs and maintains voltage levels within the optimal parameters.
In reference [15], the minimization of active power losses in a hybrid energy system in the islands of Santa Cruz and Baltra located in the country of Ecuador, specifically the Galapagos Islands, is addressed through the implementation of optimization algorithms including the PSO and its modified variant. This study demonstrates the effectiveness of the PSO in solving nonlinear and mixed problems, optimizing control elements such as automatic voltage regulators (AVRs), tap positions in transformers and capacitor banks. This research demonstrates how loss reduction contributes not only to the operational efficiency of the electrical system but also to a positive impact by reducing fossil fuel consumption. This study is relevant for energy systems that combine conventional and renewable sources, which is why it has similarities with ORPA using metaheuristic algorithms such as MVMO and PSO.
On the other hand, in reference [16] the application of metaheuristic algorithms such as PSO and MVMO is also explored to optimize certain operating parameters of the system, such as voltage, active power and reactive power, that the controllers must maintain or reach in HVDC networks. In this study, the algorithms were implemented in a test system using specialized software to model and analyze the network. The results show that these techniques are effective in reducing active power losses in HVDC networks, achieving a decrease of approximately 6.35 % with regard to initial losses. This study demonstrates that optimizing the voltage profile is key to improving the operational efficiency of the EPS, similar to the objectives set out in this work.
In [17], the problem of optimal reactive power dispatch is addressed by integrating renewable sources such as wind turbines together with FACTS devices, specifically SVCs. The test systems used for this research are the IEEE 9 and 57 bus system; the work demonstrates how the coordinated participation of wind farms and SVCs in terms of voltage and reactive power control significantly reduces active power losses, especially in networks with long-distance transmission lines. Thus, the importance of automatic control strategies to improve system reliability and operational efficiency is revealed.
In [6], multi-objective optimization in distribution networks is presented through the control known as Volt-VAR. An algorithm based on the optimal location of the capacitor bank is proposed, focusing mainly on minimizing active power losses and investment costs. This study is developed in the IEEE 39-bus system as a test model. The research demonstrates how the optimal installation of reactive compensation devices significantly improves voltage profiles and energy efficiency, reducing losses and increasing reliability.
In reference [18], a mathematical model is presented for the optimal dispatch of reactive power, where operational restrictions are integrated over time to limit maneuvers in transformer taps and capacitor banks in order to preserve their useful life. The methodology uses the MVMO optimization metaheuristic and is validated in terms of its performance in the IEEE 30-bus system. The results of this research highlight an improvement in the management of reactive power and voltage profiles, along with a significant reduction in active power losses and the maneuvers of the control devices.
Finally, in [19] MVMO proves to be superior to PSO and other optimization methods in both optimal reactive power control (ORPC) and ORPA due to its convergence, stability and greater efficiency in reducing active power losses. Unlike other methods such as PSO, MVMO avoids falling into local minima, thereby ensuring a more effective search for the global optimum. It also achieves better voltage regulation, allowing voltage levels to be maintained within their operating limits, thereby reducing EPS operating costs. Its ability to explore and exploit solutions in a balanced manner allows it to obtain more consistent and robust results in different test systems where other methods may fail in specific scenarios, as mentioned in [19]. Compared to PSO, GA and DE, MVMO not only finds better quality solutions, but also achieves them more efficiently, making it a more reliable option for ORPA in both distribution and transmission networks, as corroborated by this study.
In this sense, it can be said that the optimization problems in this research are approached as single-objective problems, given that the main proposal is the ORPA. This adjustment seeks to minimize losses in transmission lines and improve voltage profiles. To solve this optimization model, the MVMO algorithm is used, which has proven to be particularly effective in this type of problem, unlike other approaches such as those discussed in previous references. The results obtained were developed using the MATLAB environment, version R2024B.

2. Reactive Power Dispatch

Reactive power dispatch in power systems is usually carried out with the aim of minimizing or reducing active power losses in transmission lines [20], while other approaches suggest minimizing generation costs [21,22], linking this reduction with the optimal allocation of reactive power with respect to generating units.

2.1. Loss Minimization

Incorporation of capacitor banks in transmission or distribution networks is considered a key strategy to improve the efficiency of the electrical system, as it allows the reduction of power losses and optimization of voltage levels. Several studies have shown that the use of optimization algorithms such as PSO facilitates the determination of the appropriate location and size of the capacitor bank, maximizing the impact on the reactive power compensation required by the network. With this, in reference [23], it is possible to identify optimal configurations that minimize the flow of unnecessary reactive power, thus reducing overload on power transformers and improving system stability.
The power losses on the transmission lines are analyzed from the π model, shown in Figure 1, where the apparent power transmitted from node i to node j is determined by Equation (1).
S i j = V i · I i j *
From this equation, it can be deduced that the active power P ( i j ) (real part of apparent power) can be determined using Equation (2):
P i j = V i 2 G i j V i V j G i j cos ( δ i j ) V i V j B i j sin ( δ i j )
Similarly, the active power flowing from node j to node i, P ( j i ) is obtained using (3):
P j i = V i 2 G i j V i V j G i j cos ( δ i j ) V i V j B i j sin ( δ i j )
where:
  • P i j active power flowing from node i to node j;
  • P j i active power flowing from node j to node i;
  • G i j is the conductance of the line;
  • B i j is the susceptance of the line;
  • δ i j is the phase angle difference between the nodes i and j;
  • δ j i is the phase angle difference between the nodes j and i;
  • V j is the voltage at the node j.
By performing a power balance at node i, we have (4). The same analysis can be performed at node j, and through mathematical operations, we derive (5). This represents the objective function to be minimized and can be expressed for the entire EPS as (6).
P l o s s i j = P i j + P j i
P l o s s i j = G i j V i 2 + V j 2 2 V i V j cos ( δ i j )
min P l o s s = i = 1 N B j = 1 N B G i j V i 2 + V j 2 2 V i V j cos ( δ i j )
Figure 1. π model of a transmission line.
Figure 1. π model of a transmission line.
Energies 18 02141 g001

2.2. Constraints

In order to find an optimal solution for the loss minimization cases, it is important to limit the problem by using equality constraints, which correspond to the active and reactive power balances (7) and (8), as well as the constraints corresponding to the operating limits of both the active and reactive power that is delivered by the different generators (9) and (10). Additionally, voltage magnitude limits (11), voltage angle (12) and transmission line load capacity (13) must be considered. Finally, Equations (14) and (15) are responsible for modeling the tap changer adjustments in the transformers and the static compensators, respectively.
P G i P D i = i = 1 N B V i 2 G i j + V i V j G i j cos ( δ i j ) + B i j sin ( δ i j )
Q G i Q D i = i = 1 N B V i 2 B i j V i V j G i j sin ( δ i j ) B i j cos ( δ i j )
P G i m i n P G i P G i m a x
Q G i m i n Q G i Q G i m a x
V i min V i V i max
δ i min δ i δ i max
S I L S i j S I L
T k min T k T k max , k ( n , m ) , T ε
Q c j min Q c j Q c j max , j n , Q c ς
where:
  • N B total number of bars or nodes in the system;
  • P G i power generated at node i;
  • P D i power demanded at node i;
  • Q G i reactive power generated at node i;
  • Q D i reactive power demanded at node i;
  • S I L limit of the apparent power flow on the line, defined by the line capacity;
  • T k min T k T k max maximum and minimum limits of the transformer tap k;
  • Q c j min Q c j Q c j max limits of the reactive power injected by compensator j at node n.

3. Problem Formulation

Efficient ORPA management is a fundamental key to ensure voltage stability and minimize energy losses. These modern EPSs have highly interconnected networks and variable demands that face increasing challenges in the efficient operation of devices such as tap changers in both transformers and static compensators. Improper adjustment of these devices can increase active power losses, unbalance voltage levels and negatively impact system reliability.
The main objective of this study is to minimize active power losses, optimize voltage profiles, and determine the appropriate level of reactive power that the system requires, so it can be said that the variables for the present optimization problem are y = { T k , T ε , Q c j , Q ς } .
Considering all of them as discrete variables, the decision variables include the tap positions in the transformers and the reactive compensation values of the static compensators. Both have been restricted to 20 discrete positions ranging from −9 to 10. These variables work in a coordinated manner to adjust the system configurations and achieve the optimal operating state.
Therefore, the objective function to be considered in the problem corresponds to the active power losses in the transmission lines. This objective function is delimited by constraints that keep the electrical system stable, such as the balance of active and reactive power, the minimum and maximum limits of active and reactive power delivered through the generators and the voltage magnitude, angle and load capacity of the transmission lines. For the minimum and maximum limits of voltage magnitude, a range of 0.9 to 1.1 pu is considered.
To validate the proposed methodology, the IEEE test system of 39 and 118 buses will be used, considering two experimental case studies taken from references [2,6,24]. In these cases, the optimal sizing and location of the compensators for these systems is carried out. The designed algorithms have the capacity to evaluate any power system, considering the two main decision and control variables mentioned in Equations (14) and (15).
The experimental studies used compensations of 5 and 12 Mvar for the 39-bus IEEE system, and 14.4 Mvar for the 118-bus IEEE system, in accordance with the previously mentioned references. These selections are based on previous studies that have determined these values to be adequate for the specific conditions of each system. However, it is important to highlight that the developed algorithms are designed to adapt to any experimental scenario, allowing for the optimization of different configurations according to the study requirements.

3.1. MVMO Algorithm

In 2010, researcher István Erlich introduced and perfected the MVMO algorithm, which is classified as a population-based stochastic optimization technique. This algorithm uses the principles of selection, mutation and finally crossover to find optimal solutions. However, it differs from other methods by applying a strategic transformation that focuses on calculating the mean and variance of the best dynamic population recorded up to that point.
According to Erlich, for the MVMO to work properly, several key steps must be followed. First, an initialization and normalization are performed, defining the size of the dynamic population and adjusting the optimization variables to a normalized range between 0 and 1, necessary for the evaluation. These variables are reconfigured during each iteration to adapt to changes in the population. The dynamic population of the MVMO algorithm is composed of the best individuals, for whom the mean and variance are calculated for each dimension. This allows the algorithm to adjust all its search parameters as the population values evolve, promoting a dynamic search that adjusts the exploration and exploitation based on the population size.
Certain variables of the solution are then selected to be subjected to a so-called “mutation” using a transformation function that takes into account the mean and variance of the population as a whole. This function is known as the mapping function, which ensures that the generated solutions remain in the range from [0, 1], thus adjusting the search intensity close to the mean values and concentrating the focus on promising areas of the solution space.
The algorithm terminates upon reaching a specified number of iterations, 350 for the IEEE 39-bus study and 550 for the IEEE 118-bus study, or upon reaching the desired fitness level. Furthermore, if no significant improvements are observed after several iterations, the algorithm stops. The MVMO algorithm has proven to be very effective in standard tests, finding solutions close to the optimum with ease of implementation. This makes it a very promising option for optimization problems in real-world situations, such as the ORPA problem [3,25].
MVMO represents a very innovative optimization methodology that can be applied to EPS analysis, whose main distinction lies in its mapping function mentioned above; this method is based on the mutation of descendants together with the integration of the mean and variance of the best individuals of a population of n elements [9,25].
It can be said that one of the particularities of MVMO compared to other optimization methods lies in the restriction of the search range for all variables, which are limited between 0 and 1, a condition required in the mapping function. However, the objective function is always evaluated with real values, such as the permissible limits in the system voltage. Unlike the PSO method, MVMO works on a single solution in each iteration, and its update is achieved through a knowledge base, also known as adaptive memory, which stores and uses information from previous iterations to identify the most optimal solution within the search space [4,26].
It can also be said that one of the unique features of MVMO is its focus on the global search space with special attention on the best individual solutions according to their fitness as mentioned in [4,9,25,26].
To better understand the aforementioned terms, Figure 2 and Figure 3 provide a visual representation that facilitates understanding of both concepts. They show how exploration and exploitation are performed within the search space, with the goal of finding the best overall solution at each stage of the process.
The MVMO flowchart, illustrated in Figure 4, begins with an initialization stage, followed by iterations in which the fitness function is evaluated. In this final phase, new potential solutions are generated. The termination criterion is similar to that of the PSO algorithm [4].
The process to identify the optimal solution so far employs Equations (16)–(18), which calculate the mean, variance and shape factor, respectively [4].
x ¯ i = 1 n j = 1 n x i ( j )
v i = 1 n j = 1 n ( x i ( j ) x ¯ i ) 2
S i = ln ( v i ) × f s
where:
  • x ¯ i = Mean of the n-best in the evaluation of algorithm i;
  • n = Population size;
  • v i = Variance of the n-best in the evaluation of algorithm i;
  • S i = Shape factor;
  • f s = Scaling factor.
0.9 f s 1.0

3.2. Calculation of the Adaptive Function

Once the population is defined, the power flow is simulated, respecting as input parameter the values assigned to each generator according to a previously defined economic dispatch. Then the adaptive function, F i ( x , y ) , is calculated, which considers the losses of the electrical system, the objective function f i ( x , y ) and the penalties k c f c ( z ) that arise due to the violation of the estimated restrictions (9)–(15). The adaptive function is presented in (19).
F i ( x , y ) : = f i ( x , y ) + c Z k c f c ( z )
It should be noted that penalties are activated as defined in (20)
f c ( z ) = 0 , if z min z z max ( z z max ) 2 , if z > z max ( z min z ) 2 , if z < z min
Table 1 presented below describes the method used in this work for the ORPA in an EPS using the MVMO algorithm; the main objective is to minimize the active power losses by optimally adjusting the transformer taps together with the static capacitors while respecting the operational restrictions of the system, such as the voltage, power and capacity limits of the generators.
The process begins by defining the system variables and initial parameters, including operating limits and power flow data. Initial values are assigned to the decision variables, and a power flow analysis is performed to calculate initial losses. At the core of the algorithm, a population of solutions is generated, and their quality is assessed by calculating losses and verifying compliance with assigned constraints. Using mean-variance mapping, the solutions are adjusted toward optimal values at each iteration, with a finite number of iterations.
Finally, the best results, such as tap and capacitor settings that minimize losses, are stored and exported, allowing a detailed analysis of system performance.

4. Illustrative Example and Case Study

To evaluate the effectiveness of the PSO and MVMO algorithms proposed in this article, various simulations were implemented using MATLAB R2024b software on a DELL laptop with an Intel Core i7 8550U 8-core processor at 2.00 GHz and 8 GB of RAM.

4.1. IEEE 39-Bus Test System

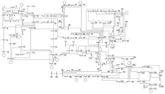
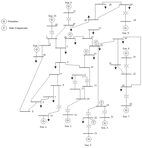
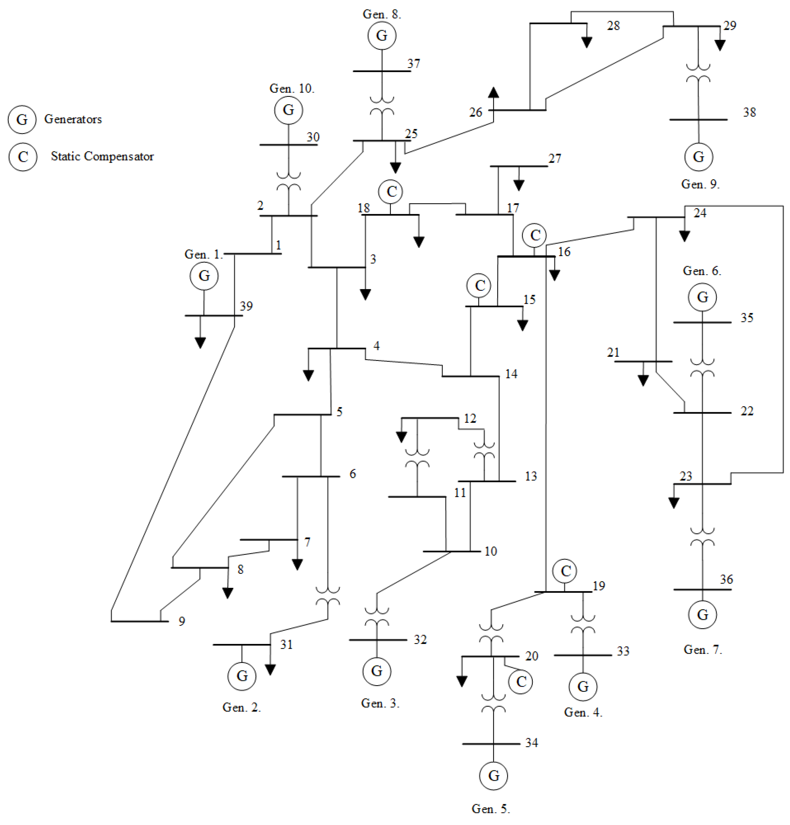
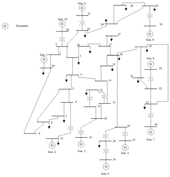
Before the practical application of the model described in the previous section, the effectiveness of the modified MVMO and PSO is validated using the IEEE 39-bus test system. Figure 5 shows the single-line diagram of the IEEE 39-bus test system, which consists of 10 generator units, 12 transformers, 46 branches and 19 loads. In addition, its technical data are shown in Appendix A.

4.2. IEEE 118-Bus Test System

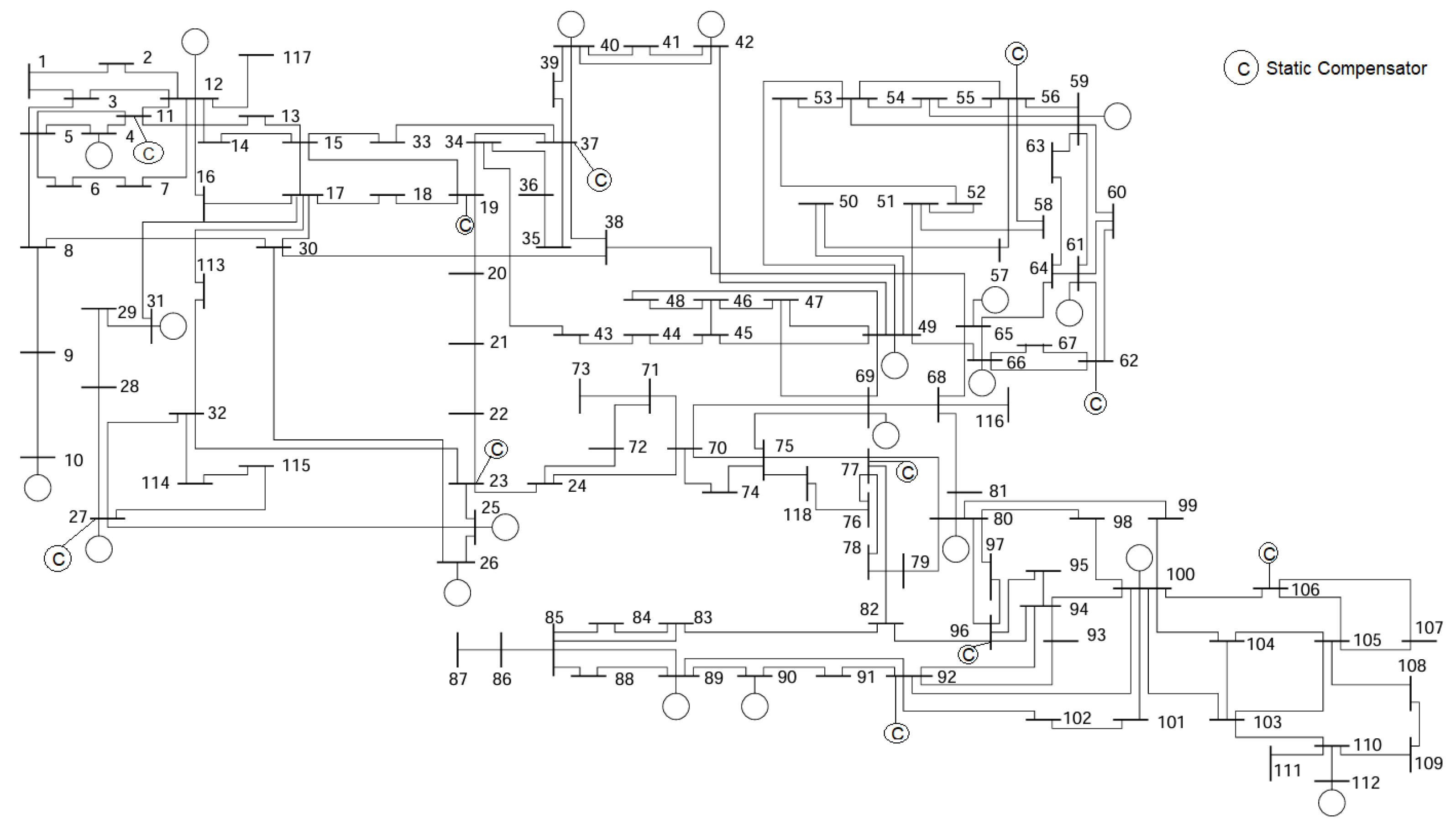
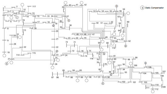
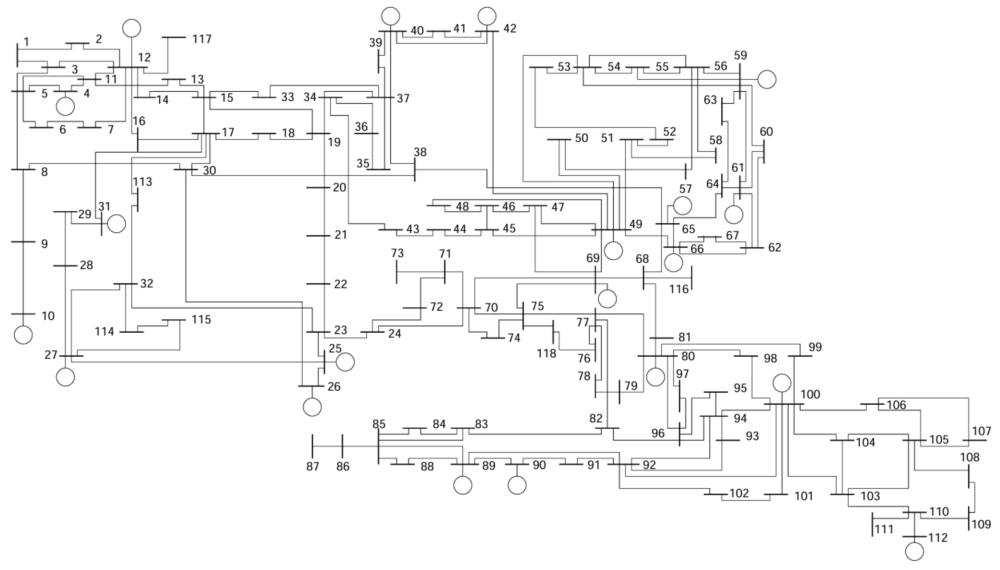
Figure 6 shows the single-line diagram of the IEEE 118-bus test system consisting of 19 generators, 35 generators, 177 transmission lines, 9 transformers and 91 loads.
The MVMO algorithm was configured with a population of 10 particles, while for the 118-bus system it was configured with a population of 20 particles, since, being a much more robust system, a greater number of particles is required; there was a maximum of 350 iterations for the 39-bus system, while for the 118-bus system a maximum of 118 buses was established along with a normalized range of [0, 1] for the control variables. This configuration allows a more dynamic exploration of the search space by the mapping function, optimizing the best individual solutions.
For the MVMO algorithm, a range was set such that 0.9 f s 1 , where the scaling factor (fs) is increased in each iteration to achieve more gradual control. This also allows the shape factor (Si) to vary in each iteration, reducing the risk of stagnation at extreme values and facilitating the attainment of optimal solutions.
On the other hand, the PSO algorithm was configured with parameters c 1 = c 2 = 2 and w max = 0.9 and w min = 0.5 .
The control variables encompass the positions of the transformer taps and the static compensator taps, each constrained to 20 discrete steps as previously described. The restrictions considered are the following.
  • Active and reactive power balance;
  • Voltage limits on the buses;
  • Maximum capacity of the control devices.
Figure 7 presents experimental study 1 for the IEEE 39-bus system with the distribution of compensator locations, while Figure 8 shows experimental study 2 for the IEEE 118-bus system with the distribution of compensators in the test system.

5. Analysis of Results

5.1. Experimental Study 1

For the first experimental case study, the implementation of 5 and 12 Mvar, respectively, was considered, as indicated in references [2,6,24]. As previously explained, the developed algorithms are designed to operate with any electrical power system since they are based on two key parameters which were described in Equations (14) and (15), namely the transformer taps and the static compensators, respectively. As is known, the main objective is to achieve a precise adjustment of the reactive power of the system in order to minimize active power losses.
For this specific case, a total of 17 control variables are considered, 12 of which correspond to the transformer taps and 5 to the static compensators. It should be noted that all of these variables are managed discretely.

5.1.1. Reactive Compensation for 5 Mvar

In this study, as indicated in Figure 9, the results of the power losses obtained using the PSO and MVMO algorithms are presented. As observed, both algorithms converge around the first 150 iterations. On the one hand, the PSO algorithm starts with smaller losses compared to the MVMO; however, it is observed that MVMO manages to reduce them 1.29 % more than PSO. This behavior is explained by the particular characteristics of each algorithm mentioned in Section 4.
Furthermore, it can be seen in Figure 9 that different tests were carried out with both algorithms where different simulations were run, preserving the initial parameters in order to evaluate the results of each of them. In the upper right part, the comparison of the active power losses was obtained, where the MVMO algorithm presents a lower dispersion and a lower median, indicating greater consistency and lower average losses, while PSO presents greater variability and a much higher median, indicating that the loss values fluctuate more.
In the lower left corner, the distribution of power losses is indicated, where you can see the frequency with which certain loss values were obtained for each method. It can clearly be seen that PSO has a much more dispersed distribution, which means that sometimes it obtains good solutions, but it also presents higher loss values, and in contrast, MVMO has a greater concentration of values in a reduced range.
Finally, the probability density of power losses is shown in the lower right corner, where it can be seen that the highest concentration of values with respect to losses using the MVMO method has a high peak of 42.5 MW, thus highlighting that MVMO is more efficient and consistent in reducing losses.
In Table 2, it can be observed that the MVMO requires a slightly longer time than the PSO to complete all its iterations with a difference of approximately 23 s; however, as shown in Figure 9, the PSO converges much more quickly, reaching loss levels slightly lower than the MVMO with a difference of 0.55084 MW.
Figure 10 shows the voltage levels obtained for both the system without any compensation and the implementation of the PSO and MVMO methods, respectively. It can be seen that the MVMO method obtained better results in terms of voltage profile. This method tends to raise voltages more compared to PSO and the base case. Furthermore, it presents fewer sudden drops, suggesting that optimization with MVMO may be achieving better control of the voltages in the system.
The discrete positions provided by the algorithm for both methods, for transformers and compensators, are shown in Table 3 and Table 4.

5.1.2. Reactive Compensation of 12 Mvar

For this experimental study, the placement of capacitor banks with a power of 12 Mvar is suggested.
In Figure 11, the power losses obtained in this study can be seen in the upper left corner, where it is confirmed that on the one hand, PSO manages to achieve an ideal result in a few iterations, while MVMO, as it progresses in each iteration, reaches very similar results to PSO, but in a much more gradual manner, converging around iteration number 320.
By performing different simulations in order to analyze the behavior of each of the algorithms, a statistical distribution of the losses obtained by both methods was obtained, where PSO has a smaller dispersion and much higher values in terms of loss reduction, indicating less variability, but higher losses, and MVMO has a wider distribution and a lower central value, resulting in a greater reduction in power losses. The frequency of loss values for both methods is represented at the bottom left, and the probability density estimate of the losses is shown at the bottom right.
Table 5 shows the execution times of each algorithm along with the power loss values, respectively.
Figure 12 shows the different voltage levels obtained by both methods, including the base study where no compensation was performed. It can be seen that MVMO obtained better values in all nodes of the system.
Below, in Table 6 and Table 7, the positions of the transformer and compensator taps for PSO and MVMO are indicated, respectively.

5.2. Experimental Study 2

For the second experimental case study, it was decided to evaluate the behavior of both algorithms in a much larger and more robust system, in this case the IEEE system of 118 buses where the implementation of 14.4 Mvar was considered as indicated in reference [24]. For this case, a total of 20 control variables are considered, of which 9 correspond to the transformer taps and 11 to the static compensators as indicated in Figure 13; in the same way as the previous study, all of these are discrete variables.
Figure 13 shows the power losses obtained by both methods, where it can be seen that both methods converge in the first 300 iterations. In this case, the use of 20 particles was implemented since, being a much larger system, the algorithm needs a larger population to obtain a better solution at the expense of greater computational consumption as indicated below in Table 8. By subjecting this system to several test simulations while maintaining the same parameters, a power loss distribution located in the upper right part was obtained, demonstrating that MVMO has a lower dispersion and a lower average loss value compared to PSO, while PSO presents greater variability, with extreme values that suggest that it may produce less consistent solutions. Furthermore, MVMO has a more concentrated distribution with a peak around 131.8 MW and PSO has a more dispersed distribution, which reinforces the observation that it is less involved in the search for the optimum, so the data analyzed in this study suggest that MVMO has an advantage compared to PSO in solving this type of problem in power systems.
As mentioned above, increasing the number of particles to solve these types of larger scale problems also increases the computational cost. Therefore, when addressing larger systems, the execution time tends to increase proportionally. However, this time also depends greatly on the equipment and hardware used. Table 8 below presents the execution times obtained in this experimental study.
Figure 14 shows the voltage levels obtained in this study, which demonstrate better compensation with the MVMO method compared to the PSO method. Furthermore, it is noteworthy that both methods meet the limits established in Equation (11).
Figure 14 shows the voltage results for the base case, PSO and MVMO methods, respectively.
Table 9 and Table 10 show the results of the tap positions in the transformers as well as the value of the capacitor bank.

6. Conclusions

This experimental study analyzed the impact of implementing tap changers on transformers and static compensators in IEEE test systems with 39 and 118 busbars. To this end, the MVMO and PSO algorithms were used within the ORPA framework. The main conclusions of the study are presented below:
The results obtained demonstrate that both optimization methods, MVMO and PSO, are effective in optimizing reactive power adjustment in power systems. However, MVMO demonstrated superior performance by exploring a more diverse set of solutions, adjusting tap and compensator positions over a wider range, as evidenced in the tables above.
The combination of compensator taps and transformer taps proved to be a valid and efficient strategy for reducing active power losses and improving system stability. Further exploration of the MVMO algorithm allowed for more precise tap adjustments, while PSO achieved faster convergence to optimal solutions. In both cases, the results demonstrate that their contributions are technically and operationally justified.
Through the experimental studies obtained, it can be stated that the MVMO algorithm shows outstanding performance in solving the ORPA, especially when compared to the PSO method; this superior performance is demonstrated through the evaluated test systems such as the 39-bus and 118-bus IEEE systems. First, MVMO achieved a more efficient reduction in active power losses, reaching significantly lower values in the systems studied; this improvement directly contributes to a more economical and energetic operation of the system; in addition, the algorithm maintains better regulated voltage profiles, with voltages within permissible limits and close to the nominal value. With this characteristic, greater stability in the operation of the network and a more robust response to load variations or system conditions are guaranteed.
On the other hand, a high density of optimal solutions is observed, reflected in a lower dispersion within the distribution graphs. This indicates the method’s remarkable robustness and consistency under random initialization conditions, favoring the repeatability of the results.
In much more robust systems, such as the 118-bar system, the MVMO also demonstrates excellent scalability and adaptability, outperforming the PSO in both efficiency and accuracy. This ability to adapt to larger structures reaffirms its suitability for practical applications in real-world systems.
Taken together, these results reinforce the idea that MVMO is a highly competitive and reliable option for optimizing electrical power systems, offering a robust combination of accuracy, stability and convergence speed. However, future work is recommended to focus on improving its computational efficiency, with the goal of facilitating its application in real-time operating environments.
Finally, it concludes with the main advantages found with this method where it can be said that it has a high capacity for exploration and exploitation of the search space, which allows one to avoid local minima; it also has computational efficiency in high dimensional systems and has an easy implementation for problems with continuous and discrete variables; however, as disadvantages it can be said that it has a high sensitivity to the configuration of initial parameters which can affect the quality of the solutions if not adjusted properly; it also requires an adequate strategy at the time of coding for highly restricted problems; and finally, although it is less prone to stagnation, it may need additional adjustments to ensure stable convergence in extremely large systems or with more complex nonlinear dynamics.

Author Contributions

D.C. and C.B.-S.: conceptualization, methodology, validation, and writing—review and editing; D.C.: methodology, software, and writing—original draft; C.B.-S.: formal analysis and supervision. H.A.: software, review and editing. All authors have read and agreed to the published version of the manuscript.

Funding

This work was supported by Universidad Politécnica Salesiana and GIREI—Smart Grids Research Group.

Data Availability Statement

The original contributions presented in this study are included in the article. Further inquiries can be directed to the corresponding author.

Conflicts of Interest

The authors declare no conflicts of interest.

Abbreviations

The abbreviations used in this article are as follows:
Y i j Admittance at line i j
G i j Conductance at line i j
B i j Susceptance at line i j
G k Conductance of line k connected between bus i and bus j
b s Shunt susceptance
V i Voltage at bus i
δ i Voltage angle at bus i
δ i j Difference to Voltage angle from bus i to j
S i j Apparent power flow at line i j
P i j Active power flow at line i j
I i j Reactive power flow at line i j
P G i Active power generated at bus i
Q G i Reactive power generated at bus i
S g Apparent power of generator
P D i Active power demanded at bus i
Q D i Reactive power demanded at bus i
SIL Line Surge impedance loading
T k Transformer tap position k
Q C j Shunt compensator bank value

Appendix A

Technical Data of the IEEE 39-Busbar System.
Table A1. Branch data for IEEE 39-bus system.
Table A1. Branch data for IEEE 39-bus system.
Node iNode jR (p.u)X (p.u)B (p.u)
120.00350.04110.6987
1390.00100.02500.7500
230.00130.01510.2572
2250.00700.00860.1460
2300.00000.01810.0000
340.00130.02130.2214
3180.00110.01330.2138
450.00080.01280.1342
4140.00080.01290.1382
560.00020.00260.0434
580.00080.01120.1476
670.00060.00920.1130
6110.00070.00820.1389
6310.00000.02500.0000
780.00040.00460.0780
890.00230.03630.3804
9390.00100.02501.2000
10110.00040.00430.0729
10130.00040.00430.0729
10320.00000.02000.0000
12110.00160.04350.0000
12130.00160.04350.0000
13140.00090.01010.1723
14150.00180.02170.3660
15160.00090.00940.1710
16170.00070.00890.1342
16190.00160.01950.3040
16210.00080.01350.2548
16240.00030.00590.0680
17180.00070.00820.1319
17270.00130.01730.3216
19200.00070.01380.0000
19330.00070.01420.0000
20340.00090.01800.0000
21220.00080.01400.2565
22230.00060.00960.1846
22350.00000.01430.0000
23240.00220.03500.3610
23360.00050.02720.0000
25260.00320.03230.5310
25370.00060.02320.0000
26270.00140.01470.2396
26280.00430.04740.7802
26290.00570.06251.0290
28290.00140.01510.2490
29380.00080.01560.0000
Table A2. Demand of the electrical system.
Table A2. Demand of the electrical system.
LoadLocationP (MW)Q (Mvar)
L 3Bus 33222.4
L 4Bus 4500184
L 7Bus 7233.894
L 8Bus 8522176
L 12Bus 127.588
L 15Bus 15320153
L 16Bus 1632932.3
L 18Bus 1815830
L 20Bus 20628103
L 21Bus 21274115
L 23Bus 2324794.6
L 24Bus 2430992.2
L 25Bus 2522447.2
L 26Bus 2613917
L 27Bus 2729175.5
L 28Bus 2820627.6
L 29Bus 2928326.9
L 31Bus 319.24.6
L 39Bus 391104250

References

  1. Nambi, S.; Kumar, M.; Veeran, K.; John, J.K. On-Load Tap Changer (OLTC) Selection and Optimization in Large Power Transformers. In Proceedings of the 2024 IEEE IAS Petroleum and Chemical Industry Technical Conference (PCIC), Orlando, FL, USA, 16–19 September 2024; pp. 1–9. Available online: https://doi-org.ecups.idm.oclc.org/10.1109/ICPECA60615.2024.10471114 (accessed on 3 March 2025).
  2. Li, W.; Bao, H.; Wang, S.; Wang, R. A method of reactive power compensation dispatch based on matrix superposition theorem. In Proceedings of the 2008 China International Conference on Electricity Distribution (CICED), Guangzhou, China, 10–13 December 2008; pp. 1–7. [Google Scholar] [CrossRef]
  3. Rueda, J.L.; Erlich, I. Optimal dispatch of reactive power sources by using MVMOs optimization. In Proceedings of the IEEE Computational Intelligence Applications in Smart Grid (CIASG), Singapore, 16–19 April 2013; pp. 29–36. [Google Scholar] [CrossRef]
  4. Rueda, J.L.; Erlich, I. Evaluation of the mean-variance mapping optimization for solving multimodal problems. In Proceedings of the 2013 IEEE Symposium on Swarm Intelligence SIS 2013—2013 IEEE Symposium Series on Computational Intelligence SSCI 2013, Singapore, 16–19 April 2013; pp. 7–14. [Google Scholar] [CrossRef]
  5. Yoshida, H.; Kawata, K.; Fukuyama, Y.; Takayama, S.; Nakanishi, Y. A particle swarm optimization for reactive power and voltage control considering voltage security assessment. IEEE Trans. Power Syst. 2002, 15, 1232–1239. [Google Scholar] [CrossRef]
  6. Trujillos, J. Multi-Objective Optimization of Power Flows in Distribution Networks Based on Volt-Var Control. 2019. Available online: http://dspace.ups.edu.ec/handle/123456789/13565 (accessed on 3 March 2025).
  7. Ramadhan, K.; Yonathan, K.; Ardita, I.M.; Jufri, F.H.; Utomo, A.R. Voltage stability improvement using load shedding and static VAR compensator (SVC): Study case of Senayan-Sambas power system. In Proceedings of the 2nd IEEE International Conference on Innovative Research and Development (ICIRD), Jakarta, Indonesia, 28–30 June 2019. [Google Scholar] [CrossRef]
  8. Abdel-Fatah, S.; Ebeed, M.; Kamel, S.; Yu, J. Reactive Power Dispatch Solution with Optimal Installation of Renewable Energy Resources Considering Uncertainties. In Proceedings of the IEEE Conference on Power Electronics and Renewable Energy (CPERE), Aswan, Egypt, 23–25 October 2019; pp. 118–122. [Google Scholar] [CrossRef]
  9. Khoa, T.H.; Vasant, P.M.; Singh, M.S.B.; Dieu, V.N. Swarm based mean-variance mapping optimization (MVMOs) for economic dispatch problem with valve-Point effects. In Proceedings of the IEEE International Conference on Industrial Engineering and Engineering Management, Selangor, Malaysia, 9–12 December 2014; pp. 59–63. [Google Scholar] [CrossRef]
  10. Wu, Q.; Ma, J. Power system optimal reactive power dispatch using evolutionary programming. IEEE Trans. Power Syst. 1995, 10, 1243–1249. [Google Scholar] [CrossRef]
  11. De, M.; Goswami, S.K. Optimal reactive power procurement with voltage stability consideration in deregulated power system. IEEE Trans. Power Syst. 2014, 29, 2078–2086. [Google Scholar] [CrossRef]
  12. Liu, M.; Tso, S.K.; Cheng, Y. An extended nonlinear primal-dual interior-point algorithm for reactive-power optimization of large-scale power systems with discrete control variables. IEEE Trans. Power Syst. 2002, 17, 982–991. [Google Scholar] [CrossRef]
  13. Dang, J.; Tang, F.; Wang, J.; Yu, X.; Deng, H. A Differentiated Dynamic Reactive Power Compensation Scheme for the Suppression of Transient Voltage Dips in Distribution Systems. Sustainability 2023, 15, 13816. [Google Scholar] [CrossRef]
  14. Saad, N.M.; Sujod, M.Z.; Ridzuan, M.I.M.; Abas, M.F. Optimization for Distributed Generation Planning in Radial Distribution Network using MVMO-SH. In Proceedings of the ICSGRC 2019—2019 IEEE 10th Control System Graduate Research Colloquium (ICSGRC), Shah Alam, Malaysia, 2–3 August 2019; pp. 115–120. [Google Scholar] [CrossRef]
  15. Porras-Ortiz, A.F.; Layedra, J.; Arcos, H. Active power loss minimization in the Santa Cruz and Baltra hybrid energy system using particle swarm optimization. In Proceedings of the 2015 IEEE PES Innovative Smart Grid Technologies Latin America (ISGT LATAM), Montevideo, Uruguay, 5–7 October 2015; pp. 429–434. [Google Scholar] [CrossRef]
  16. Barrera-Singana, C.; Porras-Ortiz, A.F.; Valenzuela, A.; Arcos, H.; Pavon, W. Minimization of Active Power Losses in a Multi-Terminal HVDC Grid: Alternative Approach Using Meta-Heuristics Algorithms. In Proceedings of the 2022 IEEE Global Conference on Computing, Power and Communication Technologies (GlobConPT), New Delhi, India, 23–25 September 2022; pp. 25–30. [Google Scholar] [CrossRef]
  17. Zakutsky, V.I.; Gadzhiev, M.G. Coordinated Voltage and Reactive Power Control of Power System with Wind Farms and SVCs as the ORPD problem. In Proceedings of the 2022 4th International Youth Conference on Radio Electronics, Electrical and Power Engineering (REEPE), Moscow, Russia, 17–19 March 2022; pp. 1–6. [Google Scholar] [CrossRef]
  18. Tamayo, D.C.L.; Villa-Acevedo, W.M.; López-Lezama, J.M. Despacho óptimo de potencia reactiva considerando un abordaje multiperíodo. Inf. Tecnológica 2021, 32, 179–190. [Google Scholar] [CrossRef]
  19. Nakawiro, W.; Erlich, I.; Rueda, J.L. A novel optimization algorithm for optimal reactive power dispatch: A comparative study. In Proceedings of the 2011 4th International Conference on Electric Utility Deregulation and Restructuring and Power Technologies (DRPT), Weihai, China, 6–9 July 2011; pp. 1555–1561. Available online: https://doi-org.ecups.idm.oclc.org/10.1109/DRPT.2011.5994144 (accessed on 3 March 2025).
  20. Chamba, A.; Barrera-Singaña, C.; Arcos, H. Optimal Reactive Power Dispatch in Electric Transmission Systems Using the Multi-Agent Model with Volt-VAR Control. Energies 2023, 16, 5004. [Google Scholar] [CrossRef]
  21. Granados, J.F.; Uturbey, W.; Valadão, R.L.; Vasconcelos, J.A. Many-objective optimization of real and reactive power dispatch problems. Int. J. Electr. Power Energy Syst. 2023, 146, 108725. [Google Scholar] [CrossRef]
  22. Lamont, J.W.; Fu, J. Cost Analysis of Reactive Power Support. IEEE Trans. Power Syst. 1999, 14, 890–898. [Google Scholar] [CrossRef]
  23. Zawawi, M.H.A.; Nasir, S.N.S.; Idris, R.M.; Rasid, M.M.; Ayop, R.; Sapari, N.M. Power Loss Reduction by Utilizing Capacitor Bank at Strategic Location with Optimum Sizing Using PSO. In Proceedings of the 2024 IEEE International Conference on Power and Energy (PECon), Kuala Lumpur, Malaysia, 4–5 November 2024; pp. 151–155. Available online: https://doi-org.ecups.idm.oclc.org/10.1109/PECon62060.2024.10826949 (accessed on 3 March 2025).
  24. Lee, W.-T.; Horng, S.-C.; Lin, C.-F. Application of Ordinal Optimization to Reactive Volt-Ampere Sources Planning Problems. Energies 2019, 12, 2746. [Google Scholar] [CrossRef]
  25. Erlich, I.; Venayagamoorthy, G.K.; Worawat, N. A Mean-Variance Optimization algorithm. In Proceedings of the 2010 IEEE World Congress on Computational Intelligence WCCI 2010—2010 IEEE Congress on Evolutionary Computation CEC 2010, Barcelona, Spain, 18–23 July 2010; pp. 1–6. [Google Scholar] [CrossRef]
  26. López-Salgado, C.J.; Añó, O.; Ojeda-Esteybar, D.M.; Porras, F. Joint optimization of energy and reserve in deregulated power markets: Alternative approach using Mean Variance Mapping Optimization. In Proceedings of the 19th Power Systems Computation Conference (PSCC), Genoa, Italy, 20–24 June 2016. [Google Scholar] [CrossRef]
Figure 2. Search space exploration.
Figure 2. Search space exploration.
Energies 18 02141 g002
Figure 3. Exploitation of the search space.
Figure 3. Exploitation of the search space.
Energies 18 02141 g003
Figure 4. MVMO algorithm flowchart.
Figure 4. MVMO algorithm flowchart.
Energies 18 02141 g004
Figure 5. IEEE 39-bus system.
Figure 5. IEEE 39-bus system.
Energies 18 02141 g005
Figure 6. IEEE 118-bus system.
Figure 6. IEEE 118-bus system.
Energies 18 02141 g006
Figure 7. IEEE 39-bus system experimental study 1.
Figure 7. IEEE 39-bus system experimental study 1.
Energies 18 02141 g007
Figure 8. IEEE 118-bus system experimental study 2.
Figure 8. IEEE 118-bus system experimental study 2.
Energies 18 02141 g008
Figure 9. PSO and MVMO power losses with 6 Mvar compensators.
Figure 9. PSO and MVMO power losses with 6 Mvar compensators.
Energies 18 02141 g009
Figure 10. Voltage profile on all buses IEEE 39-bus system with 5 Mvar reactive compensation.
Figure 10. Voltage profile on all buses IEEE 39-bus system with 5 Mvar reactive compensation.
Energies 18 02141 g010
Figure 11. PSO and MVMO power losses with 12 Mvar compensators.
Figure 11. PSO and MVMO power losses with 12 Mvar compensators.
Energies 18 02141 g011
Figure 12. Voltage profile on all buses IEEE 39-bus system with 12 Mvar reactive compensation.
Figure 12. Voltage profile on all buses IEEE 39-bus system with 12 Mvar reactive compensation.
Energies 18 02141 g012
Figure 13. PSO and MVMO power losses with 14.4 Mvar compensators.
Figure 13. PSO and MVMO power losses with 14.4 Mvar compensators.
Energies 18 02141 g013
Figure 14. Voltage profile on all buses IEEE 118 system with 14.4 Mvar reactive compensation.
Figure 14. Voltage profile on all buses IEEE 118 system with 14.4 Mvar reactive compensation.
Energies 18 02141 g014
Table 1. Algorithm for optimal reactive power adjustment using MVMO.
Table 1. Algorithm for optimal reactive power adjustment using MVMO.
Step 1:Input Data
EPS parameter setting
Lines: r , x , b and SIL
Generators: P G m i n , P G m a x , Q G m i n and Q G m a x
Loads: L i
Initial values of the taps and capacitor banks: T K m i n , T K m a x , Q c m i n , Q c m a x
Step 2:Setting up reactive power dispatch
The power flow is solved in the base state using MATPOWER, and the initial voltage and loss values are stored.
s.t (10) and (11)
Save results.
Step 3:Minimize losses
O.F
min P l o s s = i = 1 N B j = 1 N B G i j V i 2 + V j 2 2 V i V j cos ( δ i j )
s.t (14) and (15)
Save results.
Step 4:Penalizing non-viable solutions
If a solution violates the constraints, a penalty is imposed on the objective function to prevent its selection.
F i ( x , y ) : = f i ( x , y ) + c Z k c f c ( z )
s.t (19) and (20)
Save results.
Step 5:Determination of n solutions to be found
Initialize solutions j for [ j ] = 1 , , n
for   i = 1 : maxIter
     Calculate
x ¯ i = 1 n j = 1 n x i ( j )
v i = 1 n j = 1 n ( x i ( j ) x ¯ i ) 2
S i = ln ( v i ) × f s
          for  j = 1 : n
               If Evaluate(solutions[j], If)=Improve then
                  solutions[j]=Update_solution(solutions[j])
               end if
          end for
If Convergence_criterion(solutions)=True then
     break
end if
end for
return Best_solutions(solutions)
Step 6:Storing and displaying results
The optimal tap and capacitor values are saved and the system voltages before and after optimization are graphed.
Table 2. Results of losses in PSO and MVMO IEEE 39 buses with 5 Mvar.
Table 2. Results of losses in PSO and MVMO IEEE 39 buses with 5 Mvar.
AlgorithmLosses (MW)Time
PSO43.197452 min 52 s
MVMO42.646613 min 15 s
Table 3. Results of taps on transformers in PSO and MVMO IEEE 39 buses 5 Mvar.
Table 3. Results of taps on transformers in PSO and MVMO IEEE 39 buses 5 Mvar.
TransformerPSO-TapsPSO-Position TapsMVMO-TapsMVMO-Position Taps
T25_371.068101.06810
T2_301.0445671.06810
T29_381.068100.932−9
T22_351.068101.06810
T11_121.068100.932−9
T12_131.068100.932−9
T6_311.068101.06810
T19_201.000111.06810
T19_331.068100.932−9
T20_341.068101.06810
T23_361.068101.067610
T10_321.068100.932−9
Table 4. Results of compensators in PSO and MVMO IEEE 39 buses 5 Mvar.
Table 4. Results of compensators in PSO and MVMO IEEE 39 buses 5 Mvar.
CompensatorPSO-MvarPSO-Position TapMVMO-MvarMVMO-Position Tap
Bus 153.379643.52304
Bus 164.239074.00716
Bus 182.1725−12.99212
Bus 193.571452.67501
Bus 203.962862.2295−1
Table 5. Results of losses in PSO and MVMO IEEE 39 buses with 12 Mvar.
Table 5. Results of losses in PSO and MVMO IEEE 39 buses with 12 Mvar.
AlgorithmLosses (MW)Time
PSO42.522652 min 56 s
MVMO42.544453 min 5 s
Table 6. Results of taps on transformers in PSO and MVMO IEEE 39 buses 12 Mvar.
Table 6. Results of taps on transformers in PSO and MVMO IEEE 39 buses 12 Mvar.
TransformerPSO-TapsPSO-Position TapsMVMO-TapsMVMO-Position Taps
T25_371.068101.055178
T2_301.068101.06810
T29_381.068101.06810
T22_351.068101.06810
T11_121.068101.06810
T12_131.068101.03796
T6_311.068100.932−9
T19_200.999800.932−9
T19_331.068101.06810
T20_341.068101.06810
T23_361.068100.932−9
T10_321.068101.06810
Table 7. Results of taps on compensators in PSO and MVMO IEEE 39 buses 12 Mvar.
Table 7. Results of taps on compensators in PSO and MVMO IEEE 39 buses 12 Mvar.
CompensatorPSO-MvarPSO-Position TapMVMO-MvarMVMO-Position Tap
Bus 1512103.9195−3
Bus 1612107.30323
Bus 18826.28221
Bus 191019.66456
Bus 2010−11.3778−7
Table 8. Results of losses in PSO and MVMO IEEE 118 buses with 14.4 Mvar.
Table 8. Results of losses in PSO and MVMO IEEE 118 buses with 14.4 Mvar.
AlgorithmLosses (MW)Time
PSO131.8394412 min 9 s
MVMO131.9319012 min 40 s
Table 9. Results of taps on transformers in PSO and MVMO IEEE 118 buses 14.4 Mvar.
Table 9. Results of taps on transformers in PSO and MVMO IEEE 118 buses 14.4 Mvar.
TransformerPSO-TapsPSO-Position TapsMVMO-TapsMVMO-Position Taps
T8_50.998517600.932−9
T25_261.068101.06810
T17_301.0110520.99740
T37_381.003511.05098
T59_630.9934601.06810
T61_641.0103021.025394
T65_660.932−90.9828−2
T68_690.932−91.00912
T80_810.9548−61.06810
Table 10. Results of taps on compensators in PSO and MVMO IEEE 118 buses 14.4 Mvar.
Table 10. Results of taps on compensators in PSO and MVMO IEEE 118 buses 14.4 Mvar.
CompensatorPSO-MvarPSO-Position TapMVMO-MvarMVMO-Position Tap
Bus 116.5559014.3310
Bus 197.7052111.86337
Bus 237.3332616.2279−1
Bus 278.14255210.65995
Bus 377.624712.5979−6
Bus 565.9047−12.6992−5
Bus 623.7874−41.5470−7
Bus 775.2150−24.6691−3
Bus 927.011906.1016−1
Bus 966.0601−16.3702−1
Bus 1068.365221.2195−7
Disclaimer/Publisher’s Note: The statements, opinions and data contained in all publications are solely those of the individual author(s) and contributor(s) and not of MDPI and/or the editor(s). MDPI and/or the editor(s) disclaim responsibility for any injury to people or property resulting from any ideas, methods, instructions or products referred to in the content.

Share and Cite

MDPI and ACS Style

Cevallos, D.; Barrera-Singaña, C.; Arcos, H. Optimal Adjustment of Reactive Power in Transmission Systems by Variation of Taps in Static Elements Using the Mean-Variance Mapping Optimization Algorithm. Energies 2025, 18, 2141. https://doi.org/10.3390/en18082141

AMA Style

Cevallos D, Barrera-Singaña C, Arcos H. Optimal Adjustment of Reactive Power in Transmission Systems by Variation of Taps in Static Elements Using the Mean-Variance Mapping Optimization Algorithm. Energies. 2025; 18(8):2141. https://doi.org/10.3390/en18082141

Chicago/Turabian Style

Cevallos, Diego, Carlos Barrera-Singaña, and Hugo Arcos. 2025. "Optimal Adjustment of Reactive Power in Transmission Systems by Variation of Taps in Static Elements Using the Mean-Variance Mapping Optimization Algorithm" Energies 18, no. 8: 2141. https://doi.org/10.3390/en18082141

APA Style

Cevallos, D., Barrera-Singaña, C., & Arcos, H. (2025). Optimal Adjustment of Reactive Power in Transmission Systems by Variation of Taps in Static Elements Using the Mean-Variance Mapping Optimization Algorithm. Energies, 18(8), 2141. https://doi.org/10.3390/en18082141

Note that from the first issue of 2016, this journal uses article numbers instead of page numbers. See further details here.

Article Metrics

Back to TopTop