Integrated Control and Optimization for Grid-Connected Photovoltaic Systems: A Model-Predictive and PSO Approach
Abstract
:1. Introduction
2. Configuration of PV System
2.1. Photocell Panel
- ➢
 - : Current output of a PV generator.
 - ➢
 - : Temperature-dependent diode saturation current expressed.
 - ➢
 - : photon current in a PV cell.
 - ➢
 - : Shunt current.
 - ➢
 - : short circuit current at ( and ) for PV cells.
 - ➢
 - : Coefficient of the current in A/K.: Boltzmann’s constant.
 - ➢
 - : Electron charge constant.
 - ➢
 - : Ideality factor is another name for the diode quality factor.
 - ➢
 - : Thermodynamic potential (also called thermal tension).
 - ➢
 - : Number of parallel PV modules.
 - ➢
 - : Number of PV cells in series.
 - ➢
 - : Rated diode saturation current (at ).
 - ➢
 - : Energy gap of the polycrystalline SI (eV).
 - ➢
 - : Series Resistance of a PV module.
 - ➢
 - : Shunt Resistance of a PV module.
 
2.2. Boost Converter for DC-DC
2.3. MPPT MPC
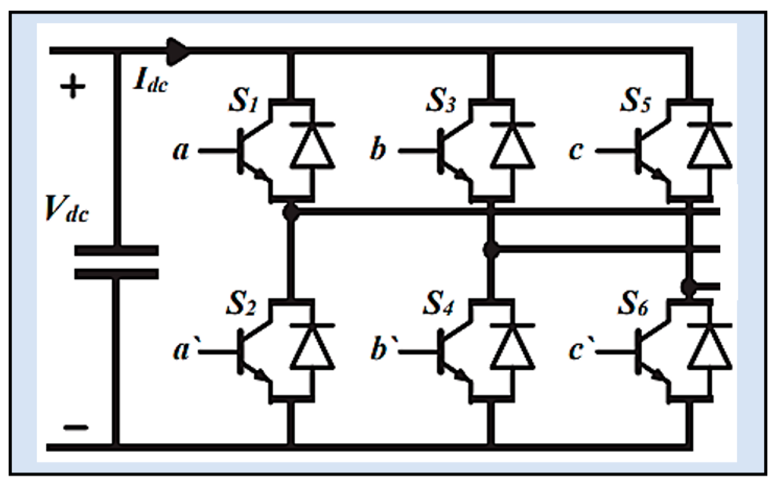
2.4. DC/AC Inverter Controller
- A.
 - MPC controller
 
- B.
 - MPC controller optimizing with PSO
 
- ➢
 - : The direction of movement of voltage in iteration j + 1;
 - ➢
 - : Inertia weight;
 - ➢
 - : Cognitive and social acceleration coefficient;
 - ➢
 - : The random number between 0 and 1;
 - ➢
 - : The personal best value of voltage for particle i for dinv and qinv;
 - ➢
 - Gb: The global best value of voltage for the swarm for dinv and qinv;
 - ➢
 - : The value of voltage for each particle i at iteration j for dinv and qinv.
 
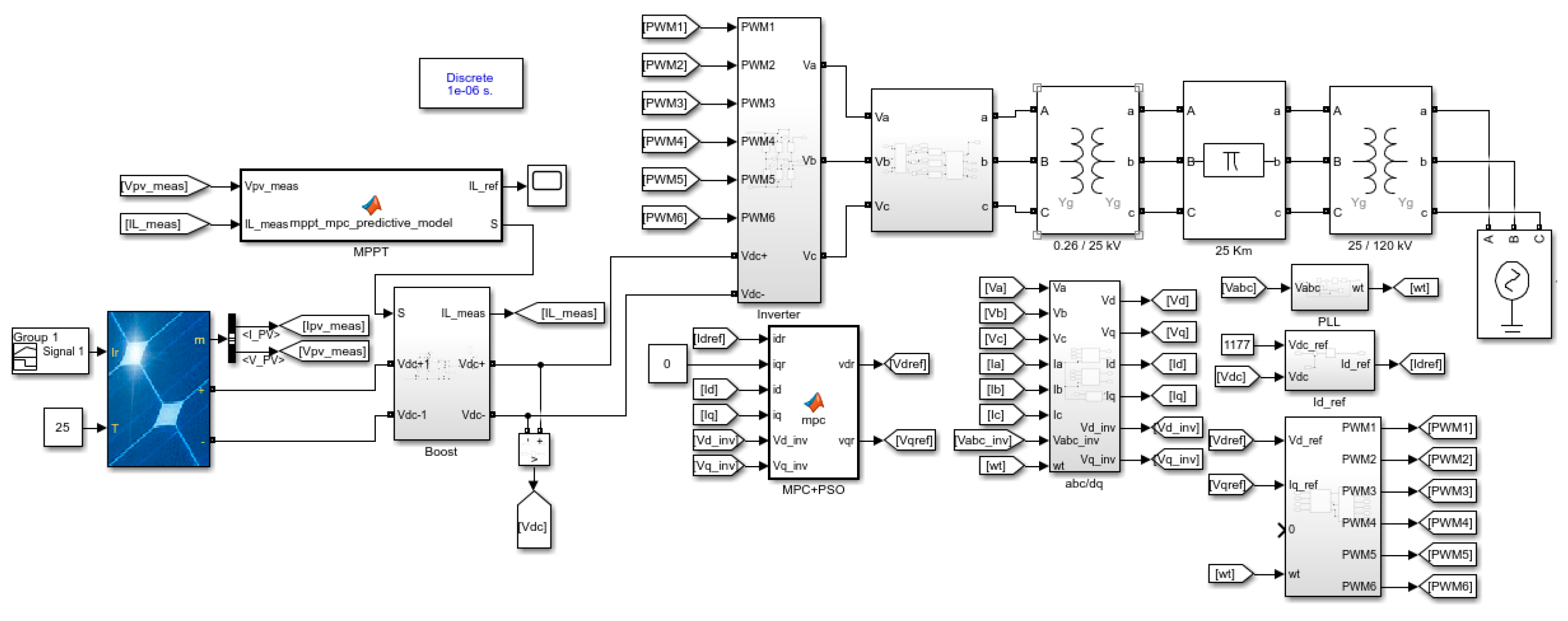
3. Simulation and Results
- A.
 - Simulation
 
- B.
 - Results
 
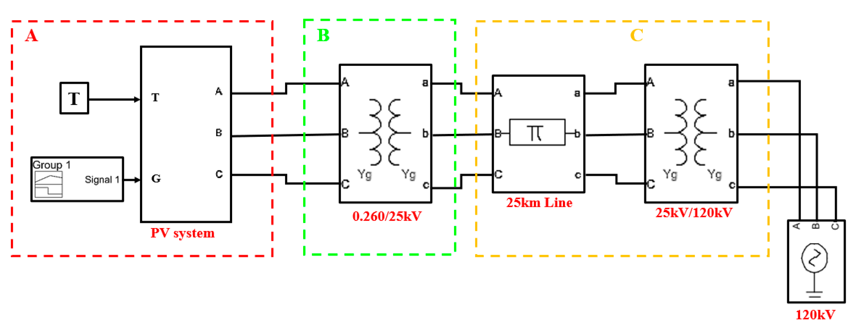
- C.
 - Part A: PV System
 
- ➢
 - Part B: Transofrmer
 
- ➢
 - Part C: Transmission line, Transformer and Load
 
- C.
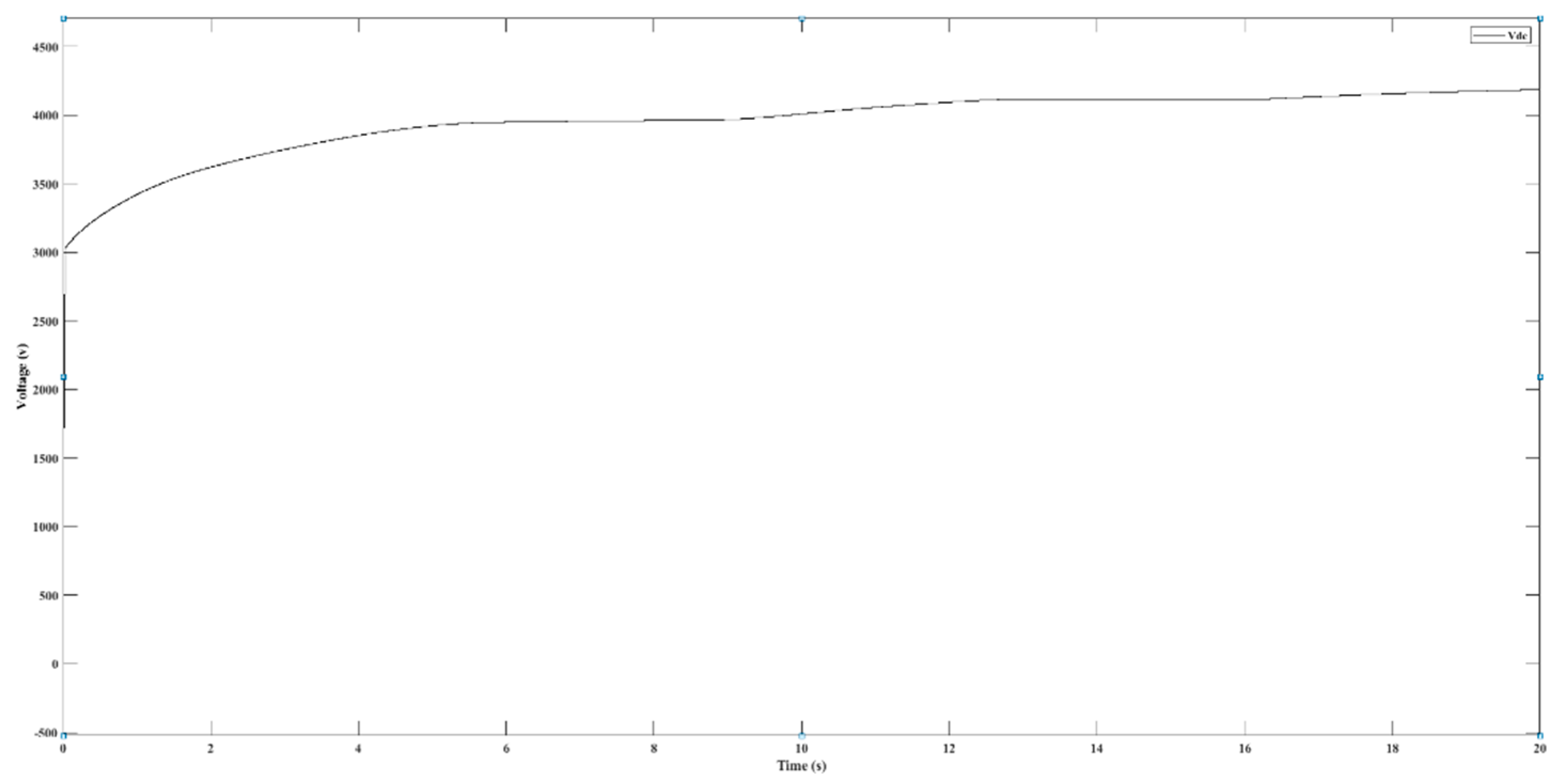
 - Discuss and compare results
 
4. Conclusions
Author Contributions
Funding
Data Availability Statement
Conflicts of Interest
References
- Ishaque, K.; Salam, Z. A review of maximum power point tracking techniques of PV system for uniform insolation and partial shading condition. Renew. Sustain. Energy Rev. 2013, 19, 475–488. [Google Scholar] [CrossRef]
 - Tolba, M.; Rezk, H.; Diab, A.A.Z.; Al-Dhaifallah, M. A Novel Robust Methodology Based Salp Swarm Algorithm for Allocation and Capacity of Renewable Distributed Generators on Distribution Grids. Energies 2018, 11, 2556. [Google Scholar] [CrossRef]
 - Tolba, M.A.; Rezk, H.; Tulsky, V.; Diab, A.A.Z.; Abdelaziz, A.Y.; Vanin, A. Impact of Optimum Allocation of Renewable Distributed Generations on Distribution Networks Based on Different Optimization Algorithms. Energies 2018, 11, 245. [Google Scholar] [CrossRef]
 - Cheng, Z.; Zhou, H.; Yang, H. Research on MPPT control of PV system based on PSO algorithm. In Proceedings of the 2010 Chinese Control and Decision Conference, Xuzhou, China, 26–28 May 2010; IEEE: Piscataway, NJ, USA, 2010; pp. 887–892. [Google Scholar]
 - Singh, G.K. Solar power generation by PV (photovoltaic) technology: A review. Energy 2013, 53, 1–13. [Google Scholar] [CrossRef]
 - Lun, S.; Du, C.; Sang, J.; Guo, T.; Wang, S.; Yang, G. An improved explicit I-V model of a solar cell based on symbolic function and manufacturer’s datasheet. Sol. Energy 2014, 110, 603–614. [Google Scholar] [CrossRef]
 - Bai, J.; Liu, S.; Hao, Y.; Zhang, Z.; Jiang, M.; Zhang, Y. Development of a new compound method to extract the five parameters of PV modules. Energy Convers. Manag. 2014, 79, 294–303. [Google Scholar] [CrossRef]
 - Sun, B.; Yu, Y.; Qin, C. Should China focus on the distributed development of wind and solar photovoltaic power generation? A comparative study. Appl. Energy 2017, 185, 421–439. [Google Scholar] [CrossRef]
 - Ishaque, K.; Salam, Z.; Taheri, H. Simple, fast and accurate two-diode model for photovoltaic modules. Sol. Energy Mater. Sol. Cells 2011, 95, 586–594. [Google Scholar] [CrossRef]
 - Mellit, A.; Benghanem, M.; Kalogirou, S.A. Modeling and simulation of a stand-alone photovoltaic system using an adaptive artificial neural network: Proposition for a new sizing procedure. Renew. Energy 2007, 32, 285–313. [Google Scholar] [CrossRef]
 - Ahmed, A.S.; Berzoy, A.; Mohammed, O. Design and hard-ware implementation of FL-MPPT control of PV systems based on GA and small-signal analysis. IEEE Trans. Sustain. Energy 2017, 8, 279–290. [Google Scholar]
 - Vidhya, K.; Arfan, G.; Erping, Z. Modelling and simulation of maximum power point tracking algorithms and review of MPPT techniques for PV applications. In Proceedings of the 5th International Conference on Electronic Devices, Systems and Applications (ICEDSA), Ras Al Khaimah, United Arab Emirates, 6–8 December 2016; pp. 1–4. [Google Scholar]
 - Nandurkar, S.R.; Rajeev, M. Modeling simulation & design of photovoltaic array with MPPT control techniques. Int. J. Appl. Power Eng. 2014, 3, 41–50. [Google Scholar]
 - Babaa, S.E.; Armstrong, M.; Pickert, V. Overview of maximum power point tracking control methods for PV systems. J. Power Energy Eng. 2014, 2, 59–72. [Google Scholar] [CrossRef]
 - Faranda, R.; Leva, S. Energy comparison of MPPT techniques for PV systems. WSEAS Trans. Power Syst. 2008, 3, 446–455. [Google Scholar]
 - Kakosimos, P.E.; Kladas, A.G.; Manias, S.N. Fast Photovoltaic System Voltage- or Current-Oriented MPPT Employing a Predictive Digital Current-Controlled Converter. IEEE Trans. Ind. Electron. 2013, 60, 5673–5685. [Google Scholar] [CrossRef]
 - Esram, T.; Chapman, P.L. Comparison of photovoltaic array maximum power point tracking techniques. IEEE Trans. Energy Convers. 2007, 22, 439–449. [Google Scholar] [CrossRef]
 - Femia, N.; Petrone, G.; Spagnuolo, G.; Vitelli, M. Optimization of perturb and observe maximum power point tracking method. IEEE Power Electron. Trans. 2005, 20, 963–973. [Google Scholar] [CrossRef]
 - Kuo, Y.C.; Liang, T.J.; Chen, J.F. Novel maximum-power point tracking controller for photovoltaic energy conversion system. IEEE Indust. Electron. Trans. 2001, 48, 594–601. [Google Scholar]
 - El-Raouf, M.O.; Mosaad, M.I.; Al-Ahmar, M.A.; Bendary, F.M. MPPT of Hybrid solar-wind-grid power generation system. Int. J. Ind. Electron. Drives-Inderscience Publ. 2015, 2, 234–241. [Google Scholar]
 - Abed El-Raouf, M.O.; Mosaad, M.I.; Mallawany, A.; Al-Ahmar, M.A.; El Bendary, F.M. MPPT of PV-Wind-Fuel Cell of Off-Grid Hybrid System for a New Community. In Proceedings of the 2018 Twentieth International Middle East Power Systems Conference (MEPCON), Cairo, Egypt, 18–20 December 2018; pp. 480–487. [Google Scholar]
 - Barbosa, P.G.; Braga, H.A.C.; Rodrigues, M.C.B.; Teixeira, E.C. Boost current multilevel inverter and its application on single-phase grid connected photovoltaic systems. IEEE Trans. Power Electron. 2006, 21, 1116–1124. [Google Scholar] [CrossRef]
 - Kjaer, S.B.; Pedersen, J.K.; Blaabjerg, F. A review of single-phase grid-connected inverters for photovoltaic modules. IEEE Trans. Industry Appl. 2005, 41, 1292–1306. [Google Scholar] [CrossRef]
 - Calais, M.; Myrzik, J.; Spooner, T.; Agelidis, V.G. Inverters for single-phase grid connected photovoltaic systems—An overview. In Proceedings of the 2002 IEEE 33rd Annual IEEE Power Electronics Specialists Conference. Proceedings (Cat. No.02CH37289), Cairns, QLD, Australia, 23–27 June 2002; Volume 2, pp. 1995–2000. [Google Scholar]
 - Eltawil, M.A.; Zhao, Z. Grid-connected photovoltaic power systems: Technical and potential problems—A review. Trans. Renew. Sustain. Energy Rev. 2010, 14, 112–129. [Google Scholar] [CrossRef]
 - Kawabe, K.; Tanaka, K. Impact of dynamic behavior of photovoltaic power generation systems on short-term voltage stability. IEEE Trans. Power Syst. 2015, 30, 3416–3424. [Google Scholar] [CrossRef]
 - Ihedrane, Y.; Chakib, E.; Bossoufi, B. Direct and indirect field-oriented control of DFIG-generators for wind turbines variable-speed. In Proceedings of the IEEE 14th International Multi-Conference on Systems, Signals & Devices, Marrakech, Morocco, 28–31 March 2017; pp. 27–32. [Google Scholar]
 - Beriber, D. Optimization and Energy Management System of Production Wind-PV with Storage. Ph.D. Thesis, USTHB, Ezzouar, Algeria, 2010. [Google Scholar]
 - Parida, A.; Chatterjee, D. Cogeneration topology for wind energy conversion system using doubly-fed induction generator. IET Power Electron. 2016, 9, 1406–1415. [Google Scholar] [CrossRef]
 - Bakir, H.; Kulaksiz, A.A. Modelling and voltage control of the solar-wind hybrid micro-grid with optimized STATCOM using GA and BFA. Eng. Sci. Technol. Int. J. 2020, 23, 576–584. [Google Scholar] [CrossRef]
 - Rauschenbach, H.S. Solar Cell Array Design Handbook; Van Nostrand Reinhold: New York, NY, USA, 1980. [Google Scholar]
 - Barth, N.; Jovanovic, R.; Ahzi, S.; Khaleel, M.A. PV panel single and double diode models: Optimization of the parameters and temperature dependence. Sol. Energy Mater. Sol. Cells 2016, 148, 87–98. [Google Scholar] [CrossRef]
 - Nishioka, K.; Sakitani, N.; Uraoka, Y.; Fuyuki, T. Analysis of multicrystalline silicon solar cells by modified 3-diode equivalent circuit model taking leakage current through periphery into consideration. Sol. Energy Mater. Sol. Cells 2007, 91, 1222–1227. [Google Scholar] [CrossRef]
 - Patel, H.; Agarwal, V. MATLAB-based modeling to study the effects of partial shading on PV array characteristics. IEEE Trans. Energy Convers. 2008, 23, 302–310. [Google Scholar] [CrossRef]
 - El Hammoumi, A.; Motahhir, S.; Chalh, A.; El Ghzizal, A.; Derouich, A. Low-cost virtual instrumentation of PV panel characteristics using Excel and Arduino in comparison with traditional instrumentation. Renew. Wind Water Sol. 2018, 5, 3. [Google Scholar] [CrossRef]
 - Yıldıran, N.; Tacer, E. Identification of photovoltaic cell single diode discrete model parameters based on datasheet values. Sol. Energy 2016, 127, 175–183. [Google Scholar] [CrossRef]
 - Rhouma, M.B.; Gastli, A.; Ben Brahim, L.; Touati, F.; Benammar, M. A simple method for extracting the parameters of the PV cell single-diode model. Renew. Energy 2017, 113, 885–894. [Google Scholar] [CrossRef]
 - Chowdhury, S.; Chowdhury, S.P.; Taylor, G.A.; Song, Y.H. Mathematical Modeling and Performance Evaluation of a Stand-Alone Polycrystalline PV Plant with MPPT Facility. In Proceedings of the IEEE Power and Energy Society General Meeting—Conversion and Delivery of Electrical Energy in the 21st Century, Pittsburg, PA, USA, 20–24 July 2008. [Google Scholar]
 - Jung, J.-H.; Ahmed, S. Model Construction of Single Crystalline Photovoltaic Panels for Real-time Simulation. In Proceedings of the IEEE Energy Conversion Congress & Expo, Atlanta, GA, USA, 12–16 September 2010. [Google Scholar]
 - Nema, S.; Nema, R.K.; Agnihotri, G. Matlab/simulink based study of photovoltaic cells/modules/array and their experimental verification. Int. J. Energy Environ. 2010, 1, 487–500. [Google Scholar]
 - Haripriya, T.; Alivelu, M.; Rao, U.M. Performance evaluation of DC grid connected solar PV system for hybrid control of DC–DC boost converter. In Proceedings of the 10th International Conference on Intelligent Systems and Control (ISCO), Coimbatore, India, 7–8 January 2016; pp. 1–6. [Google Scholar]
 - Boubii, C.; El Kafazi, I.; Bannari, R.; El Bhiri, B. A Comparative Study Between MPC Algorithm and P&O and IncCond the Optimization Algorithms of MPPT Algorithms. In Digital Technologies and Applications; Motahhir, S., Bossoufi, B., Eds.; Springer Nature Switzerland: Cham, Switzerland, 2023; pp. 704–713. [Google Scholar]
 - Holtz, J.; Stadtfeld, S. A predictive controller for the stator current vector of AC machines fed from a switched voltage source. Int. Power Electron. Conf. (IPEC) 1983, 1983, 1665–1675. [Google Scholar]
 - Rodriguez, J.; Cortes, P. Predictive Control of Power Converters and Electrical Drives; John Wiley & Sons: Hoboken, NJ, USA, 2012; Volume 37. [Google Scholar]
 - Abu-Rub, H.; Guzinski, J.; Krzeminski, Z.; Toliyat, H.A. Predictive current control of voltage-source inverters. IEEE Trans. Ind. Electron. 2004, 51, 585–593. [Google Scholar] [CrossRef]
 - Soliman, M.; Malik, O.P.; Westwick, D.T. Multiple model multiple-input multiple-output predictive control for variable speed variable pitch wind energy conversion systems. IET Renew. Power Gener. 2011, 5, 124–136. [Google Scholar] [CrossRef]
 - Mohan, N.; Robbins, W.P.; Undeland, T.M.; Nilssen, R.; Mo, O. Simulation of power electronic and motion control systems-an overview. Proc. IEEE 1994, 82, 1287–1302. [Google Scholar] [CrossRef]
 - Adouairi, M.S.; Bossoufi, B.; Motahhir, S.; Saady, I. Application of fuzzy sliding mode control on a single-stage grid-connected PV system based on the voltage-oriented control strategy. Results Eng. 2023, 17, 100822. [Google Scholar] [CrossRef]
 - Oskouei, A.B.; Banaei, M.R.; Sabahi, M. Hybrid PV/wind system with quinary asymmetric inverter without increasing DC-link number. Ain Shams Eng. J. 2016, 7, 579–592. [Google Scholar] [CrossRef]
 - Saady, I.; Karim, M.; Bossoufi, B.; El Ouanjli, N.; Motahhir, S.; Majout, B. Optimization and control of photovoltaic water pumping system using kalman filter based MPPT and multilevel inverter fed DTC-IM. Results Eng. 2023, 17, 100829. [Google Scholar] [CrossRef]
 - Kafazi, I.E.; Bannari, R.; Boubii, C.; Bhiri, B.E.; Rafia, H. MPC-PSO of a DFIG and comparison with PI controller. In Proceedings of the 2023 5th Global Power, Energy and Communication Conference (GPECOM), Nevsehir, Türkiye, 14–16 June 2023; pp. 1–5. [Google Scholar] [CrossRef]
 - Saady, I.; Bossoufi, B.; Karim, M.; Motahhir, S.; Adouairi, M.S.; Majout, B.; Lamnadi, M.; Masud, M.; Jehad, F. Optimisation for a photovoltaic pumping system using indirect Field Oriented Control of Induction Motor. Electronics 2021, 10, 2670. [Google Scholar] [CrossRef]
 


























| Parameter | Specification | 
|---|---|
| Series-connected modules per string | 10 | 
| Parallel string | 40 | 
| Module | 1Soltech 1STH-215P | 
| Maximum power | 213.5 | 
| Voltage at maximum power point | 29 | 
| Current at maximum power point | 7.35 | 
| Short circuit current | 7.84 | 
| Open circuit voltage | 36.3 | 
Disclaimer/Publisher’s Note: The statements, opinions and data contained in all publications are solely those of the individual author(s) and contributor(s) and not of MDPI and/or the editor(s). MDPI and/or the editor(s) disclaim responsibility for any injury to people or property resulting from any ideas, methods, instructions or products referred to in the content.  | 
© 2023 by the authors. Licensee MDPI, Basel, Switzerland. This article is an open access article distributed under the terms and conditions of the Creative Commons Attribution (CC BY) license (https://creativecommons.org/licenses/by/4.0/).
Share and Cite
Boubii, C.; El Kafazi, I.; Bannari, R.; El Bhiri, B.; Mobayen, S.; Zhilenkov, A.; Bossoufi, B. Integrated Control and Optimization for Grid-Connected Photovoltaic Systems: A Model-Predictive and PSO Approach. Energies 2023, 16, 7390. https://doi.org/10.3390/en16217390
Boubii C, El Kafazi I, Bannari R, El Bhiri B, Mobayen S, Zhilenkov A, Bossoufi B. Integrated Control and Optimization for Grid-Connected Photovoltaic Systems: A Model-Predictive and PSO Approach. Energies. 2023; 16(21):7390. https://doi.org/10.3390/en16217390
Chicago/Turabian StyleBoubii, Chaymae, Ismail El Kafazi, Rachid Bannari, Brahim El Bhiri, Saleh Mobayen, Anton Zhilenkov, and Badre Bossoufi. 2023. "Integrated Control and Optimization for Grid-Connected Photovoltaic Systems: A Model-Predictive and PSO Approach" Energies 16, no. 21: 7390. https://doi.org/10.3390/en16217390
APA StyleBoubii, C., El Kafazi, I., Bannari, R., El Bhiri, B., Mobayen, S., Zhilenkov, A., & Bossoufi, B. (2023). Integrated Control and Optimization for Grid-Connected Photovoltaic Systems: A Model-Predictive and PSO Approach. Energies, 16(21), 7390. https://doi.org/10.3390/en16217390
        
