DC Admittance Model of VSCs for Stability Studies in VSC-HVDC Systems
Abstract
1. Introduction
- dq-real-domain approach:
- –
- Laplace stability studies: It allows system poles and participation factors to be easily obtained but is not appropriate for integrating components of large power systems. Moreover, frequency black-box models obtained from measurements cannot be used with this approach.
- –
- dq-complex-domain approach:
- –
- Laplace stability studies: The characterization of system poles poses numerical problems because of rounding errors produced by the complex coefficients of dq-complex-domain transfer functions. Polynomials in the s-domain with only real coefficients are required in the DC impedance to correctly obtain the system poles.
- –
- Frequency stability studies: It has recently been used in the literature [19,20]. In the dq-complex domain, the AC-side elements use the impedances ZTh(s + jω1) and ZTh (s − jω1) obtained by shifting the operational Thevenin impedance ZTh(s). The dq-complex domain is more appropriate for integrating VSC models in large power systems.
2. Model of VSCs in DQ-Complex Domain
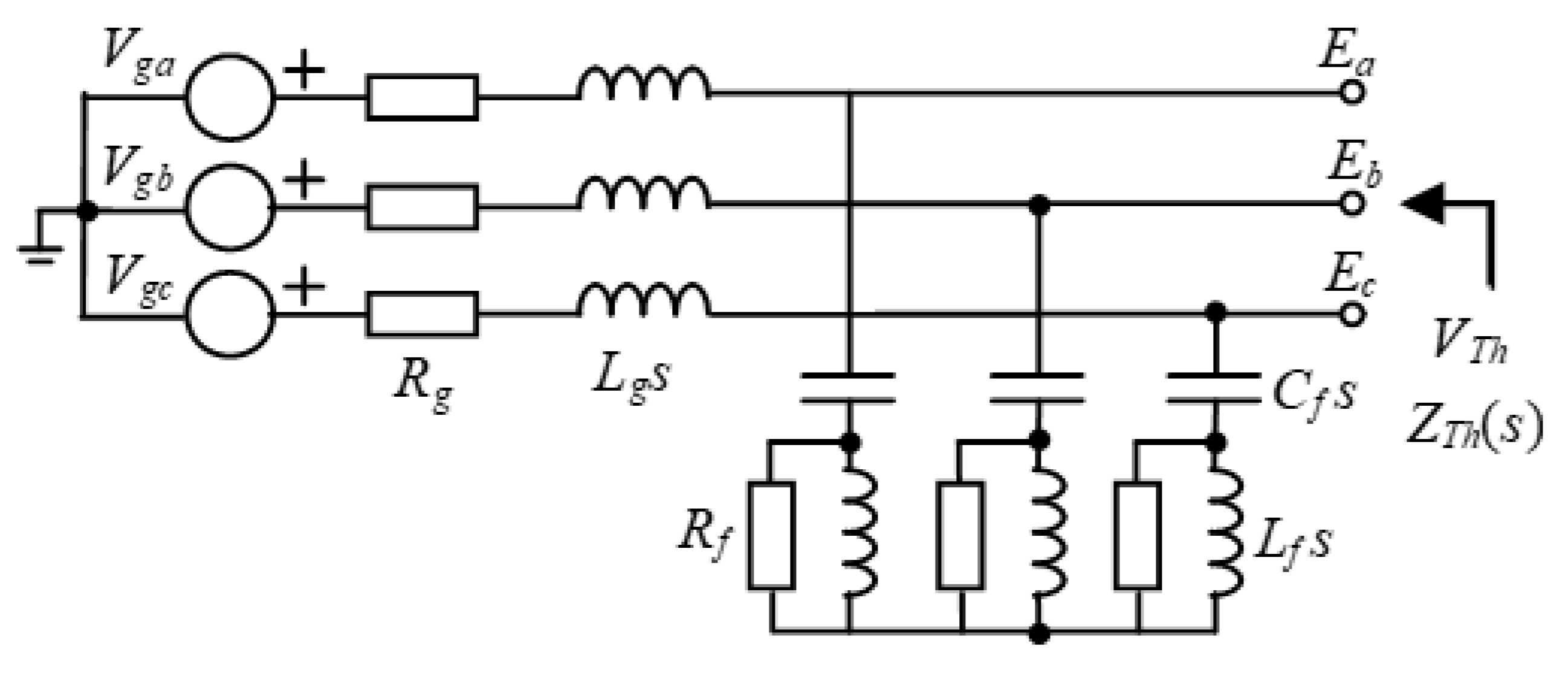
2.1. AC Grid Relations
2.2. DC-AC Converter Relations
2.3. Simplified Model #1: Case without Current Control
2.4. Simplified Model #2: Case with Current Control
3. Detailed Model of DC Admittance of VSCs
4. Impedance-Based Stability Criteria
- Grid-connected VSCs are characterized by the current balance at their Norton equivalent circuit buses:
- DC loads are characterized by their admittance transfer function Yi(s) (i = 1, … b).
- Terminals without any connected external component are represented as open-circuit buses characterized by zero values of the current source and admittance of the Norton equivalent circuit, Ii = Yi(s) = 0 (i = 1, … c).
4.1. Norton Admittance Matrix-Based Stability Assessment
4.2. SISO-Based Stability Assessment
- Impedance-ratio stability criterion
- Positive-net-damping stability criterion
5. Application
- Case #1 (stable reference case): this corresponds to the data in Table 3, with the power consumed by VSC2 being half the nominal power (i.e., P20 = 500 MW).
- Cases #2 and #3: the influence of the short-circuit ratio SCR and the VSC2-consumed power P20, respectively, on system stability were analyzed.
- SC1: the GNC verifies system stability because the curves of the eigenvalues of L(s) do not encircle the −1 point.
- SC2: the Nyquist criterion verifies system stability because the Nyquist curve of Zeq,iYdc, i does not encircle the −1 point.
- SC3: The positive-net-damping stability criterion verifies system instability because the damping Re{ZT(jω)} at resonance frequencies fr ≈ 537.5, 712.3 and 810.3 Hz is positive. The first resonance is due to the HVDC grid capacitors and inductors whereas the second and third resonances are at the DC mirror resonance frequencies of the AC-side resonance between the AC grid inductance Lg and the VSC1 filter capacitor Cf at fr = 760 Hz. It is observed that the VSC control damps (but does not eliminate) the AC-side resonance at the DC side. This means that AC-side dynamics are only damped at the DC side by the VSC control and should therefore be considered in the DC-side equivalent admittance modeling of the VSCs [12,13].
- SC1: the GNC leads to an inaccurate stability assessment (i.e., the curves of the eigenvalues of L(s) do not encircle the −1 point) because the instability comes from the AC system resonance, causing the DC-admittance Ydc, 1(s) in the diagonal of YE (s) to be unstable.
- SC2: the Nyquist criterion also leads to an inaccurate stability assessment because Ydc, 1(s) is unstable [13].
- SC3: The positive-net-damping stability criterion verifies system stability (i.e., Re{ZT(jω)} is negative at mirror resonance frequencies fr ≈ 935.5 and 1045 Hz). Closed-loop transfer function assessment by the positive-net-damping stability criterion avoids the SC1 and SC2 stability inaccuracy derived from the instability of Ydc, 1(s). If AC-side dynamics are disregarded in the DC-side equivalent admittance model, AC-side resonances are overlooked, which leads to inaccurate stability assessments [12,13].
- SC1: the GNC verifies system instability because the curve of one eigenvalue intersects the unit circle at approximately 527 Hz, enclosing the −1 point in a clockwise direction.
- SC2: the Nyquist criterion leads to an inaccurate stability assessment because of instability in Yeq, 1(s).
- SC3: The positive-net-damping stability criterion verifies system instability (i.e., Re{ZT(jω)} is negative at fr ≈ 537 Hz). The closed-loop transfer function assessment in the positive-net-damping stability criterion avoids the SC2 stability inaccuracy derived from the instability of Yeq, 1(s).
6. Comparison of DC Admittance Models
7. Conclusions
Author Contributions
Funding
Data Availability Statement
Conflicts of Interest
Appendix A. Outer Loop Controls
References
- Sun, J.; Li, M.; Zhang, Z.; Xu, T.; He, J.; Wang, H.; Li, G. Renewable energy transmission by HVDC across the continent: System challenges and opportunities. CSEE J. Power Energy Syst. 2017, 3, 353–364. [Google Scholar] [CrossRef]
- Zhang, C.; Molinas, M.; Rygg, A.; Cai, X. Impedance-Based Analysis of Interconnected Power Electronics Systems: Impedance Network Modeling and Comparative Studies of Stability Criteria. IEEE J. Emerg. Sel. Top. Power Electron. 2020, 8, 2520–2533. [Google Scholar] [CrossRef]
- Liu, H.; Xie, X.; Liu, W. An Oscillatory Stability Criterion Based on the Unified dq-Frame Impedance Network Model for Power Systems with High-Penetration Renewables. IEEE Trans. Power Syst. 2018, 33, 3472–3485. [Google Scholar] [CrossRef]
- Stamatiou, G.; Bongiorno, M. Stability Analysis of Two-Terminal VSC-HVDC Systems Using Net-Damping Criterion. IEEE Trans. Power Deliv. 2016, 31, 1748–1756. [Google Scholar] [CrossRef]
- Sainz, L.; Cheah-Mane, M.; Monjo, L.; Liang, J.; Gomis-Bellmunt, O. Positive-net-damping Stability Criterion in Grid-connected VSC Systems. IEEE J. Emerg. Sel. Top. Power Electron. 2017, 4, 1499–1512. [Google Scholar] [CrossRef]
- Harnefors, L. Modeling of Three-Phase Dynamic Systems Using Complex Transfer Functions and Transfer Matrices. IEEE Trans. Ind. Electron. 2007, 54, 2239–2248. [Google Scholar] [CrossRef]
- Harnefors, L. Proof and Application of the Positive-net-damping Stability Criterion. IEEE Trans. Power Syst. 2011, 26, 481–482. [Google Scholar] [CrossRef]
- Harnefors, L.; Bongiorno, M.; Lundberg, S. Input-admittance Calculation and Shaping for Controlled Voltage-source converters. IEEE Trans. Ind. Electron. 2007, 54, 3323–3334. [Google Scholar] [CrossRef]
- Wen, B.; Boroyevich, D.; Burgos, R.; Mattavelli, P.; Shen, Z. Analysis of D-Q Small-Signal Impedance of Grid-Tied Inverters. IEEE Trans. Power Electron. 2016, 31, 675–687. [Google Scholar] [CrossRef]
- Pinares, G.; Bongiorno, M. Analysis and Mitigation of Instabilities Originated from DC-side Resonances in VSC-HVDC Systems. IEEE Trans. Ind. Appl. 2016, 52, 2807–2815. [Google Scholar] [CrossRef]
- Xu, L.; Fan, L.; Miao, Z. DC Impedance-model Based Resonance Analysis of a VSC-HVDC System. IEEE Trans. Power Deliv. 2015, 30, 1221–1230. [Google Scholar] [CrossRef]
- Shah, S.; Parsa, L. Impedance Modeling of Three-phase Voltage Source Converters in dq, Sequence and Phasor Domains. IEEE Trans. Energy Convers. 2017, 32, 1139–1150. [Google Scholar] [CrossRef]
- Amin, M.; Molinas, M. Small-signal Stability Assessment of Power Electronics Based Power Systems: A Discussion of Impedance- and Eigenvalue-based Methods. IEEE Trans. Ind. Appl. 2017, 53, 5014–5030. [Google Scholar] [CrossRef]
- Amin, M.; Molinas, M.; Lyu, J.; Cai, X. Impact of Power Flow Direction on the Stability of VSC-HVDC Seen from the Impedance Nyquist Plot. IEEE Trans. Power Electron. 2017, 32, 8204–8217. [Google Scholar] [CrossRef]
- Liu, J.; Tao, X.; Yu, M.; Xia, Y.; Wei, W. Impedance Modeling and Analysis of Three-Phase Voltage-Source Converters Viewing from DC Side. IEEE J. Emerg. Sel. Top. Power Electron. 2020, 8, 3906–3916. [Google Scholar] [CrossRef]
- Rygg, A.; Molinas, M.; Zhang, C.; Cai, X. A Modified Sequence-domain Impedance Definition and its Equivalence to the dq-domain Impedance Definition for the Stability Analysis of AC Power Electronic Systems. IEEE J. Emerg. Sel. Top. Power Electron. 2016, 4, 1383–1396. [Google Scholar] [CrossRef]
- Wang, X.; Harnefors, L.; Blaabjerg, F. Unified Impedance Model of Grid-connected Voltage-source Converters. IEEE Trans. Power Electron. 2018, 33, 1775–1785. [Google Scholar] [CrossRef]
- Paap, G.C. Symmetrical Components in the Time Domain and their Application to Power Network Calculations. IEEE Trans. Power Syst. 2000, 15, 522–528. [Google Scholar] [CrossRef]
- Harnefors, L.; Wang, X.; Chou, S.; Bongiorno, M.; Hinkkanen, M.; Routimo, M. Asymmetric Complex-Vector Models With Application to VSC–Grid Interaction. IEEE J. Emerg. Sel. Top. Power Electron. 2020, 8, 1911–1921. [Google Scholar] [CrossRef]
- Pedra, J.; Sainz, L.; Monjo, L. Three-port small-signal admittance-based model of VSC for studies of multi-terminal HVDC hybrid AC/DC transmission grids. IEEE Trans. Power Syst. 2021, 36, 732–743. [Google Scholar] [CrossRef]









| References | ||||||
|---|---|---|---|---|---|---|
| Model Feature | [11] | [12] | [13] | [14] | [15] | Proposed Model |
| Phase-locked loop control | ![]() | ![]() | ![]() | ![]() | ![]() | ![]() |
| VSC delay | ![]() | ![]() | ![]() | ![]() | ![]() | ![]() |
| Grid voltage feedforward | ![]() | ![]() | ![]() | ![]() | ![]() | ![]() |
| Grid voltage feedforward filter | ![]() | ![]() | ![]() | ![]() | ![]() | ![]() |
| D-outer control loop | ![]() | ![]() | ![]() | ![]() | ![]() | ![]() |
| Q-outer control loop | ![]() | ![]() | ![]() | ![]() | ![]() | ![]() |
| Vga | 12.25/√2 kV | Pvsc | 30 MW | Rf, Lf | 2.3 Ω, 0.18 mH |
| Vdc0 | 30 kV | Rg, Lg | 0.52 Ω, 7.8 mH | Rc, Lc | 0, 4 mH |
| Cf | 35 µF | fsw, Td | 10 kHz, 0.3 ms | Id0, Iq0 | −1996.3 A, 0 A |
| αf | 106.18 s−1 | md0 | 0.5168 pu | mq0 | 0.0836 pu |
| kp,cc | 2 pu | kp,dc | 0.8662 pu | kp,pll | 0.2757 pu |
| ki,cc | 0.096 pu | ki,dc | 0.0334 pu | ki,pll | 0.2203 pu |
| kp,ac | 0.9 pu | kp,P | 0.13 pu | kp,Q | 0.13 pu |
| ki,ac | 0.008 pu | ki,P | 0.0083 pu | ki,Q | 0.0083 pu |
| AC main grid | U0 (f1), Xg/Rg SCR = Scc/(Pvsc1, N) | 220 kV (50 Hz), 20 pu 15 pu |
| VSC AC filter | Cf | 6 mF |
| DC cable | Rdc, Ldc | 10.8 mΩ/km, 0.149 mH/km |
| Cdc, Length | 0.145 mF/km, 25 km | |
| VSC DC filters | Ccvi (i = 1 to 2) | 30 mF |
| VSC1 | Pvsc1, N, Vdc1, 0 | 1000 MW, 440 kV |
| VSC1 control | fs, Td | 2 kHz, 0.3 ms |
| Rc, Lc | 0.025 pu, 0.25 pu | |
| kp,cc, ki,cc | 1.21 pu, 0.121 pu | |
| kp,pll, ki,pll | 0.48 pu, 0.031pu | |
| kp,dc, ki,dc | 0.15 pu, 0.058 pu | |
| kp,p, ki,p | 0.15 pu, 0.058 pu |
| Cases | |||
|---|---|---|---|
| Model Feature | Case #1 | Case #2 | Case #3 |
| Full model | Stable | Instable | Instable |
| No phase-locked loop control | Stable | Instable | Instable |
| No VSC delay | Stable | Stable | Stable |
| No grid voltage feedforward (αf = 0) | Stable | Stable | Instable |
| No grid voltage feedforward filter (αf = ∞) | Stable | Instable | Instable |
| No d-outer control loop | Stable | Instable | Instable |
Disclaimer/Publisher’s Note: The statements, opinions and data contained in all publications are solely those of the individual author(s) and contributor(s) and not of MDPI and/or the editor(s). MDPI and/or the editor(s) disclaim responsibility for any injury to people or property resulting from any ideas, methods, instructions or products referred to in the content. |
© 2023 by the authors. Licensee MDPI, Basel, Switzerland. This article is an open access article distributed under the terms and conditions of the Creative Commons Attribution (CC BY) license (https://creativecommons.org/licenses/by/4.0/).
Share and Cite
Pedra, J.; Sainz, L.; Monjo, L. DC Admittance Model of VSCs for Stability Studies in VSC-HVDC Systems. Energies 2023, 16, 5457. https://doi.org/10.3390/en16145457
Pedra J, Sainz L, Monjo L. DC Admittance Model of VSCs for Stability Studies in VSC-HVDC Systems. Energies. 2023; 16(14):5457. https://doi.org/10.3390/en16145457
Chicago/Turabian StylePedra, Joaquín, Luis Sainz, and Lluís Monjo. 2023. "DC Admittance Model of VSCs for Stability Studies in VSC-HVDC Systems" Energies 16, no. 14: 5457. https://doi.org/10.3390/en16145457
APA StylePedra, J., Sainz, L., & Monjo, L. (2023). DC Admittance Model of VSCs for Stability Studies in VSC-HVDC Systems. Energies, 16(14), 5457. https://doi.org/10.3390/en16145457



