Modeling the Effect of Compressive Stress on Hysteresis Loop of Grain-Oriented Electrical Steel
Abstract
:1. Introduction
2. The Harrison Model Versus Other Commonly Used Descriptions of Hysteresis Curves
3. Materials and Methods
3.1. Specimen Preparation
3.2. Hysteresis Loops Measurement
3.3. Compressive Stress
4. Model implementation
4.1. The Dependence of Anhysteretic Magnetization on the Magnetic Field
4.2. The Dependence of Anhysteretic Magnetization on Applied Stress
5. Conclusions
- The Harrison model has been extended to take into account the effect of compressive stress.
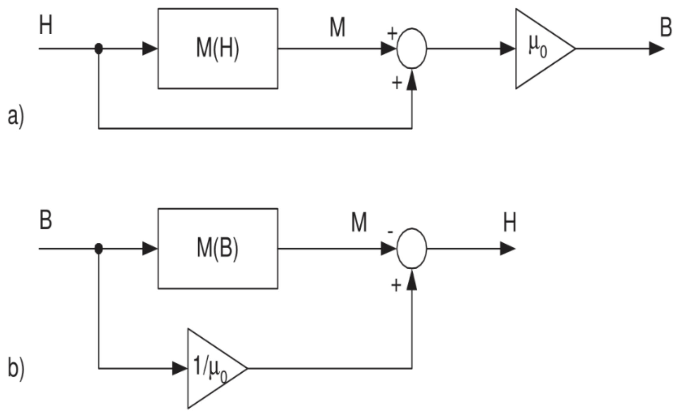
- Despite its highly simplified character, the description has a solid physical background; the anhysteretic curve in this model is truly reversible in the sense of irreversible thermodynamics. Moreover, the description inherently belongs to the class of “inverse” models (Figure 4), which implies that it reflects the real-life excitation conditions in measurement systems complying with international standards.
- It was confirmed that the value of phenomenological parameter introduced by Harrison does depend significantly on the amplitude of minor loop. This value is not affected by the compression pressure. Modeling was carried out for GOES in the range of working induction 1.0–1.5 T. For this material, the values of parameter are higher than (see Figure 11—this can be confronted against the value reported by Harrison in Ref. [10], Figure 18). Parameter , in physical units, and parameter , in reduced units, are inversely proportional; thus, the values of for this induction range exceed 0.785 and quickly rise up to 0.927 for = 1.0 T. This implies practically that the location of bifurcation and switching magnetization values are such that almost whole modeled hysteresis loop branches may be constructed by offsetting the anhysteretic curve by the coercive field value (the sketch in Figure 3 for illustrating the logic of the model refers to non-grain-oriented electrical steel, for which somewhat higher values of coercive field (and consequently lower values) are expected). This implies that the quality of modeling results depends significantly on the correct representation of the anhysteretic curve.
- Two factors affecting the shape of hysteresis loops upon compression were identified: the modified shape of the anhysteretic curve and the increase in coercive field strength. The proposed model extension relied on the introduction of an additional stress-dependent term into the equation that describes the irreversible processes. The anhysteretic curve was identified using a simplified method, and its equation was parametrized. The increase in coercive field strength was accounted for by introducing a power law that considers the applied compressive stress.
- The consequence of the previously formulated conclusion on the effect of correct identification of the anhysteretic curve on the overall performance of the model is the distortion of loop shape for = 1.5 T, = −10 MPa (Figure 19). The highly simplified character of the model (the assumption of only two wells in the Gibbs energy profile as well as the discrepancy between the modeled and reconstructed anhysteretic curves, c.f. Figure 14) contributed to the fact that the model could not describe the complicated loop shape in this case.
- It can be stated that generally, the modeled hysteresis loops are in qualitative agreement with their experimental counterparts. The results might be of interest to the physicists and engineers that cope with the effects of compressive stress on magnetic materials, especially at higher stress values in which buckling may occur. In the published papers focused at the effect of magnetoelastic coupling on the shapes of hysteresis loops, the considered range of compressive stress rarely exceeds 70 MPa because of buckling that occurs in the relatively thin (0.27 mm) GO sheet.
- Future work shall be focused on description fine-tuning as well as on the analysis of the tension case.
Author Contributions
Funding
Institutional Review Board Statement
Informed Consent Statement
Data Availability Statement
Acknowledgments
Conflicts of Interest
Appendix A. An Analysis of the Harrison Model and MATLAB Code Implementation
Mexit = @(t, hc, m) m-tanh((hc + m)/t)
mexit = fzero(@(m) Mexit(t, -t*atanh(sqrt(1-t)) + sqrt(1-t), m), 1)
% the starting point for iteration is +1, i.e., positive saturation.
- (1)
-
where
- (2)
-
where
- (3)
-
where
References
- Moses, A.J. The Knowledge of Phenomena Occurring in Magnetic Materials as a Condition to Lower Energy Loss in Magnetic Circuits of Electromagnetic Devices. Available online: https://www.pollub.pl/files/4/attachment/247_Wyklad.pdf (accessed on 30 December 2021).
- Anderson, P.I.; Moses, A.J.; Stanbury, H.J. Assessment of the Stress Sensitivity of Magnetostriction in Grain-Oriented Silicon Steel. IEEE Trans. Magn. 2007, 43, 3467–3476. [Google Scholar] [CrossRef]
- Dias, M.B.S.; Landgraf, F.J.G. Compressive Stress Effects on Magnetic Properties of Uncoated Grain Oriented Electrical Steel. J. Magn. Magn. Mater. 2020, 504, 166566. [Google Scholar] [CrossRef]
- Perevertov, O.; Schäfer, R. Magnetic Properties and Magnetic Domain Structure of Grain-Oriented Fe-3%Si Steel under Compression. Mater. Res. Express 2016, 3, 096103. [Google Scholar] [CrossRef]
- Anderson, P. Measurement of the Stress Sensitivity of Magnetostriction in Electrical Steels under Distorted Waveform Conditions. J. Magn. Magn. Mater. 2008, 320, e583–e588. [Google Scholar] [CrossRef]
- Li, J.; Xu, M. Modified Jiles-Atherton-Sablik Model for Asymmetry in Magnetomechanical Effect under Tensile and Compressive Stress. J. Appl. Phys. 2011, 110, 063918. [Google Scholar] [CrossRef]
- Shi, P.; Jin, K.; Zheng, X. A General Nonlinear Magnetomechanical Model for Ferromagnetic Materials under a Constant Weak Magnetic Field. J. Appl. Phys. 2016, 119, 145103. [Google Scholar] [CrossRef]
- Aydin, U.; Rasilo, P.; Martin, F.; Singh, D.; Daniel, L.; Belahcen, A.; Rekik, M.; Hubert, O.; Kouhia, R.; Arkkio, A. Magneto-Mechanical Modeling of Electrical Steel Sheets. J. Magn. Magn. Mater. 2017, 439, 82–90. [Google Scholar] [CrossRef]
- Matsuo, T.; Takahashi, Y.; Fujiwara, K. Pinning Field Representation Using Play Hysterons for Stress-Dependent Domain-Structure Model. J. Magn. Magn. Mater. 2020, 499, 166303. [Google Scholar] [CrossRef]
- Harrison, R.G. A Physical Model of Spin Ferromagnetism. IEEE Trans. Magn. 2003, 39, 950–960. [Google Scholar] [CrossRef]
- Preisach, F. On the magnetic aftereffect. IEEE Trans. Magn. 2017, 53, 0700111, (translation of the German text published in Z. Phys. 1935, 94, 277–302). [Google Scholar] [CrossRef]
- Mayergoyz, I.D. Mathematical Models of Hysteresis and Their Applications, 2nd ed.; Academic Press, Elsevier: San Diego, CA, USA, 2003. [Google Scholar] [CrossRef] [Green Version]
- Sumarac, D.; Knezevic, P.; Dolicanin, C.; Cao, M. Preisach Elasto-Plastic Model for Mild Steel Hysteretic Behavior-Experimental and Theoretical Considerations. Sensors 2021, 21, 3546. [Google Scholar] [CrossRef]
- Im, S.-H.; Lee, H.-Y.; Park, G.-S. Novel Deperming Protocols to Reduce Demagnetizing Time and Improve the Performance for the Magnetic Silence of Warships. Energies 2021, 14, 6295. [Google Scholar] [CrossRef]
- Jiles, D.; Atherton, D. Ferromagnetic Hysteresis. IEEE Trans. Magn. 1983, 19, 2183–2185. [Google Scholar] [CrossRef]
- Jiles, D.C.; Atherton, D.L. Theory of Ferromagnetic Hysteresis. J. Magn. Magn. Mater. 1986, 61, 48–60. [Google Scholar] [CrossRef]
- Zirka, S.E.; Moroz, Y.I.; Harrison, R.G.; Chwastek, K. On Physical Aspects of the Jiles-Atherton Hysteresis Models. J. Appl. Phys. 2012, 112, 043916. [Google Scholar] [CrossRef]
- Jastrzębski, R.; Chwastek, K. Comparison of Macroscopic Descriptions of Magnetization Curves. In Proceedings of the ITM Web of Conferences, Lublin, Poland, 23–25 November 2017; Volume 15, p. 03003. [Google Scholar]
- Cao, W. Constructing Landau-Ginzburg-Devonshire type models for ferroelectric systems based on symmetry. Ferroelectrics 2008, 375, 28–39. [Google Scholar] [CrossRef]
- Catalan, G.; Jiménez, D.; Gruverman, A. Ferroelectrics: Negative capacitance detected. Nat. Mater. 2015, 14, 137–139. [Google Scholar] [CrossRef]
- Íñiguez, J.; Zubko, P.; Luk’yanchuk, I.; Cano, A. Ferroelectric negative capacitance. Nat. Rev. Mater. 2019, 4, 243–256. [Google Scholar] [CrossRef] [Green Version]
- Hoffmann, M.; Fengler, F.P.G.; Herzig, M.; Mittmann, T.; Max, B.; Schroeder, U.; Negrea, R.; Lucian, P.; Slesazeck, S.; Mikolajick, T. Unveiling the double-well energy landscape in a ferroelectric layer. Nature 2019, 565, 464–467. [Google Scholar] [CrossRef]
- Morozzi, A.; Hoffmann, M.; Mulargia, R.; Slesazeck, S.; Robutti, E. Negative capacitance devices: Sensitivity analyses of the developed TCAD ferroelectric model for HZO. J. Instrument. 2022, 17, C01048. [Google Scholar] [CrossRef]
- Bertotti, G. Hysteresis in Magnetism; Academic Press: San Diego, CA, USA, 1998. [Google Scholar]
- Gębara, P.; Gozdur, R.; Chwastek, K. The Harrison Model as a Tool to Study Phase Transitions in Magnetocaloric Materials. Acta Phys. Pol. A 2018, 134, 1217–1220. [Google Scholar] [CrossRef]
- Fabrizio, M.; Giorgi, C.; Morro, A. A thermodynamic approach to ferromagnetism and phase transitions. Int. J. Eng. Sci. 2009, 47, 821–839. [Google Scholar] [CrossRef]
- Kochmański, M.; Paszkiewicz, T.; Wolski, S. Curie-Weiss magnet—A simple model of phase transition. Eur. J. Phys. 2013, 34, 1555. [Google Scholar] [CrossRef] [Green Version]
- Berti, A.; Giorgi, C.; Vuk, E. Hysteresis and temperature-induced transitions in ferromagnetic materials. Appl. Math. Model. 2015, 39, 820–837. [Google Scholar] [CrossRef]
- Koksharov, Y.A. Analytic solutions of the Weiss mean field equation. J. Magn. Magn. Mater. 2020, 516, 167179. [Google Scholar] [CrossRef]
- Helmiss, G.; Storm, L. Movement of an individual Bloch wall in single-crystal picture frame of silicon iron at very low velocities. IEEE Trans. Magn. 1974, 10, 36–38. [Google Scholar] [CrossRef]
- Grosse-Nobis, W. Frequency spectrum of the Barkhausen noise of a moving 180° domain wall. J. Magn. Magn. Mater. 1977, 4, 247–253. [Google Scholar] [CrossRef]
- Chwastek, K.; Gozdur, R. Towards a Unified Approach to Hysteresis and Micromagnetics Modeling: A Dynamic Extension to the Harrison Model. Phys. B Condens. Matter 2019, 572, 242–246. [Google Scholar] [CrossRef]
- Haller, T.R.; Kramer, J.J. Observation of Dynamic Domain Size Variation in a Silicon-Iron Alloy. J. Appl. Phys. 1970, 41, 1034–1035. [Google Scholar] [CrossRef]
- Cohen, A. A Padé Approximant to the Inverse Langevin Function. Rheol. Acta 1991, 30, 270–273. [Google Scholar] [CrossRef]
- Tumanski, S. Handbook of Magnetic Measurements; CRC Press: Boca Raton, FL, USA, 2011. [Google Scholar]
- Daniel, L.; Domenjoud, M. Anhysteretic magneto-elastic behaviour of Terfenol-D: Experiments, multiscale modeling and analytical formulas. Materials 2021, 14, 5165. [Google Scholar] [CrossRef] [PubMed]
- Krah, J.H.; Bergqvist, A.J. Numerical Optimization of a Hysteresis Model. Phys. B Condens. Matter 2004, 343, 35–38. [Google Scholar] [CrossRef]
- Schneider, C.S.; Cannell, P.Y.; Watts, K.T. Magnetoelasticity for Large Stresses. IEEE Trans. Magn. 1992, 28, 2626–2631. [Google Scholar] [CrossRef]
- Schimid, E.; Boas, W. Plasticity of Crystals; F. A. Hughes & Co., Ltd.: London, UK, 1950. [Google Scholar]
- Kobayashi, S.; Takahashi, S.; Kamada, Y.; Kikuchi, H. A Low-Field Scaling Rule of Minor Hysteresis Loops in Plastically Deformed Steels. IEEE Trans. Magn. 2010, 46, 191–194. [Google Scholar] [CrossRef]
- Chwastek, K. Modelling Offset Minor Hysteresis Loops with the Modified Jiles-Atherton Description. J. Phys. D Appl. Phys. 2009, 42, 165002. [Google Scholar] [CrossRef]
- Franco, V.; Blázquez, J.S.; Ingale, B.; Conde, A. The Magnetocaloric Effect and Magnetic Refrigeration Near Room Temperature: Materials and Models. Annu. Rev. Mater. Res. 2012, 42, 305–342. [Google Scholar] [CrossRef] [Green Version]
- Gębara, P.; Hasiak, M. Determination of Phase Transition and Critical Behavior of the As-Cast GdGeSi-(X) Type Alloys (Where X = Ni, Nd and Pr). Materials 2021, 14, 185. [Google Scholar] [CrossRef]
- Allia, P.; Coisson, M.; Tiberto, P.; Vinai, F.; Knobel, M.; Novak, M.; Nunes, W. Granular Cu-Co Alloys as Interacting Superparamagnets. Phys. Rev. B 2001, 64, 144420. [Google Scholar] [CrossRef] [Green Version]
- Gozdur, R.; Najgebauer, M. Scaling analysis of phase transitions in magnetocaloric alloys. J. Magn. Magn. Mater. 2020, 499, 166239. [Google Scholar] [CrossRef]
- Harrison, R.G. Variable-Domain-Size Theory of Spin Ferromagnetism. IEEE Trans. Magn. 2004, 40, 1506–1515. [Google Scholar] [CrossRef]
- Chwastek, K.; Szczygłowski, J. An Alternative Method to Estimate the Parameters of Jiles–Atherton Model. J. Magn. Magn. Mater. 2007, 314, 47–51. [Google Scholar] [CrossRef]
- Bertotti, G.; Basso, V. Considerations on the Physical Interpretation of the Preisach Model of Ferromagnetic Hysteresis. J. Appl. Phys. 1993, 73, 5827–5829. [Google Scholar] [CrossRef]
- Raghunathan, A.; Melikhov, Y.; Snyder, J.E.; Jiles, D.C. Modeling of Two-Phase Magnetic Materials Based on Jiles–Atherton Theory of Hysteresis. J. Magn. Magn. Mater. 2012, 324, 20–22. [Google Scholar] [CrossRef]
- Raghunathan, A.; Klimczyk, P.; Melikhov, Y. Application of Jiles-Atherton Model to Stress Induced Magnetic Two-Phase Hysteresis. IEEE Trans. Magn. 2013, 49, 3187–3190. [Google Scholar] [CrossRef]
- Baghel, A.P.S.; Sai Ram, B.; Chwastek, K.; Daniel, L.; Kulkarni, S.V. Hysteresis Modelling of GO Laminations for Arbitrary In-Plane Directions Taking into Account the Dynamics of Orthogonal Domain Walls. J. Magn. Magn. Mater. 2016, 418, 14–20. [Google Scholar] [CrossRef]
- Baghel, A.P.S.; Kulkarni, S.V. Hysteresis Modeling of the Grain-Oriented Laminations with Inclusion of Crystalline and Textured Structure in a Modified Jiles-Atherton Model. J. Appl. Phys. 2013, 113, 043908. [Google Scholar] [CrossRef]
- Perevertov, O.; Schaefer, R.; Stupakov, O. 3-D Branching of Magnetic Domains on Compressed Si-Fe Steel with Goss Texture. IEEE Trans. Magn. 2014, 50, 2007804. [Google Scholar] [CrossRef]
- Baghel, A.P.S.; Chwastek, K.; Kulkarni, S.V. Modelling of Minor Hysteresis Loops in Rolling and Transverse Directions of Grain-oriented Laminations. IET Electr. Power Appl. 2015, 9, 344–348. [Google Scholar] [CrossRef]
- Klimczyk, P. Novel Techniques for Characterisation and Control of Magnetostriction in G.O.S.S. Ph.D. Thesis, Cardiff University, Cardiff, UK, 2012. [Google Scholar]
- Sablik, M.J.; Kwun, H.; Burkharddt, G.L.; Jiles, D.C. Model for the Effect of Tensile and Compressive Stress on Ferromagnetic Hysteresis. J. Appl. Phys. 1987, 61, 3799–3801. [Google Scholar] [CrossRef]
- Sablik, M.J.; Jiles, D.C. Coupled Magnetoelastic Theory of Magnetic and Magnetostrictive Hysteresis. IEEE Trans. Magn. 1993, 29, 2113–2123. [Google Scholar] [CrossRef] [Green Version]
- M’zali, N.; Martin, F.; Aydin, U.; Belahcen, A.; Benabou, A.; Henneron, T. Determination of Stress Dependent Magnetostriction from a Macroscopic Magneto-Mechanical Model and Experimental Magnetization Curves. J. Magn. Magn. Mater. 2020, 500, 166299. [Google Scholar] [CrossRef]
- Vicena, F. On the Connection between the Coercive Force of a Ferromagnetic and Internal Stress. Czechosl. J. Phys. 1954, 4, 419–436. (In Russian) [Google Scholar] [CrossRef]
- Málek, Z. The Dependence of Coercive Force on Plastic Deformation. Czechosl. J. Phys. 1957, 7, 152–167. (In German) [Google Scholar] [CrossRef]
- Qureshi, A.H.; Chaudhary, L.N. Influence of Plastic Deformation on Coercive Field and Initial Susceptibility of Fe-3.25% Si Alloys. J. Appl. Phys. 1970, 41, 1042–1043. [Google Scholar] [CrossRef]
- Timofeev, I.A.; Kustov, E.F. To the Theory of Dynamic Magnetization and Magnetic Reversal of a Ferromagnet. Russ. Phys. J. 2006, 49, 260–267. [Google Scholar] [CrossRef]
- Moses, A.J. Energy Efficient Electrical Steels: Magnetic Performance Prediction and Optimization. Scr. Mater. 2012, 67, 560–565. [Google Scholar] [CrossRef]
- Dias, M.B.S.; Bentancour, D.P.M.; Araújo, F.G.P.; Santos, A.D.; Landgraf, F.J.G. Power Loss Reduction of Uncoated Grain Oriented Electrical Steel Using Annealing under Stress Treatment. J. Magn. Magn. Mater. 2020, 504, 166632. [Google Scholar] [CrossRef]
- Sablik, M.J. A Model for Asymmetry in Magnetic Property Behavior under Tensile and Compressive Stress in Steel. IEEE Trans. Magn. 1997, 33, 3958–3960. [Google Scholar] [CrossRef]




















Publisher’s Note: MDPI stays neutral with regard to jurisdictional claims in published maps and institutional affiliations. |
© 2022 by the authors. Licensee MDPI, Basel, Switzerland. This article is an open access article distributed under the terms and conditions of the Creative Commons Attribution (CC BY) license (https://creativecommons.org/licenses/by/4.0/).
Share and Cite
de Souza Dias, M.B.; Landgraf, F.J.G.; Chwastek, K. Modeling the Effect of Compressive Stress on Hysteresis Loop of Grain-Oriented Electrical Steel. Energies 2022, 15, 1128. https://doi.org/10.3390/en15031128
de Souza Dias MB, Landgraf FJG, Chwastek K. Modeling the Effect of Compressive Stress on Hysteresis Loop of Grain-Oriented Electrical Steel. Energies. 2022; 15(3):1128. https://doi.org/10.3390/en15031128
Chicago/Turabian Stylede Souza Dias, Mateus Botani, Fernando José Gomes Landgraf, and Krzysztof Chwastek. 2022. "Modeling the Effect of Compressive Stress on Hysteresis Loop of Grain-Oriented Electrical Steel" Energies 15, no. 3: 1128. https://doi.org/10.3390/en15031128
APA Stylede Souza Dias, M. B., Landgraf, F. J. G., & Chwastek, K. (2022). Modeling the Effect of Compressive Stress on Hysteresis Loop of Grain-Oriented Electrical Steel. Energies, 15(3), 1128. https://doi.org/10.3390/en15031128

