Wet Flue Gas Desulphurization (FGD) Wastewater Treatment Using Membrane Distillation
Abstract
1. Introduction
2. System Description
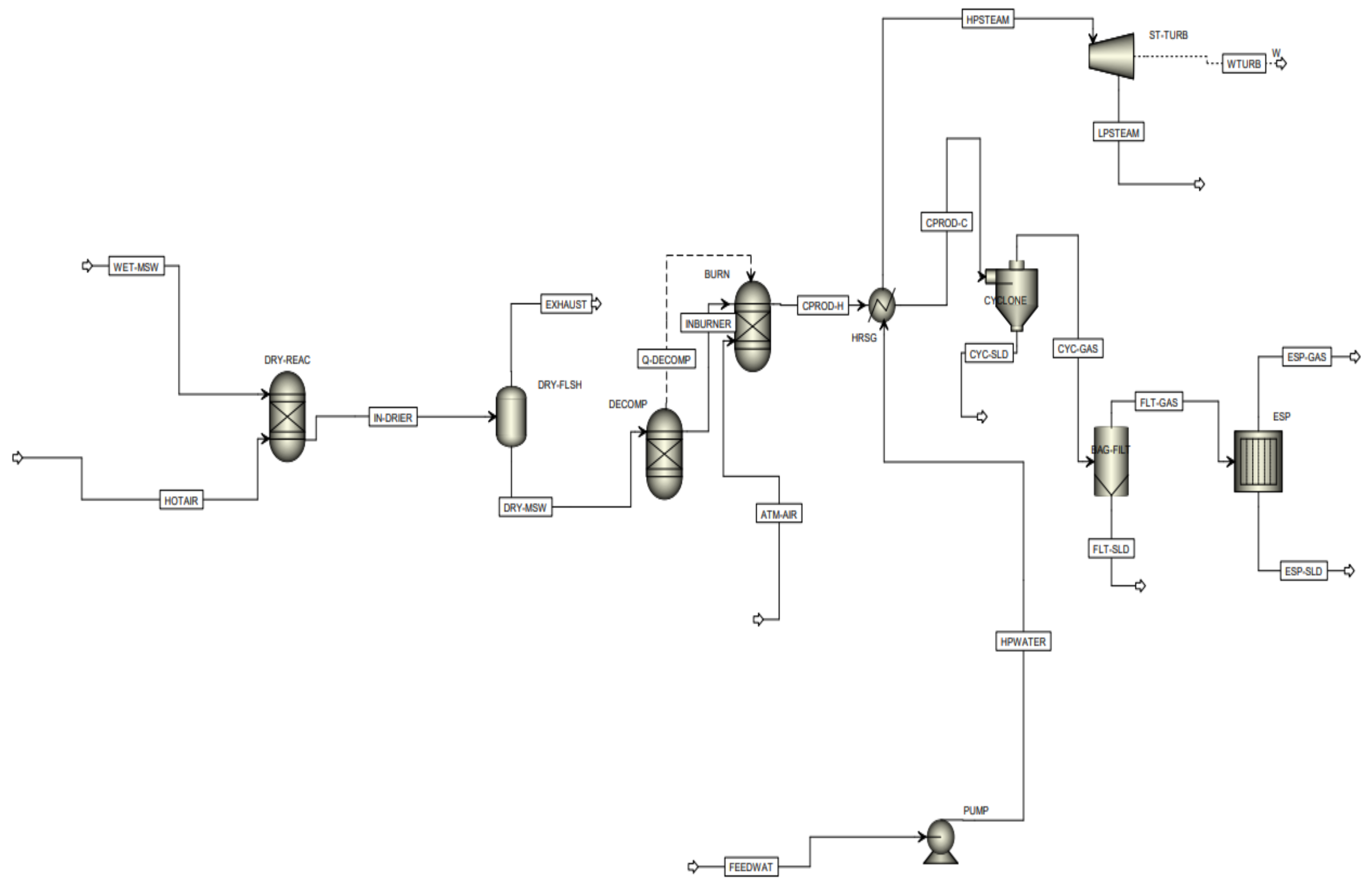
2.1. Block Flowchart of the Incineration Plant Used in the Study
2.2. Design of a Wet Scrubbing System
3. Methodology
3.1. Models Used in the Study
3.1.1. Model of the Waste Incineration Plant
3.1.2. Model of the Wet Scrubbing Process
3.1.3. Model of the MD System
3.2. Thermal Energy Analysis of MD Systems
4. Results and Discussion
4.1. Results from the Wet Scrubbing Process
4.2. MD Model Simulation Results
4.2.1. Thermal Efficiency
4.2.2. GOR
4.2.3. SEC
5. Conclusions
Author Contributions
Funding
Data Availability Statement
Acknowledgments
Conflicts of Interest
References
- Dong, J.; Tang, Y.; Nzihou, A.; Chi, Y.; Weiss-Hortala, E.; Ni, M.; Zhou, Z. Comparison of waste-to-energy technologies of gasification and incineration using life cycle assessment: Case studies in Finland, France and China. J. Clean. Prod. 2018, 203, 287–300, ISSN 0959-6526. [Google Scholar] [CrossRef]
- Demirbas, A. Combustion Systems for Biomass Fuel. Energy Sources Part A Recovery Util. Environ. Eff. 2007, 29, 303–312. [Google Scholar] [CrossRef]
- Lombardi, L.; Carnevale, E.; Corti, A. A review of technologies and performances of thermal treatment systems for energy recovery from waste. Waste Manag. 2015, 37, 26–44. [Google Scholar] [CrossRef]
- The World Bank. Municipal Solid Waste Incineration: Technical Guidance Report; Technical Report; The International Bank for Reconstruction and Development: Washington, DC, USA, 1999; Available online: https://goo.gl/kABenL (accessed on 20 October 2020).
- Mohajan, H. Acid Rain is a Local Environment Pollution but Global Concern. Open Sci. J. Anal. Chem. 2019, 3, 47–55. [Google Scholar]
- Neuwahl, F.; Cusano, G.; Benavides, J.G.; Holbrook, S.; Roudier, S. Best Available Techniques (BAT) Reference Document for Waste Incineration; Report; Publication Office of the European Union: Luxembourg, 2019. [Google Scholar] [CrossRef]
- Johnke, G. Draft of a German Report with Basic Informations for a BREF-Document “Waste Incineration”; Report. 2001. Available online: http://files.gamta.lt/aaa/Tipk/tipk/4_kiti%20GPGB/63.pdf (accessed on 13 December 2021).
- Zhao, G. Theoretical Study for Sulfur Dioxide Absorption on Limestone Wet Flue Gas Desulphurization. Master’s Thesis, Northeastern University, Shenyang, China, 2008. [Google Scholar]
- Carletti, C.; Bjondahl, F.; De Blasio, C.; Ahlbeck, J.; Järvinen, L.; Westerlund, T. Modeling limestone reactivity and sizing the dissolution tank in wet flue gas desulfurization scrubbers. Environ. Prog. Sustain. Energy 2013, 32, 663–672. [Google Scholar] [CrossRef]
- Lecomte, T.; Ferreria De La Fuente, J.; Neuwahl, F.; Canova, M.; Pinasseau, A.; Jankov, I.; Brinkmann, T.; Roudier, S.; Delgado Sancho, L. Best Available Techniques (BAT) Reference Document for Large Combustion Plants. Industrial Emissions Directive 2010/75/EU (Integrated Pollution Prevention and Control); EUR 28836 EN; Publications Office of the European Union: Luxembourg, 2017; ISBN 978-92-79-74303-0. [Google Scholar] [CrossRef]
- Noor, I.-e.; Martin, A.; Dahl, O. Water recovery from flue gas condensate in municipal solid waste fired cogeneration plants using membrane distillation. Chem. Eng. J. 2020, 399, 125707. [Google Scholar] [CrossRef]
- Alkhudhiri, A.; Darwish, N.; Hilal, N. Membrane distillation: A comprehensive review. Desalination 2012, 287, 2–18. [Google Scholar] [CrossRef]
- Camacho, L.M.; Dumée, L.; Zhang, J.; Li, J.-d.; Duke, M.; Gomez, J.; Gray, S. Advances in Membrane Distillation for Water Desalination and Purification Applications. Water 2013, 5, 94–196. [Google Scholar] [CrossRef]
- Qtaishat, M.R.; Banat, F. Desalination by solar powered membrane distillation systems. Desalination 2013, 308, 186–197. [Google Scholar] [CrossRef]
- Rahaoui, K.; Ding, L.C.; Tan, L.P.; Mediouri, W.; Mahmoudia, F.; Nakoa, K.; Akbarzadeh, A. Sustainable Membrane Distillation Coupled with Solar Pond. Energy Procedia 2017, 110, 414–419. [Google Scholar] [CrossRef]
- Liu, H.; Wang, J. Treatment of radioactive wastewater using direct contact membrane distillation. J. Hazard. Mater. 2013, 261, 307–315. [Google Scholar] [CrossRef]
- Korolkov, I.V.; Yeszhanov, A.B.; Zdorovets, M.V.; Gorin, Y.G.; Güven, O.; Dosnagambetova, S.S.; Khlebnikov, N.A.; Serkv, K.V.; Krasnopyorova, M.V.; Milts, O.S.; et al. Modification of PET ion track membranes for membrane distillation of low-level liquid radioactive wastes and salt solutions. Sep. Purif. Technol. 2019, 227, 115694. [Google Scholar] [CrossRef]
- Ricceri, F.; Giagnorio, M.; Farinelli, G.; Blandini, G.; Minella, M.; Vione, D.; Tiraferri, A. Desalination of Produced Water by Membrane Distillation: Effect of the Feed Components and of a Pre-treatment by Fenton Oxidation. Sci. Rep. 2019, 9, 14964. [Google Scholar] [CrossRef]
- Tavakkoli, S.; Lokare, O.; Vidic, R.; Khanna, V. Shale gas produced water management using membrane distillation: An optimization-based approach. Resour. Conserv. Recycl. 2020, 158, 104803. [Google Scholar] [CrossRef]
- Said, I.A.; Chomiak, T.R.; He, Z.; Li, Q. Low-cost high-efficiency solar membrane distillation for treatment of oil produced waters. Sep. Purif. Technol. 2020, 250, 117170. [Google Scholar] [CrossRef]
- Chuanfeng, L.; Martin, A. Membrane Distillation and Applications for Water Purification in Thermal Cogeneration—A Pre-study; Varmeforsk Service AB: Stockholm, Sweden, 2005; ISSN 0282-3772. [Google Scholar]
- Kullab, A. Desalination using Membrane Distillation: Experimental and Numerical Study. Ph.D. Thesis, KTH Royal Institute of Technology, Stockholm, Sweden, 2011. [Google Scholar]
- Jurczyk, M.; Mikus, M.; Dziedzic, K. Flue Gas Cleaning in Municipal Waste-to-Energy Plants—Part II; Nr. IV/2/2016; Polska Akademia Nauk Oddział w Krakowie, Komisja Technicznej Infrastruktury Wsi: Krakow, Poland, 2016; pp. 1309–1321. Available online: http://dx.medra.org/10.14597/infraeco.2016.4.2.096 (accessed on 20 November 2021).
- Hellman, M. Handbok i Vattenkemi för energianläggningar; Energiforsk, Stockholm, Sweden. 2015. Available online: https://energiforsk.se/program/branslebaserad-el-och-varmeproduktion-sebra/rapporter/handbookk-for-vattenkemi-for-energianlaggningar/ (accessed on 23 October 2021).
- Goldschmidt, H.O.B.; Carlström, H. Benchmarking of Flue Gas Condensate Cleaning Technologies in Waste-to-Energy Plants; Energiforsk: Stockholm, Sweden, 2011; Available online: https://energiforskmedia.blob.core.windows.net/media/17905/teknikval-vid-rening-av-roekgaskondensat-i-avfallsfoerbraenningsanlaeggningar-vaermeforskrapport-1184.pdf (accessed on 6 December 2021).
- Matthews, C. Flue gas desulphurization—Total design. In Case Studies in Engineering Design; Matthews, C., Ed.; Butterworth-Heinemann: London, UK, 1998; pp. 217–231. [Google Scholar] [CrossRef]
- Solids|Process Modeling|Aspentech. Available online: https://www.aspentech.com/en/products/pages/solids (accessed on 1 November 2021).
- Noor, I.-e.; Samavati, M.; Martin, A. Evaluation of membrane distillation system for flue gas condensate cleaning. In Proceedings of the ECOS 2020—The 33rd International Conference on Efficiency, Cost, Optimization, Simulation and Environmental Impact of Energy Systems, Osaka, Japan, 29 June–3 July 2020. [Google Scholar]
- Swaminathan, J.; Chung, H.W.; Warsinger, D.M.; Lienhard, V.J.H. Energy efficiency of membrane distillation up to high salinity: Evaluating critical system size and optimal membrane thickness. Appl. Energy 2018, 211, 715–734. [Google Scholar] [CrossRef]
- Soomro, M.L.; Kim, W.S. Parabolic-trough plant integrated with direct-contact membrane distillation system: Concept, simulation, performance, and economic evaluation. Sol. Energy 2018, 173, 348–361. [Google Scholar] [CrossRef]
- Khayet, M. Solar desalination by membrane distillation: Dispersion in energy consumption analysis and water production costs (a review). Desalination 2013, 308, 89–101. [Google Scholar] [CrossRef]
- Shahu, V.T.; Thombre, S.B. Theoretical analysis and parametric investigation of an innovative helical air gap membrane desalination system. Appl. Water Sci. 2022, 12, 18. [Google Scholar] [CrossRef]
- Elmarghany, M.R.; El-Shazly, A.H.; Salem, M.S.; Sabry, M.N.; Nady, N. Thermal analysis evaluation of direct contact membrane distillation system. Case Stud. Therm. Eng. 2019, 13, 100377. [Google Scholar] [CrossRef]








| Parameter | Value |
|---|---|
| Flue gas feed temperature to WTSCRUB1 | 160 °C |
| Flue gas feed pressure to WTSCRUB1 | 1.01 bar |
| Liquid feed temperature to WTSCRUB1 | 30 °C |
| Liquid feed pressure to WTCSCRUB1 | 1.5 bar |
| Operating Pressure in WTSCRUB1 | 1.01 bar |
| Number of stages in WTSCRUB1 | 10 |
| Liquid feed temperature to WTSCRUB2 | 35 °C |
| Liquid feed pressure to WTSCRUB2 | 1.5 bar |
| Number of stages in WTSCRUB2 | 10 |
| Operating Parameter | Value |
|---|---|
| Feed flowrate | 1500 L/h |
| Feed inlet temperature | 85 °C |
| Feed inlet pressure | 1.0 bar |
| Coolant flowrate | 1500 L/h |
| Coolant inlet temperature | 26 °C |
| Coolant inlet pressure | 1.0 bar |
| Parameter | Value |
|---|---|
| Flue gas condensate (wastewater) temp | 56.7 °C |
| Flue gas condensate (wastewater) pressure | 1.01 bar |
| Cleaned gas temperature | 52.2 °C |
| Cleaned gas pressure | 1.01 bar |
| SO2 cleaning efficiency | Over 99% |
| HCl cleaning efficiency | Over 95% |
| Volumetric flow rate of wastewater | 19.4 m3/h |
| Parameter | Value |
|---|---|
| Feed/concentrate outlet temperature | 77.1 °C |
| Coolant stream outlet temperature | 34.2 °C |
| Membrane flux | 6.22 L/m2/h |
| Total thermal energy demand | 978.6 kW |
| Membrane area | 699 m2 |
| Number of modules | 303 |
| GOR | 2.34 |
| SEC | 966 kWh/m3 |
| TE | 64.9% |
Publisher’s Note: MDPI stays neutral with regard to jurisdictional claims in published maps and institutional affiliations. |
© 2022 by the authors. Licensee MDPI, Basel, Switzerland. This article is an open access article distributed under the terms and conditions of the Creative Commons Attribution (CC BY) license (https://creativecommons.org/licenses/by/4.0/).
Share and Cite
Yakah, N.; Noor, I.-e.-; Martin, A.; Simons, A.; Samavati, M. Wet Flue Gas Desulphurization (FGD) Wastewater Treatment Using Membrane Distillation. Energies 2022, 15, 9439. https://doi.org/10.3390/en15249439
Yakah N, Noor I-e-, Martin A, Simons A, Samavati M. Wet Flue Gas Desulphurization (FGD) Wastewater Treatment Using Membrane Distillation. Energies. 2022; 15(24):9439. https://doi.org/10.3390/en15249439
Chicago/Turabian StyleYakah, Noah, Imtisal-e- Noor, Andrew Martin, Anthony Simons, and Mahrokh Samavati. 2022. "Wet Flue Gas Desulphurization (FGD) Wastewater Treatment Using Membrane Distillation" Energies 15, no. 24: 9439. https://doi.org/10.3390/en15249439
APA StyleYakah, N., Noor, I.-e.-, Martin, A., Simons, A., & Samavati, M. (2022). Wet Flue Gas Desulphurization (FGD) Wastewater Treatment Using Membrane Distillation. Energies, 15(24), 9439. https://doi.org/10.3390/en15249439

