Analysis of Energy Consumption of Novel Re-Liquefaction System Integrated with Fuel Supply System (FSS) for LPG-Fuelled LPG Carrier to Conventional Systems
Abstract
:1. Introduction
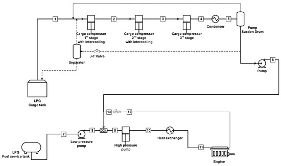
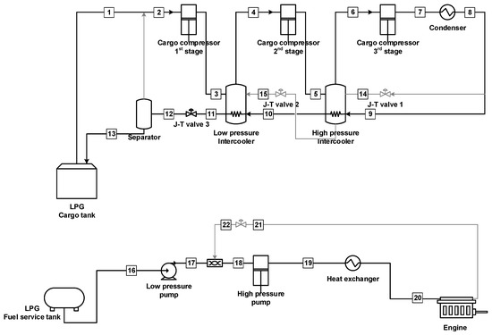
2. System Description
3. Analysis
3.1. Target Vessel
3.2. Design Basis
3.3. Model
4. Results and Discussion
4.1. Results
4.2. Sensitivity Analysis
4.2.1. LPG Compositions
4.2.2. Seawater Temperature
4.2.3. Efficiency of Adiabatic Compressor
4.2.4. Efficiency of Adiabatic Pump
5. Conclusions
Author Contributions
Funding
Data Availability Statement
Conflicts of Interest
References
- International Maritime Organization (IMO). Fourth IMO Greenhouse Gas Study: Executive Summary; IMO: London, UK, 2021. [Google Scholar]
- DNV GL—Maritime. Assessment of Selected Ternative Fuels and Technologies; DNV: Hamburg, Germany, 2018. [Google Scholar]
- Ryste, J.A.; Wold, M.; Sverud, T. Comparison of Alternative Marine Fuels; SEA-LNG: Høvik, Norway, 2019. [Google Scholar]
- American Bureau of Shipping (ABS). Setting the Course to Low Carbon Shipping; Spring: Houston, TX, USA, 2019. [Google Scholar]
- Lloyd’s Register. UMAS Zero-Emission Vessels 2030. How Do We Get There? Lloyd’s Register: London, UK, 2018. [Google Scholar]
- American Bureau of Shipping (ABS). Setting the Course to Low Carbon Shipping—Pathways to Sustainable Shipping; Spring: Houston, TX, USA, 2020. [Google Scholar]
- Lloyd’s Register. UMAS Techno-Economic Assessment of Zero-Carbon Fuels; Lloyd’s Register: London, UK, 2020. [Google Scholar]
- Gilbert, P.; Walsh, C.; Traut, M.; Kesieme, U.; Pazouki, K.; Murphy, A. Assessment of full life-cycle air emissions of alternative shipping fuels. J. Clean. Prod. 2018, 172, 855–866. [Google Scholar] [CrossRef]
- Perčić, M.; Vladimir, N.; Fan, A. Life-cycle cost assessment of alternative marine fuels to reduce the carbon footprint in short-sea shipping: A case study of Croatia. Appl. Energy 2020, 279, 115848. [Google Scholar] [CrossRef]
- Xing, H.; Stuart, C.; Spence, S.; Chen, H. Alternative fuel options for low carbon maritime transportation: Pathways to 2050. J. Clean. Prod. 2021, 297, 126651. [Google Scholar] [CrossRef]
- Mallouppas, G.; Yfantis, E.A. Decarbonization in Shipping industry: A review of research, technology development, and innovation proposals. J. Mar. Sci. Eng. 2021, 9, 415. [Google Scholar] [CrossRef]
- Ampah, J.D.; Yusuf, A.A.; Afrane, S.; Jin, C.; Liu, H. Reviewing two decades of cleaner alternative marine fuels: Towards IMO’s decarbonization of the maritime transport sector. J. Clean. Prod. 2021, 320, 128871. [Google Scholar] [CrossRef]
- McKinlay, C.J.; Turnock, S.R.; Hudson, D.A. Route to zero emission shipping: Hydrogen, ammonia or methanol? Int. J. Hydrogen Energy 2021, 46, 28282–28297. [Google Scholar] [CrossRef]
- Perčić, M.; Vladimir, N.; Fan, A. Techno-economic assessment of alternative marine fuels for inland shipping in Croatia. Renew. Sustain. Energy Rev. 2021, 148, 111363. [Google Scholar] [CrossRef]
- Mäkitie, T.; Steen, M.; Saether, E.A.; Bjørgum, Ø.; Poulsen, R.T. Norwegian ship-owners’ adoption of alternative fuels. Energy Policy 2022, 163, 112869. [Google Scholar] [CrossRef]
- Atilhan, S.; Park, S.; El-Halwagi, M.M.; Atilhan, M.; Moore, M.; Nielsen, R.B. Green hydrogen as an alternative fuel for the shipping industry. Curr. Opin. Chem. Eng. 2021, 31, 100668. [Google Scholar] [CrossRef]
- Kjartansson, S. A Feasibility Study on LPG as Marine Fuel; DNV: Hamburg, Germany, 2011; p. 48. [Google Scholar]
- Brinks, H.W.; Chryssakis, C. LPG as A Marine Fuel; DNV: Hamburg, Germany, 2017. [Google Scholar]
- Crafts, R.; Boats, O. LPG for marine engines. In The Marine Alternative Fuel Commercial, Passenger, Offshore Boats/Ships, Recreational Crafts and Other Boats; WLPGA: Neuilly-sur-Seine, France, 2021; p. 144. [Google Scholar]
- Yeo, S.J.; Kim, J.; Lee, W.J. Potential economic and environmental advantages of liquid petroleum gas as a marine fuel through analysis of registered ships in South Korea. J. Clean. Prod. 2022, 330, 129955. [Google Scholar] [CrossRef]
- Qi, D.H.; Chen, B.; Zhang, D. Combustion and Exhaust Emissions Characteristics of a Dual-Fuel Compression Ignition Engine Operated with Diesel Fuel and Liquefied Petroleum Gas. J. Energy Eng. 2016, 142, 04016017. [Google Scholar] [CrossRef]
- Donghui, Q.; Longbao, Z.; Shenghua, L. Experimental studies on the combustion characteristics and performance of a naturally aspirated, direct injection engine fuelled with a liquid petroleum gas/diesel blend. J. Automob. Eng. 2005, 219, 253–261. [Google Scholar] [CrossRef]
- Qi, D.H.; Bian, Y.Z.H.; Ma, Z.H.Y.; Zhang, C.H.H.; Liu, S.H.Q. Combustion and exhaust emission characteristics of a compression ignition engine using liquefied petroleum gas—Diesel blended fuel. Energy Convers. Manag. 2007, 48, 500–509. [Google Scholar] [CrossRef]
- Deng, L. LPG Carriers Stepping Up to the Decarbonization Challenge; DNV: Hamburg, Germany, 2021. [Google Scholar]
- Noh, Y. Gas Treatment System and Ship Having the Same 2020. Available online: http://engpat.kipris.or.kr/engpat/biblioa.do?method=biblioFrame&start=biblio&link=N&rvtExtend=N (accessed on 6 December 2022).
- Seo, Y. Ship Propulsion System, Ship Propulsion Method and Propulsion Ship Using Bog 2021. Available online: http://engpat.kipris.or.kr/engpat/biblioa.do?method=biblioFrame&start=biblio&link=N&rvtExtend=N (accessed on 6 December 2022).
- Pina, A.; Ferrão, P.; Fournier, J.; Lacarrière, B.; Corre, O. Le Exergetic analysis of an LPG production plant using HYSYS software The analysis Exergetic production Assessing the feasibility of using. Energy Procedia 2019, 157, 1385–1390. [Google Scholar] [CrossRef]
- Jalal, H.; Abuyahya, S.; Pal, P.; Banat, F. Sweetening lique fi ed petroleum gas (LPG): Parametric sensitivity analysis using Aspen HYSYS. J. Nat. Gas Sci. Eng. 2015, 26, 1011–1017. [Google Scholar] [CrossRef]
- Uwitonze, H.; Han, S.; Jangryeok, C.; Suk, K. Design process of LNG heavy hydrocarbons fractionation: Low LNG temperature recovery. Chem. Eng. Process. Process Intensif. 2014, 85, 187–195. [Google Scholar] [CrossRef]
- Waqar, M.; Ishaq, H.; Rukh, S. Energetically enhanced natural gas liquefaction process with CO2 precooling. Energy Convers. Manag. X 2022, 14, 100200. [Google Scholar] [CrossRef]









| Items | Values |
|---|---|
| Cargo Capacity | 84,000 m3 |
| Length O. A. | 226 |
| Length B. P. | 216 |
| Engine | MAN B&W 6G60ME-C9.5-LGI(P) |
| NMCR | 16,080 kW × 97 rpm |
| SMCR | 13,300 kW × 94 rpm |
| NCR (80% of SMCR) | 10,700 kW × 87.4 rpm |
| Required LPG at NCR | 1474 kg/h |
| Service Speed (knot) | 16.5 |
| BOG from Cargo Tank | 473 kg/h |
| Item | Unit | Value |
|---|---|---|
| Process Simulator | Aspen HYSYS v12.1 | |
| EOS (Equation of State) | Peng-Robinson | |
| LPG Composition: Propane | % | 100 |
| Pressure of BOG | bara | 1 |
| Temperature of BOG | °C | −42.5 |
| Pressure of Liquefied BOG | bara | 1 |
| Temperature of Liquefied BOG | °C | −42.5 |
| Temperature of Seawater | °C | 32 |
| Type of Cargo Compressor | Reciprocating | |
| Efficiency of Cargo Compressor | % | 75 |
| Type of Condensed BOG Pump | Centrifugal | |
| Efficiency of Condensed BOG Pump | % | 75 |
| Pressure Required by Engine | bara | 53 |
| Temperature Required by Engine | °C | 25–45 |
| Temperature of LPG Entered to Engine | °C | 35 |
| Type of low-pressure Pump | Centrifugal | |
| Efficiency of FSS LP Pump | % | 75 |
| Type of high-pressure Pump | Diaphragm | |
| Efficiency of FSS HP Pump | % | 75 |
| Stream | 1 | 2 | 3 | 4 | 5 | 6 | 7 | 8 | 9 | 10 | 11 |
|---|---|---|---|---|---|---|---|---|---|---|---|
| Pressure (bar) | 1.0 | 1.0 | 2.36 | 2.36 | 5.57 | 5.57 | 13.14 | 13.14 | 13.14 | 13.14 | 13.14 |
| Temperatuer (°C) | −42.5 | −40.9 | −4.4 | 5.0 | 43.9 | 11.1 | 53.1 | 38.0 | 38.0 | 15.4 | 9.7 |
| Flow rate (kg/h) | 473 | 669.8 | 669.8 | 669.8 | 669.8 | 956.6 | 956.6 | 956.6 | 669.6 | 669.6 | 669.6 |
| Stream | 12 | 13 | 14 | 15 | 16 | 17 | 18 | 19 | 20 | 21 | 22 |
| Pressure (bar) | 1.0 | 1.0 | 5.57 | 2.36 | 1.0 | 21.0 | 21.0 | 53.0 | 53.0 | 53.0 | 21.0 |
| Temperatuer (°C) | −42.5 | −42.5 | 5.4 | −21.0 | −42.3 | −41.2 | −17.9 | −15.5 | 35 | 60 | 57.4 |
| Flow rate (kg/h) | 669.6 | 427.8 | 287.0 | 0 | 1474 | 1474 | 1843 | 1843 | 1843 | 369 | 369 |
| Stream | 1 | 2 | 3 | 4 | 5 | 6 | 7 | 8 | 9 | 10 | 11 |
|---|---|---|---|---|---|---|---|---|---|---|---|
| Pressure (bar) | 1.0 | 2.36 | 5.57 | 13.14 | 13.14 | 21.0 | 1.0 | 21.0 | 21.0 | 53 | 53 |
| Temperatuer (°C) | −42.5 | −6.0 | 32.6 | 74.5 | 38 | 39.1 | −42.5 | −41.2 | 3.5 | 6.3 | 35.0 |
| Flow rate (kg/h) | 473 | 473 | 473 | 473 | 473 | 473 | 1001 | 1001 | 1843 | 1843 | 1843 |
| Stream | 12 | 13 | |||||||||
| Pressure (bar) | 53 | 21 | |||||||||
| Temperatuer (°C) | 60 | 57.4 | |||||||||
| Flow rate (kg/h) | 369 | 369 |
| Composition | Saturation Pressure (bar) | Assumed Final Pressure of Conventional System (Bar) | Assumed Final Pressure of Novel System (Bar) |
|---|---|---|---|
| Propane 100% | 13.1 | 13.1 | 13.1 |
| Propane 75%, Butane 25% | 10.7 | 13.0 | 10.7 |
| Propane 50%, Butane 50% | 8.5 | 9.9 | 8.5 |
| Butane 100% | 4.3 | 4.3 | 4.3 |
| Propane 95%, Ethane 5% | 14.7 | 20.8 | 14.7 |
| Propane 90%, Ethane 10% | 16.2 | 28.4 | 16.2 |
| LPG Compositions | Re-Liquefaction System (kW) | Fuel Supply System (kW) | Total (kW) |
|---|---|---|---|
| Propane 100%-Conventional | 35.1 | 71.3 | 106.4 |
| Propane 100%-Novel | 22.1 | 44.2 | 66.2 |
| Propane 75%, Butane 25%-Conventional | 30.1 | 64.6 | 94.7 |
| Propane 75%, Butane 25%-Novel | 19.6 | 40.0 | 59.5 |
| Propane 50%, Butane 50%-Conventional | 27.1 | 57.0 | 84.1 |
| Propane 50%, Butane 50%-Novel | 16.7 | 35.1 | 51.8 |
| Butane 100%-Conventioal | 12.3 | 34.5 | 46.8 |
| Butane 100%-Novel | 10.0 | 20.1 | 30.1 |
| Propane 95%, Ethane 5%-Conventional | 42.5 | 77.2 | 119.7 |
| Propane 95%, Ethane 5%-Novel | 23.6 | 48.1 | 71.8 |
| Propane 90%, Ethane 10%-Conventional | 53.0 | 82.4 | 135.3 |
| Propane 90%, Ethane 10%-Novel | 25.0 | 51.6 | 76.6 |
Publisher’s Note: MDPI stays neutral with regard to jurisdictional claims in published maps and institutional affiliations. |
© 2022 by the authors. Licensee MDPI, Basel, Switzerland. This article is an open access article distributed under the terms and conditions of the Creative Commons Attribution (CC BY) license (https://creativecommons.org/licenses/by/4.0/).
Share and Cite
Seo, Y.; Kim, J.; Park, E.; Lee, J.; Cho, M.; Han, S. Analysis of Energy Consumption of Novel Re-Liquefaction System Integrated with Fuel Supply System (FSS) for LPG-Fuelled LPG Carrier to Conventional Systems. Energies 2022, 15, 9384. https://doi.org/10.3390/en15249384
Seo Y, Kim J, Park E, Lee J, Cho M, Han S. Analysis of Energy Consumption of Novel Re-Liquefaction System Integrated with Fuel Supply System (FSS) for LPG-Fuelled LPG Carrier to Conventional Systems. Energies. 2022; 15(24):9384. https://doi.org/10.3390/en15249384
Chicago/Turabian StyleSeo, Youngkyun, Jintae Kim, Eunyoung Park, Jinkwang Lee, Meangik Cho, and Seongjong Han. 2022. "Analysis of Energy Consumption of Novel Re-Liquefaction System Integrated with Fuel Supply System (FSS) for LPG-Fuelled LPG Carrier to Conventional Systems" Energies 15, no. 24: 9384. https://doi.org/10.3390/en15249384
APA StyleSeo, Y., Kim, J., Park, E., Lee, J., Cho, M., & Han, S. (2022). Analysis of Energy Consumption of Novel Re-Liquefaction System Integrated with Fuel Supply System (FSS) for LPG-Fuelled LPG Carrier to Conventional Systems. Energies, 15(24), 9384. https://doi.org/10.3390/en15249384

