Development and Tests of the Water Cooling System Dedicated to Photovoltaic Panels
Abstract
:1. Introduction
- Solar radiation energy falling on the solar cells;
- Conductive heat transfer to the roof sheet, and to the mounting frame, convective heat transfer, and radiative heat transfer to the surrounding environment (see Figure 1).
2. Materials and Methods
2.1. Experimental Rig with 50 Wp PV Panels (Experimental Rig No. 1)
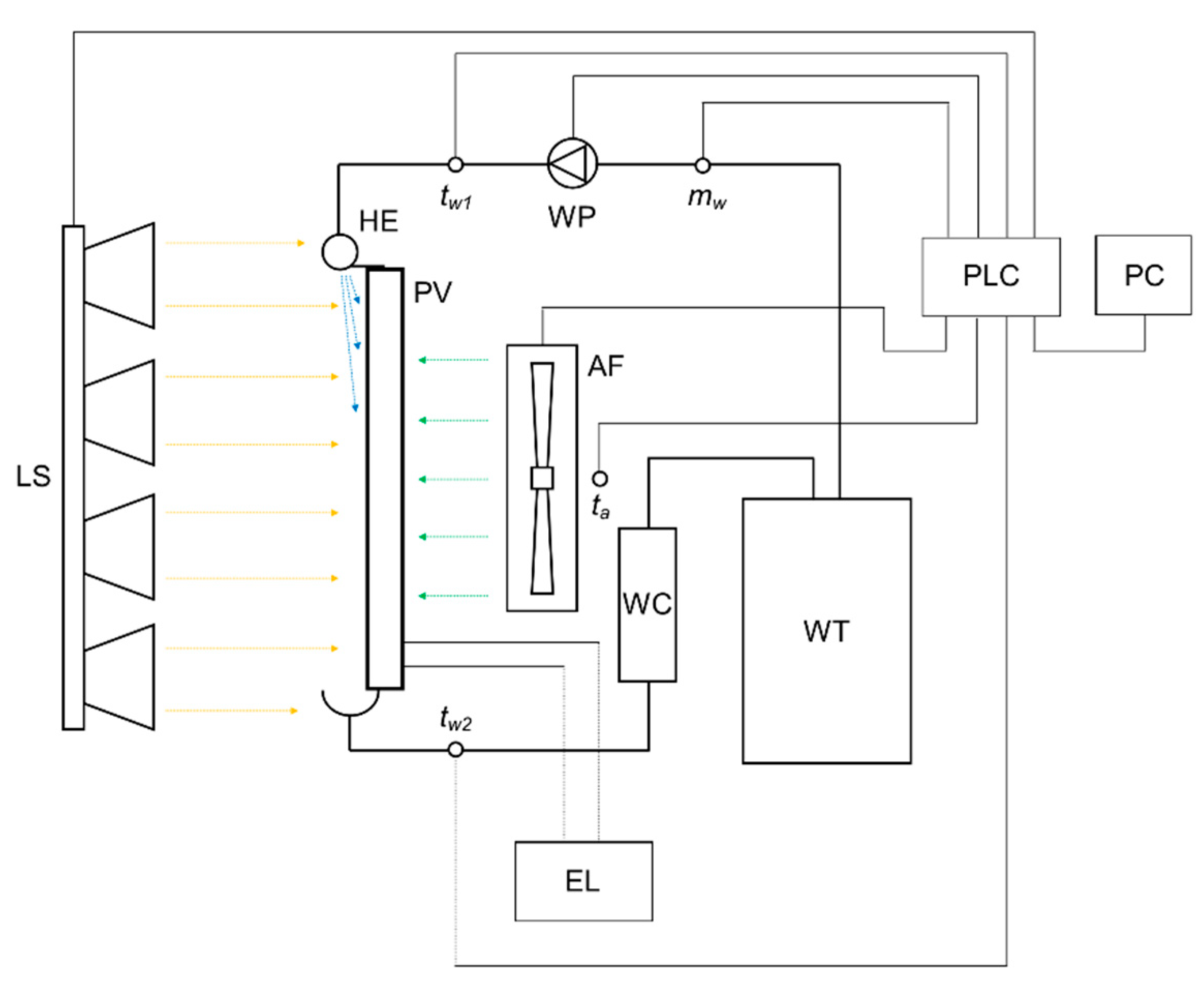
2.2. Experimental Rig with 310 Wp PV Panels (Experimental Rig No. 2)
2.3. The Main Parameters of the Components Used
- The 50 Wp polycrystalline PV panels characterized by a maximum power PMAX of 50 W, a nominal MPP current IMPP of 2.77 A, a nominal MPP voltage VMPP of 18.00 V, a short circuit current ISC of 2.96 A, an open circuit voltage VOC of 21.60 V, and dimensions of 680 × 510 × 30 mm [38];
- The 310 Wp monocrystalline PV panels characterized by a maximum power PMAX = 310 W, a nominal MPP current IMPP of 9.31 A, a nominal MPP voltage VMPP of 33.30 V, a short circuit current ISC of 9.70 A, an open circuit voltage VOC of 39.99 V, and dimensions of 1640 × 992 × 35 mm [39];
- Artificial light source equipped with 15 halogen lamps characterized by the electrical power of 7.5 kW (500 W each lamp);
- Electronic load with the following input ratings: current 0–40 A (accuracy 0.05% + 8 mA), voltage 0–80 V (accuracy 0.1% + 8 mV), and power 0–400 W (accuracy 0.1% + 600 mW);
- Programmable logic controller with a set of I/O modules, including analog modules to measure temperature and flow, as well as digital modules to control the operation of pump, air fan, and light source;
- Pt100 resistance sensors with a measuring range from −50 °C to 400 °C and tolerance of ±0.3 + 0.005 × [t];
- Water flowmeter with pulse transmitter (1 L = 1 impulse) (accuracy ±3.0%).
- PMAX—the matched power, W
- ISC—short circuit current, A
- VOC—open circuit voltage, V
- IC—initial costs, EUR
- ES—energy savings, EUR/year
- IC—initial costs, EUR
- CFt—net cash flow during a single period t, EUR/year
- A—discount rate, -
- T—number of time periods, years
3. Results and Discussion
3.1. Series 1—Study of the Impact of Temperature on the Performance of the 50 Wp PV Panel
3.2. Series 2—Study of the Impact of Cooling on the Performance of the 50 Wp PV Panel
3.3. Series 3—The Impact of Water Cooling on the Performance of the 50 Wp PV Panel
3.4. Series 4—The Impact of Temperature on the Performance of the 310 Wp PV Panel
3.5. Summary of the Results Obtained in Series 1–4
3.6. The Economical Aspects of Introducing a Water Cooling System
4. Conclusions
Author Contributions
Funding
Institutional Review Board Statement
Informed Consent Statement
Data Availability Statement
Acknowledgments
Conflicts of Interest
Abbreviations
| AF | Air fan |
| EL | Electronic load |
| EUR | Euro |
| CPV | Concentration photovoltaic |
| FF | Fill factor |
| HE | Header |
| I/O | Input/output |
| LCE | Levelized cost of energy |
| LS | Light source |
| NPV | Net present values |
| PC | Computer |
| PCM | Phase change materials |
| PLC | Programmable logic controller |
| PV | Photovoltaic |
| PV/T | Photovoltaic thermal |
| SPBT | Simple pay-back time |
| WC | Water cooler |
| WP | Water pump |
| WT | Water tank |
| TEG | Thermoelectric generator |
References
- Esfe, M.H.; Kamyab, M.H.; Valadkhani, M. Application of nanofluids and fluids in photovoltaic thermal system: An updated review. Sol. Energy 2020, 199, 796–818. [Google Scholar] [CrossRef]
- Jaszczur, M.; Papis, K.; Książek, M.; Czerwiński, G.; Wojtas, G.; Koncewicz, W.; Nabożna, S.; Wójcik, M. An investigation of the aerodynamic parameters for Solar Plane wing profile using CFD modelling. Comput. Sci. 2021, 22, 123–142. [Google Scholar] [CrossRef]
- Kapuścik, W.; Maraszek, J.; Borowicz, M.; Sornek, K. AGH Solar Boat–the analysis of energy and ecological parameters of the solar powered boat. IOP Conf. Ser. Earth Environ. Sci. 2019, 214, 012143. [Google Scholar] [CrossRef]
- Sornek, K.; Wiercioch, J.; Kurczyna, D.; Figaj, R.; Wójcik, B.; Borowicz, M.; Wieliński, M. Development of a solar-powered small autonomous surface vehicle for environmental measurements. Energy Convers. Manag. 2022, 267, 115953. [Google Scholar] [CrossRef]
- Chemisana, D.; Lamnatou, C. Photovoltaic-green roofs: An experimental evaluation of system performance. Appl. Energy 2014, 119, 246–256. [Google Scholar] [CrossRef]
- Żołądek, M.; Filipowicz, M.; Sornek, K.; Figaj, R.D. Energy performance of the photovoltaic system in urban area-case study. IOP Conf. Ser. Earth Environ. Sci. 2019, 214, 012123. [Google Scholar] [CrossRef]
- Shafique, M.; Luo, X.; Zuo, J. Photovoltaic-green roofs: A review of benefits, limitations, and trends. Sol. Energy 2020, 202, 485–497. [Google Scholar] [CrossRef]
- Elminir, H.K.; Ghitas, A.E.; Hamid, R.; El-Hussainy, F.; Beheary, M.; Abdel-Moneim, K.M. Effect of dust on the transparent cover of solar collectors. Energy Convers. Manag. 2006, 47, 3192–3203. [Google Scholar] [CrossRef]
- Essalaimeh, S.; Al-Salaymeh, A.; Abdullat, Y. Electrical production for domestic and industrial applications using hybrid PV-wind system. Energy Convers. Manag. 2013, 65, 736–743. [Google Scholar] [CrossRef]
- Gostein, M.; Caron, J.R.; Littmann, B. Measuring soiling losses at utility-scale PV power plants. In Proceedings of the 2014 IEEE 40th Photovoltaic Specialist Conference (PVSC), Denver, CO, USA, 8–13 June 2014; pp. 885–890. [Google Scholar] [CrossRef]
- Sheng, C.; Nnanna, A.A. Empirical correlation of cooling efficiency and transport phenomena of direct evaporative cooler. Appl. Therm. Eng. 2012, 40, 48–55. [Google Scholar] [CrossRef]
- Ghadiri, M.; Sardarabadi, M.; Pasandideh-Fard, M.; Moghadam, A.J. Experimental investigation of a PVT system performance using nano ferrofluids. Energy Convers. Manag. 2015, 103, 468–476. [Google Scholar] [CrossRef]
- Santbergen, R.; Rindt, C.C.M.; Zondag, H.A.; van Zolingen, R.C. Detailed analysis of the energy yield of systems with covered sheet-and-tube PVT collectors. Sol. Energy 2010, 84, 867–878. [Google Scholar] [CrossRef]
- Huang, C.-Y.; Sung, H.-C.; Yen, K.-L. International Journal of Smart Grid and Clean Energy Experimental Study of Photovoltaic/Thermal (PV/T) Hybrid System. Int. J. Smart Grid Clean Energy 2013, 2, 147–151. [Google Scholar] [CrossRef]
- Zondag, H.A.; de Vries, D.W.; van Helden, W.G.J.; van Zolingen, R.J.C.; van Steenhoven, A.A. The yield of different combined PV-thermal collector designs. Sol. Energy 2003, 74, 253–269. [Google Scholar] [CrossRef]
- Aste, N.; Del Pero, C.; Leonforte, F.; Manfren, M. Performance monitoring and modeling of an uncovered photovoltaic-thermal (PVT) water collector. Sol. Energy 2016, 135, 551–568. [Google Scholar] [CrossRef]
- Li, G.; Pei, G.; Yang, M.; Ji, J. Experiment investigation on electrical and thermal performances of a semitransparent photovoltaic/thermal system with water cooling. Int. J. Photoenergy 2014, 2014, 360235. [Google Scholar] [CrossRef]
- Preet, S.; Bhushan, B.; Mahajan, T. Experimental investigation of water based photovoltaic/thermal (PV/T) system with and without phase change material (PCM). Sol. Energy 2017, 155, 1104–1120. [Google Scholar] [CrossRef]
- Yildirim, M.A.; Cebula, A.; Sułowicz, M. A cooling design for photovoltaic panels–Water-based PV/T system. Energy 2022, 256, 124654. [Google Scholar] [CrossRef]
- Dwivedi, P.; Sudhakar, K.; Soni, A.; Solomin, E.; Kirpichnikova, I. Advanced cooling techniques of P.V. modules: A state of art. Case Stud. Therm. Eng. 2020, 21, 100674. [Google Scholar] [CrossRef]
- Ramkiran, B.; Sundarabalan, C.K.; Sudhakar, K. Sustainable passive cooling strategy for PV module: A comparative analysis. Case Stud. Therm. Eng. 2021, 27, 101317. [Google Scholar] [CrossRef]
- Kabeel, A.E.; Abdelgaied, M.; Sathyamurthy, R. A comprehensive investigation of the optimization cooling technique for improving the performance of PV module with reflectors under Egyptian conditions. Sol. Energy 2019, 186, 257–263. [Google Scholar] [CrossRef]
- Abdullah, A.A.; Attulla, F.S.; Ahmed, O.K.; Algburi, S. Effect of cooling method on the performance of PV/Trombe wall: Experimental assessment. Therm. Sci. Eng. Prog. 2022, 30, 101273. [Google Scholar] [CrossRef]
- Bahaidarah, H.; Subhan, A.; Gandhidasan, P.; Rehman, S. Performance evaluation of a PV (photovoltaic) module by back surface water cooling for hot climatic conditions. Energy 2013, 59, 445–453. [Google Scholar] [CrossRef]
- Baloch, A.A.B.; Bahaidarah, H.M.S.; Gandhidasan, P.; Al-Sulaiman, F.A. Experimental and numerical performance analysis of a converging channel heat exchanger for PV cooling. Energy Convers. Manag. 2015, 103, 14–27. [Google Scholar] [CrossRef]
- Xu, Z.; Kleinstreuer, C. Computational analysis of nanofluid cooling of high concentration photovoltaic cells. J. Therm. Sci. Eng. Appl. 2014, 6, 031009. [Google Scholar] [CrossRef]
- Elnozahy, A.; Rahman, A.K.A.; Ali, A.H.H.; Abdel-Salam, M.; Ookawara, S. Performance of a PV module integrated with standalone building in hot arid areas as enhanced by surface cooling and cleaning. Energy Build. 2015, 88, 100–109. [Google Scholar] [CrossRef]
- Shalaby, S.M.; Elfakharany, M.K.; Moharram, B.M.; Abosheiasha, H.F. Experimental study on the performance of PV with water cooling. Energy Rep. 2021, 8, 957–961. [Google Scholar] [CrossRef]
- Olczak, P.; Olek, M.; Matuszewska, D.; Dyczko, A.; Mania, T. Monofacial and Bifacial Micro PV Installation as Element of Energy Transition—The Case of Poland. Energies 2021, 14, 499. [Google Scholar] [CrossRef]
- Papis-Frączek, K.; Żołądek, M.; Filipowicz, M. The possibilities of upgrading an existing concentrating solar thermal system—Case study. Energy Rep. 2021, 7, 28–32. [Google Scholar] [CrossRef]
- Sornek, K.; Filipowicz, M.; Jasek, J. The use of fresnel lenses to improve the efficiency of photovoltaic modules for building-integrated concentrating photovoltaic systems. J. Sustain. Dev. Energy Water Environ. Syst. 2018, 6, 415–426. [Google Scholar] [CrossRef]
- Jannen, A.; Chaabane, M.; Mhiri, H.; Bournot, P. Performance enhancement of concentrated photovoltaic systems CPVS using a nanofluid optical filter. Case Stud. Therm. Eng. 2022, 35, 102081. [Google Scholar] [CrossRef]
- Figaj, R.; Żołądek, M. Experimental and numerical analysis of hybrid solar heating and cooling system for a residential user. Renew. Energy 2021, 172, 955–967. [Google Scholar] [CrossRef]
- Ge, J.; Shen, C.; Zhao, K.; Lv, G. Energy production features of rooftop hybrid photovoltaic–wind system and matching analysis with building energy use. Energy Convers. Manag. 2022, 258, 115485. [Google Scholar] [CrossRef]
- Figaj, R.; Żołądek, M.; Goryl, W. Dynamic Simulation and Energy Economic Analysis of a Household Hybrid Ground-Solar-Wind System Using TRNSYS Software. Energies 2020, 13, 3523. [Google Scholar] [CrossRef]
- Sabry, M.; Lashin, A.; Al Turkestani, M. Experimental and simulation investigations of CPV/TEG hybrid system. J. King Saud Univ.-Sci. 2020, 33, 101321. [Google Scholar] [CrossRef]
- Zubeer, S.A.; Ali, O.M. Experimental and numerical study of low concentration and water-cooling effect on PV module performance. Case Stud. Therm. Eng. 2022, 34, 102007. [Google Scholar] [CrossRef]
- Available online: https://www.4sun.eu/baterie-sloneczne-polikrystaliczne/panel-sloneczny-50w-p-maxx (accessed on 28 July 2022).
- Available online: https://ekowolt.pl/3492/panel-monokrystaliczny-ege-310m-b-60 (accessed on 28 July 2022).
- Abdelhady, S. Performance and cost evaluation of solar dish power plant: Sensitivity analysis of levelized cost of electricity (LCOE) and net present value (NPV). Renew. Energy 2020, 168, 332–342. [Google Scholar] [CrossRef]
- Olczak, P.; Komorowska, A. An adjustable mounting rack or an additional PV panel? Cost and environmental analysis of a photovoltaic installation on a household: A case study in Poland. Sustain. Energy Technol. Assess. 2021, 47, 101496. [Google Scholar] [CrossRef]
- Electricity Price Statistics. 2020. Available online: https://ec.europa.eu/eurostat/statistics-explained/index.php/Electricity_price_statistics (accessed on 4 February 2022).













| Cooling Method | VMPP V | IMPP A | PMPP W | VOC V | ISC A | FF - |
|---|---|---|---|---|---|---|
| Initial phase (t = 0 min.) | ||||||
| N/A | 18.4 | 1.6 | 29.4 | 21.6 | 1.7 | 0.88 |
| Final phase (t = 15 min.) | ||||||
| No cooling (Series 1) | 16.2 | 1.6 | 25.9 | 18.5 | 1.8 | 0.77 |
| Air cooling (Series 2) | 17.3 | 1.6 | 27.6 | 20.1 | 1.7 | 0.80 |
| Water cooling (Series 2) | 17.7 | 1.6 | 28.3 | 20.5 | 1.7 | 0.81 |
| Water cooling (Series 3) | 18.0 | 1.6 | 28.9 | 20.9 | 1.7 | 0.82 |
| Cooling Method | VMPP V | IMPP A | PMPP W | VOC V | ISC A | FF - |
|---|---|---|---|---|---|---|
| Initial phase | 32.3 | 9.0 | 289.9 | 40.1 | 9.2 | 0.78 |
| No cooling (Series 4) | 28.3 | 9.0 | 255.1 | 36.1 | 9.9 | 0.72 |
| Water cooling (Series 4) | 31.3 | 9.0 | 281.8 | 39.2 | 9.5 | 0.76 |
| Parameter | PV Installation 5 kWp | PV Installation 10 kWp |
|---|---|---|
| Estimated investment costs, EUR | 750 | 1200 |
| Estimated increase in generated energy, kWh | 500 | 1000 |
| Estimated economic benefits, EUR per year | 90 | 180 |
| SPBT, years | 8.3 | 6.7 |
| NPV (10 years, α = 5%), EUR | −55.0 | 189.9 |
| NPV (10 years, α = 10%), EUR | −197.0 | −94.0 |
| NPV (15 years, α = 5%), EUR | 184.2 | 668.3 |
| NPV (15 years, α = 10%), EUR | −65.5 | 169.1 |
Publisher’s Note: MDPI stays neutral with regard to jurisdictional claims in published maps and institutional affiliations. |
© 2022 by the authors. Licensee MDPI, Basel, Switzerland. This article is an open access article distributed under the terms and conditions of the Creative Commons Attribution (CC BY) license (https://creativecommons.org/licenses/by/4.0/).
Share and Cite
Sornek, K.; Goryl, W.; Figaj, R.; Dąbrowska, G.; Brezdeń, J. Development and Tests of the Water Cooling System Dedicated to Photovoltaic Panels. Energies 2022, 15, 5884. https://doi.org/10.3390/en15165884
Sornek K, Goryl W, Figaj R, Dąbrowska G, Brezdeń J. Development and Tests of the Water Cooling System Dedicated to Photovoltaic Panels. Energies. 2022; 15(16):5884. https://doi.org/10.3390/en15165884
Chicago/Turabian StyleSornek, Krzysztof, Wojciech Goryl, Rafał Figaj, Gabriela Dąbrowska, and Joanna Brezdeń. 2022. "Development and Tests of the Water Cooling System Dedicated to Photovoltaic Panels" Energies 15, no. 16: 5884. https://doi.org/10.3390/en15165884
APA StyleSornek, K., Goryl, W., Figaj, R., Dąbrowska, G., & Brezdeń, J. (2022). Development and Tests of the Water Cooling System Dedicated to Photovoltaic Panels. Energies, 15(16), 5884. https://doi.org/10.3390/en15165884

