Grid-Connected PV Systems Controlled by Sliding via Wireless Communication
Abstract
1. Introduction
2. The Grid-Connected PV System Configuration
2.1. The PV Module
2.2. The DC/DC Converter
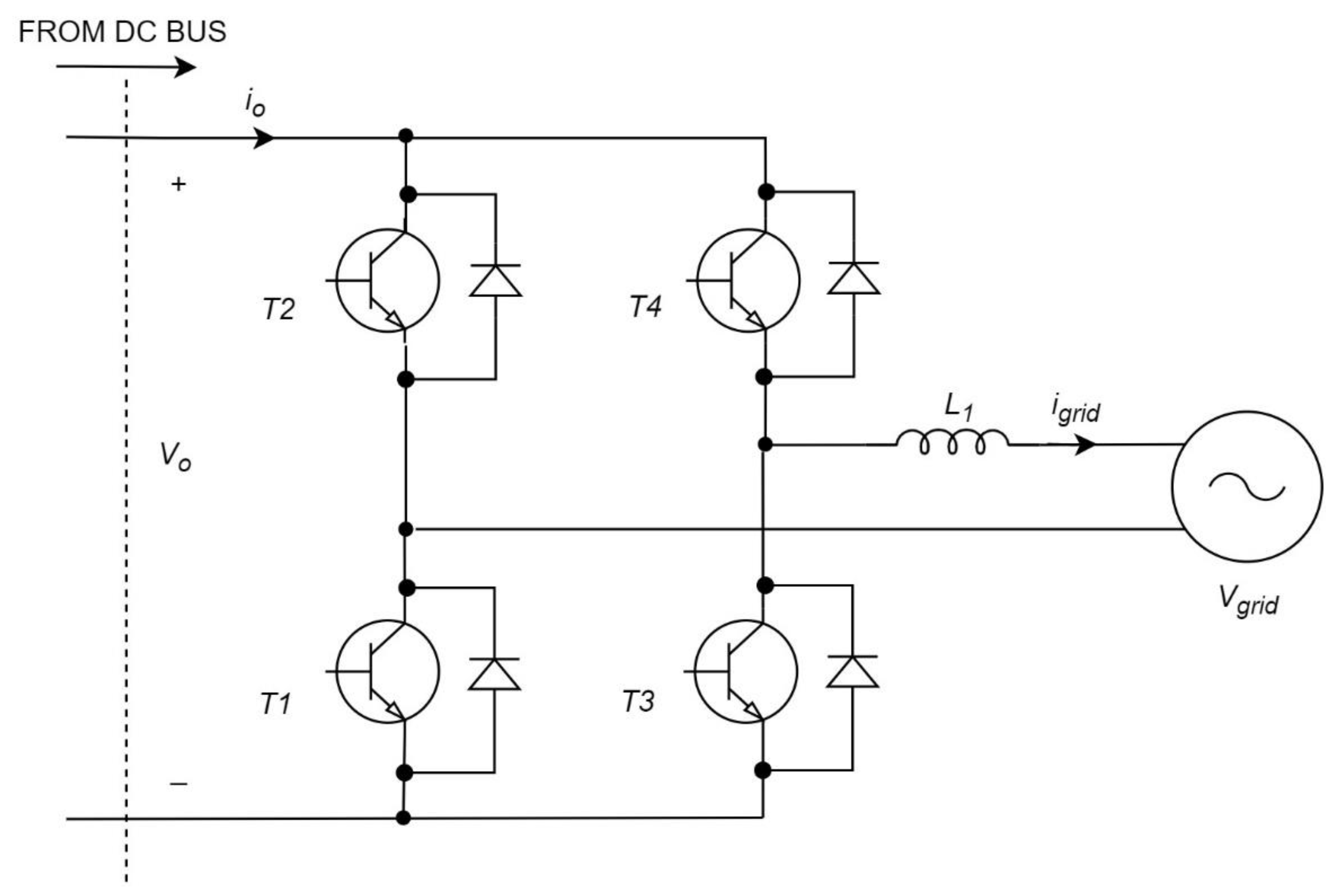
2.3. The DC/AC Converter
3. The DC/DC Converter and DC/AC Converter Controllers
3.1. DC/DC Converter Sliding Controller
3.2. DC/AC Converter PI Controller
4. Experimental Results
4.1. Experimental Platform
4.2. Wi-Fi Communication
4.3. Practical Cases
5. Discussion
6. Conclusions
Author Contributions
Funding
Conflicts of Interest
References
- Shin, J.H.; Kim, J.O. On-line diagnosis and fault state classification method of photovoltaic Plant. Energy 2020, 13, 4584. [Google Scholar] [CrossRef]
- Chen, Z.; Wu, L.; Cheng, S.; Lin, P.; Wu, Y.; Lin, W. Intelligent fault diagnosis of photovoltaic arrays based on optimized kernel extreme learning machine and I-V characteristics. Appl. Energy 2017, 204, 912–931. [Google Scholar] [CrossRef]
- Chena, Z.; Chena, Y.; Wua, L.; Chenga, S.; Lin, P. Deep residual network based fault detection and diagnosis of photovoltaic arrays using current-voltage curves and ambient conditions. Energy Convers. Manag. 2019, 198, 111793. [Google Scholar] [CrossRef]
- Zhao, Q.; Shao, S.; Lu, L.; Liu, X.; Zhu, H. A new PV array fault diagnosis method using fuzzy c-mean clustering and fuzzy membership algorithm. Energy 2018, 11, 238. [Google Scholar] [CrossRef]
- Sun, X.; Chavali, R.V.K.; Alam, M.A. Real-time monitoring and diagnosis of photovoltaic system degradation only using maximum power point-the Suns-Vmp method. Prog. Photovolt. 2018, 27, 55–66. [Google Scholar] [CrossRef]
- Samara, S.; Natsheh, E. Intelligent PV panels fault diagnosis method based on NARX network and linguistic fuzzy rule-based systems. Sustainability 2020, 12, 2011. [Google Scholar] [CrossRef]
- Rivai, A.; Rahim, N.A.; Elias, M.F.M.; Jamaludin, J. Analysis of photovoltaic string failure and health monitoring with module fault identification. Energy 2020, 13, 100. [Google Scholar] [CrossRef]
- Silvestre, S.; Mora-López, L.L.; Kichoua, S.; Sánchez-Pacheco, F.; Domínguez-Pumar, M. Remote supervision and fault detection on OPC monitored PV systems. Solar Energy 2016, 137, 424–433. [Google Scholar] [CrossRef]
- Chao, K.H.; Chen, C.T. A remote supervision fault diagnosis meter for photovoltaic power generation systems. Measurment 2017, 104, 93–104. [Google Scholar] [CrossRef]
- Krauter, S.C.W.; Depping, T. Remote PV-system monitored via satellite Solar Energy Materials and Solar Cells. Solar Energy Mater. Sol. Cells 2004, 82, 139–150. [Google Scholar] [CrossRef]
- Gagliarducci, M.; Lampasi, D.A.; Podestà, L. GSM-based monitoring and control of photovoltaic power generation. Measurment 2007, 40, 314–321. [Google Scholar] [CrossRef]
- Lopez-Vargas, A.; Fuentes, M.; Vivar, M. IoT application for real-time monitoring of solar home systems based on arduinoTM with 3G connectivity. IEEE Sens. J. 2019, 19, 679–691. [Google Scholar] [CrossRef]
- Papadakis, K.; Koutroulis, E.; Kalaitzakis, K. A server database system for remote monitoring and operational evaluation of renewable energy sources plants. Renew. Energy 2005, 30, 1649–1669. [Google Scholar] [CrossRef]
- Xia, K.; Ni, J.; Ye, Y.; Xu, P.; Wang, Y. A real-time monitoring system based on ZigBee and 4G communications for photovoltaic generation. CSEE J. Power Energy Syst. 2020, 6, 52–63. [Google Scholar]
- Moon, S.; Kim, S.J.; Seo, J.W.; Park, J.H.; Park, C.; Chung, C.S. Maximum power point tracking without current sensor for photovoltaic module integrated converter using Zigbee wireless network. Electr. Power Energy Syst. 2014, 56, 286–297. [Google Scholar] [CrossRef]
- Subudhi, B.; Pradhan, R. A comparative study on maximum power point tracking techniques for photovoltaic power systems. IEEE Trans. Sustain. Energy 2013, 4, 89–98. [Google Scholar] [CrossRef]
- Martín, A.D.; Cano, J.M.; Herrera, R.S.; Vazquez, J.R. Wireless sliding MPPT control of photovoltaic systems in distributed generation systems. Energies 2019, 12, 3226. [Google Scholar] [CrossRef]
- Koca, Y.B.; Aslan, Y.; Oguz, Y. Boost Converter Design and Analysis for Photovoltaic Systems. In Proceedings of the International Conference on Engineering Technology and Applied Sciences, ICETAS, Kiev, Ukraine, 24–28 April 2019. [Google Scholar]
- Martin, A.D.; Cano, J.M.; Silva, J.F.A.; Vazquez, J.R. Backstepping control of smart grid-connected distributed photovoltaic power supplies for telecom equipment. IEEE Trans. Energy Convers. 2015, 30, 1496–1504. [Google Scholar] [CrossRef]
- Shazly, A.M.; Montaser, A.E.S. A comparative study of P&O and INC maximum power point tracking techniques for grid-connected PV systems. SN Appl. Sci. 2019, 1, 174. [Google Scholar]
- Rezk, H.; Aly, M.; Al-Dhaifallah, M.; Shovama, M. Design and Hardware Implementation of New Adaptive Fuzzy Logic-Based MPPT Control Method for Photovoltaic Applications. IEEE Access 2019, 8, 106427–106438. [Google Scholar] [CrossRef]
- Zecevic, Z.; Rolevski, M. Neural network approach to MPPT control and irradiance estimation. Appl. Sci. 2020, 10, 5051. [Google Scholar] [CrossRef]
- Hu, K.; Cao, S.; Li, W.; Zhu, F. An Improved Particle Swarm Optimization Algorithm Suitable for Photovoltaic Power Tracking Under Partial Shading Conditions. IEEE Access 2019, 7, 143217–143232. [Google Scholar] [CrossRef]
- Lyden, S.; Haque, M.E. Maximum power point tracking techniques for photovoltaic systems: A comprehensive review and comparative analysis. Renew. Sustain. Energy Rev. 2015, 52, 1504–1518. [Google Scholar] [CrossRef]
- Brito, M.A.G.; Galotto, L.; Sampaio, L.P.; Melo, G.A.; Canesin, C.A. Evaluation of the main MPPT techniques for photovoltaic applications. IEEE Trans. Ind. Electron. 2013, 60, 1156–1167. [Google Scholar] [CrossRef]
- Dahech, K.; Allouche, M.; Damak, T.; Tadeo, F. Backstepping sliding mode control for maximum power point tracking of a photovoltaic system. Electr. Power Syst. Res. 2017, 143, 182–188. [Google Scholar] [CrossRef]
- Hariri, M.H.M.; Desa, M.K.M.; Masri, S.; Zainuri, M.A.A.M. Grid-Connected PV generation system–components and challenges: A review. Energies 2020, 13, 4279. [Google Scholar] [CrossRef]
- Kadir, A.F.A.; Khatib, T.; Elmenreich, W. Integrating photovoltaic systems in power system: Power quality impacts and optimal planning challenges. Int. J. Photoenergy 2014, 2014, 321826. [Google Scholar]
- Bellinaso, L.V.; Figueira, H.H.; Basquera, M.F.; Vieira, R.P.; Grundling, H.A.; Michels, L. Cascade Control with adaptive voltage controller applied to photovoltaic boost converters. IEEE Trans. Ind. Appl. 2019, 55, 1903–1912. [Google Scholar] [CrossRef]
- Errouissi, R.; Muyeen, S.M.; Al-Durra, A.; Leng, S. Experimental validation of a robust continuous nonlinear model predictive control based grid-interlinked photovoltaic inverter. IEEE Trans. Ind. Electron. 2016, 63, 4495–4505. [Google Scholar] [CrossRef]
- Errouissi, R.; Al-Durra, A.; Muyeen, S.M. Design and implementation of a nonlinear PI predictive controller for a grid-tied photovoltaic inverter. IEEE Trans. Ind. Electron. 2017, 64, 1241–1250. [Google Scholar] [CrossRef]
- Hannan, M.A.; Ghani, Z.A.B.D.; Hoque, M.M.; Ker, P.J.; Hussain, A.; Mohamed, A. fuzzy logic inverter controller in photovoltaic applications: Issues and recommendations. IEEE Access 2017, 7, 24934–24955. [Google Scholar] [CrossRef]














| Time (s) | (0–6.8) | (6.8–12.2) | (12.2–20) |
|---|---|---|---|
| DC/DC Converter | |||
| G (W/m2) | 921 | 550 | 908 |
| Vin (V) | 17.9 | 18.2 | 17.88 |
| Iin (A) | 2.9 | 1.82 | 2.97 |
| Pin (W) | 51.91 | 33.12 | 53.1 |
| Vo (V) | 56.5 | 55.85 | 56.01 |
| Io (A) | 0.9 | 0.57 | 0.91 |
| Po (W) | 50.85 | 32.12 | 50.97 |
| Efficiency | 0.96 | 0.97 | 0.96 |
| DC/AC Converter | |||
| Igrid | 1.71 | 1.08 | 1.71 |
| Irms,grid | 1.21 | 0.77 | 1.21 |
| Vrms | 39 | ||
| THD | 1.9 | ||
| Prms | 47.21 | 30.35 | 47.24 |
| Efficiency | 0.935 | 0.946 | 0.928 |
Publisher’s Note: MDPI stays neutral with regard to jurisdictional claims in published maps and institutional affiliations. |
© 2021 by the authors. Licensee MDPI, Basel, Switzerland. This article is an open access article distributed under the terms and conditions of the Creative Commons Attribution (CC BY) license (https://creativecommons.org/licenses/by/4.0/).
Share and Cite
Cano, J.M.; Martin, A.D.; Herrera, R.S.; Vazquez, J.R.; Ruiz-Rodriguez, F.J. Grid-Connected PV Systems Controlled by Sliding via Wireless Communication. Energies 2021, 14, 1931. https://doi.org/10.3390/en14071931
Cano JM, Martin AD, Herrera RS, Vazquez JR, Ruiz-Rodriguez FJ. Grid-Connected PV Systems Controlled by Sliding via Wireless Communication. Energies. 2021; 14(7):1931. https://doi.org/10.3390/en14071931
Chicago/Turabian StyleCano, Juan M., Aranzazu D. Martin, Reyes S. Herrera, Jesus R. Vazquez, and Francisco Javier Ruiz-Rodriguez. 2021. "Grid-Connected PV Systems Controlled by Sliding via Wireless Communication" Energies 14, no. 7: 1931. https://doi.org/10.3390/en14071931
APA StyleCano, J. M., Martin, A. D., Herrera, R. S., Vazquez, J. R., & Ruiz-Rodriguez, F. J. (2021). Grid-Connected PV Systems Controlled by Sliding via Wireless Communication. Energies, 14(7), 1931. https://doi.org/10.3390/en14071931

