Analysis of Prosumer Behavior in the Electrical Network
Abstract
:1. Introduction
1.1. Problem Statement
1.2. Related Works
1.3. Prosumer in Power System
1.4. Paper Contribution
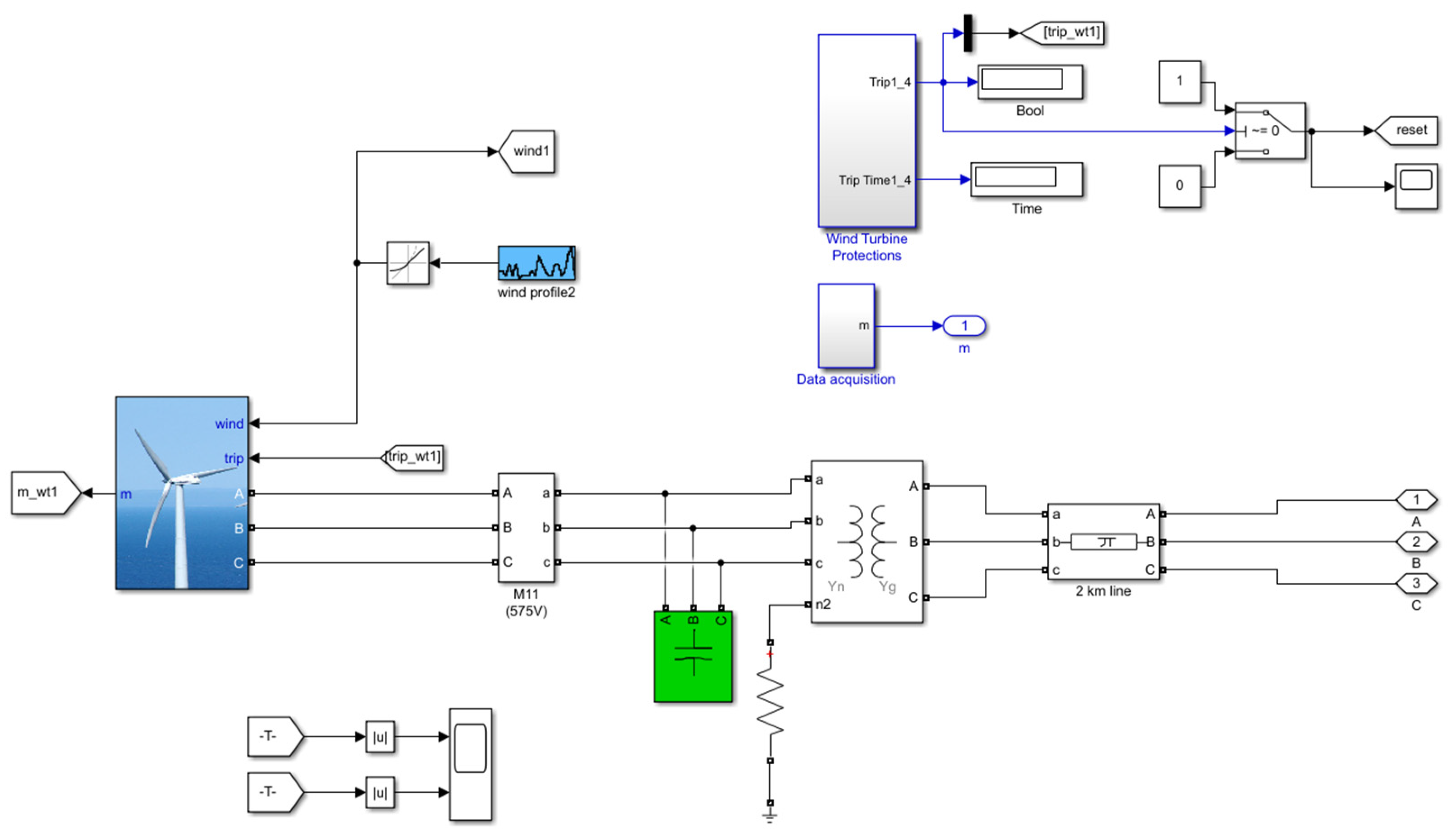
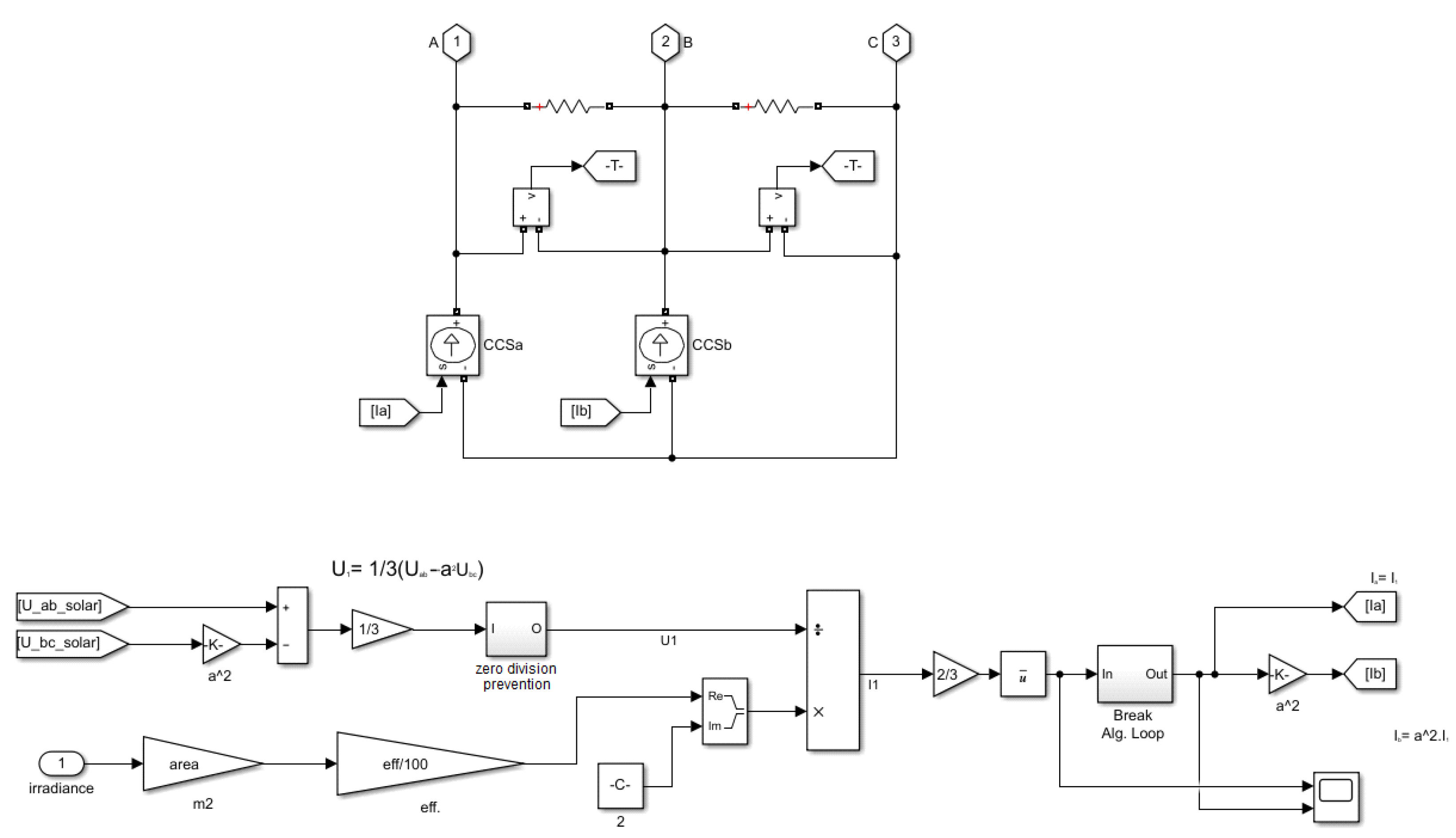
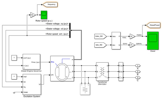
2. Description of Individual Blocks of the Simulation Model
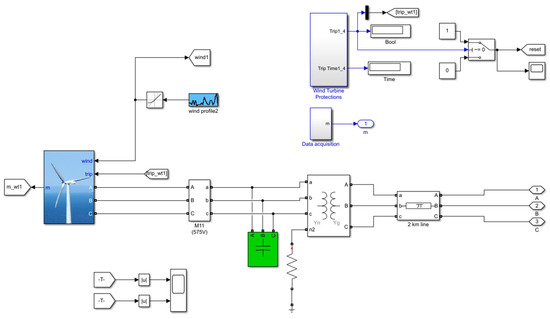
2.1. Wind Power Plant Block
- Short-circuit current,
- Current and voltage asymmetry,
- Overcurrent,
- Undervoltage and overvoltage,
- Exceeding the specified rotor speed of the turbine,
- Decrease in the specified rotor speed of the turbine.
2.2. Photovoltaic Power Plant Block
2.3. Energy Storage System Block (ESS)
2.4. Load Block
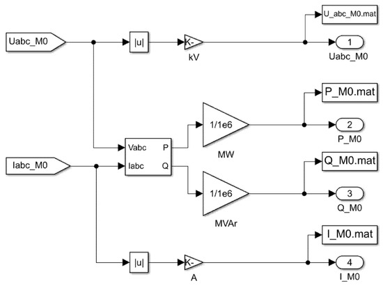
2.5. Measurement Block
2.6. Diesel Generator Block
3. Simulation of Off-Grid and On-Grid System Model
3.1. On-Grid System
3.2. A Description of the Characteristics of Active Powers from
- I.
- A decrease of the frequency below the nominal value fn is caused by the gradual connection of the load, respectively technological equipment in three stages 3 × 50 kW.
- II.
- An increase of the frequency above the nominal value fn is caused by the gradual disconnection of the load, respectively technological equipment.
- III.
- A decrease of the frequency below the nominal value fn is caused by the charging of the ESS and the increase of the frequency by disconnection of the ESS (end of charging, SOC = 95%).
- IV.
- An increase of the frequency above the nominal value fn is caused by the connection of the ESS due to the exceeding of the maximum allowed power consumption from the DS by the prosumer, i.e., 250 kW.
- V.
- A decrease, respectively frequency increase (V. and VI.) below, respectively above the nominal value fn is again due to connection, and by disconnecting the load, where the regulation occurred by reduction, and by increasing the supply of power from DS.
- Connected PV power plant with a total installed capacity of 900 kWp, usable area of solar panels 6000 m2 with an efficiency of 15%, and solar radiation characteristics according to Figure 11;
- A load with a peak power of 1.1 MW (an asynchronous motor with a power of 100 kW is connected in the 3 h of the simulation) and the load characteristic according to Figure 12;
- Connected wind power plant with Pi = 400 kW at 9 m/s,
- Connected diesel generator with nominal power Pn = 4 MW (disconnection in 22 h),
- ESS parameters: Pn = 200 kW, nominal capacity 1000 kWh, charging power 200 kW, initial SOC level = 40%.
- At the beginning of the first interval, the ESS is charged (initial SOC level = 40%) at the time of the low tariff. The load is mainly covered by a diesel generator together with a wind turbine.
- In the second interval, at 3 o’clock, a load in the form of an asynchronous motor with a power of 100 kW was connected, and at 5 o’clock, the charging of the ESS was terminated (SOC = 95%).
- In the third interval, the ESS starts its operation, thus reducing the share of the delivered power of the diesel generator until 11 o’clock. At a given interval, the PV plant also starts to supply power to the network.
- In the fourth interval, the ESS was disconnected due to the exhaustion of the nominal capacity (SOC level = 10%); the regulation of the active power in the network is ensured by means of a diesel generator.
- In the fifth interval, the PV plant also terminated its activity; only the power from the WPP and the diesel generator serves to cover the load. At 10:00 p.m., there was a fault in the diesel generator, and so it had to be disconnected. The lack of power in the off-grid network could not be replaced by any available resource that is part of this system. Therefore, the off-grid network was connected to the DS, which ensured the supply of power without interruption. In the off-grid nodes, this caused an increase in voltage from 21.7 to 23.5 kV (Figure 19).
- The sixth interval is characterized by charging the ESS in the time from midnight to 6 o’clock on the 2nd day, where it was disconnected.
- In the seventh interval, the power begins to be supplied from the PV power plant. Peak power will reach approximately 0.3 MW at 34 h, but compared to the 1st day, it is a decrease in production, which is given by the input characteristics of solar radiation.
- In eighth, and final, interval, the PV power plant ceases to supply to the network power, and the load supplied from the DS mainly contributes to covering the load. For the entire monitored section, most electricity was supplied from DS in the total amount of 14.32 MWh, followed by a diesel generator, 11.6 MWh. In total, electricity was consumed in the volume of 33.36 MWh (Table 2).

- VI.
- A decrease of the frequency below the nominal value, fn, to the level of 47.75 Hz is caused by the connection of an asynchronous motor with nominal power, Pn = 100 kW; the network was regulated by increasing the supply of power from the diesel generator.
- VII.
- An increase of the frequency above the nominal value, fn, to the level of 53 Hz is caused by the disconnection of the load prior to the end of ESS charging.
- VIII.
- An increase of the frequency above the nominal value, fn, to the value of 52.8 Hz was again caused by the operation of the ESS, no longer as an appliance, but by the supply of active power.
- IX.
- A frequency dropped to 47.65 Hz by disconnecting the ESS, as the SOC level of the ESS reached its minimum (SOC = 10%).
- X.
- A decrease of frequency to the value of 45.15 Hz was caused by the failure of the diesel generator (disconnection in 22 h); the network regulation is ensured by the connection of the off-grid system to the distribution system.

4. Conclusions
Author Contributions
Funding
Institutional Review Board Statement
Informed Consent Statement
Data Availability Statement
Conflicts of Interest
References
- Kim, D.; Park, J.-W.; Lee, S.H. A Study on the Power Reserve of Distributed Generators Based on Power Sensitivity Analysis in a Large-Scale Power System. Electronics 2021, 10, 769. [Google Scholar] [CrossRef]
- Lakshmi, G.S.; Rubanenko, O.; Hunko, A. Control of the Sectioned Electrical Network Modes with Renewable Energy Sources. In Proceedings of the 2021 International Conference on Sustainable Energy and Future Electric Transportation (SEFET), Hyderabad, India, 21–23 January 2021; pp. 1–6. [Google Scholar] [CrossRef]
- Spahic, E.; Varma, D.; Beck, G.; Kuhn, G.; Hild, V. Impact of reduced system inertia on stable power system operation and an overview of possible solutions. In Proceedings of the 2016 IEEE Power and Energy Society General Meeting (PESGM), Boston, MA, USA, 17–21 July 2016; pp. 1–5. [Google Scholar] [CrossRef]
- Holjevac, N.; Baškarad, T.; Đaković, J.; Krpan, M.; Zidar, M.; Kuzle, I. Challenges of High Renewable Energy Sources Integration in Power Systems—The Case of Croatia. Energies 2021, 14, 1047. [Google Scholar] [CrossRef]
- Meegahapola, L.; Sguarezi, A.; Bryant, J.S.; Gu, M.; Conde, D.E.R.; Cunha, R.B.A. Power System Stability with Power-Electronic Converter Interfaced Renewable Power Generation: Present Issues and Future Trends. Energies 2020, 13, 3441. [Google Scholar] [CrossRef]
- Shang, Y. Resilient Multiscale Coordination Control against Adversarial Nodes. Energies 2018, 11, 1844. [Google Scholar] [CrossRef] [Green Version]
- Ogunsina, A.A.; Petinrin, M.O.; Petinrin, O.O.; Offornedo, E.N.; Petinrin, J.O.; Asaolu, G.O. Optimal distributed generation location and sizing for loss minimization and voltage profile optimization using ant colony algorithm. SN Appl. Sci. 2021, 3, 248. [Google Scholar] [CrossRef]
- Vetoshkin, L.; Müller, Z. A Comparative Analysis of a Power System Stability with Virtual Inertia. Energies 2021, 14, 3277. [Google Scholar] [CrossRef]
- Roy, N.K.; Pota, H.R. Current status and issues of concern for the integration of distributed generation into electricity networks. IEEE Syst. J. 2014, 9, 933–944. [Google Scholar] [CrossRef]
- Vittal, V.; McCalley, J.; Ajjarapu, V.; Shanbhag, U.V. Impact of Increased DFIG Wind Penetration on Power Systems and Markets; PSERC Publication: Tempe, AZ, USA, 2009; Volume 9. [Google Scholar]
- Hu, W.; Lu, Z.; Wu, S.; Zhang, W.; Dong, Y.; Yu, R.; Liu, B. Real-time transient stability assessment in power system based on improved SVM. J. Mod. Power Syst. Clean Energy 2019, 7, 26–37. [Google Scholar] [CrossRef] [Green Version]
- Zhang, R.; Wu, J.; Shao, M.; Li, B.; Lu, Y. Transient Stability Prediction of Power Systems Based on Deep Belief Networks. In Proceedings of the 2018 2nd IEEE Conference on Energy Internet and Energy System Integration (EI2), Beijing, China, 20–22 October 2018; pp. 1–6. [Google Scholar] [CrossRef]
- Zhao, J.; Li, J.; Wu, X.; Men, K.; Hong, C.; Liu, Y. A novel real-time transient stability prediction method based on post-disturbance voltage trajectories. In Proceedings of the International Conference on Advanced Power System Automation and Protection, Beijing, China, 16–20 October 2011; pp. 730–736. [Google Scholar] [CrossRef]
- Zhou, X.; Yu, J.; Zhang, C.; Niu, S.; Cheng, L. Risk quantitative assessment of emergency control measures to improve power grid transmission capacity. In Proceedings of the 4th Annual IEEE International Conference on Cyber Technology in Automation, Control and Intelligent, Hong Kong, China, 4–7 June 2014; pp. 312–316. [Google Scholar] [CrossRef]
- Waqar, A.; Khurshid, Z.; Ahmad, J.; Aamir, M.; Yaqoob, M.; Alam, I. Modeling and simulation of phasor measurement unit (PMU) for early fault detection in interconnected two-area network. In Proceedings of the 1st International Conference on Power, Energy and Smart Grid (ICPESG), Mirpur Azad Kashmir, Pakistan, 9–10 April 2018; pp. 1–6. [Google Scholar] [CrossRef]
- Babu, R.; Bhattacharyya, B. Phasor measurement unit allocation with different soft computing technique inconnected power network. In Proceedings of the Michael Faraday IET International Summit 2015, Kolkata, India, 12–13 September 2015; pp. 631–637. [Google Scholar] [CrossRef]
- Qi, X.; Bai, Y.; Luo, H.; Zhang, Y.; Zhou, G.; Wei, Z. Fully-distributed Load Frequency Control Strategy in an Islanded Microgrid Considering Plug-In Electric Vehicles. Energies 2018, 11, 1613. [Google Scholar] [CrossRef] [Green Version]
- Gupta, A.; Bansal, H.O.; Jaiswal, P.; Kumar, R. Modeling and Analysis of a V2G Scheme: A Concept in Smart Grid. In Proceedings of the 2020 International Conference on Emerging Trends in Communication, Control and Computing (ICONC3), Lakshmangarh, India, 21–22 February 2020; pp. 1–6. [Google Scholar] [CrossRef]
- Bhargavi, K.M.; Jayalaksmi, N.S.; Malagi, S.; Jadoun, V.K. Integration of Plug-in Electric Vehicles in Smart Grid: A Review. In Proceedings of the 2020 International Conference on Power Electronics & IoT Applications in Renewable Energy and its Control (PARC), Mathura, India, 28–29 February 2020; pp. 214–219. [Google Scholar] [CrossRef]
- Bonaiuto, V.; Sargeni, F. A Matlab Simulink model for the study of smart grid—Grid-integrated vehicles interactions. In Proceedings of the IEEE 3rd International Forum on Research and Technologies for Society and Industry (RTSI), Modena, Italy, 11–13 September 2017; pp. 1–6. [Google Scholar] [CrossRef]
- Gough, M.; Santos, S.F.; Javadi, M.; Castro, R.; Catalão, J.P.S. Prosumer Flexibility: A Comprehensive State-of-the-Art Review and Scientometric Analysis. Energies 2020, 13, 2710. [Google Scholar] [CrossRef]
- Moser, R.; Xia-Bauer, C.; Thema, J.; Vondung, F. Solar Prosumers in the German Energy Transition: A Multi-Level Perspective Analysis of the German ‘Mieterstrom’ Model. Energies 2021, 14, 1188. [Google Scholar] [CrossRef]
- Jasiński, J.; Kozakiewicz, M.; Sołtysik, M. Determinants of Energy Cooperatives’ Development in Rural Areas—Evidence from Poland. Energies 2021, 14, 319. [Google Scholar] [CrossRef]
- Dang, J.; Seuss, J.; Suneja, L.; Harley, R.G. SOC feedback control for wind and ESS hybrid power system frequency regulation. In Proceedings of the IEEE Power Electronics and Machines in Wind Applications, Denver, CO, USA, 16–18 July 2012; pp. 1–7. [Google Scholar] [CrossRef]
- Rahman, M.W.; Velmurugan, K.; Mahmud, M.S.; Al Mamun, A.; Ravindran, P. Modeling of a stand-alone Wind-PV Hybrid Generation System Using (MATLAB/SIMULINK). In Proceedings of the International Conference on Computing, Communication, and Intelligent Systems (ICCCIS), Greater Noida, India, 19–20 February 2021; pp. 1000–1006. [Google Scholar] [CrossRef]
- Leshtayev, O.V.; Stushkina, N.A.; Zaginailov, V.I.; Sergeeva, N.A. Solar power station model in Matlab Simulink program. In Proceedings of the International Youth Conference on Radio Electronics, Electrical and Power Engineering (REEPE), Moscow, Russia, 12–14 March 2020; pp. 1–5. [Google Scholar] [CrossRef]
- Pal, D.; Bajpai, P. Active and reactive power control in three phase solar PV inverter using modified IC method. In Proceedings of the 2016 21st Century Energy Needs—Materials, Systems and Applications (ICTFCEN), Kharagpur, India, 17–19 November 2016; pp. 1–6. [Google Scholar] [CrossRef]
- Hartman, M.T. The application of Fortescue’s transformation to describe power states in multi-phase circuits with non-sinusoidal voltage and currents. In Proceedings of the 2007 9th International Conference on Electrical Power Quality and Utilisation, Barcelona, Spain, 9–11 October 2007; pp. 1–6. [Google Scholar] [CrossRef]
- Ren, G. MATLAB/Simulink-Based Simulation and Experimental Validation of a Novel Energy Storage System to a New Type of Linear Engine for Alternative Energy Vehicle Applications. IEEE Trans. Power Electron. 2018, 33, 8683–8694. [Google Scholar] [CrossRef]
- Bustillo, C.S.; Diaz, O.I.; Mendoza, J.; Rivera, D.A. Modeling and Simulation of Composite Load Using MATLAB/SIMULINK. In Proceedings of the 2019 IEEE 39th Central America and Panama Convention (CONCAPAN XXXIX), Guatemala City, Guatemala, 20–22 November 2019; pp. 1–6. [Google Scholar] [CrossRef]
- Azmi, N.H.; Mat Leh, N.A.; Kamaruzaman, N.A. Modeling of Energy Meter Using MATLAB/Simulink. In Proceedings of the 2018 9th IEEE Control and System Graduate Research Colloquium (ICSGRC), Shah Alam, Malaysia, 3–4 August 2018; pp. 75–80. [Google Scholar] [CrossRef]
- Benhamed, S.; Ibrahim, H.; Belmokhtar, K.; Hosni, H.; Ilinca, A.; Rousse, D.; Chandra, A.; Ramdenee, D. Dynamic modeling of diesel generator based on electrical and mechanical aspects. In Proceedings of the 2016 IEEE Electrical Power and Energy Conference (EPEC), Ottawa, ON, Canada, 12–14 October 2016; pp. 1–6. [Google Scholar] [CrossRef]
- Makhlouf, M.; Messai, F.; Nabti, K.; Benalla, H. Modeling and simulation of grid-connected photovoltaic distributed generation system. In Proceedings of the 2012 First International Conference on Renewable Energies and Vehicular Technology, Nabeul, Tunisia, 26–28 March 2012; pp. 187–193. [Google Scholar] [CrossRef] [Green Version]
- Subramaniam, U.; Vavilapalli, S.; Padmanaban, S.; Blaabjerg, F.; Holm-Nielsen, J.B.; Almakhles, D. A Hybrid PV-Battery System for ON-Grid and OFF-Grid Applications—Controller-In-Loop Simulation Validation. Energies 2020, 13, 755. [Google Scholar] [CrossRef] [Green Version]



















| W (MWh) | Load | Total | ESS | Grid | PV Farm | Wind Farm |
|---|---|---|---|---|---|---|
| WIN_B * | 29.94 | 0.00 | −0.71 | −1.54 | −0.51 | 0.00 |
| WOUT_B ** | 0.00 | 29.94 | 0.48 | 6.19 | 9.85 | 16.17 |
| W (MWh) | Load | Total | ESS | Grid | PV Farm | Wind Farm | Diesel |
|---|---|---|---|---|---|---|---|
| WIN_D * | 33.36 | 0.00 | −2.30 | 0.00 | −0.61 | 0.00 | 0.00 |
| WOUT_D ** | 0.00 | 33.36 | 0.46 | 14.32 | 4.66 | 5.24 | 11.60 |
Publisher’s Note: MDPI stays neutral with regard to jurisdictional claims in published maps and institutional affiliations. |
© 2021 by the authors. Licensee MDPI, Basel, Switzerland. This article is an open access article distributed under the terms and conditions of the Creative Commons Attribution (CC BY) license (https://creativecommons.org/licenses/by/4.0/).
Share and Cite
Medveď, D.; Kolcun, M.; Pavlík, M.; Beňa, Ľ.; Mešter, M. Analysis of Prosumer Behavior in the Electrical Network. Energies 2021, 14, 8212. https://doi.org/10.3390/en14248212
Medveď D, Kolcun M, Pavlík M, Beňa Ľ, Mešter M. Analysis of Prosumer Behavior in the Electrical Network. Energies. 2021; 14(24):8212. https://doi.org/10.3390/en14248212
Chicago/Turabian StyleMedveď, Dušan, Michal Kolcun, Marek Pavlík, Ľubomír Beňa, and Marián Mešter. 2021. "Analysis of Prosumer Behavior in the Electrical Network" Energies 14, no. 24: 8212. https://doi.org/10.3390/en14248212
APA StyleMedveď, D., Kolcun, M., Pavlík, M., Beňa, Ľ., & Mešter, M. (2021). Analysis of Prosumer Behavior in the Electrical Network. Energies, 14(24), 8212. https://doi.org/10.3390/en14248212

