Research on Compound Sliding Mode Control of a Permanent Magnet Synchronous Motor in Electromechanical Actuators
Abstract
:1. Introduction
2. Mathematical Model of PMSMs
3. Design of a Compound Sliding Mode Controller
3.1. Design of a Traditional Sliding Mode Controller
3.2. Reaching Law Design Based on New Symmetric S-Type Function
3.3. Design of a New Sliding Mode Controller and Its Stability Analysis
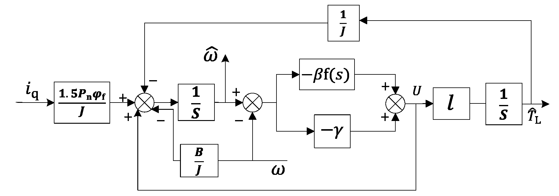
3.4. Design of Symmetric S-Type Function Disturbance Observer
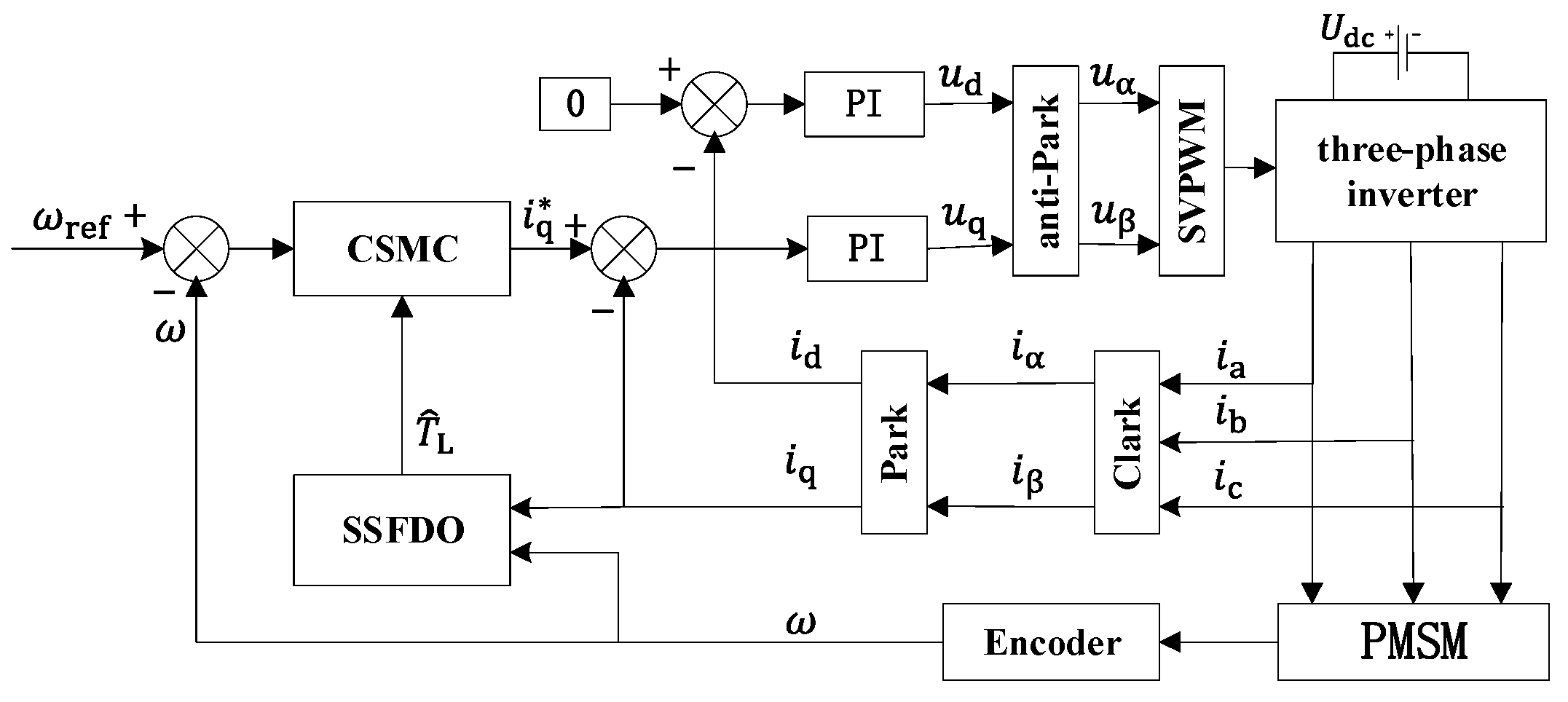
3.5. Design of Compound Sliding Mode Controller Based on SSFDO
4. Simulation and Experimental Results Analysis
4.1. Analysis of Simulation Results
4.1.1. Simulation Analysis of SSFDO
4.1.2. Simulation Analysis of the Startup Performance and Disturbance Rejection Ability
4.1.3. Simulation Analysis of the Performance under Speed Step with Constant Torque
4.2. Analysis of the Experimental Results
4.2.1. Experimental Verification of SSFDO
4.2.2. Experimental Verification of the Startup Performance and Disturbance Rejection Ability
4.2.3. Experimental Verification of the Performance under Speed Step with Constant Torque
5. Conclusions
Author Contributions
Funding
Institutional Review Board Statement
Informed Consent Statement
Data Availability Statement
Conflicts of Interest
References
- Huang, M.; Hu, X.W.; Li, S.J. Research on EMA servo control system. Civ. Aircr. Des. Res. 2019, 4, 31–35. [Google Scholar]
- Cao, H.T.; Chen, F.; Chen, J. Review of the research on integrated steering gear technology. Ship Sci. Technol. 2017, 39, 1–7. [Google Scholar]
- Guo, H.; Xing, W. Development of electromechanical actuation. Acta Aeronaut. Astronaut. Sin. 2007, 28, 620–627. [Google Scholar]
- Zhao, C.; Zhou, J.M.; Li, X.M. Three-Closed-Loop servo control system of EMA based on permanent magnet synchronous motor. J. Chongqing Univ. Technol. 2016, 30, 104–111. [Google Scholar]
- Yang, J.; Chen, W.; Li, S.; Guo, L. Disturbance/Uncertainty Estimation and Attenuation Techniques in PMSM Drives—A Survey. IEEE Trans. Ind. Electron. 2017, 64, 3273–3285. [Google Scholar] [CrossRef] [Green Version]
- Zhou, L.J.; Zhao, D.B.; Ma, Y.M. Simulation Research on the Control Performance of EMA Servo Drive System. Mach. Electron. 2016, 34, 34–37. [Google Scholar]
- Zhang, F.K.; Li, C.H.; Wang, K.; Li, J.C. Research on PMSM control system based on sliding mode speed controller. Autom. Instrum. 2020, 35, 30–34. [Google Scholar]
- Zaihidee, F.M.; Mekhilef, S.; Mubin, M. Robust Speed Control of PMSM Using Sliding Mode Control (SMC)—A Review. Energies 2019, 12, 1669. [Google Scholar] [CrossRef] [Green Version]
- Zhao, K.X. Research on Chattering Problem of Permanent Magnet Synchronous Motor Control System Based on Sliding Mode Variable Structure. Master’s Thesis, Lanzhou Jiao Tong University, Lanzhou, China, 2019. [Google Scholar]
- Liu, Y.Q.; Wang, B.H. PMSM sliding mode control based on improved reaching law. J. Hubei Univ. Automot. Technol. 2020, 34, 1–5. [Google Scholar]
- Lin, C.M.; Yang, J. Sliding Mode Control of Permanent Synchronous Motor Based on Variable Exponential Reaching Law. Mot. Control Appl. 2020, 47, 21–24. [Google Scholar]
- Zhou, Y.; Li, X.F.; Chen, X. Speed Control of Permanent Magnet Synchronous Motor Based on Novel Reaching Law. Mot. Control Appl. 2020, 47, 38–43. [Google Scholar]
- Yan, H.L.; Li, B.B.; Hui, Z.H. Sliding mode control of Permanent Magnet Synchronous Motor undertime-varying disturbance. J. Terahertz Sci. Electron. Inf. 2021, 19, 324–330. [Google Scholar]
- Xiong, H.L.; Shen, Y.X. Study on PMSM Control Strategy Based on Improved Second Order Sliding Mode Controller. Micromotors 2020, 48, 50–57. [Google Scholar]
- Zhou, C.J.; Meng, J.Z.; Zhang, W.; Fu, W.C.; Shen, M.X. Study on fractional sliding mode control of permanent magnet synchronous motor based on vector control. China Plant Eng. 2021, 11, 91–93. [Google Scholar]
- Wu, D.H.; Yang, D.L.; Chen, J.B. Vector control of PMSM based on sliding mode observer. J. Syst. Simul. 2018, 30, 4256–4267. [Google Scholar]
- Chen, W.-H.; Yang, J.; Guo, L.; Li, S. Disturbance-observer-based control and related methods—An overview. IEEE Trans. Ind. Electron. 2016, 63, 1083–1095. [Google Scholar] [CrossRef] [Green Version]
- Liu, Y.-C.; Laghrouche, S.; N’Diaye, A.M. Cirrincione. Hermite neural network-based second-order sliding-mode control of synchronous reluctance motor drive systems. J. Frankl. Inst. 2021, 358, 400–427. [Google Scholar] [CrossRef]
- Liu, Y.-C.; Laghrouche, S.; Depernet, D.; Djerdir, A.; Cirrincione, M. Disturbance-observer-based complementary sliding-mode speed control for PMSM drives: A super-twisting sliding-mode observer-based approach. IEEE J. Emerg. Sel. Top. Power Electron. 2020. [Google Scholar] [CrossRef]
- Dai, C.; Guo, T.; Yang, J.; Li, S. A Disturbance observer-based current-constrained controller for speed regulation of PMSM systems subject to unmatched disturbances. IEEE Trans. Ind. Electron. 2021, 68, 767–775. [Google Scholar] [CrossRef]
- Qu, L.; Qiao, W.; Qu, L. An extended-state-observer-based sliding-mode speed control for permanent-magnet synchronous motors. IEEE J. Emerg. Sel. Top. Power Electron. 2021, 9, 1605–1613. [Google Scholar] [CrossRef]
- Zhu, D.H.; Wang, Y. Speed Control of PMSM Based on New Sliding Mode Reaching Law. Micromotors 2021, 49, 34–38. [Google Scholar]
- Lou, P.B.; Huang, R.N. Adaptive inversion sliding mode control of PMSM based on nonlinear disturbance observer. Micromotor 2020, 48, 32–40. [Google Scholar]
- Li, Z.; Hu, G.D.; Cui, J.R.; Liu, G.Y. Sliding-mode Variable Structure Control with integral action for Permanent Magnet Synchronous Motor. Proc. CSEE 2014, 34, 431–437. [Google Scholar]
- Zhao, F.; Luo, W.; Gao, F.Y.; Yu, J.L. An improved sliding mode control for PMSM considering sliding mode chattering and disturbance compensation. J. Xi’an Jiao Tong Univ. 2020, 54, 28–35. [Google Scholar]
- Yu, L.; Hu, B.X.; Wei, K.Y. Modern Permanent Magnet Synchronous Motor Control Principle and MATLAB Simulation, 1st ed.; Beijing University of Aeronautics and Astronautics Press: Beijing, China, 2016; pp. 4–55. [Google Scholar]
- Wang, A.M.; Wei, S.J. Sliding Mode Control of Permanent Magnet Motor Based on Improved Exponential Reaching Rate. J. North China Electr. Power Univ. 2020, 47, 50–57. [Google Scholar]
- Xia, X.Q.; Zhang, B.; Li, X.T. Low Speed Sliding Mode Control of Permanent Magnet Synchronous Motor Based on Extended State Observer. Opt. Precis. Eng. 2019, 27, 2628–2638. [Google Scholar]















| Parameters | Numerical Value |
|---|---|
| Rated power | 100 |
| Rated output speed (RPM) | 3000 |
| Rated output torque () | 0.318 |
| Polar logarithm | 4 |
| Line inductance | 2@1 kHz, 1v |
| Line resistance | 0.75 |
| Back EMF coefficient | 5.35 |
| Rotor inertia | 0.0588 |
| Weight | 0.8 |
| Encoder | 1250 |
| Switching frequency of the inverter () | 20 |
| Deadtime set in experimental tests () | 2.5 |
| Control Methods | Speed Loop | Current Loop |
|---|---|---|
| PI control | ||
| Traditional SMC | c = 260 | |
| × 106 | ||
| k = 40 | ||
| CSMC | c = 210 | |
| × 106 | ||
| k = 40 | ||
| a = 0.1, b = 0.02 | ||
| Control Methods | PI Control | Traditional SMC | CSMC |
|---|---|---|---|
| Rise time (s) | 0.014 | 0.011 | 0.011 |
| Maximum speed (rpm) | 1132 | 1082 | 1036 |
| Adjusting time (s) | 0.046 | 0.038 | 0.029 |
| Load speed (rpm) | 954.2 | 989.1 | 994.8 |
| Recovery time (s) | 0.034 | 0.018 | 0.0015 |
| Overshoot | 13.2% | 8.2% | 3.6% |
| Observer | Speed Change | Simulation Result | Experimental Result |
|---|---|---|---|
| With/without | Rise time (s) | 0.011 | 0.045 |
| Maximum speed (rpm) | 1036 | 1053 | |
| Adjusting time (s) | 0.029 | 0.214 | |
| Without | Load speed (rpm) | 990.7 | 980.6 |
| Recovery time (s) | 0.002 | 0.107 | |
| With | Load speed (rpm) | 994.8 | 986.3 |
| Recovery time (s) | 0.0014 | 0.059 |
| Control Methods | Speed Loop | Current Loop |
|---|---|---|
| PI control | ||
| traditional SMC | c = 16 | |
| k = 50 | ||
| CSMC | c = 15 | |
| k = 50 | ||
| a = 0.1, b = 0.02 | ||
| Control Methods | PI Control | Traditional SMC | CSMC |
|---|---|---|---|
| Rise time (s) | 0.045 | 0.045 | 0.045 |
| Maximum speed (rpm) | 1120 | 1087 | 1053 |
| Adjusting time (s) | 0.346 | 0.266 | 0.214 |
| Load speed (rpm) | 956 | 973 | 986.3 |
| Recovery time (s) | 0.185 | 0.129 | 0.059 |
| Overshoot | 12% | 8.7% | 5.3% |
Publisher’s Note: MDPI stays neutral with regard to jurisdictional claims in published maps and institutional affiliations. |
© 2021 by the authors. Licensee MDPI, Basel, Switzerland. This article is an open access article distributed under the terms and conditions of the Creative Commons Attribution (CC BY) license (https://creativecommons.org/licenses/by/4.0/).
Share and Cite
Lin, J.; Zhao, Y.; Zhang, P.; Wang, J.; Su, H. Research on Compound Sliding Mode Control of a Permanent Magnet Synchronous Motor in Electromechanical Actuators. Energies 2021, 14, 7293. https://doi.org/10.3390/en14217293
Lin J, Zhao Y, Zhang P, Wang J, Su H. Research on Compound Sliding Mode Control of a Permanent Magnet Synchronous Motor in Electromechanical Actuators. Energies. 2021; 14(21):7293. https://doi.org/10.3390/en14217293
Chicago/Turabian StyleLin, Jiachun, Yuteng Zhao, Pan Zhang, Junjie Wang, and Hao Su. 2021. "Research on Compound Sliding Mode Control of a Permanent Magnet Synchronous Motor in Electromechanical Actuators" Energies 14, no. 21: 7293. https://doi.org/10.3390/en14217293
APA StyleLin, J., Zhao, Y., Zhang, P., Wang, J., & Su, H. (2021). Research on Compound Sliding Mode Control of a Permanent Magnet Synchronous Motor in Electromechanical Actuators. Energies, 14(21), 7293. https://doi.org/10.3390/en14217293

