Performance Evaluation of Grid-Connected Wind Turbine Generators
Abstract
:1. Introduction
2. Components of Grid-Connected Wind Energy Conversion
2.1. Wind Turbine Generators and Topologies
2.1.1. Squirrel-Cage Induction Generator (SCIG)
2.1.2. Doubly-Fed Induction Generator (DFIG)
2.1.3. Permanent Magnet Synchronous Generator (PMSG)
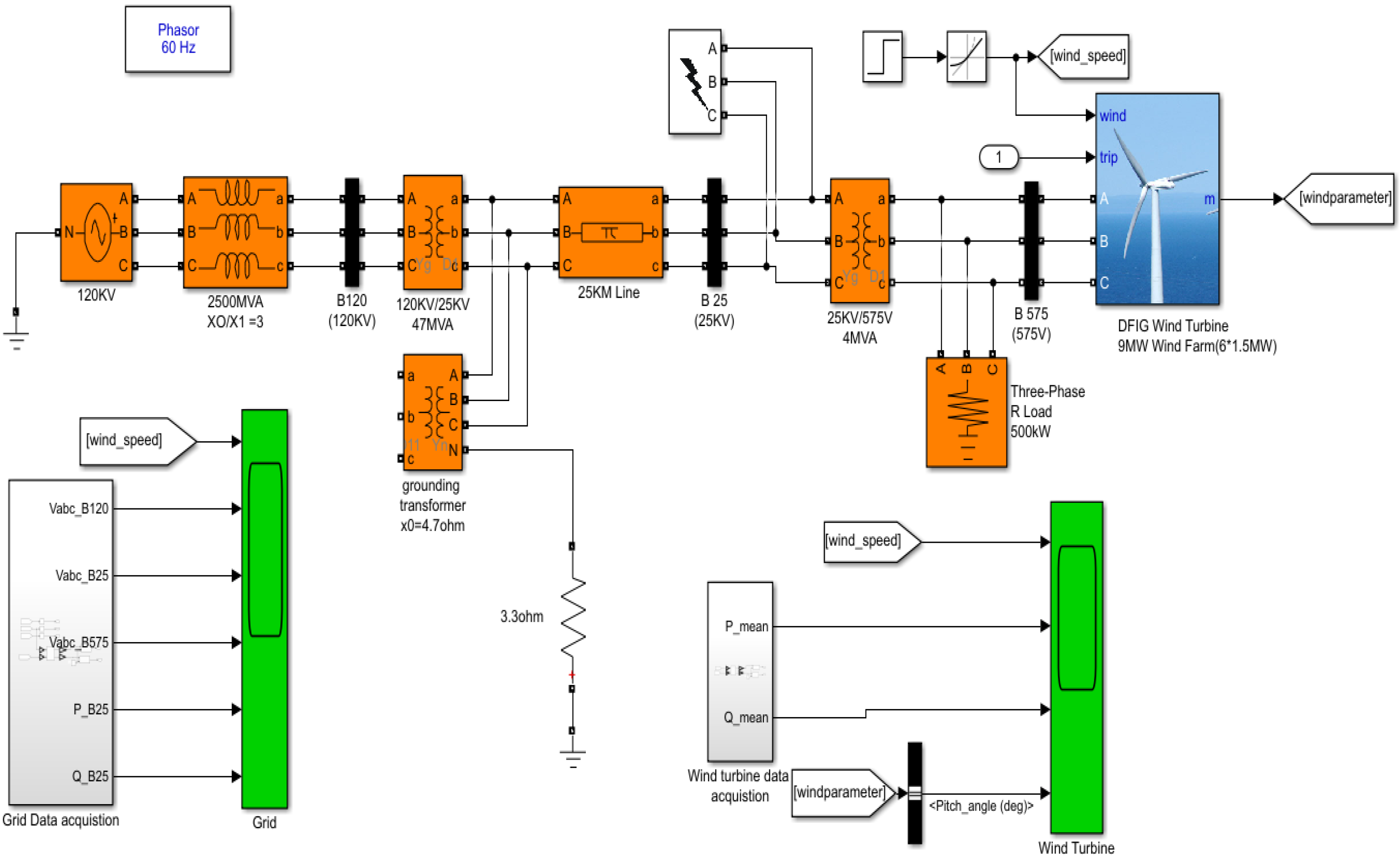
3. System Modeling and Simulation
- (i)
- Under constant rated wind speed operation condition: This simulation aims to study the SCIG and DFIG wind ‘turbines’ power curves at a rated wind speed of 9 m/s.
- (ii)
- Under variable wind speed operation conditions: This simulation aims to study the impacts of wind speed variations (intermittent problem) of wind energy resources on-grid systems. SCIG and DFIG wind turbine responses were operating under different wind speeds, such as low (4 m/s), medium (8 m/s), and high (14 m/s), are chosen. Furthermore, WTGs parameter responses such as real and reactive power and pitch angle are compared and analyzed.
- (iii)
- Under steady-state operation condition: This simulation investigates the responses of grid parameters during steady-state(normal) conditions by considering a variable wind speed for both WTGs.
- (iv)
- Under dynamic system transient operation condition: This simulation investigates the response of grid parameters during a fault condition. The dynamic transient state of the system is simulated by applying a three-phase-to-ground fault at the connection bus between B25 and the transmission line. The three-phase-to-ground fault will be cleared after 0.1 s. Variable wind speed is considered for both WTGs.
3.1. Modeling and Simulation of SCIG
3.2. Modeling and Simulation of DFIG
4. Simulation Results and Discussion
4.1. SCIG and DFIG Wind Turbines Power Curves
4.2. Impacts of Variable Wind Speed on the Output Power of SCIG and DFIG Wind Turbines
4.3. Responses of the Grid during Steady-State Operation Condition
4.4. Responses of the Grid during Transient Operation Condition
5. Conclusions
- At constant rated wind speed operation conditions, the generated output power of SCIG and DFIG wind turbines depends on the wind speed, generator speed, and pitch angle. Therefore, a tiny change in the pitch angle can lead to a massive shift in the output power.
- At variable wind speed operation conditions, during the wind speed is varied, the generated-out power of SCIG and DFIG also varied accordingly; this is because the output power of the wind turbines is directly proportional to the wind speed. Therefore, even though the output power of WTGs is directly proportional to the wind speed, compared to SCIG, the DFIG wind turbine can generate maximum output power with a wide range of wind speed.
- At steady-state operation conditions, responses of grid voltage magnitudes of SCIG is decreased from nominal value (1 pu) to a minimum of 0.6 pu due to the characteristics of SCIG wind turbine during variable wind speed condition. In contrast, responses of grid voltage magnitudes of DFIG wind turbine are constant (1 pu) under steady-state operation conditions. In addition, as the SCIG wind turbine’s active power increases, reactive power also increases. In comparison, the DFIG wind turbine’s reactive power is zero because DFIG has a separate real and reactive power controller.
- At transient operation conditions, grid parameters such as voltage magnitudes at buses and real and reactive output power for SCIG and DFIG wind turbines fluctuated during three-phase fault begins and ends. However, the grid parameters are back to normal condition after the fault is cleared.
Author Contributions
Funding
Institutional Review Board Statement
Acknowledgments
Conflicts of Interest
References
- Zhang, Y.; Ula, S. Comparison and evaluation of three main types of wind turbines. In Proceedings of the 2008 IEEE/PES Transmission and Distribution Conference and Exposition, Chicago, IL, USA, 21–24 April 2008; pp. 1–6. [Google Scholar] [CrossRef]
- International Renewable Energy Agency. Renewable Energy Capacity Highlights. Irena 2020, 1–3. Available online: https://www.irena.org/publications/2021/March/Renewable-Capacity-Statistics-2021 (accessed on 15 April 2021).
- Sanchez, A.G.; Molina, M.G.; Rizzato Lede, A.M. Dynamic model of wind energy conversion systems with PMSG-based variable-speed wind turbines for power system studies. Int. J. Hydrogen Energy 2012, 37, 10064–10069. [Google Scholar] [CrossRef]
- Ibrahim, H.; Ghandour, M.; Dimitrova, M.; Ilinca, A.; Perron, J. Integration of wind energy into electricity systems: Technical challenges and actual solutions. Energy Procedia 2011, 6, 815–824. [Google Scholar] [CrossRef] [Green Version]
- Chowdhury, M.M.; Haque, M.E.; Aktarujjaman, M.; Negnevitsky, M.; Gargoom, A. Grid integration impacts and energy storage systems for wind energy applications—A review. In Proceedings of the 2011 IEEE Power and Energy Society General Meeting, Detroit, MI, USA, 24–28 July 2011; pp. 1–8. [Google Scholar] [CrossRef]
- Gupta, A. Integration Challenges of Wind Power on Power System Grid A Review. In Proceedings of the 2018 International Conference on Advanced Computation and Telecommunication (ICACAT), Bhopal, India, 28–29 December 2018; pp. 1–7. [Google Scholar]
- Nicolae, I.D.; Nicolae, P.M.; Popa, D.L. Simulation by MATLAB/Simulink of a wind farm power plant. In Proceedings of the 16th International Power Electronics and Motion Control Conference and Exposition, Antalya, Turkey, 21–24 September 2014; pp. 258–263. [Google Scholar] [CrossRef]
- Abdel-Khalik, A.S.; Ahmed, K.H. Performance evaluation of grid connected wind energy conversion systems with five-phase modular permanent magnet synchronous generators having different slot and pole number combinations. In Proceedings of the 2011 IEEE International Electric Machines & Drives Conference (IEMDC), Niagara Falls, ON, Canada, 15–18 May 2011; pp. 1119–1124. [Google Scholar] [CrossRef]
- Muljadi, E.; Butterfield, C.P.; Parsons, B.; Ellis, A. Characteristics of variable speed wind turbines under normaland fault conditions. In Proceedings of the 2007 IEEE Power Engineering Society General Meeting, Tampa, FL, USA, 24–28 June 2007. [Google Scholar] [CrossRef]
- Duan, J.; Li, R.; Lin, A. Study of voltage stability in grid-connected large wind farms. In Advanced Materials Research; Trans Tech Publications Ltd.: Bäch, Switzerland, 2012; Volume 433, pp. 1794–1801. [Google Scholar] [CrossRef]
- Duong, M.Q.; Le, K.H.; Grimaccia, F.; Leva, S.; Mussetta, M.; Zich, R.E. Comparison of power quality in different grid-integrated wind turbines. In Proceedings of the 2014 16th International Conference on Harmonics and Quality of Power (ICHQP), Bucharest, Romania, 25–28 May 2014; pp. 448–452. [Google Scholar] [CrossRef]
- Ye, Y.; Fu, Y.; Wei, S. Simulation for Grid Connected Wind Turbines with Fluctuating. Phys. Procedia 2012, 24, 253–260. [Google Scholar] [CrossRef] [Green Version]
- Ahyaten, S.; Bahaoui, J. El Modeling of Wind Turbines Based on DFIG Generator. Proceedings 2020, 63, 16. [Google Scholar] [CrossRef]
- Behabtu, H.A.; Messagie, M.; Coosemans, T.; Berecibar, M.; Fante, K.A.; Kebede, A.A.; Van Mierlo, J. A review of energy storage technologies’ application potentials in renewable energy sources grid integration. Sustainability 2020, 12, 10511. [Google Scholar] [CrossRef]
- Kebede, A.A.; Berecibar, M.; Coosemans, T.; Messagie, M.; Jemal, T.; Behabtu, H.A.; Van Mierlo, J. A techno-economic optimization and performance assessment of a 10 kWP photovoltaic grid-connected system. Sustainability 2020, 12, 7648. [Google Scholar] [CrossRef]
- Kebede, A.A.; Coosemans, T.; Messagie, M.; Jemal, T.; Behabtu, H.A.; Van Mierlo, J.; Berecibar, M. Techno-economic analysis of lithium-ion and lead-acid batteries in stationary energy storage application. J. Energy Storage 2021, 40, 102748. [Google Scholar] [CrossRef]
- Sumathi, S.; Ashok Kumar, L.; Surekha, P. Solar PV and Wind Energy Conversion Systems; Springer International Publishing: Cham, Switzerland, 2015. [Google Scholar]
- Shahni, A.; Qazi, S.H.; Kaloi, G.S.; Ullah, R. Review on Performance Analysis of SCIG and PMSG-Based Wind Energy Conversion System Systems. Int. J. Electron. Commun. Eng. 2019, 6, 1–12. [Google Scholar] [CrossRef]
- Saheb-Koussa, D.; Haddadi, M.; Belhamel, M.; Koussa, M.; Noureddine, S. Modeling and simulation of windgenerator with fixed speed wind turbine under matlab-simulink. Energy Procedia 2012, 18, 701–708. [Google Scholar] [CrossRef] [Green Version]
- Duong, M.Q.; Grimaccia, F.; Leva, S.; Mussetta, M.; Sava, G.; Costinas, S. Performance analysis of grid-connected wind turbines. UPB Sci. Bull. Ser. C Electr. Eng. Comput. Sci. 2014, 76, 169–180. [Google Scholar]
- Abdel-Salam, M.; Ahmed, A.; Mahrous, M. Transient analysis of grid-connected wind-driven PMSG, DFIG and SCIG at fixed and variable speeds. Innov. Syst. Des. 2011, 2, 1–19. [Google Scholar]
- Akanto, J.M.; Hazari, M.R.; Mannan, M.A. LVRT and Stability Enhancement of Grid-Tied Wind Farm Using DFIG-Based Wind Turbine. Appl. Syst. Innov. 2021, 4, 33. [Google Scholar] [CrossRef]
- Muller, S.; Deicke, M.; De DonckerM, R.W. Doubly Fed Induction Generator System for wind turbines. IEEE 2002, 8, 26–33. [Google Scholar] [CrossRef]
- López-Ortiz, E.N.; Campos-Gaona, D.; Moreno-Goytia, E.L. Modelling of a wind turbine with permanent magnet synchronous generator. In Proceedings of the 2012 North American Power Symposium (NAPS), Champaign, IL, USA, 9–11 September 2012. [Google Scholar] [CrossRef] [Green Version]
- Baran, J.; Jąderko, A. An MPPT Control of a PMSG-Based WECS with Disturbance Compensation and Wind Speed Estimation. Energies 2020, 13, 6344. [Google Scholar] [CrossRef]
- Syahputra, R.; Robandi, I.; Ashari, M. Performance Analysis of Wind Turbine as a Distributed Generation Unit In Distribution System. Int. J. Comput. Sci. Inf. Technol. 2014, 6, 39–56. [Google Scholar] [CrossRef]
- Anish, R.; Kothari, D.P. Modeling and analysis of grid networks with Distributed Resources using MATLAB/SIMULINK. In Proceedings of the PEDES 2012—IEEE International Conference on Power Electronics, Drives and Energy Systems, Bengaluru, India, 16–19 December 2012; pp. 1–6. [Google Scholar] [CrossRef]
- Chong, C.H.; Rigit, A.R.H.; Ali, I. Wind turbine modelling and simulation using Matlab/SIMULINK. In Materials Science and Engineering; IOP Conference Series; IOP Publishing: Bristol, UK, 2021; Volume 1101, p. 012034. [Google Scholar] [CrossRef]
- Gagnon, R. Wind Farm-DFIG Detailed Model-MATLAB & Simulink. MathWORKS. 2021. Available online: https://www.mathworks.com/help/physmod/sps/ug/wind-farm-dfig-detailed-model.html;jsessionid=a2a435e13fc5108445d84a28ca36 (accessed on 16 July 2021).
















| Equipment | Parameter | Value | Unit |
|---|---|---|---|
| 120 kV grid equivalent | Nominal voltage | 120 | kV |
| Positive sequence phase | 0 | deg | |
| Three-phase Mutual Inductance Z1-Z0 | Positive sequence inductance (L1) | 0.015 | H |
| Zero-sequence inductance (Lo) | 0.046 | H | |
| Positive sequence resistances (R1) | 0.576 | Ω | |
| Zero sequence resistances (Ro) | 1.728 | Ω | |
| Three-phase transformer (120 KV/25 KV) | Capacity | 47 | MVA |
| Winding one connection (ABC terminals) | Yg | - | |
| Winding two connection (abc) terminals | Delta (D1) | - | |
| Primary voltage | 120 | kV | |
| Secondary voltage | 25 | kV | |
| Frequency | 60 | Hz | |
| Primary resistance (R1) | 0.002 | pu | |
| Primary inductance (L1) | 0.08 | pu | |
| Secondary resistance (R2) | 0.002 | pu | |
| Secondary inductance (L2) | 0.08 | pu | |
| Magnetization resistance (Rm) | 500 | Ω | |
| Magnetization inductance (Lm) | 500 | H | |
| Three-phase transformer (25 KV/575 V) | Capacity | 4 | MVA |
| Winding one connection (ABC terminals) | Yg | - | |
| Winding two connection (abc) terminals | D1 | - | |
| Primary voltage | 25 | kV | |
| Secondary voltage | 575 | V | |
| Frequency | 60 | Hz | |
| Primary resistance (R1) | 0.0008 | pu | |
| Primary inductance (L1) | 0.025 | pu | |
| Secondary resistance (R2) | 0.0008 | pu | |
| Secondary inductance (L2) | 0.025 | pu | |
| Magnetization resistance (Rm) | 500 | Ω | |
| Magnetization inductance (Lm) | 500 | H | |
| Grounding transformer | Capacity | 100 | MVA |
| Primary voltage | 25 | kV | |
| Secondary voltage | 25 | kV | |
| Primary resistance (R1) | 0.02506 | pu | |
| Primary inductance (L1) | 0.752 | pu | |
| Secondary resistance (R2) | 1 × 10−6 | pu | |
| Secondary inductance (L2) | 0 | pu | |
| Magnetization resistance (Rm) | 500 | Ω | |
| Magnetization inductance (Lm) | 500 | H | |
| Feeder (three-phase PI section line) | Positive sequence resistance (R1) | 0.1153 | Ω/km |
| Zero sequence resistance (Ro) | 0.413 | Ω/km | |
| Positive sequence inductance (L1) | 1.05 × 10−3 | Ω/km | |
| Zero sequence inductance (Lo) | 3.32 × 10−3 | Ω/km | |
| Positive sequence capacitance (C1) | 1.133 × 10−8 | Ω/km | |
| Zero sequence capacitance (Co) | 5.01 × 10−9 | Ω/km | |
| length | 25 | km | |
| The frequency used for RLC | 60 | Hz | |
| Capacitor bank (three-phase series RLC load) for SCIG | Nominal voltage (Vn) | 575 | V |
| Capacitive reactive power (Qc) | 400 | KVAR | |
| Nominal frequency | 60 | Hz | |
| Resistor load (three-phase series RLC load) for DFIG | Nominal voltage (Vn) | 575 | V |
| Nominal frequency | 60 | Hz | |
| Active power P(W) | 5 × 105 | W | |
| Bus 575 | Nominal voltage used for pu | 575 | V |
| Base power (3 phase) | 10 | MVA | |
| Bus B25 | Nominal voltage used for pu | 25 | KV |
| Base power (3 phase) | 10 | MVA | |
| Bus B120 | Nominal voltage used for pu | 120 | KV |
| Base power (3 phase) | 10 | MVA |
| Parameters | SCIG | DFIG | Unit |
|---|---|---|---|
| Generator data | |||
| Capacity | 10 | 10 | MVA |
| Nominal voltage (L-L) | 575 Vrms | 575 Vrms | V |
| Frequency | 60 | 60 | Hz |
| Stator resistance (Rs) | 0.004843 | 0.00706 | pu |
| Stator inductance (Lls) | 0.1248 | 0.171 | pu |
| Rotor Resistance (Rr’) | 0.004377 | 0.005 | pu |
| Rotor inductance (Llr’) | 0.1791 | 0.156 | pu |
| Magnetizing inductance (Lm) | 6.77 | 2.90 | pu |
| Generator inertia constant (H) | 5.04 | 5.04 | s |
| Pole pairs | 3 | 3 | p |
| Friction factor | 0.01 | 0.01 | pu |
| Turbine data | |||
| Nominal wind turbine mechanical output power | 9 | 9 | MW |
| Base wind speed | 9 | 9 | m/s |
| Maximum power at base wind speed | 1 | 0.73 | pu |
| Base rotational speed | 1 | - | pu |
| Pitch angle controller gain (kp) | 5 | 500 | - |
| Pitch angle controller gain (ki) | 25 | - | - |
| Maximum pitch angle (deg) | 45 | 45 | Degree |
| The maximum rate of change of pitch angle | 2 | 2 | Deg/s |
| Converters data | |||
| Converter maximum power | - | 0.5 | pu |
| Grid-side coupling inductor (L) | - | 0.15 | pu |
| Grid-side coupling resistor (R) | - | 0.0015 | pu |
| Nominal DC bus voltage | - | 1200 | V |
| DC bus capacitor | - | 0.06 | F |
| Controller data | |||
| mode | - | Voltage regulation | - |
| Grid-side converter generated reactive current reference (Iq_ref) | - | 0 | pu |
| Grid voltage regulator gain (kp) | - | 1.25 | - |
| Grid voltage regulator gain (ki) | - | 300 | - |
| Droop Xs | - | 0.02 | pu |
| Power regulator gain (kp) | - | 1 | - |
| Power regulator gain (ki) | - | 100 | - |
| Rotor-side converter current regulator gain (kp) | - | 0.3 | - |
| Rotor-side converter current regulator gain (ki) | - | 8 | |
| The maximum rate of change of reference grid voltage | - | 100 | pu/s |
| The maximum rate of change of converter reference currents | - | 200 | pu/s |
Publisher’s Note: MDPI stays neutral with regard to jurisdictional claims in published maps and institutional affiliations. |
© 2021 by the authors. Licensee MDPI, Basel, Switzerland. This article is an open access article distributed under the terms and conditions of the Creative Commons Attribution (CC BY) license (https://creativecommons.org/licenses/by/4.0/).
Share and Cite
Behabtu, H.A.; Coosemans, T.; Berecibar, M.; Fante, K.A.; Kebede, A.A.; Mierlo, J.V.; Messagie, M. Performance Evaluation of Grid-Connected Wind Turbine Generators. Energies 2021, 14, 6807. https://doi.org/10.3390/en14206807
Behabtu HA, Coosemans T, Berecibar M, Fante KA, Kebede AA, Mierlo JV, Messagie M. Performance Evaluation of Grid-Connected Wind Turbine Generators. Energies. 2021; 14(20):6807. https://doi.org/10.3390/en14206807
Chicago/Turabian StyleBehabtu, Henok Ayele, Thierry Coosemans, Maitane Berecibar, Kinde Anlay Fante, Abraham Alem Kebede, Joeri Van Mierlo, and Maarten Messagie. 2021. "Performance Evaluation of Grid-Connected Wind Turbine Generators" Energies 14, no. 20: 6807. https://doi.org/10.3390/en14206807
APA StyleBehabtu, H. A., Coosemans, T., Berecibar, M., Fante, K. A., Kebede, A. A., Mierlo, J. V., & Messagie, M. (2021). Performance Evaluation of Grid-Connected Wind Turbine Generators. Energies, 14(20), 6807. https://doi.org/10.3390/en14206807

