Comparative Study of Powertrain Hybridization for Heavy-Duty Vehicles Equipped with Diesel and Gas Engines
Abstract
1. Introduction
2. Hybrid Powertrain Design
2.1. Selection of the Hybrid Powertrain Topology
2.2. Selection of the Powertrain Components
3. Mathematical Models
3.1. Vehicle Dynamics
3.2. Internal Combustion Engines
3.3. Transmission
3.4. Electric Drive
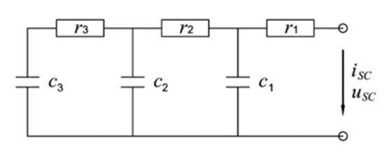
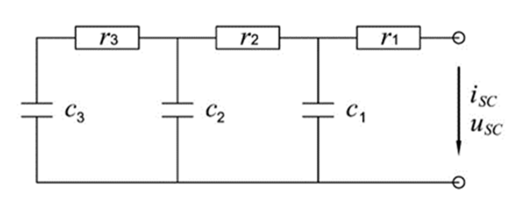
3.5. Energy Storage System
3.6. Onboard Power Consumers
4. Hybrid Powertrain’s Control Strategy
5. Driving Cycles
6. Validation of the Conventional Vehicle Model
7. Model Analysis of the Powertrain Hybridization
- Estimate two approaches to match the electric drive voltage to that of the supercapacitor, namely by employing a DC–DC converter and directly interfacing the two devices.
- Estimate the powertrain characteristics with different ESS energy contents.
- Having selected the “optimal” solution regarding the ESS energy and the electrical interface, use this solution in comparative simulations estimating the fuel consumption of the conventional and hybrid powertrains. Calculate the fuel economy of the HEVs relative to the conventional vehicles.
- Estimate the influence of the vehicle mass on the relative fuel economy.
8. Conclusions and Future Work
- The hybridization of gas-engine-based powertrains provided a fuel economy similar to that of diesel-based powertrains. A pronounced effect of hybridization was obtained in city and suburban driving conditions, as expected, due to a large share of acceleration–deceleration sequences, allowing for the regeneration of a considerable amount of the vehicle’s kinetic energy. The relative economy amounted 18–28% using the start–stop feature and 15–20% without it (depending on the driving cycle’s kinetic factor and the vehicle’s mass). Highway driving does not offer significant opportunities for decreasing the fuel consumption through hybridization. However, an economy of 8–10% can be achieved in the conditions with a sufficiently variable velocity, such as in the highway part of the WHVC.
- The highest potential regarding the hybridization was shown by the gas engine based on Otto’s thermodynamic cycle. Eliminating the low load regimes using the hybrid functions allows for this engine to achieve the same level of absolute fuel consumption as its gas-fueled counterparts do have, while in the conventional powertrain, this engine shows the lowest fuel economy of all the considered gas-fueled variants.
- The sufficient ESS energy content for the vehicles having a gross mass of 35–44 tons is 3–3.5 kWh. This allows for operating within the supercapacitor voltage range that ensures high values of the average efficiency, i.e., 95% and above (provided that the HEV control system can keep the voltage within that range).
- If the above conditions concerning the ESS energy content and the control system functionality are satisfied and the traction electric drive performance remains sufficient during ESS voltage transients, one can avoid using a DC–DC converter to interface the ESS and the traction drive. This, in turn, will prevent a significant deterioration of the powertrain efficiency caused by the converter.
- The results of the study have also provided a framework for future research, which includes solving of the following tasks: estimation of the hybridization effect with respect to exhaust emissions; further elaboration of the powertrain design and controls; estimation of the HEV’s properties in wider driving conditions, including actual trips logged by GPS-based measurement systems.
Author Contributions
Funding
Conflicts of Interest
Abbreviations
| BSFC | Brake-specific fuel consumption |
| DC | Direct current |
| EM | Electric machine |
| ESS | Energy storage system |
| FC | Fuel consumption |
| FE | Fuel economy |
| HD | Heavy-duty |
| HEV | Hybrid electric vehicle |
| ICE | Internal combustion engine |
| OOL | Optimal operating line |
| SC | Supercapacitor |
References
- Isermann, R. Engine Modeling and Control: Modeling and Electronic Management of Internal Combustion Engines; Springer: Berlin/Heidelberg, Germany, 2014; pp. 573–596. [Google Scholar]
- Kamel, M.; Lyford-Pike, E.; Frailey, M.; Bolin, M.; Clark, N.; Nine, R.; Wayne, S. An Emission and Performance Comparison of the Natural Gas Cummins Westport Inc. C-Gas Plus Versus Diesel in Heavy-Duty Trucks; SAE Technical Papers 2002-01-2737; SAE: Warrendale, PA, USA, 2002. [Google Scholar]
- Giechaskiel, B.; Lähde, T.; Schwelberger, M.; Kleinbach, T.; Roske, H.; Teti, E.; van den Bos, T.; Neils, P.; Delacroix, C.; Jakobsson, T.; et al. Particle Number Measurements Directly from the Tailpipe for Type Approval of Heavy-Duty Engines. Appl. Sci. 2019, 9, 4418. [Google Scholar] [CrossRef]
- Giechaskiel, B. Solid Particle Number Emission Factors of Euro VI Heavy-Duty Vehicles on the Road and in the Laboratory. Int. J. Environ. Res. Public Health 2018, 15, 304. [Google Scholar] [CrossRef] [PubMed]
- Di Maio, D.; Beatrice, C.; Fraioli, V.; Napolitano, P.; Golini, S.; Rutigliano, F.G. Modeling of Three-Way Catalyst Dynamics for a Compressed Natural Gas Engine during Lean–Rich Transitions. Appl. Sci. 2019, 9, 4610. [Google Scholar] [CrossRef]
- Luksho, V.A. Complex Method to Increase the Energy Efficiency of Gas Fueled Engines Having High Compression Ratios with Shortened Intake and Exhaust Strokes. Ph.D. Thesis, National Research Center “NAMI”, Moscow, Russia, 2015. (In Russian). [Google Scholar]
- Kozlov, A.V.; Terenchenko, A.S.; Luksho, V.A.; Karpukhin, K.E. Prospects for Energy Efficiency Improvement and Reduction of Emissions and Life Cycle Costs for Natural Gas Vehicles. IOP Conf. Ser. Earth Environ. Sci. 2017, 52, 012096. [Google Scholar] [CrossRef]
- Kozlov, A.; Grinev, V.; Terenchenko, A.; Kornilov, G. An Investigation of the Effect of Fuel Supply Parameters on Combustion Process of the Heavy-Duty Dual-Fuel Diesel Ignited Gas Engine. Energies 2019, 12, 2280. [Google Scholar] [CrossRef]
- Kavtaradze, R.Z.; Onishchenko, D.O.; Kozlov, A.V.; Terenchenko, A.S.; Golosov, A.S. Analysis of Local Heat Exchange in Combustion Chamber and Injection Nozzle of Dual-Fuel Engine. Int. J. Innov. Tech. Exp. Eng. 2019, 8, 2804–2811. [Google Scholar]
- O’Keefe, M.; Simpson, A.; Kelly, K.; Pedersen, D. Duty Cycle Characterization and Evaluation towards Heavy Hybrid Vehicle Applications; SAE Technical Paper 2007-01-0302; SAE: Warrendale, PA, USA, 2007. [Google Scholar]
- Wikström, M.; Folkesson, A.; Alvfors, P. First experiences of ethanol hybrid buses operating in public transport. In Proceedings of the World Renewable Energy Congress, Linkoping, Sweden, 8–13 May 2011; pp. 3653–3660. [Google Scholar]
- Zhao, H.; Burke, A.; Zhu, L. Analysis of Class 8 hybrid-electric truck technologies using diesel, LNG, electricity, and hydrogen, as the fuel for various applications. In Proceedings of the IEEE 2013 World Electric Vehicle Symposium and Exhibition (EVS27), Barcelona, Spain, 17–20 November 2013; pp. 1–16. [Google Scholar]
- Gao, Z.; Finney, C.; Daw, C.; LaClair, T.; Smith, D. Comparative Study of Hybrid Powertrains on Fuel Saving, Emissions, and Component Energy Loss in HD Trucks. SAE Int. J. Commer. Veh. 2014, 7, 414–431. [Google Scholar] [CrossRef]
- Karbowski, D.; Delorme, A.; Rousseau, A. Modeling the Hybridization of a Class 8 Line-Haul Truck; SAE Technical Papers 2010-01-1931; SAE: Warrendale, PA, USA, 2010. [Google Scholar]
- Rodman Oprešnik, S.; Seljak, T.; Vihar, R.; Gerbec, M.; Katrašnik, T. Real-World Fuel Consumption, Fuel Cost and Exhaust Emissions of Different Bus Powertrain Technologies. Energies 2018, 11, 2160. [Google Scholar] [CrossRef]
- Topal, O.; Nakir, İ. Total Cost of Ownership Based Economic Analysis of Diesel, CNG and Electric Bus Concepts for the Public Transport in Istanbul City. Energies 2018, 11, 2369. [Google Scholar] [CrossRef]
- Miller, J.M. Hybrid electric vehicle propulsion system architectures of the e-CVT type. IEEE Trans. Power Electron. 2006, 21, 756–767. [Google Scholar] [CrossRef]
- Kulikov, I.A.; Lezhnev, L.Y.; Bakhmutov, S.V. Comparative Study of Hybrid Vehicle Powertrains with Respect to Energy Efficiency. J. Mach. Manuf. Reliab. 2019, 48, 11–19. [Google Scholar] [CrossRef]
- Wang, Q.; Jiang, B.; Li, B.; Yan, Y. A critical review of thermal management models and solutions of lithium-ion batteries for the development of pure electric vehicles. Renew. Sustain. Energy Rev. 2016, 64, 106–128. [Google Scholar] [CrossRef]
- Masias, A.; Snyder, K.; Millet, T. Automaker Energy Storage Need for Electric Vehicles. In Proceedings of the FISITA 2012 World Automotive Congress; Springer: Berlin/Heidelberg, Germany, 2013; pp. 729–741. [Google Scholar]
- Serrao, L.; Rizzoni, G. Optimal control of power split for a hybrid electric refuse vehicle. In Proceedings of the American Control Conference, Seattle, WA, USA, 11–13 June 2008; pp. 4498–4503. [Google Scholar]
- Barrero, R.; Coosemans, T.; Van Mierlo, J. Hybrid Buses: Defining the Power Flow Management Strategy and Energy Storage System Needs. World Electr. Veh. J. 2009, 3, 299–310. [Google Scholar] [CrossRef]
- Neuman, M.; Sandberg, H.; Wahlberg, B.; Folkesson, A. Modelling and Control of Series HEVs Including Resistive Losses and Varying Engine Efficiency; SAE Technical Papers 2009-01-1320; SAE: Warrendale, PA, USA, 2009. [Google Scholar]
- Wu, W.; Partridge, J.; Bucknall, R. Development and Evaluation of a Degree of Hybridisation Identification Strategy for a Fuel Cell Supercapacitor Hybrid Bus. Energies 2019, 12, 142. [Google Scholar] [CrossRef]
- Grbović, P.J. Ultra-Capacitors in Power Conversion Systems. Applications, Analysis and Design from Theory to Practice; John Wiley & Sons Ltd.: Hoboken, NJ, USA, 2014; pp. 22–76, 149–215. [Google Scholar]
- Electrochemical Capacitors; Technical Report (In Russian). Elton Inc.: Moscow, Russia, 2012.
- Plett, G.L. Extended Kalman filtering for battery management systems of LiPB-based HEV battery packs Part 1. Background. J. Power Sources 2004, 134, 252–261. [Google Scholar] [CrossRef]
- Long, B.; Lim, S.T.; Bai, Z.F.; Ryu, J.H.; Chong, K.T. Energy Management and Control of Electric Vehicles, Using Hybrid Power Source in Regenerative Braking Operation. Energies 2014, 7, 4300–4315. [Google Scholar] [CrossRef]
- Zhang, C.; Wang, D.; Wang, B.; Tong, F. Battery Degradation Minimization-Oriented Hybrid Energy Storage System for Electric Vehicles. Energies 2020, 13, 246. [Google Scholar] [CrossRef]
- Genta, G. Motor Vehicle Dynamics. Modeling and Simulation; World Scientific: Singapore, 2006; pp. 43–44. [Google Scholar]
- Martin, R.; Quintana, J.J.; Ramos, A.; de la Nuez, I. Modeling electrochemical double layer capacitor, from classical to fractional impedance. In Proceedings of the MELECON 2008—The 14th IEEE Mediterranean Electrotechnical Conference, Ajaccio, France, 5–7 May 2008; pp. 61–66. [Google Scholar]
- Atcitty, S. Electrochemical Capacitor Characterization for Electric Utility Applications. Ph.D. Thesis, Virginia Polytechnic Institute and State University, Blacksburg, VA, USA, 2006; pp. 20–40. [Google Scholar]
- Hendricks, T.; O’Keefe, M. Heavy Vehicle Auxiliary Load Electrification for the Essential Power System Program: Benefits, Tradeoffs, and Remaining Challenges; SAE Technical Paper 2002-01-3135; SAE: Warrendale, PA, USA, 2002. [Google Scholar]
- SAE Standard J1343. Information Relating to Duty Cycles and Average Power Requirements of Truck and Bus. Engine Accessories; SAE: Warrendale, PA, USA, 2000. [Google Scholar]
- Andersson, C. On Auxiliary Systems in Commercial Vehicles. Ph.D. Thesis, Lund University, Lund, Sweden, 2004; pp. 37–97. [Google Scholar]
- Luz, R.; Rexeis, M.; Hausberger, S.; Jajcevic, D.; Lang, W.; Schulte, L.E.; Steven, H. Development and Validation of a Methodology for Monitoring and Certification of Greenhouse Gas. Emissions from Heavy Duty Vehicles through Vehicle Simulation; Technical Report; Technical University Graz: Graz, Austria, 2014. [Google Scholar]















| DC Voltage (V) | Motor Mode | Generator Mode | ||
|---|---|---|---|---|
| Max. Power (kW) | Max. Torque (Nm) | Max. Power (kW) | Max. Torque (Nm) | |
| 450 | 90 | 1100 | 100 | 1100 |
| 650 | 135 | 1100 | 165 | 1100 |
| 0.17 | 0.35 | 1.8 | 12 | 8 | 8 |
| Auxiliary Component | Min. Power (kW) | Max. Power (kW) | (%) (Urban Driving) | (%) (Highway Driving) | |
|---|---|---|---|---|---|
| Air brake compressor | 0.35–1.2 | 1–3.5 | 100 | 30 | 5 |
| Power steering | 0.3–1.2 | 3–10.5 | 100 | 60 | 10 |
| A/C compressor | 0 | 1–5.3 | 150 | 50 | 50 |
| Engine fan | 0 | 16.7 | 200 | 10 | 5 |
| Electrical acc. | 0.6 | 0.6 | - | - | - |
| Auxiliary Component | Power (kW) (Urban Driving) | Power (kW) (Highway Driving) | (%) (Urban Driving) | (%) (Highway Driving) | |
|---|---|---|---|---|---|
| Air brake compressor | 1.7 | 2.2 | 100 | 5 | 5 |
| Power steering | 5.5 | 3 | 100 | 60 | 10 |
| A/C compressor | 2.5 | 3.3 | 150 | 50 | 50 |
| Engine fan | 2.4 | 5.5 | 200 | 4 | 4 |
| Electrical acc. | 0.6 | 0.6 | - | - | - |
| HV cooling | 0.3 | 0.3 | 100 | 56 | 10 |
| Condition No. | C1 | C2 | C3 | C4 | C5 | C6 |
|---|---|---|---|---|---|---|
| Expression | no gear shift | gear shift |
| (m2) | ||||||
|---|---|---|---|---|---|---|
| 44,000 | 0.492 | 20 | 0.58 | 7.9 | 0.0045 | (1.5–2) × 10−6 |
| Driving Cycle (GOST) | Fuel Economy, Diesel (L/100 km) | Fuel Economy, Gas-Otto (m3/100 km) | Fuel Economy, Gas, Prod. Engine (m3/100 km) | ||||||
|---|---|---|---|---|---|---|---|---|---|
| Exp. | Model | Error (%) | Exp. | Model | Error (%) | Exp. | Model | Error (%) | |
| City | 58.3 | 58.5 | 0.34 | 74.38 | 72.4 | 2.66 | 61.6 | 67.38 | 9.38 |
| Highway | 35.8 | 37.5 | 4.75 | 46.98 | 46.09 | 1.89 | 43.3 | 42.96 | 0.79 |
| ESS–Traction Drive Interface | Powertrain Type | ||||||||
|---|---|---|---|---|---|---|---|---|---|
| Conv. | Hybrid, ESS 1.6 kWh | Hybrid, ESS 3.2 kWh | Hybrid, ESS 4.8 kWh | Hybrid, ESS 6.4 kWh | |||||
| FC | FC | FE | FC | FE | FC | FE | FC | FE | |
| Direct link | 82.6 | 65.98 | 20.12% | 62.9 | 23.8% | 61.82 | 25.16% | 61.54 | 25.50% |
| DC–DC | 70.2 | 15% | 66.95 | 18.9% | 65.7 | 20.46% | 64.98 | 21.33% | |
| Driving Schedule | Start–Stop Feature Status | Gas Engine | ||
|---|---|---|---|---|
| Otto’s Cycle | Miller’s Cycle | Production Engine | ||
| City/suburban | Disabled | + 0.7% | −0.6% | −0.7% |
| City/suburban | Enabled | + 3% | + 1.2% | + 0.7% |
| Highway | n/a | + 0.5% | 0 | −0.5% |
| Driving Schedule | Start–Stop Feature Status | Engine | |||
|---|---|---|---|---|---|
| Diesel | Gas, Otto Cycle | Gas, Miller Cycle | Gas, Prod. Engine | ||
| City/suburban | Disabled | −0.1% | + 0.7% | + 0.4% | + 1.2% |
| City/suburban | Enabled | + 1% | + 1.3% | −0.3% | + 0.2% |
| Highway | n/a | −0.2% | + 0.1% | −0.9% | 0 |
© 2020 by the authors. Licensee MDPI, Basel, Switzerland. This article is an open access article distributed under the terms and conditions of the Creative Commons Attribution (CC BY) license (http://creativecommons.org/licenses/by/4.0/).
Share and Cite
Kulikov, I.; Kozlov, A.; Terenchenko, A.; Karpukhin, K. Comparative Study of Powertrain Hybridization for Heavy-Duty Vehicles Equipped with Diesel and Gas Engines. Energies 2020, 13, 2072. https://doi.org/10.3390/en13082072
Kulikov I, Kozlov A, Terenchenko A, Karpukhin K. Comparative Study of Powertrain Hybridization for Heavy-Duty Vehicles Equipped with Diesel and Gas Engines. Energies. 2020; 13(8):2072. https://doi.org/10.3390/en13082072
Chicago/Turabian StyleKulikov, Ilya, Andrey Kozlov, Alexey Terenchenko, and Kirill Karpukhin. 2020. "Comparative Study of Powertrain Hybridization for Heavy-Duty Vehicles Equipped with Diesel and Gas Engines" Energies 13, no. 8: 2072. https://doi.org/10.3390/en13082072
APA StyleKulikov, I., Kozlov, A., Terenchenko, A., & Karpukhin, K. (2020). Comparative Study of Powertrain Hybridization for Heavy-Duty Vehicles Equipped with Diesel and Gas Engines. Energies, 13(8), 2072. https://doi.org/10.3390/en13082072
