A High-Gain Observer-Based Adaptive Super-Twisting Algorithm for DC-Link Voltage Control of NPC Converters
Abstract
1. Introduction
- (1)
- The adaptive STA is implemented in the voltage regulation loop to drive the dc-link voltage convergence to its reference value. It is highlighted that the gains of the adopted adaptive STA approach are changed in real-time following the designed adaptive law, that is, decreasing in steady state while increasing during the transient. Such a feature brings several significant advantages to the controller, including the limited chattering phenomenon and fast response.
- (2)
- A HGO is designed based on the adaptive STA control strategy in the voltage regulator to reject external disturbances, which further enhances the disturbance rejection ability of the dc-link voltage regulator. On the other hand, a simple and efficient output regulation subspaces based direct power control (ORS-DPC) strategy with the PI controller is carried out in the inner loop to achieve the objective of instantaneous power tracking.
- (3)
- The comparison experiments between the conventional PI and proposed HGO-based adaptive STA controller are implemented in a real three-level NPC converter, and the superiorities of the proposed method is validated.
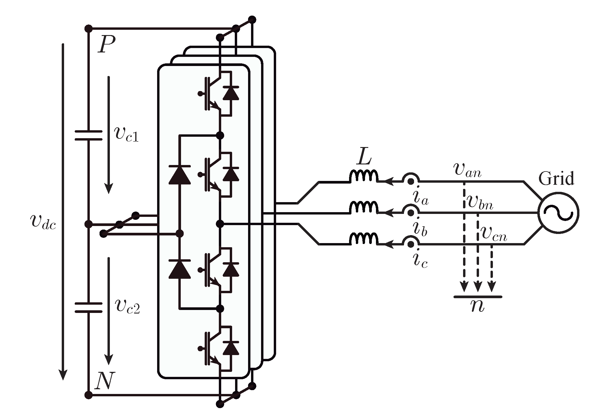
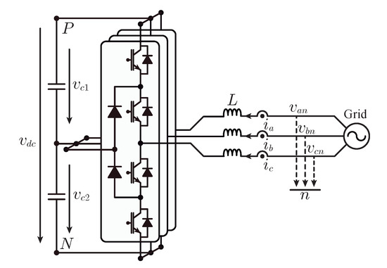
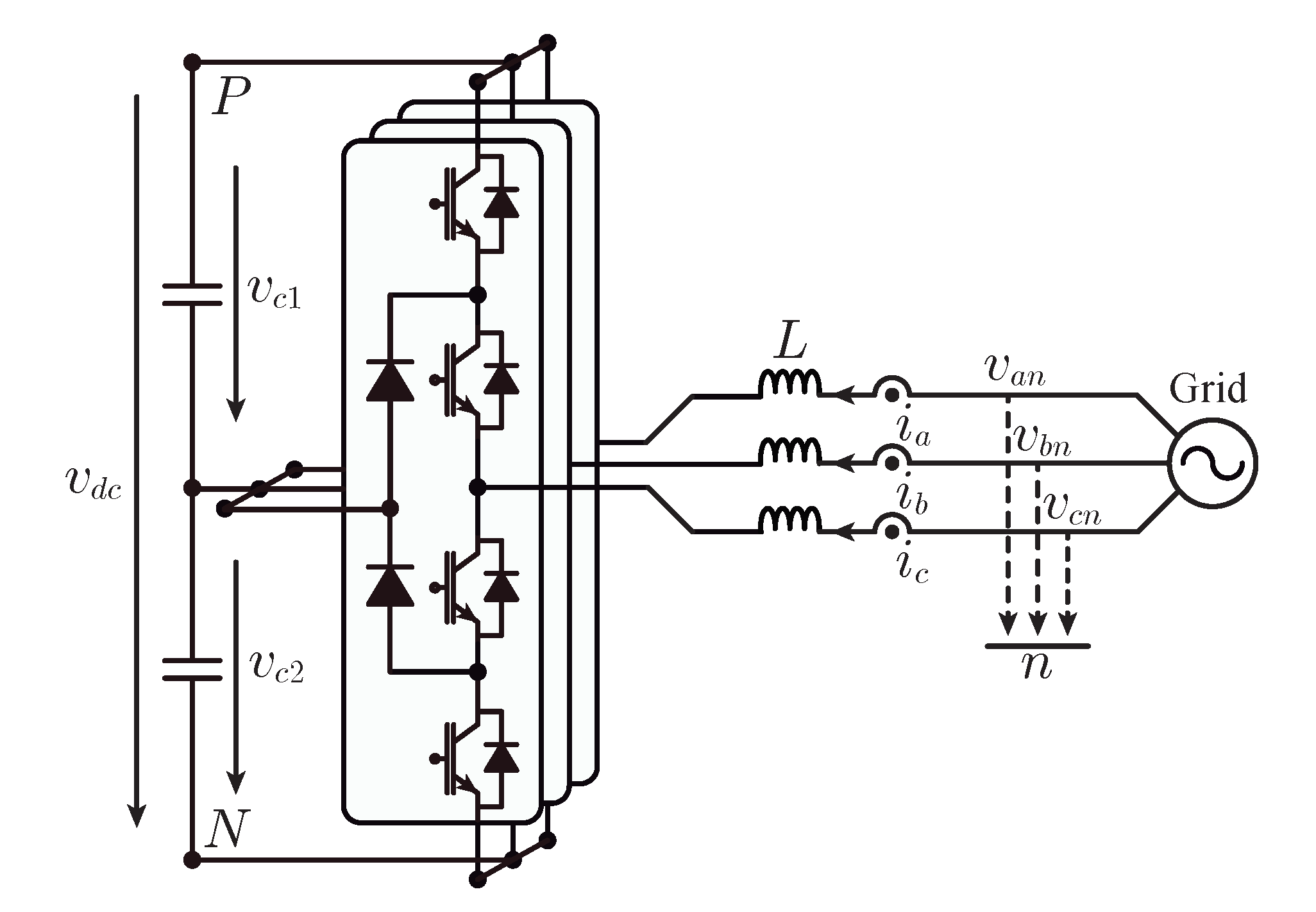
2. Description of the Three-Level NPC Converter
3. Principles of the HGO-Adaptive STA Control Strategy
3.1. High-Gain Observer
3.2. Adaptive Super-Twisting Algorithm
- S1.
- S2.
- . When it comes to this situation, owing to the fact that , the gains (α, β) will decrease immediately until the condition is satisfied. Afterwards, they will increase again as soon as is large than the boundary ρ, that is, it comes back to S1. Finally, the sliding mode variable s will remain in a domain . In the meantime, the gains are varying in zigzag if the system are operating at a steady state.
4. Experimental Verification
4.1. Steady State Performance
4.2. Transient Response
5. Conclusions
Author Contributions
Funding
Conflicts of Interest
Abbreviations
| NPC | Neutral-Point-Clamped |
| AFE | Active Front-End |
| HGO | High-Gain Observer |
| STA | Super-Twisting Algorithm |
| SMC | Sliding Mode Control |
| ORS-DPC | Output Regulation Subspaces Based Direct Power Control |
| PI | Proportional Integral |
| KVL | Kirchhoff Voltage Law |
References
- Rodriguez, J.R.; Dixon, J.W.; Espinoza, J.R.; Pontt, J.; Lezana, P. PWM regenerative rectifiers: State of the art. IEEE Trans. Ind. Electron. 2005, 52, 5–22. [Google Scholar] [CrossRef]
- Song, Z.; Tian, Y.; Chen, W.; Zou, Z.; Chen, Z. Predictive Duty Cycle Control of Three-Phase Active-Front-End Rectifiers. IEEE Trans. Power Electron. 2016, 31, 698–710. [Google Scholar] [CrossRef]
- Leon, J.I.; Kouro, S.; Franquelo, L.G.; Rodriguez, J.; Wu, B. The Essential Role and the Continuous Evolution of Modulation Techniques for Voltage-Source Inverters in the Past, Present, and Future Power Electronics. IEEE Trans. Ind. Electron. 2016, 63, 2688–2701. [Google Scholar] [CrossRef]
- Leon, J.I.; Vazquez, S.; Franquelo, L.G. Multilevel Converters: Control and Modulation Techniques for Their Operation and Industrial Applications. Proc. IEEE 2017, 105, 2066–2081. [Google Scholar] [CrossRef]
- Yin, Y.; Liu, J.; Sánchez, J.A.; Wu, L.; Vazquez, S.; Leon, J.I.; Franquelo, L.G. Observer-Based Adaptive Sliding Mode Control of NPC Converters: An RBF Neural Network Approach. IEEE Trans. Power Electron. 2019, 34, 3831–3841. [Google Scholar] [CrossRef]
- Sebaaly, F.; Vahedi, H.; Kanaan, H.Y.; Moubayed, N.; Al-Haddad, K. Design and Implementation of Space Vector Modulation-Based Sliding Mode Control for Grid-Connected 3L-NPC Inverter. IEEE Trans. Ind. Electron. 2016, 63, 7854–7863. [Google Scholar] [CrossRef]
- Sebaaly, F.; Vahedi, H.; Kanaan, H.Y.; Moubayed, N.; Al-Haddad, K. Sliding Mode Fixed Frequency Current Controller Design for Grid-Connected NPC Inverter. IEEE Trans. Emerg. Sel. Topics Power Electron. 2016, 4, 1397–1405. [Google Scholar] [CrossRef]
- Tabart, Q.; Vechiu, I.; Etxeberria, A.; Bacha, S. Hybrid Energy Storage System Microgrids Integration for Power Quality Improvement Using Four-Leg Three-Level NPC Inverter and Second-Order Sliding Mode Control. IEEE Trans. Ind. Electron. 2018, 65, 424–435. [Google Scholar] [CrossRef]
- Barros, J.D.; Silva, J.F. Optimal Predictive Control of Three-Phase NPC Multilevel Converter for Power Quality Applications. IEEE Trans. Ind. Electron. 2008, 55, 3670–3681. [Google Scholar] [CrossRef]
- Mora, A.; Cárdenas-Dobson, R.; Aguilera, R.P.; Angulo, A.; Donoso, F.; Rodriguez, J. Computationally Efficient Cascaded Optimal Switching Sequence MPC for Grid-Connected Three-Level NPC Converters. IEEE Trans. Power Electron. 2019, 34, 12464–12475. [Google Scholar] [CrossRef]
- Vazquez, S.; Acuna, P.; Aguilera, R.P.; Pou, J.; Leon, J.I.; Franquelo, L.G. DC-Link Voltage Balancing Strategy Based on Optimal Switching Sequences Model Predictive Control for Single-Phase H-NPC Converters. IEEE Trans. Ind. Electron. 2019, in press. [Google Scholar] [CrossRef]
- Lin, F.; Tan, K.; Lai, Y.; Luo, W. Intelligent PV Power System With Unbalanced Current Compensation Using CFNN-AMF. IEEE Trans. Power Electron. 2019, 34, 8588–8598. [Google Scholar] [CrossRef]
- Chen, C.; Sun, Z. Fixed-time stabilisation for a class of high-order non-linear systems. IET Control Theory A 2018, 12, 2578–2587. [Google Scholar] [CrossRef]
- Liu, J.; Yin, Y.; Luo, W.; Vazquez, S.; Franquelo, L.G.; Wu, L. Sliding Mode Control of a Three-Phase AC/DC Voltage Source Converter Under Unknown Load Conditions: Industry Applications. IEEE Trans. Syst. Man Cy-S. 2018, 48, 1771–1780. [Google Scholar] [CrossRef]
- Wu, C.; Wu, L.; Liu, J.; Jiang, Z. Active Defense-Based Resilient Sliding Mode Control Under Denial-of-Service Attacks. IEEE Trans. Inf. Forensics Security 2020, 15, 237–249. [Google Scholar] [CrossRef]
- Liu, J.; Wu, L.; Wu, C.; Luo, W.; Franquelo, L.G. Event-triggering dissipative control of switched stochastic systems via sliding mode. Automatica 2019, 103, 261–273. [Google Scholar] [CrossRef]
- Sun, G.; Wu, L.; Kuang, Z.; Ma, Z.; Liu, J. Practical tracking control of linear motor via fractional-order sliding mode. Automatica 2018, 94, 221–235. [Google Scholar] [CrossRef]
- Levant, A. Chattering Analysis. IEEE Trans. Autom. Control 2010, 55, 1380–1389. [Google Scholar] [CrossRef]
- Levant, A. Sliding Order and Sliding Accuracy in Sliding Mode Control. Int. J. Control. 1993, 58, 1247–1263. [Google Scholar] [CrossRef]
- Utkin, V. Discussion Aspects of High-Order Sliding Mode Control. IEEE Trans. Autom. Control 2016, 61, 829–833. [Google Scholar] [CrossRef]
- Liu, J.; Vazquez, S.; Wu, L.; Marquez, A.; Gao, H.; Franquelo, L.G. Extended State Observer-Based Sliding-Mode Control for Three-Phase Power Converters. IEEE Trans. Ind. Electron. 2017, 64, 22–31. [Google Scholar] [CrossRef]
- Shen, X.; Liu, J.; Luo, W.; Leon, J.I.; Vazquez, S.; Marquez Alcaide, A.; Franquelo, L.G.; Wu, L. High-Performance Second Order Sliding Mode Control for NPC Converters. IEEE Trans. Ind. Informat. 2019; in press. [Google Scholar] [CrossRef]
- Utkin, V.I.; Poznyak, A.S. Adaptive sliding mode control with application to super-twist algorithm: Equivalent control method. Automatica 2013, 49, 39–47. [Google Scholar] [CrossRef]
- Esfandiari, F.; Khalil, H. Output feedback stabilization of fully linearizable systems. Int. J. Control. 1992, 56, 1007–1037. [Google Scholar] [CrossRef]
- Alfehaid, A.A.; Strangas, E.G.; Khalil, H.K. Speed control of Permanent Magnet Synchronous Motor using extended high-gain observer. In Proceedings of the 2016 American Control Conference (ACC), Boston, MA, USA, 6–8 July 2016; pp. 2205–2210. [Google Scholar]
- Khalil, H.K. High-Gain Observers in Feedback Control: Application to Permanent Magnet Synchronous Motors. IEEE Contr. Syst. Mag. 2017, 37, 25–41. [Google Scholar]
- Mercorelli, P. A Two-Stage Sliding-Mode High-Gain Observer to Reduce Uncertainties and Disturbances Effects for Sensorless Control in Automotive Applications. IEEE Trans. Ind. Electron. 2015, 62, 5929–5940. [Google Scholar] [CrossRef]
- Wang, F.; Wang, J.; Kennel, R.M.; Rodríguez, J. Fast Speed Control of AC Machines Without the Proportional-Integral Controller: Using an Extended High-Gain State Observer. IEEE Trans. Power Electron. 2019, 34, 9006–9015. [Google Scholar] [CrossRef]
- Escobar, G.; Leyva-Ramos, J.; Carrasco, J.M.; Galvan, E.; Portillo, R.C.; Prats, M.M.; Franquelo, L.G. Modeling of a three level converter used in a synchronous rectifier application. In Proceedings of the 2004 IEEE 35th Annual Power Electronics Specialists Conference, Aachen, Germany, 20–25 June 2004; Volume 6, pp. 4306–4311. [Google Scholar]
- Ventosa-Cutillas, A.; Montero-Robina, P.; Umbría, F.; Cuesta, F.; Gordillo, F. Integrated Control and Modulation for Three-Level NPC Rectifiers. Energies 2019, 12, 1641. [Google Scholar] [CrossRef]
- Umbría, F.; Gordillo, F.; Estern, F.G.; Salas, F.; Portillo, R.; Vázquez, S. Voltage balancing in three-level neutral-point-clamped converters via Luenberger observer. Control. Eng. Pract. 2014, 25, 26–44. [Google Scholar] [CrossRef]
- Akagi, H.; Aredes, M. Instantaneous power theory and applications to power conditioning; John Wiley & Sons: Hoboken, NJ, USA, 2017. [Google Scholar]
- Escobar, G.; Stankovic, A.M.; Carrasco, J.M.; Galvan, E.; Ortega, R. Analysis and design of direct power control (DPC) for a three phase synchronous rectifier via output regulation subspaces. IEEE Trans. Power Electron. 2003, 18, 823–830. [Google Scholar] [CrossRef]
- Portillo, R.; Vazquez, S.; Leon, J.I.; Prats, M.M.; Franquelo, L.G. Model Based Adaptive Direct Power Control for Three-Level NPC Converters. IEEE Trans. Ind. Informat. 2013, 9, 1148–1157. [Google Scholar] [CrossRef]
- Shtessel, Y.; Taleb, M.; Plestan, F. A novel adaptive-gain supertwisting sliding mode controller: Methodology and application. Automatica 2012, 48, 759–769. [Google Scholar] [CrossRef]
- Moreno, J.A.; Osorio, M. A Lyapunov approach to second-order sliding mode controllers and observers. In Proceedings of the 2008 47th IEEE Conference on Decision and Control, Cancun, Mexico, 9–11 December 2008; pp. 2856–2861. [Google Scholar]
- Khalil, H.K. Nonlinear systems, 3rd ed.; Prentice-Hall: Upper Saddle River, NJ, USA, 2002. [Google Scholar]
- Litt, J. An expert system to perform on-line controller tuning. IEEE Contr. Syst. Mag. 1991, 11, 18–23. [Google Scholar]
- Susperregui, A.; Martinez, M.I.; Zubia, I.; Tapia, G. Design and tuning of fixed-switching-frequency second-order sliding-mode controller for doubly fed induction generator power control. IET Electr. Power Appl. 2012, 6, 696–706. [Google Scholar] [CrossRef]









| Variables | Description |
|---|---|
| Grid voltage frequency | |
| C | DC-link Capacitor |
| L | Line inductor |
| DC load | |
| DC-link capacitors voltages | |
| Three-phase grid voltage | |
| Three-phase grid voltage in coordinates frame | |
| Three-phase grid current | |
| Three-phase grid voltage in coordinates frame | |
| AC output voltage referred to the neutral-point “o” | |
| The voltage from neutral-point “o” to “n” | |
| Average duty cycles | |
| Average duty cycles in coordinates frame |
| Circuit | PI | HGO-Adaptive STA | |||
|---|---|---|---|---|---|
| Parameter | Value | Parameter | Value | Parameter | Value |
| 230 | 0.1 | 3 | |||
| 150 | 2 | 0.08 | |||
| 360 | 9 × 10 | 2500 | |||
| AC frequency | 50 Hz | 9 × 10 | 800 | ||
| Switching Rate | 6.4 kHz | 1 × 10 | 5 | ||
| Sampling Rate | 6.4 kHz | 1 × 10 | c | 325 | |
| L | 2 mH | 5 × 10 | , | 0.28, 1 | |
| C | 6 mF | 1 × 10 | 0.1 | ||
© 2020 by the authors. Licensee MDPI, Basel, Switzerland. This article is an open access article distributed under the terms and conditions of the Creative Commons Attribution (CC BY) license (http://creativecommons.org/licenses/by/4.0/).
Share and Cite
Shen, X.; Liu, J.; Marquez, A.; Luo, W.; Leon, J.I.; Vazquez, S.; Franquelo, L.G. A High-Gain Observer-Based Adaptive Super-Twisting Algorithm for DC-Link Voltage Control of NPC Converters. Energies 2020, 13, 1110. https://doi.org/10.3390/en13051110
Shen X, Liu J, Marquez A, Luo W, Leon JI, Vazquez S, Franquelo LG. A High-Gain Observer-Based Adaptive Super-Twisting Algorithm for DC-Link Voltage Control of NPC Converters. Energies. 2020; 13(5):1110. https://doi.org/10.3390/en13051110
Chicago/Turabian StyleShen, Xiaoning, Jianxing Liu, Abraham Marquez, Wensheng Luo, Jose I. Leon, Sergio Vazquez, and Leopoldo G. Franquelo. 2020. "A High-Gain Observer-Based Adaptive Super-Twisting Algorithm for DC-Link Voltage Control of NPC Converters" Energies 13, no. 5: 1110. https://doi.org/10.3390/en13051110
APA StyleShen, X., Liu, J., Marquez, A., Luo, W., Leon, J. I., Vazquez, S., & Franquelo, L. G. (2020). A High-Gain Observer-Based Adaptive Super-Twisting Algorithm for DC-Link Voltage Control of NPC Converters. Energies, 13(5), 1110. https://doi.org/10.3390/en13051110

