Islanding Detection Method Based on Injecting Perturbation Signal and Rate of Change of Output Power in DC Grid-Connected Photovoltaic System
Abstract
:1. Introduction
- Safety: This may confuse the utility workers and expose them to hazards such as electric shocks.
- Damage to load: This may cause severe damage to electrical equipment, appliances and devices. Some devices are more sensitive to voltage fluctuations than others.
- Inverter confusion: : Reclosing onto an active island may confuse the operation of inverters.
- Delay of restoration: If the islanding phenomenon repeatedly occurs in power system, the restoration of the power system from the failure will be delayed because of asynchronous closing.
2. Islanding Detection in AC and DC System
2.1. AC System
- is the active power of DC load.
- is the active power supplied by AC grid.
- is the active DG power.
- is the reactive power of DC load.
- is the reactive power supplied by AC grid.
- is the reactive DG power.
2.2. DC System
- is the active power of DC load.
- is the active power of DC grid.
- is the active power supplied by AC system.
- V is the DC bus voltage in normal condition.
- is the DC bus voltage in islanding condition.
- R is the DC load resistance.
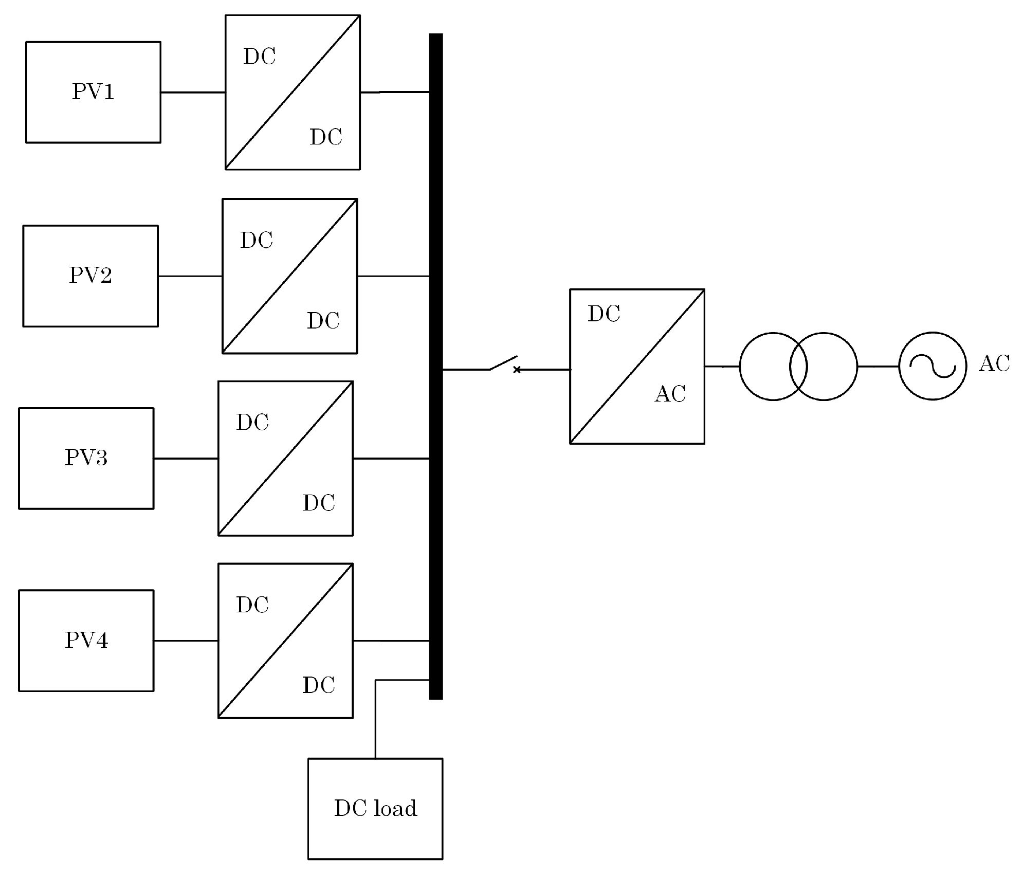
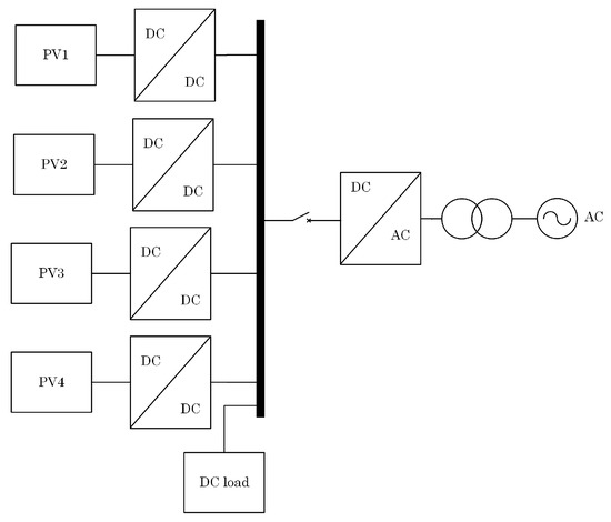
3. System Description and Proposed Islanding Detection Method (IDM)
3.1. System Description
3.2. Proposed IDM
- Step 1: Start inject perturbation signal at 0.4 (s) from the system startup.
- Step 2: The islanding event is activated at 1.5 (s) from the system startup by disconnect the AC grid.
- is the current of DC load.
- is the current of DC/DC converter output capacitance.
- is the DC/DC converter output current.
- is the DC bus voltage in islanding condition.
- R is the DC load resistance.
- C is the DC/DC converter output capacitance.
- is the DC/DC converter output current before time .
- is the DC/DC converter output current after time .
- is the initial DC voltage before islanding condition.
- s is the Laplace operator.
- is the injected perturbation factor at step k.
- is the current of the PV module.
- D is the duty cycle.
- is the DC/DC output current perturbation factor at step k.
- is the PV maximum power.
- is the change of active power.
- is the DC bus voltage in normal condition ().
- is the DC bus voltage reference (500 V).
- is the change of DC bus voltage in islanding condition.
- is the over voltage threshold.
- is the under voltage threshold.
4. Simulation Results
- The perturbation signal injected to PV converter at t = 0.4 s from the system startup.
- The islanding condition occurs at t = 1.5 s from the system startup.
- DC bus voltage is = 500 V.
- Under voltage threshold is = 450 V.
- Rate of change of output power threshold is 0.2346.
- The perturbation duration is T = 8 ms.
- The perturbation factor at normal condition is n = 0.9 to 1.1.
4.1. Single PV Operation
- is the MPPT efficiency.
- = 270.5 V is the PV array voltage measurement at maximum power point.
- is the PV array voltage reference at maximum power point (manufacturer value).
- = 54.7 V is the PV module voltage reference at maximum power point.
- m = 5 is the series-connected modules per string.
4.2. Multi-PV Operation
5. Conclusions
Author Contributions
Conflicts of Interest
References
- Jenkins, N.; Ekanayake, J.B.; Strbac, G. Distributed Generation; Institution of Engineering and Technology: London, UK, 2010; p. 272. [Google Scholar]
- Elsayed, A.T.; Mohamed, A.A.; Mohammed, O.A. Review DC microgrids and distribution systems: An overview. Electr. Power Syst. Res. 2015, 119, 407–417. [Google Scholar] [CrossRef]
- Hammerstrom, D.J. AC Versus DC Distribution Systems: Did We Get it Right? In Proceedings of the IEEE Power Engineering Society General Meeting, Tampa, FL, USA, 24–28 June 2007; pp. 1–5. [Google Scholar]
- Seo, G.-S.; Baek, J.; Choi, K.; Bae, H.; Cho, B. Modeling and analysis of DC distribution systems. In Proceedings of the IEEE 8th International Conference on Power Electronics and ECCE Asia, Jeju, Korea, May 30–June 3 2011; pp. 223–227. [Google Scholar]
- Starke, M.R.; Tolbert, L.M.; Ozpineci, B. AC vs. DC distribution: A loss comparison. In Proceedings of the IEEE PES Transmission and Distribution Conference and Exposition, Chicago, IL, USA, 21–24 April 2008; pp. 1–7. [Google Scholar]
- Sannino, A.; Postiglione, G.; Bollen, M. Feasibility of a DC Network for Commercial Facilities. IEEE Trans. Ind. Appl. 2003, 39, 1499–1507. [Google Scholar] [CrossRef]
- IEEE Application Guide for IEEE Std 1547TM, IEEE Standard for Interconnecting Distributed Resources with Electric Power Systems; IEEE Standard 1547.2TM; IEEE Press: New York, NY, USA, 2008.
- Papadimitriou, C.N.; Kleftakis, V.A.; Hatziargyriou, N.D. A Novel Method for Islanding Detection in DC Networks. IEEE Trans. Sustain. Energy 2017, 8, 441–448. [Google Scholar] [CrossRef]
- Mohamad, A.M.I.; Mohamed, A.-R.I. Assessment and Performance Comparison of Positive Feedback Islanding Detection Methods in DC Distribution Systems. IEEE Trans. Power Electron. 2016, 32, 6577–6594. [Google Scholar] [CrossRef]
- Kleftakis, V.A.; Lagos, D.T.; Papadimitriou, C.N.; Hatziargyriou, N.D. Seamless transition between interconnected and islanded operation of DC Microgrids. IEEE Trans. Smart Grid 2017. [Google Scholar] [CrossRef]
- Voglitsis, D.; Papanikolaou, N.; Kyritsis, A.C. Incorporation of Harmonic Injection in an Interleaved Flyback Inverter for the Implementation of an Active Anti-Islanding Technique. IEEE Trans. Power Electron. 2016, 32, 8526–8543. [Google Scholar] [CrossRef]
- Haider, R.; Kim, C.H.; Ghanbari, T.; Bukhari, S.B.A.; Zaman, M.S.U.; Baloch, S.; Oh, Y.S. Passive islanding detection scheme based on autocorrelation function of modal current envelope for photovoltaic units. IET Gener. Transm. Distrib. 2018, 12, 726–736. [Google Scholar] [CrossRef]
- Seo, G.-S.; Lee, K.-C.; Cho, B.-H. A new DC anti-islanding technique of electrolytic capacitor-less photovoltaic interface in DC distribution systems. IEEE Trans. Power Electron. 2013, 28, 1632–1641. [Google Scholar] [CrossRef]
- Mahat, P.; Chen, Z.; Bak-Jensen, B. Review of Islanding Detection Methods for Distributed Generation. In Proceedings of the Third International Conference on Electric Utility Deregulation and Restructuring and Power Technologies, Nanjing, China, 6–9 April 2008. [Google Scholar]
- Funabashi, T.; Koyanagi, K.; Yokoyama, R. A review of islanding detection methods for distributed resources. In Proceedings of the IEEE Power Tech Conference, Bologna, Italy, 23–26 June 2003. [Google Scholar]
- Mulhausen, J.; Schaefer, J.; Mynam, M.; Guzmán, A.; Donolo, M. Anti-Islanding Today, Successful Islanding in the Future. In Proceedings of the 2010 63rd Annual Conference for Protective Relay Engineers, College Station, TX, USA, 29 March–1 April 2010. [Google Scholar]
- Samuelsson, O.; Strath, N. Islanding detection and connection requirements. In Proceedings of the IEEE Power Engineering Society General Meeting, Tampa, FL, USA, 24–28 June 2007; pp. 1–6. [Google Scholar]
- Kunte, R.S.; Gao, W. Comparison and Review of Islanding Detection Techniques for Distributed Energy Resources. In Proceedings of the 40th North American Power Symposium, Calgary, AB, Canada, 28–30 September 2008. [Google Scholar]


















| Islanding Detection Techniques | ||
|---|---|---|
| Passive | Active | Remote |
| Under/Over Voltage | Impedance measurement | Power line carrier |
| Under/Over Frequency | Reactive power fluctuation | Disconnect signal |
| Voltage harmonics | QC-mode frequency shift | SCADA |
| Voltage phase shift | Reactive power compensation | PMU |
| Voltage unbalance | Load fluctuation | Comparison of rate of change of frequency |
| Total harmonic distortion | Inter-harmonic injection | |
| Rate of change of output power | Sandia frequency shift | |
| Rate of change of frequency | Sandia voltage shift | |
| Frequency bias |
| Information | Value |
|---|---|
| Open circuit voltage | 64.2 V |
| Short circuit current | 5.96 A |
| Voltage at maximum power point | 54.7 V |
| Current at maximum power point | 5.58 A |
| Maximum power | 305.226 W |
| Parallel strings | 66 |
| Series-connected modules per string | 5 |
| Active PV power at 1000 () and 25 C | 100 kW |
| Active PV power at 500 () and 25 C | 50 kW |
| Active PV power at 250 () and 25 C | 25 kW |
| Active PV power at 100 () and 25 C | 10 kW |
| Cases | Total PV (kW) | Total Load (kW) | Vdc (V) |
|---|---|---|---|
| 1 | 50 | 50 | 500 |
| 2 | 50 | 62.5 | 500 |
| Cases | PV1 (kW) | PV2 (kW) | PV3 (kW) | PV4 (kW) | Total PV (kW) | Total Load (kW) | Vdc (V) |
|---|---|---|---|---|---|---|---|
| 1 | 50 | 50 | 50 | 50 | 200 | 200 | 500 |
| 2 | 50 | 50 | 50 | 50 | 200 | 250 | 500 |
| 3 | 25 | 25 | 25 | 25 | 100 | 100 | 500 |
| 4 | 25 | 25 | 25 | 25 | 100 | 125 | 500 |
| 5 | 10 | 10 | 10 | 10 | 40 | 40 | 500 |
| 6 | 10 | 10 | 10 | 10 | 40 | 50 | 500 |
© 2018 by the authors. Licensee MDPI, Basel, Switzerland. This article is an open access article distributed under the terms and conditions of the Creative Commons Attribution (CC BY) license (http://creativecommons.org/licenses/by/4.0/).
Share and Cite
Tran, T.S.; Nguyen, D.T.; FUJITA, G. Islanding Detection Method Based on Injecting Perturbation Signal and Rate of Change of Output Power in DC Grid-Connected Photovoltaic System. Energies 2018, 11, 1313. https://doi.org/10.3390/en11051313
Tran TS, Nguyen DT, FUJITA G. Islanding Detection Method Based on Injecting Perturbation Signal and Rate of Change of Output Power in DC Grid-Connected Photovoltaic System. Energies. 2018; 11(5):1313. https://doi.org/10.3390/en11051313
Chicago/Turabian StyleTran, Thanh Son, Duc Tuyen Nguyen, and Goro FUJITA. 2018. "Islanding Detection Method Based on Injecting Perturbation Signal and Rate of Change of Output Power in DC Grid-Connected Photovoltaic System" Energies 11, no. 5: 1313. https://doi.org/10.3390/en11051313
APA StyleTran, T. S., Nguyen, D. T., & FUJITA, G. (2018). Islanding Detection Method Based on Injecting Perturbation Signal and Rate of Change of Output Power in DC Grid-Connected Photovoltaic System. Energies, 11(5), 1313. https://doi.org/10.3390/en11051313

