Abstract
Understanding and predicting the behaviour of fatigue cracks are essential for ensuring safety, optimising maintenance strategies, and extending the lifespan of critical components in industries such as aerospace, automotive, civil engineering and energy. Traditional methods using vibration-based dynamic responses have provided effective tools for crack detection but often fail to predict crack propagation paths accurately. This study focuses on identifying crack propagation paths in an aluminium alloy 2024-T42 cantilever beam using dynamic response through numerical simulations and artificial neural networks (ANNs). A unified damping ratio of the specimens was measured using an ICP® accelerometer vibration sensor for the numerical simulation. Through systematic investigation of 46 crack paths of varying depths and orientations, it was observed that the crack propagation path significantly influenced the beam’s natural frequencies and resonance amplitudes. The results indicated a decreasing frequency trend and an increasing amplitude trend as the propagation angle changed from vertical to inclined. A similar trend was observed when the crack path changed from a predominantly vertical orientation to a more complex path with varying angles. Using ANNs, a model was developed to predict natural frequencies and amplitudes from the given crack paths, achieving a high accuracy with a mean absolute percentage error of 1.564%.
1. Introduction
Fatigue is the most common cause of fracture in metallic materials and contributes to over 80% of in-service failures in structural materials [1]. Factors such as material imperfections, inclusions, impurities, and operational conditions of machinery lead to crack initiation and propagation [2]. Untreated micro-cracks can break beam integrity, potentially resulting in catastrophic fatigue failures like the Aloha Airlines incident [3]. Given the serious consequences of the failures caused by crack propagation, researchers are compelled to seek methods to identify crack damage. Academia and industry have achieved damage identification with a lot of studies using structural vibration response [3,4,5]. The fundamental concept of this approach is that cracks change the material’s local structures, inducing a stiffness change, resulting in variations in the structure’s dynamic response or modal parameters [6,7].
Several review studies have been conducted in vibration-based structural health monitoring areas [8]. Das et al. [9] reviewed different vibration-based damage detection methods, including fundamental modal examination, the local diagnostic method, non-probabilistic methodology and the time series method. Among them, fundamental modal examination uses modal parameters like natural frequencies, mode shapes, and damping ratios for damage detection, and several research studies have been carried out. Detecting a single crack in structural components was one of the earliest problems tackled in the field. A two-step method for damage detection using natural frequencies was proposed in another study. It accurately localised and quantified damage through numerical simulations and experiments on cracked beams. However, a potential constraint of this approach is its tendency to symmetrically identify potential damage locations due to sole reliance on natural frequencies [10]. Likewise, Zai et al. [11] predicted crack depth in an aluminium 2024 cantilever beam operating at modal frequency. Based on the dynamic response parameters influenced by stiffness variations, the proposed method forecasted the crack depth under in situ conditions and thermo-mechanical loads. Similar work has been performed by Elshamy et al. [12]. They experimentally measured the modal frequency and mode shapes of a cracked cantilever beam with a tip probe and validated the test results by numerical simulation.
To address more complex scenarios, Altunışık et al. [13] identified modal parameters and detected cracks for multiple-cracked cantilever beams. They applied finite element (FE) models in ANSYS software for numerical analysis and conducted ambient vibration tests to extract dynamic characteristics. However, ambient vibration tests may not always provide controlled conditions for accurate measurements, causing potential errors in the results. Sanchez et al. [14] extended the damage detection to more complex geometries. A disk-like structure was investigated through modal response changes due to crack growth. Another challenge in crack detection is posed by breathing cracks, where the crack opens and closes under cyclic loading, as explored by Long et al. [15]. They developed a unique stiffness matrix for 3D finite element modelling of beams with breathing cracks to study crack effects on beam natural frequencies under bidirectional excitation, finding the impact on bending modes aligned with crack propagation direction. While the above studies used traditional methods, Alves et al. proposed a method to detect, locate and quantify multiple damages through an iterative FE model using genetic algorithms for a real railway bridge. However, this application on large-scale structures may be challenging, as significant damage may be necessary to observe noticeable frequency changes in addition to environmental factors which can influence natural frequencies, potentially causing false-positive indications of damage [16].
While much of the research has focused on detecting cracks, less attention has been given to predicting crack propagation paths, particularly using dynamic responses. A crack path reveals how the crack interacts with the surrounding material. The growth of cracks in different locations and directions has different effects on the strength of the structure. The identification of the path informs more effective repair strategies by determining the areas that require reinforcement.
Although not much research has been conducted in this area, a few studies have primarily aimed at predicting future crack paths based on stress distribution rather than directly using dynamic data. Alshoaibi et al. [17] used ANSYS to develop a model to predict crack propagation paths and fatigue crack growth using stress and implemented a mixed-mode fatigue life assessment. The maximum tangential stress theory was applied to determine the angle of crack growth. Chen et al. [18] introduced a numerical method using XFEM to accurately simulate mixed-mode crack growth path and fatigue life calculation for a PMMA beam specimen. Using Taguchi statistical analysis, Saber et al. [19] investigated the effects of cutouts on crack path and fatigue life in steel plates. Barter et al. [20] studied the effect of loading history on the crack path in aluminium alloy 7050-T7451. Specimens were subjected to a sequence consisting of four cycles of constant and variable amplitude loading. They generated corresponding different small crack growth rate data to aid understanding of fatigue crack growth mechanisms, with a focus on crack growth retardation and acceleration. However, in real-life scenarios, the stress-based method will encounter some challenges, such as sensor installation, making it difficult to measure stress. This method also neglected the crack closure effect, which can lead to inaccurate identification and prediction under complex scenarios. To address complex cases, Pierson et al. [21] employed a CNN to forecast the three-dimensional crack evolution in a polycrystalline alloy. They established spatial relationships between microstructural features and crack paths considering the vertical deviation (z-offset) of cracks along a specified axis. Similarly, Shen et al. [22] carried out a study and proposed a neural network model with Bayesian optimisation to predict short crack growth paths in α titanium alloy.
Most existing studies in vibration-based crack path identification area only reached the inclined crack investigation. Srivastava and Sethuraman [23] studied the effect of an inclined crack on the natural frequency of a beam using a strain energy equation derived from the Bernoulli–Euler beam theory and numerical model. Ma et al. [24] analysed the effects of crack propagation paths on time-varying mesh stiffness (TVMS) and the vibration responses of a perforated gear system using FE and lumped mass models (LMM). Their findings indicated that TVMS decreases with crack depth, with cracks propagating through the rim having a greater effect on system vibration than through the tooth under equal crack depth. Furthermore, cracks propagating in the rim direction had a more significant impact on vibration responses than those in the tooth direction. In addition, Yang et al. [25] proposed an empirical model to correlate the inclined crack angle and torsional spring stiffness used to determine the dynamic response for cantilever beams. Their results showed a decrease in dynamic response parameters with increased crack angle. Similarly, Francese et al. [26] studied the effect of surface crack orientation on the dynamic response of a hybrid material composed of 3D-printed ABS skin and an aluminium alloy 2014-T615 stiffener under mechanical loading. The results showed that the specimen with a 45° crack exhibited the lowest fundamental frequency compared to the ones with 0° and 30° cracks. Additionally, the crack propagation path was found to be greatly influenced by the crack orientation, with the 0° cracked sample having a linear propagation path and the 30°and 45° crack orientation samples having nonlinear propagation paths, respectively.
Other factors, such as crack branching, merging and irregular patterns, can complicate accurate crack path identification using existing models, particularly in dynamic and complex fracture scenarios [27]. Additionally, challenges such as directional mesh-bias sensitivity in finite element solutions, the high computational costs of numerical strategies and physical challenges in understanding phenomena such as multiple crack nucleation, crack opening/closing and crack intersection also exist [28].
The application of ANNs in crack propagation analysis has gained significant attention due to their ability to handle nonlinear problems, learn from data and provide efficient solutions for complex fracture mechanics challenges. According to Montalvão et al. [29], using ANNs for damage detection is highly recommended due to the complex nature of structural systems, where damage may arise in various locations. In the literature, Zang and Imregun [30] addressed the detection of structural damage by utilising measured frequency response functions (FRFs) as input data for ANNs. Szewczyk and Hajela [31] introduced a method for detecting structural damage by framing it as an inverse problem and solving it using neural networks. This approach effectively identified both the location and severity of damage within structural systems. In another study [32], an ANN was used to predict cracks in reinforced concrete beams based on eight parameters, including dimensions, material properties, and stress factors. The ANN model demonstrated reliable crack width predictions, validated through testing and training, offering a practical tool for similar structural assessments. Similarly, the identification of crack location in beam-like structures using ANNs has been studied by Sahin and Shenoi [33], Thatoi and Jena [34], and Suresh et al. [35]. Nevertheless, none of the existing studies have applied ANNs to identify crack paths in structures based on their dynamic characteristics, such as frequency and amplitude.
After this review, we can conclude that only slight progress has been made in detecting crack angles, as well as predicting future crack paths using stress analysis and geometric considerations; there remains a notable gap in the application of dynamic responses to identify crack propagation paths directly. Although vibration-based methods heavily rely on the accuracy and quality of vibration data [36], advancements in sensor technology make it easier to measure vibration data in real-life scenarios. ANNs can also process the complex structural dynamic behaviours introduced by the crack path. Therefore, the presented work addresses the crack path identification challenge through a numerical simulation for an aluminium alloy 2024-T42 cantilever beam with various crack paths. One ANN model between the crack profile and modal parameters was proposed based on the numerical results and validated by comparing it to analytical models.
2. Materials and Methods
2.1. Specimen Description
A cantilever beam was chosen in this research due to its high vibration behaviour sensitivity to changes in its structure. The beam design also simulates real-world applications, like in aerospace and construction, where similar conditions and failures happen. The aluminium alloy 2024-T42, which is widely used in the aerospace industry, was selected as the beam material. Table 1 shows the material properties.
Table 1.
Aluminium alloy mechanical properties [37].
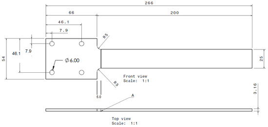
The beam’s thickness is 3.16 mm, its length is 200 mm (266 mm, including the clamped part), and its width is 25 mm. The beam shape and size were designed to allow maximum stress near the fixed end when subjected to dynamic loading, as shown in Figure 1.
Figure 1.
Specimen dimensions.
2.2. Crack Profile Scheme Development
Different crack paths were designed for the cantilever beam to compare their dynamic response. The crack parameters were introduced at 3.16 mm from the fixed support end of the specimen, allowing maximum stress to be generated at the tip of the crack [26]. The crack width was defined as 0.2 mm.
Several assumptions were made so that the cracks could simulate the actual situation. The overall crack path was divided into five propagation steps. At each step, the crack only had three scenarios. It stopped propagation and extended vertically downward or along the inclined 45-degree point to the fixed end for a vertical distance of 0.5 mm. This assumption allowed the simulation scheme to cover almost all possible crack paths. Therefore, there were 46 different cracked beams with crack parameters (crack depth and propagation path/angle), as shown in Table 2 and Figure 2, in addition to one intact beam.
Table 2.
Simulation testing scheme.
Figure 2.
Crack path schematic. Yellow lines represent the possible crack paths.
It is worth noting that all cracks in the scheme are not the actual cases. The current crack path scheme covers the common crack path propagation area under reverse bending conditions. They are made to simplify the numerical analysis while capturing representative cases of crack propagation [26,38].
Afterwards, CATIA was used to build CAD models of the specimens with the crack paths shown in Table 2. The crack path width was set to 0.2 mm to represent the real crack path. These models were then imported into ANSYS, where numerical analysis was conducted using the corresponding data obtained, recorded and processed.
2.3. Simulation Testing Procedures
The ANSYS Modal and Harmonic modules were used to obtain the natural frequencies and resonance amplitudes of the intact beam and the 46 different cracked beams. Boundary conditions were first defined with a fixed support end introduced on the larger-width end of the beam. Full constraints were applied to the top and bottom surfaces at the beam’s fixed end (66 mm × 54 mm area in Figure 1). As shown in Figure 3, after multiple iterations with different element sizes to ensure simulation result convergence, a 2 mm mesh was determined with 1mm local refinement along the critical faces and crack path to capture key geometrical features. Then, the modal analysis was performed with the first three modal frequencies (1st, 2nd and 3rd bending modes).

Figure 3.
(a) Geometry meshing; (b) Red label and arrow line represent the amplitude measurement location and the applied force.
The harmonic response analysis simulation was then carried out to determine the resonance amplitude. The excitation force was applied at the free end of the beam, and the frequency response function (FRF) in terms of the amplitude was measured at the same location (Figure 3b).
An impact laboratory test was carried out for the damping ratio on three specimen geometries (intact beam, beam with a vertical crack, and beam with an inclined crack of 1mm crack width and depth). The experimental setup is shown in Figure 4. The specimen was fixed on a V55 shaker (Data Physics, Hailsham, UK). The AFG 1062 signal generator (Tektronix, Beaverton, OR, USA) excited it with an impact force. A lightweight ICP® 352A21 accelerometer vibration sensor (PCB, Blaine, WA, USA) was fixed on the beam’s free end to capture its response. The sensor was connected to the PC through a DAQ NI9234 card and DAQ NI9174 chassis (National Instrument, Austin, TX, USA). The captured response data were recorded by DAQExpress for the further process. The accelerometer’s sensitivity and sample frequency were 9.82 mV/g and 25,600 Hz, respectively. The damping ratios were then calculated using the half-power method. Their results were 0.0169, 0.0231 and 0.0188, respectively, with no significant difference. Therefore, a damping ratio of 0.02 for the three scenarios was obtained and used in the harmonic response simulations.
Figure 4.
Experimental setup for the damping ratio measurement.
Intact beam FRF curves were obtained from an analytical solution and an ANSYS simulation. Then, the results were compared to see the effect of the damping ratio. As is seen in Figure 5, the curves exhibit peaks at nearly the same frequencies. As is known, the primary factor influencing the amplitude of the FRF curve near the natural frequency is damping [39]. The fact that the peak points and the amplitudes at these points are nearly the same indicates that the damping in the numerical model was correctly selected.
Figure 5.
Comparison of FRF curves of the intact beam.
2.4. Artificial Neural Network
Artificial neural networks (ANNs) are complex and multi-layered artificial intelligence algorithms inspired by the learning and decision-making processes of the human brain. At their core, these networks consist of artificial neurons that simulate nerve cells, allowing them to process data and acquire learning capabilities across numerous layers. As shown in Figure 6, a neural network generally consists of several layers: the input layer, hidden layer(s) and output layer. Each layer multiplies the information from the previous layer by weights, adds a bias and passes it through an activation function. Each neuron in the hidden layer takes input values and performs the following operation:
where are the weight matrix of the hidden layer, the input vector, the bias vector of the hidden layer and the weighted sum calculated for the hidden layer.
Figure 6.
ANN architecture in a simplified form.
Each neuron in the hidden layer applies an activation function (e.g., sigmoid, ReLU, etc.) to the value . Then, the activation values from the hidden layer are passed to the output layer, where a similar operation is performed.
where are the weight matrix, the bias and the activation function of the output layer, respectively.
The objective of this study was to develop a neural network model to predict output values (frequencies (F1, F2, F3) and amplitudes (A1, A2, A3)) based on the input data (crack paths) derived from a provided dataset. The initial step in the ANN process is the preparation of the dataset to accurately represent the crack paths in terms of their horizontal (dx) and vertical (dy) components. For instance, consider the crack path A1-B1-C2; the segment A-B has dy = 0.5 and dx = 0 as the path was vertical. In contrast, the segment B-C has both dy = 0.5 and dx = 0.5, reflecting a diagonal path at a 45° angle, while the other segments C-D, D-E and E-F all remain 0.
The implemented ANN approach used in this study is a feedforward neural network with ten inputs, one hidden layer with ten neurons, and six outputs. A feedforward neural network was constructed using the fitnet function from MATLAB’s Neural Network Toolbox. The activation functions used for the network were Logistic Sigmoid (logsig) and Linear (purelin) for the hidden layer and output layer functions, respectively. The data were divided into three sets: training, validation and testing. The split was 80% for training, 10% for validation and 10% for testing. The network was trained using the Levenburg–Marquardt (LM) backpropagation algorithm (trainlm), which is widely used, well suited for medium-sized datasets and provides efficient training by balancing between the gradient descent and Gauss–Newton methods. The training process aimed to minimise the mean squared error (MSE) between the predicted outputs and the target values. To address the stochastic nature of neural network training (due to the random initialisation of weights and biases), the network was trained 50 times. The predicted outputs from each run were accumulated, and an average output was calculated. This approach minimised the effect of outliers and provided a more reliable estimate of the model’s performance.
After analysing the training and testing dataset, the proposed ANN model was validated against a dataset that was not used for the training and testing dataset, which had five different crack paths in terms of the natural frequency results. Furthermore, these five different crack paths were analytically modelled for Euler–Bernoulli beams (for detailed information, see references [25,40]) and natural frequencies were obtained.
3. Results and Discussion
The simulation was conducted with the first three bending mode frequencies and the first mode amplitude. Results obtained through ANSYS are recorded in Table 3. The simulations focused on evaluating the impact of varying crack depths and propagation paths on the beam’s natural frequencies and amplitude.
Table 3.
ANSYS simulation results.
3.1. Modal Behaviour Due to the Influence of Crack Depth
Figure 7 shows how the modal parameters change with increased crack depth. The average value of natural frequencies was calculated for different path profiles with the same crack depth. When the path is not considered and only the depth is considered, the beam’s natural frequency decreases significantly as the crack depth increases, which aligns with observations in existing studies [41,42,43,44,45].
Figure 7.
Modal frequency and amplitude change with the crack depth. Average values are calculated for different crack profiles with the same crack depth.
For an intact beam, the first natural frequency was 64.657 Hz. However, as the crack depth grew from 0.5 mm to 2.5 mm, the average fundamental frequency kept decreasing, reaching 39.272 Hz at the deepest crack, (A1-B1-C1-D2-E3-F4) 2.5 mm. The second and third natural frequencies followed the same pattern. This happens because cracks reduce the structural local stiffness, which lowers its natural frequencies. In addition, it is worth noting that the natural frequencies tend to decrease faster as the crack depth increases. The reason behind this acceleration is the nonlinear decrease in structural stiffness with increasing crack depth. As for the reduction in the natural frequency of cracked beams, the first mode frequency shows the highest percentage drop, around 40%, when the crack depth reaches 2.5 mm. Despite the absolute difference between the intact beam’s 65 Hz and the 2.5mm cracked beam’s 40 Hz being less than the second and third mode frequency changes, 70 Hz and 150 Hz, the fundamental frequency is still the most sensitive modal parameter. This is due to the lower mode being characterised by a global deformation pattern that involves larger portions of the structure.
Meanwhile, the first mode amplitude at the beam tip demonstrates the opposite trend. Starting from approximately 14 mm under the intact condition, it increases with deeper cracks, reaching 30 mm when the crack depth is 2.5 mm (such as A1-B2-C3-D4-E5–F6). This is primarily because the beam responds more to vibrations as it becomes weaker.
3.2. Modal Behaviour Due to the Influence of Crack Angle
3.2.1. Fully Inclined Crack Influence on Structural Dynamics
Numerous previous studies have considered the case of the modal behaviours of beams with different crack depths. Similarly, the crack angle effect has been extensively investigated [23,25,46]. Most studies consider a fully inclined crack and suggest that when the crack depth is constant, the greater angle of inclination of the crack can lower the natural frequency.
The simulation results confirm the same argument. As shown in Table 4, as the crack depth increases, the natural frequency consistently decreases for both crack orientations. Meanwhile, the inclined crack path exhibits a more significant reduction in natural frequency compared to the vertical crack path. For example, at a crack depth of 2.5 mm, the natural frequency for the vertical crack path A1 to F1 is 41.938 Hz, whereas it is significantly lower at 40.108 Hz for the inclined crack path A1 to F6. This suggests that inclined cracks have a more significant impact on structural stiffness due to their effect on both axial and shear stiffness.
Table 4.
Vertical and inclined crack path.
In addition to frequency changes, the amplitude of the first mode increases as the crack depth grows, indicating greater flexibility and more vibrational responses. The amplitude growth is more significant for inclined cracks as well. For instance, as shown in Table 4, at a crack depth of 2.5 mm, the amplitude for the inclined crack path (A1-B2-C3-D4-E5-F6) is 30.897 mm compared to 28.708 mm for the vertical crack path (A1-B1-C1-D1-E1-F1). This difference can be attributed to the geometric orientation of inclined cracks, which amplifies modal displacements more effectively than vertical cracks.
The greater impact of inclined cracks on natural frequency and amplitude can be explained by their influence on both axial and shear stiffness, while vertical cracks primarily affect axial stiffness. Furthermore, as crack depth increases, the reduction in natural frequency becomes more nonlinear, with a sharper decline observed at greater depths. This is due to the expanding area of stiffness degradation as the crack propagation becomes deeper.
3.2.2. Locally Inclined Crack Influence on Structural Dynamics
While fully inclined crack propagation affects both the frequency and amplitude of the beam, a locally inclined segment in a crack path exhibits similar effects. When the crack angle changes from vertical to inclined, the natural frequencies decrease and the amplitudes increase, even at the same crack depth. For example, as shown in Table 3, at a 2.0 mm crack depth, the crack path A1-B1-C1-D1-E1 with vertical crack propagation (D1-E1) lowers the frequency to 55.047 Hz, while the crack path A1-B1-C1-D1-E2 with inclined propagation (D1-E2) reduces it further to 53.930 Hz, with a slight increase in amplitude from 17.940 mm to 18.552 mm.
This happens because an inclined crack path segment reduces the beam’s local stiffness more, increases its flexibility, leads to higher vibration amplitudes and creates more complex stress distribution, leading to higher energy dissipation. This explains the changes in both frequency and as the crack angle changes. Similar trends were observed at all other crack depths (from 0.5 to 2.5 mm).
3.3. Crack Path Influence on Modal Behaviour
Additionally, the results showed that even when cracks have the same start and end points, the path they take can affect the structure’s natural frequency and amplitude. As illustrated in Figure 8, the simplest scenarios are the A1-B1-C2 and A1-B2-C2 crack paths. Table 5 shows that the deeper inclined segment between 0.5 and 1 mm crack depth has a more significant influence on modal frequency drop than the initial inclined path at the first 0.5 mm crack depth.
Figure 8.
Two different crack paths with the same start–end point schematic.
Table 5.
Numerical results for some crack paths with the same start and end points.
In the A1-B1-C2 crack path, the first mode frequency, 62.863 Hz, reduces by approximately 1.8 Hz, compared with the intact beam’s 64.657 Hz, while in the A1-B2-C2 crack path, the frequency only decreases by 1.5 Hz. The second- and third-order natural frequencies of the A1-B1-C2 crack path are even lower than that of A1-B2-C2 by 1.37 and 3.1 Hz, respectively.
Similar trends are observed in more complex crack paths as well. For example, at a crack depth of 2.5 mm, different crack paths from A1 to F2 exhibit varying results in frequency and amplitude, as shown in Table 6. As it is seen, the first mode frequency decreases as the inclined crack path segment shifts downward from B1-C2 to D1-E2, indicating that the structure becomes less stiff along the path A1-B1-C1-D1-E2-F2 with a corresponding increase in amplitude.
Table 6.
Example of crack paths with similar start and end points. Red colour represents the inclined segments in the crack path.
The reasons for this more significant frequency reduction and increased amplitude for a crack path with a deeper inclined segment can be attributed to the nonlinear effect of crack propagation on the structural stiffness. As the crack propagates deeper, the affected stiffness region increases nonlinearly, leading to greater degradation in both axial and shear stiffness. The inclined crack path segment further strengthens this effect by reducing stiffness in multiple directions, thereby amplifying their impact on modal behaviours.
Nevertheless, the influence becomes more complicated and irregular in some crack path conditions. One example is when the crack in Figure 7 continues to propagate to D2. As mentioned before, the shallower inclined crack path segment should lead to higher structural stiffness. In other words, the crack path A1-B2-C2-D2 should have had a higher modal frequency than the crack path A1-B1-C2-D2. However, the numerical results reveal the opposite trend. As shown in Table 5, although the differences are very small, the first mode frequency of the crack path A1-B2-C2-D2 is 60.459 Hz, which is lower than the 60.505 Hz of the crack path A1-B1-C2-D2 by approximately 0.05 Hz. In addition, the crack path A1-B1-C1-D1-E1-F2 in Table 6 also exhibits irregular behaviour compared to the other three crack paths. As shown in Figure 9, its first mode frequency reaches 41.709 Hz, which is even higher than the 41.685 Hz of the crack path A1-B1-C2-D2-E2-F2. This unusual behaviour still requires a more in-depth investigation.
Figure 9.
Inclined segment position influences the modal behaviour of the crack path ending at F2. (a). First mode frequency. (b). First mode amplitude.
During the development of the numerical mode, the analysis revealed that the behaviour of the data for the dx component of different crack paths was irregular compared to the dy component. This discrepancy arose because, unlike the dy direction where the load was directly applied in the y-direction in the ANSYS simulation, the dx direction was more influenced by secondary effects like lateral deformation and stress redistribution. The presence of cracks reduced stiffness, causing unpredictable shifts in the x-direction. Additionally, damping, which reduces vibrations, was less effective in the x-direction due to the indirect load application, resulting in more erratic dx data. Thus, the direction of the applied load played a significant role in the complex behaviour of the dx data compared to the dy data.
4. Modelling and Validation
An ANN model was trained to find natural frequencies for different crack paths. The trained model was used to identify/predict the crack propagation path for a new set of input conditions as a test. The new crack paths are defined in Table 7. The crack path end points considered steps other than 0.5 mm. In other words, the tested crack paths included segments with different inclined angles rather than just 45°. However, the cracks were designed for easy validation, allowing their first mode natural frequency to be calculated analytically.
Table 7.
Validation of ANN model.
In order to validate the ANN model, the natural frequencies were obtained analytically and from the ANN model. In the numerical simulation in Section 2, the inclined path segment orientation angles were always 45° for different paths. However, for the ANN model trained by these numerical modal frequencies, the validation results were very close to the analytical model in Table 7. Even if the crack has a different orientation angle (such as a1b2c3), the ANN model still gives accurate results with a 1.564% of the mean absolute percentage error (MAPE). The MAPE is a measure used to evaluate the accuracy of a prediction model by expressing the mean absolute error as a percentage of the actual values. It is calculated as Equation (5):
where A and F represent, respectively, the actual and predicted values for observation i.
5. Conclusions
This research aimed to investigate the influence of crack characteristics, with a focus on different paths, on the vibration response (frequency and amplitude) of aluminium alloy 2024 T42 cantilever beams. Unlike prior research, which emphasised crack depth and angle, this work expands the scope to include the effects of whole crack paths with varying slopes and kink points.
From the numerical results obtained and analysis carried out, the crack propagation path critically impacts structural stiffness and vibration behaviour. Even cracks with the same start and end points can produce different dynamic responses depending on their propagation paths. Deeper inclined segments were found to increase frequency reductions and amplitude increases due to the nonlinear effects of crack propagation on structural stiffness. The ANN model effectively predicted natural frequencies. It filled the existing gaps in vibration-based crack path detection for structural health monitoring. Future work could focus on extending this approach to complex geometries and materials, further enhancing its applicability in diverse engineering fields.
Author Contributions
Conceptualisation, A.F. and M.K.; methodology, H.D.K., F.H. and M.K.; software, H.D.K. and J.B.; validation, H.D.K. and F.H.; formal analysis, H.D.K., J.B. and F.H.; investigation, H.D.K. and J.B.; resources, A.F. and M.K.; data curation, H.D.K. and J.B.; writing—original draft preparation, H.D.K., J.B. and F.H.; writing—review and editing, H.D.K. and F.H.; visualisation, H.D.K. and F.H.; supervision, F.H. and M.K.; project administration, M.K.; funding acquisition, M.K. All authors have read and agreed to the published version of the manuscript.
Funding
This research received no external funding.
Institutional Review Board Statement
Not applicable.
Informed Consent Statement
Not applicable.
Data Availability Statement
Data are contained within the article.
Conflicts of Interest
The authors declare no conflicts of interest.
References
- Hosseini, Z.S.; Dadfarnia, M.; Somerday, B.P.; Sofronis, P.; Ritchie, R.O. On the theoretical modeling of fatigue crack growth. J. Mech. Phys. Solids 2018, 121, 341–362. [Google Scholar] [CrossRef]
- Zai, B.A.; Khan, M.A.; Khan, K.A.; Mansoor, A.; Shah, A.; Shahzad, M. The role of dynamic response parameters in damage prediction. ARCHIVE Proc. Inst. Mech. Eng. Part C J. Mech. Eng. Sci. 2019, 233, 4620–4636. [Google Scholar] [CrossRef]
- Doebling, S.W.; Farrar, C.R.; Prime, M.B.; Doebling, S.W.; Farrar, C.R.; Prime, M.B. A Summary Review of Vibration-Based Damage Identification Methods. Shock Vib. Digest. 1998, 30, 91–105. [Google Scholar] [CrossRef]
- Zai, B.A.; Khan, M.A.; Khan, S.Z.; Asif, M.; Khan, K.A.; Saquib, A.N.; Mansoor, A.; Shahzad, M.; Mujtaba, A. Prediction of crack depth and fatigue life of an acrylonitrile butadiene styrene cantilever beam using dynamic response. J. Test. Eval. 2020, 48, 1520–1536. [Google Scholar] [CrossRef]
- Vamvoudakis-Stefanou, K.J.; Sakellariou, J.S.; Fassois, S.D. Vibration-based damage detection for a population of nomi-nally identical structures: Unsupervised Multiple Model (MM) statistical time series type methods. Mech. Syst. Signal Process. 2018, 111, 149–171. [Google Scholar] [CrossRef]
- Gomes, G.F.; Mendez, Y.A.D.; da Silva Lopes Alexandrino, P.; da Cunha, S.S.; Ancelotti, A.C. A review of vibration-based inverse methods for damage detection and identification in mechanical structures using optimisation algorithms and ANN. Arch. Comput. Methods Eng. 2019, 26, 883–897. [Google Scholar] [CrossRef]
- Khoshnoudian, F.; Esfandiari, A. Structural damage diagnosis using modal data. Sci. Iran. 2011, 18, 853–860. [Google Scholar] [CrossRef]
- Yang, Y.; Zhang, Y.; Tan, X. Review on vibration-based structural health monitoring techniques and technical codes. Symmetry 2021, 13, 1998. [Google Scholar] [CrossRef]
- Das, S.; Saha, P.; Patro, S.K. Vibration-based damage detection techniques used for health monitoring of structures: A review. J. Civ. Struct. Health Monit. 2016, 6, 477–507. [Google Scholar] [CrossRef]
- Sha, G.; Radzieński, M.; Cao, M.; Ostachowicz, W. A novel method for single and multiple damage detection in beams using relative natural frequency changes. Mech. Syst. Signal Process. 2019, 132, 335–352. [Google Scholar] [CrossRef]
- Zai, B.A.; Khan, M.A.; Khan, K.A.; Mansoor, A. A novel approach for damage quantification using the dynamic response of a metallic beam under thermo-mechanical loads. J. Sound Vib. 2020, 469, 115134. [Google Scholar] [CrossRef]
- Elshamy, M.; Crosby, W.A.; Elhadary, M. Crack detection of cantilever beam by natural frequency tracking using ex-perimental and finite element analysis. Alex. Eng. J. 2018, 57, 3755–3766. [Google Scholar] [CrossRef]
- Altunışık, A.C.; Okur, F.Y.; Kahya, V. Modal parameter identification and vibration-based damage detection of a multiple cracked cantilever beam. Eng. Fail. Anal. 2017, 79, 154–170. [Google Scholar] [CrossRef]
- Sánchez-Botello, X.; de la Torre, A.; Roig, R.; Jou, E.; de la Torre, O.; Ayneto, J. Experimental and numerical study on the detection of fatigue failure in hydraulic turbines. J. Mech. Sci. Technol. 2023, 37, 4949–4955. [Google Scholar] [CrossRef]
- Long, H.; Liu, Y.; Liu, K. Vibration analysis of a cracked beam using the finite element method. Trans. Can. Soc. Mech. Eng. 2023, 47, 317–331. [Google Scholar] [CrossRef]
- Alves, V.N.; de Oliveira, M.M.; Ribeiro, D.; Calçada, R.; Cury, A. Model-based damage identification of railway bridges using genetic algorithms. Eng. Fail. Anal. 2020, 118, 104845. [Google Scholar] [CrossRef]
- Alshoaibi, A.M.; Fageehi, Y.A. 3D modelling of fatigue crack growth and life predictions using ANSYS. Ain Shams Eng. J. 2022, 13, 101636. [Google Scholar] [CrossRef]
- Chen, Z.; Bao, H.; Dai, Y.; Liu, Y. Numerical prediction based on XFEM for mixed-mode crack growth path and fatigue life under cyclic overload. Int. J. Fatigue 2022, 162, 106943. [Google Scholar] [CrossRef]
- Saber, A.; Shariati, M.; Nejad, R.M. Experimental and numerical investigation of effect of size, position and geometry of some cutouts on fatigue life and crack growth path on AISI1045 steel plate. Theor. Appl. Fract. Mech. 2020, 107, 102506. [Google Scholar] [CrossRef]
- Barter, S.; White, P.; Burchill, M. Fatigue crack path manipulation for crack growth rate measurement. Eng. Fract. Mech. 2016, 167, 224–238. [Google Scholar] [CrossRef]
- Pierson, K.; Rahman, A.; Spear, A.D. Predicting microstructure-sensitive fatigue-crack path in 3D using a machine learning framework. JOM 2019, 71, 2680–2694. [Google Scholar] [CrossRef]
- Shen, Z.; Lv, G.; Fu, D.; Long, Y.; Zhang, Z.; Tan, K.; Li, L.; Wang, Q.; Wang, C. A machine learning study on the fatigue crack path of short crack on an α titanium alloy. Philos. Trans. R. Soc. A Math. Phys. Eng. Sci. 2023, 381, 20220391. [Google Scholar] [CrossRef] [PubMed]
- Srivastava, S.; Sethuraman, R. Differential quadrature method-based study of vibrational behaviour of inclined edge cracked beams. MATEC Web Conf. 2017, 95, 007006. [Google Scholar] [CrossRef]
- Ma, H.; Pang, X.; Zeng, J.; Wang, Q.; Wen, B. Effects of gear crack propagation paths on vibration responses of the perforated gear system. Mech. Syst. Signal Process. 2015, 62, 113–128. [Google Scholar] [CrossRef]
- Yang, Z.; He, F.; Khan, M. An empirical torsional spring model for the inclined crack in a 3D-printed acrylonitrile butadiene styrene (ABS) cantilever beam. Polymers 2023, 15, 496. [Google Scholar] [CrossRef]
- Francese, A.; Khan, M.; He, F. Role of dynamic response in inclined transverse crack inspection for 3D-printed polymeric beam with metal stiffener. Materials 2023, 16, 3095. [Google Scholar] [CrossRef]
- Ai, D. Visual recognition and prediction of crack propagation trajectories. In Digital Image Processing—Latest Advances and Applications; IntechOpen: Rijeka, Croatia, 2024. [Google Scholar] [CrossRef]
- Saloustros, S.; Cervera, M.; Pelà, L. Challenges, tools and applications of tracking algorithms in the numerical modelling of cracks in concrete and masonry structures. Arch. Comput. Methods Eng. 2019, 26, 961–1005. [Google Scholar] [CrossRef]
- Montalvão, D.; Maia, N.M.M.; Ribeiro, A.M.R. A review of vibration-based structural health monitoring with special emphasis on composite materials. Shock Vib. Dig. 2006, 38, 295–324. [Google Scholar] [CrossRef]
- Zang, C.; Imregun, M. Structural damage detection using artificial neural networks and measured FRF data reduced via principal component projection. J. Sound Vib. 2001, 242, 813–827. [Google Scholar] [CrossRef]
- Szewczyk, Z.P.; Hajela, P. Damage detection in structures based on feature-sensitive neural networks. J. Comput. Civ. Eng. 1994, 8, 163–178. [Google Scholar] [CrossRef]
- Deepak, M.; Andal, L.; Raj, S.D.; Srinidhi, S. Crack width prediction of RC beams by artificial neural networks. Mater. Today Proc. 2023, in press. [Google Scholar] [CrossRef]
- Sahin, M.; Shenoi, R.A. Quantification and localisation of damage in beam-like structures by using artificial neural networks with experimental validation. Eng. Struct. 2003, 25, 1785–1802. [Google Scholar] [CrossRef]
- Thatoi, D.; Jena, P.K. Inverse analysis of crack in fixed-fixed structure by neural network with the aid of modal analysis. Adv. Acoust. Vib. 2013, 2013, 150209. [Google Scholar] [CrossRef]
- Suresh, S.; Omkar, S.N.; Ganguli, R.; Mani, V. Identification of crack location and depth in a cantilever beam using a modular neural network approach. Smart Mater. Struct. 2004, 13, 907–915. [Google Scholar] [CrossRef]
- Zhang, X.; Zhou, W. Structural vibration data anomaly detection based on multiple feature information using CNN-LSTM model. Struct. Control Health Monit. 2023, 2023, 1–19. [Google Scholar] [CrossRef]
- Wang, J. Develop a Crack Propagation Model in Metallic Beam Structure Under Cyclic Fatigue Loading Based on Dynamic Response; Cranfield University: Bedford, UK, 2022. [Google Scholar]
- Kamei, K.; Khan, M.A. Investigating the structural dynamics and crack propagation behavior under uniform and non-uniform temperature conditions. Materials 2021, 14, 7071. [Google Scholar] [CrossRef]
- He, J.; Fu, Z. Modal Analysis; Butterworth-Heinemann: London, UK, 2001. [Google Scholar]
- Ostachowicz, W.M.; Krawczuk, M. Analysis of the effect of cracks on the natural frequencies of a cantilever beam. JSV 1991, 150, 191–201. [Google Scholar] [CrossRef]
- He, F.; Khan, M.; Aldosari, S. Interdependencies between Dynamic Response and Crack Growth in a 3D-Printed Acrylonitrile Butadiene Styrene (ABS) Cantilever Beam Under Thermo-Mechanical Loads. Polymers 2022, 14, 982. [Google Scholar] [CrossRef]
- Orhan, S. Analysis of free and forced vibration of a cracked cantilever beam. NDT E Int. 2007, 40, 443–450. [Google Scholar] [CrossRef]
- Baqasah, H.; He, F.; Zai, B.A.; Asif, M.; Khan, K.A.; Thakur, V.K.; Khan, M.A. In-Situ Dynamic Response Measurement for Damage Quantification of 3D Printed ABS Cantilever Beam Under Thermomechanical Load. Polymers 2019, 11, 2079. [Google Scholar] [CrossRef]
- Fleet, T.; Kamei, K.; He, F.; Khan, M.A.; Khan, K.A.; Starr, A. A Machine Learning Approach to Model Interdependencies between Dynamic Response and Crack Propagation. Sensors 2020, 20, 6847. [Google Scholar] [CrossRef] [PubMed]
- Yousef; He, F.; Alrwili, A.A.; Khan, M. Fundamental Challenges and Complexities of Damage Identification from Dynamic Response in Plate Structures. Appl. Sci. 2024, 14, 8230. [Google Scholar] [CrossRef]
- Behera, R.K.; Pandey, A.; Parhi, D.R. Numerical and experimental verification of a method for prognosis of inclined edge crack in a cantilever beam based on synthesis of mode shapes. Procedia Technol. 2014, 14, 67–74. [Google Scholar] [CrossRef]
Disclaimer/Publisher’s Note: The statements, opinions and data contained in all publications are solely those of the individual author(s) and contributor(s) and not of MDPI and/or the editor(s). MDPI and/or the editor(s) disclaim responsibility for any injury to people or property resulting from any ideas, methods, instructions or products referred to in the content. |
© 2025 by the authors. Licensee MDPI, Basel, Switzerland. This article is an open access article distributed under the terms and conditions of the Creative Commons Attribution (CC BY) license (https://creativecommons.org/licenses/by/4.0/).