Fault Diagnosis of Hydraulic Components Based on Multi-Sensor Information Fusion Using Improved TSO-CNN-BiLSTM
Abstract
1. Introduction
- The feature-level fusion of multi-sensor information fully utilizes the data from six kinds of sensors and improves the accuracy and robustness of fault diagnosis.
- Combining a CNN with BiLSTM, using the sparse connection and weight sharing characteristics of CNNs, the learning ability of the network to fault data is improved, and the feature information contained in the data is fully extracted.
- An ITSO algorithm is proposed. Improved Chebyshev chaotic mapping is adopted to replace the random sequence of the standard TSO initialization, which increases the population diversity and improves the stability of global searches and local explorations. The weight coefficients of the two foraging stages are combined with the sine function to be nonlinear, which balances the ability of global searches and local explorations.
- The proposed ITSO is utilized to optimize the learning rate, regularization coefficient, and node number of the BiLSTM layer, so that the diagnostic accuracy is significantly improved.
2. Fault Diagnosis Model Based on ITSO-CNN-BiLSTM
2.1. Introduction of Convolutional Neural Network
2.2. Introduction of BiLSTM Network
2.3. Tuna Swarm Optimization Algorithm
- Initialization
- 2.
- Spiral foraging
- 3.
- Parabolic foraging
2.4. Improved Tuna Swarm Optimization Algorithm
- Improvement of initialization
- 2.
- Improvement of spiral foraging stage
- 3.
- Improvement of parabolic foraging stage
2.5. Optimization Process of ITSO-CNN-BiLSTM
- (1)
- The data selected from different sensors are normalized and the training set and test set are divided.
- (2)
- The pre-training parameters of CNN-BiLSTM are initialized, including the number of iterations, the learning rate, the momentum of learning rate, etc.
- (3)
- The parameters of the ITSO algorithm are initialized, including the size of population, individual position, the maximum number of iterations, etc.
- (4)
- Boundary settings are made for the three parameters to be optimized, namely, the learning rate, regularization coefficient, and number of nodes in the BiLSTM layer, and network training is carried out.
- (5)
- Weight parameters and are updated, and is updated according to (20)~(21); a random quantity of rand ∈ [0, 1] is generated; if rand < 0.5, he spiral foraging phase is entered, and the position of the individual is updated according to (15); if rand ≥ 0.5, the parabolic foraging phase is entered, and the position of the individual is updated according to (16).
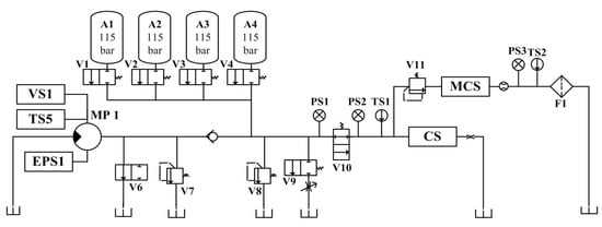
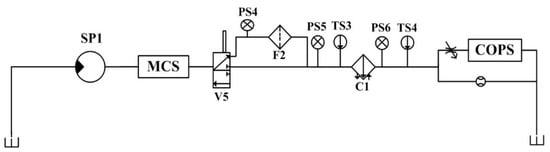
3. Experimental Verification
4. Experimental Results and Analysis
4.1. Experimental Verification and Analysis of Plunger Pump
- Network parameters
- 2.
- Fault diagnosis results of plunger pump
4.2. Experimental Verification and Analysis of Cooler
- Network parameters
- 2.
- Fault diagnosis results of cooler
4.3. Experimental Verification and Analysis of Throttle Valve
- Network parameters
- 2.
- Fault diagnosis results of throttle valve
4.4. Experimental Verification and Analysis of Accumulator
- Network parameters
- 2.
- Fault diagnosis results of accumulator
5. Conclusions
Author Contributions
Funding
Institutional Review Board Statement
Informed Consent Statement
Data Availability Statement
Conflicts of Interest
References
- Yang, Y.; Ding, L.; Xiao, J.; Fang, G.; Li, J. Current Status and Applications for Hydraulic Pump Fault Diagnosis: A Review. Sensors 2022, 22, 9714. [Google Scholar] [CrossRef] [PubMed]
- Huang, K.; Wu, S.; Li, F.; Yang, C.; Gui, W. Fault Diagnosis of Hydraulic Systems Based on Deep Learning Model with Multirate Data Samples. IEEE Trans. Neural Netw. Learn. Syst. 2022, 33, 6789–6801. [Google Scholar] [CrossRef] [PubMed]
- Zhao, M.; Fu, X.; Zhang, Y.; Meng, L.; Zhong, S. Data Augmentation via Randomized Wavelet Expansion and Its Application in Few-Shot Fault Diagnosis of Aviation Hydraulic Pumps. IEEE Trans. Instrum. Meas. 2022, 71, 3503213. [Google Scholar] [CrossRef]
- Tao, H.; Jia, P.; Wang, X.; Wang, L. Real-Time Fault Diagnosis for Hydraulic System Based on Multi-Sensor Convolutional Neural Network. Sensors 2024, 24, 353. [Google Scholar] [CrossRef] [PubMed]
- Peng, X.; Xu, H.; Wang, J.; Liu, J.; He, C. Ensemble Multiple Distinct ResNet Networks with Channel-Attention Mechanism for Multisensor Fault Diagnosis of Hydraulic Systems. IEEE Sens. J. 2023, 23, 10706–10717. [Google Scholar] [CrossRef]
- Guan, H.; Yan, R.; Tang, H.; Xiang, J. Intelligent Fault Diagnosis of Hydraulic Multi-Way Valve Using the Improved SECNN-GRU Method with mRMR Feature Selection. Sensors 2023, 23, 9371. [Google Scholar] [CrossRef] [PubMed]
- Chen, D.-N.; Zhou, Z.-Y.; Hu, D.-B. Multisensor Information Fusion for Fault Diagnosis of Axial Piston Pump Based on Improved WPD and SSA-KSTTM. IEEE Sens. J. 2023, 23, 22998–23010. [Google Scholar] [CrossRef]
- Bai, C.; Zhang, H.; Zeng, L.; Zhao, X.; Yu, Z. High-Throughput Sensor to Detect Hydraulic Oil Contamination Based on Microfluidics. IEEE Sens. J. 2019, 19, 8590–8596. [Google Scholar] [CrossRef]
- Qiu, Z.; Yuan, X.; Wang, D.; Fan, S.; Wang, Q. Physical model driven fault diagnosis method for shield Machine hydraulic system. Measurement 2023, 220, 113436. [Google Scholar] [CrossRef]
- Wang, Z.; Liu, M.; Yan, W.-J.; Song, H.; Zhou, Z.; Yuen, K.-V.; Wei, Q.; Cheng, S.S. A Model-Driven Scheme to Compensate the Strain-Based Non-Intrusive Dynamic Pressure Measurement for Hydraulic Pipe. IEEE Trans. Instrum. Meas. 2021, 70, 1011112. [Google Scholar] [CrossRef]
- Shi, J.; Ren, Y.; Yi, J.; Sun, W.; Tang, H.; Xiang, J. A New Multisensor Information Fusion Technique Using Processed Images: Algorithms and Application on Hydraulic Components. IEEE Trans. Instrum. Meas. 2022, 71, 3512712. [Google Scholar] [CrossRef]
- Qiu, Z.; Min, R.; Wang, D.; Fan, S. Energy features fusion based hydraulic cylinder seal wear and internal leakage fault diagnosis method. Measurement 2022, 195, 111042. [Google Scholar] [CrossRef]
- Yang, C.; Qiao, Z.; Zhu, R.; Xu, X.; Lai, Z.; Zhou, S. An Intelligent Fault Diagnosis Method Enhanced by Noise Injection for Machinery. IEEE Trans. Instrum. Meas. 2023, 72, 3534011. [Google Scholar] [CrossRef]
- Lee, M.-S.; Shifat, T.A.; Hur, J.-W. Kalman Filter Assisted Deep Feature Learning for RUL Prediction of Hydraulic Gear Pump. IEEE Sens. J. 2022, 22, 11088–11097. [Google Scholar] [CrossRef]
- Wang, M.; Wan, Y.; Liang, X.; He, X.; Chen, Y.; Zhang, S. Fault Diagnosis of Highway Machinery Hydraulic System Based on LS-TF. IEEE Trans. Instrum. Meas. 2024, 73, 2502211. [Google Scholar] [CrossRef]
- Li, S.; Wang, H.; Song, L.; Wang, P.; Cui, L.; Lin, T. An adaptive data fusion strategy for fault diagnosis based on the convolutional neural network. Measurement 2020, 165, 108122. [Google Scholar] [CrossRef]
- Liu, Y.; Li, W.; Lin, S.; Zhou, X.; Ge, Y. Hydraulic system fault diagnosis of the chain jacks based on multi-source data fusion. Measurement 2023, 217, 113116. [Google Scholar] [CrossRef]
- Xu, C.; Liang, R.; Wu, X.; Cao, C.; Chen, J.; Yang, C.; Zhou, Y.; Wen, T.; Lv, H.; Wei, C. A Hybrid Model Integrating CNN–BiLSTM and CBAM for Anchor Damage Events Recognition of Submarine Cables. IEEE Trans. Instrum. Meas. 2023, 72, 2521511. [Google Scholar] [CrossRef]
- Xiang, L.; Wang, P.; Yang, X.; Hu, A.; Su, H. Fault detection of wind turbine based on SCADA data analysis using CNN and LSTM with attention mechanism. Measurement 2021, 175, 109094. [Google Scholar] [CrossRef]
- Fu, G.; Wei, Q.; Yang, Y. Bearing fault diagnosis based on CNN-BiLSTM and residual module. Meas. Sci. Technol. 2023, 34, 125050. [Google Scholar] [CrossRef]
- Xiao, X.; Wang, J.; Zhang, Y.; Guo, Q.; Zong, S. A two-dimensional convolutional neural network optimization method for bearing fault diagnosis. Chin. J. Electr. Eng. 2019, 39, 4558–4568. [Google Scholar]
- Ugli, O.E.M.; Lee, K.H.; Lee, C.H. Automatic Optimization of One-Dimensional CNN Architecture for Fault Diagnosis of a Hydraulic Piston Pump Using Genetic Algorithm. IEEE Access 2023, 11, 68462–68472. [Google Scholar] [CrossRef]
- Hao, S.; Ge, F.-X.; Li, Y.; Jiang, J. Multisensor bearing fault diagnosis based on one-dimensional convolutional long short-term memory networks. Measurement 2020, 159, 107802. [Google Scholar] [CrossRef]
- Zeng, Y.; Pan, P.; He, Z.; Shen, Z. An innovative method for axial pressure evaluation in smart rubber bearing based on bidirectional long-short term memory neural network. Measurement 2021, 182, 109653. [Google Scholar] [CrossRef]
- Ma, L.; Zhao, Y.; Wang, B.; Shen, F. A Multistep Sequence-to-Sequence Model with Attention LSTM Neural Networks for Industrial Soft Sensor Application. IEEE Sens. J. 2023, 23, 10801–10813. [Google Scholar] [CrossRef]
- Xie, L.; Han, T.; Zhou, H.; Zhang, Z.R.; Han, B.; Tang, A. Tuna Swarm Optimization: A Novel Swarm-Based Metaheuristic Algorithm for Global Optimization. Comput. Intell. Neurosci. 2021, 2021, 9210050. [Google Scholar] [CrossRef]
- Wang, W.; Tian, J. An Improved Nonlinear Tuna Swarm Optimization Algorithm Based on Circle Chaos Map and Levy Flight Operator. Electronics 2022, 11, 3678. [Google Scholar] [CrossRef]
- Fezai, R. Effective Random Forest-Based Fault Detection and Diagnosis for Wind Energy Conversion Systems. IEEE Sens. J. 2021, 21, 6914–6921. [Google Scholar] [CrossRef]
- Shi, L.; Qin, Y.; Zhang, J.; Wang, Y.; Qiao, H.; Si, H. Multi-Class Classification of Agricultural Data Based on Random Forest and Feature Selection. J. Inf. Technol. Res. 2022, 15, 1–17. [Google Scholar] [CrossRef]






















| Hydraulic Component | Running State | Control Parameter | Limitation |
|---|---|---|---|
| Cooler (C1) | Cooling capacity decreased | Duty ratio of fan | 0~100% |
| Throttle valve (V10) | Switch characteristic degradation | Control current | 0~100% (rated) |
| Plunger pump (MP1) | Internal leakage | Adjusting hole | 0.2/0.25 mm |
| Accumulator (A1–A4) | Gas leakage | Precharge pressure | 9/10/11/11.5 MPa |
| Plunger Pump Status | Number of Training Samples | Number of Test Samples | Failure Tags |
|---|---|---|---|
| Severe internal leakage | 324 | 108 | 001 |
| Minor internal leakage | 324 | 108 | 010 |
| Normal | 324 | 108 | 011 |
| Model | Accuracy | Precision | Recall | F1 Score |
|---|---|---|---|---|
| CNN-LSTM | 0.9290 | 0.9296 | 0.9290 | 0.9292 |
| CNN-BiLSTM | 0.9537 | 0.9558 | 0.9537 | 0.9541 |
| TSO-CNN-BiLSTM | 0.9722 | 0.9722 | 0.9722 | 0.9721 |
| ITSO-CNN-BiLSTM | 0.9907 | 0.9907 | 0.9907 | 0.9907 |
| SNR | Accuracy | Precision | Recall | F1 Score |
|---|---|---|---|---|
| 0 dB | 0.8920 | 0.8944 | 0.8920 | 0.8926 |
| 5 dB | 0.9383 | 0.9383 | 0.9383 | 0.9383 |
| 10 dB | 0.9753 | 0.9752 | 0.9753 | 0.9752 |
| Cooler Status | Number of Training Samples | Number of Test Samples | Failure Tags |
|---|---|---|---|
| Close to total failure | 504 | 168 | 001 |
| Reduced efficiency | 504 | 168 | 010 |
| Full efficiency | 504 | 168 | 011 |
| Model | Accuracy | Precision | Recall | F1 Score |
|---|---|---|---|---|
| CNN-LSTM | 0.9385 | 0.9392 | 0.9385 | 0.9387 |
| CNN-BiLSTM | 0.9643 | 0.9643 | 0.9643 | 0.9643 |
| TSO-CNN-BiLSTM | 0.9821 | 0.9821 | 0.9821 | 0.9821 |
| ITSO-CNN-BiLSTM | 0.9940 | 0.9941 | 0.9940 | 0.9941 |
| SNR | Accuracy | Precision | Recall | F1 Score |
|---|---|---|---|---|
| 0 dB | 0.8988 | 0.9039 | 0.8988 | 0.8997 |
| 5 dB | 0.9405 | 0.9428 | 0.9405 | 0.9408 |
| 10 dB | 0.9762 | 0.9768 | 0.9762 | 0.9763 |
| Throttle Valve Status | Number of Training Samples | Number of Test Samples | Failure Tags |
|---|---|---|---|
| Near-complete failure | 252 | 84 | 001 |
| Severe hysteresis | 252 | 84 | 010 |
| Minor hysteresis | 252 | 84 | 011 |
| Optimal switching | 252 | 84 | 100 |
| Model | Accuracy | Precision | Recall | F1 Score |
|---|---|---|---|---|
| CNN-LSTM | 0.9107 | 0.9125 | 0.9107 | 0.9109 |
| CNN-BiLSTM | 0.9464 | 0.9469 | 0.9464 | 0.9464 |
| TSO-CNN-BiLSTM | 0.9702 | 0.9704 | 0.9702 | 0.9702 |
| ITSO-CNN-BiLSTM | 0.9881 | 0.9881 | 0.9881 | 0.9881 |
| SNR | Accuracy | Precision | Recall | F1 Score |
|---|---|---|---|---|
| 0 dB | 0.8801 | 0.8814 | 0.8810 | 0.8807 |
| 5 dB | 0.9167 | 0.9164 | 0.9167 | 0.9163 |
| 10 dB | 0.9673 | 0.9672 | 0.9673 | 0.9670 |
| Accumulator Status | Number of Training Samples | Number of Test Samples | Failure Tags |
|---|---|---|---|
| Near-complete failure | 252 | 84 | 001 |
| Severe depressurization | 252 | 84 | 010 |
| Minor depressurization | 252 | 84 | 011 |
| Optimal pressure | 252 | 84 | 100 |
| Model | Accuracy | Precision | Recall | F1 Score |
|---|---|---|---|---|
| CNN-LSTM | 0.9048 | 0.9054 | 0.9048 | 0.9049 |
| CNN-BiLSTM | 0.9435 | 0.9447 | 0.9435 | 0.9429 |
| TSO-CNN-BiLSTM | 0.9643 | 0.9643 | 0.9643 | 0.9643 |
| ITSO-CNN-BiLSTM | 0.9851 | 0.9852 | 0.9851 | 0.9851 |
| SNR | Accuracy | Precision | Recall | F1 Score |
|---|---|---|---|---|
| 0 dB | 0.8750 | 0.8757 | 0.8750 | 0.8750 |
| 5 dB | 0.9107 | 0.9111 | 0.9107 | 0.9106 |
| 10 dB | 0.9613 | 0.9617 | 0.9613 | 0.9612 |
Disclaimer/Publisher’s Note: The statements, opinions and data contained in all publications are solely those of the individual author(s) and contributor(s) and not of MDPI and/or the editor(s). MDPI and/or the editor(s) disclaim responsibility for any injury to people or property resulting from any ideas, methods, instructions or products referred to in the content. |
© 2024 by the authors. Licensee MDPI, Basel, Switzerland. This article is an open access article distributed under the terms and conditions of the Creative Commons Attribution (CC BY) license (https://creativecommons.org/licenses/by/4.0/).
Share and Cite
Zhang, D.; Zheng, K.; Liu, F.; Li, B. Fault Diagnosis of Hydraulic Components Based on Multi-Sensor Information Fusion Using Improved TSO-CNN-BiLSTM. Sensors 2024, 24, 2661. https://doi.org/10.3390/s24082661
Zhang D, Zheng K, Liu F, Li B. Fault Diagnosis of Hydraulic Components Based on Multi-Sensor Information Fusion Using Improved TSO-CNN-BiLSTM. Sensors. 2024; 24(8):2661. https://doi.org/10.3390/s24082661
Chicago/Turabian StyleZhang, Da, Kun Zheng, Fuqi Liu, and Beili Li. 2024. "Fault Diagnosis of Hydraulic Components Based on Multi-Sensor Information Fusion Using Improved TSO-CNN-BiLSTM" Sensors 24, no. 8: 2661. https://doi.org/10.3390/s24082661
APA StyleZhang, D., Zheng, K., Liu, F., & Li, B. (2024). Fault Diagnosis of Hydraulic Components Based on Multi-Sensor Information Fusion Using Improved TSO-CNN-BiLSTM. Sensors, 24(8), 2661. https://doi.org/10.3390/s24082661

