RF-SOI Low-Noise Amplifier Using RC Feedback and Series Inductive-Peaking Techniques for 5G New Radio Application
Abstract
1. Introduction
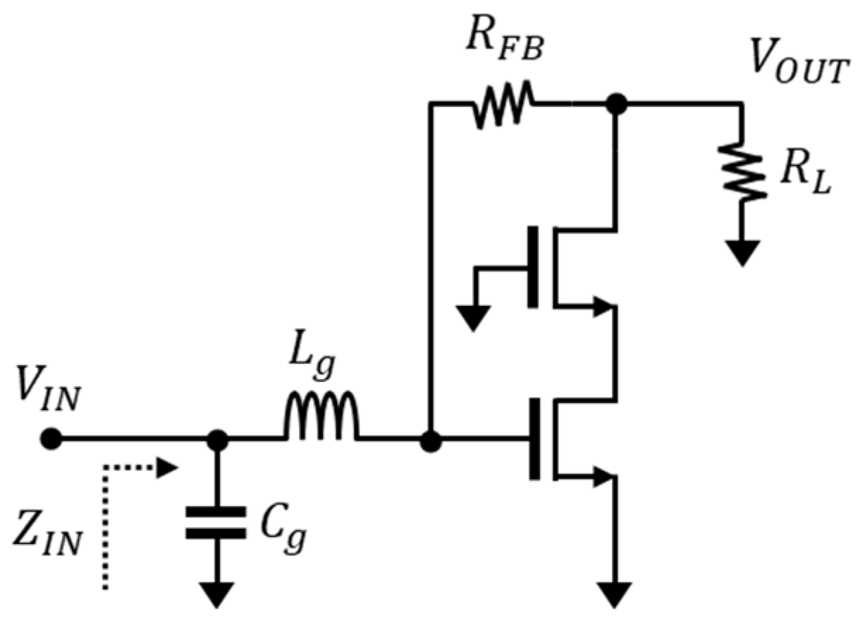
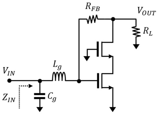
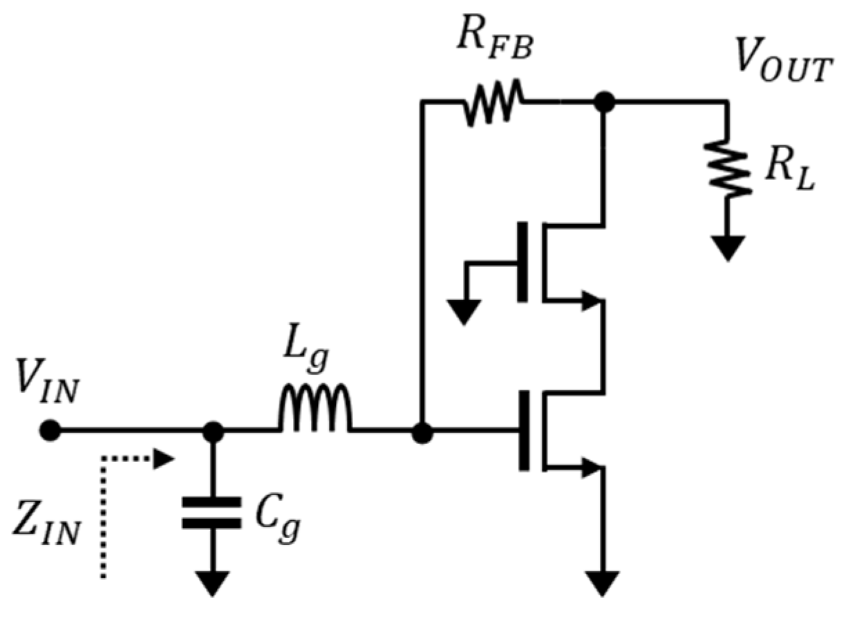
2. Resistive Feedback for the Wide Input Matching Network
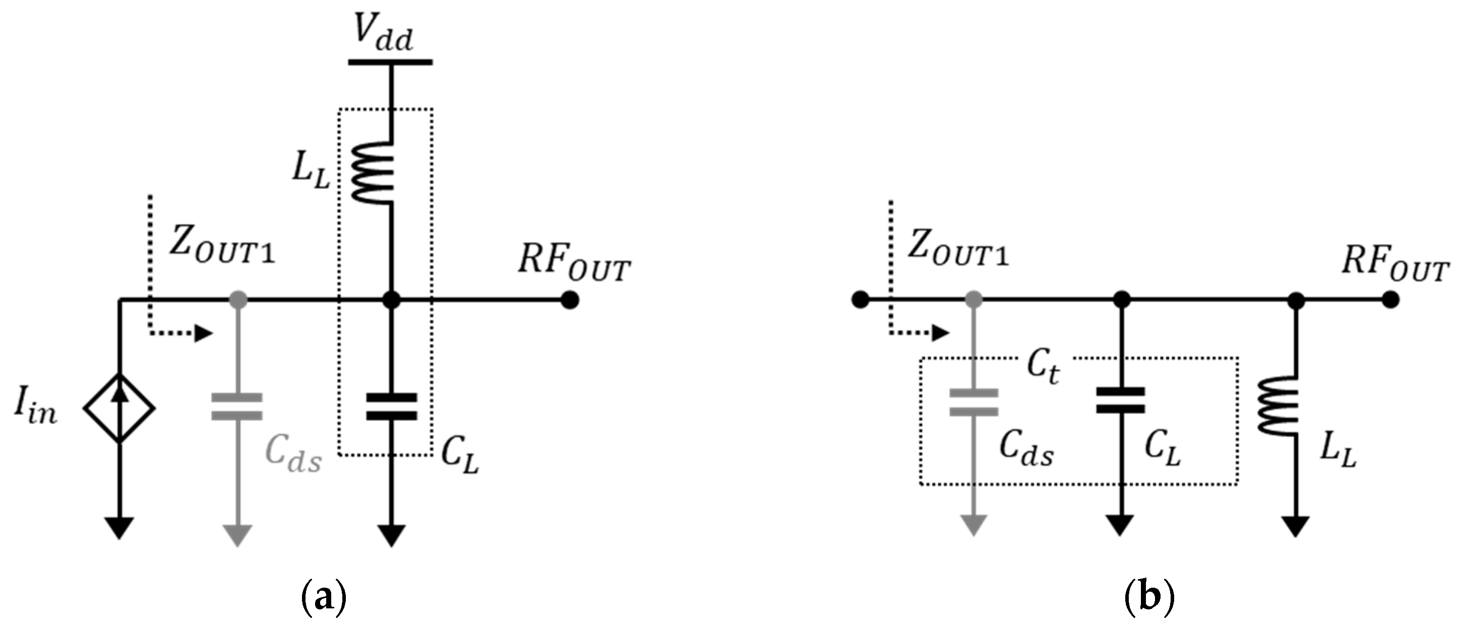
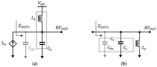
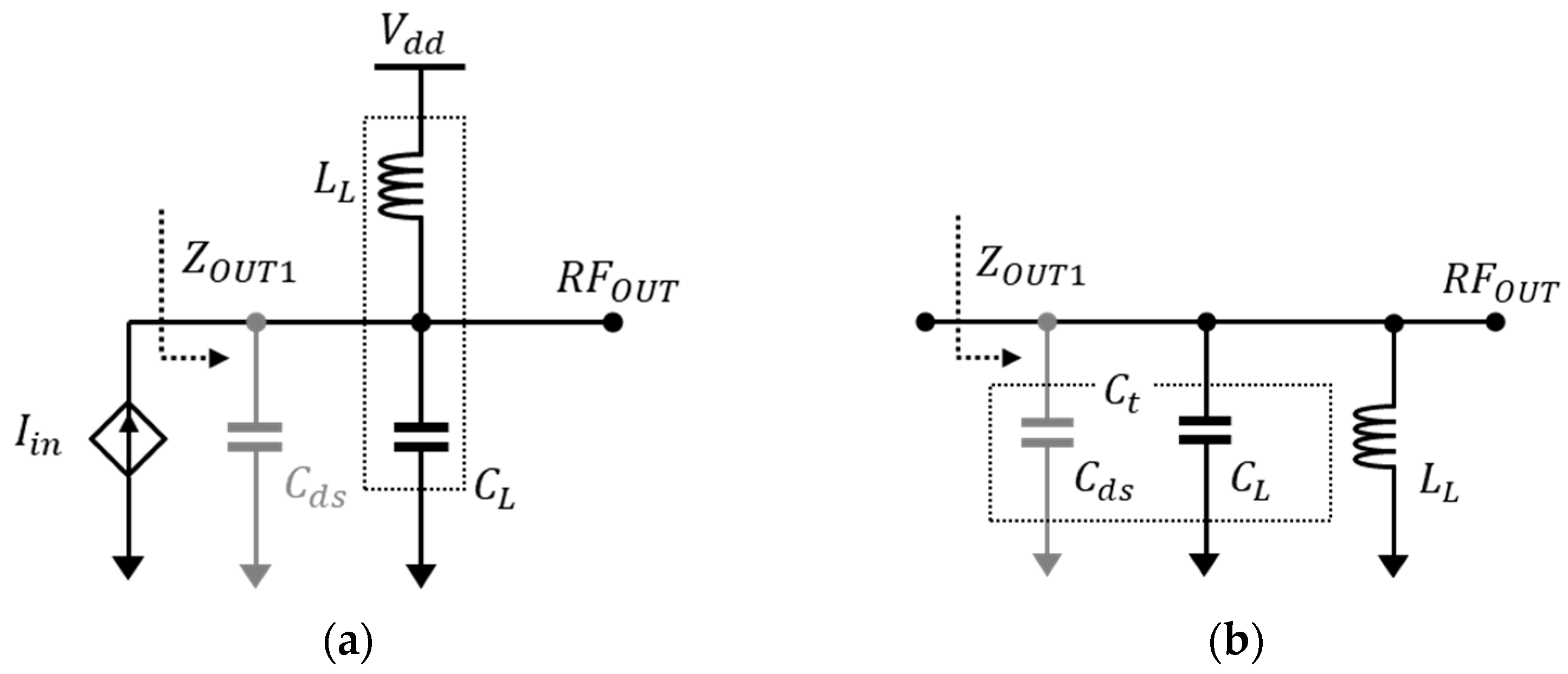
3. Inductive Peaking for the Wide Output Matching Network
4. Low-Noise Amplifier Design for the NR 79 Band
5. Conclusions
Author Contributions
Funding
Institutional Review Board Statement
Informed Consent Statement
Data Availability Statement
Conflicts of Interest
References
- Balteanu, F.; Modi, H.; Choi, Y.; Lee, J.; Drogi, S.; Khesbak, S. 5G RF front end module architectures for mobile applications. In Proceedings of the 2019 49th European Microwave Conference (EuMC), Paris, France, 1–3 October 2019; IEEE: Piscataway, NJ, USA, 2019; pp. 252–255. [Google Scholar]
- Li, C.; Wang, M.; Chi, T.; Kumar, A.; Boenke, M.; Wang, D.; Cahoon, N.; Bandyopadhyay, A.; Joseph, A.; Wang, H. 5G mm-wave front-end-module design with advanced SOI process. In Proceedings of the IEEE 12th International Conference on ASIC (ASICON), Guiyang, China, 25–28 October 2017; pp. 1017–1020. [Google Scholar]
- Dai, R.; Ren, J.; He, J.; Xiao, J.; Kong, W. RFFE integration design for 5g in 0.13 um RFSOI technology. In Proceedings of the 2019 China Semiconductor Technology International Conference (CSTIC), Shanghai, China, 18–19 March 2019; pp. 1–3. [Google Scholar]
- Perumana, B.G.; Zhan, J.C.; Taylor, S.S.; Carlton, B.R.; Laskar, J. Resistive-Feedback CMOS Low-Noise Amplifiers for Multiband Applications. IEEE Trans. Microw. Theory Tech. 2008, 56, 1218–1225. [Google Scholar]
- Xiong, Y.; Zeng, X.; Wang, G.; Liu, C. A Compact 4~8 GHz Low Noise Amplifier MMIC with Standing-By Feature for 5G Communication Applications. In Proceedings of the 2019 3rd International Conference on Electronic Information Technology and Computer Engineering (EITCE), Xiamen, China, 18–20 October 2019; pp. 394–397. [Google Scholar]
- Joo, S.; Choi, T.; Jung, B. A 2.4-GHz Resistive Feedback LNA in 0.13 μm CMOS. IEEE J. Solid-State Circuits 2009, 44, 3019–3029. [Google Scholar] [CrossRef]
- Wu, J.; Liu, Z. A 40 nm CMOS UltraWideband Low Noise Amplifier Design, Advances in Computer Science Research. In Proceedings of the International Conference on Wireless Communication, Network and Multimedia Engineering (WCNME 2019), Guilin, China, 21–22 April 2019; Volume 89. [Google Scholar]
- Razavi, B. RF Microelectronics (2nd Edition) (Prentice Hall Communications Engineering and Emerging Technologies Series), 2nd ed.; Prentice Hall Press: Upper Saddle River, NJ, USA, 2011; ISBN 978-0-13-713473-1. [Google Scholar]
- Datta, S.; Datta, K.; Dutta, A.; Bhattacharyya, T.K. Fully concurrent dual-band LNA operating in 900 MHz/2.4 GHz bands for multi-standard wireless receiver with sub-2 dB noise figure. Int. Emerg. Trends Eng. Conf. Tech. Dig. 2010, 1, 731–734. [Google Scholar]
- Lee, H.-J.; Ha, D.S.; Choi, S.S. A 3–5 GHz CMOS UWB LNA with input matching using miller effect. In Proceedings of the IEEE International Solid-State Circuits Conference, San Francisco, CA, USA, 6–9 February 2006. [Google Scholar]
- Blaakmeer, S.C.; Klumperink, E.A.M.; Leenaerts, D.M.W.; Nauta, B. Wideband Balun-LNA with Simultaneous Output Balancing, Noise-Canceling and Distortion-Canceling. IEEE J. Solid-State Circuits 2008, 43, 1341–1350. [Google Scholar] [CrossRef]
- Madan, A.; McPartlin, M.J.; Masse, C.; Vaillancourt, W.; Cressler, J.D. A 5 GHz 0.95 dB NF Highly Linear Cascode Floating-Body LNA in 180 nm SOI CMOS Technology. IEEE Microw. Wirel. Compon. Lett. 2012, 22, 200–202. [Google Scholar] [CrossRef]









| Ref. | Technology | Frequency [GHz] | S11/S22 [dB] | Gain [dB] | NF [dB] | IIP3 [dBm] | Area [mm2] | 
|---|---|---|---|---|---|---|---|
| [10] | 180 nm CMOS | 3–5 | <−10.5/- | 16 | 1.8 | −9 | 0.63 | 
| [11] | 65 nm CMOS | 0.2–5 | -/- | 15.6 | <3.5 | >0 | 0.009 | 
| [12] | 180 nm RFSOI | 5 | −33/−28 | 11 | 0.95 | 5 | 0.29 | 
| 180 nm RFSOI | 5 | −22/−28 | 9.3 | 1.9 | 6.5 | 0.29 | |
| This work * | 90 nm RFSOI | 4.4–5.0 | −9.4/−15 | 20.6–19.9 | 1.57–1.73 | −15.4 | 0.7 | 
| Disclaimer/Publisher’s Note: The statements, opinions and data contained in all publications are solely those of the individual author(s) and contributor(s) and not of MDPI and/or the editor(s). MDPI and/or the editor(s) disclaim responsibility for any injury to people or property resulting from any ideas, methods, instructions or products referred to in the content. | 
© 2023 by the authors. Licensee MDPI, Basel, Switzerland. This article is an open access article distributed under the terms and conditions of the Creative Commons Attribution (CC BY) license (https://creativecommons.org/licenses/by/4.0/).
Share and Cite
Kim, M.-S.; Yoo, S.-S. RF-SOI Low-Noise Amplifier Using RC Feedback and Series Inductive-Peaking Techniques for 5G New Radio Application. Sensors 2023, 23, 5808. https://doi.org/10.3390/s23135808
Kim M-S, Yoo S-S. RF-SOI Low-Noise Amplifier Using RC Feedback and Series Inductive-Peaking Techniques for 5G New Radio Application. Sensors. 2023; 23(13):5808. https://doi.org/10.3390/s23135808
Chicago/Turabian StyleKim, Min-Su, and Sang-Sun Yoo. 2023. "RF-SOI Low-Noise Amplifier Using RC Feedback and Series Inductive-Peaking Techniques for 5G New Radio Application" Sensors 23, no. 13: 5808. https://doi.org/10.3390/s23135808
APA StyleKim, M.-S., & Yoo, S.-S. (2023). RF-SOI Low-Noise Amplifier Using RC Feedback and Series Inductive-Peaking Techniques for 5G New Radio Application. Sensors, 23(13), 5808. https://doi.org/10.3390/s23135808
 
        



 
       