Quad-Port Circularly Polarized MIMO Antenna with Wide Axial Ratio
Abstract
1. Introduction
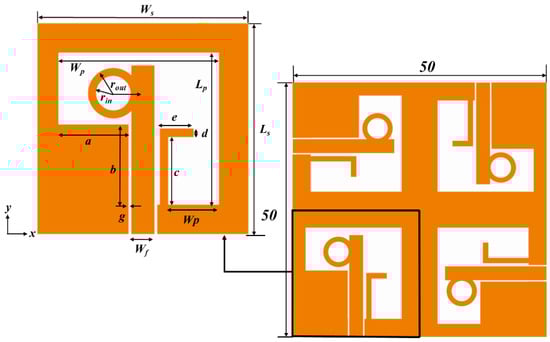
2. Design and Evolution of Four-Port MIMO Antenna
2.1. Evolution of CP-Radiation Using CMA
2.2. Quad-Port Antenna Design
3. Result and Discussion
4. Conclusions
Author Contributions
Funding
Institutional Review Board Statement
Informed Consent Statement
Data Availability Statement
Conflicts of Interest
References
- Agrawal, T.; Shweta, S. Compact MIMO antenna for multiband mobile applications. J. Microw. Optoelectron. Electromagn. Appl. 2017, 16, 542–552. [Google Scholar] [CrossRef]
- Malviya, L.; Panigrahi, R.K.; Kartikeyan, M.V. MIMO Antennas for Wireless Communication: Theory and Design; CEC Press: Brussels, Belgium, 2020. [Google Scholar]
- Wei, K.; Li, J.Y.; Wang, L.; Xing, Z.; Xu, R. Mutual coupling reduction by novel fractal defected ground structure bandgap filter. IEEE Trans. Antennas Propag. 2016, 64, 4328–4335. [Google Scholar] [CrossRef]
- Li, H.; Tan, Y.; Lau, B.K.; Ying, Z.; He, S. Characteristic mode-based tradeoff analysis of antenna-chassis interactions for multiple antenna terminals. IEEE Trans. Antennas Propag. 2012, 60, 490–502. [Google Scholar] [CrossRef]
- Chiu, C.Y.; Xu, F.; Shen, S.; Murch, R.D. Mutual coupling reduction of rotationally symmetric multiport antennas. IEEE Trans. Antennas Propag. 2018, 66, 5013–5021. [Google Scholar] [CrossRef]
- Li, M.; Zhong, B.G.; Cheung, S.W. Isolation enhancement for MIMO patch antennas using near-field resonators as coupling-mode transducer. IEEE Trans. Antennas Propag. 2019, 67, 755–764. [Google Scholar] [CrossRef]
- Sarkar, D.; Singh, A.; Saurav, K.; Srivastava, K.V. A four element quad-band MIMO antenna employing split ring resonator and interdigital capacitor. IET Microw. Antennas Propag. 2015, 9, 1453–1460. [Google Scholar] [CrossRef]
- Maddio, S.; Pelosi, G.; Righini, M.; Selleri, S.; Vecchi, I. Mutual coupling reduction in multilayer patch antennas via meander line parasites. Electron. Lett. 2018, 54, 922–924. [Google Scholar] [CrossRef]
- Xu, K.D.; Zhu, J.; Liao, S.; Xue, Q. Wideband patch antenna using multiple parasitic patches and its array application with mutual coupling reduction. IEEE Access 2018, 6, 42497–42506. [Google Scholar] [CrossRef]
- Luo, C.-M.; Hong, J.-S.; Zhong, L.-L. Isolation enhancement of a very compact UWB-MIMO slot antenna with two defected ground structures. IEEE Antennas Wirel. Propag. Lett. 2015, 14, 1766–1769. [Google Scholar] [CrossRef]
- Dadgarpour, A.; Zarghooni, B.; Virdee, B.S.; Denidni, T.A.; Kishk, A.A. Mutual coupling reduction in dielectric resonator antennas using metasurface shield for 60-GHz MIMO systems. IEEE Antennas Wirel. Propag. Lett. 2016, 16, 477–480. [Google Scholar] [CrossRef]
- Wang, Z.; Zhao, L.; Cai, Y.; Zheng, S.; Yin, Y. A meta-surface antenna array decoupling (MAAD) method for mutual coupling reduction in a MIMO antenna system. Sci. Rep. 2018, 8, 3152. [Google Scholar] [CrossRef]
- Liu, F.; Guo, J.; Zhao, L.; Huang, G.-L.; Li, Y.; Yin, Y. Dual-band metasurface-based decoupling method for two closely packed dual-band antennas. IEEE Trans. Antennas Propag. 2019, 68, 552–557. [Google Scholar] [CrossRef]
- Yang, F.; Rahmat-Samii, Y. Microstrip antennas integrated with electromagnetic band-gap (EBG) structures: A low mutual coupling design for array applications. IEEE Trans. Antennas Propag. 2003, 51, 293–2946. [Google Scholar]
- Mu’Ath, J.; Denidni, T.K.; Sebak, A.R. Millimeter-wave compact EBG structure for mutual coupling reduction applications. IEEE Trans. Antennas Propag. 2014, 63, 823–828. [Google Scholar]
- Tan, X.; Wang, W.; Wu, Y.; Kishik, A.A. Enhancing isolation in dual-band meander-line multiple antenna by employing split EBG structure. IEEE Trans. Antennas Propag. 2019, 67, 2769–2774. [Google Scholar] [CrossRef]
- Thummaluru, S.R.; Kumar, R.; Chaudhary, R.K. Isolation enhancement and radar cross section reduction of MIMO antenna with frequency selective surface. IEEE Trans. Antennas Propag. 2018, 66, 1595–1600. [Google Scholar] [CrossRef]
- Hassan, T.; Khan, M.U.; Attia, H.; Sharawi, M.S. An FSS based correlation reduction technique for MIMO antennas. IEEE Trans. Antennas Propag. 2018, 66, 4900–4905. [Google Scholar] [CrossRef]
- Yin, W.; Chen, S.; Chang, J.; Li, C.; Khamas, S.K. CPW fed compact UWB 4-element MIMO antenna with high isolation. Sensors 2021, 21, 2688. [Google Scholar] [CrossRef] [PubMed]
- Nej, S.; Ghosh, A.; Ahmad, S.; Ghaffar, A.; Hussein, M. Compact Quad Band MIMO Antenna Design with Enhanced Gain for Wireless Communications. Sensors 2022, 22, 7143. [Google Scholar] [CrossRef] [PubMed]
- Chung, K.L.; Yan, X.; Li, Y. A Jia-shaped artistic patch antenna for dual-band circular polarization. AEU-Int. J. Electron. Commun. 2020, 120, 153207. [Google Scholar] [CrossRef] [PubMed]
- Varshney, G.; Gotra, S.; Chaturvedi, S.; Pandey, V.S.; Yaduvanshi, R.S. Compact four-port MIMO dielectric resonator antenna with pattern diversity. IET Microw. Antennas Propag. 2019, 13, 2193–2198. [Google Scholar] [CrossRef]
- Malviya, L.; Panigrahi, R.K.; Kartikeyan, M.V. Circularly polarized 2 × 2 MIMO antenna for WLAN applications. Prog. Electromagn. Res. C 2016, 66, 97–107. [Google Scholar] [CrossRef]
- Adam, I.; Yasin, M.N.M.; Ramli, N.; Jusoh, M.; Rahim, H.A.; Latef, T.B.; Izam, T.F.; Sabapathy, T. Mutual coupling reduction of a wideband circularly polarized microstrip MIMO antenna. IEEE Access 2019, 7, 97838–97845. [Google Scholar] [CrossRef]
- Dwivedi, A.K.; Sharma, A.; Pandey, A.K.; Singh, V. Two port circularly polarized MIMO antenna design and investigation for 5G communication systems. Wirel. Pers. Commun. 2021, 120, 2085–2099. [Google Scholar] [CrossRef]
- Ullah, U.; Mabrouk, I.B.; Koziel, S. Enhanced-performance circularly polarized MIMO antenna with polarization/pattern diversity. IEEE Access 2020, 8, 11887–11895. [Google Scholar] [CrossRef]
- Saini, R.K.; Dwari, S. A broadband dual circularly polarized square slot antenna. IEEE Trans. Antennas Propag. 2015, 64, 290–294. [Google Scholar] [CrossRef]
- Iqbal, J.; Illahi, U.; Sulaiman, M.I.; Alam, M.M.; Su’ud, M.M.; Yasin, M.N.M. Mutual coupling reduction using hybrid technique in wideband circularly polarized MIMO antenna for WiMAX applications. IEEE Access 2019, 7, 40951–40958. [Google Scholar] [CrossRef]
- Varshney, G.; Singh, R.; Pandey, V.S.; Yaduvansh, R.S. Circularly polarized two-port MIMO dielectric resonator antenna. Prog. Electromagn. Res. M 2020, 91, 19–28. [Google Scholar] [CrossRef]
- Hu, Y.; Pan, Y.M.; Di Yang, M. Circularly Polarized MIMO Dielectric Resonator Antenna with Reduced Mutual Coupling. IEEE Trans. Antennas Propag. 2020, 69, 3811–3820. [Google Scholar] [CrossRef]
- Akbari, M.; Ali, M.M.; Farahani, M.; Sebak, A.R.; Denidni, T. Spatially mutual coupling reduction between CP-MIMO antennas using FSS superstrate. Electron. Lett. 2017, 53, 516–518. [Google Scholar] [CrossRef]
- Sharma, Y.; Sarkar, D.; Saurav, K.; Srivastava, K.V. Three-element MIMO antenna system with pattern and polarization diversity for WLAN applications. IEEE Antennas Wirel. Propag. Lett. 2017, 16, 1163–1166. [Google Scholar] [CrossRef]
- Reddy, M.H.; Sheela, D.; Swaminath, A. A four port circularly polarized printed multiple-input multiple-output antenna with enhanced isolation. Int. J. Commun. Syst. 2022, 35, e5061. [Google Scholar] [CrossRef]
- Kumar, S.; Lee, G.H.; Kim, D.H.; Choi, H.C.; Kim, K.W. Dual circularly polarized planar four-port MIMO Antenna with wide axial-ratio bandwidth. Sensors 2020, 20, 5610. [Google Scholar] [CrossRef] [PubMed]
- Kumar, P.; Urooj, S.; Malibari, A. Design of quad-port ultra-wideband multiple-input-multiple-output antenna with wide axial-ratio bandwidth. Sensors 2020, 20, 1174. [Google Scholar] [CrossRef]
- Mohanty, A.; Behera, B.R. CMA assisted 4-port compact MIMO antenna with dual-polarization characteristics. AEU-Int. J. Electron. Commun. 2021, 137, 153794. [Google Scholar] [CrossRef]
- Kollipara, V.; Samineni, P. Enhancement of higher order modes using characteristic mode analysis. In Proceedings of the 2022 2nd International Conference on Artificial Intelligence and Signal Processing (AISP), Vijayawada, India, 12–14 February 2022; pp. 1–4. [Google Scholar]
- Kollipara, V.; Samineni, P. Circularly polarized antennas using characteristic mode analysis: A review. Adv. Technol. Inn. 2022, 7, 242–257. [Google Scholar] [CrossRef]
- Chen, Y.; Wang, C.-F. Characteristic-mode-based improvement of circularly polarized U-slot and E-shaped patch antennas. IEEE Antennas Wirel. Propag. Lett. 2012, 30, 1474–1477. [Google Scholar] [CrossRef]
- Blanch, S.; Romeu, J.; Corbella, I. Exact representation of antenna system diversity performance from input parameter description. Electron. Lett. 2003, 39, 705–707. [Google Scholar] [CrossRef]
- Hallbjorner, P. The significance of radiation efficiencies when using S-parameters to calculate the received signal correlation from two antennas. IEEE Antennas Wirel. Propag. Lett. 2005, 4, 97–99. [Google Scholar] [CrossRef]
- Schwartz, M.; Bennett, W.R.; Stein, S. Communication Systems and Techniques; McGraw-Hill: New York, NY, USA, 1966. [Google Scholar]
- Sharawi, M.S. Printed multi-band MIMO antenna systems and their performance metrics. IEEE Antennas Propag. Mag. 2013, 55, 218–232. [Google Scholar] [CrossRef]
- Sehrai, D.A.; Abdullah, M.; Altaf, A.; Kiani, S.H.; Muhammad, F.; Tufail, M.; Irfan, M.; Glowacz, A.; Rahman, S. A novel high gain wideband MIMO antenna for 5G millimeter wave applications. Electronics 2020, 22, 1031. [Google Scholar] [CrossRef]














| Ref. | No. of Ports | Isolation Techniques | Polarization | CMA Assisted | Band |
|---|---|---|---|---|---|
| [19] | 4 | Gap between radiation and ground plane | Linear | No | Wide |
| [20] | 4 | A cross-parasitic microstrip | Linear | No | Multi |
| [23] | 2 | Slot above the feedline | Circular | No | Narrow |
| [24] | 2 | A line patch introduced | Circular | No | Wide |
| [25] | 2 | Without the incorporation of decoupling unit | Circular | No | Wide |
| [26] | 2 | Two antennas are placed in the far field region | Circular | No | Narrow |
| [27] | 2 | Straight strip is attached to an L-shaped ground strip | Circular | No | Wide |
| [28] | 2 | Parasitic patch with the diagonal position of DRAs | Circular | No | Wide |
| [29] | 2 | ---- | Circular | No | Wide |
| [30] | 2 | Two identical DRAs with cross slot | Circular | No | Narrow |
| [31] | 2 | FSS superstrate | Circular | No | Narrow |
| [32] | 3 | ---- | Circular | No | Wide |
| [33] | 4 | Inserting λ/2 diagonal strips between the radiators | Circular | No | Wide |
| [34] | 4 | Cross-shaped incorporated into the ground plane | Circular | No | Wide |
| [35] | 4 | Metal strips with 180° out of phase | Circular | No | Wide |
| [36] | 4 | An L-shaped stub | Hybrid | Yes | Multi |
| [Prop. Work] | 4 | ---- | Circular | Yes | Wide |
| Modes | Mode 1 | Mode 2 | Mode 3 | Mode 4 | Mode 5 | Mode 6 |
|---|---|---|---|---|---|---|
| Resonant Modes | 🗴 | 🗸 | 🗴 | 🗸 | 🗸 | 🗸 |
| Frequencies (GHz) | - | 5.32 | - | 6.80 | 9.61 | 10.40 |
| Non-Resonating Modes | 🗸 | 🗴 | 🗸 | 🗴 | 🗴 | 🗴 |
| Orthogonal Modes | Mode 2 and Mode 4 | Mode 4 and Mode 5 | Mode 5 and Mode 6 | |||
| Frequencies (GHz) | 6.19 | 8.40 | 9.90 | |||
| MS | 0.81 | 0.98 | 0.76 | |||
| CA | 71.7° | 73.3° | 77.7° | |||
| Parameter | Ws | Ls | Wp | Lp | Wp | Wf | g |
|---|---|---|---|---|---|---|---|
| Value (mm) | 25 | 25 | 18 | 18 | 6 | 2.75 | 0.4 |
| Parameter | a | b | c | d | e | rin | rout |
| Value (mm) | 8.3 | 8.5 | 8 | 1 | 4 | 2 | 3 |
| Parameters | Ant @ 1 | Ant @ 2 | Ant @ 3 |
|---|---|---|---|
| Resonant frequency (GHz) | 5.41–10.54 | 5.56–11 | 5.59–11 |
| Impedance Bandwidth (%) | 64.3 | >65.7 | >65.2 |
| Cutoff-frequency (GHz) | 7.97 | >8.28 | >8.29 |
| Axial ratio (GHz) | 5.92–9.50 | 5.69–10.05 | 5.54–10.31 |
| Axial ratio bandwidth (%) | 46.4 | 55.4 | 60.1 |
| Cutoff-frequency (GHz) | 7.71 | 7.87 | 7.92 |
| Peak gain (dBi) | 3.66 @ 9.8 GHz | 4.55 @ 8.8 GHz | 5.48 @ 8.4 GHz |
| Results | Impedance Bandwidth | Axial ratio Bandwidth | ||||
|---|---|---|---|---|---|---|
| % | GHz | fc | % | GHz | fc | |
| Simulated | 65.7 | 5.56–11 (above) | 8.28 | 55.4 | 5.69–10.05 | 7.87 |
| Measured | 68.2 | 5.40–11 (above) | 8.20 | 57.3 | 5.55–10.01 | 7.78 |
| Results | Impedance Bandwidth | Axial Ratio Bandwidth | ||||
|---|---|---|---|---|---|---|
| % | GHz | fc | % | GHz | fc | |
| Simulated | 65.2 | 5.59–11 (above) | 8.29 | 60.1 | 5.54–10.31 | 7.925 |
| Measured | 68.8 | 5.37–11 (above) | 8.30 | 58.6 | 5.61–10.26 | 7.935 |
| Ref. | Antenna Size w × l × h (mm) | Impedance Bandwidth | Axial Ratio Bandwidth | Isolation > dB | Peak Gain (dBi) | ||||
|---|---|---|---|---|---|---|---|---|---|
| % | GHz | fc | % | GHz | fc | ||||
| [23] | 97 × 27.69 × 1.524 | 9.2 | 5.49–6.02 | 5.7 | 1.5 | 5.77–5.86 | 5.8 | 33 | 5.3 |
| [24] | 66 × 66 × 1.6 | 34.1 | 1.82–2.57 | 2.1 | 18.9 | 2.15–2.60 | 2.3 | 24 | 2.2 |
| [25] | 37 × 30 × 0.8 | 28.1 | 3.20–4.25 | 3.7 | 28.1 | 3.20–4.25 | 3.7 | 15 | 2.5 |
| [26] | 36.2 × 13.7 × 0.813 | 19.2 | 5.20–6.30 | 5.7 | 19.2 | 5.20–6.30 | 5.7 | 20 | 5.8 |
| [27] | 60 × 60 × 1.6 | 81.1 | 2.00–4.76 | 3.3 | 59.6 | 2.00–3.70 | 2.8 | 15 | 4.0 |
| [28] | 35 × 35 × -- | 34.3 | 3.50–4.95 | 4.2 | 20.5 | 3.58–4.40 | 3.9 | 28 | 6.2 |
| [29] | 80 × 80 × 5 | 36.7 | 5.71–8.20 | 6.9 | 45.5 | 7.72–8.04 | 7.9 | 15 | 3.8 |
| [30] | 126 × 76 × 0.8 | 9.2 | 2.36–2.59 | 2.4 | 4.8 | 2.39–2.51 | 2.4 | 20 | 5.6 |
| [32] | 48 × 29 × 1.6 | 14.5 | 5.40–6.25 | 5.8 | 1.5 | 5.61–5.70 | 5.6 | 18 | 4.7 |
| [33] | 60 × 60 × 1.6 | 63.8 | 3.20–6.20 | 4.7 | 18.9 | 4.30–5.20 | 4.7 | 25 | 3.0 |
| [34] | 70 × 68 × 1.6 | 105.8 | 4.0–13.0 | 8.5 | 67.7 | 4.20–8.50 | 6.3 | 18 | 6.4 |
| [35] | 45 × 45 × 1.6 | 143.9 | 2.20–13.5 | 7.8 | 52.4 | 3.80–6.50 | 5.15 | 18 | 6.8 |
| Prop. Work | 50 × 50 × 0.4 | 64.9 | 5.37–11.0 | 8.3 | 58.6 | 5.61–10.26 | 7.9 | 21 | 5.6 |
Publisher’s Note: MDPI stays neutral with regard to jurisdictional claims in published maps and institutional affiliations. |
© 2022 by the authors. Licensee MDPI, Basel, Switzerland. This article is an open access article distributed under the terms and conditions of the Creative Commons Attribution (CC BY) license (https://creativecommons.org/licenses/by/4.0/).
Share and Cite
Kollipara, V.; Peddakrishna, S. Quad-Port Circularly Polarized MIMO Antenna with Wide Axial Ratio. Sensors 2022, 22, 7972. https://doi.org/10.3390/s22207972
Kollipara V, Peddakrishna S. Quad-Port Circularly Polarized MIMO Antenna with Wide Axial Ratio. Sensors. 2022; 22(20):7972. https://doi.org/10.3390/s22207972
Chicago/Turabian StyleKollipara, Vamshi, and Samineni Peddakrishna. 2022. "Quad-Port Circularly Polarized MIMO Antenna with Wide Axial Ratio" Sensors 22, no. 20: 7972. https://doi.org/10.3390/s22207972
APA StyleKollipara, V., & Peddakrishna, S. (2022). Quad-Port Circularly Polarized MIMO Antenna with Wide Axial Ratio. Sensors, 22(20), 7972. https://doi.org/10.3390/s22207972

