A Self-Powered Hybrid SSHI Circuit with a Wide Operation Range for Piezoelectric Energy Harvesting
Abstract
1. Introduction
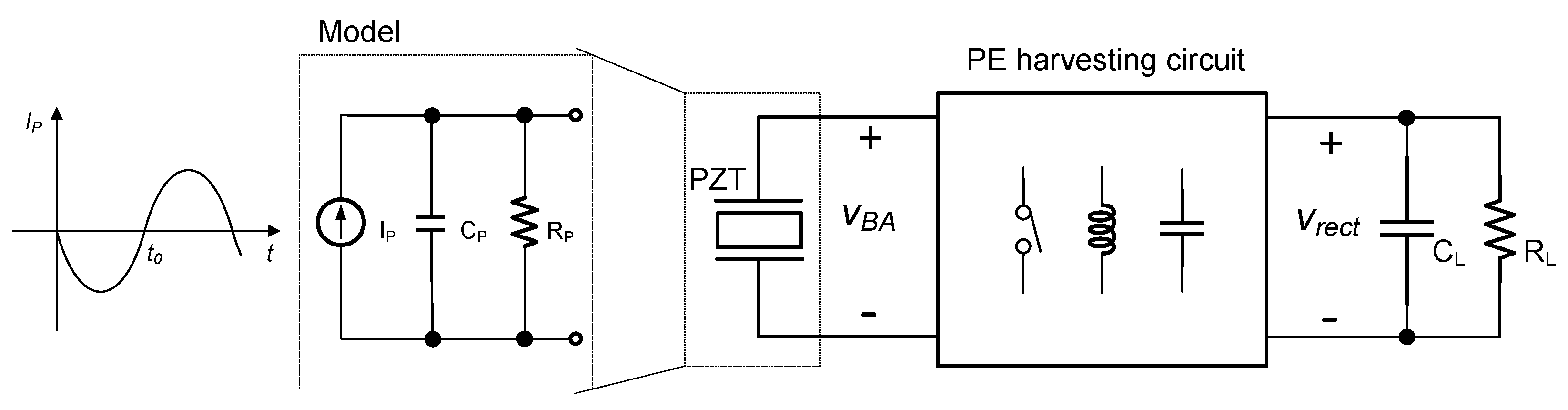
2. Preliminaries
2.1. Review of Relevant SSHI Circuits
2.2. Effect of the Rectifier Voltage on the Extracted Power
3. Proposed Rectifier Scheme
3.1. Block Diagram
3.2. Operation
3.3. Modelling Analysis
- First resonant loop:
- Second resonant loop:
- Operation mode:
3.4. Extracted Power
- P-SSHI mode:
- S-SSHI mode:
3.5. Operation Range
4. Circuit Implementation
5. Experiment Results
6. Conclusions
Author Contributions
Funding
Institutional Review Board Statement
Informed Consent Statement
Data Availability Statement
Acknowledgments
Conflicts of Interest
References
- Priya, S.; Song, H.-C.; Zhou, Y.; Varghese, R.; Chopra, A.; Kim, S.-G.; Kanno, I.; Wu, L.; Ha, D.S.; Ryu, J.; et al. A Review on Piezoelectric Energy Harvesting: Materials, Methods, and Circuits. Energy Harvest. Syst. 2017, 4, 3–39. [Google Scholar] [CrossRef]
- Brenes, A.; Morel, A.; Juillard, J.; Lefeuvre, E.; Badel, A. Maximum power point of piezoelectric energy harvesters: A review of optimality condition for electrical tuning. Smart Mater. Struct. 2020, 29, 033001. [Google Scholar] [CrossRef]
- Shim, M.; Kim, J.; Jeong, J.; Park, S.; Kim, C. Self-Powered 30 µW to 10 mW Piezoelectric Energy Harvesting System With 9.09 ms/V Maximum Power Point Tracking Time. IEEE J. Solid-State Circuits 2015, 50, 2367–2379. [Google Scholar] [CrossRef]
- Do, X.-D.; Nguyen, H.-H.; Han, S.-K.; Ha, D.S.; Lee, S.-G. A Self-Powered High-Efficiency Rectifier with Automatic Resetting of Transducer Capacitance in Piezoelectric Energy Harvesting Systems. IEEE Trans. Large Scale Integr. Syst. 2015, 23, 444–453. [Google Scholar] [CrossRef]
- Guyomar, D.; Badel, A.; Lefeuvre, E.; Richard, C. Toward energy harvesting using active materials and conversion improvement by nonlinear processing. IEEE Trans. Ultrason. Ferroelectr. Freq. Control 2005, 52, 584–594. [Google Scholar] [CrossRef] [PubMed]
- Lefeuvre, E.; Badel, A.; Richard, C.; Petit, L.; Guyomar, D. A comparison between several vibration-powered piezoelectric generators for standalone systems. Sens. Actuators A Phys. 2006, 126, 405–416. [Google Scholar] [CrossRef]
- Lefeuvre, E.; Badel, A.; Richard, C.; Guyomar, D. Piezoelectric Energy Harvesting Device Optimization by Synchronous Electric Charge Extraction. J. Intell. Mater. Syst. Struct. 2005, 16, 865–876. [Google Scholar] [CrossRef]
- Ramadass, Y.K.; Chandrakasan, A.P. An Efficient Piezoelectric Energy Harvesting Interface Circuit Using a Bias-Flip Rectifier and Shared Inductor. IEEE J. Solid-State Circuits 2010, 45, 189–204. [Google Scholar] [CrossRef]
- Aktakka, E.E.; Najafi, K. A Micro Inertial Energy Harvesting Platform with Self-Supplied Power Management Circuit for Autonomous Wireless Sensor Nodes. IEEE J. Solid-State Circuits 2014, 49, 2017–2029. [Google Scholar] [CrossRef]
- Sanchez, D.A.; Leicht, J.; Hagedorn, F.; Jodka, E.; Fazel, E.; Manoli, Y. A Parallel-SSHI Rectifier for Piezoelectric Energy Harvesting of Periodic and Shock Excitations. IEEE J. Solid-State Circuits 2016, 51, 2867–2879. [Google Scholar] [CrossRef]
- Liang, J.; Liao, W.-H. Improved Design and Analysis of Self-Powered Synchronized Switch Interface Circuit for Piezoelectric Energy Harvesting Systems. IEEE Trans. Ind. Electron. 2012, 59, 1950–1960. [Google Scholar] [CrossRef]
- Lu, S.; Boussaid, F. A Highly Efficient P-SSHI Rectifier for Piezoelectric Energy Harvesting. IEEE Trans. Power Electron. 2015, 30, 5364–5369. [Google Scholar] [CrossRef]
- Wu, L.; Do, X.-D.; Lee, S.-G.; Ha, D.S. A Self-Powered and Optimal SSHI Circuit Integrated with an Active Rectifier for Piezoelectric Energy Harvesting. IEEE Trans. Circuits Syst. I Regul. Pap. 2016, 64, 537–549. [Google Scholar] [CrossRef]
- Eltamaly, A.M.; Addoweesh, K.E. A Novel Self-Power SSHI Circuit for Piezoelectric Energy Harvester. IEEE Trans. Power Electron. 2017, 32, 7663–7673. [Google Scholar] [CrossRef]
- Liang, J.; Zhao, Y.; Zhao, K. Synchronized Triple Bias-Flip Interface Circuit for Piezoelectric Energy Harvesting Enhancement. IEEE Trans. Power Electron. 2019, 34, 275–286. [Google Scholar] [CrossRef]
- Du, S.J.; Jia, Y.; Zhao, C.; Amaratunga, G.A.J.; Seshia, A.A. A Fully Integrated Split-Electrode SSHC Rectifier for Piezoelectric Energy Harvesting. IEEE J. Solid-State Circuits 2019, 34, 1733–1743. [Google Scholar] [CrossRef]
- Hehn, T.; Hagedorn, F.; Maurath, D.; Marinkovic, D.; Kuehne, I.; Frey, A.; Manoli, Y. A Fully Autonomous Integrated Interface Circuit for Piezoelectric Harvesters. IEEE J. Solid-State Circuits 2012, 47, 2185–2198. [Google Scholar] [CrossRef]
- Morel, A.; Quelen, A.; Gasnier, P.; Grezaud, R.; Monfray, S.; Badel, A.; Pillonnet, G. A Shock-Optimized SECE Integrated Circuit. IEEE J. Solid-State Circuits 2018, 53, 3420–3433. [Google Scholar] [CrossRef]
- Shi, G.; Xia, Y.; Wang, X.; Qian, L.; Ye, Y.; Li, Q. An Efficient Self-Powered Piezoelectric Energy Harvesting CMOS Interface Circuit Based on Synchronous Charge Extraction Technique. IEEE Trans. Circuits Syst. I Regul. Pap. 2017, 65, 804–817. [Google Scholar] [CrossRef]
- Gasnier, P.; Willemin, J.; Boisseau, S.; Despesse, G.; Condemine, C.; Gouvernet, G.; Chaillout, J.-J. An Autonomous Piezoelectric Energy Harvesting IC Based on a Synchronous Multi-Shot Technique. IEEE J. Solid-State Circuits 2014, 49, 1561–1570. [Google Scholar] [CrossRef]
- Dini, M.; Romani, A.; Filippi, M.; Tartagni, M. A Nanopower Synchronous Charge Extractor IC for Low-Voltage Piezoelectric Energy Harvesting with Residual Charge Inversion. IEEE Trans. Power Electron. 2016, 31, 1263–1274. [Google Scholar] [CrossRef]
- Wu, Y.; Badel, A.; Formosa, F.; Liu, W.; Agbossou, A.E. Piezoelectric vibration energy harvesting by optimized synchronous electric charge extraction. J. Intell. Mater. Syst. Struct. 2013, 24, 1445–1458. [Google Scholar] [CrossRef]
- Kawai, N.; Kushino, Y.; Koizumi, H. MPPT controled piezoelectric energy harvesting circuit using synchronized switch harvesting on inductor. In Proceedings of the IECON 2015—41st Annual Conference of the IEEE Industrial Electronics Society; Institute of Electrical and Electronics Engineers (IEEE), Yokohama, Japan, 9–12 November 2015. [Google Scholar]
- Fang, S.; Xia, H.; Xia, Y.; Ye, Y.; Shi, G.; Wang, X.; Chen, Z. An Efficient Piezoelectric Energy Harvesting Circuit with Series-SSHI Rectifier and FNOV-MPPT Control Technique. IEEE Trans. Ind. Electron. 2020. Early Access. [Google Scholar] [CrossRef]
- Wu, L.; Ha, D.S. A Self-Powered Piezoelectric Energy Harvesting Circuit with an Optimal Flipping Time SSHI and Maximum Power Point Tracking. IEEE Trans. Circuits Syst. II Express Briefs 2019, 66, 1758–1762. [Google Scholar] [CrossRef]
- Lallart, M.; Garbuio, L.; Petit, L.; Richard, C.; Guyomar, D. Double synchronized switch harvesting (DSSH): A new energy harvesting scheme for efficient energy extraction. IEEE Trans. Ultrason. Ferroelectr Freq. Control 2008, 55, 2119–2130. [Google Scholar] [CrossRef]
- Lallart, M.; Richard, C.; Garbuio, L.; Petit, L.; Guyomar, D. High efficiency, wide load bandwidth piezoelectric energy scavenging by a hybrid nonlinear approach. Sens. Actuators A Phys. 2011, 165, 294–302. [Google Scholar] [CrossRef]
- Chew, Z.J.; Zhu, M. Adaptive self-configurable rectifier for extended operating range of piezoelectric energy harvesting. IEEE Trans. Ind. Electron. 2020, 67, 3267–3276. [Google Scholar] [CrossRef]
- Lu, C.; Tsui, C.-Y.; Ki, W.-H. Vibration energy scavenging system with maximum power tracking for micropower applications. IEEE Trans. Large Scale Integr. (VLSI) Syst. 2011, 19, 2109–2119. [Google Scholar] [CrossRef]
















| Components | Value |
|---|---|
| Piezoelectric transducer current iP | 50 μA |
| Frequency fP | 100 Hz |
| Capacitor CP | 19 nF |
| External inductor L | 1.5 mH |
| VRI | ||
|---|---|---|
| P-SSHI | S-SSHI | Proposed |
| Publication | JSSC 2015 [3] | TPE 2015 [12] | TPE 2015 [15] | JSSC 2019 [16] | This work |
|---|---|---|---|---|---|
| Process Technology | 0.35 μm CMOS | Discrete Components | Discrete Components | 0.18 μm HV CMOS | Discrete Components |
| PE Transducer | Mide V21BL | Mide V22B | Custom | Custom MEMS | Custom |
| CP (nF) | 11 | 18 | 28.42 | 1.94 | 22 |
| fP (Hz) | 200 | 225 | 24.9 | 219 | 70 |
| Voc (V) | 1–7 | 2.4 | 15 | 2.5 | 5 |
| Number of Components | - | 24 *** | 19 | - | 11 |
| Extraction Scheme | Dual-mode | SSHI | Triple Bias-flip | SE-SSHC | Hybrid SSHI |
| Self-powered | Yes | Yes | Yes | Yes | Yes |
| VRI * | <2.33 (Voc = 3V) ** | 1.67 ** | 0.533 ** | 1.76 ** | 4.4 |
| FoM | - | 2.06 | 2.9 ** | 2.56 | 2.9 |
| Power Conversion Efficiency | <80% | - | - | - | 83.2% |
Publisher’s Note: MDPI stays neutral with regard to jurisdictional claims in published maps and institutional affiliations. |
© 2021 by the authors. Licensee MDPI, Basel, Switzerland. This article is an open access article distributed under the terms and conditions of the Creative Commons Attribution (CC BY) license (http://creativecommons.org/licenses/by/4.0/).
Share and Cite
Wu, L.; Zhu, P.; Xie, M. A Self-Powered Hybrid SSHI Circuit with a Wide Operation Range for Piezoelectric Energy Harvesting. Sensors 2021, 21, 615. https://doi.org/10.3390/s21020615
Wu L, Zhu P, Xie M. A Self-Powered Hybrid SSHI Circuit with a Wide Operation Range for Piezoelectric Energy Harvesting. Sensors. 2021; 21(2):615. https://doi.org/10.3390/s21020615
Chicago/Turabian StyleWu, Liao, Peidong Zhu, and Minghua Xie. 2021. "A Self-Powered Hybrid SSHI Circuit with a Wide Operation Range for Piezoelectric Energy Harvesting" Sensors 21, no. 2: 615. https://doi.org/10.3390/s21020615
APA StyleWu, L., Zhu, P., & Xie, M. (2021). A Self-Powered Hybrid SSHI Circuit with a Wide Operation Range for Piezoelectric Energy Harvesting. Sensors, 21(2), 615. https://doi.org/10.3390/s21020615
